最全的船体分段编码
- 格式:pdf
- 大小:185.19 KB
- 文档页数:10
生产设计图样编码1 范围本标准规定了生产设计图样编码的分类、组成、含义和示例。
3.2 船舶序号依据实际建造序号或专船规定的序号。
3.3 分段/总组/批量/区域/单元号的组成3.3.1 分段/总组号的组成:a)采用四位编码组成;b)分段/总组舾装直接采用专船分段划分图中的分段/总组码。
3.3.2批量号的组成(用于钢材领取表及套料图):采用字母“B”+批量序号(三位数字)共四位组成。
3.3.3 区域号的组成:a)采用施工阶段码(一位)+区域号(三位)共四位组成;b)施工阶段码见表1。
表1c)区域号由大、中、小区分组成,见图1和表2。
图1 表23.3.4 单元号的组成:a)采用施工阶段码(一位)+单元号(二位)+序号(一位)共四位组成;b)单元号由大、小区分组成,见表3;c)序号采用英文大写字母A,B,C,D……排序。
表33.4 作业分类副工种主工种作业种类3.4.1 作业种类作业种类见表4。
表43.4.2 主、副工种区分 3.4.2.1 船体主工种见表5。
表53.4.2.2 舾装制作见表6。
表63.4.2.3 舾装安装见表7。
表73.5 作业阶段作业阶段见表8。
表83.6 序列号3.6.1船体图样采用数字001~999按顺序编排,对应不同的作业种类,每个序列号代表固定的图纸,见表9。
3.6.2舾装安装图和制作图采用数字1~9按顺序编排。
3.6.3 托盘表采用数字01~99按顺序编排。
表9表9(完)3.7 设计部门设计部门编码见表10。
表103.8 图样种类图样种类编码见表11。
表114 编码示例4.1 船体图样编码示例例1: 马士基30万吨机泵舱区域1006段组立图编码为:525011006HA001HA;编码解释见表12。
例2: 马士基30万吨机泵舱区域1006段板材加工图(龙门)编码为:525011006HC001HC;编码解释见表13。
表13例3: 马士基30万吨机泵舱区域第10批钢材领取表编码为:52501B010HC102HN;编码解释见表14。
分段划分原则1.0目的为了规范公司以后船舶类项目的分段命名,便于工人在施工的过程中能更好、更方便的识别分段。
根据公司体系要求,编制此文件。
2.0适用范围本规则适用于所有船舶类项目。
3.0命名规则主船体分段的分段命名由五位数组成,如下所示:分段左右舷标识分段流水号个位分段流水号十位分段位置标识分段区域标识其它附属分段的分段命名由四位数组成,如下所示:分段流水号分段名缩写4.0主船体分段的命名说明:4.1分段区域标识:分段区域主要指船舶主船体和上建区域按照区域划分,用字母A、E、H、F、L表示。
具体表示如下:A 表示尾部分段是AFT的缩写E 表示机舱分段是ENGINE ROOM的缩写H 表示中部船体分段是HULL的缩写F 表示首部分段是FORE的缩写L 表示上建分段是LIVING ACCOMMODATION的缩写4.2分段位置标识:分段位置指的是分段在区域的具体方位。
具体分层位置和区域位置两类。
层位置表示方法适用于A尾部分段、E机舱分段、F首部分段、L上建分段,指的是分段所在的层,用数字1-9表示。
从下向上进行排序,最下方的一个分段用‘1’表示,从下向上第二个分段用‘2’,第三个分段用‘3’表示,以此类推。
区域位置表示方法适用于H中部船体分段,分段的位置用分段所在的区域英文缩写表示,具体如下:B 双层底分段或底部分段BOTTOM的缩写S 外板分段或舷侧分段SHELL的缩写D 主甲板分段DECK的缩写T 横舱壁分段TRANSVERSE BULKHEAD的缩写L 纵舱壁分段LONGITUDINAL BUKLHEAD的缩写P 平台分段PLATFORM 缩写4.3分段流水号十位:分段流水号十位的作用有两种:第一种是表示分段在所在层的具体方位;第二种是当分段流水号个位编号超过9后,用于个位向前进位。
第一种适用于A尾部分段、E机舱分段、F首部分段、L上建分段,指的是分段在所在层的横向位置,用数字0-9表示。
从船中向舷侧进行排列,船中的系列分段用‘0’表示,从船中向舷侧的第一系列分段用‘1’表示,第二系列分段用‘2’表示,以此类推。
舟山中基船业有限公司
176000DWT散货船船体分段零件编码原则针对176000DWT散货船船体生产设计图纸的实际情况,为了提高劳动生产效率,缩短分段
制作周期,公司技术处特制定了176000DWT散货船船体分段零件编码。
为了保障生产的统一,本编码的制定参照了公司即将建造的79600DWT散货船的分段零件编码原则。
本编码的编制只是针对176000DWT散货船主船体部件结构,未涉及其它。
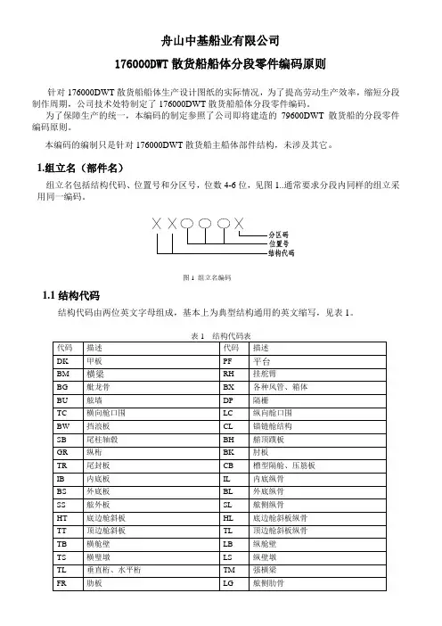
1.组立名(部件名)
组立名包括结构代码、位置号和分区号,位数4-6位,见图1..通常要求分段内同样的组立采用同一编码。
图1 组立名编码
1.1结构代码
结构代码由两位英文字母组成,基本上为典型结构通用的英文缩写,见表1。
1.2位置号见表2。
表2 位置号
1.3分区码
分区码才用一位英文字母表示。
分段内在同一位置上存在2个以上不同组立时,按从中心线导舷侧,从船尾向船艏,从下向上编码以A,B→N编码。
如:双层底分段133FR肋位有格肋板组立,分别采用Q、R、T等分区码,如图2所示。
由于O、I和0、1接近,容易混淆,所以分区码禁止采用O、I。
左舷通常采用A、B、C、E、F、G、H、J、K;
右舷通常采用Q、R、T、U、V、W、X、Y、Z.
图2 分区码实例
关于下发176000DWT散货船船体分段零件编码原则的通知公司各部门:
现将《舟山中基船业有限公司176000DWT散货船船体分段零件编码原则》,请遵照执行。
二00八年八月十八日
主题词:生产设计176000DWT散货船部件编码原则
抄报:公司领导。
船体分段及零件编码1 范围本文件规定了船体分段及零件编码。
本文件适用于船舶建造过程中经过零件->组立->分段->船舶四个阶段的船体分段及零件的编码。
2 编码体系组成(18位字符)2.1 编码有下列四部分组成:a. 工程号;b. 分段号;2.1.1示例:2.1.2 分段号由下列四部分组成:a.特殊标记(S);b.结构分类代码;c.情况分类代码;d.系列号。
其一般形式和表示意义为:2.1.3 装配号(MINÆ2位字符,MAXÆ6位字符)由下列三部分组成:a.组立结构代码;b.位置或系列号;c.分区号。
其一般形式和表示意义为:(1) 对于在组立的结构以2个英文字母来表示。
(2) 示例:散货船见图1和表1;集装箱船见图2和表2 ;油船见图3和表3。
2.1.3.2. 分区号.(最多1位字符)(1)在同一位置上的组立有2个以上的时候,各自加上一个英文字母(禁止使用D.I.O)(2)在编号的时候首选方案是3.2项中(2)小项的编号方法相同(3)示列见表4--对称分段可使用字母A~Z--非对称及跨中分段,左舷是从A~N,右舷是从P~Z2.1.4.1零件形状(1位数)2.1.4.2. 序列号(最多3位字符)(1) 片板整个编号表示数字编号使用的方法与3.2项(2)小项相同,用系列号的NO.编号来记录。
(2) 如果PIECE形状相同的时候,采用相同的符号。
(3) 示列见表62.1.5 组立流向基准见表73.1零件编号开始方向。
船体工作图上的代号和构件编号1.图形符号1.1 ¢——中心线;BL——基线;WL——水线;KL——折线;ML——理论线;○——船中;(P),(C),(S)——分别为左、中、右;F——肋位,如#20=20F;FR——肋距;~——工艺口接缝线。
2.节点及型材端部形状代号2.1 型材端部型式:2.1.1 SS——角钢,折边,T型材立板,折边,翼板,腹板,面板均削斜,详见CB*3183-83;2.1.2 F——角钢,折边,T型材,折边,翼板,面板削斜,立板,腹板固定,详见CB*3185-83;2.1.3 FS——T型材,面板削斜,腹板顶焊,详见CB*3183-83;2.1.4 S——扁钢端部以及球扁钢,角钢,折边材,T型材端部立板,腹板削斜,详见CB*3183-83;2.1.5 W——完全顶焊,详见CB*3183-83 ,要求工作图上绘出详图以便施工。
2.2 节点符号:2.2.1 B——肘板连接2.2.2 D——搭接2.2.3 L2——偏心丁字()2.2.4 L3——扁钢扶强(L)3.构件代号3.1 B——肘板(折边为BJ,T型为BS);F——肋位上的型材结构;E——船台装结构;A——大组装或A(P),A(C),A(S);An——中间大组装,n=1,2,3……或A(P),A(C),A(S);Pn——平面工位,或P(p),P(C),P(S);n=1,2,3……;Wn——围壁工位或W(P),W(C),W(S),n=1,2,3……;Zn——组合体(两个或两个以上小组装组合在一起)n=1,2,3……;Jn——需弯曲加工的结构,n=1,2,3……;主材代号:1,2,3……19且数字加括号,例〈1〉,〈2〉……;从材代号:21,22,23……∞注:在代号前可加肋位号或序号,在其后可加序号。
4.加荒加焊接收缩量符号:4.1 ∠——下实料;4.2 ∠S——小组装加荒;4.3 ∠J——加工工位加荒;4.4 ∠P——平面工位加荒;107A-107------底部分段(大组装)。
船体分段及零件编码1 范围本文件规定了船体分段及零件编码。
本文件适用于船舶建造过程中经过零件->组立->分段->船舶四个阶段的船体分段及零件的编码。
2 编码体系组成(18位字符)2.1 编码有下列四部分组成:a. 工程号;b. 分段号;2.1.1示例:2.1.2 分段号由下列四部分组成:a.特殊标记(S);b.结构分类代码;c.情况分类代码;d.系列号。
其一般形式和表示意义为:2.1.3 装配号(MINÆ2位字符,MAXÆ6位字符)由下列三部分组成:a.组立结构代码;b.位置或系列号;c.分区号。
其一般形式和表示意义为:(1) 对于在组立的结构以2个英文字母来表示。
(2) 示例:散货船见图1和表1;集装箱船见图2和表2 ;油船见图3和表3。
2.1.3.2. 分区号.(最多1位字符)(1)在同一位置上的组立有2个以上的时候,各自加上一个英文字母(禁止使用D.I.O)(2)在编号的时候首选方案是3.2项中(2)小项的编号方法相同(3)示列见表4--对称分段可使用字母A~Z--非对称及跨中分段,左舷是从A~N,右舷是从P~Z2.1.4.1零件形状(1位数)2.1.4.2. 序列号(最多3位字符)(1) 片板整个编号表示数字编号使用的方法与3.2项(2)小项相同,用系列号的NO.编号来记录。
(2) 如果PIECE形状相同的时候,采用相同的符号。
(3) 示列见表62.1.5 组立流向基准见表73.1零件编号开始方向。
散货船分段编码
1 编码体系(共19位字符)
船体零件编码为四级编码,由工程号、分段号、组立类型、组立名、零件种类、零件号和加工代码其部分组成,其一般结构形式见图1。
通常取工程号的后两位,组立类型和加工代码分开表达。
图1 编码体系
3 工程号(4位字符)
取船号的四位数字。
示例:1100
4 分段号
分段号由区域代码、位置代码和顺序代码三部分组成,其一般结构形式见图2。
图2 分段号编码
4.1 分段区域代码见表1。
表1 分段区域代码
4.2 分段位置号见表2。
4.3 分段顺序号
分段顺序号用阿拉伯数字表示,从1开始,纵向从船艉向船艏依次编码,横向从中心线到舷侧依次编码,垂向从下向上依次编码。
5 组立类型代码见表3。
6 组立名
组立名包括结构代码、位置号和分区码,位数2~6位,见图3。
当仅需结构代码就能明确定义组立时为2位代码,当需要3位位置号且仍然需要分区码时为6位代码。
通常要求
结构代码
位置号分区码
分段内同样的组立采用同一编码。
图3 组立名编码。
船上区域名称代码1.用途:适用于图样和技术文件图号代码、托盘代码以及船舶设计与制造中对船施工作业点的命名。
2.定义:船上区域名—就是把船上所有施工作业点从生产管理需要出发,按一定的规则汇总,然后划分若干个舾装管理基本单位(区域),其代号称为船上区域名。
3.代码结构:船上区域名称代码由三位字符号构成,其形式如下:L A A小区域中区域大区域L—字母A—字符3.1大区域代码:以全船各部分的构造特征和生产实际需要,分成若干个大区域,用该区英文名称的第一个字母表示。
见表1. 图1.3.2中区域代码:将大区域所对应的分成若干个中区域,以数字按顺序编号或以其所处英文名称的第一个字母表示。
不分中区域的大区域,其代码的第2、3位用“——”表示。
3.3小区域代码:将中区域所对应的分成若干个小区域,以数字按顺序编号或以其所处置的英文名称的第一个字母表示。
不分小区域的中区域其代码的第3位用“—”表示。
3.4特殊区域:按生产管理的实际需要,将某些区域划分为特殊区域以该区域英文名称的缩写字母表示。
3.5居住区域内部其代码按英文字母顺序表示。
表1大区域代码表图1大区域划分图表2艏部区域代码表注:1.艏楼甲板的“小区分代码”按左、中、右(P,C,S)划分并编码,如无必要划分,则第3位代码为“—”。
2.水手长仓库及CO2室的“小区分代码”自艏至艉或自左至右按顺序编号,如无必要划分,则第3位代码为“—”。
注:1.小分区代码按左、中、左(P,C,S)划分并编码。
如无必要划分,则第3位代码为“—”。
2.应急消防泵舱除设在艏部外,设在其它任何位置都作为艉部区处理。
图2艏部区域划分图图3艉部区域划分图表4机舱区域代码表注:小区分代码按左、右、后、前(P,C,S,F)划分并编码如果用数字表示,则偶数用于左舷,奇数用于右舷,并由艏至艉顺序编码。
如无必要划分,则第3位代码为“—”。
注:1.露天甲板中区分代码自艏至艉顺序编号。
小区分代码按左、中、右划分并编号。
1.1.1HZ零件编码HZ船体零件编码是沪东中华造船(集团)有限公司制定的零件编码标准。
HZ船体零件编码具有编码长度简短,反映零件的信息量大的特点。
HZ船体零件编码可体现零件的位置、装配流程。
采用HZ船体零件编码,有利于船体的设计,零件加工管理和船体装配。
1.1.1.1 HZ船体零件编码格式HZ船体零件编码采用段式结构,零件编码的完整的形式为:<分段码> / <装配码><位置码><零件码> 零件编码中,<装配码>为英文字母(以下简称字母),<位置码>为先阿拉伯数字(以下简称数字)后字母,<零件码>为数字后继0-2个字母。
整个零件编码以字母、数字、字母、数字间隔方式来区分各编码段。
这里对<分段码>的编码不作规定,仅对‘/’后的各编码段作规定。
1.1.1.2 <装配码><装配码>为0-2个字母。
每个字母表示一个装配属性或组装件名,如表1所示。
例如:MA,表示进行名为A的中组装后再进入名为M的舷部小分段装配。
1.1.1.3 <位置码><位置码>给出零件所在的图面位置。
如果该图面位置的各零件需部装,则<位置码>也就是部装后的部件名。
<位置码>由一个整数后继一或二个字母构成。
它由表达该部件(零件)的视图的图面标题而来,或直接利用该图面标题,或简约该图面标题得到。
从<位置码>能体现部件(零件)的船体位置和图面位置。
常用位置码见表2。
件时,在上表的<常用位置码>后再附加一个字母(A,B,C,D,……),构成不同的部件名。
1.1.1.4 <零件码><零件码>通常为数字,可后继一个字母,除特定字母S和P有特定含义外,只用于区分零件。
<零件码>的数值大小决定该零件在哪个阶段参加装配。
1.1.1.5 船体零件编码编排方法1)按图面为单元进行编排。
船舶生产设计零件编码规则1目的为了统一企业内部生产设计零件编码规则,及后续项目中如有外协设计可以此作为设计参考,并结合企业自身特点及设备资源特编制了本编码管理规则。
2适用范围本规则规定了应用生产设计软件设计时船体及其它专业结构零件的编号方法及规则,用于企业生产设计和施工指导。
本规则适用于在本企业设计建造的各类船舶(含驳船、海洋工程),其它钢结构可以参照执行。
3定义3.1本规则暂定分为以下几个专业:3.1.1船体专业:用于船舶建造过程中经过零件-组立-分段-船舶四个阶段的船体分段及零件的编码。
3.1.2机管专业:管系零件的编码3.1.3电气专业:电气零件的编码3.1.4舾装专业:舾装零件的编码3.2零件:船体结构的最基本单元,是指仅经号料、切割等加工而未经装配和焊接工序而形成的各种形状的钢板或型钢;3.3组立:零件经过装配和焊接而形成的组件,如:焊接T型材、肋板或桁材与加强筋的装焊及开孔加强扁钢等小的组立,平面或曲面的片体、舱壁、框架等较大的组立组立的概念,体现为生产阶段或生产工位。
小组立:在小组场地进行的组立阶段。
指肘板、肋板、肋骨、纵桁、纵骨、横梁、框架等部件、组合件的安装焊接过程,生产工位为结构部内业科制作。
(流向代码有T\L\C\S\P)中组立:介于小组立和大组立之间的中间组立阶段,生产工位为结构部组立科制作。
(流向代码有M\R)。
大组立:在大组场地/分段胎架上进行的组立阶段,指完整分段装配焊接,生产工位为结构部组立科制作。
(流向代码有G)3.4分段:船体分段组立图中的最后建造单元,是由若干组立和零件装配在一起形成的。
分段装配结束后,一部分经过预合拢形成总段后到船台上或船坞内进行合拢,另部分直接到船台上或船坞内进行合拢。
3.5预合拢:两个或两个以上分段在上船台(或进船坞)以前所进行的组装过程,预合拢后形成的大分段叫总段。
3.6合拢:分段在船台或船坞所进行的组装过程。
3.7流向:零部件所去的组立阶段或制作工区。
船体外板放样及展开第一节船体分段编码及其含义1、船体分段标准代码介绍在船体生产设计中,用编码系统的代码标注图表,不仅可以简化图面,提高设计效率和现场读图效率,而且使用统一的编码系统作为传递结构、工艺和管理等信息的共同语言,对工作管理图表进行标注,把各种工作图和管理表有机地联系起来,把各工序,工位之间的工作管理图表联系起来,成为工序间的衔接,工艺配套生产过程控制等的重要手段。
我公司的船体结构分段代码如下:(1)一般分段的代码:英文字母英文字母数字数字英文字母分段横向位置代码表6—1(2)第一位结构区域代码见表6—2 表6—2(4)第三位分段层次代码见表6—4a、b 表6—4a表6—4b(8)总组分段代码见表6—7顺序号总组代码为“Z”表6—7第二节船体零件编码及其含义一、实行新船体零件编码的目的为适应造船总量的快速增长,原有的船体零件编码在加工配套和分段配套中的弊端越来越来明显,为改变这种现状,更好地做到加工与分段的顺畅交接,新的船体零件编码势在必行。
二、新船体零件编码的形式新船体零件编码采用段式结构,零件编码的完整形式为:〈分段码〉/〈装配码〉〈位置码〉〈零件码〉装配码为字母,代表装配属性或组装件名位置码为先数字后字母,代表该零件所处位置位置码为先数字后字母,代表该零件所处位置该编码形式以字母/数字/字母/数字间隔方式来区分。
下面就详细说明各个字段所表达的意思:1、〈分段码〉〈分段码〉延用《HD船舶产品船体结构分段代码》标准。
2、〈装配码〉〈装配码〉为一个字母表达装配属性或组装件名,见表6—8当零件中不需要中组装或船台散装时,船体零件编码中不出现〈装配码〉。
3、〈位置码〉〈位置码〉由一个整数后继一或二个字母构成。
〈位置码〉体现部件(零件)的船体位置和图面位置。
如果该位置的各零件需部装,则〈位置码〉也就是部装后的部件名。
见表6—9:常用位置码表6—9说明:当同一位置的图面中只有一个部件时,<位置码>中只出现一个字母,当同一位置图面中有多个部件时,在上表的常用位置码后再附加一字母(如A、B、C、D、E……)以区分同一位置的不同部件。
船体结构零件编码一、范围本标准适用于船舶生产设计中的船体结构的零件编码。
二、名词解释零件─船体结构的最基本单元,指仅经号料、加工而未经装配和焊接工序的成型钢板或型钢。
部件─两个或两个以上的零件进行一次装配、焊接(预装)而形成的构件。
组件(大型部件)─指需进行两次或两次以上的组装(零件+零件、零件+部件、部件+部件)即小组装,但未形成最后分段的结构件。
三、零件的组合及其工艺流程(见图1)。
四、代码构成零件名称的编码规则采用四段式命名规则,如下:XXX<分段代码>-<或/>XXXX<组件代码>-<或_>XXXX<部件代码>-<或_>XXXX<零件代码> 说明:1、<分段名称>在生产设计图中可不予标出;2、<散装部件>不参与组件装配或不属于任何组件,则省略该<组件代码>及横杠“-”;3、<散装零件>不参与组件装配或不属于任何组件,则省略该<组件代码>及横杠“-”,不参与部件装配或不属于任何部件,则省略该<部件代码>及横杠“-”。
4.1组件代码:〈组件代码〉=〈组件名称代码〉〈序号〉4.1.1 组件名称代码由两位字母组成,表示该组件的名称和位置特征。
常用的代码按表1。
表1:组件名称代码各称英文名称组件名称代码各称英文名称HD 直升机甲板Heli Deck LG 纵向构架LonGitudinal FramingMD 主甲板Main Deck TR 艉封板TransomSD 二甲板Second Deck IB 内底板Inner Bottom TD 三甲板Third Deck AK A甲板 A decKPF 平台Plat Form BK B甲板 B decKBP 外底板Bottom Shell CK C甲板 C decKSH 舷侧外板SHell DK D甲板 D decKFR 横向框架FRamework EK E甲板 E decK注:根据不同船型,可以扩充代码。