氧气瓶充装记录表
- 格式:xls
- 大小:18.50 KB
- 文档页数:1
氧气瓶充装前后检查操作规程氧气瓶是医院、实验室等单位必备的设备之一,其运用直接关乎到人的生命安全。
在使用氧气瓶之前,需要进行充装前后的检查操作,以确保瓶内氧气的纯度、压力等参数符合要求,同时保证操作过程中的安全性。
本文将就氧气瓶充装前后检查操作规程进行详细阐述,以期能够提高大家的安全意识,减少事故发生的概率。
检查工具准备在进行氧气瓶充装前后检查之前,需要准备一些必要的工具:1.瓶子气压检测表,用来检测瓶子内部气体的压力。
2.液晶屏氧气瓶重量计,用来检测瓶子内部气体的重量。
3.氧气含量检测装置,用来检测瓶内氧气的含量是否达标。
4.管道连接装置,用来连接氧气瓶和输出管道。
以上这些工具的作用在后续的操作中会逐一进行介绍。
检查操作流程充装前检查1.选择合适的氧气瓶,检查其外观是否有明显的划痕、凹陷等损伤情况,如有,应立即淘汰。
2.检查氧气瓶的瓶头密封,确保密封处没有松动或破损现象。
3.使用瓶子气压检测表检测瓶子内部的气体压力是否在额定值范围内,过高或过低的气压都不能进行充装操作。
4.至氧气充装端连接好管道连接装置,并检查连接处是否牢固。
充装操作1.打开氧气瓶上的气阀,使氧气进入输出管道。
2.打开氧气瓶上的充装阀门,调整输出氧气的流量,不要超过氧气瓶额定流量。
同时开始使用液晶屏氧气瓶重量计记录瓶内氧气的重量。
3.检测瓶子内的氧气含量,确保瓶子内氧气的含量达标,否则需要继续进行充装操作或更换氧气瓶。
充装后检查1.关闭氧气瓶的充装阀门,关闭氧气瓶上的气阀,切断氧气输出管道的气流。
2.使用液晶屏氧气瓶重量计检测充装后氧气瓶的净重量是否达标。
3.检测充装后的氧气瓶外观是否有明显的损伤或变形情况,如有,立即淘汰。
4.对充装设备进行彻底清洗,并对其进行维护保养。
注意事项1.氧气瓶操作过程中应禁止吸烟、使用明火等易产生火花的物品。
2.氧气瓶禁止在阳光曝晒下,应存放在干燥、通风、阴凉的地方。
3.操作者应佩戴防护手套、服装等,以保证充装操作的安全性。
氧气瓶充装门卫管理制度1. 概述:氧气瓶充装门卫管理制度是为了保障氧气瓶充装站点的安全管理,规范门卫工作,提高门卫的工作效率和服务质量而制定的。
2. 职责分工:2.1 充装站点负责人:负责制定门卫管理制度,监督门卫工作的执行情况。
2.2 门卫人员:负责站点的门卫工作,维护站点安全秩序,保障站点设备和资产的安全。
3. 工作内容:3.1 出入登记:所有人员(包括充装站点内外人员)进入或离开充装站点,必须经过门卫登记,并佩戴有效通行证。
3.2 安全检查:对进出站点的人员和车辆进行安全检查,防止非法物品的携带或潜入。
3.3 巡视:门卫人员要按照规定的时间和路线,对充装站点进行巡视,注意发现问题及时处理或上报。
3.4 故障报警:对发现的设备故障或安全隐患应立即向负责人报警,并及时采取措施进行处理。
3.5 环境管理:门卫人员要保持充装站点周围环境整洁,防止垃圾堆放,保持好站点形象。
4. 工作要求:4.1 服从指挥:门卫人员要服从站点负责人的指挥,按照规定的工作流程进行工作。
4.2 严守纪律:门卫人员要维护自己的职业操守,不得泄露站点内部信息,不得私自放行未经登记的人员或车辆。
4.3 坚守岗位:门卫人员要按时出勤,不得私自请假或缺勤,且不能将岗位空缺或无人值守。
5. 处罚措施:对于违反门卫管理制度的人员,将根据严重程度采取相应的处罚措施,包括但不限于口头警告、书面警告、扣除工资、停职检查、解除劳动合同等。
6. 监督与检查:负责人要定期对门卫工作进行检查与考核,并定期组织培训,提高门卫人员的工作技能和业务水平。
7. 附则:本制度自颁布之日起执行,并且负责人有权对该制度进行解释和修改。
若有争议,应遵循公司相关规定进行处理。
氧气瓶充装门卫管理制度(二)是针对氧气瓶充装门卫工作的一项管理规定,旨在确保氧气瓶充装门卫工作的安全、高效进行,防止事故发生,保护员工和设备的安全。
1. 职责分工:明确门卫员的职责分工,包括对进入充装区域的人员和车辆进行验证和登记,监控氧气瓶充装活动,保证充装过程的安全等。
氧气瓶充装制度
是指对氧气瓶进行充装的一系列规定和流程,以确保安全、高效地进行氧气瓶充装。
下面是一般的氧气瓶充装制度的主要内容:
1. 充装设施:充装工作必须在专用的氧气充装设施中进行,设施必须符合相关安全规范,并定期进行维护和检修。
2. 充装资质:进行氧气瓶充装的工作人员必须经过专门的培训和考核,并持有相关资质证书,包括操作证书和安全培训证书。
3. 氧气来源:充装时必须使用经过检测和质量控制的高纯度氧气来源,确保充装氧气的质量和安全性。
4. 充装流程:充装前必须检查氧气瓶的外观和阀门,确保无漏气或损坏。
将空瓶连接至充装设施,通过压缩空气或液氧将瓶内的氧气充装至一定压力。
充装完成后,需要对充装的氧气瓶进行标识,并记录相关信息。
5. 充装安全:充装过程中必须严格遵守充装操作规程,确保操作安全。
使用防爆手套、眼镜等个人防护装备,防止氧气泄漏引发火灾。
同时,还要定期对充装设施和充装工具进行检修和维护,以防范意外事故。
6. 记录和管理:对充装的氧气瓶进行编号和记录,包括充装日期、充装部门、充装数量等信息。
同时,要进行定期的库存管理和检查,确保氧气瓶的质量和安全性。
以上是一般的氧气瓶充装制度的主要内容,具体要求可能会根据不同地区和国家的法规和标准而有所不同。
在实际操作中,必须严格遵守相关规定,保证氧气瓶充装的质量和安全。
氧气瓶充装管理制度一、目的和适用范围本制度的目的是为了规范氧气瓶充装工作,确保充装操作的安全性和有效性。
适用于所有液化气体生产企业和使用液化气体的单位。
二、管理要求1. 充装前的准备工作- 检查氧气瓶的外观是否有损坏,如有损坏应予以修复或更换;- 检查氧气瓶的阀门和连接部位是否紧固,如有松动应及时调整;- 检查氧气瓶的标志和编号是否清晰可见,如有模糊应予以清理;- 检查氧气瓶的充装日期和有效期限,如已过期应停止使用;- 准备充足的氧气供应和充装设备。
2. 充装操作的安全措施- 在充装操作区域内设置明显的警示标志,禁止无关人员进入;- 操作人员必须穿着防静电服、防护眼镜和防滑鞋;- 对于大型氧气瓶,必须使用专业的吊装设备进行搬运和安装;- 充装操作必须在通风良好的地方进行,禁止在密闭空间内充装;- 操作人员必须按照操作规程进行操作,禁止违章操作。
3. 充装记录和信息管理- 每次充装结束后,要及时记录充装日期、瓶号、充装量等信息;- 充装记录必须保存在指定的档案中,保密并定期进行备份;- 充装记录必须包括操作人员的姓名、充装设备的编号和检验合格证明;- 充装记录必须按照规定的时间周期进行汇总和审核。
4. 废气处理和安全防范- 充装操作产生的废气必须通过专门的排放系统进行处理;- 充装操作区域周围必须设置适当的安全围栏和警示标志;- 充装操作必须定期进行安全检查和演练,保证应急处理的能力。
三、责任和处罚1. 生产企业的责任- 生产企业必须建立完善的充装管理制度,并进行宣传和培训;- 生产企业必须定期对充装设备和操作人员进行检验和职业培训;- 生产企业必须配备足够的充装设备和安全保护装置;- 如发生充装事故或质量问题,生产企业必须承担相应的法律责任。
2. 使用单位的责任- 使用单位必须按照充装操作规程使用氧气瓶,禁止违规操作;- 使用单位必须定期对氧气瓶进行检查和保养;- 使用单位必须配备专人负责氧气瓶的管理和安全使用;- 如发现氧气瓶存在问题或发生事故,使用单位必须及时报告和采取应急措施。
氧气瓶充装操作规程氧气瓶充装操作规程一、范围本规程适用于氧气瓶的充装过程。
二、基本要求1.所有操作人员必须经过专业资格培训,并取得资格证书。
2.所有气瓶必须在充装前进行外观检查和内部清洗。
3.所有充装操作必须在安全、干燥和通风良好的场所进行。
4.所有充装操作必须使用适当的安全装置,如保险装置、放气装置和安全阀等。
5.所有操作时必须戴上防护手套、面罩、耳塞等适当的防护设备。
三、充装流程1.准备工作:将所有的氧气瓶按照规定进行分类,包括大小、压力等级和用途的分类。
检查门禁控制装置、气瓶车及配套管路的完好性。
2.氧气瓶安装:将要充装的氧气瓶安装于充装设备上。
固定好瓶子位置,向上瞄准刻度表。
3.预充:将瓶子连接至主管道前必须先用清洁的空气进行预充。
4.充放设备操作:连接充气管和氧气瓶,开启充放设备的氧气进气阀,调整氧气充气变压器,根据氧气瓶的容积和压力进行充气。
5.检验:当瓶子压力达到充装标准后,需要采用标准装置对充气氧气瓶进行定期检验,检查气瓶是否有漏氧、压力是否正常等等,检验合格后才能封闭瓶盖。
6.清洗:充装结束后,需要对气瓶及充放设备进行清洗,确保下一次充装的安全和卫生。
四、安全注意事项1.在充装操作过程中,不得吸烟、打火机、明火和电扇等任何火源。
2.操作人员必须密切关注气瓶的压力和温度,一旦发现异常情况,立即停止充装,并按照规定进行处理。
3.操作人员必须戴上防护手套、面罩、耳塞等适当的防护设备。
4.操作人员必须遵守操作规程,按照规定进行操作,不得擅自改变任何操作流程。
5.操作人员必须严格遵守安全操作规程,在操作中发现任何安全隐患,必须及时上报。
充装危险事故引起的后果严重,因此,操作人员必须掌握好操作规程和安全注意事项,确保操作的安全和稳定。
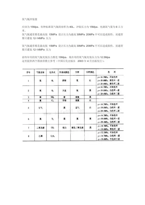
氧气瓶冲装量
应该为15Mpa。
有种标准氧气瓶的容积为40L,冲装压力为15Mpa,充满氧气量为6立方米。
氧气瓶通常都是最高装15MPa 设计压力为最高30MPa 20MPa不可以造成损伤。
而通常都只灌装12-14MPa 压力
氧气瓶通常都是最高装15MPa 设计压力为最高30MPa 20MPa不可以造成损伤。
而通常都只灌装12-14MPa 压力
前些年用的氧气瓶充装压力都是15Mpa,现在用的氧气瓶充装压力为12.5Mpa
这里提供两个图表供楼主参考(中国石化出版社2003年4月出版发行):
气瓶的充装应符合《瓶规》的充装规定,氧气为永久气体,20摄氏度时的充装压力不得大于气瓶工作压力。
现在国内氧气瓶工作压力大多为15MPa,其充装压力应为15MPa。
详见《瓶规》第62条。
氧气瓶有调压阀,前面一个压力表是瓶内的压力一般是15Mpa吧。
后面一个是减压后使用的压力,一般是0-4Mpa之间吧,可调的
名称:氧气瓶/钢质无缝气瓶
直径:215mm,容积40L,
高度:1450mm,公称工作压力:15Mpa,水压试验压力:22.5Mpa,主体材料:37Mn,设计壁厚5.7mm,公称壁厚:6.3mm.瓶口螺纹:PZ27.8(GB8335) 执行标准GB5099,GB11638-2 003。
氧气瓶充装制度氧气瓶是供氧设备中重要的一环,用于呼吸机、手术室和急救室等场所为病患提供氧气。
为确保瓶内含氧量的准确和安全,需要制定严格的充装制度。
本文将介绍氧气瓶充装制度的相关内容。
1. 氧气瓶类型和规格氧气瓶种类繁多,根据外形可分为无缝气瓶、长缝气瓶和无缝复合气瓶等;根据用途可分为一次性气瓶、家用气瓶和医用气瓶等。
医用气瓶的常用规格有3L、5L、10L、15L、20L、40L等。
2. 充装设备和充装工艺氧气瓶充装必须使用专用的充装设备和工艺流程。
目前常用的充装设备包括气瓶装置、压缩空气源、压力表、燃油式氧气分析仪、呼吸量校准器和饱和度测试器等。
充装工艺流程主要包括瓶前准备、检查气瓶、附加安全阀、氧气注入钢瓶、清除水雾、检测瓶内压力等环节。
3. 充装检测与认证氧气瓶充装后必须进行检测和认证,以确保瓶内含氧量的准确和安全。
检测项目主要包括瓶外观检查、瓶身磁粉探伤、瓶口螺纹尺寸检测、气瓶充装量、氧含量、饱和度、氧气流量和松动度等。
通常认证机构会颁发一份充装检测合格证书,证书上会注明充装日期、充装部门、制氧压力、充装流量、充装后残留的气体种类和含量等。
4. 充装注意事项在使用氧气瓶前,必须了解充装注意事项,以免因不当操作导致安全事故。
以下是一些常见的充装注意事项:•必须使用可靠的气源接口,避免漏氧和漏水。
•充装时必须按规定流量进行,过量充装会导致氧气压力过高而引起安全事故。
•必须使用专用的充装工具和设备。
•充装过程中必须关闭任何火源和静电等可能导致火灾的设备。
•工作人员必须佩戴防静电衣和无尘手套,并戴好面罩和手套。
5. 结论氧气瓶充装制度是医疗安全的重要保障,必须遵守专业的操作要求和流程。
相关部门应制定更为细致完善的充装操作规程和安全标准,并加强对相关工作人员的培训、督导和检查,以确保充装操作的正确、安全和稳定。
氧气、氩气、氮气气瓶充装前、后检查操作规程范本一、引言本文旨在阐述氧气、氩气、氮气气瓶充装前、后的检查操作规程范本。
此规程适用于氧气、氩气、氮气气瓶的充装操作,以确保操作安全及气瓶的质量。
二、充装前检查操作规程范本1. 确保工作区域安全a. 确保工作区域无火源、明火或其他可能引发火灾的物品;b. 确保工作区域通风良好,避免气体泄漏及积聚导致爆炸风险;c. 验证工作区域周围没有易燃、易爆物品。
2. 检查气瓶a. 检查气瓶外观是否有异常,如破损、腐蚀等;b. 检查气瓶标识是否清晰可读,包括气瓶压力、内部介质等信息;c. 验证气瓶是否已经定期检验,检查检验日期是否在有效期内;d. 检查气瓶阀门是否正常,阀门应处于关闭状态,且没有泄漏。
3. 准备充装设备a. 确保充装设备的工作状态良好,无漏气、故障等问题;b. 确保充装设备与气瓶连接处密封可靠,避免气体泄漏;c. 检查充装设备的压力表、流量计等仪器是否准确可靠;d. 验证充装设备是否经过定期检修和保养,并记录维护情况。
4. 开展充装操作a. 打开充装设备的气阀,将充装设备连接到气瓶阀门上;b. 缓慢打开气瓶阀门,观察充装设备压力表是否正常读数;c. 等待气瓶内的气体充装完成,充装设备压力表读数稳定时,关闭气瓶阀门。
三、充装后检查操作规程范本1. 清理工作区域a. 将充装设备从气瓶上取下,关闭充装设备的气阀;b. 清理工作区域,确保没有杂物、气瓶残留物等。
2. 检查充装结果a. 检查充装设备压力表是否正常读数,确认充装压力符合要求;b. 检查充装设备阀门和气瓶阀门关闭是否严密,并验证是否有泄露现象;c. 用气瓶标识上的信息,确认充装介质是否与标识一致。
3. 气瓶处理与存储a. 将充装好的气瓶放置在指定的存储区域;b. 使用适当的标识标注充装日期、充装人员等信息;c. 定期检查存储气瓶,确保其外观和阀门无异常。
四、结论本文介绍了氧气、氩气、氮气气瓶充装前、后的检查操作规程范本。
氧气瓶充装前、后检查操作规程一、操作目的:本操作规程主要是为了确保氧气瓶在充装前和充装后的安全性能,避免发生事故,保障人身安全和设备设施的完好。
二、操作范围:适用于所有进行氧气瓶充装作业的操作人员。
三、操作要求:1. 操作人员必须熟悉氧气瓶的相关知识和操作规程,经过专门的培训,并持有相应的岗位证书。
2. 操作人员必须佩戴个人防护装备,包括防护眼镜、防护手套和防护面具等。
3. 操作人员必须严格按照操作规程进行操作,不得违反安全操作规定。
4. 操作人员必须对操作区域进行清理,确保操作区域整洁无杂物。
四、操作步骤:充装前检查:1. 查看所使用的氧气瓶外观是否完好无损,无破损、凹陷、腐蚀等情况。
2. 检查氧气瓶阀门是否完好,无渗漏和松动现象。
3. 查看氧气瓶上的标志、编号是否清晰可辨,与操作记录是否相符。
4. 检查氧气瓶的工作压力是否在规定范围内,不得超过瓶体标识的设计压力。
5. 检查氧气瓶的充装记录是否清楚、完整。
充装操作:1. 将氧气瓶固定在充装设备上,确保瓶体稳定不摇晃。
2. 打开氧气瓶阀门,释放可能残留在瓶内的废气。
3. 连接充装设备和氧气瓶,确保连接紧密,无渗漏。
4. 打开充装设备的氧气供应阀门,调整充装流量。
5. 在充装过程中,操作人员要时刻关注压力表的变化,确保充装过程在安全范围内。
6. 当氧气瓶的工作压力达到设定值时,关闭充装设备的氧气供应阀门。
7. 关闭氧气瓶阀门,拆下充装设备和氧气瓶的连接。
充装后检查:1. 检查充装后的氧气瓶外观是否变形、损坏、渗漏。
2. 检查充装后的氧气瓶阀门是否紧固,无松动现象。
3. 检查氧气瓶上的标志、编号与充装记录是否一致。
4. 测量充装后的氧气瓶压力,确保在规定范围内。
5. 将充装后的氧气瓶进行标记,清晰标示充装日期和充装人员。
6. 将充装后的氧气瓶妥善存放,不得与易燃物品接触。
五、操作风险及应急措施:1. 氧气瓶存在压力高、易燃爆、氧气浓度大等风险,操作人员必须严格按照操作规程进行操作,避免引发火灾、爆炸等事故。
氧气瓶充装前检查规程
氧气瓶充装前的检查规程可以包括以下几个方面:
1. 外观检查:检查氧气瓶外观是否完好,是否有明显的破损或变形,是否有泄漏现象,瓶口是否有杂质或污垢,是否有氧气泄漏的迹象。
2. 标牌检查:检查氧气瓶上的标牌是否清晰可读,包括氧气瓶的容量、充装压力、充装日期等信息是否正确。
3. 阀门检查:检查氧气瓶上的阀门是否完好,是否操作灵活,是否存在泄漏或堵塞等问题。
4. 标识检查:检查氧气瓶上的标识是否完整、清晰,包括氧气瓶的标识号码、充装记录等信息是否齐全。
5. 所有者检查:检查氧气瓶的所有者是否符合充装要求,包括是否具备充装资质、是否有充装记录等。
6. 充装记录检查:检查氧气瓶的充装记录,确保该瓶是否符合充填间隔期限内的充填要求,并检查充填记录是否完整、准确。
7. 充装设备检查:检查充装设备的操作是否正常,设备的密封性是否良好,充装压力是否符合规范要求。
这些检查规程可以确保氧气瓶在充装前的安全性和可靠性,防止在充装过程中出现意外事故。
第 1 页共 1 页。
常州市庆发工业气体有限公司气瓶充装安全质量管理手册编制;王磊审核;王坤方批准; 王国庆编制日期;2010年12月25日目录1前言 (4)2编制依据 (4)3安全质量目标、方针 (5)4《气瓶充装安全质量管理手册》颁布令 (6)5任命书(站长、技术负责人、安全负责人、设备负责人等) (7)6气体介质特性 (8)7气瓶充装管理机构图 (14)8安全、质量控制体系图 (15)9气瓶充装工艺流程图 (16)10安全、质量控制点 (17)11主要生产设备明细表 (18)12岗位责任制经理(站长)职责 (19)专职安全员职责 (19)技术负责人职责 (19)设备负责人职责 (20)班组长职责 (20)充装前检查员职责 (21)充装操作工职责 (21)充装后复验员职责 (22)压力容器设备维修人员职责 (23)仓库保管员职责 (23)门卫管理职责 (24)13管理制度气瓶建档、标识、定期检验和维护保养制度 (24)安全管理制度 (24)用户信息反馈制度 (25)特种设备、特殊工种管理制度 (25)计量器具与仪器仪表管理制度 (26)气瓶检查登记制度 (26)气瓶储存、保管、发放制度 (27)资料、文档保管制度 (27)气瓶充装管理制度 (28)各类人员培训考核制度 (29)消防管理制度 (29)事故上报制度 (30)事故应急救援预案定期演练制度 (30)不合格气瓶处置制度 (31)为用户服务制度 (31)接受安全监察的管理制度 (31)14气瓶安全技术操作规程; (31)(一)氧气瓶充装操作规程 (32)(二)氮气瓶充装操作规程 (33)(三)氩气瓶充装操作规程 (34)(四)氩——二氧化碳混合气瓶操作规程 (36)(五)低温储罐操作规程 (39)(六)低温绝热气瓶操作规程附件;工作记录和见证材料;气瓶充装前检查表气瓶充装操作记录表不合格气瓶隔离处理记录表质量信息反馈记录设备运行、检修记录1前言为了规范气瓶充装许可工作,加强气瓶充装的安全管理,保证气瓶安全充装和使用,根据《特种设备安全监察条例》《气瓶安全监察规定》、《气瓶充装许可规则》等有关规定,结合我公司气体充装生产安全的实际情况,特制定了《气瓶充装安全质量管理手册》)。
氧气瓶充装操作规程氧气瓶是一种常见的气体储存设备,用于提供氧气供应。
氧气瓶充装操作规程是为了确保充装过程安全可靠,防止事故的发生。
下面将详细介绍氧气瓶充装操作规程。
一、安全准备1.操作人员应穿戴符合要求的劳动保护用品,包括防静电服、防毒面具、防护手套、护目镜等。
2.确认充装设备是否正常运行,充装管道是否畅通。
3.检查氧气瓶的外观,确保没有裂纹、磕碰等缺陷。
4.确认充装区域通风良好,没有明火和其他易燃物。
二、氧气瓶充装操作流程1.将需要充装的氧气瓶取出,放置在充装台上。
保持瓶身垂直,避免倾斜。
2.用净化过滤器对进气口进行过滤,去除其中的油污和杂质,确保进气的氧气纯净。
3.将充装管道与氧气瓶的阀门连接好,确保连接处密封可靠。
4.打开氧气瓶阀门,缓慢充入氧气。
当充装压力达到设定压力时,关闭进气阀门。
5.检查充装后的氧气瓶,确保没有泄漏现象。
可以使用泡沫剂或手持探测器进行泄漏检测。
6.将充装完成的氧气瓶放回储存区域,妥善保管。
三、操作注意事项1.氧气具有易燃性和助燃性,禁止在充装区域吸烟、使用明火等。
2.操作人员应定期接受有关安全性和急救知识的培训,熟悉应急预案。
3.充装设备应定期维护,保持良好的工作状态。
4.氧气瓶应避免长时间暴露在高温环境中,防止安全降低。
5.充装过程中,操作人员应保持专注,及时发现和处理异常情况。
6.禁止私自操作,未经许可不得随意更改充装压力和操作设备。
7.充装后的氧气瓶应标识清晰,包括充装日期、压力等信息。
8.充装区域应保持整洁,禁止堆放杂物和易燃物品。
四、紧急处理措施1.在氧气瓶发生泄漏或其他事故时,应立即停止操作,切断氧气供应。
2.通过紧急呼叫系统向相关人员报警,同时启动应急预案。
3.将充装区域进行封锁,避免其他人员进入。
4.对泄漏点进行紧急处理,可以使用适当的堵漏工具。
5.如有必要,进行紧急疏散,并按照应急预案进行相关救援工作。
总结:氧气瓶充装操作规程是确保氧气瓶充装过程安全的重要措施。
氧气瓶充装操作规程一、引言氧气是一种常用的医疗气体,广泛应用于医疗机构、实验室和工业生产等场所。
氧气瓶的充装是保证氧气供应的重要环节,正确的充装操作能够保证氧气的质量和安全。
二、充装前准备1. 检查氧气瓶的存储环境,确保没有明火和易燃物品;2. 检查氧气瓶的外观,包括瓶身是否完整、压力表是否正常、阀门是否可靠等;3. 预先检查充装设备,确保设备完好并且操作正常;4. 根据需要将氧气瓶移至充装区域,确保操作的便捷和安全。
三、充装操作步骤1. 放置氧气瓶将待充装的氧气瓶放置在工作台或地面上,确保瓶身稳定并且处于垂直位置。
同时确保瓶底与地面保持一定距离,以防止瓶底受潮和受污染。
2. 检查瓶阀检查氧气瓶上的阀门是否紧固,并确保阀门是处于关闭状态。
如果发现阀门松动或有异常,应及时维修或更换。
3. 调整压力打开充装设备的压力调整阀,将压力调整到适当的范围。
一般来说,充装压力为15-20 MPa。
4. 连接阀门使用专用的充装接口,将充装设备的连接管与氧气瓶的阀门连接,并确保连接牢固。
在连接时,要注意避免氧气泄漏和其它安全问题。
5. 充装开始打开氧气瓶的阀门,并慢慢调整充装设备中的开关,使氧气缓慢流入瓶内。
在充装的过程中,要时刻注意压力表的指示和瓶内的氧气情况,及时调整充装速率和压力。
6. 充装结束当瓶内压力达到设定值或压力表指示正常时,关闭充装设备中的开关,并迅速将连接管从瓶阀上拆除。
同时关闭氧气瓶的阀门。
7. 检查瓶阀检查氧气瓶阀门是否关闭紧固,如果发现松动应重新紧固。
同时检查充装过程中是否有氧气泄漏的迹象,如有泄漏应及时处理。
8. 清理工作区充装结束后,要及时清理工作区域,包括充装设备和氧气瓶的周围环境。
清理包括清除泄露的氧气、归位设备和妥善处理废弃物。
四、注意事项1. 充装操作必须由经过培训和合格的人员进行,保证操作的专业性和安全性;2. 在充装过程中,要随时注意氧气瓶的压力表指示和充装设备的工作状况;3. 充装操作必须在通风良好的场所进行,避免氧气积聚和可能的火灾风险;4. 在充装过程中,要避免瓶阀处于打开状态超过5分钟,以减少氧气泄漏的风险;5. 充装设备必须定期维护和检修,确保其正常工作和安全性能;6. 涉及氧气的操作必须严格按照相关的规程和安全操作规范进行,确保人员的安全和设备的完好。
氧气气瓶充装前后检查操作规程一、前言氧气气瓶是工业生产和医疗抢救等领域中广泛应用的气瓶之一,它的重要性不言而喻。
因此,在氧气气瓶充装前后必须进行严格的检查操作,以保证使用的安全性和可靠性。
本文将对氧气气瓶充装前后的检查操作规程进行详细介绍,以供参考。
二、氧气气瓶充装前检查操作1. 检查氧气气瓶和阀门的标识和标识牌,确保瓶体和阀门未在限制使用期限之后,同时检查瓶体和阀门的配对是否合理。
2. 检查氧气气瓶表面的瓶颈和阀门,确保没有明显的破损或撞击痕迹。
3. 检查氧气气瓶的体积、压力和充装比例,应满足规定的标准。
4. 检查氧气气瓶的使用状态,确保瓶体干净、干燥、无异味,同时检查瓶盖是否安全固定在瓶体上。
5. 检查氧气气瓶的安全装置,确保气瓶周围没有杂物等遮挡,以免影响安全阀的排气。
三、氧气气瓶充装后检查操作1. 检查氧气气瓶充填后的压力,应符合规定的标准。
2. 检查氧气气瓶充填后的氧气含量,应符合规定的标准。
3. 检查氧气气瓶的阀门,确保阀门完好无损,不存在漏气现象。
4. 检查氧气气瓶的压力表,确保表的读数准确。
5. 检查氧气气瓶的密封性,应满足规定的标准。
四、注意事项1. 氧气气瓶在充装过程中,应注意安全阀的排气,以免发生危险。
2. 氧气气瓶充装时,应按照规定的充装比例和压力进行充填,避免过度或不足。
3. 氧气气瓶在运输前后应注意轻放,避免瓶体受到大的撞击或挤压。
4. 涉及氧气气瓶的任何操作都应由专业人员进行,确保安全。
五、总结氧气气瓶充装前后的检查操作规程是保证使用安全的基本保障,在进行检查时如果出现任何问题都应及时解决,以确保使用的可靠性和安全性。
在使用过程中,需要注意安全,并及时更换已超期的氧气气瓶,避免对身体和财务上的损失。
氧气瓶充装操作规程1、操作人员必须受过专门的培训,经上级主管部门培训,考试合格,取得资格证后,方允许独立操作。
2.充装前的检查与处理2.1空瓶必须经气瓶管理人员逐只检查登记后,方可进行充装。
2.2操作者发现有下列情况之一者,禁止充装:2.2.1钢印标记、颜色标记不符合规定,对瓶内介质未确认的;2.2.2附件损坏、不全或不符合规定的;2.2.3瓶内无剩余压力;2.2.4超过检验期限的;2.2.5经外观检查,存在明显损伤,需进一步检验的;2.2.6首次充装或定期检验后的首次充装,未经置换和真空干燥处理的。
3、氧气充装前的检查3.1充气前必须检查确认气瓶是经过检查合格或妥善处理了的。
3.2充瓶时开闭高压阀门应缓慢,人不得正对阀门操作,以免发生危险。
3.3开启阀门应缓缓操作,并注意监听瓶内有无异常音响。
3.4在充装过程中,应随时检查气瓶各处的密封情况,发现异常应及时妥善处理。
3.5按照气体通过瓶阀的声音及瓶体温度,检查气体是否进入瓶内。
气态二氧化碳充瓶时,瓶体温度不得超过40℃,否则立即停车检查。
3.6发现气瓶没有进气时,应查明原因,离开充气台进行修理。
3.7严禁瓶内存水,钢瓶中的氩气压力在20℃时应为15±0.5MPa。
混合气的充装压力为13±1MPa。
3.8氧气瓶充装操作规程3.8.1、检查所有的充装卡具接头是否良好。
3.8.2、检查压力表指针是否在零位,是否在有效期之内。
3.8.3、检查充装回气阀是否关闭。
3.8.4、将气瓶与充装卡具连接牢固后,挂好安全链,打开各气瓶瓶阀,观察是否漏气。
3.8.5、当充装管道压力达到3MPa时,缓慢打开己准备好的充气排连接总阀。
3.8.6、当总阀开启开始充装时,应做好如下工作:3.8.6.1检查充气的支管阀是否完全打开。
3.8.6.2管路各连接处有无泄漏。
3.8.6.3充装排压力上升情况是否与主管道上的压力一致。
3.8.6.4当充装压力升到处7MPa和10Mpa时,应分别检查一次瓶体的温度状况。
氧气瓶充装前检查规程
氧气瓶充装前的检查规程主要包括以下几个方面:
1. 外观检查:检查氧气瓶的外观是否有明显的变形、裂纹或其他损伤。
如发现异常情况,应及时报告并进行修理或更换。
2. 瓶身检查:检查氧气瓶的瓶身是否有腐蚀、锈蚀或其他异常情况,特别要注意瓶颈和底部的连接处是否有泄漏或损坏。
3. 标志检查:检查氧气瓶上的标志、标签和贴纸是否完整、清晰。
清楚的标志可以帮助操作人员正确识别瓶内气体的种类和压力。
4. 阀门检查:检查氧气瓶的阀门是否完好,是否有松动或漏气的情况。
同时检查阀门上的标志是否与瓶身上的标志相符。
5. 安全装置检查:检查氧气瓶上的安全装置(如压力表、排气装置等)是否正常工作,是否有损坏或松动的情况。
6. 充装记录检查:检查充装记录是否齐全、准确。
每次充装都应该有详细的记录,包括充装日期、时间、压力等信息。
以上是充装前的基本检查规程,具体的操作步骤和要求可以根据氧气瓶的规格和使用单位的要求来制定。
同时,操作人员应该接受相应的培训,熟悉并遵循相关的安全操作规程。
第 1 页共 1 页。