发电厂安全文明生产检查表.doc
- 格式:doc
- 大小:39.50 KB
- 文档页数:4
安全文明生产检查表1、安全生产情况检查表总结怎么说明一次安全检查完成之后,要对安全检查表中的问题进行归纳总结,即对安全检查结果进行安全分析。
分析方式可根据具体情况确定,如由安全管理部门和各专业管理部门的技术人员自我分析,并召开座谈会由工人们集体分析以及由有关专业工程技术人员或专家分析。
安全检查所发现的各种不安全因素和隐患经安全分析和诊断,确认有可能导致发生事故,就应立即着手整改。
对于一般的违章行为(不安全行为或动作),可立即向当事人指出,要求立即改正。
对严重的违章作业,违章指挥应按照安全规程要求责令其立即纠正或停止工作,并严肃批评教育,使违章者完全明白安全规程的有关规定,违章作业可能带来的严重后果,并自觉自愿地按规程要求采取严密的安全措施后,才允许其开始工作,对已造成损失者必须追查处理,以示制度和规程执行的严肃性。
但是,在日常生产活动中,我们常常可以见到一少部分人有章不循,执意蛮干,由于一开始没有得到有效地制止,久而久之,形成了这种不安全习惯。
在这种情况下,除了加强对他们进行安全教育之外,还可采取必要的行政处罚。
对安全检查中查出的设备缺陷、安全装置、建筑物和构筑物等存在的缺陷以及火灾和爆炸隐患等等,如具备不需要系统停车处理的条件,应及时通知隐患所在部门限期整改。
对有条件整改而长期拖而不决的问题,应根据具体情况采取必要的强制性措施,由安全管理部门下达《隐患整改通知书》。
对于那些因客观原因在短期内无法整改的隐患,必须一方面列入安全技术措施计划,有计划地进行整改,另一方面应积极采取临时性补救措施,以确保安全生产。
2、简述安全文明生产的有关规定安全文明生产,国家已经立法,具体你可以网上搜索查阅。
要实现安全文明生产,就必须遵守该法,依法办事。
当然,生产单位也可以根据自己的实际,结合本法制定实施的措施。
3、安全文明生产包括哪些内容转载以下资料供参考安全文明生产包括1. “以人为本”的原则要求在生产过程中,必须坚持“以人为本”的原则。
安全生产管理检查表范文《安全生产管理检查表》一、基本信息1. 企业名称:2. 检查日期:3. 检查人员:4. 检查地点:二、安全生产规章制度1. 企业是否建立健全安全生产管理制度?2. 安全生产管理制度内容是否完善?3. 安全生产管理制度的宣传是否到位?4. 安全生产管理制度是否得到员工的执行和遵守?三、现场安全隐患1. 火灾防护设施是否完善,是否存在火灾隐患?2. 是否存在使用违章电器设备现象?3. 是否有安全警示标识牌,是否齐全、清晰可见?4. 是否存在危险化学品存放不规范的情况?5. 是否存在堆放违章物品,影响疏散通道的情况?6. 是否存在使用破损、失效的安全设施?7. 其他可能存在的现场安全隐患。
四、安全教育培训1. 是否有进行安全教育培训?2. 安全教育培训内容是否到位,是否满足员工需求?3. 是否对新员工进行安全操作培训?4. 是否有定期组织员工参加应急演练?5. 员工是否知晓应急逃生路线和安全设施的使用方法?五、安全生产事故处理1. 是否建立安全生产事故报告制度?2. 是否建立事故调查与处理机制?3. 是否对发生的安全生产事故进行及时报告和记录?4. 是否对事故原因进行深入调查,并采取措施预防类似事故的再次发生?5. 是否对事故责任人进行追责和处理?六、安全设施设备1. 消防设施是否齐全,是否定期维护保养?2. 安全救援设备是否齐全,是否定期检查运行?3. 使用的机械设备是否经过定期维护和检查,是否存在安全隐患?4. 是否建立巡检制度,定期检查安全设施设备运行状况?5. 是否完成对安全设施设备的维修、更换和更新?七、安全风险评估与控制1. 是否建立安全风险评估制度?2. 是否定期开展安全风险评估活动?3. 是否对评估出的安全风险制定有效的控制措施?4. 是否对重大风险进行有效防控?5. 是否建立隐患清单,及时整改?八、各级安全管理人员履职情况1. 是否建立完善的安全管理组织架构?2. 是否落实各级安全管理人员的职责,履行安全生产管理责任?3. 是否对安全管理人员进行技术培训和业务能力提升?4. 是否建立安全管理人员考核评价制度?5. 安全管理人员是否及时处理接到的安全问题和投诉?九、应急管理及演练1. 是否建立应急预案和应急指挥体系?2. 应急预案是否得到员工的宣传和熟悉?3. 是否定期组织模拟演练,提高员工应急反应能力?4. 是否定期对应急救援队伍进行培训和练习?5. 是否对应急演练进行实际效果评估和总结?十、其他1. 是否有其他需要指出的安全问题和隐患?2. 是否有其他需要改进的安全管理措施和方法?十一、结论与意见根据以上检查,我们认为企业在安全生产管理方面存在以下问题和隐患:1. 现场安全隐患较多,需要加强火灾防护设施、违章电器设备的管理等。
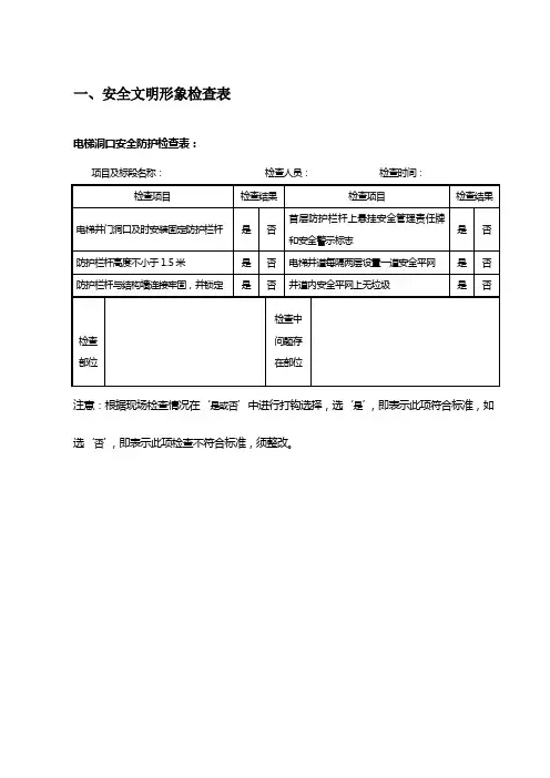
一、安全文明形象检查表电梯洞口安全防护检查表:项目及标段名称:检查人员:检查时间:注意:根据现场检查情况在‘是或否’中进行打钩选择,选‘是’,即表示此项符合标准,如选‘否’,即表示此项检查不符合标准,须整改。
水平洞口安全防护检查表:项目及标段名称:检查人员:检查时间:竖向洞口安全防护检查表:项目及标段名称:检查人员:检查时间:楼梯边安全防护检查表:项目及标段名称:检查人员:检查时间:楼层边、屋面边、阳台边等部位临边安全防护检查表:项目及标段名称:检查人员:检查时间:施工安全通道安全防护检查表:项目及标段名称:检查人员:检查时间:施工电梯安全防护检查表:项目及标段名称:检查人员:检查时间:脚手架安全防护检查表:项目及标段名称:检查人员:检查时间:卸料平台安全防护检查表:项目及标段名称:检查人员:检查时间:塔吊安全检查表:项目及标段名称:检查人员:检查时间:施工机械设备安全防护检查表:项目及标段名称:检查人员:检查时间:基坑边安全防护检查表:项目及标段名称:检查人员:检查时间:施工配电线路安全检查表:项目及标段名称:检查人员:检查时间:配电室及配电设备安全防护检查表:项目及标段名称:检查人员:检查时间:施工现场安全用电检查表:项目及标段名称:检查人员:检查时间:工地安全疏散通道安全检查表:项目及标段名称:检查人员:检查时间:工地围墙、大门、场地安全文明建设形象检查表:项目及标段名称:检查人员:检查时间:工地标牌形象检查表:项目及标段名称:检查人员:检查时间:材料堆场及加工场安全文明形象检查表:项目及标段名称:检查人员:检查时间:工地现场消防安全形象检查表:项目及标段名称:检查人员:检查时间:工地办公区、生活区临建安全文明形象检查表:项目及标段名称:检查人员:检查时间:。
安全文明施工检查表1.施工现场管理1.1 施工现场是否设立相关警示标志,如施工区域划定、危险区域标识等。
1.2 施工现场是否设置安全警示标语,提醒工人注意安全事项。
1.3 施工现场是否设置安全告示牌,明确施工规范、安全责任等内容。
1.4 施工现场是否设置工地围挡,防止外来人员闯入施工区域。
2.安全通道设置2.1 施工现场是否设置疏散通道,保证工人安全撤离。
2.2 疏散通道是否保持畅通,无障碍物阻挡。
2.3 疏散通道是否设置警示标识,引导工人正确疏散。
3.临时电源管理3.1 临时用电设备是否符合安全规范,存在漏电等安全隐患。
3.2 临时用电设备是否定期检测、维护,避免火灾等事故。
3.3 电线电缆敷设是否整齐规范,避免产生交叉、交错、绕行等问题。
4.施工机械设备4.1 施工机械设备是否经过安全检测合格,并有相应的合格证明。
4.2 施工机械设备是否按照规定放置,避免滑倒、砸伤等危险。
4.3 施工机械设备是否定期维护保养,确保正常运行。
5.高空作业安全5.1 高处作业是否设有防护措施,如安全带、安全网等。
5.2 高处作业是否设置安全警示标识,提醒工人注意安全。
5.3 高处作业人员是否具备相应的操作证书及培训证明。
6.防护用品配备6.1 施工现场是否配备符合标准的防护用品,如安全帽、安全鞋等。
6.2 防护用品是否齐全并处于良好状态,防止工人受伤。
6.3 对于特殊施工环境,是否配备相应的特殊防护用品,如防护眼镜、防护手套等。
7.现场消防设施7.1 现场是否配备消防器材,如灭火器、消防栓等。
7.2 消防器材是否定期检查保养,确保能够及时使用。
7.3 现场是否设置消防通道,保证消防车辆及时进出施工现场。
8.施工区域卫生8.1 施工现场是否及时清理垃圾,保持施工区域整洁。
8.2 施工区域是否设置垃圾箱并分类储存,方便垃圾处理。
8.3 施工显现场是否定期进行消毒,防止疾病传播。
9.环境保护措施9.1 施工现场是否设置防尘网、防尘罩等设施,降低粉尘污染。
火力发电站安全生产检查记录日期:XXXX年XX月XX日检查人员:XXX1. 检查概述本次安全生产检查旨在确保火力发电站运行的安全可靠。
主要内容包括设备运行状况、安全设施和操作规程的执行情况、员工的安全意识和培训情况等。
2. 设备运行状况2.1 锅炉检查- 检查了锅炉的燃烧系统,燃烧器无异响,燃烧充分,燃烧产生的气体排放符合环保标准;- 检查了锅炉的水循环系统,水位正常,过热器、再热器及其他附属设备无渗漏和磨损现象;- 检查了锅炉的安全阀,安全阀设置在正常工作压力的1.25倍,工作稳定,无漏水现象。
2.2 发电机检查- 检查了发电机的转子和定子绝缘电阻,结果符合要求;- 测量了发电机的空载电压和短路电流,均在正常范围内;- 检查了发电机的抽露系统,油位充足,泄露情况良好。
2.3 辅助设备检查- 检查了冷却水系统,水泵工作正常,冷却水流量稳定;- 检查了煤磨机系统,磨架和磨盘的磨损情况符合要求;- 检查了燃煤输送系统,输送带张紧适当,无松动现象。
3. 安全设施和操作规程执行情况3.1 检查了防火墙、防爆门和安全出口等安全设施,均完好无损;3.2 检查了火灾报警系统,报警器和报警按钮均处于正常工作状态;3.3 检查了应急照明设备,电池电量充足,灯具正常运行;3.4 检查了电气设备操作规程的执行情况,操作人员严格遵守操作规程;3.5 检查了燃煤供应操作规程的执行情况,未发现违规操作。
4. 员工的安全意识和培训情况4.1 进行了员工安全意识调查,结果显示员工对于火力发电站的安全风险具有较高的认识,并能正确操作应急设备;4.2 检查了员工安全培训记录,所有员工完成了规定的安全培训,并取得了相应的资格证书。
5. 问题和建议5.1 电气设备检查中发现一处接地线存在断裂情况,需要尽快进行修复;5.2 部分员工在操作中未使用个人防护装备,需要加强员工的安全意识培训;5.3 建议定期进行火灾应急演习,提高员工应对火灾的应急能力。
5 核心规定及评分原则5.1 目的(30分)
5.2 组织机构和职责(50分)
5.3 安全生产投入(50分)
5.4 法律法规与安全管理制度(60分)
5.5 教诲培训(70分)
5.6 施工设备管理(150分)5.
6.1 施工设备基本管理(60分)
5.6.2 施工设备使用管理(70分)
5.6.3 施工设备安装、拆除管理(20分)
5.7 作业安全(310分)
5.7.1 项目现场管理和过程控制(140分)
5.7.2 作业行为管理(110分)
5.7.3 警示标志(20分)
5.7.4 有关方管理(30分)
5.7.5 变更管理(10分)
5.8 隐患排查和治理(70分)
5.9 重大危险源监控(50分)
5.10 职业健康(50分)5.10.1 职业健康管理(35分)
5.10.2 职业危害告知和警示(10分)
5.10.3 职业危害申报(5分)
5.11 应急救援(50分)
5.12 事故报告、调查和解决(30分)
5.13 绩效评估和持续改进(30分)。
水力发电站安全检查表1. 前言本安全检查表适用于水力发电站的日常安全巡检工作,旨在确保发电站设备的安全运行,并及时发现和处理可能存在的安全隐患。
请按照以下项目进行检查,并根据实际情况填写相关信息。
2. 设备检查- 检查发电机组是否正常运行。
- 检查发电机组的机械设备是否存在异常声音或其他异常现象。
- 检查发电机组的电气设备是否正常运行。
- 检查水轮机是否运转正常,并清理轮盘和叶片外的杂物。
- 检查调速器和调压器是否正常工作。
- 检查水泵、油泵和冷却系统是否正常运行。
- 检查压力表、温度表、流量计等测量仪表的准确性。
- 检查配电系统和电缆线路的完好性。
3. 安全措施检查- 检查消防设备是否齐全,并确保操作人员熟悉使用方法。
- 检查事故报警系统和紧急停机装置是否正常运行。
- 检查人员防护设施是否完善,包括安全护栏、防护网等。
- 检查工作区域的清洁状况,确保没有易燃、易爆物品存在。
- 检查现场安全标识是否清晰可见。
- 检查事故处理预案是否完善,并确保操作人员熟悉应急措施。
4. 管理审核- 检查设备维护和修理记录,确保按时执行并记录。
- 检查设备安全运行记录,排查可能存在的安全风险。
- 检查操作人员的安全培训记录,确保培训到位并定期更新。
5. 结束语本安全检查表为水力发电站安全管理提供参考,希望能够帮助发电站管理人员及时发现和解决安全问题,确保发电站的安全运行。
如有任何疑问或建议,请及时联系相关部门进行沟通。
感谢您的合作!Note:以上检查项目仅作参考,具体的检查内容可以根据实际情况进行调整和补充。
根据实际需要,可以制定更为详细的安全检查表。