发电厂安全检查表word版
- 格式:doc
- 大小:165.50 KB
- 文档页数:28
电厂安全检查表1. 安全生产目标检查表
2 安全生产管理机构与职责检查表
3 安全生产投入与安全生产设施“三同时”检查表
1.4 法律法规与安全管理制度检查表
5 教育培训考评检查表
表6 特种设备、强制检测设备设施管理检查表
表7 隐患排查和治理检查表
表8 重大危险源监控检查表
表9 作业安全检查表
表10 应急管理检查表
表11 事故管理检查表
表14 锅炉设备及系统检查表
表18 消防设施及系统检查表
表19 电气设备及系统检查表
表20 特种设备设施检查表
表21 其他设备设施检查表。
发电厂安全检查表1安全生产目标检查表检查项目全生目标2安全生产管理机构与职责检查表3安全生产投入与安全生产设施“三同时”检査表4法律法规与安全管理制度检査表5教育培训考评检查表6特种设备、强制检测设备设施管理检查表7隐患排查和治理检查表8重大危险源监控检查表!作业安全检査表检查内容检查方法10应急管理检查表U 事故管理检查表目急管 理12锅炉设备及系统检查表检 查项 目检查内容检查项目检査内容检查方法、锅炉本体余热锅炉:1、锅炉出厂时,有安全技术规范要求的设计文件、产品质量合格证明、安装及使用维修说明、监督检验证明等文件。
2、锅炉安装时委托锅炉压力容器特种设备检测所进行了检测,并出具有检测报告。
并在质量技术监督部门办理了使用登记证。
3、每台锅炉应装独立的排污管。
1、除氧器和其他圧力容器安全阀的总排放能力,应能满足其在最大进汽工况下不超圧。
j、给水系统中各备用设备及系统应处于正常备用状态,按规程定期切换。
当失去备用时,应制定安全运行措施,限期恢复投入备用.其他辅机设备应符合机械安全耍求。
$、锅炉本体承圧部件安装完毕,应进行整体超压水圧试验。
给水设备应能可靠供水,炉墙无严重漏风、漏烟,防爆装置完好。
7、水质处理应能达到指标婆求。
S、电气系统装置齐全、线路完整,接地(0)线符合要求。
9、应制定有锅炉、炉膛爆炸事故应急预案。
燃气锅炉:k锅炉应设豐吹灰系统.锅炉水清洙系统与清洗后废水收集系统。
2、锅炉排烟温度应高于烟气的酸露点温度1『C以上。
3、除氧器及其有关系统的设计,应有可靠的防止除氧器过压爆炸的描施。
h锅炉的向空排汽管和起桃压力最低的安全阀排汽管应装设消声器。
j、给水箱的有效储水量宜为口tow的锅炉最大连续蒸发量时的给水消耗量。
现场检查。
、锅炉安全1、每台锅炉应至少装两个全启式安全阀。
2、锅炉的进n、出口烟风道及旁通管道上应设置可靠的控制阀门.现场检查。
13化学水处理及系统检查表I 检查内容检査方查项目、化学水设备及系统k酸碱贮存间、计量间及酸碱泵房必须设置安全通道、淋浴装置、冲洗及排水设施。
发电厂安全检查表(总29页) -CAL-FENGHAI.-(YICAI)-Company One1
-CAL-本页仅作为文档封面,使用请直接删除
发电厂安全检查表1 安全生产目标检查表
2 安全生产管理机构与职责检查表
3 安全生产投入与安全生产设施“三同时”检查表
4 法律法规与安全管理制度检查表
5 教育培训考评检查表
6 特种设备、强制检测设备设施管理检查表
7 隐患排查和治理检查表
8 重大危险源监控检查表
9 作业安全检查表
10 应急管理检查表
11 事故管理检查表
12 锅炉设备及系统检查表
13 化学水处理及系统检查表
14 汽轮机设备及系统检查表
15 热工控制设备及系统检查表
16 消防设施及系统检查表
17 电气设备及系统检查表
18 特种设备设施检查表
19 其他设备设施检查表。
发电厂安全大检查表发电厂安全大检查表填制单位:年月日序号检查内容检查情况1 部门是否围绕公司年度安全生产目标细化制定本部门的年度安全生产目标。
2 对部门细化制定的年度安全生产目标有无切实可行的措施。
3 对部门细化制定的年度安全生产目标,是否做到层层落实,严格考核。
4 部门是否制定并组织实施本部门(分部)控制轻伤和障碍,不发生重伤和事故的安全目标和措施。
5 班组是否制定并组织实施本班组控制未遂和异常,不发生轻伤和障碍的安全目标和措施。
6 个人是否有制定并实施控制违章和差错的安全目标和措施。
7 部门是否做到计划、布置、检查、总结、考核生产工作的同时,计划、布置、检查、总结、考核安全生产工作。
8 新建、改建、扩建工程是否贯彻“三同时”的原则,安全设施做到与主体工程同时设计、同时施工、同时投入生产和使用;安全设施投资是否纳入建设项目概算。
9 工作现场的安全是否经过安全风险分析、安全性评价。
10 工作现场的作业是否结合实际,运用标准化作业。
11 工作现场的安全状况是否进行科学分析,找出薄弱环节和事故隐患。
12 对分析查找出的薄弱环节和事故隐患,是否及时采取整改措施消除或防范。
13 各层次的安全生产监督体系是否充分发挥作用,加强现场安全动态监督。
填制单位:年月日序号检查内容检查情况14 现场“标准操作票”、“标准工作票”、“标准系统图”和“设备检修标准隔离措施”,是否规范、齐全、内容完整。
15 现场运行规程、检修规程、设备图纸是否与现场实际相一致,是否根据设备变化情况及时进行变更补充并确认有效。
16 是否依据行业标准、规范、反事故措施等要求,核查部门的“两措”和《发电企业防范群死群伤事故重点措施》的执行情况。
17 部门对汽机振动大、锅炉灭火、四管爆漏、锅炉结焦、保护误动等原因,是否作专题研究并制订有效的防范措施。
18 生产现场的危险区域是否设置了安全防护。
19 部门安全生产机构中的岗位设置是否合理,配备的人员数量、素质是否能满足安全工作需要。
发电厂安全检查表1 安全生产目标检查表
2 安全生产管理机构与职责检查表
3 安全生产投入与安全生产设施“三同时”检查表
4 法律法规与安全管理制度检查表
备
备
5 教育培训考评检查表
6 特种设备、强制检测设备设施管理检查表
7 隐患排查和治理检查表
8 重大危险源监控检查表
9 作业安全检查表
10 应急管理检查表
11 事故管理检查表
12 锅炉设备及系统检查表
13 化学水处理及系统检查表
14 汽轮机设备及系统检查表
15 热工控制设备及系统检查表
16 消防设施及系统检查表
17 电气设备及系统检查表
18 特种设备设施检查表
19 其他设备设施检查表。
发电厂安全检查表
1 安全生产目标检查表
2 安全生产管理机构与职责检查表
3 安全生产投入与安全生产设施“三同时”检查表
4 法律法规与安全管理制度检查表
5 教育培训考评检查表
6 特种设备、强制检测设备设施管理检查表
7 隐患排查和治理检查表
8 重大危险源监控检查表
9 作业安全检查表
10 应急管理检查表
11 事故管理检查表
12 锅炉设备及系统检查表
13 化学水处理及系统检查表
14 汽轮机设备及系统检查表
15 热工控制设备及系统检查表
16 消防设施及系统检查表
17 电气设备及系统检查表
18 特种设备设施检查表
19 其他设备设施检查表。
热电车间锅炉重大危险源安全检查表检查时间:
热电车间动力、照明、配电箱安全检查表
编制单位:热电车间检查时间:
热电车间起重机械安全检查表编制单位:检查时间:
热电车间柴油库区安全检查表
避雷设施安全检查表检查时间:
注:本检查表根据《建筑物防雷设计规范》编制安全检查人员签名:
热电车间出渣车辆安全检查表
编制单位:热电车间检查时间:
热电车间春季安全检查表
检查人:
热电车间夏季安全检查表
热电车间冬季安全检查表
夏季防雨、防汛安全检查表编号:检查时间:。
热电车间锅炉重大危险源安全检查表
检查时间:
热电车间动力、照明、配电箱安全检查表
编制单位:热电车间检查时间:
制表人:审批人:
热电车间起重机械安全检查表
编制单位:检查时间:
制表人:批准人:
热电车间柴油库区安全检查表
编制单位:热电车间检查时间:
避雷设施安全检查表检查时间:
注:本检查表根据建筑物防雷设计规范编制安全检查人员签名:
热电车间出渣车辆安全检查表
编制单位:热电车间检查时间:
制表人:审核人:
热电车间春季安全检查表
检查时间:
检查人:
热电车间夏季安全检查表检查时间:年月日
编制人:批准人:
热电车间冬季安全检查表
检查时间:
编制:批准:
夏季防雨、防汛安全检查表
编号:检查时间:
制表人:审核人:批准人:。
电厂检修现场安全检查表检查日期:________________检查地点:________________检查人员:________________一、现场基本情况1. 电厂名称:2. 检修现场所在位置:3. 检修时间:二、安全措施检查1. 检查现场是否设置了明显的安全警示标识,并保持清晰可见。
2. 检查现场是否设置了警戒线,并与周围环境进行合理隔离。
3. 检查现场是否设置了就近的消防器材,并确保其正常可用。
4. 检查现场是否设置了应急疏散通道,并保持畅通无阻。
5. 检查现场是否配备了足够的安全防护用具,并进行合理的使用。
6. 检查现场是否进行了安全交底和安全教育,人员是否理解相关的安全操作规程。
7. 检查现场是否存在可能引起事故的隐患,并及时采取措施进行处理。
三、设备安全检查1. 检查现场使用的设备是否存在损坏、老化等情况,是否存在漏电、跳闸等电气安全隐患。
2. 检查现场设备是否按照规定进行过维护和保养,并记录维护保养的情况。
3. 检查现场设备的接地是否符合标准要求,是否接通可靠。
4. 检查现场设备的运行状态是否正常,是否存在异常声音、异味等情况。
5. 检查现场设备是否配备了必要的安全保护装置,如过温保护、过载保护等。
四、作业安全检查1. 检查现场作业人员是否佩戴了必要的个人防护装备,如安全帽、防护眼镜、防护手套等。
2. 检查现场作业人员是否按照规定进行安全操作,是否存在违规行为。
3. 检查现场作业人员是否存在疲劳驾驶、情绪不稳定等可能影响安全的情况。
4. 检查现场作业人员是否针对特殊作业具备相应的专业技能和操作经验。
五、环境安全检查1. 检查现场是否存在可能引发火灾的可燃物,如油料、木材等,是否进行了妥善存放和管理。
2. 检查现场是否存在可能导致爆炸的危险物质,如气体、化学品等,是否采取了相应的防护措施。
3. 检查现场周边环境是否存在可能对安全产生影响的因素,如敏感设备、高温区域等,是否有相应的警示措施。
发电厂安全检查表
1 安全生产目标检查表
2 安全生产管理机构与职责检查表
3 安全生产投入与安全生产设施“三同时”检查表
4 法律法规与安全管理制度检查表
5 教育培训考评检查表
6 特种设备、强制检测设备设施管理检查表
7 隐患排查和治理检查表
8 重大危险源监控检查表
9 作业安全检查表
10 应急管理检查表
11 事故管理检查表
12 锅炉设备及系统检查表
13 化学水处理及系统检查表
14 汽轮机设备及系统检查表
15 热工控制设备及系统检查表
16 消防设施及系统检查表
17 电气设备及系统检查表
18 特种设备设施检查表
19 其他设备设施检查表。
发电厂安全检查表1 安全生产目标检查表
2 安全生产管理机构与职责检查表
3 安全生产投入与安全生产设施“三同时”检查表
4 法律法规与安全管理制度检查表
5 教育培训考评检查表
6 特种设备、强制检测设备设施管理检查表
7 隐患排查和治理检查表
8 重大危险源监控检查表
9 作业安全检查表
10 应急管理检查表
11 事故管理检查表
12 锅炉设备及系统检查表
13 化学水处理及系统检查表
14 汽轮机设备及系统检查表
15 热工控制设备及系统检查表
16 消防设施及系统检查表
17 电气设备及系统检查表
18 特种设备设施检查表
19 其他设备设施检查表。
发电厂安全检查表1 安全生产目标检查表
2 安全生产管理机构与职责检查表
3 安全生产投入与安全生产设施“三同时”检查表
4 法律法规与安全管理制度检查表
5 教育培训考评检查表
6 特种设备、强制检测设备设施管理检查表
7 隐患排查和治理检查表
8 重大危险源监控检查表
9 作业安全检查表
10 应急管理检查表
11 事故管理检查表
12 锅炉设备及系统检查表
13 化学水处理及系统检查表
14 汽轮机设备及系统检查表
15 热工控制设备及系统检查表
16 消防设施及系统检查表
17 电气设备及系统检查表
18 特种设备设施检查表
19 其他设备设施检查表。
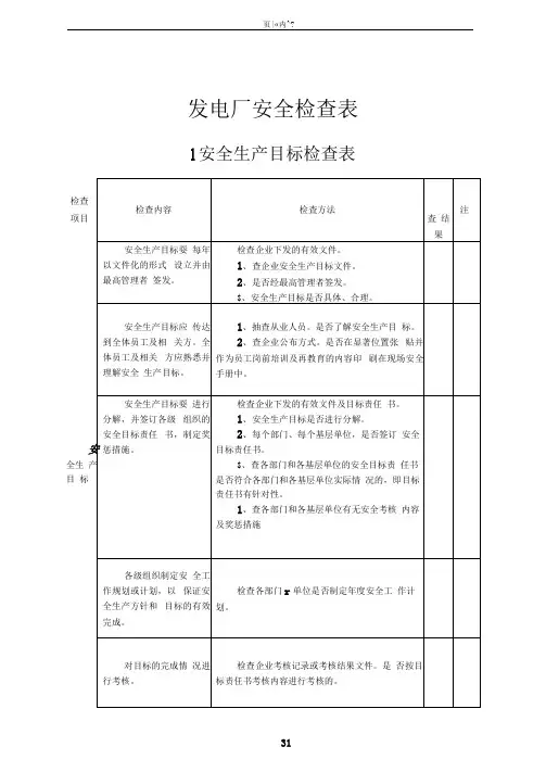
发电厂安全检查表1安全生产目标检查表检检查项目检查内容检查方法查结果安全生产目标要每年以文件化的形式设立并由最高管理者签发。
安全生产目标应传达到全体员工及相关方。
全体员工及相关方应熟悉并理解安全生产目标。
检查企业下发的有效文件。
1、查企业安全生产目标文件。
2、是否经最高管理者签发。
3、安全生产目标是否具体、合理。
1、抽查从业人员。
是否了解安全生产目标。
2、查企业公布方式。
是否在显著位置张贴并作为员工岗前培训及再教育的内容印刷在现场安全手册中。
备注安全生产目标要进行检查企业下发的有效文件及目标责任书。
分解,并签订各级组织1、安全生产目标是否进行分解。
的安全目标责任书,制2、每个部门、每个基层单位,是否签订安安全生产目标定奖惩措施。
全目标责任书。
3、查各部门和各基层单位的安全目标责任书是否符合各部门和各基层单位实际情况的,即目标责任书有针对性。
4、查各部门和各基层单位有无安全考核内容及奖惩措施各级组织制定安全工作规划或计划,以保证检查各部门/单位是否制定年度安全工作计安全生产方针和目标划。
的有效完成。
对目标的完成情况进检查企业考核记录或考核结果文件。
是否按行考核。
目标责任书考核内容进行考核的。
2安全生产管理机构与职责检查表检检查项目检查内容检查方法查结果1、查企业下发的有效文件,是否建立安全生产委安全生产管理网络员会或领导小组的;并由主要负责人担任领导,开展工作。
2、各级生产系统(车间、班组)均有主管安全的领导和专(兼)职安全员。
查企业下发的有效文件。
1、是否符合《河南省安全生产条例》规定设置安全生产管理机构或专职安全生产管理人员。
2、专职安全生产管理人员任命文件符合相应要求时,安全生产管相关人员安全生产资格证书的发证机关不符合《生产经营单位安全培训规定》(国家安全监管总局令第3号)的、资格证书不在有效期内的或任命文件中专职安全生产管理人员与所持任职资格证书或注册安全工程师执业资格证书不符的,均视为没有证书,持有证书的专职安全生产管理人员不少于《河南省安全生产条例》规定。
发电厂安全检查表1 安全生产目标检查表
2 安全生产管理机构与职责检查表
3 安全生产投入与安全生产设施“三同时”检查表
4 法律法规与安全管理制度检查表
5 教育培训考评检查表
6 特种设备、强制检测设备设施管理检查表
7 隐患排查和治理检查表
8 重大危险源监控检查表
9 作业安全检查表
10 应急管理检查表
11 事故管理检查表
12 锅炉设备及系统检查表
13 化学水处理及系统检查表
14 汽轮机设备及系统检查表
15 热工控制设备及系统检查表
16 消防设施及系统检查表
17 电气设备及系统检查表
18 特种设备设施检查表
19 其他设备设施检查表。