电厂安全检查表模板
- 格式:doc
- 大小:199.50 KB
- 文档页数:33
企业用电力安全检查表检查项目1. 用电进线是否完好,无裸露导线或破损现象。
2. 电气设备接地是否良好,是否有漏电现象。
3. 电线电缆是否有老化、破损或过载情况。
4. 电气设备和线路是否标志清晰,存在编号和对应关系。
5. 用电设备和电源插座是否牢固,有无松动、破损或接触不良现象。
6. 是否按规定给电气设备提供额外的保护措施。
7. 用电设备是否定期维护,并有维护记录。
8. 电气设备开关是否正常,是否存在异常抖动或损坏。
9. 是否存在电气设备放置不当,堆放杂物或堵塞通道的情况。
10. 电气设备周围是否有易燃、易爆物品,是否存在安全隐患。
检查方法1. 目视检查用电线路和设备的外观,观察是否有明显的损坏或故障现象。
2. 使用电气测量仪器检测电气设备接地情况和漏电情况。
3. 测试电线电缆的负荷容量,观察是否超载。
4. 查看用电设备和电源插座的安装情况,检查是否牢固,并插拔几次以确认接触良好。
5. 根据相关规定,检查电气设备是否有额外的保护措施,如保险、过流保护器等。
6. 阅读维护记录,确认用电设备是否有进行定期维护。
7. 操作电气开关,观察开关是否灵活可靠,并听是否有异常声音。
8. 观察电气设备的摆放情况,确认是否符合安全要求,是否存在堆放杂物或堵塞通道的情况。
9. 检查用电设备周围是否有易燃、易爆物品,如有,及时清理或采取相应的安全措施。
检查要点- 检查范围覆盖企业内所有电气设备和用电线路。
- 对于异常或存在安全隐患的情况,及时记录并采取相应的补救措施。
- 定期进行用电力安全检查,确保设备和线路的正常使用和安全运行。
发电厂安全大检查表发电厂安全大检查表填制单位:年月日序号检查内容检查情况1 部门是否围绕公司年度安全生产目标细化制定本部门的年度安全生产目标。
2 对部门细化制定的年度安全生产目标有无切实可行的措施。
3 对部门细化制定的年度安全生产目标,是否做到层层落实,严格考核。
4 部门是否制定并组织实施本部门(分部)控制轻伤和障碍,不发生重伤和事故的安全目标和措施。
5 班组是否制定并组织实施本班组控制未遂和异常,不发生轻伤和障碍的安全目标和措施。
6 个人是否有制定并实施控制违章和差错的安全目标和措施。
7 部门是否做到计划、布置、检查、总结、考核生产工作的同时,计划、布置、检查、总结、考核安全生产工作。
8 新建、改建、扩建工程是否贯彻“三同时”的原则,安全设施做到与主体工程同时设计、同时施工、同时投入生产和使用;安全设施投资是否纳入建设项目概算。
9 工作现场的安全是否经过安全风险分析、安全性评价。
10 工作现场的作业是否结合实际,运用标准化作业。
11 工作现场的安全状况是否进行科学分析,找出薄弱环节和事故隐患。
12 对分析查找出的薄弱环节和事故隐患,是否及时采取整改措施消除或防范。
13 各层次的安全生产监督体系是否充分发挥作用,加强现场安全动态监督。
填制单位:年月日序号检查内容检查情况14 现场“标准操作票”、“标准工作票”、“标准系统图”和“设备检修标准隔离措施”,是否规范、齐全、内容完整。
15 现场运行规程、检修规程、设备图纸是否与现场实际相一致,是否根据设备变化情况及时进行变更补充并确认有效。
16 是否依据行业标准、规范、反事故措施等要求,核查部门的“两措”和《发电企业防范群死群伤事故重点措施》的执行情况。
17 部门对汽机振动大、锅炉灭火、四管爆漏、锅炉结焦、保护误动等原因,是否作专题研究并制订有效的防范措施。
18 生产现场的危险区域是否设置了安全防护。
19 部门安全生产机构中的岗位设置是否合理,配备的人员数量、素质是否能满足安全工作需要。
电厂安全隐患检查表.txt电厂安全隐患检查表项目信息- 电厂名称:- 检查日期:- 检查人员:一、火灾安全隐患检查1. 电厂内部是否存在易燃物品的存储和使用区域?(是/否)2. 是否定期对电厂内的防火设施进行检查和维护?(是/否)3. 是否存在火灾警报系统?(是/否)4. 是否设置了灭火器并定期检查和更换?(是/否)5. 厂区内消防设施和通道是否保持畅通?(是/否)二、电气安全隐患检查1. 是否存在电线老化、接触不良或其他电气隐患?(是/否)2. 是否定期对电气设备进行维护和检修?(是/否)3. 电气设备是否绝缘良好?(是/否)4. 是否存在过载情况或电气线路短路?(是/否)5. 是否配备了漏电保护装置?(是/否)三、机械设备安全隐患检查1. 是否存在未经授权操作或维修机械设备的情况?(是/否)2. 是否定期对机械设备进行检查和维护?(是/否)3. 是否存在设备油漏、传动带松动或其他机械隐患?(是/否)4. 是否存在设备噪音过大或振动不正常?(是/否)5. 是否配备了紧急停机装置?(是/否)四、人员安全隐患检查1. 是否存在员工安全教育培训计划?(是/否)2. 是否定期进行安全培训和演练?(是/否)3. 是否配备了个人防护装备,并督促员工佩戴?(是/否)4. 是否存在工作疲劳或不安全行为?(是/否)5. 是否实施严格的区域限制和人员进出管理?(是/否)五、环境安全隐患检查1. 电厂是否存在环保设施和设备?(是/否)2. 是否定期对废气、废水处理设施进行检查和清理?(是/否)3. 是否存在化学品泄漏或超标排放情况?(是/否)4. 是否存在环境污染事故的应急预案?(是/否)5. 是否进行了定期的环境监测和污染防治措施?(是/否)六、其他安全隐患检查(根据实际情况列出其他需要检查的安全隐患项目)备注:请在检查过程中认真记录并对发现的隐患及时进行整改和处理。
如需详细的安全情况报告,请另行编写。
此安全隐患检查表为参考模板,可根据实际情况进行调整和修改。
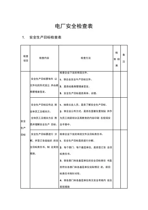
电厂安全检查表1. 安全生产目标检查表
2 安全生产管理机构与职责检查表
3 安全生产投入与安全生产设施“三同时”检查表
4 法律法规与安全管理制度检查表
5 教育培训考评检查表
表6 特种设备、强制检测设备设施管理检查表
表7 隐患排查和治理检查表
表8 重大危险源监控检查表
表9 作业安全检查表
表10 应急管理检查表
表11 事故管理检查表
表14 锅炉设备及系统检查表
表15 化学水处理及系统检查表
表16 汽轮机设备及系统检查表
表17 热工控制设备及系统检查表
表18 消防设施及系统检查表
表19 电气设备及系统检查表
表20 特种设备设施检查表
表21 其他设备设施检查表。
电厂安全隐患检查表一、场地与设施安全1. 电厂的周边是否有足够的安全区域进行生产活动?2. 电厂的建筑物是否结构稳固、无倾斜或裂缝?3. 电厂的各个区域是否设置了明确的安全标识?4. 电厂的机械设备和工具是否经过定期维护和检查?5. 电厂是否建立了紧急疏散计划,并进行了演练?二、电气安全1. 电厂的电气设备是否符合相关标准,并经过定期检测和维护?2. 电厂的电线电缆是否正常绝缘,无裸露导体?3. 电厂的开关箱和电控设备是否完好,并设置了安全保护措施?4. 电厂的电力配电系统是否合理、安全可靠?5. 电厂的电气设备是否防雷、防爆,并进行了定期检查?三、消防安全1. 电厂的消防设施是否齐全,包括消防器材、消防通道、消防栓等?2. 电厂的消防设备是否经过定期维护和检查?3. 电厂的灭火器是否摆放在易于取用的位置,并定期更换?4. 电厂的消防标志是否清晰可见,易于辨认?5. 电厂的员工是否进行过消防安全培训?四、危险品安全1. 电厂的危险品存放区是否符合相关规定?2. 电厂的危险品存放区是否设置了明确的安全标识和警示标志?3. 电厂的危险品存放区是否与其他区域分隔开来,避免交叉污染和事故发生?4. 电厂的危险品是否储存妥善,防止泄漏、燃爆或其他危险事件?5. 电厂的员工是否经过相关培训,了解危险品的处理和应急措施?五、工艺操作安全1. 电厂的工艺操作人员是否具备相应的资质和培训证书?2. 电厂的工艺操作是否按照标准操作程序进行?3. 电厂的工艺操作是否存在违规行为,如超载、超时工作等?4. 电厂的工艺操作是否存在潜在的安全风险,如高温、高压操作等?5. 电厂的工艺设备是否正常运行,并定期进行检修和维护?以上为电厂安全隐患检查表的内容,通过对以上问题的检查和评估,可以及时发现和解决电厂安全问题,确保生产过程中的安全性和可靠性。
电厂安全检查表1. 安全生产目标检查表
2安全生产管理机构与职责检查表
3安全生产投入与安全生产设施“三同时”检查表
法律法规与安全管理制度检查表
5教育培训考评检查表
表6特种设备、强制检测设备设施管理检查表
表7隐患排查和治理检查表
表8重大危险源监控检查表
表9作业安全检查表
表10应急管理检查表
表11事故管理检查表
表14锅炉设备及系统检查表
表15化学水处理及系统检查表
表16汽轮机设备及系统检查表
表17热工控制设备及系统检查表
表18消防设施及系统检查表
表19电气设备及系统检查表
表20特种设备设施检查表
表21其他设备设施检查表。
电厂检修现场安全检查表检查日期:________________检查地点:________________检查人员:________________一、现场基本情况1. 电厂名称:2. 检修现场所在位置:3. 检修时间:二、安全措施检查1. 检查现场是否设置了明显的安全警示标识,并保持清晰可见。
2. 检查现场是否设置了警戒线,并与周围环境进行合理隔离。
3. 检查现场是否设置了就近的消防器材,并确保其正常可用。
4. 检查现场是否设置了应急疏散通道,并保持畅通无阻。
5. 检查现场是否配备了足够的安全防护用具,并进行合理的使用。
6. 检查现场是否进行了安全交底和安全教育,人员是否理解相关的安全操作规程。
7. 检查现场是否存在可能引起事故的隐患,并及时采取措施进行处理。
三、设备安全检查1. 检查现场使用的设备是否存在损坏、老化等情况,是否存在漏电、跳闸等电气安全隐患。
2. 检查现场设备是否按照规定进行过维护和保养,并记录维护保养的情况。
3. 检查现场设备的接地是否符合标准要求,是否接通可靠。
4. 检查现场设备的运行状态是否正常,是否存在异常声音、异味等情况。
5. 检查现场设备是否配备了必要的安全保护装置,如过温保护、过载保护等。
四、作业安全检查1. 检查现场作业人员是否佩戴了必要的个人防护装备,如安全帽、防护眼镜、防护手套等。
2. 检查现场作业人员是否按照规定进行安全操作,是否存在违规行为。
3. 检查现场作业人员是否存在疲劳驾驶、情绪不稳定等可能影响安全的情况。
4. 检查现场作业人员是否针对特殊作业具备相应的专业技能和操作经验。
五、环境安全检查1. 检查现场是否存在可能引发火灾的可燃物,如油料、木材等,是否进行了妥善存放和管理。
2. 检查现场是否存在可能导致爆炸的危险物质,如气体、化学品等,是否采取了相应的防护措施。
3. 检查现场周边环境是否存在可能对安全产生影响的因素,如敏感设备、高温区域等,是否有相应的警示措施。
电厂检修工作安全检查表一、检查概况本次检查旨在确保电厂检修工作过程中的安全措施和操作符合相关规定,保障人员安全以及设备稳定运行。
以下是对相关检查项目的详细记录:二、现场安全措施1. 确保现场安全标识是否齐全清晰,包括安全警示标志、应急逃生标志等。
2. 检查是否设置了必要的隔离带、安全护栏,以确保工作区域与非工作人员之间的安全距离。
3. 检查应急设备和装置是否满足需求,包括消防器材、急救箱等。
三、设备安全1. 检查设备是否有明确的操作规程和操作手册,操作人员是否持有效证件。
2. 检查设备的运行状态和工作程序是否符合安全要求。
3. 检查设备的维修保养记录,包括定期检查和维护保养是否按时进行,并记录详细信息。
四、电气安全1. 检查是否设置了相应的电气安全保护装置,例如漏电保护器、过载保护器等。
2. 检查电气设备的接地是否符合规范,确保人员操作时的安全。
3. 检查电厂设备是否接受过合格的电器设备检验,并确保相关证明文件的有效性。
五、作业人员安全1. 检查作业人员是否具备相关技能和资质,是否参加过必要的培训。
2. 检查作业人员是否佩戴齐全的个人防护装备,包括安全帽、防护眼镜、防护手套等。
3. 检查作业人员是否遵守相关操作规程,严禁违规操作。
六、应急准备1. 检查应急疏散通道是否畅通,应急灯光是否正常工作。
2. 检查应急电话和报警装置是否可靠有效,能够及时报警并采取应急措施。
七、记录与整改1. 对每一项检查项目的结果进行详细记录,包括存在的问题和需要改进的建议。
2. 根据检查结果制定整改方案,并落实到实际操作中。
3. 定期跟踪检查的整改情况,确保问题得到及时解决。
以上是对电厂检修工作安全检查表的详细记录。
本次检查的目标在于确保电厂设备检修工作的安全,保障人员与设备的安全。
通过严格的检查与整改措施,我们将进一步提高电厂检修工作的安全水平,保障电力设备的稳定运行。
发电厂安全检查表
1安全生产目标检查表
2安全生产管理机构与职责检查表
3安全生产投入与安全生产设施“三同时”检查表
4法律法规与安全管理制度检查表
5教育培训考评检查表
6特种设备、强制检测设备设施管理检查表
7隐患排查和治理检查表
8重大危险源监控检查表
9作业安全检查表
10应急管理检查表
11事故管理检查表
12锅炉设备及系统检查表
13化学水处理及系统检查表
14汽轮机设备及系统检查表
15热工控制设备及系统检查表
16消防设施及系统检查表
17电气设备及系统检查表
18特种设备设施检查表
19其他设备设施检查表。