电厂安全检查表模板
- 格式:doc
- 大小:216.50 KB
- 文档页数:35
发电厂安全检查表1 安全生产目标检查表
2 安全生产管理机构与职责检查表
3 安全生产投入与安全生产设施“三同时”检查表
4 法律法规与安全管理制度检查表
5 教育培训考评检查表
6 特种设备、强制检测设备设施管理检查表
7 隐患排查和治理检查表
8 重大危险源监控检查表
11 事故管理检查表
12 锅炉设备及系统检查表
13 化学水处理及系统检查表
14 汽轮机设备及系统检查表
15 热工控制设备及系统检查表
16 消防设施及系统检查表
17 电气设备及系统检查表
18 特种设备设施检查表
19 其他设备设施检查表。
电厂安全隐患检查表.txt电厂安全隐患检查表项目信息- 电厂名称:- 检查日期:- 检查人员:一、火灾安全隐患检查1. 电厂内部是否存在易燃物品的存储和使用区域?(是/否)2. 是否定期对电厂内的防火设施进行检查和维护?(是/否)3. 是否存在火灾警报系统?(是/否)4. 是否设置了灭火器并定期检查和更换?(是/否)5. 厂区内消防设施和通道是否保持畅通?(是/否)二、电气安全隐患检查1. 是否存在电线老化、接触不良或其他电气隐患?(是/否)2. 是否定期对电气设备进行维护和检修?(是/否)3. 电气设备是否绝缘良好?(是/否)4. 是否存在过载情况或电气线路短路?(是/否)5. 是否配备了漏电保护装置?(是/否)三、机械设备安全隐患检查1. 是否存在未经授权操作或维修机械设备的情况?(是/否)2. 是否定期对机械设备进行检查和维护?(是/否)3. 是否存在设备油漏、传动带松动或其他机械隐患?(是/否)4. 是否存在设备噪音过大或振动不正常?(是/否)5. 是否配备了紧急停机装置?(是/否)四、人员安全隐患检查1. 是否存在员工安全教育培训计划?(是/否)2. 是否定期进行安全培训和演练?(是/否)3. 是否配备了个人防护装备,并督促员工佩戴?(是/否)4. 是否存在工作疲劳或不安全行为?(是/否)5. 是否实施严格的区域限制和人员进出管理?(是/否)五、环境安全隐患检查1. 电厂是否存在环保设施和设备?(是/否)2. 是否定期对废气、废水处理设施进行检查和清理?(是/否)3. 是否存在化学品泄漏或超标排放情况?(是/否)4. 是否存在环境污染事故的应急预案?(是/否)5. 是否进行了定期的环境监测和污染防治措施?(是/否)六、其他安全隐患检查(根据实际情况列出其他需要检查的安全隐患项目)备注:请在检查过程中认真记录并对发现的隐患及时进行整改和处理。
如需详细的安全情况报告,请另行编写。
此安全隐患检查表为参考模板,可根据实际情况进行调整和修改。
发电厂安全检查表1 安全生产目标检查表
2 安全生产管理机构与职责检查表
3 安全生产投入与安全生产设施“三同时”检查表
4 法律法规与安全管理制度检查表
备
备
5 教育培训考评检查表
6 特种设备、强制检测设备设施管理检查表
7 隐患排查和治理检查表
8 重大危险源监控检查表
9 作业安全检查表
10 应急管理检查表
11 事故管理检查表
12 锅炉设备及系统检查表
13 化学水处理及系统检查表
14 汽轮机设备及系统检查表
15 热工控制设备及系统检查表
16 消防设施及系统检查表
17 电气设备及系统检查表
18 特种设备设施检查表
19 其他设备设施检查表。
电厂安全隐患检查表一、场地与设施安全1. 电厂的周边是否有足够的安全区域进行生产活动?2. 电厂的建筑物是否结构稳固、无倾斜或裂缝?3. 电厂的各个区域是否设置了明确的安全标识?4. 电厂的机械设备和工具是否经过定期维护和检查?5. 电厂是否建立了紧急疏散计划,并进行了演练?二、电气安全1. 电厂的电气设备是否符合相关标准,并经过定期检测和维护?2. 电厂的电线电缆是否正常绝缘,无裸露导体?3. 电厂的开关箱和电控设备是否完好,并设置了安全保护措施?4. 电厂的电力配电系统是否合理、安全可靠?5. 电厂的电气设备是否防雷、防爆,并进行了定期检查?三、消防安全1. 电厂的消防设施是否齐全,包括消防器材、消防通道、消防栓等?2. 电厂的消防设备是否经过定期维护和检查?3. 电厂的灭火器是否摆放在易于取用的位置,并定期更换?4. 电厂的消防标志是否清晰可见,易于辨认?5. 电厂的员工是否进行过消防安全培训?四、危险品安全1. 电厂的危险品存放区是否符合相关规定?2. 电厂的危险品存放区是否设置了明确的安全标识和警示标志?3. 电厂的危险品存放区是否与其他区域分隔开来,避免交叉污染和事故发生?4. 电厂的危险品是否储存妥善,防止泄漏、燃爆或其他危险事件?5. 电厂的员工是否经过相关培训,了解危险品的处理和应急措施?五、工艺操作安全1. 电厂的工艺操作人员是否具备相应的资质和培训证书?2. 电厂的工艺操作是否按照标准操作程序进行?3. 电厂的工艺操作是否存在违规行为,如超载、超时工作等?4. 电厂的工艺操作是否存在潜在的安全风险,如高温、高压操作等?5. 电厂的工艺设备是否正常运行,并定期进行检修和维护?以上为电厂安全隐患检查表的内容,通过对以上问题的检查和评估,可以及时发现和解决电厂安全问题,确保生产过程中的安全性和可靠性。
发电厂安全检查表1 安全生产目标检查表
2 安全生产管理机构与职责检查表
3 安全生产投入与安全生产设施“三同时”检查表
4 法律法规与安全管理制度检查表
5 教育培训考评检查表
6 特种设备、强制检测设备设施管理检查表
7 隐患排查和治理检查表
8 重大危险源监控检查表
9 作业安全检查表
10 应急管理检查表
11 事故管理检查表
12 锅炉设备及系统检查表
13 化学水处理及系统检查表
14 汽轮机设备及系统检查表
15 热工控制设备及系统检查表
16 消防设施及系统检查表
17 电气设备及系统检查表
18 特种设备设施检查表
19 其他设备设施检查表。
发电厂安全检查表1 安全生产目标检查表
2 安全生产管理机构与职责检查表
3 安全生产投入与安全生产设施“三同时”检查表
4 法律法规与安全管理制度检查表
5 教育培训考评检查表
6 特种设备、强制检测设备设施管理检查表
7 隐患排查和治理检查表
8 重大危险源监控检查表
11 事故管理检查表
12 锅炉设备及系统检查表
13 化学水处理及系统检查表
14 汽轮机设备及系统检查表
15 热工控制设备及系统检查表
16 消防设施及系统检查表
17 电气设备及系统检查表
18 特种设备设施检查表
19 其他设备设施检查表。
电厂检修现场安全检查表检查日期:________________检查地点:________________检查人员:________________一、现场基本情况1. 电厂名称:2. 检修现场所在位置:3. 检修时间:二、安全措施检查1. 检查现场是否设置了明显的安全警示标识,并保持清晰可见。
2. 检查现场是否设置了警戒线,并与周围环境进行合理隔离。
3. 检查现场是否设置了就近的消防器材,并确保其正常可用。
4. 检查现场是否设置了应急疏散通道,并保持畅通无阻。
5. 检查现场是否配备了足够的安全防护用具,并进行合理的使用。
6. 检查现场是否进行了安全交底和安全教育,人员是否理解相关的安全操作规程。
7. 检查现场是否存在可能引起事故的隐患,并及时采取措施进行处理。
三、设备安全检查1. 检查现场使用的设备是否存在损坏、老化等情况,是否存在漏电、跳闸等电气安全隐患。
2. 检查现场设备是否按照规定进行过维护和保养,并记录维护保养的情况。
3. 检查现场设备的接地是否符合标准要求,是否接通可靠。
4. 检查现场设备的运行状态是否正常,是否存在异常声音、异味等情况。
5. 检查现场设备是否配备了必要的安全保护装置,如过温保护、过载保护等。
四、作业安全检查1. 检查现场作业人员是否佩戴了必要的个人防护装备,如安全帽、防护眼镜、防护手套等。
2. 检查现场作业人员是否按照规定进行安全操作,是否存在违规行为。
3. 检查现场作业人员是否存在疲劳驾驶、情绪不稳定等可能影响安全的情况。
4. 检查现场作业人员是否针对特殊作业具备相应的专业技能和操作经验。
五、环境安全检查1. 检查现场是否存在可能引发火灾的可燃物,如油料、木材等,是否进行了妥善存放和管理。
2. 检查现场是否存在可能导致爆炸的危险物质,如气体、化学品等,是否采取了相应的防护措施。
3. 检查现场周边环境是否存在可能对安全产生影响的因素,如敏感设备、高温区域等,是否有相应的警示措施。
发电厂安全检查表
发电厂是一个重要的能源供应单位,为确保生产安全和人员安全,需要进行定期的安全检查。
下面是一份发电厂安全检查表。
1.安全检查人员:
2.检查时间:
3.检查区域:
4.检查项目:
(1)厂区围墙是否完好?
(2)消防设施是否完整并工作正常?
(3)厂区内是否有易燃易爆物品存放?
(4)厂区内是否有挖掘、焊接等作业?
(5)发电机组、输电线路、变电设备是否正常运行?
(6)用电设备安装是否符合规范?
(7)发电机房、变配电室是否有防爆措施?
(8)工作人员是否穿戴符合规范的个人防护器材?
(9)发电厂内是否有安全生产宣传标语和标志?
(10)已发现的安全隐患是否得到及时整改?
检查结果:
(1)合格:
(2)不合格:
(3)待整改:
检查人员姓名:
检查人员签名:
发电厂安全检查表需要根据实际情况进行修改和个性化定制。
除上述项目之外,还应考虑其他可能存在的安全隐患,例如高温、高压、高空、毒害等。
对于发现的问题,必须及时记录并督促相关人员整改。
检查表的存在可以提高工作人员的安全意识和责任心,有效预防事故的发生。
电厂安全检查表1. 安全生产目标检查表
2 安全生产管理机构与职责检查表
3 安全生产投入与安全生产设施“三同时”检查表
1.4 法律法规与安全管理制度检查表
5 教育培训考评检查表
表6 特种设备、强制检测设备设施管理检查表
表7 隐患排查和治理检查表
表8 重大危险源监控检查表
表9 作业安全检查表
表10 应急管理检查表
表11事故管理检查表
表14锅炉设备及系统检查表
表15化学水处理及系统检查表
表16 汽轮机设备及系统检查表
表17 热工控制设备及系统检查表
表18 消防设施及系统检查表
表19电气设备及系统检查表
表20特种设备设施检查表
表21 其他设备设施检查表
学习计划表周一至周五。
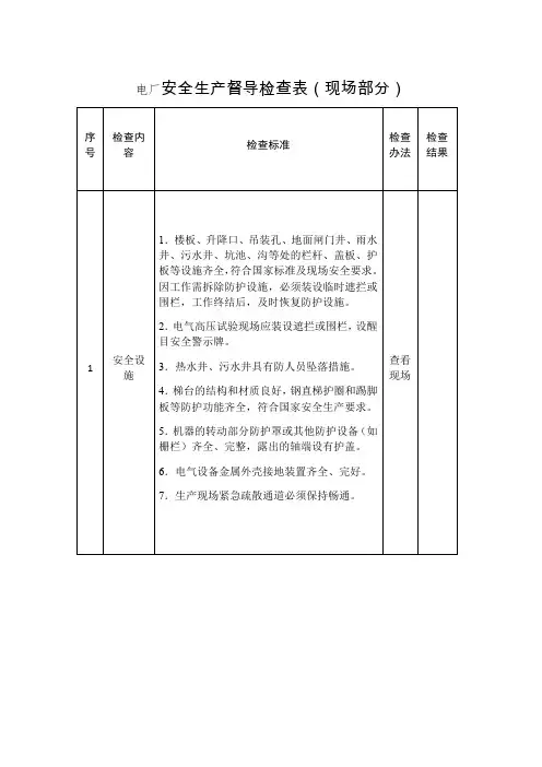
发电厂安全检查表1安全生产目标检查表检查项目全生目标2安全生产管理机构与职责检查表3安全生产投入与安全生产设施“三同时”检査表4法律法规与安全管理制度检査表5教育培训考评检查表6特种设备、强制检测设备设施管理检查表7隐患排查和治理检查表8重大危险源监控检查表!作业安全检査表检查内容检查方法10应急管理检查表U 事故管理检查表目急管 理12锅炉设备及系统检查表检 查项 目检查内容检查项目检査内容检查方法、锅炉本体余热锅炉:1、锅炉出厂时,有安全技术规范要求的设计文件、产品质量合格证明、安装及使用维修说明、监督检验证明等文件。
2、锅炉安装时委托锅炉压力容器特种设备检测所进行了检测,并出具有检测报告。
并在质量技术监督部门办理了使用登记证。
3、每台锅炉应装独立的排污管。
1、除氧器和其他圧力容器安全阀的总排放能力,应能满足其在最大进汽工况下不超圧。
j、给水系统中各备用设备及系统应处于正常备用状态,按规程定期切换。
当失去备用时,应制定安全运行措施,限期恢复投入备用.其他辅机设备应符合机械安全耍求。
$、锅炉本体承圧部件安装完毕,应进行整体超压水圧试验。
给水设备应能可靠供水,炉墙无严重漏风、漏烟,防爆装置完好。
7、水质处理应能达到指标婆求。
S、电气系统装置齐全、线路完整,接地(0)线符合要求。
9、应制定有锅炉、炉膛爆炸事故应急预案。
燃气锅炉:k锅炉应设豐吹灰系统.锅炉水清洙系统与清洗后废水收集系统。
2、锅炉排烟温度应高于烟气的酸露点温度1『C以上。
3、除氧器及其有关系统的设计,应有可靠的防止除氧器过压爆炸的描施。
h锅炉的向空排汽管和起桃压力最低的安全阀排汽管应装设消声器。
j、给水箱的有效储水量宜为口tow的锅炉最大连续蒸发量时的给水消耗量。
现场检查。
、锅炉安全1、每台锅炉应至少装两个全启式安全阀。
2、锅炉的进n、出口烟风道及旁通管道上应设置可靠的控制阀门.现场检查。
13化学水处理及系统检查表I 检查内容检査方查项目、化学水设备及系统k酸碱贮存间、计量间及酸碱泵房必须设置安全通道、淋浴装置、冲洗及排水设施。
发电厂安全大检查表发电厂安全大检查表填制单位:年月日序号检查内容检查情况1 部门是否围绕公司年度安全生产目标细化制定本部门的年度安全生产目标。
2 对部门细化制定的年度安全生产目标有无切实可行的措施。
3 对部门细化制定的年度安全生产目标,是否做到层层落实,严格考核。
4 部门是否制定并组织实施本部门(分部)控制轻伤和障碍,不发生重伤和事故的安全目标和措施。
5 班组是否制定并组织实施本班组控制未遂和异常,不发生轻伤和障碍的安全目标和措施。
6 个人是否有制定并实施控制违章和差错的安全目标和措施。
7 部门是否做到计划、布置、检查、总结、考核生产工作的同时,计划、布置、检查、总结、考核安全生产工作。
8 新建、改建、扩建工程是否贯彻“三同时”的原则,安全设施做到与主体工程同时设计、同时施工、同时投入生产和使用;安全设施投资是否纳入建设项目概算。
9 工作现场的安全是否经过安全风险分析、安全性评价。
10 工作现场的作业是否结合实际,运用标准化作业。
11 工作现场的安全状况是否进行科学分析,找出薄弱环节和事故隐患。
12 对分析查找出的薄弱环节和事故隐患,是否及时采取整改措施消除或防范。
13 各层次的安全生产监督体系是否充分发挥作用,加强现场安全动态监督。
填制单位:年月日序号检查内容检查情况14 现场“标准操作票”、“标准工作票”、“标准系统图”和“设备检修标准隔离措施”,是否规范、齐全、内容完整。
15 现场运行规程、检修规程、设备图纸是否与现场实际相一致,是否根据设备变化情况及时进行变更补充并确认有效。
16 是否依据行业标准、规范、反事故措施等要求,核查部门的“两措”和《发电企业防范群死群伤事故重点措施》的执行情况。
17 部门对汽机振动大、锅炉灭火、四管爆漏、锅炉结焦、保护误动等原因,是否作专题研究并制订有效的防范措施。
18 生产现场的危险区域是否设置了安全防护。
19 部门安全生产机构中的岗位设置是否合理,配备的人员数量、素质是否能满足安全工作需要。
发电厂安全检查表1 安全生产目标检查表
2 安全生产管理机构与职责检查表
3 安全生产投入与安全生产设施“三同时”检查表
4 法律法规与安全管理制度检查表
5 教育培训考评检查表
6 特种设备、强制检测设备设施管理检查表
7 隐患排查和治理检查表
8 重大危险源监控检查表
11 事故管理检查表
12 锅炉设备及系统检查表
13 化学水处理及系统检查表
14 汽轮机设备及系统检查表
15 热工控制设备及系统检查表
16 消防设施及系统检查表
17 电气设备及系统检查表
18 特种设备设施检查表
19 其他设备设施检查表。
发电厂安全检查表
1安全生产目标检查表
2安全生产管理机构与职责检查表
3安全生产投入与安全生产设施三同时”佥查表
4法律法规与安全管理制度检查表
5教育培训考评检查表
6特种设备、强制检测设备设施管理检查表
7隐患排查和治理检查表
8重大危险源监控检查表
10应急管理检查表
11 事故管理检查表
12锅炉设备及系统检查表
13化学水处理及系统检查表
14汽轮机设备及系统检查表
15热工控制设备及系统检查表
16消防设施及系统检查表
17电气设备及系统检查表
18特种设备设施检查表
19其他设备设施检查表。
电厂安全检查表1。
安全生产目标检查表
2 安全生产管理机构与职责检查表
3 安全生产投入与安全生产设施“三同时”检查表
4 法律法规与安全管理制度检查表
5 教育培训考评检查表
表6 特种设备、强制检测设备设施管理检查表
表7 隐患排查和治理检查表
表8 重大危险源监控检查表
表9 作业安全检查表
表10 应急管理检查表
表11 事故管理检查表
表14 锅炉设备及系统检查表
表15 化学水处理及系统检查表
表16 汽轮机设备及系统检查表
表17 热工控制设备及系统检查表
表18 消防设施及系统检查表
表19 电气设备及系统检查表
表20 特种设备设施检查表
表21 其他设备设施检查表。