产品生产日报表(范例B)(doc 1页)
- 格式:doc
- 大小:31.50 KB
- 文档页数:2
生产日报表模板一、基本信息日期:____年____月____日生产车间:____车间班次:____班填报人:______二、生产计划执行情况1. 生产计划产量:______(单位)实际完成产量:______(单位)完成率:______%2. 生产计划进度:计划完成工序:______(工序名称)实际完成工序:______(工序名称)进度偏差:______%三、生产质量问题1. 质量异常情况:异常现象:______原因分析:______处理措施:______2. 质量合格率:合格产品数量:______(单位)不合格产品数量:______(单位)合格率:______%四、设备运行情况1. 设备运行时间:______小时设备故障次数:______次故障处理时间:______小时2. 设备维护保养情况:保养项目:______保养时间:______保养效果:______五、人员出勤及效率1. 出勤人数:______人请假人数:______人缺勤人数:______人2. 人员效率:人均产量:______(单位/人)人均工时:______小时/人六、安全生产情况1. 安全事故:事故类型:______事故原因:______处理结果:______2. 安全检查:检查项目:______检查结果:______整改措施:______七、其他事项1. 生产过程中遇到的困难及解决办法:困难:______解决办法:______2. 需要协调解决的问题:问题:______建议:______八、物料消耗情况1. 主要原材料消耗:原材料名称:______计划消耗量:______(单位)实际消耗量:______(单位)消耗差异:______(单位)2. 辅助材料及能源消耗:材料/能源名称:______消耗量:______(单位)同比昨日:______%九、库存情况1. 原材料库存:原材料名称:______库存量:______(单位)同比昨日:______%2. 成品库存:产品名称:______库存量:______(单位)同比昨日:______%十、客户订单交付情况1. 订单编号:______订单数量:______(单位)已交付数量:______(单位)未交付数量:______(单位)2. 交付进度:计划交付日期:______实际交付日期:______交付状态:______(按时/延误)十一、部门协作情况1. 部门间协作事项:协作事项:______责任部门:______完成情况:______2. 部门间沟通反馈:沟通事项:______反馈内容:______改进措施:______十二、明日工作计划1. 生产计划:计划产量:______(单位)计划完成工序:______(工序名称)2. 工作重点:重点关注事项:______预计完成时间:______请各相关部门负责人认真审核填写内容,确保数据的真实性和准确性。
生产管理-生产日报表表格目录包装说明表(范例A) (4)包装说明表(范例B) (5)包装工作日报表 (6)包装部门日报表 (7)包装部门工作日报表 (10)包装组工作日报表 (12)包装组日报表 (16)工作日报单 (17)1工段工作日报 (20)工厂日报表 (23)全厂生产日报表 (27)工作情况日报表 (28)工作日报表(一) (30)工作日报表(二) (32)工作日报表(三) (34)生产日报表(范例A) (35)生产日报表(范例B) (36)生产金额日报表 (37)生产部门间置时间汇总表 (38)生产日报表(一) (40)生产日报表(二) (41)2生产日报表(三) (44)物料使用日报表 (46)生产部门间置时间汇总表 (49)停机故障报告单 (51)现职人员工综合日报表 (53)印刷组日报表 (55)作业日报表(范例A) (57)作业日报表(范例B) (61)作业日报表(范例C) (62)作业日报表(范例D) (65)作业日报表(范例E) (67)作业日报汇总表 (69)3包装说明表(范例A)制造单号码:预定完成日期:产品名称:交运日期:数量:箱数:商标说明:4包装说明表(范例B)客户名称:数量:制造单号码:包装日期:产品名称:交运日期:商标说明:SHIPPING MARK:SIDE MARK5包装工作日报表6包装部门日报表年月日789厂长:科长:制表:包装部门工作日报表1011包装组工作日报表日期:1.121314厂长科长组长班长15包装组日报表月日16工作日报单17181920厂长 科长线长工 段 工 作 日 报2122工厂日报表232425使用说明:工厂各单位的业绩管理,对整个经营管理而言,是非常重要的一环。
如果工厂远离总公司或分散于外地的话,工厂日报就更是重要的管理工具了。
这种日报的特色在于它对“预算与实绩”“数量与金额”两方面,都有每日合计与累计的报告。
预算与实绩的差距,愈是时日长久愈难回复,所以,必须尽早掌握原因,设法拟定解决对策才行。
生产日报表
生产日报表
时间:2022年9月30日
生产车间:
今日生产总量:4500件
产品种类及产量:
1.电饭煲:1000件
2.电磁炉:800件
3.电水壶:600件
4.电烤箱:700件
5.电压力锅:500件
生产情况:
1.今日生产车间共使用2台自动化生产线进行生产,生
产效率高;
2.生产过程中,出现了少量的废品,但我厂工人及时发现并处理,避免影响正常生产;
3.检验部门对每个产品的质量进行了抽查,所有产品的质量都符合国家标准;
4.生产车间保持了良好的生产秩序,各工种人员之间配合默契,提高了工作效率;
5.接下来的生产计划为:10月份生产量将进一步提高至5000件,同时我们将继续加强质量管理,为客户提供更优质的产品和服务。
质量检验部门:
今日生产抽查产量:200件
检验合格率:100%
注:所有抽查的产品均为各生产车间生产的产品,经过
检验后全部符合标准,没有出现任何质量问题。
下一步,我们将继续加强产品质量的管理,确保所有产品的合格率达到100%。
总结:
今日所有生产工作顺利进行,生产总量达到4500件,各
生产车间生产出来的产品经过检验无一例外全部合格。
下一步,我们将持续努力,认真履行企业社会责任,为客户提供优质的产品和服务。
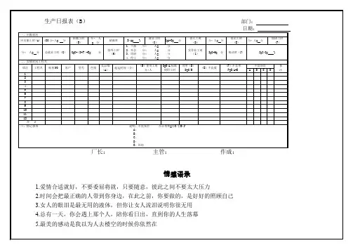
生产日报表(范例B )
部门: 班别: 月 日 生产批号 作业项目 作业人员
工作时间 工时 制造数量 每小时单位产量 预计产量 差异 时 分至 时 分 时 分至 时 分 时 分至 时 分 时 分至 时 分
时 分至 时 分
出
勤记录
男人
女人男人 女人 男人 女人 说 明
(异常处理说明)
表格说明(使用时删除):
1、该表格主要用途包含不局限于学校、公司企业、事业单位、政府机构,主要针对对象为白领、学生、教师、律师、公务员、医生、工厂办公人员、单位行政人员等。
2、表格应当根据时机用途及需要进行适当的调整,该表格作为使用模板参考使用。
3、表格的行列、文字叙述、表头、表尾均应当根据实际情况进行修改。
应到人数:
请假人数:
实到人数:。