机械振动学(第二章)-二自由度振动系统
- 格式:pdf
- 大小:1.69 MB
- 文档页数:64
《机械振动学》教学大纲一、一、课程性质和目标机械振动学是机械设计、制造及自动化专业的一门专业选修课,总学时32,学分3.2。
随着机器生产率的不断提高,导致了载荷的速度和加速度的增加,这就使得机械动力学的问题变得日益突出起来,机械动力学的一个重要组成部分机械振动同样也不会例外。
本课程就是为了适应生产实际的需要,为大学本科高年级学生开设的一门技术基础课。
本课程着重从工程实际的角度对机械振动的有关理论进行讨论,使学生在掌握基本理论的基础上,能够把工程中的实际机械抽象为力学模型,然后在正确的力学模型基础上运用已有的知识进行正确的力学分析,解决一些工程实际的问题,达到学与用的统一。
二、二、先选课程或知识理论力学、材料力学、高等数学、线性代数和相关的专业知识等。
三、三、教学内容基本要求绪论(1学时)第一章第一章单自由度系统的振动(10学时)振动系统的力学模型及自由度的概念;弹性元件的形式和刚度;振动微分方程的推导;无阻尼自由振动;固有频率的计算;粘性阻尼对自由振动的影响;无阻尼受迫振动;具有粘性阻尼的受迫振动;等效粘性阻尼的概念;单自由度系统振动的利用及振动分析;单自由度系统的减动;机械结构的动应力和动刚度的概念。
第二章第二章二自由度系统的振动(8学时)应用动静法建立方程式;应用拉格朗日方程建立方程式;振动方程的一般形式及其矩阵表示法;无阻尼二自由度系统的自由振动;无阻尼二自由度系统的受迫振动;具有粘性阻尼的二自由度系统的自由振动;具有粘性阻尼的二自由度系统的受迫振动;二自由度振动系统的利用及振动机械的振动分析;振动机械及测试机器的二次隔振;动力减振原理与动力减振器。
第三章第三章多自由度系统的自由振动(6学时)多自由度系统举例;刚度矩阵与刚度影响系数;柔度矩阵与柔度影响系数;惯性藕联和弹性藕联;固有频率与振型矩阵。
第四章第四章多自由度系统的受迫振动(3学时)无阻尼系统受迫振动的响应;多自由度系统的阻尼。
四、实践性环节基本要求25个自由度系统的计算机辅助振动分析4学时五、课程考核要求由主讲教师自定考核。
第二章单自由度系统振动§1-1 概述单自由度系统的振动理论是振动理论的理论基础。
(1)尽管实际的机械都是弹性体或多自由度系统,然而要掌握多自由度振动的基本规律,就必须先掌握单自由度系统的振动理论。
此外,(2)许多工程技术上的具体振动系统在一定条件下,也可以简化为单自由度振动系统来研究。
[举例如下:]例如:(1)悬臂锤削镗杆;(2)外圆磨床的砂轮主轴;(3)安装在地上的床身等。
[力学模型的简化方法]若忽略这些零部件中的镗杆、主轴和转轴的质量,只考虑它们的弹性。
忽略那些支承在弹性元件上的镗刀头、砂轮、床身等惯性元件的弹性,只考虑它们的惯性。
把它们看成是只有惯性而无弹性的集中质点。
于是,实际的机械系统近似地简化为单自由度线性振动系统的动力学模型。
在实际的振动系统中必然存在着各种阻尼,故模型中用一个阻尼器来表示。
阻尼器由一个油缸和活塞、油液组成。
汽车轮悬置系统等等。
[以上为工程实际中的振动系统]单自由度振动系统——指用一个独立参量便可确定系统位置的振动系统。
所有的单自由度振动系统经过简化,都可以抽象成单振子,即将系统中全部起作用的质量都认为集中到质点上,这个质点的质量m 称为当量质量,所有的弹性都集中到弹簧中,这个弹簧刚度k称为当量弹簧刚度。
以后讨论中,质量就是指当量质量,刚度就是指当量弹簧刚度。
在单自由度振动系统中,质量m、弹簧刚度k、阻尼系数C是振动系统的三个基本要素。
有时在振动系统中还作用有一个持续作用的激振力P。
应用牛顿运动定律,作用于一个质点上所有力的合力等于该质点的质量和该合力方向的加速度的乘积。
(牛顿运动定律)(达伦培尔原理)现取所有与坐标x 方向一致的力、速度和加速度为正,则:kx x C t P xm --= ωsin 0 (牛顿运动定律) (达伦培尔原理:在一个振动体上的所有各力的合力必等于零) (动静法分析:作用在振动体上的外力与设想加在此振动体上的惯性力组成平衡力系)上式经整理得,t P kx x C xm ωsin 0=++ (2.1) 该式就是单自由度线性振动系统的运动微分方程式的普遍式。
弹簧下悬挂一物体,弹簧静伸长为δ。
设将物体向下拉,使弹簧有静伸长3δ,然后无初速度地释放,求此后的运动方程。
解:设物体质量为m ,弹簧刚度为k ,则:mg k δ=,即:n ω==取系统静平衡位置为原点0x =,系统运动方程为: δ⎧+=⎪=⎨⎪=⎩00020mx kx x x (参考教材P14)解得:δω=()2cos n x t t弹簧不受力时长度为65cm ,下端挂上1kg 物体后弹簧长85cm 。
设用手托住物体使弹簧回到原长后无初速度地释放,试求物体的运动方程、振幅、周期及弹簧力的最大值。
解:由题可知:弹簧的静伸长0.850.650.2()m =-=、 所以:9.87(/)0.2n g rad s ω=== 取系统的平衡位置为原点,得到:系统的运动微分方程为:20n x x ω+=其中,初始条件:(0)0.2(0)0x x =-⎧⎨=⎩ (参考教材P14) 所以系统的响应为:()0.2cos ()n x t t m ω=-弹簧力为:()()cos ()k n mg F kx t x t t N ω===- 因此:振幅为、周期为2()7s π、弹簧力最大值为1N 。
重物1m 悬挂在刚度为k 的弹簧上并处于静平衡位置,另一重物2m 从高度为h 处自由落到1m 上而无弹跳,如图所示,求其后的运动。
<解:取系统的上下运动x 为坐标,向上为正,静平衡位置为原点0x =,则当m 有x 位移时,系统有: 2121()2T E m m x =+ 212U kx =由()0T d E U +=可知:12()0m m x kx ++= 即:12/()n k m m ω=+系统的初始条件为:⎧=⎪⎨=-⎪+⎩2020122m gx k m x gh m m (能量守恒得:221201()2m gh m m x =+) 因此系统的响应为:01()cos sin n n x t A t A t ωω=+其中:ω⎧==⎪⎨==-⎪+⎩200021122n m g A x k x m g ghk A k m m即:ωω=-2()(cos )n n m g x t t t k "一质量为m 、转动惯量为I 的圆柱体作自由纯滚动,圆心受到一弹簧k 约束,如图所示,求系统的固有频率。
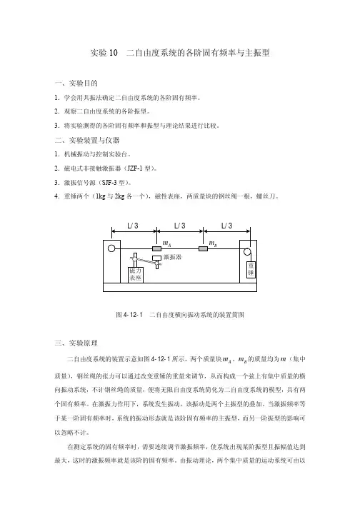
实验10 二自由度系统的各阶固有频率与主振型一、实验目的1.学会用共振法确定二自由度系统的各阶固有频率。
2.观察二自由度系统的各阶振型。
3.将实验测得的各阶固有频率和振型与理论结果进行比较。
二、实验装置与仪器1.机械振动与控制实验台。
2.磁电式非接触激振器(JZF-1型)。
3.激振信号源(SJF-3型)。
4.重锤两个(1kg 与2kg 各一个),磁性表座,两质量块的钢丝绳一根,螺丝刀。
图4-12-1 二自由度横向振动系统的装置简图三、实验原理二自由度系统的装置示意如图4-12-1所示,两个质量块、m 的质量均为m (集中质量),钢丝绳的张力可以通过改变重锤的重量来调节,从而构成一个弦上有集中质量的横向振动系统,不计钢丝绳的质量,便将无限自由度系统简化为二自由度系统的模型,具有两个固有频率。
在激振力作用下,系统发生振动,该振动是两个主振型的叠加。
当激振频率等于某一阶固有频率时,系统的振动形态就是该阶固有频率的主振型,而另一阶振型的影响可以忽略不计。
A mB 在测定系统的固有频率时,需要连续调节激振频率,使系统出现某阶振型且振幅值达到最大,这时的激振频率就是该阶的固有频率。
由振动理论,两个集中质量的运动系统可由以下方程描述:0=+KX XM &&其中质量矩阵为:mm 00=M 刚度矩阵为:21123/6/3/3/6−−=−−=L T L T L T L T L T K 位移矩阵为:21x x X =系统的一阶固有频率为:mLT 31=ω 或者 mL T f 3π211= 系统的二阶固有频率为:mLT 92=ω 或者 mL T f 9π212= 在以上各式中, =0.0045kg 为集中质量, m T 为弦丝张力(N ), =L 0.625m 为弦丝长度。
各阶主振型分别为()111++=A 以及()112−+=A ,参见图4-12-2。
(a ) (b )图4-12-2 二自由度系统的一阶主振型(a )和二阶主振型(b )四、实验方法1.将磁电式非接触激振器接入激振信号源输出端,把激振器对准其中任一个质量块,保持一定的间隙(8—10mm ),使得振动时激振器与质量块不会发生碰撞。
若用复数来表示,则有 机械振动学总结机 械 振 动 学 基 础第二节机械振动的运动学概念第三节机械振动是种特殊形式的运动。
在这运动过程中,机械振动系统将围绕其平衡位置作往复运动。
从 运动学的观点看,机械振动式研究机械系统的某些物理量在某一数值近旁随时间 t 变化的规律。
用函数关系式来描述其运动。
如果运动的函数值,对于相差常数 T 的不同时间有相同的数值,亦即可以用周期函数1来表示,则这一个运动时周期运动。
其中 T 的最小值叫做振动的周期,f 二1定义为振动的频率。
T简谐振动式最简单的振动,也是最简单的周期运动。
一、简谐振动.■, ... ■ ?. I .. ■;-.物体作简谐振动时,位移x 和时间t 的关系可用三角函数的表示为式中:A 为振幅,T 为周期,「和■■称为初相角。
如图所示的正弦波形表示了上式所描述的运动,角速度 •’称为简谐振动的角频率 简谐振动的速度和加速度就是位移表达式关于时间 t 的一阶和二阶导数,即可见,若位移为简谐函数,其速度和加速度也是简谐函数,且具有相同的频率。
因此在物体运动前 加速度是最早出现的量。
可以看出,简谐振动的加速度,其大小与位移成正比,而方向与位移相反,始终指向平衡位置。
这 是简谐振动的重要特征。
在振动分析中,有时我们用旋转矢量来表示简谐振动。
图 P6旋转矢量的模为振幅A ,角速度为角频率⑷z = Ae j(心z = Acos( t ) jAsin( t '-)用复指数形式描述简谐振动,给计算带来了很多方便。
因为复指数e j t 对时间求导一次相当于在其前乘以j ■,而每乘一次j ,相当于有初相角-2二•周期振动满足以下条件: 1)函数在一个周期内连续或只有有限个间断点,且间断点上函数左右极限存在;2)在一个周期内,只有有限个极大和极小值。
则都可展成Fourier 级数的形式,若周期为T 的周期振动函数,则有式中b n三、简谐振动的合成一、同方向振动的合成 1. 俩个同频率的简谐振动x 2 二 A 2sin( t 2) , x 2 二 A 2sin( 2t 2)它们的合成运动也是该频率的简谐振动2. 俩个不同频率振动的合成若「1—2,则合成运动为二、两垂直方向振动的合成1.同频率振动的合成如果沿x 方向的运动为沿y 方向的运动为2不同频率振动的合成对于俩个不等的简谐运动它们的合成运动也能在矩形中画出各种曲线第三节构成机械运动的基本元素构成机械振动的基本元素有惯性、 恢复性和阻尼。
机械与运载工程学院第十一讲二自由度系统强迫振动2机械与运载工程学院运动方程m 1m 2k 3k 1k 2x 1x 2P 1(t )P 2(t )k 1x 1k 2(x 1-x 2)11x m m 1P 2(t )k 2(x 1-x 2)22xm m 2k 3x 2⎩⎨⎧=+−−=−++)()()()(2332122212121111t P x k x x k x m t P x x k x k x m 运动方程:矩阵形式:⎥⎦⎤⎢⎣⎡=⎥⎦⎤⎢⎣⎡⎥⎦⎤⎢⎣⎡+−−++⎥⎦⎤⎢⎣⎡⎥⎦⎤⎢⎣⎡)()(0021213222212121t P t P x x k k k k k k x x m m3机械与运载工程学院1θk 1I 2θ2I 2θk 3θk )(1t M )(2t M 1θ11θθk 11θ I )(1t M )(212θθθ−k 22θ I )(2t M 33θθk )(122θθθ−k 1111121212222332()()()()I k k M t I k k M t θθθθθθθθθθθ⎧++−=⎪⎨+−+=⎪⎩运动方程:矩阵形式:122111122322220()0()k k k I M t k k k I M t θθθθθθθθθθ+−⎡⎤⎡⎤⎡⎤⎡⎤⎡⎤+=⎢⎥⎢⎥⎢⎥⎢⎥⎢⎥−+⎣⎦⎣⎦⎣⎦⎣⎦⎣⎦ 4机械与运载工程学院⎥⎦⎤⎢⎣⎡=⎥⎦⎤⎢⎣⎡⎥⎦⎤⎢⎣⎡+−−++⎥⎦⎤⎢⎣⎡⎥⎦⎤⎢⎣⎡)()(0021213222212121t P t Px x k k k k k k x x m m⎥⎦⎤⎢⎣⎡=⎥⎦⎤⎢⎣⎡⎥⎦⎤⎢⎣⎡+−−++⎥⎦⎤⎢⎣⎡⎥⎦⎤⎢⎣⎡)()(0021213222212121t M t M k k k k k k I I θθθθθθθθθθ 多自由度系统的角振动与直线振动在数学描述上相同如同在单自由度系统中做过的那样,在多自由度系统中也将质量、刚度、位移、加速度及力都理解为广义的。
文献综述二自由度振动系统的简单主动控制摘要:为了改善车辆的平顺性,本文建立了车辆的二自由度振动模型。
并阐述了振动主动控制中主要控制方法和策略及应用中存在的问题。
同时,介绍了国内的部分学者对振动主动控制方面的研究。
最后,并对其进行了相应的总结。
关键词:二自由度振动主动控制1引言振动主动控制主要应用主动闭环控制,其基本思想是通过适当的系统状态或输出反馈,产生一定的控制作用来主动改变被控制结构的闭环零、极点配置或结构参数,从而使系统满足预定的动态特性要求。
控制规律的设计几乎涉及到控制理论的所有分支,如极点配置、最优控制、自适应控制、鲁棒控制、智能控制以及遗传算法等。
本材料主要参考了《振动主动控制技术的研究进展》、《基于MATLAB的自整定模糊PID控制系统》等论文的相关方法。
21/4单轮车辆模型它是由车身质量ms、车轮质量mt、悬架弹簧刚度ks、车轮刚度系数kt、作动器组成。
其中,xg路面位移,Xb车身位移,Xw车轮位移。
3控制系统简介3.1独立模态空间法独立模态空间法的基本思想是利用模态坐标变换把整个结构的振动控制转化为对各阶主模态控制,目的在于直接改变结构的特定振型和刚度。
这种方法直观简便,充分利用模态分析技术的特点,但先决条件是被控系统完全可控和可观,且必须预先知道应该控制的特定模态。
3.2极点配置法极点配置法也称特征结构配置,包括特征值配置和特征向量配置两部分。
系统的特征值决定系统的动态特性,特征向量影响系统的稳定性。
根据对被控系统动态品质的要求,确定系统的特征值与特征向量的分布,通过反馈或输出反馈来改变极点位置,从而实现规定要求。
3.3最优控制最优控制方法就是利用极值原理、最优滤波或动态规划等最优化方法来求解结构振动最优控制输入的一种设计方法。
由于最优控制规律是建立在系统理想数学模型基础之上的,而实际结构控制中往往采用降阶模型且存在多种约束条件,因此基于最优控制规律设计的控制器作用于实际的受控结构时,大都只能实现次最优控制。
课程名称:机械振动学授课对象:机械工程专业本科生授课学时:16学时教学目标:1. 理解机械振动的概念、分类及其基本特性;2. 掌握单自由度、两自由度和多自由度系统的振动分析;3. 了解机械振动在工程中的应用及其危害;4. 能够运用振动学原理解决实际振动问题。
教学内容:一、绪论1. 机械振动的定义及分类2. 机械振动的基本特性3. 机械振动学的研究内容二、单自由度系统的振动1. 简谐振动及其表示2. 单自由度系统的自由振动3. 单自由度系统的受迫振动4. 系统的响应分析三、两自由度系统的振动1. 两自由度系统的自由振动2. 两自由度系统的受迫振动3. 系统的响应分析四、多自由度系统的振动1. 多自由度系统的自由振动2. 多自由度系统的受迫振动3. 系统的响应分析五、弹性体的振动1. 弹性体的自由振动2. 弹性体的受迫振动3. 系统的响应分析六、机械振动在工程中的应用1. 机械振动在机械设计中的应用2. 机械振动在结构工程中的应用3. 机械振动在噪声控制中的应用七、机械振动的危害及控制1. 机械振动的危害2. 机械振动的控制方法3. 振动监测与故障诊断教学方法和手段:1. 讲授法:结合实例,深入浅出地讲解机械振动学的基本概念、原理和方法;2. 讨论法:组织学生讨论机械振动在工程中的应用及其危害,培养学生的分析和解决问题的能力;3. 案例分析法:选取典型工程案例,引导学生分析振动问题,提高学生的实际应用能力;4. 多媒体教学:利用PPT、视频等媒体,形象生动地展示振动现象和振动分析方法。
教学进度安排:第1-2学时:绪论第3-4学时:单自由度系统的振动第5-6学时:两自由度系统的振动第7-8学时:多自由度系统的振动第9-10学时:弹性体的振动第11-12学时:机械振动在工程中的应用第13-14学时:机械振动的危害及控制第15-16学时:总结与复习考核方式:1. 平时成绩:占30%,包括课堂表现、作业完成情况等;2. 期中考试:占30%,测试学生对机械振动学基本概念、原理和方法的掌握程度;3. 期末考试:占40%,测试学生对振动学知识的综合运用能力。