KYN61-40[1].5KV开关柜说明书
- 格式:doc
- 大小:551.00 KB
- 文档页数:19
KYN61-40.5交流铠装移开式开关柜安装使用维护手册江苏东能电力科技有限公司目录1 概述................................................................................... 错误!未定义书签。
1.1 概要.......................................................................... 错误!未定义书签。
1.2 标准和规范.............................................................. 错误!未定义书签。
1.3 使用环境条件.......................................................... 错误!未定义书签。
2 技术参数........................................................................... 错误!未定义书签。
2.1 电气参数.................................................................. 错误!未定义书签。
2.2 外型尺寸和重量...................................................... 错误!未定义书签。
2.2.1 配VD4/VG1-40.5真空断路器...................... 错误!未定义书签。
3 KYN61-40.5的结构 ......................................................... 错误!未定义书签。
3.1 基本结构(图1) ........................................................ 错误!未定义书签。
华核电气股份有限公司KYN61-40.5户内交流金属铠装移开式开关设备华核电气股份有限公司1.概述KYN61-40.5型交流金属铠装移开式开关设备(后简称开关设备),系三相交流50Hz、额定电压40.5KV的户内成套配电装置。
主要应用于发电厂、变电所及工矿企事业、高层建筑的配电中作为接受和分配电能之用,并对电路实行控制、保护和监测。
满足GB3906、DL/T404等标准要求,并具备完整的“五防”功能。
型号含义2. 性能指标GB3906 《3.6kV~40.5kV 交流金属封闭开关设备和控制设备》GB/T 11022 《高压开关设备和控制设备标准的共用技术要求》IEC 60298 《3.6kV~40.5kV 交流金属封闭开关设备和控制设备》DL/T404 《3.6KV~40.5KV交流金属封闭开关设备和控制设备》3. 使用环境条件3.1正常使用条件(1) 海拔高度:不超过1000m;(2) 环境温度:上限为+40℃,且24h内侧得的平均值不超过35℃,下限为-10℃;(3) 相对湿度:日平均值不大于95%;月平均值不大于90%;(4) 地震烈度:不超过8度;(5) 周围环境:无火灾、爆炸危险、严重污秽、化学腐蚀及剧烈震动的场所。
3.2特殊使用条件在超过GB/T11022规定的正常环境条件下使用时,由用户和本公司协商。
为防止凝露现象,开关设备设有加热器。
当开关设备处于备用状态时即应投入使用,开关设备在正常运行时如有凝露时也应投入使用。
4. 产品特点(1) 适用性广,易实现各种方案,满足不同用户的需求;(2) 手车互换性好,在柜内移动省力且平稳;(3) 良好的主回路绝缘,使开关设备结构紧凑,节约占地面积;(4) 实现高压室门关闭的情况下进行开关的各种操作;(5) 电缆室空间充裕,可连接多根电缆;(6) 可靠的接地开关操作,使开关设备的检修工作更为安全;(7) 完全的金属铠装封闭,关门时的外壳防护等级IP4X,手车室门打开状态下的防护等级IP2X,有效地保证了人身安生。
KYN61-40.5KV高压开关柜技术响应说明一、总则:我公司生产的KYN61型金属铠装移动开关柜柜,经过公司技术人员多年的按照用户的使用情况,及市场的要求进行了改进,并重新进行了型式试验,使改进后KYN61型金属铠装移动开关柜柜的具有较高的技术性能指标,能够适应电力市场发展需要,有很高的性价比,广泛应用于发电厂、石化、冶金、纺织、交通、高层建筑等配电系统;二、设备可适用环境1、环境温度:-10℃~+45℃(24小时内其平均温度不高于+35℃)2、海拔高度:≤1800m3、最大相对湿度:日平均:95%(25℃) 月平均:90%(25℃)4、地震烈度:不超过8度水平加速度0.2g,垂直加速度0.1g。
5、安装地点:户内,无爆炸危险介质,且介质中无足以腐蚀金属和破坏绝缘的气体和尘埃。
6、污秽等级:III级三、适用的技术标准和规范:GB3906 《3—35KV交流金属封闭开关设备》GB311.1 《高压输变电设备的绝缘配合》GB311.2~311.6 《高电压试验技术》GB5582 《高压电力设备外绝缘污秽等级》GB11022 《高压开关设备通用技术条件》GB1984 《交流高压断路器》GB191 《包装贮运标志》GB5273 《变压器、高压电器及套管的接成端子》GB1985 《交流高压隔离开关和接地开关》GB1207 《电压互感器》GB1208 《电流互感器》GB11032 《交流无间隙金属氧化物避雷器》GB8287 《高压支柱瓷绝缘子》GB/T16927.1 《高压试验技术》GB7354 《局部放电测量》DL/T404 《户内交流高压开关柜订货技术条件》DL/T593 《高压开关设备的共用订货技术导则》DL/T11022 《高压开关设备通用技术条件》DL403 《10~35千伏户内高压真空断路器订货技术条件》GB3309 《高压开关设备常温下的机械试验》GB763 《交流高压电器在长期工作时的发热》GB2421 《电工电子产品基本环境试验规程》GB2706 《交流高压电器动、热稳定试验方法》IEC298 《额定电压1-52kV交流金属封闭开关设备和控制设备》GBJ6 《机械工厂电力设计规范》GB500 《10kV及以下变电所设计规范》GB50052 《供配电系统设计规范》GB50524 《工业及民用电力装置接地设计规范》GB50150 《电气装置安装工程、安装设备交接试验规程》GB/T4109 《高压套管技术条件》GB/T16927.1 《高电压试验技术》四、主要技术参数五、结构特点:柜体1、柜体采用2mm厚的敷铝锌钢板,外壳防护等级为IP4X。
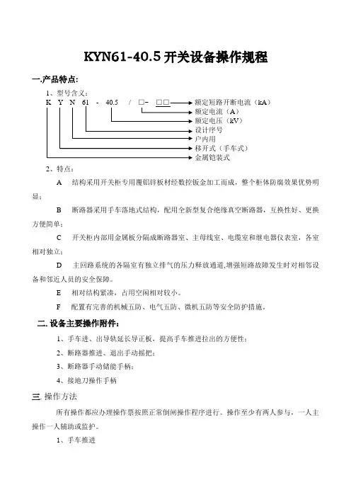
KYN61-40.5开关设备操作规程一.产品特点:1、型号含义:额定短路开断电流(kA)额定电流(A)额定电压(kV)设计序号户内用移开式(手车式)金属铠装式2、特点:A 结构采用开关柜专用覆铝锌板材经数控钣金加工而成,整个柜体防腐效果优势明显;B 断路器采用手车落地式结构,配用全新型复合绝缘真空断路器,互换性好、更换方便简单;C 开关柜内部用金属板分隔成断路器室、主母线室、电缆室和继电器仪表室,各室相对独立;D 主回路系统的各隔室有独立排气的压力释放通道,增强短路故障发生时对相邻设备和邻近人员的安全保障。
E 相对结构紧凑,占用空闲相对较小。
F 配置有完善的机械五防、电气五防、微机五防等安全防护措施。
二.设备主要操作附件:1、手车进、出导轨延长导正板,提高手车推进拉出的方便性;2、断路器推进、退出手动摇把;3、断路器手动储能手柄;4、接地刀操作手柄三.操作方法所有操作都应办理操作票按照正常倒闸操作程序进行。
操作至少有两人参与,一人主操作一人辅助或监护。
1、手车推进手车推进前确认手车、开关柜及系统正常,接地刀处于合位,后门正常关闭。
按照如下步骤操作:解柜体各锁具正确摆放导轨延长导正板确认地刀连锁杆(如有)处于缩进状态轻推手车将前轮对正引导板导轨双手抓手车定位销拉动把手向中间轻拉使手车定位销缩进主操作人用肩轻扛手车前面板推进手车手车进位后松开手车定位销拉动把手使定位销插进柜体立柱对应孔内安装好二次航空插头关闭开关柜门观察状态指示正常(如只需冷备用至此恢复各锁具完成操作,如需热备用或投入运行则继续如下步骤)分闸接地刀(将地刀操作手柄插入地刀操作孔向逆时针方向旋转,听到地刀分闸声即可,然后拔出操作手柄)地刀连锁机构手柄向右拨出到位摇进手车(按压操作孔活门插入摇把顺时针摇动至摇把空转结束取下手柄)观察状态指示正常手车推进工作结束2、合闸操作合闸操作可远方(后台电脑处),可就地进行。
下面介绍就地合闸步骤:本开关站断路器均采用自动储能设计,手车二次插件安装前若处于释能则装上二次插件断路器自动储能。
1、概述1.1本技术描述中的所有的技术内容,技术参数,采用的标准及所选用的设备和材料符合招标书的要求。
1.2本技术描述根据本公司多年的制造经验和本公司的先进技术作出。
2、基本依据2.1所有设备的制造、测试和安装均采用中国国家标准,同时满足相应的IEC标准,主要标准号如下:GB11022 《高压开关设备通用技术条件》GB3906 《3~35KV交流金属封闭开关设备》IEC298 《额定电压1KV以上52KV及以下的交流金属封闭开关设备和控制设备》IEC694 《高压开关设备和控制设备标准的共用条款》IEC60056 《高压交流断路器》GB1985-89 《交流高压隔离开关和接地开关》IEC60529 《外壳防护等级国际防护等级代码》GB763-90 《交流高压电器在长期工作时的发热》B311.1-1997 《高压输电设备的绝缘配合》GB/T16927-1997《高压试验技术》DL/T1620-1997 《交流电气装置的过电压保护和绝缘配合》GB1408-89 《固体绝缘材料工频电气强度的试验方法》GB2706-89 《交流高压电器动热稳定试验方法》GB3309-89 《高压开关设备常温下的机械试验方法》GB/7534-87 《局部放电测量》DL/T404-1997 《户内交流高压开关柜订货技术条件》《电力设备交接和预防性试验规程》2000版3、高压开关柜技术参数3.1环境条件3.1.1周围环境温度上限+40℃下限-10℃3.1.2海拔不超过1000m3.1.3环境温度:月平均相对湿度不大于90%日平均相对湿度不大于95%3.1.4地震烈度及加速度不大于8度3.1.5适用于Ⅲ级污秽场所4、系统参数4.1系统标称电压:35KV4.3额定频率:50HZ4.4系统接地方式:不接地5、技术参数5.1断路器技术参数5.1.1开关柜采用ZN85-40.5断路器,断路器配宝光陶瓷真空灭弧室。
5.1.2 ZN85-40.5断路器技术参数:5.2 开关柜的技术参数5.2.1开关柜为KYN61—40.5金属铠装移开式封闭开关柜。
KYN61-40.5(Z)型铠装移开式交流金属封闭开关柜使用说明书襄樊金恒电气有限公司二0一0年目 录一. 概述 (3)二. 使用环境条件 (3)三. 结构特点 (3)四. 技术参数 (4)4.1 开关柜技术参数 (4)4.2 ZN85-40.5(3AV3)真空断路器技术参数 (5)4.3 JN□-40.5/31.5型接地开关技术参数 (6)五. 开关柜结构 (6)六. 防止误操作联锁装置 (10)七. 接地装置 (11)八. 泄压装置 (11)九. 电压显示装置 (11)十. 防凝露措施 (12)十一. 无接地开关的断路器柜的操作 (12)十二. 有接地开关的断路器柜的操作 (13)十三. 隔离柜的操作 (14)十四. 设备的安装 (14)十五. 设备加电前检测 (15)十六. 操作试验 (17)十七. 日常维护 (18)十八. 包装运输与储藏 (19)十九. 随机文件及清单 (19)KYN61-40.5型铠装移开式交流金属封闭开关设备KYN61-40.5 type indoor a.c metal-clad enclosed switchgear 一. 概述型铠装移开式交流金属封闭开关柜(以下简称开关柜)系三相交流50Hz,额定电压40.5kV的户内成套配电装置。
作为发电厂.变电站及工矿企业接受和分配电能之用,对电路起到控制。
保护和检测等功能,还可用于频繁操作的场所。
本开关柜符合GB/T11022-1999.GB 3906-1991及DL404-1997等标准。
二. 使用环境条件1. 环境温度: 上限+40℃,且24小时内测得的平均值不超过35℃,下限-15℃。
2. 海拔高度: 海拔不超过1000m。
3. 相对湿度: 日平均值不超过95%, 月平均值不超过90%。
4. 地震烈度: 不超过8度。
5. 水蒸气压力: 日平均值不超过2.2kPa,月平均值不超过90%。
三. 结构特点1. 采用热缩绝缘材料及环氧涂覆绝缘工艺,优化电极形状,柜体结构紧凑,缩小占地面积;2. 开关柜体选用敷铝锌板经数控钣金加工成形后通过高强度螺栓螺母和铆螺母连接而成,构件表面采用喷塑或镀锌工艺。
KYN61-40.5 交流铠装移开式开关柜安装使用维护手册江苏东能电力科技有限公司目录1 概述 (2)1.1 概要 (2)1.2 标准和规范 (2)1.3 使用环境条件 (2)2 技术参数 (2)2.1 电气参数 (2)2.2 外型尺寸和重量 (2)2.2.1 配VD4/VG1-40.5真空断路器 (2)3 KYN61-40.5 的结构 (4)3.1 基本结构(图1) (4)3.2 外壳和分隔(图1, 图2, 图3) (4)3.3 手车室(图2) (4)3.4 可移开单元(图3) (4)3.5 机械联锁/ 防止误操作(图3, 图6, 图7) (4)4 运输及存放 (10)4.1 出厂条件 (10)4.2 包装 (10)4.3 运输(图8) (10)4.4 交货及中间存储 (10)5 现场安装 (11)5.1 现场要求 (11)5.2 安装基础形式(图9) (11)5.3 柜体安装(图8) (12)5.4 接地(图2 和图3) (12)5.5 安装后的检查 (13)6 KYN61-40.5 的操作 (13)6.1 投入使用 (14)6.1.1 准备工作(图1,图2,图3,图4,图7) (14)6.1.2 启动 (14)6.2 操作开关 (15)6.2.1 可移开单元用VD4/VG1-40.5断路器(图1,图2,图3,图7) (15)6.2.2 断路器(图7) (15)6.2.3 接地开关(图6) (15)7 维护 (16)7.1 目的 (16)7.2 一般要求 (16)7.3 检查与维护 (16)7.3.1 检查 (16)7.3.2 维护 (16)7.3.3 维修 (17)7.4 测试(图1,图2,图6) (17)7.4.1 测试断路器抽出式单元 (17)7.4.2 测试联锁功能 (17)1 概述1.1 概要KYN61-40.5 是一种高品质的并已通过型式试验认证的空气绝缘开关柜(以下简称开关柜)。
KYN61-40.5型铠装移开式交流金属封闭开关设备配移开式ZN85-40.5(3AV3)型真空断路器SF型和FP系列六氟化硫断路器KYN61-40.5铠装移开式交流金属封闭开关设备(以下简称开关柜)适用于三相交流50Hz、40.5kV单母线及单母线分段电力系统,主要应用与发电厂、变电站及工矿企业、高层建筑的变配电中作为接受和分配电能之用,并对电路起到控制、保护和检测,满足IE20698、GB3906、DL404等标准的要求。
并具备完善的“五防”功能。
1 使用条件1.1海拔高度:海拔不超过2000米;1.2环境温度:上限为+40℃,且24h下限为-15℃;1.3相对湿度:日平均值不大于95%,月平均值不大于90%;1.4地震烈度:不超过8度;1.5没有火灾爆炸危险:没有剧烈振动及化学腐蚀等严重污秽的场所。
2 特点2.1采用热缩绝缘材料及环氧涂覆的绝缘手段,优化电极形状,归体结构紧凑,缩小占地面积;2.2 开关柜柜体选用优质冷轧钢板或进口敷铝锌板经数控板金加工成型后,通过高强度螺栓螺母和铆螺母连接而成,一般构件表面采用喷塑和镀锌工艺; 2.3可配用国产ZN85-40.5(3AV3)真空断路器和法国施耐德SF1、SF2型及阿尔斯通FP系列六氟化硫断路器,以满足不同用户的要求;2.4开关柜各功能小室均采用金属板封隔,并设有独立的压力释放通道;2.5断路器、接地开关等操作均可在开关柜门关闭的情况下进行,即可实现关门操作;2.6开关柜的结构适应性强,主接线方案可以达到160种以上,能满足不同用户的需要;2.7手车、断路器,接地开关和后柜门之间设有防止误操作的机械连锁装置,“五防”功能齐全,安全可靠。
3 技术参数3.1开关柜技术参数 序 号 项 目单 位参 数 1 额定电压kV 40.5 2 额定频率Hz 50 3 主母线额定电流A 1250,1600,2000,2500 4 分支母线额定电流A 630,1250,1600,2000 相间、相对地一次隔离断口1min 工频耐受电压(有效值)95 115 雷电冲击耐受电压(峰值)kV 185 215 5 额定绝缘水平 辅助控制回路1min 工频耐受电压V 2000 6 额定短路开断电流kA 25,31.5 7 额定短路关合电流(峰值) kA63,80 8 额定短时耐受电流(4s) kA25,31.5 9 额定峰值耐受电压 kA63。
K Y N61操作规程KYN61-40.5开关设备操作规程一.产品特点:1、型号含义:K Y N 61 - 40.5 / □- □□kA)额定电压(kV)设计序号户内用移开式(手车式)金属铠装式2、特点:A 结构采用开关柜专用覆铝锌板材经数控钣金加工而成,整个柜体防腐效果优势明显;B 断路器采用手车落地式结构,配用全新型复合绝缘真空断路器,互换性好、更换方便简单;C 开关柜内部用金属板分隔成断路器室、主母线室、电缆室和继电器仪表室,各室相对独立;D 主回路系统的各隔室有独立排气的压力释放通道,增强短路故障发生时对相邻设备和邻近人员的安全保障。
E 相对结构紧凑,占用空闲相对较小。
F 配置有完善的机械五防、电气五防、微机五防等安全防护措施。
二.设备主要操作附件:1、手车进、出导轨延长导正板,提高手车推进拉出的方便性;2、断路器推进、退出手动摇把;3、断路器手动储能手柄;4、接地刀操作手柄三.操作方法所有操作都应办理操作票按照正常倒闸操作程序进行。
操作至少有两人参与,一人主操作一人辅助或监护。
1、手车推进手车推进前确认手车、开关柜及系统正常,接地刀处于合位,后门正常关闭。
按照如下步骤操作:解柜体各锁具正确摆放导轨延长导正板确认地刀连锁杆(如有)处于缩进状态轻推手车将前轮对正引导板导轨双手抓手车定位销拉动把手向中间轻拉使手车定位销缩进主操作人用肩轻扛手车前面板推进手车手车进位后松开手车定位销拉动把手使定位销插进柜体立柱对应孔内安装好二次航空插头关闭开关柜门观察状态指示正常(如只需冷备用至此恢复各锁具完成操作,如需热备用或投入运行则继续如下步骤)分闸接地刀(将地刀操作手柄插入地刀操作孔向逆时针方向旋转,听到地刀分闸声即可,然后拔出操作手柄)地刀连锁机构手柄向右拨出到位摇进手车(按压操作孔活门插入摇把顺时针摇动至摇把空转结束取下手柄)观察状态指示正常手车推进工作结束2、合闸操作合闸操作可远方(后台电脑处),可就地进行。
华核电气股份有限公司KYN61-40.5户内交流金属铠装移开式开关设备华核电气股份有限公司1.概述KYN61-40.5型交流金属铠装移开式开关设备(后简称开关设备),系三相交流50Hz、额定电压40.5KV的户内成套配电装置。
主要应用于发电厂、变电所及工矿企事业、高层建筑的配电中作为接受和分配电能之用,并对电路实行控制、保护和监测。
满足GB3906、DL/T404等标准要求,并具备完整的“五防”功能。
型号含义2. 性能指标GB3906 《3.6kV~40.5kV 交流金属封闭开关设备和控制设备》GB/T 11022 《高压开关设备和控制设备标准的共用技术要求》IEC 60298 《3.6kV~40.5kV 交流金属封闭开关设备和控制设备》DL/T404 《3.6KV~40.5KV交流金属封闭开关设备和控制设备》3. 使用环境条件3.1正常使用条件(1) 海拔高度:不超过1000m;(2) 环境温度:上限为+40℃,且24h内侧得的平均值不超过35℃,下限为-10℃;(3) 相对湿度:日平均值不大于95%;月平均值不大于90%;(4) 地震烈度:不超过8度;(5) 周围环境:无火灾、爆炸危险、严重污秽、化学腐蚀及剧烈震动的场所。
3.2特殊使用条件在超过GB/T11022规定的正常环境条件下使用时,由用户和本公司协商。
为防止凝露现象,开关设备设有加热器。
当开关设备处于备用状态时即应投入使用,开关设备在正常运行时如有凝露时也应投入使用。
4. 产品特点(1) 适用性广,易实现各种方案,满足不同用户的需求;(2) 手车互换性好,在柜内移动省力且平稳;(3) 良好的主回路绝缘,使开关设备结构紧凑,节约占地面积;(4) 实现高压室门关闭的情况下进行开关的各种操作;(5) 电缆室空间充裕,可连接多根电缆;(6) 可靠的接地开关操作,使开关设备的检修工作更为安全;(7) 完全的金属铠装封闭,关门时的外壳防护等级IP4X,手车室门打开状态下的防护等级IP2X,有效地保证了人身安生。
KYN61-40.5交流铠装移开式开关柜安装使用维护手册江苏东能电力科技有限公司目录1 概述 (2)1.1 概要 (2)1.2 标准和规范 (2)1.3 使用环境条件 (2)2 技术参数 (2)2.1 电气参数 (2)2.2 外型尺寸和重量 (2)2.2.1 配VD4/VG1-40.5真空断路器 (2)3 KYN61-40.5的结构 (4)3.1 基本结构(图1) (4)3.2 外壳和分隔(图1, 图2,图3) (4)3.3 手车室(图2) (4)3.4 可移开单元(图3) (4)3.5 机械联锁/防止误操作(图3,图6,图7) (4)4 运输及存放 (10)4.1 出厂条件 (10)4.2 包装 (10)4.3 运输(图8) (10)4.4 交货及中间存储 (10)5 现场安装 (11)5.1 现场要求 (11)5.2 安装基础形式(图9) (11)5.3 柜体安装(图8) (12)5.4 接地(图2和图3) (12)5.5 安装后的检查 (13)6 KYN61-40.5的操作 (13)6.1 投入使用 (14)6.1.1 准备工作(图1,图2,图3,图4,图7) (14)6.1.2 启动 (14)6.2 操作开关 (15)6.2.1 可移开单元用VD4/VG1-40.5断路器(图1,图2,图3,图7) (15)6.2.2 断路器(图7) (15)6.2.3 接地开关(图6) (15)7 维护 (16)7.1 目的 (16)7.2 一般要求 (16)7.3 检查与维护 (16)7.3.1 检查 (16)7.3.2 维护 (16)7.3.3 维修 (17)7.4 测试(图1,图2,图6) (17)7.4.1 测试断路器抽出式单元 (17)7.4.2 测试联锁功能 (17)1 概述1.1 概要KYN61-40.5是一种高品质的并已通过型式试验认证的空气绝缘开关柜(以下简称开关柜)。
1.2 标准和规范KYN61-40.5满足IEC298、GB3906、DL404等标准的要求。
KYN61-40.5型铠装移开式交流金属封闭开关设备KYN61-40.5 type indoor a.c metal-clad enclosed switchgear配移开式ZN95-40.5(3AV3)型和SF型和FP系列六氟化硫断路器With moved ZN95-40.5(3AV3) 、SF and FP series SF6 breaker一.概述GeneralKYN61-40.5 type indoor a. c metal-clad enclosed switchgear ( abbr.Switchgear hereinafter) is a complete set of the latest indoor electric distribution equipment produced by Shenyang Haocen Electric Co., Ltd. It is applied to three-phase a.c distribution single busbar sectionalizing system with rated voltage of 40.5KV,50HZ,indoor electric distribution equipment. Becoming recognized more and more widely, it has been used in many industries such as power plant, metallurgy, and chemical industry. KYN61-40.5 comply with the standards GB/T11022-1999.GB3906-1991 and DL404-1997 .型铠装移开式交流金属封闭开关柜(以下简称开关柜)系三相交流50Hz,额定电压40.5kV的户内成套配电装置.作为发电厂.变电站及工矿企业接受和分配电能之用,对电路起到控制.保护和检测等功能,还可用于频繁操作的场所.本开关柜符合GB/T11022-1999.GB3906-1991及DL404-1997等标准.二.使用环境条件normal service condition1. Ambient temperature:Maximum +40℃~-15℃the average temperature within 24 hours ambient temperature shall not be greater than +35℃, the lowest ambient temperature shall not be smaller than -15℃环境温度: 上限+40C,且24小时内测得的平均值不超过35C,下限-15C.2. Height above sea level shall not exceed 1000m海拔高度: 海拔不超过1000m3. humidity : the average relative humidity should not exceed 90% withina day.The average relative humidity should not exceed 95% within a month.相对湿度: 日平均值不超过95%, 月平均值不超过90%.4. earthquake intensity should not be greater than 8 degrees.地震烈度: 不超过8度5.the vapor pressure should not exceed 2.2kPa within a day.The vapor pressure should not exceed 90% within a month.水蒸气压力: 日平均值不超过2.2kPa,月平均值不超过90%.三.Structure features结构特点1.The thermal shrinkage insulating material and epoxy-coatedinsulating process is used. The electrode shape is optimized. The structure of cabinet body is compact and the floor area is reduced.采用热缩绝缘材料及环氧涂覆绝缘工艺,优化电极形状,柜体结构紧凑,缩小占地面积;2. For the switch cabinet body, the high-grade cold rolled steel plate is formed by the NCsheet metal processing and then it is connected by the high –strength bolt and nut as well as riveting nut. For the surface of structural member, the plastic spraying or galvanizing process is adopted. 开关柜体选用冷轧钢板经数控钣金加工成形后通过高强度螺栓螺母和铆螺母连接而成,构件表面采用喷塑或镀锌工艺.3. it can be equipped with the homemade ZN85-40.5(3AV3) vacuum circuit breaker and French Schneider SF1 and SF2 model as well as Alston FP series of sulfur hexafluoride circuit breaker to meet the demands of different clients系列六氟化硫断路器,以满足不同用户的要求.;4. The metal partition is used to separate among every funcking 开关柜各功能小室均采用金属隔板封隔,并设有独立的压力释放通道;5. the circuit breaker and earthing switch are operated at the high voltage compartment door of closed .断路器.接地开关等操作均可在柜门关闭情况下进行,即可实现关门操作.7. all the interlocking between the main circuit breaker, the hand cart and the cubicle door are of mandatory mechanical locking means and can satisfy the requirements of five prevention.手车.断路器.接地开关和后柜门之间设有防止误操作的机械联锁装置,”五防”功能齐全,安全可靠.四. T echnical parameter技术参数1. 开关柜技术参数序号项目单位参数1 额定电压Rated voltage kV 40.52 额定频率all the interlocking between Hz 503 主母线额定电流Main busbar rated current A 1250,1600,20004 分支母线额定电流Branchal busbar rated current A 630, 1250, 1600额定1min 工频耐受电压(有效值)Rated power-frequency withstand voltage (1min)kV 相间.相对地一次间隔断口绝缘95 1155. 水平雷电冲击耐受电压(峰值)Rated lightening impulse withstand voltagekV 185 215辅助控制回路1min 工频耐受电压V 2000Rated voltage of aux. control circuit6. 额定短路开断电流kA 25 , 31.5Rated short time breaking current7 额定短路关合电流(峰值) kA 63.80Rated short time msking current8. 额定短时耐受电流(4S) kA 25, 31.5Rated short time withstand current9 额定峰值耐受电流kA 63.8Rated peak withstand current10 辅助控制回路额定电压V -110 ~220 -220Rated voltage of aux. control circuit11 防护等级IP4X for enclose 外壳Protective class隔室间.断路器门打开时IP2XIP2x for each compartment12. 外形尺寸(宽x深x高) mm 1400x2800(3000)x2800( *包括内数字为SF6手车方案) 13 重量kg 约2300weight2. ZN95-40.5(3AV3)真空断路器技术参数technical parameter ofZN95-40.5(3AV3)vacuum circuit braker序号no. 单位unit sepcification 参数1.额定电压Rated voltage kV 40.52.额定频率Rated frequency3.额定绝工频耐受电压(有效值) power withstand (rms)954.Rated insulated loevel缘水平雷电冲击耐受电压(峰值) kV 185 Rated switching (Lighting) impul s e wi t hstand voltage((peak)5.额定电流rated current A630,1250,1600,20006.额定短路开断电流kA 25, 31.5Rated short-circuit breaking current7.额定短路关合电流kA 63.80Rated short-circuit making current8.额定短时耐受电流(4S) kA 25,9.Rated short time withstand current10.额定峰值耐受电流kA 63.80Rated peak wi t hstand current11.额定电容器组开断电流 A 630Rated capacitor bank breaking current12.额定短路开断电流开断次数次20Rated short circuit breaking times13.额定操作顺序Rated operating sequence0-0.3-CO-180S-CO14.分闸时间ms 35~60Opening time15.合闸时间ms 45~100Closing time16.机械寿命次10000Mechanical life17.触头开距mm 20±2Clearance between contacts18.超行程mm 6±2Distance over travel19.触头允许磨损累积厚度mm 3Wearing for contract permitted20.平均合闸速度m/S 0.5~0.8Average closed speed21.平均分闸速度m/S 1.6~2.0 Average trip speed22.触头合闸弹跳时间ms ≤2Time of contract closed23.三相触头分闸不同期ms ≤2Non synchronous of 3-phase contacts trip24.三相触头合闸不同期ms ≤2Non synchronous of 3-phase contacts closed25.每相回路直流电阻μΩ≤50DC resistance for each circuit26.合闸状态额定触头弹簧压力N 3100±Rated contacts spring pressure at closed20027.相间中心距mm 300Center distance between phase3. FP40系列六氟化硫断路器技术参数technical parameter ofFP40series of SF6 circuit breaker绝缘水平最高工开断作电压冲击工频耐压电流耐压50Hz kAkV KVP kV1min 400 630 800 1250 1600 2000 2500 315040.5 185 95 12.5 FP4012A FP4012B FP4012C FP4012D16 FP4016B FP4016C FP4016D FP4016E20 FP4020C FP4020D FP4020E FP4020F FP4020G FP4020H25 FP4025C FP4025D FP4025E FP4025F FP4025G FP4025H31.54. 施耐德SF型六氟化硫断路器技术参数序号项目单位参数1.额定电压kV 40.52.额定绝(工频耐受电压) kV 95缘水平雷电冲击耐压(峰值) kV 1853.额定电流 A 630,1250,1600,20004.额定短路开断电流kA 25, 31.55.额定短路关合电流kA 63.806.额定短时耐受电流(3S) kA 25, 31.57.额定峰值耐受电流kA 63.808.额定电容器组开断电流 A 440, 875, 17509.额定短路开断电流开断次数次2010.额定操作顺序0-0.3-CO-180S-CO11.分闸时间ms 45±412.合闸时间ms 68±413.机械寿命次100005. LZZQJ9-35C型电流互感器技术参数额定一次电流准确级相应准确级下的额定输出额定短时耐受电流额定峰值耐受电流Rated primary current a ccuracy class rated output rated short time withstand current rated peak withstand current( A) 组合combine 0.2 0.5 10p10 10p15 10p20 (1S有效值rms)(KA) (有效值rms)(KA)30~100 0.2/10P10 15 30 50 30 20 150 lin 375lin150 0.2/10P15 15 30 50 30 20 31.5 80200 0.2/10P20 15 30 50 30 20 44.5 80300~500 0.5/10P10 15 30 50 30 20 54.5 80600~800 0.5/10P15 30 50 50 40 30 63 801000~2000 0.5/10P20 40 50 50 50 30 80 1006. LDBJ8-40.5型环氧树脂浇注全封闭触头盒式电流互感器技术参数epoxy resin casting whole sealed contacts box type CT主要技术参数;额定绝缘水平: 95/185kV表面爬距: 830 mm额定二次电流: 5A(或2A,1A)局部放电量: ≤20PC准确级次: 0.2S. 0.2. 0.5. 10P10. 10P15. 10P20额定一次电流准确级组合与相应的额定输出(VA) 额定短时耐受电流额定峰值耐受电流(A)0.2/10P10 0.5/10P10 0.2/0.5 10P10/10P10 (Is有效值)(kA) (有效值)(kA)5~300 1`0/30 20/30 10/20 20/20 150lin 375lin400~500 10/40 15/40 10/15 25/25 63 130600~800 20/50 30/50 20/30 30/30 63 1301000~1600 30/50 50/50 30/50 40/40 80 1802000~3150 40/50 50/50 40/50 50/50 100 1807. JN□-40.5/31.5型接地开关技术参数earthing switch序号名称单位参数1 额定电压kV 40.52 额定绝雷电冲击耐压(峰值) kV 95缘水平1min工频耐受电压kV 853 额定短时耐受电流(4S) kA 31.54 额定峰值耐受电流(峰值) kA 805 额定短路关合电流(峰值) kA 80五. 开关柜结构KYN61-40.5 structure1. 结构structureKYN61-40.5型金属封闭开关设备主要由柜体和断路器手车两大部分组成.柜体分为断路器室(也称手车室),母线室,电缆室和继电器仪表室等四个单独隔室.外壳防护等级为IP4X,断路器门打开时防护等级为IP2X,断路器手车由断路器和底盘车两部分构成.并具有电缆进出线.架空进出线.联络.计量.隔离及其他功能方案.The switchgear consists of a fixed body and the withdrawable parts(the handcarts), the body is of assembly type structure and is assembled by the bolts. the fixed body is divided into a busbar compartment, a CB compartment, a cable compartmentand an instrument compartment by the baffle plates. The protection grade of the enclosure is IP3X, and that of the compartment is IP2X, further more, all the metal parts reliably connect ground, and each compartment of the main circuit system has a pressure releasing passage with independent exhaust. 2. 柜体柜体是选用优质冷轧钢板或敷铝锌板经过数控钣金设备加工折弯形成,通过高强度螺栓.螺母(8.8级)或拉铆螺母组装而成.柜体各构件采用喷塑或表面镀锌工艺,这样使柜体不仅具有很高的精度,而且与同类设备相比具有重量轻,机械强度高,外形美观的特点.同时由地采用了组装式结构使零.部件通用性强.加工周期短,生产占地面积小.可以根据订货情况便捷地组织生产.Cabinet bodyThe cabinet body is made from the high-grade cold-cooled steel plate or aluminized zinc plate. It is assembled through the high-strength bolt and nut (grade 8.8) or riveted nut after the plate is machined and bent as well as formed by the NC sheet metal equipment. For every structural member of cabinet body, the plastic-spraying or surface galvanizing process is used. Therefore, the cabinet body not only has the very high height but also it can have such features as lightweight and high mechanical strength as well as beautiful appearance comparing with the similar equipment. At same time, there are such features as strong versatility, short machining period, small floor area for production of component because the assembly-type structure is adopted. The production can be organized conveniently depending on the ordering condition.1.手车室T ruck compartment2.二次插头Secondary plug3.断路器手车(ZN95或SF6) breaker truck4.二次仪表室low voltage compartment5.活门shutter6.小母线室small busbar compartment7.压力释放装置pressure release device8.架空进出线穿墙套管wall bushing9.母线室busbar compartment10.母线套管busbar bushing11.触头盒case of plug-in contracts12.带电流互感器触头盒contact box with CT13.接地开关earthing switch14.绝缘隔板insulated clapboard15.电缆接线cable connect16.电缆室cable compartment17.电流互感器CT18.接地母线earthing busbar图1. KYN61-40.5 开关柜内部结构示意图product structure1.手动储能孔2.机械计数器3.手动合闸按钮4.储能指示牌5.摇进机构孔.活门6.拉手7.断路器铭牌8.观察窗9.手车面板10.紧急跳闸钮11.横梁栓舌12.接地开关联锁杆13.活门开启装置14.分/合位置指示牌15.手动分闸按钮16.接地触头图2 ZN95-40.5真空断路器与手车面板布置图3手车手车骨架由优质钢板折弯焊接而成,根据用途手车可分为断路器手车,隔离手车,电压互感器手车和避雷器手车等,同规格手车可以互换,本开关柜为落地手车柜.手车制底盘车有丝杠螺母推进机构,超越离合器和联锁机构等.丝杠螺母推进机构可轻便地操作使手车在试验位置和工作位置之间移动,借助丝杠螺母自锁性可使手车可靠地锁定在工作位置,而防止因电动力作用引起手车窜动引发事故,超越离合器在手车移动退至试验位置和进至工作位置到位时起作用,使操作轴与丝杠自动脱离而空转,可防止超限操作损坏推进机构.T rolley1.The framework of trolley is bent and welded by the high-grade sheet steel.The trolley can be divided into the trolley of circuit breaker, separation trolley, trolley of voltage transformer and trolley of lightning arrester and so on according to the purpose. Trolley of same specification can be interchangeable. .The pushing device of trolley consists of leading screw nut pushing mechanism, overrunning clutch and interlocking mechanism and so on. The leading screw nut pushing mechanism can operate easily to make the trolley move between the testing position and working position. The elf-locking property of leading screw nut can be utilized to lock the trolley at the working position reliably and prevent the accident from play of trolley due to action of electrical force. The overrunning clutch will enable the operating shaft to separate from the lead screw automatically and the operating shaft runs idly when the trolley moves back to the testing position and advances to the working position, and thus avoid damage to the construction.4 隔室CompartmentKYN61-40.5型金属封闭开关设备设有独立的隔室,即为断路器隔室.母线室.电缆室和继电器仪表室,而且断路器室.母线室和电缆室都设有泄压通道.The individual compartment, namely, compartment of circuit breaker, bus compartment, cable compartment and compartment of relay instrument, is installed in the KYN61-40.5 metal enclosed switchgear. The pressure-relief channel is installed in the compartment of circuit breaker and bus compartmentas well as cable compartment.(1 ) 断路器室compartment of circuit breaker断路器室底部装有导轨,对手车在试验位置和工作位置间平稳运动起正确导向作用.触头盒前装有活门,上下活门在手车从实验位置移动到工作位置过程中自动打开,当手车反方向移动时自动关闭形成有效的隔离,上下活门联动检修时可锁定,可保证检修人员不会触及带电体,柜门关闭时手车可以操作;门面开有紧急分闸操作孔,在故障特别情况下可手动分闸,通过门上的观察窗可以观察到手车所处位置,断路器分合位置指示器及合闸弹簧储能状态.The guide rail is installed at the bottom of circuit breaker compartment to function as the correct guidance for the smooth operation of trolley between the testing position and working position. The valve is installed in front of the contact box. The upper and lower valve opens automatically during the process that the trolley moves to the working position from the testing position. When the trolley moves oppositely, the valve closes automatically to form the effective separation. The upper and lower valve can be locked while overhauling so that it can ensure that the maintainer will not contact the charged body. The trolley can be operated when the cabinet door is closed. The emergency switching-off operating hole is installed at the door face for manual switching off. The position where the trolley is located at and on/off position indicator of circuit breaker as well as energy-storage state ofswitching-on spring can be observed through the observation window on the door.(2) 母线室Busbar compartment主母线.分段母线.通过分支母线和触头盒固定,不需要其他绝缘子支撑,主母线为紫铜圆母线,联络母线和分支母线均为短形截面铜排,相邻柜间用母线套管隔开,能有效防止事故蔓延,同时对主母线起到辅助支撑作用,母线均采用硫化涂覆绝缘.The main bus and staged bus is fixed through the branch bus and contact box and the support from the other insulator is not necessary. The main bus and connecting bus as well as branch bus is the red copper bus. The wall sleeve is separated between adjacent cabinets so that it can prevent the accident form spreading effectively. At same time, it functions as the auxiliary support for main bus. The compound insulation technique is used for main insulation in the bus compartment to ensure the insulation reliability.(3) 电缆室Cable compartment每相可并接1~3根电缆,最多并接6根单芯电缆,将手车和可抽出式水平隔板移开后,安装检修人员就可以从正面进入柜内,可对其电流互感器.电压互感器.接地开关.避雷器等元件进行检修安装,柜底配置开缝的可拆卸式封板,方便电缆的施工.1-3 cables can be connected in parallel in every phase. Maximum 6 ingle-core cables can be connected in parallel. After the trolley is moved away, the installer and maintainer can enter into the cabinet from the front side to repairand install such elements as current transformer, voltage transformer, grounding switch and lightning arrester and so on. It is equipped with the slotted dismountable sealing plate for easy cable construction.(4) 继电器仪表室Compartment of relay instrument继电器仪表室内可安装继电保护控制元件,仪表以及特殊要求的二次设备,二次线路的辅设在线槽内并有金属盖板可使二次线与高压部分隔离.The relay protection and control element and instrument as well as secondary equipment with special requirement can be installed in the compartment of relay instrument. The small bus is located at the top of compartment of relay instrument for laying and control of small bus.六防止误操作联锁装置Interlocking device preventing false operation KYN61-40.5型金属封闭开关设备装有可靠的防误联锁装置,可满足”五防要求”KYN61-40.5 metal enclosed switchgear is equipped with reliable interlocking device preventing false operation so that it can meet the“5-pretection requirement”.1 继电器仪表室门上有明显提示标志的操作按钮或KK转换开关以及与用户之模拟图板上提示标志(如红绿翻牌) 相配合以防误合.误分断路器..There are operating button with obvious prompting sign or KK changeover switch and prompting sign on the analog drawing board from the client (e.g. red/green drawing) on the door of relay instrument compartment. They arecooperated to prevent the circuit breaker from wrong switching on and off.2. 断路器手车只有处在试验或工作位置时断路器才能进行分合闸操作,而且断路器只有处在分闸位置时手车才能从实验位置推向工作位置,或者从工作位置退到实验位置,从而可靠的防止带负荷分合隔离插头.The switching-on/off operation of circuit breaker can be done only when the trolley of circuit breaker is located at the testing position or working position. Moreover, the trolley can be pushed to the working position from the testingposition or returned back to the testing position from the working position only when the circuit breaker is located at the switching-off position. Thus, it prevents switching on and off isolating contact with charge.手车只有在实验位置接地开关才能进行合闸操作,防止带电合隔离开关.3.The switching-on operation of grounding switch can be done only when the trolley is located at the testing position to prevent switching on the grounding switch with charge.接地开关处于合闸状态,手车不能推到工作位置,防止带接地开关合闸.4.When the grounding switch is located at the switching-on state, the trolley cannot be entered into the working position to prevent switching on the grounding switch.接地开关不合则开关柜后门开不了;反之,后门不关则接地开关不能分闸,从而防止误入带电间隔.5.The rear door of switch cabinet cannot be opened if the grounding switch does not switch on. On the other hand, the grounding switch cannot switch off if the rear door is not closed. Thus, it can be prevented that the charged compartment is entered wrongly.不装接地开关的断路器柜,母线分段柜和母线设备柜等还需要相应的电磁锁(或程序锁)配合完成全部防误功能.6.For the circuit breaker cabinet and subsection cabinet of bus as well as bus contact cabinet and so on without installation of grounding switch, the corresponding electromagnetic lock (or program lock) is needed to cooperate and finish allmistake-prevention functions.手车只有在试验位置二次插件才能插入或拔出,手车在工作位置二次插件被锁定拔不出.7.The secondary plug-in unit can be inserted in or plugged out only when the trolley is located at the testing position. The secondary plug-in unit is locked at the working position and it cannot be plugged out if the trolley is located at the working position.七接地装置Earthing device1.手车与柜体间有可靠的接地装置;There is a reliable earthing devicebetween the trolley and cabinet body.2.电缆室内单独设有5X40(mm2)接地铜排,此铜排能贯穿整个排列与柜体接触良好,供直接接地元件使用,从而使整个柜都处于良好的接地状态之中..The 5×40(mm2) copper grounding bar is installed in the cable compartmentindividually. This copper bar can be through the whole arrangement and contacts with the cabinet body well. It is provided to the direct grounding element for its use. Thus, the whole cabinet is located at the good grounding state.八泄压装置pressure relief device在断路器式,母线道和电缆室设有泄压通道,各泄压盖板的一端用金属螺栓固定,另一端用塑料螺栓固定,当故障时,内部高压气体能容易地将泄压盖板冲开释放压力,以确保操作人员和开关设备安全.The pressure relief devices are equipped on the top of the circuit breaker compartment, busbar compartment and cable compartment. Incase fault arcing is occurred inside these three compartments, the special sealing ring seals the front door completely, and along with the increase of the gas pressure inside the compartment , the top mounted pressure relief metal cover plate will open automatically to release pressure and the high temperature gas to ensure operator and switchgear in safe condition.九电压显示装置charge indicator开关柜装设有监视一次回路带电状态的带电显示装置,该装置不但可以显示高压回路带电状态,而且可以与电磁锁配合实现强制闭锁手柄,从而提高产品的防护性能.The charge indicator is in talled in the switchgear to monitor the operation of the primary circuit. it consists of high sensor and indicator which are connected together by external wiring. This device is used to monitor whether the high-voltage circuit is in live. And it also can be equipped with electrical magnetic lock to ensure the front and back door not be opened when there are power on. So that operators don’t make such mistakes as close earthing switchgear in live or access the compartments in live.十防凝露措施condensation and corrosion prevention为了防止在高温度或温度变化较大的气候环境中产生凝露而带来的危害,可在断路器室和电缆室分别装设加热器,To prevent switchgear form undesirable condensation due to highhumidity or big change in climate condition, heaters could be added inside switchgear which can be controlled by humiture probe.十一操作程序operation procedures制作KYN61-40.5型金属封闭开关设备设计有保证开关柜各部分操作程序正确性的联锁,但操作人员对该型开关柜各部分的操作仍应严格按照有关操作规程和本《说明书》中的要求进行,不应在操作受阻时不加分析地进行操作,可能容易造成设备损坏甚至引起事故.Operator must operate the switchgear in accordance with the related operating procedures and this technical document. Any optional operating must be avoided and in case of trouble, any rough and forced operation without careful analysis must be avoided and otherwise damage and person injury might result.十二. 无接地开关的断路器柜的操作operation of circuit breaker panel without earthing switch1.断路器手车进入柜内;断路器手车准备由柜外推入柜内前应认真检查断路器状态是否完好,断路器是否处于分闸状态,否则应进行分闸,有无工具等杂物遗漏在手车上,确认良好后,将手车推入柜内并锁定在试验位置上,Mount with drawable circuit breaker into the panel:Before moving the withdrawable circuit breaker into the compartment, it isnecessary to check the withdrawable circuit breker wheather in good condition, wheather any part or sundries are left inside the mechanism box and compartment. Put the withdrawable circuit breaker on the transfer truck and lock it well. Push the transfer truck up to the fornt of the switchgear and lift it to a proper height. Insert the front positioning lock plate of the transfer truck into the slot of the compartment partition and lock the transfer truck and the compartment body together. Open the locking hook of the withdrawable circuit breaker and push it into the compartment smoothly and steadily and lock it well. After the locking of withdrawable circuit breaker and compartment body is confirmed, unlock and disconnect the transfer truck from the compartment body and move it away.2.手车在柜内的操作;Operation of the withdrawable circuit breaker inside the compartment:当手车在试验位置后即将二次插件插好,此时对断路器进行操作试验,若还要继续操作,首先必须将所有的柜门关闭并确认断路器处于分闸状态,然后打开推进机构操作孔挡析插入操作摇把,并以顺进针方向转动,使手车向前移动,直至超越离合器,起作用使操作轴空转,此时主回路已接通,手车已处于工作位置(热备用状态),可通过控制回路对其进行和分闸操作.若将手车从工作位置退出时,则以逆时针方向转动摇把,手车向后移动,直至超越离合器起作用使操作轴空转,手车便退至试验位置,此时主回路已断开,活门已关闭(处于冷备用状态).After the withdrawable circuit breaker is moved inside the compartment by transfer truck and the withdrawable circuit breaker is in sconnected/testing position, first insert the secondary plug of the auxiliary circuit to put withdrawable circuit breaker into ready operating status. With power connected, the testing position indicator on the low voltage compartment will light, and at that time, an electrical operating test could be made withoutconnection of the main circuit. For further operation, it must close all compartment doors, insert the keys to lock the doors and confirm the circuit breaker at its opening condition . Then insert the hand crank into the operating hole of the middle panel to turn it clockwise till the crank is obstructed obviously and hear a clear switchover sound of the auxiliary switch. In the meantime, the service position indicator on the low voltage compartment will light and then remove the hand crank. At this time, the main circuit is connected with power and the withdrawable circuit breaker is at its service position, operator can open or close the withdrawable circuit breaker via control circuit. To withdraw the withdrawable circuit breaker from its service position, it should first confirm the withdrawable circuit breaker at its opening state , insert withdrawable the circuit breaker hand crank and turn the hand crank anticlockwise till the crank is obstructed obviously and hear a clear switchover sound of the auxiliary switch. At that time, the withdrawable circuit breaker returns back its testing position, the main circuit is open completely and the shutters are closed.3. 手车退出柜外;Take the withdrawable circuit breaker out of thecompartment:首先应确认手车已处于试验位置,然后拔出二次插件并将扣锁在手车上,解除手车与柜体间的锁定,拉动手车退至柜外.In order to take the withdrawable circuit breaker out of the compartment, first it should confirm the withdrawable circuit breaker in testing position, then unplug the secondary plug of the auxiliary circuit, and lock the moving plug onto the withdrawable circuit breaker frame. Push the transfer truck up to the front of the panel.4.断路器在柜内分合闸状态的确认;Confirmation of open or close state of the circuit breaker inside the compartment:可由断路器手车面板分合闸指示牌及继电器仪表们上的合分闸指示灯两方面来判定.judgment be made according to the open and close indication plate on the withdrawable circuit breaker and open and close indicative lamps on the lowvoltage compartment.5.紧急手动分闸操作;在控制回路发生故障.断路器失去了控制电源的情况下,而且由于特殊原因必须断路器分闸,可由操作人员在柜前对断路器进行紧急分闸,严禁在正常运行情况下用手动分闸操作杆使断路器分闸.十三. 有接地开关的断路器柜的操作;Operation of Withdrawable Circuit Breaker Panel With Earthing Switch1.手车推入柜内或手车从柜内退出的操作程序与无接地开关之断路器的操作是完全相同的,固不再繁述.The operation procedures to move the withdrawable circuit breaker in and out of the compartment are as same as that for withdrawable circuitbreaker without earthing switch.2.手车在柜内操作Operation of the withdrawable circuit breaker inside the compartment欲将手车推入工作位置时,除了要遵守无接地开关之断路器柜操作11.12中的各项要求外,还应确认接地开关处于分闸状态,否则下一步操作无法完成.To move the withdrawable circuit breaker into its service position, in addition to the operation requirements as described in 11,12, it must confirm the earthing switch in its opening condition otherwise no further operation can be done.3.合分接地开关操作; Operation of earthing switch ON and OFFa)接地开关合闸操作; operation of earthing switch on首先确认手车已处于实验位置,而且电压显示装置之表示灯已完全熄灭,然后解除手车与接地开关操作轴的锁定,插入接地开关操作手柄,以顺时针方向转动270°接地开关合闸;To turn on the earthing switch, first confirm the withdrawable circuit breaker has been moved to its testing and take out the forward moving hand crank. Then insert the eathing switch operating handle to turn it 270°to turn on the earthing switch.b)接地开关分闸操作; operation of earthing switch off首先确认手车处于实验位置,而且前后门都已关闭,然后插入接地开关操作手柄,以逆时针方向转动270°接地开关分闸.To turn off the earthing switch, first confirm the withdrawable circuit breaker has been moved to its testing position and closed the doors. Then insert the searthing switch operating handle to turn it anticlockwise 270°,it will turn the earthing switch.十四. 隔离柜的操作operation of isolation truck隔离车不具备接通和开断负荷电流的能力,因此在进行隔离手车柜内操作时必须保证先将与之配合的断路器分闸后,而且通过辅助接点转换解除与之配合的隔离手车上的电气连锁,只有这时才能操作隔离手车,具体操作程序与断路器手车相同.The isolation truck is unable to connect or disconnect load current, therefore, to push or pull the truck with load is not allowed. In operation of isolation truckinside the compartment, first it must ensure related circuit breaker truck open and after the circuit breaker truck is open, it should unlock the electrical interlock between the auxiliary contact changeover and isolation truck. Only at that time, it is possible to operate the isolation truck with the specific operation procedures as same as that for withdrawable circuit breaker.The isolation truck is unabl十五. 安装installation1.安装前工作preparation for installation1.首先检查合同与开关柜型号.规格是否相同符合,无问题后方可开箱;At first, check the model and size and quantity of switch cabinet is conformed to the contract. It can be unpacked if there no problem.2.开箱后起吊时挂钩在挂在吊孔中以及搬运中,不得较大冲击力.Note that the proper force is applied and the product is lifted up and down slightly during the process of unpacking and handling as well as transportation to protect the product against the undesirable loss for damage.3.检查柜体及断路器元件等有无损坏,如发现损坏应速与厂家联络Check the cabinet body and element of the circuit breaker and so on for damage. The manufacturer shall be contracted quickly incase of any damage.4.清除脏污,尤其绝缘表面,应清扫干净.Remove the dirt especially insulating surface shall be cleaned up.5.手动使断路器分闸,同时手动储能进行合分闸,良好后进行开关柜安装.Manual switch off the circuit breaker and manual store the energy to switch on and off at same time. The switch cabinet installed after it is in good condition.安装Installation1.首先检查基础是否符合设计要求,以及本产品之基础(见图P15)要求,合格后方可安装;.At first, check if the foundation meets the design requirement and foundation requirement of this product (see the figure P15).The installation can be proceeded after it is acceptable.2.开关柜安装应将中间先搬运到基础上,而后将两侧开关柜排列好并找齐,再紧固柜间螺栓,然后固定好柜体与基础间螺栓.For the installation of switch cabinet, the intermediate cabinet shall be conveyed on the foundation at first. Afterwards, the both sides of switch cabinet are well arranged and aligned. The bolt among cabinets is tightened. Afterwards, the bolt between the cabinet body and foundation is fixed.3.当柜体排列排列整齐和坚固好,再将主母排联接端面涂上导电膏,而后安装好主母排,并紧固联接螺栓,而且母线套管应紧固,母线。
KYN61-40.5高压开关柜一、产品介绍KYN61 -40.5(Z)型铠装移开式交流金属封闭开关设备(以下简称“开关设备”)它适用于三相交流50Hz电力系统,用于发电厂、变电所及工矿企业的配电室接受和分配电能之用,并对电路实行控制、保护及监测。
浙江特锐德高压电器有限公司,佳吉电气本产品符合标准:GB3906《3~35kV交流金属封闭开关设备》,GB/T11022《高压开关设备和控制设备标准共用技术要求》、IEC60298《额定电压1kV以上及50kV以下交流金属封闭开关设备和控制设备》。
二、型号及含义三、工作条件1.周围空气温度:最高温度+40°C。
最低温度-10°C;2.海拔高度:≤1000m:3.周围相对湿气:日平均值≤95%,月平均值≤90%;4.周围空气:不适用于有腐蚀、严重污秽,可燃性气体及剧烈振动的场所:5.若有地震发生,地震强度不能超过8级。
浙江特锐德高压电器有限公司,佳吉电气适应场所城市居民超高压线路、大型二次变电站、开闭所、工矿企业、商场、机场、地铁、风力发电、医院、体育场、铁路、隧道等。
主要特点KYN61-40.5开关设备使用在40.5KV三相交流50HZ电力系统中,全为发电厂、变电所及工矿企业的配电室接受与分配电能之用;对电路具有控制、保护和监测等功能。
四、结构特点开关柜结构GB3906-2006和IEC298中铠装金属封闭开关设备标准而设计,整体由柜体和可抽出部分(手车)两部分级组成。
柜体结构为组装式,用螺栓栓接组合成型,用金属隔板将开关柜体内部分隔为断路器室、主母线室、电缆室和继电器仪表室。
外壳防护等级达到IP3X,各隔室间防护等级为IP2X,并且所有金属结构件可靠接地,主回路系统的隔室间有独立排气的压力释放通道。
手车根据用途可分为断路器手车、电压互感器手车、计量手车、隔离手车等,各类手车的外形尺寸相同,相同用途的手车具有良好的互换性:手车在柜内有试验/隔离位置和工作位置,每处位置都设有联锁装置以保证手车处于以上两位置时不能随便移动。
1、概述1.1本技术描述中的所有的技术内容,技术参数,采用的标准及所选用的设备和材料符合招标书的要求。
1.2本技术描述根据本公司多年的制造经验和本公司的先进技术作出。
2、基本依据2.1所有设备的制造、测试和安装均采用中国国家标准,同时满足相应的IEC标准,主要标准号如下:GB11022 《高压开关设备通用技术条件》GB3906 《3~35KV交流金属封闭开关设备》IEC298 《额定电压1KV以上52KV及以下的交流金属封闭开关设备和控制设备》IEC694 《高压开关设备和控制设备标准的共用条款》IEC60056 《高压交流断路器》GB1985-89 《交流高压隔离开关和接地开关》IEC60529 《外壳防护等级国际防护等级代码》GB763-90 《交流高压电器在长期工作时的发热》B311.1-1997 《高压输电设备的绝缘配合》GB/T16927-1997《高压试验技术》DL/T1620-1997 《交流电气装置的过电压保护和绝缘配合》GB1408-89 《固体绝缘材料工频电气强度的试验方法》GB2706-89 《交流高压电器动热稳定试验方法》GB3309-89 《高压开关设备常温下的机械试验方法》GB/7534-87 《局部放电测量》DL/T404-1997 《户内交流高压开关柜订货技术条件》《电力设备交接和预防性试验规程》2000版3、高压开关柜技术参数3.1环境条件3.1.1周围环境温度上限+40℃下限-10℃3.1.2海拔不超过1000m3.1.3环境温度:月平均相对湿度不大于90%日平均相对湿度不大于95%3.1.4地震烈度及加速度不大于8度3.1.5适用于Ⅲ级污秽场所4、系统参数4.1系统标称电压:35KV4.3额定频率:50HZ4.4系统接地方式:不接地5、技术参数5.1断路器技术参数5.1.1开关柜采用ZN85-40.5断路器,断路器配宝光陶瓷真空灭弧室。
5.1.2 ZN85-40.5断路器技术参数:5.2 开关柜的技术参数5.2.1开关柜为KYN61—40.5金属铠装移开式封闭开关柜。
1 概述KYN61-40.5铠装式金属封闭开关设备(简称开关柜)系我厂在原产品的基础上设计改进的开关设备。
它适应于三相交流50HZ电力系统,用于接受和分配电能并对电路进行控制、保护及监测。
本开关柜具有各种防止误操作的功能,包括防止带负荷移动手车,防止带电合接地开关和防止误入带电间隔等功能。
本开关柜内配置性能优良的ZN85、VN1真空断路器或ABB公司VD4、HD4系列真空断路器。
开关柜是技术先进、性能稳定结构合理、使用方便、安全可靠的配电设备。
1 GeneralKYN61-40.5 Metal-clad type removable metal-enclosed switchgear( abbreviation as cubicle) is a kind of improved switchgear which is based on the former products. It’s applicable for 3-phase 50HZ power system for receiving or distributing power and controlling, protection and inspection of circuit.The cubicle has all kinds of fault-prevent function including preventing of moving of trolley with load, fault closing of earth switch, fault entering of loading chamber.1.1 主要特点a) 柜体采用敷铝锌板经数控设备加工成型后,用螺栓拼接或铆接而成,结构为全拼装式。
b) 可同时配装ZN85-40.5真空断路器手车、VN1、VD4或HD4真空断路器手车,开关柜主母线贯通无需过渡柜转接。
c) 电缆室空间充裕,相间可保证空气净距大于300mm,相间无需加装绝缘隔板。
1.概述XXX电气股份有限公司开发设计的KYN61-40.5型铠装移开式户内交流金属封闭开关设备(以下简称开关设备)系三相交流50Hz、35kV单母线及单母线分段系统中的户内成套配电装置。
主要用于发电厂、中小型发电机送电、工矿企事业配电及电力系统的二次变电所的受电、送电及大型高压电动机起动等,对电路具有控制、保护和监测等功能。
除广泛用于一般电力系统外,还可用于频繁操作的场所。
本开关设备满足IEC62271-200、GB3906等标准要求,具有“五防”功能要求,外壳防护等级达到IP4X,各小室间和手车室门打开时防护等级为1P2X。
开关设备可从正面进行安装调试和维护,因此它可以背靠背组成双重排列的双母线回路安装,提高了开关设备的安全性和灵活性,减少了占地面积。
开关设备配采用新型全绝缘真空断路器或六氟化硫断路器,柜体采用敷铝锌板组装结构,产品不仅外形美观,还提高了手车与柜体的配合精度,采用绝缘母线和带屏蔽的穿墙套管,优化了电极形状。
该产品是技术先进、性能稳定、使用方便、安全可靠的输配电设备。
2.产品型号含义K_YJI61-40.5/口-口额定短路开断电流(kA)额定电流(A)额定电压(kV)设计序号户内型移开式(手车式)铠装柜3.使用环境条件3.1正常使用条件:a.环境温度:上限+40℃,下限-10℃;b.海拔:不超过2000m;c.空气相对湿度:日平均值不大于95%,月平均值不大于90%;d.地震烈度:不超过8度;e.安装场所:没有火灾、爆炸危险、严重污秽、化学腐蚀及剧烈振动的户内场所。
3.2特殊工作条件:超过规定的%常使用环境条件时,由用户和制造厂协商。
为防止凝露现象,开关设备设有加热器。
当开关设备处于备用状态时,即应投入使用,即使在正常运行中,也应注意投用。
开关设备的散热可通过附加的通风设施来解决。
4.技术参数4.1开关设备的技术数据(见表1)。
4.3VYK2-40.5固封式真空断路器机械特性参数(见表3)KYK61-40.5开关设备的内部结构及外形见图Io图1开关设备结构按其组成可分为柜体、手车两大部分。
KYN61-40.5交流铠装移开式开关柜安装使用维护手册江苏东能电力科技有限公司目录1 概述 (2)1.1 概要 (2)1.2 标准和规范 (2)1.3 使用环境条件 (2)2 技术参数 (2)2.1 电气参数 (2)2.2 外型尺寸和重量 (2)2.2.1 配VD4/VG1-40.5真空断路器 (2)3 KYN61-40.5的结构 (4)3.1 基本结构(图1) (4)3.2 外壳和分隔(图1, 图2,图3) (4)3.3 手车室(图2) (4)3.4 可移开单元(图3) (4)3.5 机械联锁/防止误操作(图3,图6,图7) (4)4 运输及存放 (10)4.1 出厂条件 (10)4.2 包装 (10)4.3 运输(图8) (10)4.4 交货及中间存储 (10)5 现场安装 (11)5.1 现场要求 (11)5.2 安装基础形式(图9) (11)5.3 柜体安装(图8) (12)5.4 接地(图2和图3) (12)5.5 安装后的检查 (13)6 KYN61-40.5的操作 (13)6.1 投入使用 (14)6.1.1 准备工作(图1,图2,图3,图4,图7) (14)6.1.2 启动 (14)6.2 操作开关 (15)6.2.1 可移开单元用VD4/VG1-40.5断路器(图1,图2,图3,图7) (15)6.2.2 断路器(图7) (15)6.2.3 接地开关(图6) (15)7 维护 (16)7.1 目的 (16)7.2 一般要求 (16)7.3 检查与维护 (16)7.3.1 检查 (16)7.3.2 维护 (16)7.3.3 维修 (17)7.4 测试(图1,图2,图6) (17)7.4.1 测试断路器抽出式单元 (17)7.4.2 测试联锁功能 (17)1 概述1.1 概要KYN61-40.5是一种高品质的并已通过型式试验认证的空气绝缘开关柜(以下简称开关柜)。
1.2 标准和规范KYN61-40.5满足IEC298、GB3906、DL404等标准的要求。
开关柜外壳防护等级:IP4X。
1.3 使用环境条件●海拔高度:不超过2000米;●环境温度:上限为40℃;下限为-10℃;●相对湿度:日平均值不大于95%,月平均不大于90%;●地震烈度:不超过8度;●没有火灾爆炸危险,没有剧烈震动及化学腐蚀等严重污秽的场所;注:超出上述环境条件时,用户应与制造厂协商;2 技术参数注:外界温度55℃额定电流2500A需强制通风2.2 外型尺寸和重量注:所用变尺寸为1400x2565x2400或1600x2865x2400(宽x深x高),具体尺寸根据配变压器的容量和外型定。
9 876 5DC34B A2110图1: KYN61-40.5 1250A 剖视图1活门 6电缆挂接排 A低压室2手车 7接地开关 B手车室3触头盒 8穿墙套管 C母线室4运输导轨 9主母线 D电缆室5电流互感器 10压力释放装置注:图示手车分别位于试验位置(左)和移开位置(右).3 KYN61-40.5的结构3.1 基本结构(图1)开关柜的主要结构包含手车室、母线室、电缆室、低压室。
图2-图6展示了柜体的结构电器设备的安装。
3.2 外壳和分隔(图1, 图2,图3)开关柜外壳由高质量的2mm敷铝锌板组装而成。
泻压板安装在高压室的顶部,当发生内部燃弧产生高压时,泻压板被打开。
相邻开关柜由侧板隔开。
所有门采用粉末喷涂以防腐蚀且可打开近180。
3.3 手车室(图2)手车室安装了导轨,保证可移开单元可靠的在工作位置和试验/隔离位置之间移动。
可移开单元从工作位置退到试验/隔离位置时,活门13/14自动关闭,可防止接触到带电体。
可移开单元在试验/隔离位置时手车室门仍可完全关闭。
此时,断路器分/合指示和储能/未储能指示可通过视察窗观察。
断路器的操作时应关好前门。
3.4 可移开单元(图3)触臂和梅花触头安装在断路器的电极上,当可移开单元在工作位置时,它们形成与静触头的电气连接。
开关柜和断路器之间信号、保护和控制线(以下简称二次线)的连接由安装在断路器二次插头和安装在开关柜上的二次插座共同实现的。
3.5 机械联锁/防止误操作(图3,图6,图7)只有断路器在分闸位置时,方可推进或推出可移开单元,可靠防止带负荷推拉断路器。
只有处于工作位置、试验/隔离位置时,断路器方可进行分、合闸;只有当可移开单元抽出到试验/隔离位置及以外时,接地开关方可合闸;只有接地开关处在分闸位置时,手车方可进入工作位置;接地开关合闸后,才能打开后门,防止误入带电间隔;只有关上后门,才能分接地开关;只有可移开单元在试验/隔离位置时,方可插上和解除二次插头;可移开单元处于工作位置时,二次插头被锁定,不能拔除。
..1213141516111817BUSBARCABLE1921201 开关柜用途标牌;2 仪表门;3 铭牌;4 接地开关操作孔;5 通风道,下部(2500A时开通风道);6 视察窗;7 断路器分合操作孔(断路器分合指示标牌);8 接地开关分合操作孔(接地开关分合指示标牌);9 门锁;10 手车室门;11二次小母线安装板;12 继电器安装板;13 上活门;14 下活门;15 手车接地排;16 手车左导轨;17 手车锁定板;18手车右导轨;19 上触头;20 静触头;21 下触头盒9854321761 上活门;2 上隔板;3 触头盒支撑板;4 引出排(母线侧);5 上触头盒;6 下触头盒;7 引出排(电缆侧);8 下隔板;9 下隔板;10 手车接地排(与主接地排相连);11 泄压板(2500A 时需强迫风冷,柜顶开通风道);12 外壳;13 二次线通道;14 手车室门;15 可移开单元;16 手车上面板;17 手车锁定板;18 二次插头连接管;19 二次插头;20 二次插座;21 二次插头连锁挡片; 注:图示手车位于工作位置图4: 触头连接1600-2500A1654321 下部连接单元 6 碗型垫圈(20)2 垫块(5mm) 7 螺栓(M16/M20)3 碗型垫圈(10) 8 梅花触头4 螺栓(M10) 9 触臂5 静触头图5: 触头连接1250A1 下部连接单元 5 梅花触头2 静触头 6 静触头3 碗型垫圈(10)4 螺栓(M10) 支母排设计1250A 以上支母线规格同主母线891276543图6:接地开关操作机构1 接地开关 6 二次插头连锁挡片2 接地开关大轴 7 手车锁定板3 前操作轴 8 接地开关与后下门的机械连锁机构4 接地开关与手车的机械连锁机构 9 后下门5 接地开关辅助接点6745141516119182017111098131223图7: 断路器结构图1 二次线插头 11 推进联锁机构2 绝缘筒盖 12 二次线插头挂接螺栓3 绝缘筒 13 轮子4 梅花触头 14 二次线软管5 上触臂 15 推进轴6 下触臂 16 把手7 紧急分合闸连杆 17 接地开关联锁板8 面板 18 锁定杆9 试验位置辅助开关 19 紧急分合闸操作轴10 工作位置辅助开关 20 手车接地排4 运输及存放4.1 出厂条件确保所有的工作都完成后,按照相关标准进行例行检查,结构功能符合要求时,方可进行包装或存放。
4.2 包装开关柜的运输必须根据运输条件的不同采取不同的包装方法。
个别场合不需包装,而有时需考虑耐航包装。
特别是海上运输(甚至在货柜船中),他们需要大量的干燥剂和密封的塑料布防潮。
许多场合还需安装湿度指示器,若用铝合金板进行防护,则需在防护板上开一个窗口观察指示器。
干燥机有效的时间内,颜色指示剂为蓝色,当它变成粉色时,说明柜内湿度超过了某一定值(比如40%),这时应该替换干燥剂。
干燥剂的使用在相关标准中有详细的说明。
4.3 运输(图8)开关柜有四个起吊环。
它可以用起重机、叉车或手动千斤顶搬卸。
注意保护人身安全及可能造成的财产损失,勿倒置。
起重机起吊:Loading by crane:●选择合适的吊环及吊绳●抽出单元将被单独处理4.4 交货及中间存储货到现场后,应进行如下检查:●检查开关柜是否完好,是否受潮。
若是中间存储,还需检查干燥剂,判断是否需要更换干燥剂。
●依照装箱单检查是否缺件或运输损坏,并向发货人或运送者出具证明。
●最好对损坏部分进行摄影。
最适宜的中间存储条件:依照开关柜和元件所要求的最小条件。
只需简单包装或不需包装的场合●干燥并且通风良好的储藏室,空气质量依照相关标准规定。
●室内温度不低于-5℃●没有其他有害条件的影响●竖直摆放开关设备●不能堆放开关设备●柜上的覆盖物不能太多,确保开关柜通气性良好●安装运行前,定期进行必要的检查适于航海的或相似条件的包装及内部保护●将开关柜存放于干燥的地方,防止天气和其它有害物的破坏。
●在没有有害的环境下检查包装。
●每隔一定的时间检查颜色指示剂以确定干燥剂是否有效。
●采取措施防止因存储时间大于包装寿命时的包装和反腐蚀措施实效。
5 现场安装开关柜的现场安装需确保正确的安装顺序及高质量标准。
包装由熟练工人打开,要求在现场有责任人进行检查指导。
同时,应参照产品安装使用说明书。
5.1 现场要求安装前,需对安装场所检查。
安装开关柜的房间必须有照明设备和现场电供应、门锁、房间干燥并有通风设施;准备工作如电缆沟、二次电缆管道等已准备就绪。
安装场所应满足相关标准的规定。
5.2 安装基础形式(图9)开关柜应在直立的情况下进入室内,它的结构数据可在产品使用说明书中估算。
图8 起吊示意图5.3 柜体安装(图8)1)无润滑连接的额定扭矩取决于螺纹摩擦系数0.14(其实际数值不可避免在一定范围内波动)2)螺纹和接触表面润滑。
●对一些偏离一般规则的扭矩值(比如接触系统和转换终端)需查阅详细的技术文件。
●安装步骤如下:●按指定的起吊环起吊开关柜。
●拆除吊索。
●将可移开部分从开关柜中移开并加以有效的保护。
●将端封板移开。
●将开关柜在基础上正确的位置排成一行(垂直方向安装不平度不得超过2mm,尤其在前面)并用螺栓连接在一起。
当柜子超过10台时应考虑从中间部位开始安装。
●当开关柜完全装配好时,可用螺钉或焊接将其和基础框架连接在一起。
5.4 接地(图2和图3)手车接地排已经在手车室底部安装并且须和开关柜的主接地排连接在一起。
框架主接地排与配电室主接地系统用截面不小于16mm2的黄绿线连接,对10台以上的长排列的开关柜,连接节点不少于两个。
5.5 安装后的检查●检查油漆有无损伤并在必要时补漆●检查螺栓有无松动,尤其是母排和接地系统中的,必要时拧紧。
●仔细清洁开关柜●清除柜内所有杂物。
●彻底整修在安装和连接中移动过的封板。
●封闭因特殊需要在外壳保留的但已不再需要的孔。
●将可移开单元推进开关柜。
●检查触头系统和联锁机构运动是否灵活,必要时加以润滑。