Hanks平衡盐溶液(5×HBSS,含酚红)
- 格式:docx
- 大小:25.54 KB
- 文档页数:2
附录1 平衡盐溶液配制附录1 平衡盐溶液配制平衡盐溶液是由Ringer根据生理盐水首先创制的,由无机盐和添加成分葡萄糖等组成。
平衡盐溶液是为了使哺乳动物细胞短期处于存活状态,而不是促进其生长。
平衡盐溶液是用来洗涤组织和细胞,稀释作用于细胞的试剂和药物等,维持生理的pH和渗透压。
1.Hank's平衡盐溶液Hank's平衡盐溶液是含磷酸盐的缓冲溶液,在暴露于空气的状态下,能够维持生理的pH。
因此,经常作为酶消化细胞或组织和最终将细胞置于培养基中之前的洗涤细胞过程的首选溶液。
Hank's平衡盐溶液配方Hank's Balanced Salt Solution (HBSS)组分 分子量 浓度 (g/L) 摩尔浓度 (mM) 无机盐:氯化钾 (KCl) 75 0.4 5.33磷酸二氢钾 (KH2PO4) 136 0.06 0.44碳酸氢钠 (NaHCO3) 84 0.35 4 氯化钠 (NaCl) 58 8 138磷酸氢二钠 (Na2HPO4) 142 0.048 0.34其它组分(可选):葡萄糖 (Glucose) 180 1 5.6 酚红 (Phenol Red) 398 0.011 0.03167附录1 平衡盐溶液配制2.磷酸盐缓冲溶液Dulbecco's 磷酸盐缓冲溶液配方 Dulbecco's Phosphate-Buffered Saline (D-PBS)(不含钙、镁离子)组分分子量浓度 (g/L) 摩尔浓度 (mM)氯化钾 (KCl) 75 0.20 2.67磷酸二氢钾 (KH2PO4) 136 0.20 1.47 氯化钠 (NaCl) 58 8.00 138.00磷酸氢二钠 (Na2HPO4) 142 1.15 8.10REFERENCE:1.Hanks, J.H. and Wallace, R.E. (1949) Relation of Oxygen and Temperature in the Preservation of Tissues by Refrigeration. Proc. Soc. Exp. Biol. Med., 71:196 2.Dulbecco, R. and Vogt, M., (1954) Plaque formation and isolation of pure lines with Poliomyelitis viruses. J. Exp. Med., 98:167.168。
平衡盐溶液平衡盐溶液(BSS)是从Ringer生理盐水进展起来的,主要由无机盐和葡萄糖组成。
BSS中的无机离子是细胞生命的须要成分,在维持渗透压、缓冲作用和调整溶液pH方面也起着重要作用。
另外,Ca2+、Mg2+能为酶系统的活化提供条件,也是细胞膜的重要组成成分。
等为细胞代谢提供能量。
作为核酸分子的合成也需要S,P等作为基质。
BSS内还含有少量的(酚红),作为pH变幻的指示剂,溶液变酸性时呈黄色,变碱性时呈紫红色,中性时呈桃红色,以此来观看和判定培养液pH的变幻。
在细胞培养中,BSS主要有如下用途:①作为配制培养基的基础溶液:如用Hanks液配制水解乳蛋白培养基等;②配制各种试液:如配“胰酶”消化液;③用于洗涤组织和细胞。
目前最常用的BSS是Hanks液、Earle 液和PBS等。
(一)BSS的配制要求 1.要防止钙的沉淀BSS配制时应将其中的CaCl2单独配制,并将平衡盐溶液配成浓缩液,使其在稀释前不让Ca2+与P042-和C032-接触,以免产生不溶解的CaP04和CaCO3。
避开产生CaC03的办法是将NaHC03单独配制,用法时现加。
2.要有良好的缓冲作用Hanks液和Earle液都需一定量的C02平衡。
因此应将瓶盖(橡皮塞)盖紧,以防瓶中CO2逃逸,致使溶液pH增高。
pH调整液单独灭菌时,亦应将瓶盖塞紧,临时不用的可冻存,否则NaHC03受热分解为NaOH和C02,失去其调整pH之功能。
(二)Hanks平衡盐溶液(Hanks balanced salt solutions, HBSS ) 为了便于保存和削减有关成分的化学反应,此液可配成20倍浓缩液(20×) ,10倍浓缩液(10×)和5倍浓缩液(5×)的储存液(母液)。
现以l0×为例,将其配制办法介绍如下: 1.l0×母液配制法甲液:取450ml三蒸水依次溶解下列试剂 NaCl 80g KCl 4g MgS04·7H20 2g CaCl2 1.4g (含2H20者1.85g) 待彻低溶解后,补足三蒸水至500m1。
HBSS的配制和使用攻略HBSS主要用于培养液的配制或清洗细胞,不能单独使用。
本文介绍HBSS的配制和使用方法。
HBSS,即汉克斯平衡盐。
英文全名Hank's Balanced Salt Solution。
D-Hank's与Hank's的一个主要区别在于前者不含有钙和镁离子,因此D-Hank's常用于配制胰酶溶液。
Hank平衡盐溶液( HBSS)的配方为:8 g/L NaCl,0.4 g/L KCl,1 g/L 葡萄糖,60 mg/L KH2PO4,47.5 mg/L Na2HPO4,调pH至7.2.一般用于配制细胞培养过程中的培养基或者清洗细胞。
Hank's配方:NaCl 8.01;KCl 0.4;CaCl2 0.14;NaHCO3 0.35;KH2PO4 0.06;Glucose0.34(g/l);Hank平衡盐溶液( HBSS)的配方为:8 g/L NaCl,0.4 g/L KCl,1 g/L 葡萄糖,60 mg/L KH2PO4,47.5 mg/L Na2HPO4,调pH至7.2.HBSS一共分为四种,含钙镁,含酚红;含钙镁,不含酚红;不含钙镁,含酚红(D-hanks );不含钙镁,不含酚红(D-Hanks)。
此四种产品可根据客户需要自己选择。
而如果客户无法判断应该选择哪一种,可以选不含钙镁,不含酚红(D-Hanks )。
Han ks’含钙镁含酚红Hanks’含钙镁,不含酚红D- Hanks’不含钙镁含酚红D- Hanks’不含钙镁不含酚红DPBS不含钙镁不含酚红PBS不含钙镁不含酚红10*PBS不含钙镁不含酚红g/L g/L g/L g/L g/L g/L g/L NaCl 8 8 8 8 8 8 80 Na2HPO.12H2O 0.126 0.126 0.126 0.126 2.9 2.9 29 NaH2PO4·2H2O 0 0 0 0 0 0 0 KCl 0.4 0.4 0.4 0.4 0.2 0.2 2 KH2PO40.06 0.06 0.06 0.06 0.2 0.24 2.4 MgSO40.098 0.098 0 0 0 0 0 CaCl20.14 0.14 0 0 0 0 0D-葡萄糖 1 1 1 1 0 0 0酚红0.01 0 0.01 0 0 0 0 添加NaHCO30.35 0.35 0.35 0.35 0 0 0那么,HBSS能高压灭菌吗?答案是否定的。
D-Hanks平衡盐溶液(1×,含酚红)产品简介:平衡盐溶液(Balanced Salt Solution,BSS)与细胞生长状态下的pH值、渗透压等环境状态一致,具有维持渗透压、控制酸碱平衡、供给细胞生存代谢所必需的能量和无机盐成分等作用,可满足体外实验中,细胞生存并维持一定的代谢的基本需要。
平衡盐溶液(BSS)主要由无机离子组成,有时含有碳酸氢钠、葡萄糖、酚红等,如果有必要还可以加入HEPES,加入少量的HEPES后,可以减少氯化钠的加入量,以维持渗透压的平衡。
平衡盐溶液可以作为完全培养基的基液,亦可以用于稀释浓缩的氨基酸、维生素溶液以配制完全培养基。
BBS配方常有改动,如Hank’s BBS由不含钙镁或酚红的,也有含钙镁含酚红的等等, Dulbecco’s PBS由不含钙镁或含钙镁的等。
HBSS、EBSS、PBS等都是与较弱的磷酸盐缓冲液相关的盐溶液。
常见的平衡盐溶液有Eargle液,Hanks’液、低钙镁和无钙、镁平衡盐溶液及磷酸盐缓冲液 (PBS)等。
D-Hanks平衡盐溶液是最常用的磷酸盐缓冲溶液之一,又称CMF-Hanks' Balanced Salt Solution、CMF-HBSS溶液或D-Hanks’ BSS, 主要由氯化钠、氯化钾、磷酸氢二钠、磷酸二氢钾、碳酸氢钠、葡萄糖等组成,不含钙离子和镁离子,pH值一般为7.2~7.4。
Leagene D-Hanks平衡盐溶液(1×,含酚红),不含钙离子和镁离子,含酚红,用重蒸超纯水配制,pH值7.4,经严格过滤除菌处理,内毒素含量低,可用于胰蛋白酶和EDTA 细胞消化液等各种无或低钙镁细胞培养用液的配制,组织和细胞的漂洗等。
主要成分:主要由 KCl、KH2PO4、NaCl、NaHCO3、Na2HPO4、葡萄糖等组成,含少量酚红。
操作步骤(仅供参考):1、无需配制,直接使用。
注意事项:1、在进行细胞培养过程中细胞的洗涤时,应注意无菌操作,避免被微生物污染。
含钙镁的hbss用途-回复含钙镁的HBSS(Hank's Balanced Salt Solution)是一种常用的细胞培养缓冲液。
它模拟了人体内的离子浓度,并提供了细胞培养所需的适宜环境。
含钙镁的HBSS在细胞培养、试管受精、组织学研究以及细胞生物学研究中广泛应用。
本文将一步一步回答关于含钙镁的HBSS的用途。
第一步:介绍含钙镁的HBSS含钙镁的HBSS是一种模拟生理盐水的缓冲液,它是由生物医学研究者Hank制备的。
它含有多种离子,如钙离子和镁离子,这些离子对于细胞生长和维持正常细胞功能至关重要。
第二步:细胞培养含钙镁的HBSS广泛应用于细胞培养。
在细胞培养过程中,细胞需要一个稳定的环境来生长和繁殖。
含钙镁的HBSS可以提供与细胞内外环境相似的离子浓度和pH值,从而保证细胞在培养皿中的稳定生长。
HBSS还可以通过调整温度和气氛条件,为细胞提供更接近体内环境的生长条件。
第三步:试管受精含钙镁的HBSS也常用于试管受精过程中。
试管受精是一种辅助生殖技术,用于辅助无法通过自然方式怀孕的夫妇。
在试管受精过程中,卵子和精子在含钙镁的HBSS中进行受精。
HBSS提供了细胞所需的合适环境,促进受精的顺利进行。
第四步:组织学研究含钙镁的HBSS还被用于组织学研究。
在组织学研究中,科学家通常需要处理、保存和观察从人体捐献者或动物中获得的组织样本。
含钙镁的HBSS 可以用作组织标本的冲洗液,以去除血液、分泌物和其他污染物,并保持组织样本的结构完整性。
第五步:细胞生物学研究含钙镁的HBSS在细胞生物学研究中也起着重要作用。
在这个领域,科学家研究细胞的结构、功能和行为。
在处理细胞样本时,含钙镁的HBSS可以用于洗涤、悬浮和稀释细胞。
此外,HBSS还可以用于细胞培养基的配制、细胞染色和细胞存储。
总结:含钙镁的HBSS是一种常用的细胞培养缓冲液,模拟了人体内的离子浓度,并提供了细胞所需的适宜环境。
其应用包括细胞培养、试管受精、组织学研究以及细胞生物学研究等领域。
Hanks平衡盐溶液(1×HBSS,无酚红)产品简介:平衡盐溶液(Balanced Salt Solution,BSS)与细胞生长状态下的pH值、渗透压等环境状态一致,具有维持渗透压、控制酸碱平衡、供给细胞生存代谢所必需的能量和无机盐成分等作用,可满足体外实验中,细胞生存并维持一定的代谢的基本需要。
平衡盐溶液(BSS)主要由无机离子组成,有时含有碳酸氢钠、葡萄糖、酚红等,如果有必要还可以加入HEPES,加入少量的HEPES后,可以减少氯化钠的加入量,以维持渗透压的平衡。
平衡盐溶液可以作为完全培养基的基液,亦可以用于稀释浓缩的氨基酸、维生素溶液以配制完全培养基。
BBS配方常有改动,如Hank’s BBS由不含钙镁或酚红的,也有含钙镁含酚红的等等, Dulbecco’s PBS由不含钙镁或含钙镁的等。
HBSS、EBSS、PBS等都是与较弱的磷酸盐缓冲液相关的盐溶液。
常见的平衡盐溶液有Eargle液,Hanks’液、低钙镁和无钙、镁平衡盐溶液及磷酸盐缓冲液(PBS)等。
Hanks平衡盐溶液是最常用的磷酸盐缓冲溶液之一,又称Hanks' Balanced Salt Solution、Hanks’BSS, 或HBSS, 主要由氯化钠、氯化钾、磷酸氢二钠、磷酸二氢钾、碳酸氢钠、葡萄糖等组成,含钙离子和镁离子,pH值一般为7.2~7.4。
Leagene Hanks平衡盐溶液(1×,无酚红),含钙离子和镁离子,无酚红,用重蒸超纯水配制,pH值7.4,经严格过滤除菌处理,内毒素含量低,可用于胰蛋白酶和EDTA细胞消化液等各种无或低钙镁细胞培养用液的配制,组织和细胞的漂洗等,直接使用。
主要成分:主要由KCl、KH2PO4、NaCl、NaHCO3、Na2HPO4、葡萄糖、Mg2+、Ca2+等组成,不含酚红。
操作步骤(仅供参考):1、无需配制,直接使用。
注意事项:1、在进行细胞培养过程中细胞的洗涤时,应注意无菌操作,避免被微生物污染。
HBSS的配制和使用攻略HBSS主要用于培养液的配制或清洗细胞,不能单独使用。
本文介绍HBSS的配制和使用方法。
HBSS,即汉克斯平衡盐。
英文全名Hank's Balanced Salt Solution。
D-Hank's与Hank's的一个主要区别在于前者不含有钙和镁离子,因此D-Hank's常用于配制胰酶溶液。
Hank平衡盐溶液( HBSS)的配方为:8 g/L NaCl,0.4 g/L KCl,1 g/L 葡萄糖,60 mg/L KH2PO4,47.5 mg/L Na2HPO4,调pH至7.2.一般用于配制细胞培养过程中的培养基或者清洗细胞。
Hank's配方:NaCl 8.01;KCl 0.4;CaCl2 0.14;NaHCO3 0.35;KH2PO4 0.06;Glucose0.34(g/l);Hank平衡盐溶液( HBSS)的配方为:8 g/L NaCl,0.4 g/L KCl,1 g/L 葡萄糖,60 mg/L KH2PO4,47.5 mg/L Na2HPO4,调pH至7.2.HBSS一共分为四种,含钙镁,含酚红;含钙镁,不含酚红;不含钙镁,含酚红(D-hanks );不含钙镁,不含酚红(D-Hanks)。
此四种产品可根据客户需要自己选择。
而如果客户无法判断应该选择哪一种,可以选不含钙镁,不含酚红(D-Hanks )。
Han ks’含钙镁含酚红Hanks’含钙镁,不含酚红D- Hanks’不含钙镁含酚红D- Hanks’不含钙镁不含酚红DPBS不含钙镁不含酚红PBS不含钙镁不含酚红10*PBS不含钙镁不含酚红g/L g/L g/L g/L g/L g/L g/L NaCl 8 8 8 8 8 8 80 Na2HPO.12H2O 0.126 0.126 0.126 0.126 2.9 2.9 29 NaH2PO4·2H2O 0 0 0 0 0 0 0 KCl 0.4 0.4 0.4 0.4 0.2 0.2 2 KH2PO40.06 0.06 0.06 0.06 0.2 0.24 2.4 MgSO40.098 0.098 0 0 0 0 0 CaCl20.14 0.14 0 0 0 0 0D-葡萄糖 1 1 1 1 0 0 0酚红0.01 0 0.01 0 0 0 0 添加NaHCO30.35 0.35 0.35 0.35 0 0 0那么,HBSS能高压灭菌吗?答案是否定的。
HBSS的配制和使用攻略HBSS的配制和使用攻略 HBSS主要用于培养液的配制或清洗细胞,不能单独使用。
本文介绍HBSS的配制和使用方法。
H BSS,即汉克斯平衡盐。
英文全名Hank s Balanced Salt Solution。
D-Hank s与Hank s的一个主要区别在于前者不含有钙和镁离子,因此D-Hank s常用于配制胰酶溶液。
Hank平衡盐溶液( HBSS)的配方为:8 g/L NaCl, 0.4 g/L KCl,1 g/L 葡萄糖,60 mg/L KH2PO4,47.5 mg/L Na2HPO4,调pH至7.2.一般用于配制细胞培养过程中的培养基或者清洗细胞。
H ank s配方:NaCl8.01;KCl 0.4;CaCl2 0.14;NaHCO3 0.35;KH2PO40.06;Glucose 0.34(g/l); Hank平衡盐溶液( HBSS)的配方为:8 g/L NaCl, 0.4 g/L KCl,1 g/L 葡萄糖,60 mg/L KH2PO4,47.5 mg/L Na2HPO4,调pH至7.2. HBSS一共分为四种,含钙镁,含酚红;含钙镁,不含酚红;不含钙镁,含酚红(D-hanks );不含钙镁,不含酚红(D-Hanks)。
此四种产品可根据客户需要自己选择。
而如果客户无法判断应该选择哪一种,可以选不含钙镁,不含酚红(D-Hanks )。
H anks’ 含钙镁含酚红Hanks’ 含钙镁,不含酚红 D- Hanks’ 不含钙镁含酚红 D- Hanks’ 不含钙镁不含酚红 DPBS 不含钙镁不含酚红 PBS 不含钙镁不含酚红10*PBS 不含钙镁不含酚红g/L g/L g/L g/L g/L g/L g/L NaCl88888880 Na2HPO.12H2O0.126 0.126 0.126 0.1262.92.929 NaH2PO4·2H2O 0 0 0 0 0 0 0 KCl 0.4 0.4 0.4 0.4 0.2 0.22 KH2PO4 0.06 0.06 0.06 0.06 0.2 0.242.4 MgSO4 0.098 0.098 0 0 0 0 0 CaCl2 0.14 0.14 0 0 0 0 0 D-葡萄糖1111 0 0 0 酚红 0.01 0 0.01 0 0 0 0 添加NaHCO3 0.35 0.35 0.35 0.35 0 0 0 那么,HBSS能高压灭菌吗? 答案是否定的。
北京雷根生物技术有限公司
Hanks 平衡盐粉剂(1×HBSS,无酚红)
简介:
HBSS 、EBSS 、PBS 等都是与较弱的磷酸盐缓冲液相关的盐溶液。
常见的平衡盐溶液有Eargle's 液、Hank's 液、磷酸盐缓冲溶液(PBS)等。
Hanks 平衡盐溶液是最常用的磷酸盐缓冲溶液之一,又称Hanks' Balanced Salt Solution 、Hanks' BSS 、HBSS, 主要由氯化钠、氯化钾、磷酸盐、碳酸氢钠、葡萄糖等组成,含Ca 2+、Mg 2+,不含酚红,pH 值一般为7.2~7.4。
使用时,取粉末充分溶解于水即可使用,如要求无菌,应过滤除菌,不可高压灭菌。
组成:
操作步骤(仅供参考):
1、取1份Hanks 平衡盐粉剂(1×HBSS,无酚红),溶解于1L 去离子水或双蒸水中,充分混匀,即可使用。
2、如需无菌,可以过滤除菌,不可高压灭菌。
注意事项:
1、 在进行细胞培养过程中细胞的洗涤时,应注意无菌操作,避免被微生物污染。
2、 Leagene Hanks 平衡盐粉剂(1×HBSS,无酚红)由于含钙离子,易产生少许沉淀,出现
该种情况后,一般置于温浴至沉淀溶解即可,如果产生的沉淀较多应弃用。
3、 为了您的安全和健康,请穿实验服并戴一次性手套操作。
编号 名称 CC0031 CC0031 Storage Hanks 平衡盐粉剂(1×HBSS,无酚红) 1L 10×1L RT 使用说明书 1份。
D-Hanks平衡盐溶液(5×,含酚红)产品简介:BBS配方常有改动,如Hank's BBS由不含钙镁或酚红的,也有含钙镁含酚红的等等, Dulbecco's PBS有不含钙镁或含钙镁的等。
HBSS、EBSS、PBS等都是与较弱的磷酸盐缓冲液相关的盐溶液。
常见的平衡盐溶液有Eargle's液、Hank's液、磷酸盐缓冲溶液(PBS)等。
D-Hanks平衡盐溶液是最常用的磷酸盐缓冲溶液之一,又称CMF-Hanks' Balanced Salt Solution、CMF-HBSS溶液或D-Hanks' BSS, 主要由氯化钠、氯化钾、磷酸盐、碳酸氢钠、葡萄糖等组成,不含Ca2+、Mg2+,pH值一般为7.2~7.4。
产品组成:操作步骤(仅供参考):1、进行细胞培养过程中细胞的洗涤时,按D-Hanks平衡盐溶液(5×,含酚红):无菌水=1:4进行稀释,即取D-Hanks平衡盐溶液(5×,含酚红)1份、无菌水4份,充分混匀,即获得D-Hanks工作液。
2、进行常规实验(不要求无菌)时,按D-Hanks平衡盐溶液(5×,含酚红):双蒸水或去离子水=1:4进行稀释,即取D-Hanks平衡盐溶液(5×,含酚红)溶液1份、双蒸水或去离子水4份,充分混匀,即获得D-Hanks工作液。
3、取D-Hanks工作液进行下游实验。
注意事项:1、在进行细胞培养过程中细胞的洗涤时,应注意无菌操作,避免被微生物污染。
2、Leagene D-Hanks平衡盐溶液(5×,含酚红)由于不含钙离子,不易产生沉淀,出现该种情况后,一般置于温浴至沉淀溶解即可, 如果产生较多沉淀应弃用。
3、该试剂经过滤除菌。
4、为了您的安全和健康,请穿实验服并戴一次性手套操作。
有效期:3个月有效。
相关产品:产品编号 产品名称CC0007 磷酸缓冲盐溶液(10×PBS,无钙镁)CC0033 Hanks平衡盐溶液(1×HBSS,无酚红)CC0045 Earle's平衡盐溶液(1×EBSS,无钙镁糖酚红)CM0004 LB培养基DA0001 DAPI染色液(5ug/ml)DA0065 台盼蓝染色液(0.4%)DG0005 糖原PAS染色液OR0001 pH标准缓冲溶液(pH=4.00)PE0096 SDS-PAGE浓缩胶缓冲液(4×)。
杭州昊鑫生物科技股份有限公司htpp://
Hanks`平衡盐溶液(无碳酸氢钠)干粉
Hanks` 平衡盐溶液(无碳酸氢钠)干粉
干粉中含有:1.3mM 氯化钙;5.4mM 氯化钾;0.4mM磷酸二氢钾;0.8mM 硫酸镁;137mM 氯化钠;0.34mM 磷酸氢二钠;5.6mM 葡萄糖,0.03mM 酚红。
配制流程
1. 将干粉的外包装袋撕开;
2. 将袋中的干粉慢慢到入1.8L 15~20℃蒸馏水,搅拌使其溶解;
3. 将20mL左右的蒸馏水加入干粉袋内,冲洗剩余的干粉,将冲洗的蒸馏水加入至第2步的溶液中,反复冲洗直至袋中无肉眼可见的颗粒;
4. 加入0.7g碳酸氢钠;
5. 调节pH值至
6.7~
7.8;
6. 定容至2L;
如果需要无菌溶液,可通过0.22μm滤膜过滤除菌;或高压灭菌。
温馨提示
为了您的自身安全,使用试剂前,请带手套。
储存温度
干粉可室温保存;配制为液体后可保存于2~8℃。
包装清单
货号品名包装HCY188Hanks` 平衡盐溶液(无碳酸氢钠)干粉2L HCY189 Hanks` 平衡盐溶液(无碳酸氢钠)干粉5L
1。
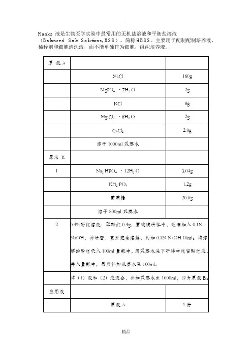
Hanks 平衡盐溶液(5×HBSS,含酚红)
简介:
平衡盐溶液(Balanced Salt Solution ,BSS)与细胞生长状态下的pH 值、渗透压等环境状态一致,具有维持渗透压、控制酸碱平衡、供给细胞生存代谢所必需的能量和无机盐成分等作用,可满足体外实验中细胞生存并维持一定的代谢的基本需要。
主要由无机离子组成,有时含有碳酸氢钠、葡萄糖、酚红等,如果有必要还可以加入HEPES 以维持渗透压的平衡。
BBS 配方常有改动,如Hank's BBS 有不含钙镁或酚红的,也有含钙镁含酚红的等, Dulbecco's PBS 有不含钙镁或含钙镁的等。
HBSS 、EBSS 、PBS 等都是与较弱的磷酸盐缓冲液相关的盐溶液。
常见的平衡盐溶液有Eargle's 液、Hank's 液、磷酸盐缓冲溶液(PBS)等。
Hanks 平衡盐溶液是最常用的磷酸盐缓冲溶液之一,又称Hanks' Balanced Salt Solution 、Hanks' BSS 、HBSS, 主要由氯化钠、氯化钾、磷酸盐、碳酸氢钠、葡萄糖等组成,含Ca 2+、Mg 2+、酚红。
Leagene Hanks 平衡盐溶液(5×,含酚红),含Ca 2+、Mg 2+、酚红,用重蒸超纯水配制,经严格过滤除菌处理,内毒素含量低,可用于胰蛋白酶-EDTA 细胞消化液等各种无或低钙镁细胞培养用液的配制以及组织和细胞的漂洗等。
该试剂为浓缩液,使用之前应稀释至。
组成:
操作步骤(仅供参考):
1、 进行细胞培养过程中细胞的洗涤时,5×HBSS 溶液:无菌水按一定的比例进行稀释,即取5×HBSS 溶液、无菌水,充分混匀,即获得HBSS 工作液。
2、 进行常规实验(不要求无菌)时,5×HBSS 溶液:双蒸水或去离子水按一定比例进行稀释,即取5×HBSS 溶液、双蒸水或去离子水,充分混匀,即获得HBSS 工作液。
3、 取HBSS 工作液进行下游实验。
注意事项:
1、 在进行细胞培养过程中细胞的洗涤时,应注意无菌操作,避免被微生物污染。
2、 Leagene Hanks 平衡盐溶液(5×HBSS,含酚红)由于含钙离子,尤其其他盐离子浓度也很 编号 名称 CC0034 Storage Hanks 平衡盐溶液(5×HBSS,含酚红) 500ml 4℃ 使用说明书 1份
高,易产生少许沉淀,出现该种情况后,一般置于温浴至沉淀溶解即可,如果产生的沉淀较多应弃用。
3、该试剂经过滤除菌。
4、为了您的安全和健康,请穿实验服并戴一次性手套操作。
有效期:3个月有效。
相关:
编号名称
CC0005 磷酸缓冲盐溶液(1×PBS,无钙镁)
CC0065 HEPES溶液(1mol/L,pH7.4)
DJ0001 普鲁士蓝染色液(核固红法)
IH0142 PBS磷酸盐缓冲液(0.01mol/L,pH7.2-7.4)
NA0006 DNA凝胶加样缓冲液(6×DNA Loading Buffer)
NH0043 SSC缓冲液(20×,pH7.0)
R00192 Tris-EDTA缓冲液(1×TE,pH8.0)。