1职业病危害项目申报表及填写说明
- 格式:doc
- 大小:38.54 KB
- 文档页数:2
职业病危害申报内容与程序范本职业病危害申报是指企事业单位对于发生在其员工中的职业病病例进行报告和申报的行为。
这项申报制度的目的是及时掌握和了解职业病的发生情况,加强对职业病防治工作的管理和监督,保障职工的健康和权益。
下面是一份职业病危害申报内容与程序的范本:一、职业病危害申报内容1. 企事业单位基本信息(1) 单位名称:填写申报单位的准确名称;(2) 组织机构代码:填写申报单位的组织机构代码;(3) 行业类别:填写申报单位所属的行业类别。
2. 职业病病例基本信息(1) 姓名:填写职业病病例的患者姓名;(2) 性别:填写患者的性别;(3) 年龄:填写患者的年龄;(4) 职业:填写患者所从事的职业;(5) 工龄:填写患者在该单位从业的年限。
3. 职业病病情描述(1) 病情发生时间:填写患者出现职业病症状的具体时间;(2) 症状及表现:详细描述患者出现的职业病症状和表现;(3) 与工作环境接触情况:说明患者在工作过程中接触到的有害物质或工作环境。
4. 预防和控制措施(1) 是否存在防护措施:说明申报单位是否有相应的职业病防护措施;(2) 是否存在职业病危害因素:说明申报单位是否存在职业病危害因素;(3) 预防和控制措施:详细描述申报单位采取的职业病预防和控制措施,如使用防护设备、实施检测和监测等。
5. 治疗和康复情况(1) 治疗情况:说明患者接受的治疗方式、治疗效果等;(2) 康复情况:说明患者的康复进展和康复效果。
二、职业病危害申报程序1. 发现职业病病例申报单位应及时发现和识别职业病病例,监测职业病病情,确保及时采取措施。
2. 归类和统计申报单位应根据职业病病例的不同类型,将其归类和统计,以便进行月度、季度和年度的报表。
3. 填写职业病危害申报表申报单位应按照要求,填写职业病危害申报表,详细记录职业病病例的信息和情况。
4. 上报职业病危害申报表申报单位应将填写完整的职业病危害申报表上报给上级职业病防治机构或相关职能部门。
职业病危害项目申报系统操作手册
职业病危害项目申报系统操作手册
1. 登录系统
- 打开浏览器,输入系统的网址。
- 输入用户名和密码进行登录。
2. 申报项目
- 在系统主界面上找到“申报项目”选项,并点击进入。
- 填写项目相关信息,包括项目名称、负责人、参与人员等。
- 按照系统要求上传相关附件,如项目计划书、预算等。
- 确认无误后,点击“提交”按钮进行项目的正式申报。
3. 审核流程
- 提交成功后,项目将进入审核流程。
- 系统会自动将项目发送给相关审批人员进行审核。
- 审核人员可以在系统中查看项目详情,并根据自己的判断进行审核。
- 若审核通过,项目将继续进入下一步;若审核不通过,需要修改并重新提交申请。
4. 项目管理
- 在系统中可以查看已经申报的项目以及其状态。
- 可以随时查看项目的进展情况、审核结果等信息。
- 在项目进行过程中,可以对项目进行修改、补充材料等操作。
5. 报表导出
- 在系统中可以生成各种报表,如已申报项目列表、审批通过项目列表等。
- 点击相应的报表选项,系统会自动生成相应的报表并提供下载。
6. 系统设置
- 在系统设置中可以进行一些基本配置,如修改密码、设置权限等。
- 可以根据需要调整系统的一些功能和界面设置。
以上是职业病危害项目申报系统的操作手册。
请注意,在具体使用过程中,可能会有一些细节上的差异,因此建议参考系统提供的具体操作指南,以确保正确使用系统。
职业病危害项目申报表单位:(盖章)主要负责人:(签字)日期:填报人:联系电话:填表说明1.【申报类别】是指第一次申报还是变更申报。
如是变更申报,需要填写【变更原因】。
2.【变更原因】按《职业病危害项目申报办法》第八条的内容简要填写。
3.【单位注册地址】指单位工商注册的地址。
4.【工作场所地址】指用人单位从事职业活动的地点。
5.【法定代表人】指用人单位的法定代表人;不具备法人资格的企业、个体经济组织等用人单位,填写单位负责人。
6.【企业规模】按国家统计局《关于印发统计上大中小微型企业划分办法的通知》(国统〔2011〕75号)的要求,填写大、中、小、微。
7.【行业分类】按《国民经济行业分类和代码》(GB/T4754-2002)填报。
8.【注册类型】按工商局注册的类型,填写国有企业、集体企业、股份合作企业、联营企业、有限责任公司、股份有限公司、私营企业、港澳台商投资企业、外商投资企业、其他企业。
9.【劳动者总人数】【职业病累计数】等需要填写数字的栏目,数据统计范围为截至目前。
10.【职业病危害因素种类】接触人数按粉尘类、化学物质类、物理因素类、放射性物质类、其他五类分别填写。
此栏目由计算机自动生成,网上申报可以不填。
如仅纸质申报,应分类填写。
11.【接触职业病危害总人数】指目前接触各种职业危害的人数。
由计算机自动生成,网上申报不填。
如仅纸质申报,应填写。
12.【职业病危害因素分布情况】按作业场所分别填报,【危害因素】依据《职业病危害因素分类目录》规定填写,【接触人数】(可重复)指实际接触该职业病危害因素的人数。
13.【接触职业病危害人数】(不重复)指该作业场所实际接触所有职业病危害因素的人数,由于一个人可能接触多种职业病危害因素,不能按职业病危害因素简单相加,为方便起见,可采用工作场所内在岗职工人数减去不接触职业危害人数的简单计算方式填报。
职业病危害项目申报表填报人:联系电话:填表说明1.【申报类别】是指第一次申报还是变更申报。
如是变更申报,需要填写【变更原因】。
2.【变更原因】按《职业病危害项目申报办法》第八条的内容简要填写。
3.【单位注册地址】指单位工商注册的地址。
4.【工作场所地址】指用人单位从事职业活动的地点。
5.【法定代表人】指用人单位的法定代表人;不具备法人资格的企业、个体经济组织等用人单位,填写单位负责人。
6.【企业规模】按国家统计局《关于印发统计上大中小微型企业划分办法的通知》(国统〔2011〕75号)的要求,填写大、中、小、微。
7.【行业分类】按《国民经济行业分类和代码》(GB/T4754-2002)填报。
8.【注册类型】按工商局注册的类型,填写国有企业、集体企业、股份合作企业、联营企业、有限责任公司、股份有限公司、私营企业、港澳台商投资企业、外商投资企业、其他企业。
9.【劳动者总人数】【职业病累计数】等需要填写数字的栏目,数据统计范围为截至目前。
10.【职业病危害因素种类】接触人数按粉尘类、化学物质类、物理因素类、放射性物质类、其他五类分别填写。
此栏目由计算机自动生成,网上申报可以不填。
如仅纸质申报,应分类填写。
11.【接触职业病危害总人数】指目前接触各种职业危害的人数。
由计算机自动生成,网上申报不填。
如仅纸质申报,应填写。
12.【职业病危害因素分布情况】按作业场所分别填报,【危害因素】依据《职业病危害因素分类目录》规定填写,【接触人数】(可重复)指实际接触该职业病危害因素的人数。
13.【接触职业病危害人数】(不重复)指该作业场所实际接触所有职业病危害因素的人数,由于一个人可能接触多种职业病危害因素,不能按职业病危害因素简单相加,为方便起见,可采用工作场所内在岗职工人数减去不接触职业危害人数的简单计算方式填报。
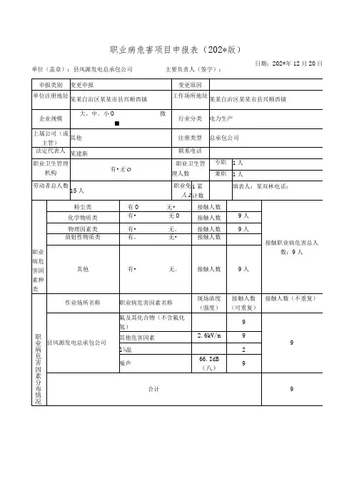
职业病危害项目申报表(202*版)
单位(盖章):县风源发电总承包公司 主要负责人(签字):
日期:202*年12月20日
安全生产十项注意事项:
一、工作前穿戴好规定的劳动防护品,检查设备及作业场地,做到安全可靠。
二、不违章作业,并监督制止他人违章作业。
三、不准擅自开动别人操作的机械,电器开关设备。
登高作业应戴好安全带、安全帽、并有专人监护、防止坠落,严禁向下乱抛工具和设备零件。
四、不准随便拆除各种安全防护装置、信号标志、仪表及专指示器等。
保持设备齐全有效灵敏可靠。
五、不准随意启动设备。
机器设备停机检查或修理时,应切断电源并悬挂警示牌,取牌人应是挂牌人。
开机时发出信号,听到回音确定安全后才能开机。
六、不准吊装物及下行人。
多人操作起重搬运要统一指挥,密切配合。
不准超负荷使用机器。
七、不在易燃物品附近吸烟动火,不乱扔垃圾。
八、不在厂内无证驾驶机动车辆,机动车进出车间转弯必须鸣号减速。
车辆行驶中严禁爬上跳下。
九、工作时精力集中,不准打闹、赤脚、赤膊、穿拖鞋和高跟鞋。
十、上班时间不准怠工、滋事、脱岗或擅离职守。
有事请假经领导批准后方可离开岗位。
职业病危害项目申报表申报单位(盖章)法定代表人(签名)主管部门申报日期中华人民共和国卫生部制一、申报单位提交的资料二、申报单位基本情况表注:本表数字均按申报前一年度的统计数字填报。
《职业病危害项目申报表》填报说明根据《中华人民共和国职业病防治法》,编制《职业病危害项目申报表》(简称《申报表》)。
申报单位应依照本《填报说明》如实填报《申报表》。
填报的检测数据采用国家标准采样和分析方法。
一、基本情况表【企业规模】根据国家经委、国家计委、国家统计局、财政部、劳动人事部所颁布的“大中小型工业企业划分标准”来划分企业规模,按特大型、大型一档、大型二档、中一档、中二档、小型和其它分类,在本栏填入相应代码。
参照表1给出的7种规模的代码来填写,为1位数字。
表1 企业规模代码表【企业注册类型】按表2给出的10种企业注册类型代码填写,为3位数字。
事业单位不填写此项。
【行业分类】按GB/T4754—94《国民经济行业分类和代码》填报,为4位数字。
注意与行业小类所填列的内容相对应。
【填报类别】申报单位是第一次申报还是变更申报,请在相应处划√。
【变更原因】用于变更申报登记用,参照表3中所列的变更原因,填写相应的代码,为2位数字。
二、职业病危害因素汇总表【职业病危害因素名称】按《职业病危害因素分类目录》填报。
如职业病危害因素超过12个可加页续填。
【职业病危害因素来源】产生和存在职业病危害因素的工序或装置名称。
【作业方式】指产生和存在职业病危害因素的设备或工序的密闭化、自动化程度。
可按全密闭、半密闭、敞开式、自动化、手工操作、隔离操作等情况填写。
【应急救援设施】根据实际情况,在相应处划√。
三、其它资料【主要生产工艺流程图】用方框表明工艺、装置和设施的名称;用线条表明生产工艺全流程;文字注明主要职业危害因素的名称及产生或存在部位。
四、申报登记号和数据库编号由卫生行政部门填写。
职业病危害项目申报表申报单位(盖章)法定代表人经办人联系电话申报日期年月日高新区区安全生产监督管理局制附件1职业病危害项目申报表单位:(盖章)主要负责人:(签字)日期:填报人:联系电话:填表说明1。
【申报类别】是指第一次申报还是变更申报。
如是变更申报,需要填写【变更原因】.2.【变更原因】按《职业病危害项目申报办法》第八条的内容简要填写。
3.【单位注册地址】指单位工商注册的地址。
4。
【工作场所地址】指用人单位从事职业活动的地点.5。
【法定代表人】不具备法人资格的企业、个体经济组织等用人单位,填写单位负责人。
6。
【企业规模】按国家统计局《关于印发统计上大中小微型企业划分办法的通知》(国统〔2011〕75号)的要求,填写大、中、小、微。
7.【行业分类】按《国民经济行业分类和代码》(GB/T4754-2002)填报.8。
【劳动者总人数】【职业病累计数】等需要填写数字的栏目,数据统计范围为截至目前.9.【职业病危害因素种类】接触人数按粉尘类、化学物质类、物理因素类、放射性物质类、其他五类分别填写。
此栏目由计算机自动生成,网上申报可以不填。
如仅纸质申报,应分类填写.10.【接触职业病危害总人数】指目前接触各种职业危害的人数。
由计算机自动生成,网上申报不填.如仅纸质申报,应填写。
11.【职业病危害因素分布情况】按作业场所分别填报,【危害因素】依据《职业病危害因素分类目录》规定填写,【接触人数】(可重复)指实际接触该职业病危害因素的人数。
12.【接触职业病危害人数】(不重复)指该作业场所实际接触所有职业病危害因素的人数,由于一个人可能接触多种职业病危害因素,不能按职业病危害因素简单相加,为方便起见,可采用工作场所内在岗职工人数减去不接触职业危害人数的简单计算方式填报。
职业病危害项目申报表申报单位(盖章)法定代表人经办人联系电话申报日期年月日高新区区安全生产监督管理局制附件1职业病危害项目申报表单位:(盖章) 主要负责人:(签字) 日期:填报人:联系电话:填表说明1。
【申报类别】是指第一次申报还是变更申报。
如是变更申报,需要填写【变更原因】。
2。
【变更原因】按《职业病危害项目申报办法》第八条的内容简要填写。
3.【单位注册地址】指单位工商注册的地址.4.【工作场所地址】指用人单位从事职业活动的地点。
5。
【法定代表人】不具备法人资格的企业、个体经济组织等用人单位,填写单位负责人。
6.【企业规模】按国家统计局《关于印发统计上大中小微型企业划分办法的通知》(国统〔2011〕75号)的要求,填写大、中、小、微.7。
【行业分类】按《国民经济行业分类和代码》(GB/T4754-2002)填报。
8。
【劳动者总人数】【职业病累计数】等需要填写数字的栏目,数据统计范围为截至目前。
9。
【职业病危害因素种类】接触人数按粉尘类、化学物质类、物理因素类、放射性物质类、其他五类分别填写。
此栏目由计算机自动生成,网上申报可以不填。
如仅纸质申报,应分类填写。
10。
【接触职业病危害总人数】指目前接触各种职业危害的人数。
由计算机自动生成,网上申报不填。
如仅纸质申报,应填写。
11.【职业病危害因素分布情况】按作业场所分别填报,【危害因素】依据《职业病危害因素分类目录》规定填写,【接触人数】(可重复)指实际接触该职业病危害因素的人数。
12.【接触职业病危害人数】(不重复)指该作业场所实际接触所有职业病危害因素的人数,由于一个人可能接触多种职业病危害因素,不能按职业病危害因素简单相加,为方便起见,可采用工作场所内在岗职工人数减去不接触职业危害人数的简单计算方式填报。
职业病危害项目申报表填报人:联系电话:填表说明1.【申报类别】是指第一次申报还是变更申报。
如是变更申报,需要填写【变更原因】。
2.【变更原因】按《职业病危害项目申报办法》第八条的内容简要填写。
3.【单位注册地址】指单位工商注册的地址。
4.【工作场所地址】指用人单位从事职业活动的地点。
5.【法定代表人】指用人单位的法定代表人;不具备法人资格的企业、个体经济组织等用人单位,填写单位负责人。
6.【企业规模】按国家统计局《关于印发统计上大中小微型企业划分办法的通知》(国统〔2011〕75号)的要求,填写大、中、小、微。
7.【行业分类】按《国民经济行业分类和代码》(GB/T4754-2002)填报。
8.【注册类型】按工商局注册的类型,填写国有企业、集体企业、股份合作企业、联营企业、有限责任公司、股份有限公司、私营企业、港澳台商投资企业、外商投资企业、其他企业。
9.【劳动者总人数】【职业病累计数】等需要填写数字的栏目,数据统计范围为截至目前。
10.【职业病危害因素种类】接触人数按粉尘类、化学物质类、物理因素类、放射性物质类、其他五类分别填写。
此栏目由计算机自动生成,网上申报可以不填。
如仅纸质申报,应分类填写。
11.【接触职业病危害总人数】指目前接触各种职业危害的人数。
由计算机自动生成,网上申报不填。
如仅纸质申报,应填写。
12.【职业病危害因素分布情况】按作业场所分别填报,【危害因素】依据《职业病危害因素分类目录》规定填写,【接触人数】(可重复)指实际接触该职业病危害因素的人数。
13.【接触职业病危害人数】(不重复)指该作业场所实际接触所有职业病危害因素的人数,由于一个人可能接触多种职业病危害因素,不能按职业病危害因素简单相加,为方便起见,可采用工作场所内在岗职工人数减去不接触职业危害人数的简单计算方式填报。
台帐之一职业病危害项目申报档案用人单位:表1-1可能产生职业病危害设备、材料和化学品一览表设备、材料、化学品名称可能产生的职业病危害因素名称使用车间和岗位年使用量生产、供货单位防护设施名称型号使用车间和岗位防护用途生广及安装单位验收日期用人单位:表2-1职业卫生管理制度制度名称制订日期公布方式或地点职业卫生管理制度职业卫生教育培训制度职业病危害因素监测评价制度职业健康检查与诊疗制度职业病危害告知制度职业病防护设施维护管理制度个人防护用品发放管理制度职业卫生检查与奖惩制度职业病危害事故应急救援预案操作规程名称工种或冈位公布方式或地点注:对存在职业病危害的主要工种或岗位制定相应的平安卫生操作规程年度用人单位:危害种类可能造成损害管理意义〔是/否〕消除隔离限制治理措施完成期限检查方案实施结果用途工作内容经费〔元〕备注职业卫生管理机构生广车间改造生广工艺改进防护设施建设与维护个人劳动防护用品工作场所卫生检测评价职业卫生宣传培训职工健康监护职业病人诊疗警示标识工作保险合计表3-3职业病危害防护设施检修、维护记录表车间名称车间负责人防护设备名称检修时间检修、维护情况〔包括检修的原因、检修部门、检修费用、检修效果等〕:验收意见负责人〔签名〕:日期:年月日表3-4年度个人防护用品的发放使用记录车间名称个人防护用品名称型号数量领发人领发日期附:个人防护用品的生产、供货单位,使用说明和产品合格负责人〔签名〕:日期:年月日表3-5用人单位职业卫生检查和处理记录表车间名称车间负责人检查地点检查情况记录:1、生广车间的总体卫生状况:;2、生产车间警示标识:;3、防护设施运行情况:;4、应急救援设施、通讯报警装置运行情况:;5、工人个人防护用品使用情况:;6、工人操作规程执行情况:;7、工人规章制度执行情况:;8、其他:;检查人员〔签名〕:日期:年月日时分整改意见:年月日负责人〔签名〕:日期:落实情况车间负责人〔签名〕:日期:年月日表3-6职业卫生监督意见和落实情况记录表上级检查部门检查日期〔主要内容摘录,附原件〕:发现的问题以及提出的整改意见有关职能部门提出的落实措施建议企业领导审批意见落实情况负责人〔签名〕:日期:年月日台帐之四职业卫生宣传教育档案年度用人单位:职业卫生管理负责人:表4-1—年度劳动者职业卫生宣传培训一览表车间名称:车间负责人:车间名称:培训内容:培训日期:姓名岗位工种培训时间考试成绩日期:负责人〔签名〕:日期:台帐之五职业卫生监测档案年度用人单位:台帐之六职工健康监护档案年度用人单位:表6-1年度接触有毒有害作业工人健康检查结果一览表体检类别:岗前〔〕、岗中〔〕、离岗〔〕、应急〔〕姓名性别年龄车间上/离岗时间体检结论处理意见落实情况/负责人〔签名〕:表6-2职业病病例一览表姓名车间、岗位职业病名诊断部门诊断时间处理情况表6-3疑似职业病病例一览表姓名车间、岗位疑似职业病名体检机构体检时间处理情况表6-4职业中毒事故与处理记录表企业名称法定代表人事故报告人中应事件情况:1、发生时间:年月日时2、发生场所〔车间名称〕:工作内容3、中蠹情况:接触人数发病人数送医院治疗人数死亡人数04、蠹物名称:事件经过〔事件起因、患者主要临床表现、救援过程和处理情况〕:事故性质最终分析结论:事件报告情况1、才器时间年—月日时2、报告单位:负责人〔签名〕:日期:年月日。
1. 填写说明针对附表2-1 中的调查内容,填写说明如下:1)【用人单位名称】:准确填写企业的全称并加盖单位全称公章。
含有多个法人单位的多法人联合体,应分别对每个法人单位开展统计调查,不能将多个法人单位作为一个统计单位。
2)【社会信用代码】:准确填写18 位长度社会信用代码。
该代码由国家标准委发布,即为识别企业法人和其他组织身份识别的代码。
3)【工作场所地址】:指用人单位从事职业活动的具体地点。
4)【单位注册地址】:指单位工商注册的地址。
5)【所属行业】:依据《国民经济行业分类》(GBT 4754-2017)填写,选至最底层的行业目录,不能涵盖所有制造的产品时,选取上一级行业目录,如某企业生产“防水建筑材料”和“建筑用石” ,则选取中类“砖瓦、石材等建筑材料制造” ;玉石加工类企业选取“工艺美术及礼仪用品制造”;石英砂采选企业选取“其他未列明非金属矿采选”,用石英砂作为原料进行加工的企业在制造业中选取相应的行业。
在采矿企业时选取行业时,选取大类即可,如煤矿企业,选取煤炭开采和洗选业,6)【法人姓名】:指用人单位的法定代表人;不具备法人资格的企业、个体经济组织等用人单位,填写单位负责人。
7)【职业卫生管理联系人】:填写制定企业年度职业病防治计划、工作目标、方针、组织员工开展职业卫生培训、职业健康体检、制定事故应急救援预案、负责职业健康及职业病防治检查监督等工作的负责人姓名或任命的专职职业卫生管理人员。
8)【联系电话】:填写职业卫生管理联系人有效的联系电话,确保能进行联系。
9)【本单位在册职工总数】:填写本单位在册职工总数,不包括外委人员数,数据统计范围为截至调查当天。
10)【外委人员数】:填写企业将工作委托给其他具有相关资质的单位和个人实施的人数,数据统计范围为截至调查当天。
11)【经济类型】:依据国家统计局、国家工商行政管理总局《关于划分企业登记注册类型的规定调整的通知(国统字〔2011〕86 号)》填写。
职业病危害管理项目申报表模版一、项目概述本项目旨在开展职业病危害管理工作,提高劳动者的工作环境和职业健康水平,减少职业病危害的发生和影响。
二、项目目标1. 建立和完善职业病危害管理制度和政策,以确保职业卫生措施的有效实施。
2. 提供相关培训和宣传,增强劳动者对职业病危害的认识和防范意识。
3. 进行职业病危害监测和评估,及时掌握职业病危害状况,采取相应的防控措施。
4. 支持职业病患者的康复和救助工作,提供必要的治疗和补偿。
5. 加强与相关部门和机构的合作,共同推进职业病危害管理工作。
三、项目实施步骤1. 开展职业病危害管理制度和政策的研究和制定。
2. 执行相关培训和宣传计划,提高职工的职业病防护知识和技能。
3. 建立职业病危害监测和评估体系,定期进行职业病危害评估。
4. 设立职业病患者康复和救助机构,提供相应的医疗和补偿服务。
5. 与相关部门和机构建立合作机制,共同推进职业病危害管理工作。
四、项目预期成果1. 职业病危害管理制度和政策的完善,确保职业卫生措施的有效实施。
2. 职工对职业病危害的认识和防范意识的提高。
3. 职业病危害状况的及时监测和评估,采取相应的防控措施。
4. 职业病患者得到必要的康复和救助,享受相应的医疗和补偿服务。
5. 与相关部门和机构的合作机制的建立,共同推进职业病危害管理工作。
五、项目预算1. 人力资源费用:XXXX元。
2. 培训和宣传费用:XXXX元。
3. 职业病危害监测和评估费用:XXXX元。
4. 职业病患者康复和救助费用:XXXX元。
5. 合作机制建立费用:XXXX元。
6. 总预算:XXXX元。
六、项目进度计划1. 项目准备阶段:X月至X月。
2. 项目实施阶段:X月至X月。
3. 项目总结和评估阶段:X月至X月。
七、项目管理与监督1. 设立项目管理小组,负责项目的具体实施和监督。
2. 每月召开项目管理会议,及时沟通和解决项目中的问题。
3. 定期与项目相关方进行沟通,了解项目进展和问题。
职业病危害项目申报表申报单位(盖章)XXXXXXXXX加油站法定代表人(签字)主管部门申报日期201X年月日中华人民共和国卫生部制《职业病危害项目申报表》填报说明根据《中华人民共和国职业病防治法》,编制《职业病危害项目申报表》(简称《申报表》)。
申报单位应依照本《填报说明》如实填报《申报表》。
填报的监测数据采用国家标准采样和分析方法。
一、基本情况【企业规模】根据国家经委、国家计委、国家统计局、财政局、劳动人事部所颁布“大中小型工业企业划分标准”来划分企业规模,按特大型、大型一档、大型二档、中一型、中二型、小型和其他分类,在本栏填入相应代码。
参照表1给出的7种规模的代码来填写,为1位数字。
表1 企业规模代码表【企业注册类型】按表2给出的10种企业注册类型代码填写,为3位数字。
事业单位不填写此项。
表2 企业注册类型代码表【行业分类】按GB/T4754-94《国民经济行业分类和代码》填报,为4为数字。
注意与行业小类所填列的内容相对应。
【填报类别】申报单位是第一次申报还是变更申报,请在相应处划√。
【变更原因】用于变更申报登记用,参照表3 中所列的变更原因,填写相应的代码,为2位数字。
表3 变更原因代码表二、职业病害因素汇总表【职业病危害因素名称】按《职业病危害因素分类目录》填报。
如职业危害因素超过12个可加页续填。
【职业病危害来源】产生或存在职业病危害因素的工序或装置名称。
【作业方式】指产生或存在职业病危害因素的设备或工序的密闭化、自动化程度。
可按全密闭、半密闭、敞开式、自动化、手工操作、隔离操作等情况填写。
【应急救援设施】根据实际情况,在相应处划三、其他资料【主要生产工艺流程图】用方框标明工艺、装置和设施的名称;用线条标明生产工艺全流程;文字注明主要职业危害因素的名称及生产或存在部位。
四、申报登记号和数据库编号由卫生行政部门填写申报单位提交的资料申报单位基本情况表注:本表数字均按申报前一年度的统计数字填报职业病危害因素汇总表填表人签字:审核人签字:单位签字:经营基本情况表—7 —。
职业病危害项目申报表
申报单位(盖章)
法定代表人(签名)
主管部门
申报日期
中华人民共和国卫生部制
一、申报单位基本情况表
注:1、本表数字均按申报前一年度的统计数字填报。
2、另需提交的资料(资料用A4纸附后)
○1、主要原、辅料和中间品的名称和消耗量(产量)
○2、生产工艺流程图
○3、其它需提交的资料(如:主要产品名称和产量、作业场所职业病危害因素监测资料等)
二、职业病危害因素汇总表
填表人签字:审核人签字:
三、主要产品的名称和产量
填表人签字审核人签字:
四、主要原、辅料及中间品的名称和消耗量
填表人签字:审核人签字:
五、职业病危害因素检测结果表
填表人签字:审核人签字:注:以申报前一年度的职业病危害因素检测结果填报。
职业病危害项目申报表单位:(盖章)主要负责人:日期:
填表说明
1.【申报类别】是指第一次申报还是变更申报。
如是变更申报,需要填写【变更原因】。
2.【变更原因】按第八条的内容简要填写。
3.【单位注册地址】指单位工商注册的地址。
4.【工作场所地址】指用人单位从事职业活动的地点。
5.【法定代表人】不具备法人资格的企业、个体经济组织等用人单位,填写单位负责人。
6.【企业类型】按国家统计局关于印发统计上大中小微型企业划分办法的通知(国统
〔2011〕75号)的要求,填写大、中、小、微。
7.【行业分类】按《国民经济行业分类和代码》(GB/T4754-2002)填报。
8.【劳动者总人数】【职业病累计数】等需要填写数字的栏目,数据统计范围为截止目前。
9.【职业病危害因素种类】接触人数按粉尘类、化学物质类、物理因素类、放射性物质类、
其他五类分别填写,此栏目由计算机自动生成,网上申报可以不填;如仅纸质申报,应分类填写。
10.【接触职业病危害总人数】指目前接触各种职业危害的人数。
由计算机自动生成,网上
申报不填。
如仅纸质申报,应填写。
11.【职业病危害因素分布情况】按作业场所分别填报,【危害因素】依据《职业病危害因
素分类目录》规定填写,【接触人数】(可重复)指实际接触该职业病危害因素的人数。
12.【接触职业病危害人数】(不重复)指该作业场所实际接触所有职业病危害因素的人数,
由于一个人可能接触多种职业病危害因素,不能按职业病危害因素简单相加,为方便起见,可采用工作场所内在岗职工人数减去不接触职业危害人数的简单计算方式填报。