服装纸样放缩技巧(行业精制)
- 格式:ppt
- 大小:6.81 MB
- 文档页数:6
服装纸样放码原理一、放码档差值的确定放码档差值是指服装号型每档尺寸之间的差值,是纸样放大或缩小过程中最重要的尺寸依据。
放码档差值是依据相邻两个号型之间规格尺寸的比差来确定的,即在相邻的两个号型规格同一部位尺寸之间,用后一个号的尺寸值减去前一个号的尺寸值就得出该部位尺寸的放码档差值。
放码档差值有按等比例规律变化的,也有不按等比例规律变化的。
不按等比例规律变化的衣长、袖长、袖口、裤脚口及零部件纸样,则需将全号型再归类分档处理,以求各类放码档差值。
当号型规格表中部位尺寸不全时,如无前领深、后领宽、袖窿深、袖山高等尺寸,则可运用纸样制图的公式规律与方法,以及人体比例分配关系求取这些部位的放码档差值。
二、放码范围的选择纸样放码范围的选择有以下三种:(1)仅对纸样进行高度或长度的放大与缩小;(2)仅对纸样进行围度或宽度的放大与缩小;(3)仅对纸样进行高度或围度的放大与缩小;高度或长度的放大与缩小高度或长度的放大与缩小是指在人体围度尺寸不变的基础上,以人体的高度比例为依据,仅在服装纸样的长度方向上进行档差值的放大或缩小,即是将纸样加长或缩短。
假设英国女装两个号型之间的身高尺寸档差值为2.0cm,如图2-1,按人体8头身比例的体型分配计算,可将档差值2.0cm分为8份,得出每份0.25cm,再将0.25cm分别置于人体的头、颈、胸、腰、臀、膝及小腿等部位,依据此分配数据,便可得出两个号型之间服装长度部位尺寸加长或缩短的档差值。
袖窿深档差值为:0.25cm。
腰节长(背长、腰直)档差值为:0.25cmx2=0.5cm。
若衣长取到臀围处,则衣长的档差值为0.25cmx3=0.75cm。
若袖长取到手腕处,则袖长的档差值为0.25cmx3=0.75cm。
若裙长取到膝围处,则裙长的档差值为0.25cmx3=0.75cm。
若裤长取到踝围处,则衣长的档差值为0.25cmx5=1.25cm。
身高档差值2.0cm,配合人体8头身比例分配数据,完成放大或缩小一个号的上衣原型纸样高度或长度的放码。
作为一名服装设计专业的学生,我有幸在大学期间参与了服装制版的实践课程。
通过这段时间的学习和实践,我对服装制版有了更深入的了解,也收获了许多宝贵的经验和体会。
以下是我对服装制版实践的一些心得体会。
一、服装制版的基本概念与重要性1. 服装制版的基本概念服装制版是指根据人体体型、款式要求等因素,运用一定的方法和技术,将服装设计转化为实际可生产的样板的过程。
它包括人体测量、纸样绘制、样板修改等环节。
2. 服装制版的重要性服装制版是服装生产过程中至关重要的一环,它直接影响到服装的版型、尺寸、舒适度等。
一个优秀的制版师,能够根据人体体型和款式特点,设计出既美观又实用的服装版型。
二、服装制版实践过程中的收获1. 人体测量技巧在实践过程中,我学会了如何正确测量人体尺寸,包括身高、胸围、腰围、臀围等。
这使我能够根据人体数据,准确绘制服装纸样。
2. 纸样绘制技巧通过实践,我掌握了纸样绘制的技巧,包括纸样放缩、分割、拼接等。
这些技巧使我在绘制纸样时更加得心应手。
3. 样板修改技巧在实际操作中,我发现样板修改是服装制版中非常重要的一环。
通过对样板的修改,可以使服装版型更加符合人体体型,提高服装的舒适度。
我学会了如何根据人体体型和款式要求,对样板进行修改。
4. 版型设计理念在实践过程中,我逐渐领悟到版型设计的重要性。
一个优秀的版型设计,不仅能使服装更加美观,还能提高服装的穿着舒适度。
通过实践,我学会了如何从人体体型和款式特点出发,进行版型设计。
5. 团队协作能力在服装制版实践中,我与同学们共同完成了多个项目。
这使我深刻体会到团队协作的重要性。
在团队中,每个人都要发挥自己的优势,共同完成项目。
三、服装制版实践中的挑战与反思1. 挑战在实践过程中,我遇到了许多挑战。
例如,在绘制纸样时,如何确保纸样尺寸的准确性;在修改样板时,如何处理复杂的版型问题等。
2. 反思面对挑战,我不断反思自己的不足,努力提高自己的专业技能。
以下是我的一些反思:(1)提高自己的理论基础:在实践过程中,我发现理论知识对于解决实际问题非常重要。
服装样板制作方法样板的缩放,过去一直是手工艺,随着科技的发展,电脑推板已广泛应用。
目前我国使用的方法大致可分为手工操作和电脑操作两种。
今天。
我给大家普及一下服装样板制作方法。
1)手工操作方法(1)推放法:流行于华北、西北地区。
这种方法一般是先制定一件小号样板,以它为基础,上下左右手工移动,按照档差依次推放。
这种方法大都使用硬的纸样,工人单独操作一次完成。
(2)扎印法:流行于江南地区。
在先制定好的样板上找准各部位的点,用锥子扎上印迹,扎一个放一个.依次完成。
(3)制图法:是伴随教学以及技术普及而发展起来的方法。
它是在中间号型的基础上用坐标平移的原理,找准各个号型之间的档差数之点.再用线条连接成图的方法,将所必须制定号型的样板画在同一张纸上,经检查核对无误后,再一个号型一个号型地复制成样板。
这种方法,不但准确无误,而且可以流水作业,因而被企业和教学所采纳。
2)计算机推板从20世纪90年代开始,计茸机推板开始应用在服装工业生产中,目前在我国比较普及的服装软件有GERBER, LECTRA, ASSYST, PAD、度卡、航天、富寸台、爱科等。
下面以度卡为例,了解一下计算机推板的过程。
(1)进入度卡CAD系统。
(2)单击当图标.建立系列尺寸表。
①用表格中的〞尺码〞栏工具制定号型。
步骤:点击“增加尺码〞~输入号型名称~回车.按此步骤依次做完所有号型。
②用表格中的“尺寸〞栏工具制定部位名称。
步骤:点击“增加尺寸〞~在词库内找到服装部位名称~回车.按此步骤依次完成所有部位。
③将光标移至表格内的第一格,连续输入具体尺寸。
步骤:点击二储存〞、输入文件名一点击二储存〞。
(3)结构图:①用菜单内的’‘参照点〞、“‘参照线〞、“圆〞等,作出结构图上各点的位置.②点击菜单内的〞衣版〞~点击“定控制点〞,按顺序在结构图上,各点点击一次。
点击“定转角点〞,按顺序从第二个点开始在每个点上点击一次。
③点击“定放缩点〞.按顺序从第二个点开始在每个点上点击一次。
初学纸样必读—服装工业推板的原理分析推板要求1、把各部位的档差合理地进行分配,根据需要放缩。
使放缩后的规格系列样板与标准母板的造型、款式相似或相同。
2、在放缩样板时,根据各部位的规格档差和分配情况,只能在垂直或水平的方向上取点放缩,而不能在斜线上取点为放缩的档差。
3、某一部位的挡差分配在几个缝头(部位),则这几处放缩的档差之和,等于该部位总档差。
4、某些辅助线或辅助点如腰节高、袖肘线、中裆线等,也需要根据服装的比例推移、放缩。
但这些辅助部位的放缩值不能加在部位总档差的“和”内。
5、某些局部其放缩量应保持一定的量,不能随意改变。
服装推板原理分析与计算服装推板计算方法与比例制图中所使用的计算方法基本相同,但推板过程中的公式计算与结构制图中的公式计算还是有区别的:1、服装结构制图过程中比例计算的基数是服装成品尺寸,而服装推板过程中比例计算的基数是服装各尺码之间的规格档差;2、服装推板过程中某些没有计算公式的控制点或控制部位可以采用该部位所占整体比例进行推算。
上装推板计算1、衣长:一般坐标x轴设置在与袖窿深线相重合的位置,所以衣长的放缩量由上下两端水平线处放缩。
计算方法是:衣长档差-上端放缩量2、腰节长:计算方法为:腰节长档差-上端放缩量3、袖窿深:取2/10胸围档差4、前胸宽:取1.5/10胸围档差(1.8/10)5、后背宽:取1.5/10胸围档差(1.8/10)6、袖窿宽:取1/10胸围档差7、胸围大:四开身结构按照1/4胸围档差,三开身结构按照胸宽加袖窿宽的档差计算。
8、肩宽:取1/2肩宽档差9、落肩量:保持原有的肩线斜度。
10、横开领:取2/10领围档差。
11、前直开领:取2/10领围档差。
12、后直开领:保持原有数值。
13、袖长:取袖长档差-袖山高放缩量。
14、袖山高:取1.5/10胸围档差。
15、袖肥:取2/10胸围档差。
下装推板计算1、裤长:以x轴为基准分配在上下水平线处。
2、立档:取1/4臀围档差。
转纸样缩水技术用牛仔面料制作的服饰因其粗犷、豪放、潇洒一直倍受人们喜爱。
为了达到牛仔面料退浆、防缩、加柔、去毛和成衣特殊的手感及视觉效果,成衣洗水成为牛仔服装的特色之一。
工业批量生产时,服装的成衣尺寸又是通过服装纸样尺寸来具体反映的,加上牛仔服装在生产过程中拉布、裁剪、小烫、车缝、洗水、后整理等不同工艺要求的影响,都会对服装成衣尺寸产生一定的积累变形,影响服装的成衣尺寸和加工质量。
本文主要提出如何全面处理牛仔服装成衣尺寸缩水率问题,并阐述了自己解决牛仔服装成衣尺寸缩水率的方法及观点,提出"根据牛仔服装成衣洗水后不同部位不同缩水率,一次性调整纸样尺寸"的方法,较好地解决了目前服装纸样制作中普遍存在的一些不足。
关键词:牛仔服装、缩水率、成衣尺寸前言:牛仔布是用色纱织成的色织布,是源于1873年美国的德国移民利维·斯特劳斯,将其缝制成牛仔裤,并加固铜铆钉,充分满足了当时美国西部淘金工和放牛仔们对坚固耐磨损衣裤的要求,最初多为牛仔裤,随后逐渐形成系列,风靡全球,成为当今国际市场最为流行的休闲服装品种之一。
随着时代的发展,牛仔服装也由过去品种颜色单一,发展到品种式样繁多,颜色多变、新的制作工艺层出不穷。
那么如何在纸样尺寸中处理牛仔面料缩水率及工艺生产环节中各种影响成衣尺寸的问题,值得牛仔服装行业探讨。
第一节、发现问题:影响牛仔服装成衣尺寸的主要环节工业批量生产牛仔服装,不同于量身定做,其成衣尺寸的要求是相当规范和严格的。
须先制作出用于生产样品的服装纸样,纸样尺寸的合理、正确与否,直接影响服装成衣尺寸的精确度。
下面我们探讨哪些环节会影响牛仔服装成衣尺寸?一、面料缩水影响成衣尺寸我们知道,经过织造、裁剪、制作等多道工序加工处理后的牛仔服装,一般都要根据市场或客户需求,使用特殊的水磨、石磨、雪花、漂洗、砂洗、酸洗等洗水整理。
以达到牛仔面料退浆、防缩、加柔、去毛和成衣特殊的手感及视觉效果。
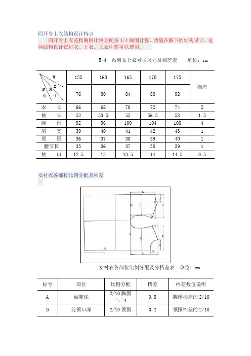
四开身上衣结构设计特点四开身上衣是指胸围比例分配按1/4胸围计算,肋缝在腋下的结构设计。
这种结构设计在衬衣、上衣、大衣中都可以使用。
5-4 系列女上衣号型尺寸及档差表单位:cm女衬衣各部位比例分配及档差女衬衣各部位比例分配及分档差表单位:cm前衣片样板缩放1.首先确定不动点O此点在样板缩放中是固定点。
胸宽线与袖窿深线交点。
2.颈肩点A纵向缩放袖窿深的档差,每号缩放0.8 cm;横向缩放胸宽档差减领口宽档差,每号缩放0.6 cm。
3.领口深与止口交点B纵向缩放袖窿深档差减领口深档差,每号缩放0.6 cm;横同缩放胸宽档差,每号型缩放0.6 cm。
4.袖窿深与止口交点C横向缩放胸宽档差,每号缩放0.8 cm。
5.底边与止口交点D纵向缩放衣长档差减袖窿深档差,每号缩放1.2 cm;横向缩放胸宽档差,每号缩放0.8 cm。
6.肩斜点E纵向缩放袖窿深档差减落肩档差,每号缩放0.6 cm;横向因为颈肩点每号缩放0.6 cm,前肩宽档差为0.5 cm,所以每号调整缩放0.1 cm。
7.胸围宽点F横向缩放,胸围宽档差减胸宽档差,每号缩放0.2 cm。
8.省宽点G1、G2,省宽中点G3缩放方法同于F点。
9.省尖点G4横向缩放胸宽档差的1/2 ,每号缩放0.4 cm。
10.腰围宽点H纵向缩放腰节长档差减档窿深档差,每号缩放0.2 cm;横向缩放胸围宽档差减胸宽档差,每号缩放0.2 cm。
11.底摆宽点I纵向缩放衣长档差减袖窿深档差,每号缩放1.2 cm;横向缩放胸围宽档差减胸宽档差,每号缩放0.2 cm。
12.扣眼位J纵向缩放衣长档差减袖窿深档差,再减下扣眼位档差,每号缩放0.7 cm;横向缩放胸宽档差,每号缩放0.8cm。
13.连接各缩放点后片样板缩放1.首先确定不动点O袖窿深与背中线交点。
2.后领中心点A纵向缩放袖窿深档差,每号缩放0.8 cm。
3.领口高点B纵向缩放袖窿深档差加领口高档差,每号缩放0.9 cm;横向缩放领口宽档差,每号缩放0.2 cm。
一、文胸类工业纸样放缩的依据——档差的制定1.围度档差(图4-14)文胸成品围度尺寸是以下胸围为基础进行尺寸设定的。
根据文胸号型规格的制定规律,是按照人体下胸围尺寸以5cm为一个档差。
由于文胸面料的高弹性,其实际档差取图4cm;罩杯宽度的档差可以参照胸围的差值来计算。
图中表明了文胸围度的档差分布。
图中a指的是胸围,其档差根据成品规格有所差别,75B与80B的胸围档差为5cm;75B 与75C的胸围档差为2.5cm。
75B与80B,胸围增加5cm,由于下胸围也增加了5cm,实际前胸围增加2.5cm。
75B与75C,胸围增加2.5cm,由于下胸围没有变,那么后胸围也没有变,因此前胸围增加2.5cm。
这样,75C与80B的罩杯可以看作相同。
那么胸宽的档差位2.5cm的一半为1.25cm,考虑面料、工艺等因素,实际取值在1~1.2cm。
2.长度档差(图4-15)根据人体围度以及罩杯大小的变化,确定文胸局部的尺寸规格。
图中a是指人体胸围与下胸围的垂直差。
当罩杯变大时,下胸围下降,档差为0.3cm。
这也就引出了钢圈半径的档差,脊心高的档差均为0.3cm。
图b则是指罩杯下杯高的档差。
当罩杯变大时,下胸围下降,胸围线扩张,下杯高自然增大,一般来说档差0.5cm。
对于文胸的上杯高以及杯边的档差,是随着款式的变化而变化的,属于设计范畴。
而肩带由于存在6cm的回扣调节量,因此不考虑其档差的变化。
二、普通文胸罩杯与钢圈1.钢圈的放缩规则(表4-5)2.钢圈放缩示意图(图4-16)3.图中罩杯脊心顶、侧顶的Y轴放缩量与钢圈的一致,只是X轴的放缩量受杯宽的限制,数值增大。
另外A段、B段的档差分别为0.55cm、0.75cm。
杯高线按照顺延弧线的方式放缩,当B段达不到档差0.75cm时可以适当调整。
肩夹位的放缩顺延杯边操作,档差可参照上杯高以及后杯骨来确定(图4-17)。
图中上罩杯脊心顶、侧顶的Y轴放缩量与钢圈的一致,只是X轴的放缩量受杯宽的限制,数值增大。
特殊结构服装的放码方法的分析探讨引用了一些具有特殊结构的服装纸样的放码方法,这些款式的放缩量都是按标准尺码进行了五个号型的同步放码,并对其作了简要的分析探讨。
标签:放码;特殊结构;服装制板1引言为了进一步适应新款造型变化,开拓时装纸样放码方法新领域,下面这对几个典型款式进行了总结分析,供服装制版师参考。
2下面对三种款式的放码方法进行简要说明2.1不对称褶裥裙的放码方法该裙子款式特点为在上层前裙身有左右不对称褶裥。
在放码时,有褶裥的上层前裙身需与下层前裙身的缩放尺寸相配,要保持上层前裙身的腰围线形状不变,可以分别在上层前裙身、下层前裙身纸样上取腰围线与前中线的交点为放码基准点进行放码,其款式图、档差值设定图及放码后的全号型图分别如图1及图2所示。
2.2连育克袖上衣的放码方法该上衣款式特点为前后连育克袖型。
在放码时,要保持前、后连育克线形状不变,可以分别在前、后身纸样上取袖窿深线上的任一点为放码基准点进行放码,前、后袖子纸样的放码尺寸数值需与前、后身的育克线及袖窿弧线的放缩尺寸相匹配,分别取前、后袖口线的中点为放码基准点进行放码,其款式图、档差值设定图及放码后的全号型图分别如图3、图4及图5所示。
2.3连肩短袖上衣的放码方法该上衣款式特点为前、后连肩袖型,前、后身有腰省。
在放码时,要保持前、后连肩袖线和前后腰省线形状不变,可以分别在前、后衣身纸样上取前、后腰省尖点为放码基准点进行放码,袖子纸样的放码尺寸值需与前、后身的连肩线的缩放尺寸值相匹配,取袖口线的中点进行放码,其款式图、档差值设定图及放码后的全号型分别如图6。
3特殊结构服装的纸样放码方法小结通过对以上几款特殊结构服装的纸样放码过程及其它各种款型放码方法的分析比较,可对一些具有某种特性的款式的放码方法做一简单总结。
3.1带活褶量裁片的放码这种款式的结构图一般为在原型基础上,剪开有活褶量的位置拉伸而成。
在活褶量展开后,衣片的部分或全部形状会有所改变。