生态环境监测机构检验检测项目资质认定范围清单
- 格式:docx
- 大小:770.24 KB
- 文档页数:99
环境监测领域资质认定评审能力申报分类及方法表一、引言环境监测在现代社会中起着至关重要的作用,它帮助我们了解环境的状况、监测污染物的排放情况,为环境保护工作提供科学依据。
为了确保环境监测工作的真实可靠性,进行资质认定评审是必不可少的。
本文将探讨环境监测领域资质认定评审的分类及相关的申报方法,帮助申请者更好地了解该领域的要求与流程。
二、资质认定评审分类根据环境监测领域的特点和需求,资质认定评审可以分为以下几个分类:1. 仪器设备类资质认定仪器设备是环境监测工作的核心工具,拥有良好的仪器设备是保证监测准确性的基础。
因此,仪器设备类资质认定是非常重要的一类认定。
在申报资质前,需要准备详细的仪器设备清单,包括设备名称、型号、技术指标等信息。
同时,还需要提供相关的仪器设备维护保养记录、校准记录等,以展示设备的良好状态和可靠性。
2. 人员资质认定环境监测人员对仪器设备的操作技能和专业知识要求较高,因此,人员资质认定是非常重要的一环。
一般来说,环境监测人员需要具备相关的学历背景和资格证书,如环境科学与工程专业本科学历或以上学历,并持有环境监测师资格证书。
此外,还需要提供相关的工作经验证明和培训证书,以证明申请者具备实际操作和应对环境监测问题的能力。
3. 机构资质认定环境监测机构通常由监测实验室、监测站点等组成,机构资质认定是对整个机构的能力和可靠性的评估。
在申报资质前,需要提供机构的基本信息,包括机构名称、机构设置、从业人员情况等。
同时,还需要提供机构的管理体系文件、监测场所与设备的相关证明等,以展示机构的专业性和合规性。
三、资质认定评审申报方法1. 准备资料在申报资质前,需要准备一系列相关的资料,包括但不限于以下内容:•机构及申请人的基本信息:包括名称、地址、联系方式等。
•相关证件:包括执照、资格证书、从业证明等。
•仪器设备清单:包括设备名称、型号、技术指标等。
•工作经验证明:包括合同、业绩证明等。
•环保监测方案:包括监测点位、监测频次、监测参数等。
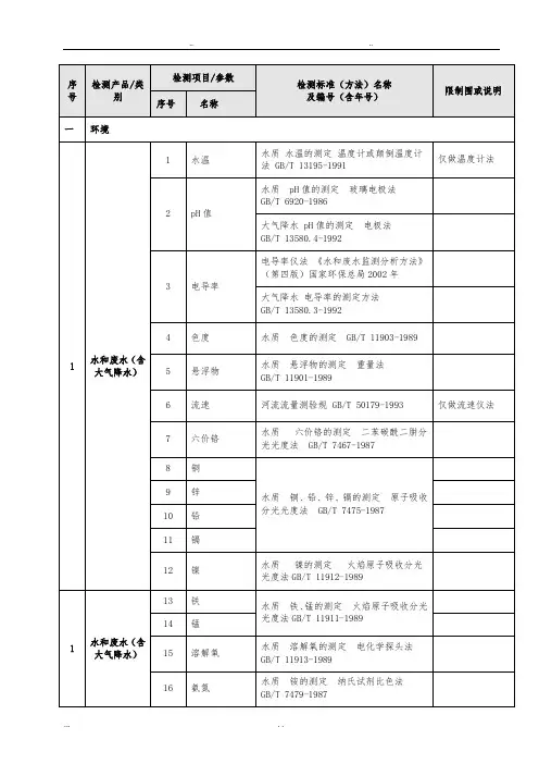
环境监测机构申请能力认定项目表环境监测机构申请能力认定项目表序号项目名称方法名称方法名称代码备注一、水(含大气降水)和废水1-1 采样大气降水采样和分析方法总则GB/T 13580.1-1992 大气降水样品的采集GB/T 13580.2-1992 水质湖泊和水库采样技术指导GB/T 14581-1993 水质样品的保存和管理技术规定HJ 493-2009 水质采样技术指导HJ 494-2009 水质采样方案设计技术指导HJ 495-2009 水质河流采样技术指导HJ/T 52-1999 地表水和污水监测技术规范HJ/T 91-2002 水污染物排放总量监测技术规范HJ/T 92-2002 地下水环境监测技术规范HJ/T 164-2004 酸沉降监测技术规范HJ/T 165-2004 水样的采集与保存(1)1-2 外观水质采样技术指导HJ 494-2009 水质采样方案设计技术指导HJ 495-2009 1-3 流速、流量流速仪法河流流量测验规范GB 50179-1993 水质采样方案设计技术指导HJ 495-2009 水质河流采样技术指导HJ/T 52-1999 1-4 水温水质水温的测定温度计或颠倒温度计测定法GB/T 13195-1991 1-5 色度水质色度的测定GB/T 11903-1989 1-6 臭文字描述法臭阈值法(未认证)(1)1-7 浊度水质浊度的测定GB/T 13200-1991 1-8 pH值水质pH的测定玻璃电极法GB/T 6920-1986 便携式pH计法(1)大气降水pH值的测定电极法GB/T 13580.4-1992 1-9电导率大气降水电导率的测定方法GB/T 13580.3-1992 实验室电导率仪法(1)便携式电导率仪法(1)1-10 透明度塞式盘法(1)1-11 悬浮物水质悬浮物的测定重量法GB/T 11901-1989 1-12 总硬度水质钙和镁总量的测定EDTA滴定法GB/T 7477-1987 1-13 溶解氧水质溶解氧的测定碘量法GB/T 7489-1987 水质溶解氧的测定电化学探头法HJ 506-2009 水质溶解氧的测定便携式溶解氧仪法(1)1-14 高锰酸盐指数水质高锰酸盐指数的测定GB/T 11892-1989 1-15 化学需氧量水质化学需氧量的测定重铬酸盐法GB /T11914-1989 水质化学需氧量的测定快速消解分光光度法HJ/T 399-2007 未认证1-16 五日生化需氧量水质五日生化需氧量的测定稀释与接种法HJ 505-2009 1-17 氨氮(铵、非离子氨)大气降水中铵盐的测定GB 13580.11-1992 水质氨氮的测定纳氏试剂比色法HJ 535-2009 水质氨氮的测定水杨酸分光光度法HJ 536-2009 水质氨氮的测定蒸馏-中和滴定法HJ 537-2009 1-18 总磷水质总磷的测定钼酸铵分光光度法GB/T 11893-1989 1-19 磷酸盐水质无机阴离子的测定离子色谱法HJ/T 84-2001 钼锑抗分光光度法(1)1-20 总氮水质总氮的测定碱性过硫酸钾消解紫外分光光度法GB/T 11894-1989 1-21 铜水质铜、锌、铅、镉的测定原子吸收分光光度法GB/T 7475-1987 水质镉、铜、铅的测定石墨炉原子吸收法(1)1-22 锌水质铜、锌、铅、镉的测定原子吸收分光光度法GB/T 7475-1987 水质镉、铜、铅的测定石墨炉原子吸收法(1)1-23 铅水质铜、锌、铅、镉的测定原子吸收分光光度法GB/T 7475-1987 水质镉、铜、铅的测定石墨炉原子吸收法(1)1-24 镉水质铜、锌、铅、镉的测定原子吸收分光光度法GB/T 7475-1987 水质镉、铜、铅的测定石墨炉原子吸收法(1)1-25 铁水质铁、锰的测定火焰原子吸收分光光度法GB/T11911-1989 1-26 锰水质铁、锰的测定火焰原子吸收分光光度法GB/T11911-1989 1-27 镍水质镍的测定原子吸收分光光度法GB/T11912-1989 1-28 砷原子荧光法(1)1-29 硒原子荧光法(1)1-30 汞原子荧光法(1)1-31 总铬水质总铬的测定GB/T 7466-1987 1-32 六价铬水质六价铬的测定二苯碳酰二肼分光光度法GB/T 7467-1987 1-33 氰化物水质氰化物的测定容量法和分光光度法HJ 484-2009 1-34 挥发酚水质挥发酚的测定4-氨基安替比林分光光度法HJ 503-2009 1-35 石油类石油类和动植物油的测定红外光度法GB/T 16488-1996 1-36 动植物油石油类和动植物油的测定红外光度法GB/T 16488-1996 1-37 阴离子表面活性剂水质阴离子表面活性剂的测定亚甲蓝分光光度法GB/T 7494-1987 1-38 硫化物水质硫化物的测定亚甲基蓝分光光度法GB/T 16489-1996 水质硫化物的测定碘量法HJ/T 60-2000 1-39 氟化物水质氟化物的测定离子选择电极法GB/T 7484-87 大气降水氟、氯、亚硝酸盐、硝酸盐、硫酸盐的测定离子色谱法GB/T 13580.5-1993 水质无极阴离子的测定离子色谱法HJ/T 84-2001 1-40 硫酸盐大气降水氟、氯、亚硝酸盐、硝酸盐、硫酸盐的测定离子色谱法GB/T 13580.5-1993 水质硫酸盐的测定重量法GB/T 11899-1989 水质无机阴离子的测定离子色谱法HJ/T 84-2001 水质硫酸盐的测定铬酸钡分光光度法(试行)HJ/T 342-2007 1-41 氯化物大气降水氟、氯、亚硝酸盐、硝酸盐、硫酸盐的测定离子色谱法GB/T 13580.5-1993 水质氯化物的测定硝酸银滴定法GB/T 11896-1989 水质无机阴离子的测定离子色谱法HJ/T 84-2001 1-42 亚硝酸盐氮水质亚硝酸盐氮的测定分光光度法GB/T 7493-1987 大气降水氟、氯、亚硝酸盐、硝酸盐、硫酸盐的测定离子色谱法GB/T 13580.5-1993 水质无机阴离子的测定离子色谱法HJ/T 84-2001 1-43 硝酸盐氮水质硝酸盐氮的测定酚二磺酸分光光度法GB/T 7480-1987 大气降水氟、氯、亚硝酸盐、硝酸盐、硫酸盐的测定离子色谱法GB/T 13580.5-1993 水质无机阴离子的测定离子色谱法HJ/T 84-2001 水质硝酸盐氮的测定紫外分光光度法(试行)HJ/T 346-2007 1-44 游离氯和总氯水质游离氯和总氯的测定N,N-二乙基-1,4-苯二胺PDP分光光度法HJ 586-20101-45 甲醛水质甲醛的测定乙酰丙酮分光光度法HJ 601-2011 1-46 苯胺类化合物水质苯胺类化合物的测定N-(1-萘基)乙二胺偶氮分光光度法GB/T 11889-1989 1-47 烷基汞水质烷基汞的测定气相色谱法GB/T 14204-1993 1-48 苯系物(8项)苯甲苯、乙苯、邻二甲苯、间二甲苯对二甲苯、异丙苯苯乙烯水质苯系物的测定气相色谱法;二硫化碳萃取气相色谱法GB/T 11890-1989 (1)二、环境空气和废气2-1 采样固定污染源排气中颗粒物测定与气态污染物采样方法GB/T 16157-1996 环境空气质量手工监测技术规范HJ/T 194-2005 大气污染物无组织排放监测技术导则HJ/T 55-2000 固定源废气监测技术规范HJ/T 397-2007 2-2 烟气参数(温度、压力、水分含量、氧含量、排气流速和流量)固定污染源排气中颗粒物测定与气态污染物采样方法GB/T 16157-1996 固定源废气监测技术规范HJ/T 397-2007 2-3 二氧化硫环境空气二氧化硫的测定甲醛吸收副玫瑰苯胺分光光度法HJ 482-2009 固定污染源排气中二氧化硫的测定碘量法HJ/T 56-2000 固定污染源排气中二氧化硫的测定定电位电解法HJ/T 57-2000 2-4 二氧化氮环境空气二氧化氮的测定Saltzman法GB/T 15435-1995 2-5 氮氧化物环境空气氮氧化物的测定盐酸萘乙二胺分光光度法HJ 479-2009 固定污染物排气中氮氧化物的测定紫外分光光度法HJ/T 42-1999 固定污染物排气中氮氧化物的测定盐酸萘乙二胺分光光度法HJ/T 43-1999 定电位电解法(2)2-6 总悬浮颗粒物环境空气总悬浮颗粒物的测定重量法GB/T 15432-1995 2-7 可吸入颗粒物环境空气PM10和PM2.5的测定重量法HJ 618-2011 需备案2-8 降尘环境空气降尘的测定重量法GB/T15265-94 2-9 硫酸盐化速率碱片-重量法(2)2-9 硫酸盐化速率碱片-离子色谱法(2)2-10 颗粒物(烟尘、粉尘)固定污染源排气中颗粒物测定与气态污染物采样方法GB/T 16157-1996 锅炉烟尘测试方法GB/T 5468-1991 固定源废气监测技术规范HJ/T 397-2007 2-11 烟气黑度固定污染源排放烟气黑度的测定林格曼烟气黑度图法HJ/T 398-2007 测烟望远镜法(2)2-12 一氧化碳定电位电解法(2)固定污染源排气中一氧化碳的测定非色散红外吸收法HJ/T44-1999 未认证空气质量一氧化碳的测定非分散红外法GB9801-1988 未认证2-13 氨环境空气和废气氨的测定纳氏试剂分光光度法HJ 533-2009 环境空气和废气氨的测定次氯酸钠-水杨酸分光光度法HJ 534-2009 2-14 硫酸雾固定污染源废气硫酸雾的测定离子色谱法HJ 5442009 2-15 氯化氢环境空气和废气氯化氢的测定离子色谱法暂行HJ 5492009 固定污染源废气氯化氢的测定硝酸银容量法暂行HJ 5482009 固定污染源排气中氯化氢的测定硫氰酸汞分光光度法HJ/T 27-1999 2-16 氯气固定污染源废气氯气的测定碘量法HJ 5472009 固定污染源排气中氯气的测定甲基橙分光光度法HJ/T 30-1999 2-17 氟化物环境空气氟化物的测定滤膜采样氟离子选择电极法HJ 4802009 环境空气氟化物的测定石灰滤纸采样氟离子选择电极法HJ 4812009 大气固定污染源氟化物的测定离子选择电极法HJ/T 67-2001 2-18 氰化氢固定污染源排气中氰化氢的测定异烟酸-吡唑啉酮分光光度法HJ/T 28-1999 2-19 硫化氢亚甲基蓝分光光度法(2)2-20 铬酸雾固定污染源排气中铬酸雾的测定二苯基碳酰二肼分光光度法HJ/T 29-1999 2-21 铅及其化合物固定污染源废气铅的测定火焰原子吸收分光光度法暂行HJ 5382009 环境空气铅的测定石墨炉原子吸收分光光度法暂行HJ 5392009 2-22 饮食业油烟金属滤筒吸收和红外分光光度法测定油烟的采样及分析方法饮食业油烟排放标准(试行)附录A 饮食业油烟采样方法及分析方法GB 18483-2001 2-23 甲醛空气质量甲醛的测定乙酰丙酮分光光度法GB/T 15516-1995 电化学传感器法室内环境空气质量监测技术规范附录H 室内空气中甲醛的测定方法HJ/T 167-2004 2-24 非甲烷总烃固定污染源中非甲烷总烃的测定气相色谱法HJ/T 39-1999 2-25 沥青烟固定污染源排气中沥青烟的测定重量法HJ/T 45-1999 2-26 甲醇固定污染源排气中甲醇的测定气相色谱法HJ/T 33-1999 气相色谱法(2)2-27 恶臭空气质量恶臭的测定三点比较式臭袋法GB/T 14675-1993 2-28 苯系物(8项)苯甲苯、乙苯、邻二甲苯、间二甲苯、对二甲苯、异丙苯苯乙烯环境空气苯系物的测定活性炭吸附/二硫化碳解吸-气相色谱法; 活性炭吸附二硫化碳解吸气相色谱法HJ 584-2010 2三、生物3-1 细菌总数水中细菌总数的测定(B)(1)3-2 总大肠菌数多管发酵法(1)3-3 粪大肠菌数水质粪大肠菌群和测定多管发酵法和滤膜法(试行)HJ/T 347─ 2007 3-4 叶绿素a 叶绿素a测定(B)(1)四、噪声与振动4-1 环境噪声声环境质量标准GB 3096-2008 4-2 厂界环境噪声工业企业厂界环境噪声排放标准GB 12348-2008 4-3 社会生活环境噪声社会生活环境噪声排放标准GB 22337-2008 4-4 建筑施工厂界环境噪声建筑施工场界噪声测量方法GB/12524-1990 建筑施工场界环境噪声排放标准GB 12523-2011 (2012-07-01实施)需备案4-5 城市区域环境振动城市区域环境振动测量方法GB/T 10071-1988 注(1)表示水和废水监测分析方法(第四版)(增补版),中国环境科学出版社,2002年;(2)表示空气和废气监测分析方法(第四版增补版),中国环境科学出版社,2003年。
------附件:检验检测机构资质认定生态环境监测机构评审补充要求第一条本补充要求是在检验检测机构资质认定评审通用要求的基础上,针对生态环境监测机构特殊性而制定,在生态环境监测机构资质认定评审时应与评审通用要求一并执行。
第二条本补充要求所称生态环境监测,是指运用化学、物理、生物等技术手段,针对水和废水、环境空气和废气、海水、土壤、沉积物、固体废物、生物、噪声、振动、辐射等要素开展环境质量和污染排放的监测(检测)活动。
第三条本补充要求所称生态环境监测机构,指依法成立,依据相关标准或规范开展生态环境监测,向社会出具具有证明作用的数据、结果,并能够承担相应法律责任的专业技术机构。
第四条生态环境监测机构及其监测人员应当遵守《中华人民共和国环境保护法》和《中华人民共和国计量法》等相关法律法规。
第五条生态环境监测机构应建立防范和惩治弄虚作假1---------行为的制度和措施,确保其出具的监测数据准确、客观、真实、可追溯。
生态环境监测机构及其负责人对其监测数据的真实性和准确性负责,采样与分析人员、审核与授权签字人分别对原始监测数据、监测报告的真实性终身负责。
生态环境监测机构应保证人员数量、及其专业技术背景、工作经历、第六条监测能力等与所开展的监测活动相匹配,中级及以上专业技术职称或同等能力的人员。
数量应不少于生态环境监测人员总数的15%生态环境监测机构技术负责人应掌握机构所开展的生态环境监测工作第七条范围内的相关专业知识,具有生态环境监测领域相关专业背景或教育培训经历,具备年以上的中级及以上专业技术职称或同等能力,且具有从事生态环境监测相关工作5经历。
生态环境监测机构授权签字人应掌握较丰富的第八条授权范围内的相关专业知识,并且具有与授权签字范围相适应的相关专业背景或教育培训经历,具备中级及以上专业技3 年术职称或同等能力,且具有从事生态环境监测相关工作以上经历。
生态环境监测机构质量负责人应了解机构所开第九条展的生态环境监测工作范围内的相关专业知识,熟悉生态环境监测领域的质量管理要求。
附件生态环境监测机构检验检测项目资质认定范围清单类别序号类别(产品/项目/参数)产品/项目/参数依据的标准(方法)名称及编号(含年号)备注序号名称按参数认定一生态环境监测(一)水(含大气降水)和废水1.1臭臭臭阈值法《水和废水监测分析方法》(第四版)国家环境保护总局(2002年)臭文字描述法《水和废水监测分析方法》(第四版)国家环境保护总局(2002年)臭和味生活饮用水标准检验方法感官性状和物理指标(3.1臭和味嗅气和尝味法)GB/T5750.4-20061.2透明度透明度塞氏盘法《水和废水监测分析方法》(第四版)国家环境保护总局(2002年)1.3水温水质水温的测定温度计或颠倒温度计测定法GB13195-911.4浊度水质浊度的测定(分光光度法)GB13200-91水质浊度的测定(目视比浊法)GB13200-91水质浊度的测定浊度计法HJ1075-2019(浑)浊度生活饮用水标准检验方法感官性状和物理指标(2.1浑浊度散射法)GB/T5750.4-2006生活饮用水标准检验方法感官性状和物理指标(2.2浑浊度目视比浊法)GB/T5750.4-20061.5流量河流流量测验规范(附录B流速仪法)GB50179-2015—3—生态环境监测机构检验检测项目资质认定范围清单类别序号类别(产品/项目/参数)产品/项目/参数依据的标准(方法)名称及编号(含年号)备注序号名称(一)水(含大气降水)和废水1.5流量河流流量测验规范(附录C浮标法)GB50179-2015水污染物排放总量监测技术规范(流量流速仪法)HJ/T92-2002水污染物排放总量监测技术规范(流量堰槽法)HJ/T92-2002水污染物排放总量监测技术规范(流量容器法)HJ/T92-2002水污染物排放总量监测技术规范(流量浮标法)HJ/T92-2002水污染物排放总量监测技术规范(流量电磁式流量计法)HJ/T92-2002水污染物排放总量监测技术规范(流量电表式明渠流量计法)HJ/T92-20021.6外观外观描述法《水和废水监测分析方法》(第三版)国家环境保护局(1989年)1.7色度水质色度的测定(铂钴比色法)GB11903-89水质色度的测定稀释倍数法HJ1182-2021生活饮用水标准检验方法感官性状和物理指标(1.1色度铂-钴标准比色法)GB/T5750.4-20061.8氧化还原电位氧化还原电位电极法《水和废水监测分析方法》(第四版)国家环境保护总局(2002年)1.9电导率大气降水电导率的测定方法GB13580.3-92电导率便携式电导率仪法《水和废水监测分析方法》(第四版)国家环境保护总局(2002年)—4—生态环境监测机构检验检测项目资质认定范围清单类别序号类别(产品/项目/参数)产品/项目/参数依据的标准(方法)名称及编号(含年号)备注序号名称(一)水(含大气降水)和废水1.9电导率电导率实验室电导率仪法《水和废水监测分析方法》(第四版)国家环境保护总局(2002年)生活饮用水标准检验方法感官性状和物理指标(6.1电导率电极法)GB/T5750.4-20061.10溶解氧水质溶解氧的测定电化学探头法HJ506-2009水质溶解氧的测定碘量法GB7489-871.11pH值水质pH值的测定电极法HJ1147-2020大气降水pH值的测定电极法GB13580.4-92生活饮用水标准检验方法感官性状和物理指标(5.1pH值玻璃电极法)GB/T5750.4-2006生活饮用水标准检验方法感官性状和物理指标(5.2pH值标准缓冲溶液比色法)GB/T5750.4-20061.12酸度酸度酸碱指示剂滴定法《水和废水监测分析方法》(第四版)国家环境保护总局(2002年)酸度电位滴定法《水和废水监测分析方法》(第四版)国家环境保护总局(2002年)1.13碱度碱度酸碱指示剂滴定法《水和废水监测分析方法》(第四版)国家环境保护总局(2002年)碱度电位滴定法《水和废水监测分析方法》(第四版)国家环境保护总局(2002年)—5—生态环境监测机构检验检测项目资质认定范围清单类别序号类别(产品/项目/参数)产品/项目/参数依据的标准(方法)名称及编号(含年号)备注序号名称(一)水(含大气降水)和废水1.14硫酸盐水质硫酸盐的测定重量法GB11899-89水质硫酸盐的测定铬酸钡分光光度法(试行)HJ/T342-2007大气降水中硫酸盐测定(第一篇硫酸钡浊度法)GB13580.6-92大气降水中硫酸盐测定(第二篇铬酸钡-二苯碳酰二肼光度法)GB13580.6-92生活饮用水标准检验方法无机非金属指标(1.1硫酸盐硫酸钡比浊法)GB/T5750.5-2006生活饮用水标准检验方法无机非金属指标(1.2硫酸盐离子色谱法)GB/T5750.5-2006生活饮用水标准检验方法无机非金属指标(1.3硫酸盐铬酸钡分光光度法(热法))GB/T5750.5-2006生活饮用水标准检验方法无机非金属指标(1.4硫酸盐铬酸钡分光光度法(冷法))GB/T5750.5-20061.15悬浮物水质悬浮物的测定重量法GB11901-891.16溶解性总固体生活饮用水标准检验方法感官性状和物理指标(8.1溶解性总固体称量法)GB/T5750.4-20061.17矿化度矿化度重量法《水和废水监测分析方法》(第四版)国家环境保护总局(2002年)1.18全盐量水质全盐量的测定重量法HJ/T51-19991.19氟化物水质氟化物的测定氟试剂分光光度法HJ488-2009—6—生态环境监测机构检验检测项目资质认定范围清单类别序号类别(产品/项目/参数)产品/项目/参数依据的标准(方法)名称及编号(含年号)备注序号名称(一)水(含大气降水)和废水1.19氟化物水质氟化物的测定茜素磺酸锆目视比色法HJ487-2009水质氟化物的测定离子选择电极法GB7484-87大气降水中氟化物的测定新氟试剂光度法GB13580.10-92生活饮用水标准检验方法无机非金属指标(3.1氟化物离子选择电极法)GB/T5750.5-2006生活饮用水标准检验方法无机非金属指标(3.2氟化物离子色谱法)GB/T5750.5-2006生活饮用水标准检验方法无机非金属指标(3.3氟化物氟试剂分光光度法)GB/T5750.5-2006生活饮用水标准检验方法无机非金属指标(3.4氟化物双波长系数倍率氟试剂分光光度法)GB/T5750.5-2006生活饮用水标准检验方法无机非金属指标(3.5氟化物锆盐茜素比色法)GB/T5750.5-20061.20氨氮水质氨氮的测定气相分子吸收光谱法HJ/T195-2005水质氨氮的测定纳氏试剂分光光度法HJ535-2009水质氨氮的测定水杨酸分光光度法HJ536-2009水质氨氮的测定蒸馏-中和滴定法HJ537-2009生活饮用水标准检验方法无机非金属指标(9.1氨氮纳氏试剂分光光度法)GB/T5750.5-2006生活饮用水标准检验方法无机非金属指标(9.2氨氮酚盐分光光度法)GB/T5750.5-2006—7—生态环境监测机构检验检测项目资质认定范围清单类别序号类别(产品/项目/参数)产品/项目/参数依据的标准(方法)名称及编号(含年号)备注序号名称(一)水(含大气降水)和废水1.20氨氮生活饮用水标准检验方法无机非金属指标(9.3氨氮水杨酸盐分光光度法)GB/T5750.5-2006水质氨氮的测定连续流动-水杨酸分光光度法HJ665-2013水质氨氮的测定流动注射-水杨酸分光光度法HJ666-20131.21凯氏氮水质凯氏氮的测定GB11891-89水质凯氏氮的测定气相分子吸收光谱法HJ/T196-20051.22总氮水质总氮的测定碱性过硫酸钾消解紫外分光光度法HJ636-2012水质总氮的测定气相分子吸收光谱法HJ/T199-2005水质总氮的测定连续流动-盐酸萘乙二胺分光光度法HJ667-2013水质总氮的测定流动注射-盐酸萘乙二胺分光光度法HJ668-20131.23亚硝酸盐氮水质亚硝酸盐氮的测定分光光度法GB7493-87水质亚硝酸盐氮的测定气相分子吸收光谱法HJ/T197-2005生活饮用水标准检验方法无机非金属指标(10.1亚硝酸盐氮重氮偶合分光光度法)GB/T5750.5-2006亚硝酸盐大气降水中亚硝酸盐测定N-(1-萘基)-乙二胺光度法GB13580.7-921.24硝酸盐氮水质硝酸盐氮的测定酚二磺酸分光光度法GB/T7480-87—8—生态环境监测机构检验检测项目资质认定范围清单类别序号类别(产品/项目/参数)产品/项目/参数依据的标准(方法)名称及编号(含年号)备注序号名称(一)水(含大气降水)和废水1.24硝酸盐氮水质硝酸盐氮的测定紫外分光光度法(试行)HJ/T346-2007水质硝酸盐氮的测定气相分子吸收光谱法HJ/T198-2005硝酸盐氮离子选择电极流动注射法《水和废水监测分析方法》(第四版)国家环境保护总局(2002年)生活饮用水标准检验方法无机非金属指标(5.1硝酸盐氮麝香草酚分光光度法)(GB/T5750.5-2006)生活饮用水标准检验方法无机非金属指标(5.2硝酸盐氮紫外分光光度法)GB/T5750.5-2006生活饮用水标准检验方法无机非金属指标(5.3硝酸盐氮离子色谱法)GB/T5750.5-2006生活饮用水标准检验方法无机非金属指标(5.4硝酸盐氮镉柱还原法)GB/T5750.5-2006硝酸盐大气降水中硝酸盐测定(第一篇紫外光度法)GB13580.8-92大气降水中硝酸盐测定(第二篇镉柱还原光度法)GB13580.8-921.25化学需氧量水质化学需氧量的测定重铬酸盐法HJ828-2017水质化学需氧量的测定快速消解分光光度法HJ/T399-2007高氯废水化学需氧量的测定氯气校正法HJ/T70-2001高氯废水化学需氧量的测定碘化钾碱性高锰酸钾法HJ/T132-2003—9—生态环境监测机构检验检测项目资质认定范围清单类别序号类别(产品/项目/参数)产品/项目/参数依据的标准(方法)名称及编号(含年号)备注序号名称(一)水(含大气降水)和废水1.26氯化物水质氯化物的测定硝酸银滴定法GB11896-89大气降水中氯化物的测定硫氰酸汞高铁光度法GB13580.9-92水质氯化物的测定硝酸汞滴定法(试行)HJ/T343-2007氯化物离子选择电极流动注射法《水和废水监测分析方法》(第四版)国家环境保护总局(2002年)氯化物电位滴定法《水和废水监测分析方法》(第四版)国家环境保护总局(2002年)生活饮用水标准检验方法无机非金属指标(2.1氯化物硝酸银容量法)GB/T5750.5-2006生活饮用水标准检验方法无机非金属指标(2.2氯化物离子色谱法)GB/T5750.5-2006生活饮用水标准检验方法无机非金属指标(2.3氯化物硝酸汞容量法)GB/T5750.5-20061.27二氧化碳游离二氧化碳酚酞指示剂滴定法《水和废水监测分析方法》(第四版)国家环境保护总局(2002年)侵蚀性二氧化碳甲基橙指示剂滴定法《水和废水监测分析方法》(第四版)国家环境保护总局(2002年)1.28游离氯、总氯水质游离氯和总氯的测定N,N-二乙基-1,4-苯二胺滴定法HJ585-2010水质游离氯和总氯的测定N,N-二乙基-1,4-苯二胺分光光度法HJ586-2010—10—生态环境监测机构检验检测项目资质认定范围清单类别序号类别(产品/项目/参数)产品/项目/参数依据的标准(方法)名称及编号(含年号)备注序号名称(一)水(含大气降水)和废水1.28游离氯、总氯游离氯和总氯碘量法《水和废水监测分析方法》(第四版)国家环境保护总局(2002年)1.29二氧化氯、亚氯酸盐水质二氧化氯和亚氯酸盐的测定连续滴定碘量法HJ551-20161.30高锰酸盐指数水质高锰酸盐指数的测定GB11892-891.31耗氧量生活饮用水标准检验方法有机物综合指标(1.1耗氧量酸性高锰酸钾滴定法)GB/T5750.7-2006生活饮用水标准检验方法有机物综合指标(1.2耗氧量碱性高锰酸钾滴定法)GB/T5750.7-20061.32总硬度生活饮用水标准检验方法感官性状和物理指标(7.1总硬度乙二胺四乙酸二钠滴定法)GB/T5750.4-2006钙和镁总量水质钙和镁总量的测定EDTA滴定法GB7477-871.33挥发酚水质挥发酚的测定溴化容量法HJ502-2009水质挥发酚的测定4-氨基安替比林分光光度法(方法2直接分光光度法)HJ503-2009水质挥发酚的测定4-氨基安替比林分光光度法(方法1萃取分光光度法)HJ503-2009生活饮用水标准检验方法感官性状和物理指标(9.1挥发酚4-氨基安替吡啉三氯甲烷萃取分光光度法)GB/T5750.4-2006生活饮用水标准检验方法感官性状和物理指标(9.2挥发酚4-氨基安替吡啉直接分光光度法)GB/T5750.4-2006—11—生态环境监测机构检验检测项目资质认定范围清单类别序号类别(产品/项目/参数)产品/项目/参数依据的标准(方法)名称及编号(含年号)备注序号名称(一)水(含大气降水)和废水1.33挥发酚水质挥发酚的测定流动注射-4-氨基安替比林分光光度法HJ825-20171.34生化需氧量水质五日生化需氧量(BOD5)的测定稀释与接种法HJ505-2009水质生化需氧量(BOD)的测定微生物传感器快速测定法HJ/T86-2002生化需氧量活性污泥曝气降解法《水和废水监测分析方法》(第四版)国家环境保护总局(2002年)生活饮用水标准检验方法有机物综合指标(2.1生化需氧量容量法)GB/T5750.7-20061.35硫化物水质硫化物的测定亚甲基蓝分光光度法HJ1226-2021水质硫化物的测定气相分子吸收光谱法HJ/T200-2005水质硫化物的测定碘量法HJ/T60-2000硫化物间接火焰原子吸收分光光度法《水和废水监测分析方法》(第四版)国家环境保护总局(2002年)生活饮用水标准检验方法无机非金属指标(6.1硫化物N,N-二乙基对苯二胺分光光度法)GB/T5750.5-2006生活饮用水标准检验方法无机非金属指标(6.2硫化物碘量法)GB/T5750.5-2006—12—生态环境监测机构检验检测项目资质认定范围清单类别序号类别(产品/项目/参数)产品/项目/参数依据的标准(方法)名称及编号(含年号)备注序号名称(一)水(含大气降水)和废水1.35硫化物水质硫化物的测定流动注射-亚甲基蓝分光光度法HJ824-20171.36氰化物水质氰化物的测定容量法和分光光度法(方法1硝酸银滴定法)HJ484-2009水质氰化物的测定容量法和分光光度法(方法2异烟酸-吡唑啉酮分光光度法)HJ484-2009水质氰化物的测定容量法和分光光度法(方法3异烟酸-巴比妥酸光度法)HJ484-2009水质氰化物的测定容量法和分光光度法(方法4吡啶-巴比妥酸分光光度法)HJ484-2009生活饮用水标准检验方法无机非金属指标(4.1氰化物异烟酸-吡唑酮分光光度法)GB/T5750.5-2006生活饮用水标准检验方法无机非金属指标(4.2氰化物异烟酸-巴比妥酸分光光度法)GB/T5750.5-2006氰化物催化快速法《水和废水监测分析方法》(第四版)国家环境保护总局(2002年)水质氰化物等的测定真空检测管-电子比色法HJ659-2013水质氰化物的测定流动注射-分光光度法(吡啶-巴比妥酸法)(HJ823-2017)水质氰化物的测定流动注射-分光光度法(异烟酸-巴比妥酸法)(HJ823-2017)1.37元素磷污水综合排放标准(附录D元素磷磷钼蓝比色法)GB8978-1996—13—生态环境监测机构检验检测项目资质认定范围清单类别序号类别(产品/项目/参数)产品/项目/参数依据的标准(方法)名称及编号(含年号)备注序号名称(一)水(含大气降水)和废水1.37元素磷元素磷气相色谱法《水和废水监测分析方法》(第四版)国家环境保护总局(2002年)1.38黄磷水质黄磷的测定气相色谱法HJ701-2014单质磷水质单质磷的测定磷钼蓝分光光度法(暂行)HJ593-20101.39总磷水质总磷的测定钼酸铵分光光度法GB11893-89磷(总磷、溶解性磷酸盐和溶解性总磷)孔雀绿磷钼杂多酸分光光度法《水和废水监测分析方法》(第四版)国家环境保护总局(2002年)水质总磷的测定流动注射-钼酸铵分光光度法HJ671-2013磷酸盐生活饮用水标准检验方法无机非金属指标(7.1磷酸盐磷钼蓝分光光度法)GB/T5750.5-2006水质磷酸盐的测定离子色谱法HJ669-2013磷酸盐、总磷水质磷酸盐和总磷的测定连续流动-钼酸铵分光光度法HJ670-20131.40二氧化硅(可溶性)二氧化硅(可溶性)硅钼黄光度法《水和废水监测分析方法》(第三版)国家环境保护局(1989年)二氧化硅(可溶性)硅钼蓝光度法《水和废水监测分析方法》(第三版)国家环境保护局(1989年)—14—生态环境监测机构检验检测项目资质认定范围清单类别序号类别(产品/项目/参数)产品/项目/参数依据的标准(方法)名称及编号(含年号)备注序号名称(一)水(含大气降水)和废水1.41二硫化碳水质二硫化碳的测定二乙胺乙酸铜分光光度法GB/T15504-1995生活饮用水标准检验方法有机物指标(38.1二硫化碳气相色谱法)GB/T5750.8-20061.42碘化物碘化物催化比色法《水和废水监测分析方法》(第四版)国家环境保护总局(2002年)生活饮用水标准检验方法无机非金属指标(11.1碘化物硫酸铈催化分光光度法)GB/T5750.5-2006生活饮用水标准检验方法无机非金属指标(11.2碘化物高浓度碘化物比色法)GB/T5750.5-2006生活饮用水标准检验方法无机非金属指标(11.3碘化物高浓度碘化物容量法)GB/T5750.5-2006水质碘化物的测定离子色谱法HJ778-2015生活饮用水标准检验方法无机非金属指标(11.4碘化物气相色谱法)GB/T5750.5-20061.43氟、氯、亚硝酸盐、硝酸盐、硫酸盐大气降水中氟、氯、亚硝酸盐、硝酸盐、硫酸盐的测定离子色谱法GB13580.5-921.44无机阴离子(F-、Cl-、NO2-、Br-、NO3-、PO43-、SO32-、SO42-)水质无机阴离子(F-、Cl-、NO2-、Br-、NO3-、PO43-、SO32-、SO42-)的测定离子色谱法HJ84-20161.45氯酸盐、亚氯酸盐、溴酸盐、二氯乙酸、三氯乙酸水质氯酸盐、亚氯酸盐、溴酸盐、二氯乙酸和三氯乙酸的测定离子色谱法HJ1050-20191.46硼水质硼的测定姜黄素分光光度法HJ/T49-1999—15—生态环境监测机构检验检测项目资质认定范围清单类别序号类别(产品/项目/参数)产品/项目/参数依据的标准(方法)名称及编号(含年号)备注序号名称(一)水(含大气降水)和废水1.46硼生活饮用水标准检验方法无机非金属指标(8.1硼甲亚胺-H分光光度法)GB/T5750.5-20061.47汞、砷、硒、铋、锑水质汞、砷、硒、铋和锑的测定原子荧光法HJ694-20141.48铜、铁、锰、锌、镉、铅生活饮用水标准检验方法金属指标(4.2铜、铁、锰、锌、镉和铅火焰原子吸收分光光度法)GB/T5750.6-20061.49砷水质总砷的测定二乙基二硫代氨基甲酸银分光光度法GB/T7485-87水质痕量砷的测定硼氢化钾-硝酸银分光光度法GB11900-89生活饮用水标准检验方法金属指标(6.1砷氢化物原子荧光法)GB/T5750.6-2006生活饮用水标准检验方法金属指标(6.2砷二乙氨基二硫代甲酸银分光光度法)GB/T5750.6-2006砷新银盐分光光度法《水和废水监测分析方法》(第四版)国家环境保护总局(2002年)砷氢化物发生原子吸收分光光度法《水和废水监测分析方法》(第四版)国家环境保护总局(2002年)生活饮用水标准检验方法金属指标(6.3砷锌-硫酸系统新银盐分光光度法)GB/T5750.6-2006生活饮用水标准检验方法金属指标(6.4砷砷斑法)GB/T5750.6-20061.50硒水质硒的测定2,3-二氨基萘荧光法GB11902-89水质硒的测定石墨炉原子吸收分光光度法GB/T15505-1995生活饮用水标准检验方法金属指标(7.1硒氢化物原子荧光法)GB/T5750.6-2006—16—生态环境监测机构检验检测项目资质认定范围清单类别序号类别(产品/项目/参数)产品/项目/参数依据的标准(方法)名称及编号(含年号)备注序号名称(一)水(含大气降水)和废水1.50硒生活饮用水标准检验方法金属指标(7.2硒二氨基萘荧光法)GB/T5750.6-2006生活饮用水标准检验方法金属指标(7.3硒氢化原子吸收分光光度法)GB/T5750.6-2006生活饮用水标准检验方法金属指标(7.4硒催化示波极谱法)GB/T5750.6-2006水质总硒的测定3,3'-二氨基联苯胺分光光度法HJ811-2016生活饮用水标准检验方法金属指标(7.5硒二氨基联苯胺分光光度法)GB/T5750.6-20061.51铁水质铁的测定邻菲啰啉分光光度法(试行)HJ/T345-2007生活饮用水标准检验方法金属指标(2.2铁二氮杂菲分光光度法)GB/T5750.6-20061.52锰水质锰的测定高碘酸钾分光光度法GB11906-89水质锰的测定甲醛肟分光光度法(试行)HJ/T344-2007生活饮用水标准检验方法金属指标(3.2锰过硫酸铵分光光度法)GB/T5750.6-2006生活饮用水标准检验方法金属指标(3.3锰甲醛肟分光光度法)GB/T5750.6-2006生活饮用水标准检验方法金属指标(3.4锰高碘酸银(Ш)钾分光光度法)GB/T5750.6-20061.53(总)铬水质总铬的测定(第一篇高锰酸钾氧化-二苯碳酰二肼分光光度法)GB7466-87水质总铬的测定(第二篇硫酸亚铁铵滴定法)GB7466-87水质铬的测定火焰原子吸收分光光度法HJ757-20151.54六价铬水质六价铬的测定二苯碳酰二肼分光光度法GB7467-87—17—生态环境监测机构检验检测项目资质认定范围清单类别序号类别(产品/项目/参数)产品/项目/参数依据的标准(方法)名称及编号(含年号)备注序号名称(一)水(含大气降水)和废水1.54六价铬生活饮用水标准检验方法金属指标(10.1六价铬二苯碳酰二肼分光光度法)GB/T5750.6-2006水质六价铬的测定流动注射-二苯碳酰二肼光度法HJ908-20171.55银水质银的测定火焰原子吸收分光光度法GB11907-89生活饮用水标准检验方法金属指标(12.1银无火焰原子吸收分光光度法)GB/T5750.6-2006生活饮用水标准检验方法金属指标(12.2银巯基棉富集-高碘酸钾分光光度法)GB/T5750.6-2006水质银的测定3,5-Br2-PADAP分光光度法HJ489-2009水质银的测定镉试剂2B分光光度法HJ490-20091.56镍水质镍的测定丁二酮肟分光光度法GB11910-89水质镍的测定火焰原子吸收分光光度法GB11912-89生活饮用水标准检验方法金属指标(15.1镍无火焰原子吸收分光光度法)GB/T5750.6-20061.57锑生活饮用水标准检验方法金属指标(19.1锑氢化物原子荧光法)GB/T5750.6-2006生活饮用水标准检验方法金属指标(19.2锑氢化物原子吸收分光光度法)GB/T5750.6-2006锑5-Br-PADAP法《水和废水监测分析方法》(第四版)国家环境保护总局(2002年)水质锑的测定火焰原子吸收分光光度法HJ1046-2019水质锑的测定石墨炉原子吸收分光光度法HJ1047-2019—18—生态环境监测机构检验检测项目资质认定范围清单类别序号类别(产品/项目/参数)产品/项目/参数依据的标准(方法)名称及编号(含年号)备注序号名称(一)水(含大气降水)和废水1.58铍水质铍的测定铬箐R分光光度法HJ/T58-2000水质铍的测定石墨炉原子吸收分光光度法HJ/T59-2000生活饮用水标准检验方法金属指标(20.1铍桑色素荧光分光光度法)GB/T5750.6-2006生活饮用水标准检验方法金属指标(20.2铍无火焰原子吸收分光光度法)GB/T5750.6-2006生活饮用水标准检验方法金属指标(20.3铍铝试剂(金精三羧酸铵)分光光度法)GB/T5750.6-2006铍铬天箐S光度法《水和废水监测分析方法》(第四版)国家环境保护总局(2002年)1.59铵盐大气降水中铵盐的测定(第一篇纳氏试剂分光光度法)GB13580.11-92大气降水中铵盐的测定(第二篇次氯酸钠-水杨酸分光光度法)GB13580.11-921.60钾、钠水质钾和钠的测定火焰原子吸收分光光度法GB11904-89大气降水中钠、钾的测定原子吸收分光光度法GB13580.12-921.61钠生活饮用水标准检验方法金属指标(22.1钠火焰原子吸收分光光度法)GB/T5750.6-2006生活饮用水标准检验方法金属指标(22.2钠离子色谱法)GB/T5750.6-20061.62钙、镁水质钙和镁的测定原子吸收分光光度法GB11905-89大气降水中钙、镁的测定原子吸收分光光度法GB13580.13-921.63降水中有机酸(乙酸、甲酸、草酸)环境空气降水中有机酸(乙酸、甲酸和草酸)的测定离子色谱法HJ1004-2018—19—生态环境监测机构检验检测项目资质认定范围清单类别序号类别(产品/项目/参数)产品/项目/参数依据的标准(方法)名称及编号(含年号)备注序号名称(一)水(含大气降水)和废水1.64降水中阳离子(Na+、NH4+、K+、Mg2+、Ca2+)环境空气降水中阳离子(Na+、NH4+、K+、Mg2+、Ca2+)的测定离子色谱法HJ1005-20181.65可溶性阳离子(Li+、Na+、NH4+、K+、Ca2+、Mg2+)水质可溶性阳离子(Li+、Na+、NH4+、K+、Ca2+、Mg2+)的测定离子色谱法HJ812-20161.66钙水质钙的测定EDTA滴定法GB7476-871.67钠、铵、钾、镁、钙工业循环冷却水中钠、铵、钾、镁和钙离子的测定离子色谱法GB/T15454-20091.68铜、铅、锌、镉水质铜、锌、铅、镉的测定原子吸收分光光度法GB7475-87铜、铅、锌、镉在线富集流动注射火焰原子吸收法《水和废水监测分析方法》(第四版)国家环境保护总局(2002年)铜、铅、锌、镉阳极溶出伏安法《水和废水监测分析方法》(第四版)国家环境保护总局(2002年)1.69镉、铜、锌、镍镉、铜、锌、镍示波极谱法《水和废水监测分析方法》(第四版)国家环境保护总局(2002年)1.70铜、铅、镉铜、铅、镉石墨炉原子吸收法《水和废水监测分析方法》(第四版)国家环境保护总局(2002年)1.71铜水质铜的测定二乙基二硫代氨基甲酸钠分光光度法HJ485-2009水质铜的测定2,9-二甲基-1,10菲萝啉分光光度法HJ486-2009生活饮用水标准检验方法金属指标(4.1铜无火焰原子吸收分光光度法)GB/T5750.6-2006生活饮用水标准检验方法金属指标(4.3铜二乙基二硫代氨基甲酸钠分光光度法)GB/T5750.6-2006—20—。
检验检测机构资质认定环境监测机构评审补充要求(征求意见稿)第一条本补充要求是在《检验检测机构资质认定评审准则》(以下简称《评审准则》)的基础上,针对环境监测机构特殊性而制定,在环境监测机构资质认定评审时应与《评审准则》一并执行。
第二条本补充要求所称环境监测,是指运用化学、物理、生物等技术手段,针对水和废水、环境空气和废气、海水、土壤、沉积物、固体废物、生物、噪声、振动、辐射等领域开展环境质量和污染排放监测的活动。
第三条本补充要求所称环境监测机构,指依法成立,依据相关标准或规范开展环境监测,向社会出具具有证明作用的数据、结果,并能够承担相应法律责任的专业技术机构。
第四条环境监测机构及其监测人员应当遵守《中华人民共和国环境保护法》《中华人民共和国计量法》《环境监测管理办法》等相关法律法规和部门规章。
第五条环境监测机构应建立防范和惩治弄虚作假行为的制度和措施,确保其出具的环境监测数据全面、准确、客观、真实。
环境监测机构及其负责人对其监测数据的真实性和准确性负责,采样与分析人员、审核与授权签字人分别对原始监测数据、监测报告的真实性终身负责。
第六条环境监测机构应保证人员数量、专业技术背景、工作经历、监测能力等与所开展的监测活动相匹配,环境监测相关专业中级及以上专业技术职称或同等能力的人员数量应不少于环境监测机构人员总数的15%。
第七条环境监测机构的技术负责人应掌握机构所开展的环境监测工作范围内的相关专业知识,具有环境监测领域相关专业背景或教育培训经历,具备中级及以上专业技术职称或同等能力。
第八条环境监测机构的授权签字人应掌握授权范围内的相关专业知识,并且具有与授权签字范围相适应的相关专业背景或教育培训经历,具备中级及以上专业技术职称或同等能力。
第九条环境监测机构的质量负责人应了解机构所开展的环境监测工作范围内的相关专业知识,熟悉环境监测领域的质量管理要求,具有中级及以上专业技术职称或同等能力。
第十条环境监测人员应符合下列要求:(一)掌握与所处岗位相适应的环境保护基础知识、法律法规、评价标准、监测标准或技术规范、质量控制要求,以及有关化学、生物、辐射安全和防护、救护等方面的相关知识;(二)承担环境监测工作前应经过必要的培训和能力确认,能力确认方式应包括基础理论、基本技能、样品分析等。
检验检测行业业务范围和资质认定规定检验检测行业业务范围和资质认定检验检测行业是指通过对产品、工程、环境等进行实验、测试、监测的工作,以验证其符合相关标准和要求的领域。
在现代社会中,检验检测行业的发展与人们对产品质量、环境保护以及公共安全等方面的要求密切相关。
为了确保检验检测行业的专业水平和权威性,各国普遍实行资质认定制度,并设立相应的业务范围和资质认定规定。
一、业务范围的界定检验检测行业的业务范围涵盖广泛,主要包括以下几个方面:1. 产品检验:对商品生产中的原材料、零部件、成品等进行检测,以验证其是否符合国家和行业标准,保证产品质量和安全性。
2. 工程检测:对各类建设工程、土木工程、产品生产工艺等进行检验,以确保其符合施工规范和质量验收要求。
3. 环境监测:对大气、水体、土壤等环境元素进行采样和分析,评估环境质量,为环境保护和治理提供科学依据。
4. 食品安全检测:对食品中的有害物质、微生物、营养成分等进行检验,保障食品安全和消费者权益。
5. 能源检测:对能源资源的开发与利用进行测量和评估,为能源行业的管理和可持续发展提供支持。
6. 医学检验:对医学设备、化学试剂、生物样本等进行检测,确保医疗卫生领域的科学性和安全性。
二、资质认定的重要性资质认定是指通过评审、审核等形式,对检验检测机构的能力和水平进行认证。
资质认定对于检验检测行业具有重要的作用。
1. 保障公信力:资质认定是对检验检测机构能力和专业性的认可,使其具备开展工作的合法性和可靠性,提高了公众对相关行业的信任度。
2. 促进行业发展:通过资质认定,行业内的优秀机构得以脱颖而出,推动了整个行业的良性竞争,提升了行业总体水平。
3. 维护消费者权益:在资质认定的机构进行的检验检测结果,具有法律效力,可以作为消费者投诉维权的依据,保护了消费者权益。
三、资质认定的程序和标准资质认定的实施通常包括以下几个步骤:1. 提交申请:检验检测机构向相关资质认定部门提交申请,申请材料包括机构介绍、人员配备、设备条件等相关证明材料。
附件:检验检测机构资质认定生态环境监测机构评审补充要求第一条本补充要求是在检验检测机构资质认定评审通用要求的基础上,针对生态环境监测机构特殊性而制定,在生态环境监测机构资质认定评审时应与评审通用要求一并执行。
第二条本补充要求所称生态环境监测,是指运用化学、物理、生物等技术手段,针对水和废水、环境空气和废气、海水、土壤、沉积物、固体废物、生物、噪声、振动、辐射等要素开展环境质量和污染排放的监测(检测)活动。
第三条本补充要求所称生态环境监测机构,指依法成立,依据相关标准或规范开展生态环境监测,向社会出具具有证明作用的数据、结果,并能够承担相应法律责任的专业技术机构。
第四条生态环境监测机构及其监测人员应当遵守《中华人民共和国环境保护法》和《中华人民共和国计量法》等相关法律法规。
第五条生态环境监测机构应建立防范和惩治弄虚作假行为的制度和措施,确保其出具的监测数据准确、客观、真实、可追溯。
生态环境监测机构及其负责人对其监测数据的真实性和准确性负责,采样与分析人员、审核与授权签字人分别对原始监测数据、监测报告的真实性终身负责。
第六条生态环境监测机构应保证人员数量、及其专业技术背景、工作经历、监测能力等与所开展的监测活动相匹配,中级及以上专业技术职称或同等能力的人员数量应不少于生态环境监测人员总数的15%。
第七条生态环境监测机构技术负责人应掌握机构所开展的生态环境监测工作范围内的相关专业知识,具有生态环境监测领域相关专业背景或教育培训经历,具备中级及以上专业技术职称或同等能力,且具有从事生态环境监测相关工作5年以上的经历。
第八条生态环境监测机构授权签字人应掌握较丰富的授权范围内的相关专业知识,并且具有与授权签字范围相适应的相关专业背景或教育培训经历,具备中级及以上专业技术职称或同等能力,且具有从事生态环境监测相关工作3年以上经历。
第九条生态环境监测机构质量负责人应了解机构所开展的生态环境监测工作范围内的相关专业知识,熟悉生态环境监测领域的质量管理要求。
环境部两部委印发机构资质认定生态环境监测机构评审补充要求为进一步规范生态环境监测机构资质管理,提高生态环境监测机构监测(检测)水平,近日,市场监管总局和生态环境部共同印发了《检验检测机构资质认定生态环境监测机构评审补充要求》的通知。
据悉,此次印发的通知主要针对生态环境监测机构的特殊性而定制。
在通知中,主要针对人员数量、专业技术、工作经历等方面进行详细要求,同时也对采样、样品保存、样品分析、结果保存等方面也进行了详细说明,现付通知全文及要求如下:国家市场监督管理总局生态环境部国市监检测〔2018〕45号市场监管总局生态环境部关于印发《检验检测机构资质认定生态环境监测机构评审补充要求》的通知各省、自治区、直辖市市场监管局(厅、委)、生态环境厅(局)新疆生产建设兵团市场监管局、环境保护局:为进一步规范生态环境监测机构资质管理,提高生态环境监测机构监测(检测)水平,市场监管总局、生态环境部组织制定了《检验检测机构资质认定生态环境监测机构评审补充要求》,现予以发布。
本评审补充要求自2019年5月1日起实施。
附件:检验检测机构资质认定生态环境监测机构评审补充要求附件:检验检测机构资质认定生态环境监测机构评审补充要求第一条本补充要求是在检验检测机构资质认定评审通用要求的基础上,针对生态环境监测机构特殊性而制定,在生态环境监测机构资质认定评审时应与评审通用要求一并执行。
第二条本补充要求所称生态环境监测,是指运用化学、物理生物等技术手段,针对水和废水、环境空气和废气、海水、土壤、沉积物、固体废物、生物、噪声、振动、辐射等要素开展环境质量和污染排放的监测(检测)活动第三条本补充要求所称生态环境监测机构,指依法成立,依据相关标准或规范开展生态环境监测,向社会出具具有证明作用的数据、结果,并能够承担相应法律责任的专业技术机构。
第四条生态环境监测机构及其监测人员应当遵守《中华人民共和国环境保护法》和《中华人民共和国计量法》等相关法律法规。
国家市场监督管理总局、生态环境部关于印发《检验检测机构资质认定生态环境监测机构评审补充要求》
的通知
文章属性
•【制定机关】国家市场监督管理总局,生态环境部
•【公布日期】2018.11.22
•【文号】
•【施行日期】2019.05.01
•【效力等级】部门规范性文件
•【时效性】现行有效
•【主题分类】环境监测
正文
市场监管总局生态环境部
关于印发《检验检测机构资质认定生态环境监测机构评
审补充要求》的通知
各省、自治区、直辖市市场监管局(厅、委)、生态环境厅(局)、新疆生产建设兵团市场监管局、环境保护局:
为进一步规范生态环境监测机构资质管理,提高生态环境监测机构监测(检测)水平,市场监管总局、生态环境部组织制定了《检验检测机构资质认定生态环境监测机构评审补充要求》,现予以发布。
本评审补充要求自2019年5月1日起实施。
附件:检验检测机构资质认定生态环境监测机构评审补充要求
市场监管总局
生态环境部
2018年11月22日。
生态环境检测机构资质认定方法验证
生态环境检测机构的资质认定是非常重要的,因为它关乎到环
境监测数据的准确性和可信度。
资质认定的方法验证主要包括以下
几个方面:
1. 法律法规遵从,生态环境检测机构资质认定的首要条件是要
求机构严格遵守国家和地方相关的法律法规,包括环境保护法、质
量管理体系认证等相关法规。
验证方法是通过检查机构的证照和资
质文件,以确保其合法合规运营。
2. 技术能力评估,生态环境检测机构资质认定需要验证其技术
能力是否达到相关标准要求。
这包括实验室设备的先进性、检测人
员的专业水平、检测方法的科学性和准确性等方面。
方法验证可以
通过实地考察、技术交流、设备检测等方式来评估机构的技术能力。
3. 质量管理体系认证,生态环境检测机构通常需要通过
ISO9001质量管理体系认证,这是验证其管理体系是否健全、运行
是否规范的重要手段。
方法验证可以通过查阅认证文件、了解机构
的管理流程和质量控制措施等方式来评估机构的质量管理体系认证
情况。
4. 实际检测能力验证,最终的方法验证是通过对生态环境检测
机构进行实际检测能力验证。
这包括委托机构进行环境样品的检测,然后将其结果与其他具有资质认定的机构进行对比,以验证其检测
结果的准确性和可信度。
综上所述,生态环境检测机构资质认定方法验证需要综合考量
法律法规遵从、技术能力评估、质量管理体系认证和实际检测能力
验证等多个方面,以确保机构的资质认定符合相关标准和要求。
cma资质认定范围摘要:I.引言- 介绍CMA 资质认定的重要性- 说明文本将详细介绍CMA 资质认定的范围II.CMA 资质认定的范围- 生态环境监测机构检验检测项目- 食品安全检验机构食品检验项目- 药品安全检验机构药品检验项目- 医疗器械检测机构医疗器械检验项目- 建筑材料检测机构建筑材料检验项目- 建设工程检测机构建设工程检验项目- 安全生产检测机构安全生产检验项目- 消防安全检测机构消防安全检验项目III.CMA 资质认定的作用和意义- 提高检验检测机构的技术能力和服务质量- 保障公共安全和公共利益- 促进检验检测行业的发展IV.结论- 总结CMA 资质认定的范围和作用- 强调CMA 资质认定在各个领域的的重要性正文:CMA 资质认定范围广泛,涵盖了多个领域和行业。
CMA 资质认定对于提高检验检测机构的技术能力和服务质量,保障公共安全和公共利益,以及促进检验检测行业的发展具有重要作用。
CMA 资质认定的范围包括生态环境监测机构检验检测项目、食品安全检验机构食品检验项目、药品安全检验机构药品检验项目、医疗器械检测机构医疗器械检验项目、建筑材料检测机构建筑材料检验项目、建设工程检测机构建设工程检验项目、安全生产检测机构安全生产检验项目以及消防安全检测机构消防安全检验项目等。
CMA 资质认定在各个领域和行业中都起到了重要的作用。
在生态环境监测领域,CMA 资质认定可以保证监测数据的准确性和可靠性,为政府决策提供科学依据;在食品安全领域,CMA 资质认定可以确保食品检验的公正性和权威性,保障食品安全;在药品安全领域,CMA 资质认定可以提高药品检验的质量和效率,确保药品的安全性和有效性;在医疗器械领域,CMA 资质认定可以保障医疗器械检验的准确性和可靠性,促进医疗器械行业的发展。
总之,CMA 资质认定范围广泛,作用重大,对于保障公共安全和公共利益,促进检验检测行业的发展具有重要意义。
类别(产
品/项目/
参数)
—2 —
类别(产
品/项目/
参数)
—3 —
类别(产
品/项目/
参数)
电导率
碱度
—4 —
类别(产
品/项目/
参数)
—5 —
类别(产
品/项目/
参数)
水(含大气
降水)和废
水
—6 —
类别(产
品/项目/
参数)
—7 —
类别(产
品/项目/
参数)
—8 —
类别(产
品/项目/
参数)
1.28 游离氯、总氯
—9 —
类别(产
品/项目/
参数)
总硬度(钙和
镁总量)
挥发酚
—10 —
类别(产
品/项目/
参数)
挥发酚
生化需氧量
—11 —
类别(产
品/项目/ 参数)
(一)水(含大气降水)和废
水
—12 —
类别(产
品/项目/ 参数)
水(含大气降水)和废
水
1.40 二氧化硅(可
溶性)
二硫化碳
—13 —
类别(产
品/项目/
参数)
—14 —
类别(产
品/项目/
参数)
水(含大气
降水)和废
水
—15 —
类别(产
品/项目/
参数)
—16 —
类别(产
品/项目/
参数)
总铬
—17 —
类别(产
品/项目/
参数)
—18 —
类别(产
品/项目/
参数)
钾、钠
钙、镁
—19 —
类别(产
品/项目/ 参数)
(一)水(含大气
降水)和废
水
1.68
—20 —
类别(产
品/项目/
参数)
—21 —
类别(产
品/项目/ 参数)
(一)水(含大气降水)和废
水
—22 —
类别(产
品/项目/
参数)
水(含大气
降水)和废
水
—23 —
第 23 页, 共
类别(产
品/项目/ 参数)产品/项目/参数
依据的标准(方法)名称
及编号(含年号)
水(含大气
降水)和废
水
—24 —
第 24 页, 共
类别(产
品/项目/ 参数)
产品/项目/参数
依据的标准(方法)名称
及编号(含年号)
1.90
—25 —
类别(产
品/项目/
参数)
—26 —
类别(产
品/项目/
参数)
1.101 苯胺类化合物
—27 —
类别(产
品/项目/
参数)
1.106 丙烯酰胺
—28 —
类别(产
品/项目/
参数)
肼、甲基肼
1.111
1.113
—29 —
类别(产
品/项目/
参数)
1.115
—30 —
类别(产
品/项目/
参数)
—31 —
类别(产
品/项目/
参数)
1.125 对硫磷
—32 —
类别(产
品/项目/
参数)
1.127 内吸磷
1.128 马拉硫磷
—33 —
类别(产
品/项目/
参数)
1.131 甲萘威
—34 —
类别(产
品/项目/ 参数)
(一)水(含大气
降水)和废
水
1.137 敌敌畏
—35 —
类别(产
品/项目
/参数)
—36 —
类别(产
品/项目
/参数)
种)
1.153 氯苯类化合物(氯苯、1,4-
二氯苯、1,3-二氯苯、1,2-
二氯苯、1,3,5-三氯苯、
1,2,4-三氯苯、1,2,3-三氯
苯、1,2,4,5-四氯苯、
1,2,3,5-四氯苯、1,2,3,4-
四氯苯、五氯苯和六氯苯等
12 种)
—37 —
类别(产
品/项目/
参数)
—38 —
类别(产
品/项目/
参数)
1.164 乙腈
1.167 挥发性有机物
—39 —
类别(产
品/项目/
参数)
—40 —
类别(产
品/项目/ 参数)
(一)水(含大气
降水)和废
水
1.180 四乙基铅
—41 —
类别(产
品/项目/ 参数)
(一)水(含大气降水)和废
水
—42 —
类别(产
品/项目/
参数)
水(含大气
降水)和废
水
环境空气和
废气
—43 —
类别(产
品/项目/
参数)
二氧化硫
—44 —
类别(产
品/项目/
参数)
—45 —
类别(产
品/项目/
参数)
硫化氢
—46 —
类别(产
品/项目/
参数)
氯气
—47 —
类别(产
品/项目/
参数)
氟化物
—48 —
类别(产
品/项目/
参数)
环境空气和
废气
—49 —
类别(产
品/项目/
参数)
烟(粉)尘(颗
粒物)
—50 —
类别(产
品/项目/
参数)
—51 —。