保护层厚度和环境类别
- 格式:doc
- 大小:55.00 KB
- 文档页数:3
一类:室内干燥环境;永久的无侵蚀性静水浸没环境。
二类: a、室内潮湿环境;室内潮湿环境;非严寒和非寒冷地区的露天环境;非严寒和非寒冷地区与无侵蚀性的水或土壤直接接触的环境;寒冷和严寒地区的冰冻线以下的无侵蚀性的水或土壤直接接触的环境b、干湿交替环境;水位频繁变动环境,严寒和寒冷地区的露天环境;严寒和寒冷地区的冰冻线以上与无侵蚀性的水或土壤直接接触的环境三类: a、严寒和寒冷地区冬季水位冰冻区环境;受除冰盐影响环境;海风环境。
b 、盐渍土环境;受除冰盐作用环境;海岸环境。
四类:海水环境。
五类:受人为或自然的侵蚀性物质影响的环境。
注:严寒和寒冷地区的划分应符合国家现行标准《民用建筑热工设计规程》GB 50176的有关规定。
一类,二类和三类环境使用年限为50 年规定注:1.氯离子含量系指其占水泥用量的百分率;2.预应力构件混凝土中的最大氯离子含量为 0.06%,最小水泥用量为 300kg/m3;最低混凝土强度等级应按表中规定提高两个等级;3.素混凝土构件的最小水泥用量不应少于表中数值减 25kg/m3;4.当混凝土中加入活性掺合料或能提高耐久性的外加剂时,可适当降低最小水泥用量;5.当有可靠工程经验时,处于一类和二类环境中的最低混凝土强度等级可降低一个等级;6.当使用非碱活性骨料时,对混凝土中的碱含量可不作限制。
一类环境使用年限为100 年规定1.钢筋混凝土结构的最低混凝土强度等级为 C30;预应力混凝土结构的最低混凝土强度等级为 C40;2.混凝土中的最大氯离子含量为 0.06%;3.宜使用非碱活性骨料;当使用碱活性骨料时,混凝土中的最大碱含量为3.0kg/m3;4.混凝土保护层厚度应按本规范表 9.2.1 的规定增加 40%;当采取有效的表面防护措施时,混凝土保护层厚度可适当减少;5.在使用过程中,应定期维护。
其他1. 二类和三类环境中,设计使用年限为 100 年的混凝土结构,应采取专门有效措施。
环境类别和保护层厚度的关系文档编制序号:[KKIDT-LLE0828-LLETD298-POI08]一类:室内干燥环境;永久的无侵蚀性静水浸没环境。
二类: a、室内潮湿环境;室内潮湿环境;非严寒和非寒冷地区的露天环境;非严寒和非寒冷地区与无侵蚀性的水或土壤直接接触的环境;寒冷和严寒地区的冰冻线以下的无侵蚀性的水或土壤直接接触的环境b、干湿交替环境;水位频繁变动环境,严寒和寒冷地区的露天环境;严寒和寒冷地区的冰冻线以上与无侵蚀性的水或土壤直接接触的环境三类: a、严寒和寒冷地区冬季水位冰冻区环境;受除冰盐影响环境;海风环境。
b 、盐渍土环境;受除冰盐作用环境;海岸环境。
四类:海水环境。
五类:受人为或自然的侵蚀性物质影响的环境。
注:严寒和寒冷地区的划分应符合国家现行标准《民用建筑热工设计规程》GB 50176的有关规定。
一类,二类和三类环境使用年限为50 年规定注:1.氯离子含量系指其占水泥用量的百分率;2.预应力构件混凝土中的最大氯离子含量为 %,最小水泥用量为 300kg/m3;最低混凝土强度等级应按表中规定提高两个等级;3.素混凝土构件的最小水泥用量不应少于表中数值减 25kg/m3;4.当混凝土中加入活性掺合料或能提高耐久性的外加剂时,可适当降低最小水泥用量;5.当有可靠工程经验时,处于一类和二类环境中的最低混凝土强度等级可降低一个等级;6.当使用非碱活性骨料时,对混凝土中的碱含量可不作限制。
一类环境使用年限为100 年规定1.钢筋混凝土结构的最低混凝土强度等级为 C30;预应力混凝土结构的最低混凝土强度等级为 C40;2.混凝土中的最大氯离子含量为 %;3.宜使用非碱活性骨料;当使用碱活性骨料时,混凝土中的最大碱含量为 m3;4.混凝土保护层厚度应按本规范表的规定增加 40%;当采取有效的表面防护措施时,混凝土保护层厚度可适当减少;5.在使用过程中,应定期维护。
其他1. 二类和三类环境中,设计使用年限为 100 年的混凝土结构,应采取专门有效措施。
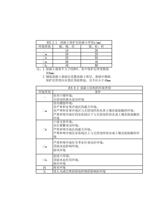
《混凝土结构设计规范》(GB50010《混凝土结构设计规范》中钢筋混凝土保护层厚度控制规范《混凝土结构设计规范》中混凝土保护层 8.2.1 构件中普通钢筋及预应力筋的混凝土保护层厚度应满足下列要求。
1 构件中受力钢筋的保护层厚度不应小于钢筋的公称直径d; 2 设计使用年限为50年的混凝土结构,最外层钢筋的保护层厚度应符合表8.2.1的规定;设计使用年限为100年的混凝土结构,最外层钢筋的保护层厚度不应小于表8.2.1中数值的倍。
表8.2.1混凝土保护层的最小厚度C 环境类别一二a 二b 三a 三b 板、墙、壳 15 20 25 30 40 梁、柱、杆 20 25 35 40 5 注:1 混凝土强度等级不大于C25时,表中保护层厚度数值应增加5mm;注:2 钢筋混凝土基础宜设置混凝土垫层,基础中钢筋的混凝土保护层厚度应从垫层顶面算起,且不应小于40mm。
点这下载施工技术资料 8.2.2 当有充分依据并采取下列措施时,可适当减小混凝土保护层的厚度。
1 构件表面有可靠的防护层; 2 采用工厂化生产的预制构件; 3 在混凝土中掺加阻锈剂或采用阴极保护处理等防锈措施; 4 当对地下室墙体采取可靠的建筑防水做法或防护措施时,与土层接触一侧钢筋的保护层厚度可适当减少,但不应小于25mm。
8.2.3 当梁、柱、墙中纵向受力钢筋的保护层厚度大于50mm时,宜对保护层采取有效的构造措施。
当在保护层内配置防裂、防剥落的钢筋网片时,网片钢筋的保护层厚度不应小于25mm。
20XX-12-31日志:《深度解析钢筋平法11G101 系列[附高清图集》有详細讲解。
现行规范不仅对钢筋验收时钢筋保护层厚度做出了具体要求,并且对混凝土的钢筋保护层提出了检测的要求。
通过这些年的技术发展和检测方法的进步,钢筋保护层的无损检测已在工程中广泛应用并成为常规检测方法之一,各地质量监督站也把对钢筋保护层的检测作为工程主体质量验收前实体抽检的一个重要内容。
新规范保护层厚度-CAL-FENGHAI.-(YICAI)-Company One1新规范保护层厚度混凝土保护层是指混凝土构件中,起到保护钢筋避免钢筋直接裸露的那一部分混凝土。
保护层厚度为纵向钢筋(非箍筋)外缘至混凝土表面的最小距离。
保护层最小厚度的规定是为了使混凝土结构构件满足的耐久性要求和对受力钢筋有效锚固的要求。
混凝土保护层厚度大,构件的受力钢筋粘结锚固性能、耐久性和防火性能越好。
但是,过大的保护层厚度会使构件受力后产生的裂缝宽度过大,就会影响其使用性能(如破坏构件表面的装修层、过大的裂缝宽度会使人恐慌不安),而且由于设计中是不考虑混凝土的抗拉作用的,过大的保护层厚度还必然会造成经济上的浪费。
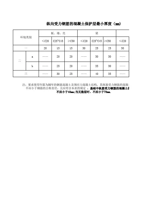
因此,《混凝土结构设计规范》9.2.1条,规定纵向受力的普通钢筋及预应力钢筋,其混凝土保护层厚度(钢筋外边缘至混凝土表面的距离)不应小于钢筋的公称直径,且应符合下表的规定。
一般设计中是采用最小值的。
纵向受力钢筋的混凝土保护层最小厚度(mm)注:基础中纵向受力钢筋的混凝土保护层厚度不应小于40mm;当无垫层时不应小于70mm.《规范》关于混凝土保护层的其它规定第9.2.2条处于一类环境且由工厂生产的预制构件,当混凝土强度等级不低于C20时,其保护层厚度可按本规范表中规定减少5mm,但预应力钢筋的保护层厚度不应小于15mm;处于二类环境且由工厂生产的预制构件,当表面采取有效保护措施时,保护层厚度可按本规范表中一类环境数值取用。
预制钢筋混凝土受弯构件钢筋端头的保护层厚度不应小于10mm;预制肋形板主肋钢筋的保护层厚度应按梁的数值取用。
第9.2.3条板、墙、壳中分布钢筋的保护层厚度不应小于本规范表中相应数值减10mm,且不应小于10mm;梁、柱中箍筋和构造钢筋的保护层厚度不应小于15mm.第9.2.4条当梁、柱中纵向受力钢筋的混凝土保护层厚度大于40mm 时,应对保护层采取有效的防裂构造措施。
处于二、三类环境中的悬臂板,其上表面应采取有效的保护措施。
保护层厚度一、关于保护层厚度规范是如何规定的结构构件中,钢筋骨架被浇筑于混凝土中,最外层钢筋外皮与构件表面之间的距离,就是保护层厚度。
如图2所示。
图2到具体工程中,保护层厚度是多少,与构件所处的环境有关系,17G101-11给出了具体规定,见表1。
表1大家注意,表1给出的是最小保护层厚度,具体工程保护层多少要见图纸。
规范中给出了环境类别的具体条件,不过,这是给设计人员考虑的,我们预算员只了解就可以了,下面我把环境类型简化了一下,见表1。
表2一、大家对保护层厚度的一些误解关于保护层厚度大家往往有一些误解,都会误认为保护层厚度指的是箍筋外皮,其实不一定,下面我从17G101-11查到一些保护层的解释。
(一)关于柱子保护层厚度解释如果柱子拉筋只钩住主筋,保护层厚度只到箍筋外皮,如图3所示。
图3当柱子拉筋同时钩住主筋和箍筋时,保护层厚度就指的是到拉筋的外皮,如图4所示。
图4图4情况很多人误解保护层是到箍筋外皮,这就不符合规范的规定了,规范规定是最外侧钢筋外皮到构件表面的距离。
(二)关于梁的保护层厚度解释当梁拉筋只钩住腰筋时,保护层厚度指到箍筋外皮,如图5所示。
图5当梁拉筋同时钩住主筋和箍筋时,保护层厚度指到拉筋外皮,如图6所示。
图6从图6可以看出,一根梁会出现两种保护层厚度。
(三)关于板的保护层厚度解释板的保护层厚度争议不大,都是到底筋和面筋的最外皮,如图7所示。
图7(四)关于墙的保护层厚度解释剪力墙一般都有拉筋的,拉筋才是最外层钢筋,保护层厚度当然指的是拉筋外皮,如图8所示。
图8大家经常比较糊涂的问题是,暗柱的保护层后是按剪力墙还是按柱?我的观点是按剪力墙的保护层厚度,有两个理由,一是因为暗柱本来就是剪力墙的附属构件;二是剪力墙是以拉筋最外皮为保护层的,满足了拉筋,肯定满足了暗柱的箍筋,因为箍筋在拉筋里面的,当然就满足了暗柱。
图8中阴影部分是暗柱,很显然,满足了剪力墙保护层,自然就满足了暗柱。
连梁的保护层是按墙还是按梁?我的回答是按剪力墙走,也有两个理由,一是连梁本来就是剪力墙的附属构件;二是剪力墙水平筋是在连梁箍筋外皮的,拉筋又在水平筋外皮,满足了剪力墙,肯定就满足了连梁。
保护层厚度要求根据2010年新的《混凝土结构设计规范》(GB50010-2010)保护层厚度不再是纵向钢筋(非箍筋)外缘至混凝土表面的最小距离,而是“以最外层钢筋(包括箍筋、构造筋、分布筋等)的外缘计算混凝土的保护层厚度”。
因此本次修订后保护层设计厚度比原来增加!保护层最小厚度的规定是为了使混凝土结构构件满足的耐久性要求和对受力钢筋有效锚固的要求。
混凝土保护层厚度大,构件的受力钢筋粘结锚固性能、耐久性和防火性能越好。
但是,过大的保护层厚度会使构件受力后产生的裂缝宽度过大,就会影响其使用性能(如破坏构件表面的装修层、过大的裂缝宽度会使人恐慌不安),而且由于设计中是不考虑混凝土的抗拉作用的,过大的保护层厚度还必然会造成经济上的浪费。
因此,2010年《混凝土结构设计规范》8.2.1条,规定纵向受力的普通钢筋及预应力钢筋,其混凝土保护层厚度(钢筋外边缘至混凝土表面的距离)不应小于钢筋的公称直径d,且应符合下表的规定。
一般设计中是采用最小值的。
混凝土保护层最小厚度(mm)环境类别板、墙、壳梁、柱、杆一15 20二a 20 25二b 25 35三a 30 40三b 40 50注:1.混凝土强度等级大于C25时,表中保护层数值增加5mm. 2.钢筋混凝土基础宜设置混凝土垫层,基础中钢筋的混凝土保护层厚度应从垫层顶面算起,且不应小于40mm.关于保护层厚度的其它规定第9.2.2条处于一类环境且由工厂生产的预制构件,当混凝土强度等级不低于C20时,其保护层厚度可按本规范表9.2.1中规定减少5mm,但预应力钢筋的保护层厚度不应小于15mm;处于二类环境且由工厂生产的预制构件,当表面采取有效保护措施时,保护层厚度可按本规范表9.2.1中一类环境数值取用。
预制钢筋混凝土受弯构件钢筋端头的保护层厚度不应小于10mm;预制肋形板主肋钢筋的保护层厚度应按梁的数值取用。
第9.2.3条板、墙、壳中分布钢筋的保护层厚度不应小于本规范表9.2.1中相应数值减10mm,且不应小于10mm;梁、柱中箍筋和构造钢筋的保护层厚度不应小于15mm. 第9.2.4条当梁、柱中纵向受力钢筋的混凝土保护层厚度大于40mm时,应对保护层采取有效的防裂构造措施。
地下室外墙及底板保护层厚度的问题该帖被浏览了2144次| 回复了20次按照《混凝土结构设计规范》GB50010-2002中9.2.1条第9.2.1条纵向受力的普通钢筋及预应力钢筋,其混凝土保护层厚度(钢筋外边缘至混凝土表面的距离)不应小于钢筋的公称直径,且应符合表9.2.1的规定。
纵向受力钢筋的混凝土保护层最小厚度(mm) 表9.2.1环境类别板、墙、壳梁柱≤C20 C25-C45 ≥C50≤C20 C25-C45≥C50≤C20 C25-C45 ≥C50一 20 15 15 30 2525 30 30 30二 a - 20 20 - 3030 - 30 30二b - 25 20 - 3530 - 35 30三- 30 25 - 4035 - 40 35注:基础中纵向受力钢筋的混凝土保护层厚度不应小于40mm;当无垫层时不应小于70mm.按照上表来查的话,对于地下室外墙有地下水时,外墙纵筋保护层厚度为30mm,无地下水时外墙纵筋保护层厚度为25mm,底板有垫层时钢筋保护层厚度为40mm,无垫层时50mm。
而按照《地下工程防水技术规范》GB50108-2001中4.1.6 防水混凝土结构,应符合下列规定:1 结构厚度不应小于250mm;2 裂缝宽度不得大于0.2mm,并不得贯通;3 迎水面钢筋保护层厚度不应小于50mm。
这样外墙和底板的混凝土钢筋保护层厚度均为50mm。
但是我看不少地下室设计中外墙钢筋保护层厚度都没有取到50mm,一般取到30mm或40mm。
不知道大家在设计时外墙的钢筋保护层厚度取多少?审图时要求取到多少PKPM系列新规范应用指南——刚度比(薄弱层)2006-11-21 21:37:56| 分类:默认分类| 标签:|字号大中小订阅《高规》4.4.2 抗震设计的高层建筑结构,其楼层侧向刚度不宜小与相邻上部楼层侧向刚度的70%,或其上相邻三层侧向刚度平均值的80%。
《高规》5.1.14 对于竖向不规则的高层建筑结构,包括某楼层抗侧刚度小于其上一层的70%或小于其上相邻三层侧向刚度平均值的80%,或结构楼层层间抗侧力结构的承载力小于其上一层的80%,或某楼层竖向抗侧力构件不连续,其薄弱层对应于地震作用标准值的地震剪应力应乘以1.15的增大系数;《高规》附录E.0.2 底部大空间层数大于一层时,其转换层上部与下部结构的等效侧向刚度比re宜接近1,非抗震设计不应大于2,抗震设计不应大于1.3。
答:混凝土保护层的厚度主要与下列因素有关:
(1)环境的影响:把环境分为室内正常环境(一类),室内潮湿环境、露天环境及无侵蚀性水或土壤环境(二类a ),严寒和寒冷地区的露天环境与无侵蚀性水或土壤环境(二类b ),和使用除冰盐环境、严寒和寒冷地区冬季水位变动环境、滨海室外环境(三类); 环境类别
板墙壳 梁 柱
≤c20
c25~c45
≥c50 ≤c20
c25~c45
≥c 50
≤c20 c25~c
45
≥c50
一 20 15 15 30 25 25 30 30 30 二 a — 20 20 — 30 30 — 30 30 b
—
25 20 —
35
30
—
35
30
三
—
30
25 —
40
35
—
40
35
(2)工作状态的影响:规范把构件类型按板墙壳、梁、柱进行分类,适当增加了梁、柱类构件的保护层;基础中纵向受力钢筋的保护层厚度不应小于40mm ,无垫层时不应小于70mm ;
(3)防火要求的影响:有防火要求的建筑物以及四、五类环境中的建筑物,混凝土保护层厚度应符合现行有关防火标准的要求。
(4)钢筋直径的影响:纵向受力钢筋及预应力钢筋、钢丝、钢绞线的混凝土净保护层厚度(从钢筋外边缘到混凝土外边缘的距离)不应小于钢筋的公称直径,且应符合附表的规定。
对应相应的构件,尚应符合下列规
定:
(5)混凝土强度的影响等。
《混凝土结构设计规范》(GB50010-2002)新内容有关调整部分:新规范于2002年4月1日启用,原规范(GBJ10-89)于2002年12月31日废止;新规范规定必须严格执行的强制性条文共17条,具体分配为:第3章有2条、第4章有4条、第6章有1条、第9章有2条、第10章有2条、第11章有6条;新规范第1.0.2条中明确规定:本规范适用于房屋和一般构筑物的钢筋混凝土、预应力混凝土以及素混凝土承重结构的设计,而不适用于轻骨料混凝土以及其他特种混凝土结构的设计。
新规范第3.1.1条、第3.1.2条之条文说明中明确指出:在设计时,荷载分项系数按现行国家标准《建筑结构荷载规范》(GB50009)的规定取用;对极限状态的分类,按现行国家标准《建筑结构可靠度设计统一标准》(GB50068)的规定确定。
强制性条文部分:第3章“基本设计规定”之强制性条文:第3.1.8条:未经技术鉴定或设计许可,不得改变结构的用途和使用环境。
第3.2.1条:根据建筑结构破坏后果的严重程度,建筑结构划分为三个安全等级。
设计时应根据具体情况,按照表3.2.1的规定选用相应的安全等级。
建筑结构的安全等级(表3.2.1)安全等级破坏后果建筑物类型一级很严重重要的建筑物二级严重一般的建筑物三级不严重次要的建筑物注:对有特殊要求的建筑物,其安全等级应根据具体情况另行确定。
第4章“材料”之强制性条文:第4.1.3条:混凝土轴心抗压、轴心抗拉强度标准值fck、ftk应按表4.1.3采用。
混凝土强度标准值(N/mm2)强度种类混凝土强度等级C15 C20 C25 C30 C35 C40fck 10.0 13.4 16.7 20.1 23.4 26.8ftk 1.27 1.54 1.78 2.01 2.20 2.39第4.1.4条:混凝土轴心抗压、轴心抗拉强度设计值fc、ft应按表4.1.4采用。
注:1。
计算现浇钢筋混凝土轴心受压及偏心受压构件时,如截面的长变或直径<300mm,则表中混凝土的强度设计值应乘以系数0.8,当构件质量确有保证时,可不受此限制。
地下室外墙及底板保护层厚度的问题该帖被浏览了2144次| 回复了20次按照《混凝土结构设计规范》GB50010-2002中9.2.1条第9.2.1条纵向受力的普通钢筋及预应力钢筋,其混凝土保护层厚度(钢筋外边缘至混凝土表面的距离)不应小于钢筋的公称直径,且应符合表9.2.1的规定。
纵向受力钢筋的混凝土保护层最小厚度(mm) 表9.2.1环境类别板、墙、壳梁柱≤C20 C25-C45 ≥C50≤C20 C25-C45≥C50≤C20 C25-C45 ≥C50一 20 15 15 30 2525 30 30 30二 a - 20 20 - 3030 - 30 30二b - 25 20 - 3530 - 35 30三- 30 25 - 4035 - 40 35注:基础中纵向受力钢筋的混凝土保护层厚度不应小于40mm;当无垫层时不应小于70mm.按照上表来查的话,对于地下室外墙有地下水时,外墙纵筋保护层厚度为30mm,无地下水时外墙纵筋保护层厚度为25mm,底板有垫层时钢筋保护层厚度为40mm,无垫层时50mm。
而按照《地下工程防水技术规范》GB50108-2001中4.1.6 防水混凝土结构,应符合下列规定:1 结构厚度不应小于250mm;2 裂缝宽度不得大于0.2mm,并不得贯通;3 迎水面钢筋保护层厚度不应小于50mm。
这样外墙和底板的混凝土钢筋保护层厚度均为50mm。
但是我看不少地下室设计中外墙钢筋保护层厚度都没有取到50mm,一般取到30mm或40mm。
不知道大家在设计时外墙的钢筋保护层厚度取多少?审图时要求取到多少PKPM系列新规范应用指南——刚度比(薄弱层)2006-11-21 21:37:56| 分类:默认分类| 标签:|字号大中小订阅《高规》4.4.2 抗震设计的高层建筑结构,其楼层侧向刚度不宜小与相邻上部楼层侧向刚度的70%,或其上相邻三层侧向刚度平均值的80%。
《高规》5.1.14 对于竖向不规则的高层建筑结构,包括某楼层抗侧刚度小于其上一层的70%或小于其上相邻三层侧向刚度平均值的80%,或结构楼层层间抗侧力结构的承载力小于其上一层的80%,或某楼层竖向抗侧力构件不连续,其薄弱层对应于地震作用标准值的地震剪应力应乘以1.15的增大系数;《高规》附录E.0.2 底部大空间层数大于一层时,其转换层上部与下部结构的等效侧向刚度比re宜接近1,非抗震设计不应大于2,抗震设计不应大于1.3。
钢筋保护层厚度分析分享保护层指的是混凝土上面那层小部分垫层。
是指混凝土构件中,起到保护钢筋避免钢筋直接裸露的那一部分混凝土。
预制钢筋混凝土受弯构件钢筋端头的保护层厚度不应小于10mm;预制肋形板主肋钢筋的保护层厚度应按梁的数值取用。
第,且不应小于10mm;梁、柱中箍筋和构造钢筋的保护层厚度不应小于15mm.第,应对保护层采取有效的防裂构造措施。
处于二、三类环境中的悬臂板,其上表面应采取有效的保护措施。
第,其混凝土保护层厚度尚应符合国家现行有关标准的要求。
处于四、五类环境中的建筑物,其混凝土保护层厚度尚应符合国家现行有关标准的要求。
第 GB50204—2002《混凝土结构工程施工质量验收规范》规定必须对重要部位进行结构实体检验,主要检验混凝土强度和钢筋保护层厚度。
钢筋保护层厚度检验,需要对重要构件,特别是悬挑梁和板构件,以及易发生钢筋位移、易露筋的部位,采用非破损(用先进的)或局部破损的方法检验。
此时,纵向受力钢筋保护层厚度的允许偏差,对梁类构件为-7—+10mm;对板类构件为-5—+8mm。
钢筋保护层厚度检验的合格点率为 90%及以上时为合格。
当合格点率小于 90%,但不小于 80%,可再抽取相同数量的构件检验,当两次抽减总和计算的合格点率为 90%及以上时才能判为合格。
且每次抽样结果中不合格点的最大偏差均不应大于允许偏差的1.5倍。
3室内正常环境下板、墙保护层15mm,梁、柱保护层20mm4露天或室内高湿度环境:1、砼强度小于等于C20时,板、墙保护层35mm,梁、柱保护层45mm2、砼强度C25或C30时,板、墙保护层25mm,梁、柱保护层35mm3、砼强度大于等于C35时,板、墙保护层15mm,梁、柱保护层25mm基础按有无垫层区分:有垫层时40mm,无垫层时70mm保护层具体还要按设计图纸定,图纸设计保护层厚度有可能有小幅调整。
钢筋保护层厚度检测(GB50300-2001)基本要求钢筋保护层厚度检验的结构部位和构件数量,应符合下列要求:1.钢筋保护层厚度检验的结构部位,应由监理(建设)、施工等各方根据结构构件的重要性共同选定;2.对梁类、板类构件,应各抽取构件数量的2%且不少于5个构件进行检验;当有悬挑构件时,抽取的构件中悬挑梁类、板类构件所占比例均不宜小于50%。
保护层厚度
保护层指的是混凝土上面那层小部分垫层。
混凝土保护层是指混凝土构件中,起到保护钢筋避免钢筋直接裸露的那一部分混凝土。
下面讲述了保护层的在规范中的各种参数,要求。
目录
编辑本段保护层厚度要求
根据2010年新的《混凝土结构设计规范》(GB50010-2010)保护层厚度不再是纵向钢筋(非箍筋)外缘至混凝土表面的最小距离,而是“以最外层钢筋(包括箍筋、构造筋、分布筋等)的外缘计算混凝土的保护层厚度”。
因此本次修订后保护层设计厚度比原来增加!
保护层最小厚度的规定是为了使混凝土结构构件满足的耐久性要求和对受力钢筋有效锚固的要求。
混凝土保护层厚度大,构件的受力钢筋粘结锚固性能、耐久性和防火性能越好。
但是,过大的保护层厚度会使构件受力后产生的裂缝宽度过大,就会影响其使用性能(如破坏构件表面的装修层、过大的裂缝宽度会使人恐慌不安),而且由于设计中是不考虑混凝土的抗拉作用的,过大的保护层厚度还必然会造成经济上的浪费。
因此,2010年《混凝土结构设计规范》8.2.1条,规定纵向受力的普通钢筋及预应力钢筋,其混凝土保护层厚度(钢筋外边缘至混凝土表面的距离)不应小于钢筋的公称直径d,且应符合下表的规定。
一般设计中是采用最小值的。
混凝土保护层最小厚度(mm)
环境类别板、墙、壳梁、柱、杆
一15 20
二a 20 25
二b 25 35
三a 30 40
三b 40 50
注:1.混凝土强度等级不大于C25时,表中保护层数值增加5mm.
2.钢筋混凝土基础宜设置混凝土垫层,基础中钢筋的混凝土保护层厚度应从垫层顶面算起,且不应小于40mm.
编辑本段关于保护层厚度的其它规定
第9.2.2条处于一类环境且由工厂生产的预制构件,当混凝土强度等级不低于C20时,其保护层厚度可按本规范表9.2.1中规定减少5mm,但预应力钢筋的保护层厚度不应小于15mm;处于二类环境且由工厂生产的预制构件,当表面采取有效保护措施时,保护层厚度可按本规范表9.2.1中一类环境数值取用。
预制钢筋混凝土受弯构件钢筋端头的保护层厚度不应小于10mm;预制肋形板主肋钢筋
的保护层厚度应按梁的数值取用。
第9.2.3条板、墙、壳中分布钢筋的保护层厚度不应小于本规范表9.2.1中相应数值减10mm,且不应小于10mm;梁、柱中箍筋和构造钢筋的保护层厚度不应小于15mm.
第9.2.4条当梁、柱中纵向受力钢筋的混凝土保护层厚度大于40mm时,应对保护层采取有效的防裂构造措施。
处于二、三类环境中的悬臂板,其上表面应采取有效的保护措施。
第9.2.5条对有防火要求的建筑物,其混凝土保护层厚度尚应符合国家现行有关标准的要求。
处于四、五类环境中的建筑物,其混凝土保护层厚度尚应符合国家现行有关标准的要求。
第10.1.2条国家标准 GB50204—2002《混凝土结构工程施工质量验收规范》规定必须对重要部位进行结构实体检验,主要检验混凝土强度和钢筋保护层厚度。
钢筋保护层厚度检验,需要对重要构件,特别是悬挑梁和板构件,以及易发生钢筋位移、易露筋的部位,采用非破损(用先进的钢筋保护层厚度测定仪)或局部破损的方法检验。
此时,纵向受力钢筋保护层厚度的允许偏差,对梁类构件为-7~+10mm;对板类构件为-5~+8mm。
钢筋保护层厚度检验的合格点率为 90%及以上时为合格。
当合格点率小于 90%,但不小于 80%,可再抽取相同数量的构件检验,当两次抽减总和计算的合格点率为 90%及以上时才能判为合格。
且每次抽样结果中不合格点的最大偏差均不应大于允许偏差的1.5倍。
混凝土结构环境类别
一类,二类和三类环境使用年限为50 年规定
一类环境使用年限为100 年规定
一类:室内干燥环境;永久的无侵蚀性静水浸没环境。
二类: a、室内潮湿环境;室内潮湿环境;非严寒和非寒冷地区的露天环境;非严寒和非寒冷地区与无侵蚀性的水或土壤直接接触的环境;寒冷和严寒地区的冰冻线以下的无侵蚀性的水或土壤直接接触的环境
b、干湿交替环境;水位频繁变动环境,严寒和寒冷地区的露天环境;严寒和寒冷地区的冰冻线以上与无侵蚀性的水或土壤直接接触的环境
三类: a、严寒和寒冷地区冬季水位冰冻区环境;受除冰盐影响环境;海风环境。
b、盐渍土环境;受除冰盐作用环境;海岸环境。
四类:海水环境。
五类:受人为或自然的侵蚀性物质影响的环境。
注:严寒和寒冷地区的划分应符合国家现行标准《民用建筑热工设计规程》GB 50176的有关规定。
一类,二类和三类环境使用年限为50 年规定
注:
1 氯离子含量系指其占水泥用量的百分率;
2 预应力构件混凝土中的最大氯离子含量为 0.06%,最小水泥用量为 300kg/m3;最低混凝土强度等级应按表中规定提高两个等级;
3 素混凝土构件的最小水泥用量不应少于表中数值减 25kg/m3;
4 当混凝土中加入活性掺合料或能提高耐久性的外加剂时,可适当降低最小水泥用量;
5 当有可靠工程经验时,处于一类和二类环境中的最低混凝土强度等级可降低一个等级;
6 当使用非碱活性骨料时,对混凝土中的碱含量可不作限制。
一类环境使用年限为100 年规定
1 钢筋混凝土结构的最低混凝土强度等级为 C30;预应力混凝土结构的最低混凝土强度等级为 C40;
2 混凝土中的最大氯离子含量为 0.06%;
3 宜使用非碱活性骨料;当使用碱活性骨料时,混凝土中的最大碱含量为 3.0kg/m3;
4 混凝土保护层厚度应按本规范表 9.2.1 的规定增加 40%;当采取有效的表面防护措施时,混凝土保护层厚度可适当减少;
5 在使用过程中,应定期维护。
其他
1. 二类和三类环境中,设计使用年限为 100 年的混凝土结构,应采取专门有效措施。
2.严寒及寒冷地区的潮湿环境中,结构混凝土应满足抗冻要求,混凝土抗冻等级应符合
有关标准的要求。
3.有抗渗要求的混凝土结构,混凝土的抗渗等级应符合有关标准的要求。
4. 三类环境中的结构构件,其受力钢筋宜采用环氧树脂涂层带肋钢筋;对预应力钢筋,锚具及连接器,应采取专门防护措施。
5. 四类和五类环境中的混凝土结构,其耐久性要求应符合有关标准的规定。
对临时性混凝土结构,可不考虑混凝土的耐久性要求。