救灾帐篷篷架检验标准
- 格式:doc
- 大小:31.50 KB
- 文档页数:1
12m2救灾棉帐篷执行标准摘要:I.救灾棉帐篷的背景与重要性A.救灾场景的应用B.对灾民生活的重要性II.12m2 救灾棉帐篷的执行标准A.规格与尺寸B.材料与结构C.质量与性能要求III.我国相关法规与政策支持A.国家标准B.政策扶持与鼓励IV.12m2 救灾棉帐篷的优势与意义A.保暖性能B.便于搭建与收纳C.降低灾后救援难度V.未来发展趋势与建议A.技术创新与升级B.提高生产效率与质量C.加强国际合作与交流正文:救灾棉帐篷是灾害发生后,为灾民提供临时住所和保暖措施的重要物资。
其中,12m2 救灾棉帐篷在我国的救灾工作中起到了举足轻重的作用。
本文将围绕12m2 救灾棉帐篷的执行标准、我国相关法规与政策支持、优势与意义以及未来发展趋势与建议展开讨论。
首先,12m2 救灾棉帐篷的执行标准包括规格与尺寸、材料与结构以及质量与性能要求。
在规格与尺寸方面,12m2 救灾棉帐篷的长、宽、高分别为12 米、4 米和2.8 米,为三人至四人提供足够的生活空间。
在材料与结构方面,帐篷采用高强度防水牛津布为表层,具有较好的防水、抗风、抗老化性能;内部填充优质棉花,保证保暖效果。
质量与性能要求方面,帐篷需要承受8 级风力和1.5mm 厚的积雪压力,确保在恶劣气候条件下仍能为灾民提供安全庇护。
我国对救灾棉帐篷的生产和应用有明确的国家标准,对生产企业的资质也有严格的要求。
同时,我国政府对救灾物资生产、采购、储备、调运等环节给予政策扶持和鼓励,确保救灾工作的高效进行。
12m2 救灾棉帐篷的优势与意义体现在保暖性能、便于搭建与收纳以及降低灾后救援难度等方面。
帐篷的保暖性能为灾民在寒冷的夜晚提供温暖庇护,帮助他们度过难关。
此外,救灾棉帐篷体积小、重量轻,便于快速搭建和收纳,大大提高了救援效率。
在降低灾后救援难度方面,12m2 救灾棉帐篷能够为灾民提供临时住所,减轻灾区的安置压力,使救援工作能够更加有序、高效地进行。
展望未来,12m2 救灾棉帐篷的发展趋势与建议包括技术创新与升级、提高生产效率与质量以及加强国际合作与交流。
12m2救灾棉帐篷执行标准
【原创版】
目录
1.12m2 救灾棉帐篷的概述
2.12m2 救灾棉帐篷的执行标准
3.12m2 救灾棉帐篷的使用范围和注意事项
正文
【12m2 救灾棉帐篷的概述】
12m2 救灾棉帐篷是一种用于灾害救援的临时住所,其主要特点是携带方便、搭建简单、保暖性能好。
这类帐篷通常采用棉布作为篷布,以确保帐篷内的温度和舒适度。
12m2 救灾棉帐篷的尺寸为 12 平方米,可容纳 10-15 人,适用于受灾群众临时居住。
【12m2 救灾棉帐篷的执行标准】
根据我国相关规定,12m2 救灾棉帐篷的执行标准应满足以下要求:
1.尺寸:帐篷长 3.6 米,宽 3.6 米,高
2.4 米,面积为 12 平方米。
2.材质:帐篷篷布应采用防水、防风、保暖的棉布材料。
3.结构:帐篷采用钢筋支架,确保结构稳定。
4.安全:帐篷应具有良好的防火、防虫性能。
【12m2 救灾棉帐篷的使用范围和注意事项】
1.使用范围:12m2 救灾棉帐篷主要应用于自然灾害、突发事件等紧急情况下,为受灾群众提供临时住所。
2.注意事项:
(1) 在搭建帐篷时,应选择地势平坦、排水良好的地方,避免积水和泥石流等灾害。
(2) 帐篷搭建完成后,应进行加固,确保帐篷在强风等恶劣天气下不会倾倒。
(3) 使用过程中要注意防火,避免明火和火源接触帐篷。
(4) 使用完毕后,应及时对帐篷进行收拾和清洁,延长使用寿命。
综上所述,12m2 救灾棉帐篷作为灾害救援中的重要物资,其执行标准和使用范围都有严格的要求。
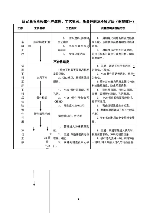
12 nf救灾单帐篷生产流程、工艺要求、质量控制及检验方法(框架部分)工序工步名称工艺要求质量控制及检验方法备料工序原材料进n佥验1、倍尺进料,并有材质证明书[2、外径公差符合公司标准13、壁厚公差达标J不合格退货1、用钢卷尺测是否符合定额要求长度。
质检技术贝查看相应材质证明书。
2、用精度0.02卡尺测外径及壁厚,符合〈〈标准》规定公差为合格。
明显超差禁用。
切割下料工序1定尺下T料1检查卜料装置及靠尺长度是古止确。
2、切口端正,无明显偏斜现象。
1、三通、四通下料用卡尺测,+1.0为合格。
(抽检)2、①25杆件用钢卷尺测,长度+1.5 为合格。
3、用500 mm直角尺确定锯片与进料轨道垂直度,防止明显偏斜。
下料后检验管件检r•验1、中28管件无裂缝,无孔洞。
2、中25管件符合公司〈〈标准》3、,骂'曲度^总长2%o1、送料员目测,接料人目测,三通、四通管有裂缝、孔洞禁用。
2、①25管件轻微原残经补焊,修平可使用。
3、弯曲度明显超差者校直。
管件打磨1管件清除f毛剌清除管口内、外毛刺1、利用金属圆锯机下料(一般无毛刺)2、若有毛刺利用自制专用设备除掉。
冲切工序①28冲圆司冲孔1T管件瓜、F _①25管冲孔1、管件进入冲床模具到位。
2、三通、四通件圆弧方位准确、端正。
3、横杆两端透孔中心平行。
1、三通、四通管件进入模具时,目测位置准确,冲后无错位现象。
2、横杆透孔先冲一端,调转冲另一端时,将长销插入透孔与地面垂直。
组合焊接工艺三通、(含才包装丰r四通组合立绳环)焊接匡焊接1、结构完善,正确。
2、各方位管件之间及孔位正确。
3、角度公差符合公司〈〈标准》。
4、在自制胎具中焊接要求焊接牢固,尺寸符合图纸要求,整体形状无明显变形。
5、包装框结构正确,符合图纸尺寸。
1、每种通件均在专用胎具中组合,焊接。
然后在专用模具中冲孔,符合图纸结构及公差要求。
2、每种通首件由专职人员检查。
确认无误投入生产。
3、三通、四通各部角度,用专用样板测量±1°为合格。
应急救灾帐篷国标
摘要:
一、应急救灾帐篷的重要性
二、国标对应急救灾帐篷的规定
三、应急救灾帐篷国标的作用和意义
四、执行国标的建议和措施
正文:
应急救灾帐篷在自然灾害发生时,对于受灾群众来说具有非常重要的作用。
它们为受灾群众提供了一个临时的生活空间,帮助他们度过难关。
因此,应急救灾帐篷的质量直接关系到受灾群众的生活质量和安全。
我国针对应急救灾帐篷制定了严格的国家标准。
这些标准规定了帐篷的分类、技术要求、试验方法、检验规则以及标志、包装、运输和储存等内容。
通过这些标准,确保了应急救灾帐篷的性能、质量和可靠性。
应急救灾帐篷国标对于保障我国救灾工作的顺利进行具有重大意义。
这些标准为救灾物资的采购、储备、调运和发放提供了依据,确保了帐篷能够在关键时刻发挥应有的作用。
同时,国标还有利于推动帐篷生产企业的技术进步和创新,提高我国帐篷产业的整体水平。
为了更好地执行国标,我们建议采取以下措施:一是加强国标的宣传和培训,提高帐篷生产企业对国标的认识和理解;二是加大执法力度,对不符合国标的企业进行处罚,确保产品质量;三是鼓励企业采用先进的生产工艺和材料,提高帐篷的性能和质量;四是建立完善的应急救灾帐篷储备和调运机制,
确保帐篷在灾害发生时能够迅速投入使用。
总之,应急救灾帐篷国标为我国救灾工作提供了有力保障。
00000 ㎡㎡㎡27764-2010MZ中华人民共和国民政部行业标准MZ/T 011.3—2010救灾帐篷第3 部分:36m2单帐篷Disaster relief tent—Part 3:36m2tent2010-01-14 发布2010-03-1实施5中华人民共和国民政部发布M Z/T 011.3-2010前言70 MZ/T 011—2010《救灾帐篷》分为七个部分:——第 1 部分:8m2单帐篷;——第 2 部分:12m2单帐篷;——第 3 部分:36m2单帐篷;——第 4 部分:12m2棉帐篷;——第 5 部分:36m2棉帐篷;——第 6 部分:厕所帐篷;——第 7 部分:帐篷涂层布。
本部分为 MZ/T 011—2010 的第 3 部分。
本部分的附录 A、附录 B、附录 C、附录 D、附录 E、附录 F 和附录 G 为规范性附录。
本部分由民政部救灾司提出。
本部分由全国减灾救灾标准化委员会归口。
本部分起草单位:民政部救灾司、北京市民政局、新兴职业装备生产技术研究所。
本部分主要起草人:于金明、李成、丁长利、王珍、王德一、崔秀敏。
1 范围救灾帐篷第 3 部分:36m2单帐篷M Z/T 011.3-2010本部分规定了救灾专用 36m2单帐篷的要求、试验方法、检验规则及标志、包装、运输与贮存。
本部分适用于以单面涂覆PVC防水阻燃涂层布为主要材料缝制的篷体,与焊接钢管制作的框架组装而成的救灾专用36m2单帐篷的订购、生产与验收。
2 规范性引用文件下列文件对于本文件的应用是必不可少的。
凡是注日期的引用文件,仅注入日期的版本适用于本文件。
凡是不注入日期的引用文件,其最新版本(包括所有的修改单)适用于本文件。
GB/T 250—2008 纺织品色牢度试验评定变色用灰色样卡GB/T 706—2008 热轧型钢GB/T 1040.1—2006 塑料拉伸性能的测定第1部分:总则GB/T 1527—2006 铜及铜合金拉制管GB/T 1804—2000 一般公差未注公差的线性和角度尺寸的公差GB/T 2059—2008 铜及铜合金带材GB/T 3917.3—2009 纺织品织物撕破性能第3部分: 梯形试样撕破强力的测定GB/T 3923.1—1997 纺织品织物拉伸性能第1部分: 断裂强力和断裂伸长率的测定条样法GB/T 4666—2009 纺织品织物长度和幅宽的测定GB/T 4669—2008 纺织品机织物单位长度质量和单位面积质量的测定GB/T 5455—1997 纺织品燃烧性能试验垂直法GB/T 6836—2007 缝纫线GB/T 13793—2008 直缝电焊钢管GB/T 19976—2005 纺织品顶破强力的测定钢球法GB/T 20118—2006 一般用途钢丝绳FZ/T 01004—2008 涂层织物抗渗水性的测定FZ/T 01010—1991 涂层织物涂层粘附强度测定方法FZ/T 01063—2008 涂层织物抗粘连性的测定FZ 65002—1995 特种工业用绳带物理机械性能试验方法JSB 40.1~40.2—1993 军用锦丝起绒搭扣带扣合强度和撕揭强度的测定方法QB/T 2173—2001 尼龙拉链QB/T 3817—1999 轻工产品金属镀层和化学处理层的厚度测试方法金相显微镜法QB/T 3826—1999 轻工产品金属镀层和化学处理层的耐腐蚀试验方法中性盐雾试验(NSS)法YB/T 5058—2005 弹簧钢、工具钢冷轧钢带YB/T 5294—2006 一般用途低碳钢丝3 要求3.1 样式救灾专用36m2单帐篷为长方形双坡面直墙建筑样式。
应急救灾帐篷国标
国标应急救灾帐篷是一种用于应对紧急灾害和救援工作的临时住所设施。
根据国家标准,应急救灾帐篷的国标标准是GB/T 32538-2016《应急救灾帐篷通则》。
该国标规定了应急救灾帐篷的一般要求、分类和符号、尺寸、设计、性能、试验、包装、运输、储存等方面的要求。
根据国标,应急救灾帐篷通常应具备防水、防风、防火、耐用、易于安装和拆卸等特性,以满足临时住所的需要。
在紧急灾害和救援工作中,应急救灾帐篷常被用于提供临时住所,供受灾群众居住、休息和避难。
这些帐篷具备临时性、便携性和可快速安装的特点,可以迅速建立起临时住所,以应对灾害发生后的人员安置问题。
国标应急救灾帐篷的实施,有助于规范应急救灾帐篷的设计、制造和使用,提高应急救灾帐篷的质量和性能,提高应对紧急灾害和救援工作的能力,保障受灾群众的安全和生活需求。
36平米救灾帐篷国标参数
36平米救灾帐篷的国标参数如下:
1. 帐篷外形尺寸:×××米。
2. 篷体采用加厚600D蓝色单面PVC涂层牛津布,防雨防晒,使用寿命长。
3. 帐篷一门四窗,内胆为保温层,保温层为400克/平米,双面白色牛津布加白色丝绵絮片。
4. 支架38圆管厚,三通配件42圆管厚,烤漆厚度不低于35UM。
5. 帐篷顶坡两面要印刷“高唐县应急救灾”字样,笔划粗细为50mm,字
体尺寸高450mm。
门左、右两侧居中,分别印“救”、“灾”字样,字底距地面650mm,字体尺寸高500mm,笔划粗细50mm。
以上参数仅供参考,具体参数可能会因厂家、规格等因素而有所差异,建议查看具体商品详情页或咨询客服获取详细信息。
12㎡救灾单帐篷生产流程工艺要求质量控制及检验方法救灾单帐篷的生产流程、工艺要求、质量控制和检验方法主要包括以下几个部分:一、生产流程:1.原材料采购:选择符合国家标准的防水、防火、抗紫外线等性能的材料。
包括帐篷布料、扣件、钢管等。
2.材料准备:将采购回来的材料进行分类、清洗、整理和切割等处理。
3.缝纫加工:根据设计图纸,将准备好的布料进行剪裁,然后进行针线缝制。
缝制前需要对布料进行标记,确保缝制的方向、位置和尺寸准确无误。
4.钢管加工:根据设计要求,对采购回来的钢管进行切割、折弯、焊接等加工处理。
同时,对加工好的钢管进行喷塑处理,增加其抗氧化、耐腐蚀能力。
5.组装成型:将针线缝制好的布料与加工好的钢管进行组装。
先将钢管组装成骨架结构,然后将布料套在骨架上固定。
6.补强和装饰:对帐篷的关键部位进行补强处理,增强其结构强度和稳定性。
同时,根据需要进行装饰,如加印标识、喷涂图案等。
7.品检和包装:对生产出的帐篷进行严格的品质检验,确保没有任何质量问题。
然后进行包装,符合运输和储存要求。
8.发货和交付:完成生产的帐篷根据订单要求进行发货,并按照约定的交付方式进行运输和交收。
二、工艺要求:1.布料选用:要求布料具有防水、防火、抗紫外线等性能。
同时,要求布料柔软、耐磨损、防霉等。
2.缝制要求:缝制工艺要求高,确保帐篷的整体性能和强度。
缝线要均匀、牢固,接缝处要平整、紧密。
3.钢管加工:钢管要求质量稳定,不得有明显的裂纹、凹陷、变形等缺陷。
焊接点要牢固,并进行防锈处理。
4.组装要求:组装要求准确无误,保证帐篷的形状和尺寸稳定。
加工的钢管不得有松动、变形等情况。
5.补强和装饰要求:补强处理要均匀、牢固,增强帐篷的结构强度。
装饰要求美观大方,不影响帐篷的功能和使用。
三、质量控制和检验方法:1.原材料质量控制:对采购的原材料进行抽检,确保符合国家标准和质量要求。
2.构件质量控制:对加工的钢管进行外观检查和尺寸检测,确保质量稳定。
红十字会帐篷标准解释说明以及概述1. 引言1.1 概述在面临自然灾害、战争冲突或人道主义危机时,红十字会作为国际组织起到了至关重要的作用。
其中,红十字会提供的帐篷是紧急救援中不可或缺的设施之一。
本文将深入探讨红十字会帐篷标准的定义、内容与规定,以及标准制定流程。
1.2 文章结构本文分为五个部分进行阐述和论述。
首先,在引言部分进行概述,并介绍文章的结构。
其次,针对红十字会帐篷标准进行详细解释和说明其重要性。
接下来,详细讨论红十字会帐篷标准包括的具体要点,如结构和材料要求、设施和功能要求,以及安全和环保考量。
最后,在结论与展望部分总结红十字会帐篷标准的意义和作用,并对未来发展方向和面临问题进行展望。
1.3 目的本文旨在深入介绍和解释红十字会帐篷标准,并阐明其重要性。
通过研究红十字会在灾难中提供的救援帐篷以及相关标准,可以增加我们对红十字会在救灾过程中所扮演的角色和功能的理解。
同时,了解红十字会帐篷标准对救灾效果的影响,有助于国际社会在面对灾害时更好地协作和共享经验。
通过本文的研究和分析,我们将更好地理解红十字会帐篷标准的要求,并为未来改进和发展提供指导与建议。
2. 红十字会帐篷标准2.1 什么是红十字会帐篷标准红十字会帐篷标准是指在救灾和人道主义援助活动中,为了提供临时的住所给灾民、难民或被迫撤离的人们而设计和使用的帐篷。
这些帐篷需要符合一定的质量和安全要求,以确保提供最佳的应急避难条件。
2.2 标准内容与规定红十字会帐篷标准涵盖了多个方面,包括设计和结构、材料选择、设施功能以及安全环保等要素。
关于设计和结构,该标准规定了帐篷的形状、尺寸、支撑系统以及进出口等细节。
对于材料选择,标准明确规定了使用耐用、防水、防火等特性的材料,并强调抗风能力和适应不同气候条件的能力。
此外,红十字会帐篷标准还要求考虑到相关设施和功能,例如空调、照明设备等,并提供必需品储藏空间。
为确保安全和环保,该标准还制定了相关指导原则,比如帐篷的安全性、可持续性和易于清洁等。
发文单位:民政部文号:民发[2001]87号发布日期:2001-4-11执行日期:2001-7-1各省、自治区、直辖市民政厅(局):兹批准《12平方米救灾专用单帐篷》为推荐性行业标准,并予以发布。
标准编号和名称如下:MZ/T011-2001《12平方米救灾专用单帐篷》。
该项标准从2001年7月1日起实施。
12平方米救灾专用单帐篷(12m2 Tent for Disaster Relief )MZ/T011-2001前言本标准对12平方米救灾专用单帐篷的样式规格、技术要求作出了明确规定,使救灾专用单帐篷的生产与验收有了依据。
本标准的附录A、附录B和附录C都是标准的附录。
本标准由民政部人事教育司归口管理,授权主要起草单位民政部救灾救济司负责具体解释。
本标准起草单位:民政部救灾救济司、中国人民解放军总后勤部军需生产技术研究所。
本标准主要起草人:崔秀敏、李本公、朱存芳、田国力、阎志壮、张晓宁、韩煜皎、高军、李成。
1范围本标准规定了救灾专用单帐篷的样式规格、技术要求、试验方法、检验规则及标志、包装、运输与贮存。
本标准适用于以防水阻燃化纤篷布为主要材料制作的救灾专用单帐篷的生产与检验。
2引用标准下列标准所包含的条文,通过在本标准中引用而构成为本标准的条文。
本标准出版时,所示版本均为有效。
所有标准都会被修订,使用本标准的各方应探讨使用下列标准最新版本的可能性。
GB250-1995评定变色用灰色样卡GB1270-1979漆膜附着力测定法GB/T3092-1993低压流体输送用焊接钢管GB/T3923.1-1997纺织品织物拉伸性能第1部分:断裂强力和断裂伸长率的测定条样法GB/T4669-1997机织物单位长度质量和单位面积质量的测定GB/T4744-1997纺织织物抗渗水性测定静水压试验GB/T5455-1997纺织品燃烧性能试验垂直法GB/T6543-1986瓦楞纸箱GB/T6836-1997涤纶缝纫线JSB39-1993军用锦丝起绒搭扣带JSB40.1~40.2-1993军用锦丝起绒搭扣带扣合强度和撕揭强度的测定方法QB/T2173-1995螺旋拉链QB/T3811-1999塑料打包带QB/T3817-1999轻工产品金属镀层和化学处理层的厚度测试方法金相显微法QB/T3826-1999轻工产品金属镀层和化学处理层的耐盐雾试验方法中性盐雾试验(NSS)法3技术要求3.1样式单帐篷底部为长方形,两坡为起脊式直立墙,两端山墙各开一个门,两侧墙各开窗户两个,其样式见图1.3.2规格单帐篷各主要部位尺寸见图1及表1.3.3材料规格主要材料规格应符合表2的规定。
帐篷验收标准
一、外观检查
1.帐篷的外观应整洁,表面无污渍、油渍、灰尘等杂物,颜色和图案符合设计要求。
2.帐篷的支架应笔直,无明显弯曲或变形。
3.帐篷的缝线应均匀,无断线或跳线现象。
4.帐篷的门帘应与帐篷主体连接牢固,门帘无破损或划痕。
5.帐篷的包装应完好,无破损或潮湿现象。
二、内部检查
1.帐篷的内部应干净整洁,无杂物和异味。
2.帐篷的支架和结构应牢固,无松动或脱落现象。
3.帐篷的地布应平整,无皱褶或起泡现象。
4.帐篷的内部配件应齐全,如支架、地布、门帘等。
5.帐篷的防水性能应符合设计要求,无渗漏现象。
三、其他检查
1.帐篷的尺寸应符合设计要求,长宽高无明显偏差。
2.帐篷的重量应符合设计要求,便于携带和使用。
3.帐篷的安装和拆卸应简单易行,方便使用和维护。
4.帐篷的材料应符合环保要求,无有害物质释放。
第四章 37 m2救灾指挥帐篷技术要求1 主题内容与适用范围本文件规定了折叠式网架帐篷(矩五拱Ⅰ~Ⅵ型)的技术要求、检验规则、试验方法及包装储运。
本文件适用于折叠式网架帐篷(矩五拱Ⅰ~Ⅵ型)的制造与验收,其它采用同类折叠式网架结构的改型帐篷可参照执行。
2 引用标准下列文件中的有关条款通过引用而成为本文件的条款。
凡注明日期或版次的引用文件,其后的任何修改单(不包括勘误的内容)或修订版本都不适用于本文件,但提倡使用本文件的各方探讨使用最新版本的可能性。
凡不注明日期或版次的引用文件,其最新版本适用于本文件。
GB/T 250-2008 纺织品、色牢度试验、评定变色用灰色样卡GB/T 1033.1 塑料非泡沫塑料密度的测定第一部分:浸渍法、液体比重瓶法和滴定法GB/T 1865-2009 色漆和清漆人工气候老化和人工辐射暴露滤过的氙弧辐射GB/T 2410 透明塑料透光率和雾度的测定GB/T 2518 连续热镀锌钢板及钢带GB/T 3280 不锈钢冷轧钢板和钢带GB/T 3820 纺织品和纺织制品厚度的测定GB/T 3917.3 纺织品织物撕破性能第3部分:梯形试样撕破强力的测定GB/T 3920 纺织品色牢度实验耐摩擦色牢度GB/T 3923.1 纺织品织物拉伸性能第1部分:断裂强力和断裂伸长率的测定条样法GB/T 4436 铝及铝合金管外外形尺寸及允许偏差GB/T 4437.2 铝及铝合金热挤压管第2部分:有缝管GB/T 4666 纺织品织物长度和幅宽的测定GB/T 4668 机织物密度的测定GB/T 4669 纺织品机织物单位长度质量和单位面积质量的测定GB/T 4744 纺织织物防水性的检测和评价静水压法GB/T 5330 工业用金属丝编织方孔筛网GB/T 6672 塑料薄膜与薄片厚度的测定机械测量法GB/T 6728 结构用冷弯空心型钢尺寸、外形、重量及允许偏差GB/T 6836 涤纶缝纫线GB/T 8427 纺织品色牢度试验人造光色牢度:氙弧GB/T 19976 纺织品顶破强力的测定钢球法GB/T 20118 一般用途钢丝绳GB/T 23315 粘扣带GB 1040.2 塑料拉伸性能的测定第2部分:模塑和挤塑塑料的试验条件GB 50009 建筑结构荷载规范GB 5944 轻工产品金属镀层腐蚀试验结果的评价GB 12618 开口型扁圆头芯铆钉GJB 145A 防护包装规范GJB 150.11A 军用装备实验室环境试验方法第11部分盐雾试验GJB 179A 计数抽样检查程序及表GJB 1111-1991 评定变色用草绿色样卡GJB 1182-1991 防护包装和装箱等级GJB 1626A-2009 后勤装备标志设计要求GJB 1765A-2008 军用物资包装标识GJB 2948 运输装载尺寸与重量限值GJB 4306-2002 野营住房空间与环境参数限值GJB 5727 后勤装备高温低温湿热实验室方法GJB 7390-2012 通用迷彩帐篷布规范BB/T 0037-2012 双面涂覆聚氯乙烯阻燃防水布和篷布FZ/T 01010 涂层织物涂层粘附强度测定方法FZ/T 01063 涂层织物抗粘连性的测定FZ/T 60021 织物产品物理机械性能试验方法FZ 65002 特种工业用绳带物理机械性能实验方法FZ 66303-199 特种工业用棉丝绳绵绵绳棉丝套绳双层棉丝绳HG/T 2503 聚碳酸酯树脂HG/T 3689 鞋类耐黄变试验方法QB/T 1130 塑料直角撕裂性能试验方法QB/T 2173 尼龙拉链JS3-7-80 长方环JS3-35-80 铝篷圈JS3-82-80 铁锤JS3-83-80 钩桩JS3-85-80 三角桩JS3-126-80 拉绳板3 要求3.1 一般要求3.1.1 帐篷应符合本文件的规定,并按照经规定程序批准的产品图样和技术文件制造。
救灾专用12m2单帐篷技术要求1范围本部分规定了救灾专用12m2单帐篷的要求、试验方法、检验规则及标志、包装、运输与贮存。
本部分适用于以单面涂覆防水阻燃涂层布为主要篷体材料、以焊接钢管为框架组合而成的救灾专用12m2单帐篷的订购、生产与验收。
2规范性引用文件下列文件对于本文件的应用是必不可少的。
凡是注日期的引用文件,仅注入日期的版本适用于本文件。
凡是不注入日期的引用文件,其最新版本(包括所有的修改单)适用于本文件。
GB/T250—2008纺织品色牢度试验评定变色用灰色样卡GB/T706—2008热轧型钢GB/T708—2006冷轧钢板和钢带的尺寸、外形、重量及允许偏差GB/T1040.1—2006塑料拉伸性能的测定第1部分:总则GB/T1527—2006铜及铜合金拉制管GB/T1804—2000一般公差未注公差的线性和角度尺寸的公差GB/T2059—2008铜及铜合金带材GB/T3917.3—2009纺织品织物撕破性能第3部分:梯形试样撕破强力的测定GB/T3923.1—1997纺织品织物拉伸性能第1部分:断裂强力和断裂伸长率的测定条样法GB/T4666—2009纺织品织物长度和幅宽的测定GB/T4669—2008纺织品机织物单位长度质量和单位面积质量的测定GB/T5455—1997纺织品燃烧性能试验垂直法GB/T6836—2007缝纫线GB/T13793—2008直缝电焊钢管GB/T19976—2005纺织品顶破强力的测定钢球法GB/T20118—2006一般用途钢丝绳FZ/T01004-2008涂层织物抗渗水性的测定FZ/T01010—1991涂层织物涂层粘附强度测定方法FZ/T01063-2008涂层织物抗粘连性的测定FZ65002-1995特种工业用绳带物理机械性能试验方法JSB40.1~40.2—1993军用锦丝起绒搭扣带扣合强度和撕揭强度的测定方法QB/T2173—2001尼龙拉链QB/T3817—1999轻工产品金属镀层和化学处理层的厚度测试方法金相显微镜法QB/T3826—1999轻工产品金属镀层和化学处理层的耐腐蚀试验方法中性盐雾试验(NSS)法YB/T5058—2005弹簧钢、工具钢冷轧钢带YB/T5294—2006一般用途低碳钢丝3要求3.1样式救灾专用12m2单帐篷为长方形双坡面直墙建筑样式。
帐篷验收合格标准帐篷是一种用于野外露营、户外活动或紧急应急情况下提供临时住所的设备。
验收帐篷的合格标准对于保证帐篷的质量和使用安全非常重要。
本文将介绍一份关于帐篷验收的合格标准,以帮助用户选择和使用合格的帐篷。
一、帐篷外观检查1. 帐篷布料:检查帐篷布料是否平整、无损坏,尤其需要检查帐篷顶部、底部和墙部的布料是否完好。
2. 缝隙:检查帐篷的缝隙是否牢固,是否有松动现象。
3. 帐篷架构:检查帐篷架构是否完整,是否有变形、破损或锈蚀。
4. 帐篷拉索:检查帐篷拉索的张力是否适当,是否有断裂或损坏。
二、帐篷内部检查1. 帐篷内部隔间:检查帐篷内是否设有隔间,以满足不同需要的人们的隐私需求。
2. 帐篷地垫:检查帐篷是否自带地垫,其质量是否良好,能否提供足够的隔离和保温效果。
3. 通风口:检查帐篷是否设有通风口,并测试通风口是否能够正常开合和调节空气流通。
4. 帐篷入口:检查帐篷入口是否设有拉链和绑带,拉链是否流畅,绑带是否结实可靠。
三、帐篷防水性能检查1. 帐篷布料:检查帐篷布料是否经过防水处理,是否具有一定的防水性能。
2. 拉链:检查帐篷拉链是否具有防水功能,是否能够完全密封。
3. 缝隙:检查帐篷缝隙是否经过防水处理,是否能够抵御较强的雨水。
4. 帐篷底部:检查帐篷底部是否有防水层,能否防止地面水渗透。
四、帐篷稳固性检查1. 帐篷杆:检查帐篷杆的质量和强度,是否能够承受风力和压力。
2. 支撑绳:检查帐篷支撑绳是否结实,能否保持帐篷的稳定和均衡。
3. 地面插钉:检查帐篷地面插钉的质量和稳定性,是否能够牢固地固定帐篷。
4. 帐篷重量:检查帐篷的重量是否适中,不过分增加携带负担。
五、帐篷使用注意事项1. 避免在强风、暴雨等恶劣天气下使用帐篷。
2. 使用前正确安装帐篷,确保每根帐篷杆和每个插钉都安装到位。
3. 在帐篷内放置重物时,要平稳分配重量,避免帐篷失去平衡。
4. 在帐篷内使用明火时,要确保火源安全,并做好通风措施。
救灾帐篷国标
救灾帐篷是一种在自然灾害或紧急情况下为受灾者提供住所的暂时安置建筑,它被广泛应用于地震、洪水、飓风、台风和冰雪灾害等灾难中。
为了保证救灾帐篷的安全、实用和持久性,中国国家标准化管理委员会制定了《GB/T 33560-2017灾害救援临时帐篷》,也称为“救灾帐篷国标”。
救灾帐篷国标的具体内容包括以下几个方面:
1. 适用范围:该国标适用于自然灾害或紧急情况下提供临时住所的救灾帐篷,包括冬季帐篷、夏季帐篷和多功能帐篷等不同类型。
2. 术语和定义:该国标列举了涉及到救灾帐篷的一些术语和定义,如灾害救援临时帐篷、建筑高度、气密性和结构等。
3. 材料和结构:该国标对于救灾帐篷所使用的材料和结构作出了明确规定,包括建筑布料的质量、厚度、防水性能、防紫外线能力和渗漏检测要求等。
4. 性能要求:该国标对于救灾帐篷的性能和技术要求进行了详细说明,包括建筑高度、风险系数、抗风性能、稳定性和防风能力等。
5. 检测和评价:该国标对于救灾帐篷的检测和评价提出了具体要求,包括采用压力暴露和稳定性暴露等方法进行检测和评价。
救灾帐篷国标的推出,可以为我国地震、洪水、台风等自然灾害和紧急情况的救援工作提供重要技术规范和指导。
国标的实施,可以有效提高救灾帐篷的安全性和实用性,为受灾群众提供一个安全、舒适、温馨的暂时住所,进一步提升我国国家应对灾害的能力。
救灾帐篷篷架检验标准
1、原材料的检测
A、检验内容:钢管的长度、厚度、椭圆度等
B、检验方法:用钢卷尺测量钢管的长度,用卡尺测量钢管的椭圆度,用内壁千分尺测量钢管的厚度。
C、判定准则:①钢管的长度公差为±3mm
②钢管的厚度公差为±0.02mm
③钢管的椭圆度公差为±0.08mm、
2、下料尺寸的检验
A、检验内容:钢管觉得长度、弯曲度等
B、检验方法:用钢卷尺测量钢管的长度。
用平台检测钢管的弯曲度。
C、判定准则:①钢管的长度公差为±3mm
②钢管的弯曲度不大于总长的2‰
3、冲孔尺寸的检测
A、检测内容:孔距、孔径等
B、检测方法:用卡尺测量冲孔的孔距、孔径
C、判定准则:孔距±0.3mm,孔径±0.05mm
4、切弧的检测
A、检验内容:切弧的深度、对称度等。
B、检测方法:用卡尺测量。
C、判定准则:圆弧的深度±0.1mm,对称度±0.1mm。
5、焊接的检测
A、检测内容:整体尺寸、组焊后部件角度、焊缝平整度、假焊、漏焊、沙眼等。
B、检测方法:用卡尺或检具测量焊接后的整体度尺寸及角度,目测量缝的平整度、咬边等。
C、判定准则:整体尺寸±1mm,角度±0.5°,焊接平整,无虚假接,漏接,沙眼、咬边等。
6、修磨的检测
A、检验内容:焊接、冲孔部位。
B、检验方法:目测。
C、判定准则:打磨的是否平整,内外孔壁光滑无毛刺。
7、磷化的检测
A、检测内容:钢管的表面。
B、检测方法:目测
C、判定准则:按磷化工艺。
8、喷吐的检测
A、检验内容:涂层的厚度、光洁度、色差、均匀性、附着力等。
B、检测方法:用涂层测厚仪测量涂层的厚度,有专用工具测量涂层附着力。
C、判定准则:(按企标)涂层厚度>0.03mm,涂层经磕碰、酸雾实验大于96小时,涂层不气泡、不脱落。
9、包装的检测
A、检测内容:是否符合包装工艺要求,数目齐全。
B、检测方法:目测。
C、判定准则:符合包装工艺要求,数目齐全。
10、入库前检测
A、检测内容:各部件是否齐全。
B、检测方法:目测
C、判定准则:抽检产品的5%,数目齐全(钢管、接头、附件、说明书合格证等)。
11、码放的检验
A、检测内容:成品的码放。
B、检测方法:目测。
C、判定准则:成品的码放整齐、标识明确、高度合理、防潮防雨。