备案流程图
- 格式:xls
- 大小:64.00 KB
- 文档页数:2
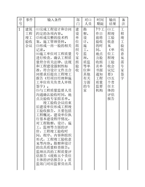
企业国有资产评估项目核准、备案流程图(注:实行核准制的评估项目核准前,申办单位应进行资产评估结果公示,公示时间为7个工作日。
)企业国有资产评估项目核准、备案工作程序一、申办单位履行事前报告程序,向市国资委报送前期资料申办单位发生应进行评估的经济行为时,应在中介机构开展资产评估工作前,向市国资委书面报告资产评估项目有关事项,包括但不限于:1.资产评估对应的经济行为批准情况;2.评估基准日的选择情况;3.资产评估范围的确定情况;4.选择资产评估机构情况;5.资产评估的时间进度安排情况;6.其他有关情况。
事前报告程序履行完毕后,申办单位应按照《企业国有资产评估工作前期所需提交资料清单》要求向市国资委报送各项前期资料。
二、由市国资委确定中介机构后,申办单位配合中介机构开展资产评估工作,并及时沟通资产评估项目的工作进展情况申办单位应当按照有关规定进行资产清查,核实账务,及时向中介机构提供有关情况和资料,并对所提供的情况和资料的真实性、合法性和完整性承担责任,不得隐匿或虚报资产;应当积极配合中介机构开展工作,不得以任何形式干预其正常执业行为。
申办单位和中介机构应当及时向市国资委报告资产评估项目工作进展情况,因特殊情况可能造成评估报告不能按规定时间出具,或发现影响国有资产权益的重大问题时,应当及时与市国资委沟通,以便于及时正确地处置有关情况和问题,促进评估工作顺利开展。
市国资委在必要时对项目进行跟踪指导和检查。
三、申办单位逐级上报初审,并提出核准、备案申请申办单位收到中介机构出具的资产评估报告后,应当逐级上报初审,经初审同意后,自资产评估基准日起8个月内向市国资委提出资产评估项目核准、备案申请,并按照《企业申请国有资产评估项目核准、备案所需提交资料清单》要求报送相关材料。
四、申办材料齐备后,市国资委受理审核市国资委收到核准、备案申请后,对报送材料进行审查,所提报材料齐备的,当场予以受理;申报材料不齐备的,一次性告知所需补报材料或所需补办手续,补报齐备后再予以受理。
企业投资项目备案流程图
正确无误。
流程图
流程:外部企业投资项目备案
流程步骤:
一、项目报备:
(1)项目报备部门收集项目的相关资料,包括项目报备表、立项决议、投资计划等等。
(2)经过审核确认后,准备好项目报备材料,提交至备案地点。
(1)项目审核部门审核报备材料,确认所有的报备材料完整、无误,尤其是安全性、经济效益等方面。
(2)如果发现项目报备材料不够完整或者存在缺陷,及时反馈项目
报备部门,要求及时完善。
三、项目备案:
(1)项目备案部门收到审核完成的报备材料后,开始备案办理工作。
(2)核对登记记录、提交审批表、备案凭证和相关材料。
(3)审批手续完成后,形成备案章、备案证明书等相关文件,正式
备案。
四、项目完结:
(1)完成备案手续后,按照实际项目情况,由备案部门向投资方发放备案确认书,交付给投资方。
(2)投资方按照备案确认书规定,发放项目资金,项目正式开始并进行实施。
购房合同备案流程图
1. 签订购房合同。
确定买卖双方身份信息和房屋信息。
确定房屋的价格、付款方式和交付日期。
签订购房合同并盖章。
2. 办理过户手续。
双方携带身份证、购房合同等相关证件到当地房地产交易中心办理过户手续。
缴纳过户税费并办理房产证过户手续。
签署过户手续并领取新的房产证。
3. 提交备案材料。
将购房合同、过户手续等相关材料提交给当地房地产管理部门
备案。
填写备案申请表格并缴纳备案费用。
4. 审核备案材料。
房地产管理部门对备案材料进行审核,确保合同内容合法合规。
如有需要,可能会要求补充材料或进行调查核实。
5. 完成备案。
审核通过后,购房合同备案完成。
领取备案证明或备案章,并保存好备案文件。
以上流程仅供参考,实际操作可能会因地区和具体情况有所不同。
在办理购房合同备案过程中,建议咨询专业人士或当地房地产
管理部门,以确保流程顺利完成。
备案流程图
第一步打开网站/Default.aspx登陆备案系统
第二步点击用户中心中得自主备案申请进行填写备案信息
第三步填写主体及主体负责人信息
第四步点写完成点击进入填写网站信息
即时通信搜索引擎综合门户
网上邮局网络新闻个人空间
信息单位门户网站
网上支付网上银行
基金网络游戏网络音乐
网络图片下载
婚介网上房产
网站建设
专线主机托管虚拟主机
安徽北京福建甘肃
广西贵州
河北河南黑龙江湖北南吉林江苏
辽宁
内蒙古宁夏
青海东
山西陕西
四川天津西藏
新疆浙江填写完成网站信息 点击 进入
第五步在此界面 点击继续后
进入 到网站信息核实 信息无误点击否
第六步 点击否后 进入全部备案信息核实 如填写无误请点击完成
第七步 提示此界面表示信息已经成功提交到我公司
第八步备案信息提交完成后请将以下
1)将核验单原件扫描件
2)主办单位证件扫描件
3)主体负责人身份证扫描件(正反面)
4)网站负责人身份证扫描件(正反面)
发送到beian@邮件标题为域名+主办单位名称+新增备案。
第九步待我司接收到邮件后对照电子信息进行审核如存在错误回复邮件告知客户错误原因如何修改;如信息正确回复邮件通知客户邮寄相关纸质材料到我公司
第十步客户可以在用户中心中备案信息管理查看到备案信息的审核状态
状态说明
1 该为备案信息处于客户填写状态未提交到我公司
2 该为备案信息处于我公司审核中尚未提交到管局
3 该为备案信息已经提交到管局处于管局审核中
4 该为备案信息管局已经审核通过
5 该为备案信息被管局退回。
《福建省工程造价咨询成果文件网上备案管理系统》备案操作指南一、备案流程企业成果文件备案流程分为两种,(1)以企业总公司帐号直接备案;(2)以企业员工帐号备案,总公司帐号审核。
1、企业备案流程图如下:2、企业员工备案流程图如下:二、登录系统【步骤】打开浏览器,输入网址:,进入福建省建设工程造价信息网。
点击“网上办事”模块中的“业绩备案”,进入业绩备案页面,如图:【说明】系统登录分为:企业登录和管理机构登录。
文件规定:可查阅与业绩备案相关的政策文件。
备案指南:可查阅业绩备案使用说明。
【步骤】企业选择“企业登录”入口,进入企业登录页面,如图:【说明】企业登录分为:企业总公司登录和企业员工登录。
(1)企业登录帐号为企业全称,初始密码为:111111,员工帐号不必填写。
(2)员工登录帐号需填写企业全称和员工帐号,初始密码为:123456,员工帐号由企业总公司负责新建。
三、业绩备案工程项目统一由总公司负责建立。
新项目备案前,员工应先向总公司申请新建项目。
(一)员工备案操作指南1、企业员工登录进入业绩备案页面,如图:【说明】企业员工帐号登录可以查看企业的所有项目名称及员工自行上传的工程文件。
【步骤】(1)在“已备案项目”的“项目名称”一栏输入待备案的项目名称,点击<查询>按钮,或在“项目列表”中找到待备案项目名称。
(2)在“操作”一栏点击<打开>按钮查看该项目已上传的工程文件,点击<上传>按钮,进入“导入导则文件”页面。
2、导入导则文件【说明】(1)导入导则文件的目的在于快速将工程信息导入备案系统。
导则文件由计价软件自动生成。
计价软件已经测评合格,则系统自动从导则文件识别相关工程信息;计价软件未经测评的,系统将工程专业默认为“其他”,相关工程信息需手工填写。
(2)导则文件超过30M,系统会有提示,请按系统提示操作完成备案。
【步骤】(1)点击<浏览>按钮,在“文件选择窗口”选择导则文件,系统将导则文件所在的地址显示在“上传文件”一栏。
完整版)房地产备案、按揭流程细节及各银行准入基本情况:在购买房屋时,需要进行备案和按揭等流程。
备案和按揭的大体流程如下图所示。
备案流程图:按揭流程图:签购房合同、集收资料:在进行按揭购房时,需要签订《商品房买卖合同》4份,备案表2份,婚姻状况声明1份,预售商品房预告登记约定书、预告登记委托书、抵押登记委托书,身份证复印件4份,结婚证复印件4份,户口复印件4份,收入证明、征信证明和流水。
如果是一次性付款,则需要签订《商品房买卖合同》3份,备案表2份,户口2份,身份证2份,婚姻证明2份。
其中,户口复印件需要包括户主页、个人页和共有人页。
收入证明的金额应根据按揭月供金额来填写,一般为月供的两倍。
《商品房买卖合同》按揭签4份,其中甲乙双方各持一份,房管局持一份,银行持一份。
非按揭签3份,其中甲乙双方各持一份,不动产持一份。
流水一般要求提供三个月的,如果不足额度标准,则需要提供六个月的。
流水需要体现首付支出,因此要求打流水的时间须在交首付之后。
婚姻状况声明是代替公安局或民政局出具未婚证明等类似证明的文件。
首付、维修基金录入:购房者需要将首付款和维修基金款存入监管账户,并注明业主、房号、面积(建筑+套内)、身份证号等信息。
市房管局备案:备案需要提交《商品房买卖合同》(全部)、备案表(全部)和身份证复印件,地点在市房管局5楼会议室。
预告登记:已备案的《商品房买卖合同》1份、备案表1份、身份证复印件1份、户口复印件1份、婚姻证明1份(未婚提供婚姻状况声明1份)、预告登记委托书、预售商品房预告登记约定书。
该程序受理时间为一周,得到《不动产登记证明》。
银行审核:已备案的《商品房买卖合同》1份、备案表1份、《不动产登记证明》、身份证复印件1份、户口复印件1份、婚姻证明1份、收入证明各1份、流水(三个月或六个月)、征信证明。
1、首套住房按揭的首付比例为总房款的20%,利率为基准利率;2、第二套住房按揭的首付比例为总房款的30%,利率为基准利率上浮10%。
县政府规范性文件备案流程图
11月30日
提交
审查
批准
15日内
15日内
30日内
15日内
15日内
30日内
1月15日前
1月20日前
20日内
施行一年
每两年
计划
县政府工作部门、驻汤中省市直部门
向法制办提交下一年度《规文项目建议申请》
向县政府提出《规文工作计划草案》
法制办组织实
起草
起草部门依计划草拟
涉及重大事项的,召开协调会、听证会等,形成《征求意见表》
草案、说明、依据、征求意见表一同
上报政府办
提请县领
导
县领导签转法制办
审核
认定
不
是
是
签署认定意见退回送审单位
缺少材料的,下达《文
件补正材料通知单》
工作人员初审
法制
办主任二审
填制《文件审核承办单》
审结稿报送签转县领导
发布
发布30日
后生效
网上公布
重大事项,报纸公布
存于档案局
备案
乡镇政府、县
政府工作部门、驻汤部门
法制办
报人大常委会备案
报市法制办备案
将上一年度政府规范性文件目录报市法制办
上报上一年度审查情况于市法制办
备案审查
符合条件
备案登记
补正材料
应报、未报、超越法定职权的
下《行政
执法监督通知书》要求修改、撤销
修
改或撤
销
法制办主任签
发
县政府决
定
评估
实施机关填写《规范性文件执行情况年度报告》
报送制定机关并抄送法制办
报送县政府并抄送法制办
实施机关填写《规范性文件评估报告》。