冲压材料性能要求
- 格式:ppt
- 大小:3.38 MB
- 文档页数:38
冲压件技术要求范文
一、性能要求
1、冲压件的材质应选用符合国家标准的冷轧材料,冲压件表面应满
足涂装的要求,在冲压过程中均匀性好。
2、冲压件表面不能有锈蚀、块状缺损、气孔、裂纹等缺陷,局部变
形不得超过规定值。
3、冲压件尺寸及形状应符合要求,尺寸公差不超过技术要求规定值,冲压件容易与被连接件密封的表面应光洁,平整,无明显的毛刺和激光焊
接痕迹等。
4、冲压件的表面涂装应保持均匀、美观,不得有漆斑或其它缺陷,
镀层厚度应符合国家标准。
5、冲压件的装配必须牢固可靠,不得发生移位、变形、断裂等现象,组成部件之间的联接点、螺纹丝孔应有完善的密封性能,绝不发生渗漏及
潮湿现象。
二、质量控制
1、冲压件的重复精度应满足设计要求。
2、对机械性能的检验应按照有关国家标准进行检测,并记录。
3、对冲压件的质量控制应有完善的检验制度,必要时可采用X射线
或放射性检测的方法检测内部结构的尺寸公差。
4、对冲压件抛光粗糙度应符合规定,实现冲压件的表面粗糙度,有
良好的光洁度。
5、在冲压件后的加工工序中,应采取有效的防锈措施,以免发生锈蚀现象。
五金冲压件技术要求标准一、引言五金冲压件是指利用模具对金属材料进行冲压加工,制作各种形状的零部件,广泛应用于汽车、家电、机械设备等领域。
为了确保五金冲压件的质量稳定和生产效率,制定一套严格的技术要求标准是十分必要的。
二、材料要求1. 材料应选用优质金属材料,如冷轧板材、热轧板材等,符合国家标准。
2. 材料的厚度、硬度和强度应满足设计要求,并能够确保冲压加工后的产品符合强度和耐久性要求。
三、设计要求1. 模具设计应符合产品的结构要求,确保冲压件的几何形状、尺寸和孔位精度满足设计要求。
2. 充分考虑材料的拉伸变形特性和冲压时的应力分布,避免产生裂纹、翘曲等缺陷。
四、冲压工艺要求1. 冲床设备应具备稳定的性能和精度,确保冲压件的加工精度和表面质量。
2. 合理确定冲压工艺参数,如冲头压力、冲头速度、冲头行程和冲座间距等,以确保产品的成型质量和生产效率。
3. 对于复杂工件,应采用逐级成形或多工位冲压工艺,以确保产品的成形质量和精度。
五、质量控制要求1. 制定严格的产品质量检验标准,包括外观质量、尺寸精度、表面平整度、材料硬度等项目,保证产品的质量稳定。
2. 引入先进的检测设备和工艺控制手段,如光学测量仪、数控冲床等,以实现产品质量的在线监测和控制。
3. 建立完善的产品质量追溯体系,确保每一批产品都可以进行追溯和溯源,对质量问题进行追踪和处理。
六、环境保护要求1. 在生产过程中,严格遵守环保法律法规,减少废水、废气和废固体的排放。
2. 推广清洁生产技术,降低资源消耗和能耗,减少对环境的影响。
3. 加强废品回收和利用,减少对自然资源的浪费,实现循环经济发展。
七、安全生产要求1. 坚持安全第一的原则,加强安全生产管理,确保生产过程中不发生安全事故。
2. 提高员工的安全意识,加强安全培训,提供必要的劳动防护设备,保障员工的人身安全。
八、结论五金冲压件技术要求标准是确保产品质量和生产安全的重要保障,对企业的技术水平和管理能力提出了更高要求。
冲压件通用技术条件1、技术要求1.1 原材料1.1.1 冲压件使用的原材料,需符合GB710-65《优质碳素结构钢薄钢板技术条件》、GB2517-81《一般结构用热连轧钢板和钢带》、GB2521-81《冷轧电工钢带》等有关金属材料标准的规定,并符合对材料的供货状态或其他方面的要求。
1.1.2 冲压件的原材料有质量说明书,它保证材料符合规定的技术要求。
当无质量说明书或因其他原因,冲压件生产厂可按需要选择原材料进行复验。
复验的主要项目和内容:1.1.2.1 外观检查:检验材料表面缺陷、污痕、外廓尺寸、形状和厚度以及表面粗糙度。
1.1.2.2 化学分析、金相检验:分析材料中化学元素的含量:判定材料晶粒度级别和均匀程度;评定材料中游离渗碳体、带状组织和非金属夹杂物的级别;检查材料缩孔、疏松等缺陷。
1.1.2.3 机械性能检验:检验材料的抗拉强度σb、屈服强度σs、屈服比σs/σb延伸率δ、断面收缩率ψ及洛氏硬度HRB等。
1.1.2.4 成形性能试验:对材料进行弯曲试验、杯突试验,测定材料的加工硬化指数n值和塑性应变比г值等。
关于钢板成形性能试验方法,可按薄钢板成形性能和试验方法的规定进行。
1.1.2.5 其他性能要求测定:对材料的电磁性能和对镀层、涂层的附着能力等的测定。
1.1.3 各类冲压件对材料的要求:在一般情况下,不同结构类型的冲压件对材料机械性能的要求见下表。
对于有复杂变形工序的冲压件,则对材料有更多的要求,如对加工硬化指数n值、塑性应变比г值和凸耳参数Δг值的要求等。
一般冲压件对材料的要求1.2.形状和尺寸冲压件的形状和尺寸需符合冲压件图样和技术文件的规定。
冲压件的形状和尺寸应注意到工艺限制,设计时需遵循JB4378-87《金属冷冲压件结构要素》的规定准则。
冲压件的形状和尺寸公差需符合JB4381-87《冲压剪切下料件公差》和JB4379-87《金属冷冲压件公差》的规定。
1.3 表面质量除冲切面外,冲压件表面状况要求与所用的板料一致。
冲压模具材料的要求及选用冲压模具工作时要承受冲击、振动、摩擦、高压和拉伸、弯扭等负荷,甚至在较高的温度下工作(如冷挤压),工作条件复杂,易发生磨损、疲劳、断裂、变形等现象。
因此,对模具工作零件材料的要求比普通零件高。
由于各类冲压模具的工作条件不同,所以对模具工作零件材料的要求也有所差异。
1.冲裁模材料的要求对于薄板冲裁模具的工作零件用材要求具有高的耐磨性和硬度,而对厚板冲裁模除了要求具有高的耐磨性、抗压屈服点外,为防止模具断裂或崩刃还应具有高的断裂抗力、较高的抗弯强度和韧性。
2.拉深模材料的要求要求模具工作零件材料具有良好的抗粘附性(抗咬合性)、高的耐磨性和硬度、一定的强韧性以及较好的切削加工性能,而且热处理时变形要小。
3.冷挤压模材料的要求要求模具工作零件有高的强度和硬度、高耐磨性,为避免冲击折断,还要求有一定的韧性。
由于挤压时会产生较大的升温,所以还应具有一定的耐热疲劳性和热硬性11.2.2 冲压模具材料的种类及特性制造冲压模具的材料有钢材、硬质合金、钢结硬质合金、锌基合金、低熔点合金、铝青铜、高分子材料等等。
目前制造冲压模具的材料绝大部分以钢材为主,常用的模具工作部件材料的种类有:碳素工具钢、低合金工具钢、高碳高铬或中铬工具钢、中碳合金钢、高速钢、基体钢以及硬质合金、钢结硬质合金等等。
1.碳素工具钢在模具中应用较多的碳素工具钢为T8A、T10A等,优点为加工性能好,价格便宜。
但淬透性和红硬性差,热处理变形大,承载能力较低。
2.低合金工具钢低合金工具钢是在碳素工具钢的基础上加入了适量的合金元素。
与碳素工具钢相比,减少了淬火变形和开裂倾向,提高了钢的淬透性,耐磨性亦较好。
用于制造模具的低合金钢有CrWMn、9Mn2V、7CrSiMnMoV(代号CH-1)、6CrNiSiMnMoV(代号GD)等。
3.高碳高铬工具钢常用的高碳高铬工具钢有Cr12和Cr12MoV、Cr12Mo1V1(代号D2),它们具有较好的淬透性、淬硬性和耐磨性,热处理变形很小,为高耐磨微变形模具钢,承载能力仅次于高速钢。
冲压模具材质选择准则冲压模具是工业生产中常用的加工工具,选择合适的材质对于提高模具的使用寿命、减少生产成本具有重要意义。
本文将结合冲压模具的特点,从硬度、强度、韧性、耐磨性等方面介绍冲压模具材质选择的准则。
1.硬度:冲压模具需要具备较高的硬度,以保证在冲击力的作用下不易变形或损坏。
一般来说,模具硬度越高,使用寿命越长,但也会增加加工难度和成本。
常用的模具材料有高碳工具钢、合金工具钢、超硬合金等。
2.强度:冲压模具还需要具备较高的强度,在工作过程中能够承受较大的冲击力而不发生断裂或变形。
强度高的材料一般具有较好的韧性和抗拉强度,能够承受较大的载荷。
常用的高强度材料有合金工具钢、高速钢等。
3.韧性:冲压模具在工作过程中往往承受较大的应力和变形,因此需要具备较好的韧性。
韧性高的材料能够在受力时发生一定的塑性变形,而不易发生断裂。
常用的韧性较好的材料有合金工具钢、工具用高速钢等。
4.耐磨性:冲压模具在加工过程中往往与工件直接接触,因此需要具备较好的耐磨性。
耐磨性好的材料能够减少模具表面的磨损和摩擦,延长模具的使用寿命。
常用的耐磨材料有合金工具钢、高速钢、镀TiN等。
5.成本:模具材质的选择还需要考虑成本因素。
高性能材料一般都对成本要求较高,因此需要根据实际工况来选择合适的材料。
在一些对模具性能要求不高的场合,可以选择一些性能和成本兼具的材料。
需要注意的是,不同的冲压模具在工作条件、承载能力和要求等方面有所不同,因此在选择模具材质时,需要综合考虑以上因素,并根据实际情况进行合理的选择。
此外,冲压模具的制造工艺、热处理工艺等也对模具的质量有重要影响,应结合实际生产情况对加工和处理工艺进行合理设计。
最后,对于一些特殊要求的冲压模具,也可以考虑采用合金化技术、表面处理技术等进行改进,以提高模具的性能和使用寿命。
五金冲压件技术要求标准一、引言五金冲压件是制造业中常见的零部件,广泛应用于汽车、航空航天、家电、机械设备等行业。
为了保证五金冲压件的质量和性能,制定了一系列的技术要求标准,从材料选取、工艺流程、设备要求等方面进行规范。
二、材料要求1. 材料选择:五金冲压件的材料应符合相关国家标准,如GB/T 1220、GB/T 3077等。
应根据零部件的使用环境和要求选择适当的材料,包括钢材、铝合金、铜合金等。
2. 材料性能:五金冲压件材料应具有良好的机械性能,包括强度、硬度、塑性等指标。
应对材料进行严格的化学成分检测和力学性能测试。
3. 表面处理:对五金冲压件的表面进行防锈、防腐、涂装等处理,以保证产品的表面质量和使用寿命。
三、工艺流程要求1. 冲压工艺:应根据产品的结构和要求确定合理的冲压工艺,包括模具设计、模具加工、成型工艺参数的选择等。
2. 成型精度:五金冲压件的成型精度应符合相关标准要求,包括尺寸精度、形位公差、表面质量等。
3. 工艺控制:对冲压工艺进行严格的控制和检测,确保产品的质量稳定和一致性。
四、设备要求1. 冲压设备:应选用先进的数控冲床、冲压机等设备,确保产品的生产效率和质量。
2. 模具设备:应具备高精度、高耐磨的模具加工设备,保证模具的精度和寿命。
3. 检测设备:应配置相应的检测设备,包括三坐标测量机、硬度计、拉力试验机等,对产品进行全面的检测。
五、质量控制要求1. 品质管理体系:应建立完善的品质管理体系,包括从材料采购、工艺控制、产品检测等各个环节的管理和控制。
2. 出厂检验标准:制定五金冲压件的出厂检验标准,包括外观检验、尺寸检验、力学性能检验等。
3. 不良品处理:建立完善的不良品处理流程,及时发现和处理不合格品,保证产品的合格率和稳定性。
六、环保要求1. 废水、废气处理:五金冲压件生产过程中应注意废水、废气的处理,达到环保要求。
2. 资源利用:在生产过程中应尽量节约资源,减少能源消耗和废弃物产生。
冲压材料性能要求
冲压是一种常见的金属加工方法,其主要目的是通过在金属板材上施
加力量,使其发生变形并最终成型。
因此,冲压材料的性能要求至关重要,影响着整个冲压加工的质量和效率。
以下是冲压材料的性能要求:
1.强度:冲压材料必须具有足够的强度,以便能够承受在冲压过程中
产生的巨大应力。
较高的强度可保证冲压件在加工过程中不会发生变形或
开裂,从而保证产品质量。
2.塑性:冲压材料的塑性是指其在受力时能够发生塑性变形的能力。
具有良好塑性的材料可以更容易地被加工成各种形状,从而提高冲压加工
的效率。
3.韧性:冲压材料必须具有足够的韧性,以防止在冲压过程中出现脆
性断裂。
高韧性的材料可以减少冲压时的损伤和碎裂,提高冲压件的使用
寿命。
4.可焊性:冲压材料必须具有良好的可焊性,以便在需要对冲压件进
行焊接时能够满足焊接要求。
良好的可焊性可以保证冲压件与其他组件的
牢固连接。
5.耐磨性:冲压材料的表面必须具有一定的耐磨性,以防止在冲压过
程中出现表面磨损导致加工质量下降。
耐磨性好的材料可以降低冲压件的
维护成本。
6.稳定性:冲压材料必须具有良好的稳定性,即在不同环境下其性能
不会产生较大变化。
稳定性好的材料可以保证冲压件的质量稳定并可靠。
总的来说,冲压材料的性能要求涉及材料的机械性能、物理性能和化学性能等多个方面。
只有具备以上性能要求的材料才能保证冲压加工的质量和效率,同时也能够满足产品的各项要求。
因此,在选择冲压材料时,需要综合考虑各方面的性能要求,以获得最佳的加工效果。
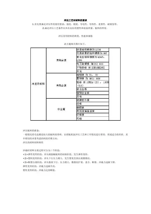
冲压工艺对材料的要求
1.首先要满足冲压件的使用要求:强度、刚度、导电性、导热性、重要性、耐腐蚀等。
2.满足冲压工艺条件应具有良好的塑性和表面质量、板料的厚度。
冲压常用材料的种类,性能和规格
此主题相关图片如下:
冲压板料的准备:
一般情况的毛毡都是较大的板料的带料,由剪板机按冲压工艺和工序情况进行剪切、剪成适合的形状、其中剪切的本要考虑的料的纤维方向。
冲压的材料材料特性
冲裁时材料分离过程可分为三个阶段:
<1>弹性变形阶段:冲头刚接触板料的初始阶段,发生弹性变形。
<2>塑料变形阶段:冲头下行压力增大,发生塑变直到出现微裂纹。
<3>断裂分离阶段:冲头继续下行,压力增大,微裂纹扩展。
重合、断裂、冲裁力逐渐下降。
弹性变形阶段:冲裁力逐渐升高。
塑性变形阶段:冲裁力达到峰值。
普通冲裁件的断面特征:
<1>塌角带由主单性变形阶段产生初始塌角,带动边塑性变形阶段。
<2>光亮带产生于塑性变形阶段,断面较光洁平整,是质量最佳的一段。
<3>断裂带撕裂造成的,表面粗糙而无光泽,并带有锥度。
<4>毛刺区产生微裂时便产生毛刺。
此主题相关图片如下:
特征与材料(板料材料)塑性的关系:
断面质量受冲裁条件的不同而不同,如:刃口间隙,刃口形状,锋利程度,冲裁力、润滑条件,板料质量(表面质量),板料种类(性能)。
冲压生产要求冲裁件有较大的光亮带,尺量减少断裂带区域的宽度。
材料塑性愈好,光亮带愈大,断裂带愈小,同时,圆角毛刺亦增大。
冲压简介冲压是一咱金属塑性加工方法,其坯料主要是板材、带材、管材及其他型材,利用冲压设备通过模具的作用,使之获得所需要的零件形状和尺寸。
材料、模具和设备是冲压的三要素。
冲压加工要求被加工材料具有较高的塑性和韧性,较低的屈强比和时效敏感性,一般要求碳素钢伸长率δ≥16%、屈强比σs/σb≤70%,低合金高强度钢δ≥14%、σs/σb≤80%。
否则,冲压成形性能较差,工艺上必须采取一定的措施,从而提高了零件的制造成本。
模具是冲压加工的主要工艺装备。
冲压件的表面质量、尺寸公差、生产率以及经济效益等与模具结构及其合理设计的关系很大。
按照冲压工序的组合方式分有:单工序的简单模、多工序的连续模和复合模。
冲压设备主要有机械压力机和液压机。
在大批量生产中,应尽量选用高速压力机或多工位自动压力机;在小批量生产中,尤其是大型厚板冲压件的生产中,多采用液压机。
冲压工艺性能试验--方板对角拉伸试验方板对角拉伸试验(YBT)分为单向对角拉伸和双向对角拉伸两种。
两种方法的试样尺寸、拉伸标距、夹持宽度等均相同。
该试验的示意图见图1。
图1 方板对角拉伸试验a) 单向对角拉伸b)双向对角拉伸单向对角拉伸试验可在普通材料试验机上进行。
此时,只沿试样上某一指定的对角线方向加载拉伸,至试样上的测量标距伸长1%时测量方板中部的起皱高度h。
测皱时可用图2所示的简易测皱装置。
图2 简易测皱装置进行双向对角拉伸时,可在两个方向上同时加载,也可以不同时加载,视试验要求而定。
它主要是用来研究加载方式和变形路径对材料起皱特性的影响。
方板双向对角拉伸,需要专用试验设备。
在形状冻结性方面,用卸载前后皱高的变化量△h来评定回弹的大小。
方板对角拉伸试验的结果,可用于研究解决复杂形状零件冲压成形中的巾模性和形状冻结性。
板料冲压性能及测试--厚向异性系数厚向异性系数r(也叫塑性应变比r,简称r值)是评定板料压缩类成形性能的一个重要参数。
r值是板料试件单向拉伸试验中宽度应变εb与厚度应变εt之比,即r=εb/εt板料r值的大小,反映板平面方向与厚度方向应变能力的差异。
对冲压材料的基本要求:
冲压所用的材料,不仅要满足产品设计的技术要求,•还应当满足冲压工艺的要求。
冲压工艺对材料的基本要求主要是:
(1)具有良好的冲压成形性能
对于成形工序,为了有利于冲压变形和制件质量的提高,材料应具有良好的冲压成形性能。
•即要求材料应具有:良好的塑性,屈强比小,•弹性模量高,板厚方向性系数大,板平面方向性系数小。
•
对于分离工序,只要求材料有一定的塑性,对材料的其他性能没有严格的要求。
(2)材料厚度公差应符合国家标准
因为一定的模具间隙适用于一定厚度的材料,•材料厚度公差太大,不仅直接影响制件的质量,还可能导致模具和冲床的损坏。
(3)具有较高的表面质量
材料的表面应光洁平整,无分层和机械性质的损伤,无锈斑、氧化皮及其它附着物。
•表面质量好的材料,冲压时不易破裂,不易擦伤模具,工件表面质量好。
力学性能指标?这方面的东西呢我建议你是最好去看冲压工艺学书籍,我这里简单介绍几项:
1,屈服强度:抵抗塑性变形的能力
2,抗拉强度:抵抗拉伸断裂的能力,
3,断后伸长率,
4,屈强比:1和2的比值,与3项一起表示的是材料的塑性能力,3项越高,4项越低表示材料塑性越好
5,n值,硬化指数表示材料塑性变形过程中,随着变形程度的增加导致的屈服强度变大这种现象的程度,数值越大,成形越稳定,起皱现象越少,拉深性能越好
6,r值,厚向异性系数,表示板平面方向应变与厚度放向应变的比值,这个值越大表示板材在伸长时,厚度方向变薄的程度越低。
越不易减薄开裂。
以上是板材质保书必列项目,除此外还有一些如艾利克森值等太多就需要你自己看书了,。
冲压材料性能冲压材料是指在冲压加工过程中所使用的金属材料,其性能直接影响着冲压件的质量和成型效果。
冲压材料的性能主要包括材料的力学性能、塑性成形性能和表面质量。
下面将分别介绍这几个方面。
首先是冲压材料的力学性能。
力学性能是指材料在外力作用下所表现出的性能,包括抗拉强度、屈服强度、延伸率等指标。
这些指标直接影响着冲压件在冲压过程中的抗拉性能和变形能力,对于冲压件的成型和使用性能起着至关重要的作用。
因此,在选择冲压材料时,需要充分考虑材料的力学性能指标,以保证冲压件在使用过程中具有足够的强度和变形能力。
其次是冲压材料的塑性成形性能。
塑性成形性能是指材料在冲压加工过程中的变形能力,包括材料的冲压性能、回弹性能等指标。
优秀的塑性成形性能可以保证冲压件在成型过程中具有良好的可塑性和成形性,能够满足复杂形状的成型要求,并且在成型后能够保持稳定的形状和尺寸。
因此,冲压材料的塑性成形性能是评价材料适用性的重要指标之一。
最后是冲压材料的表面质量。
表面质量是指冲压件在成型后表面的光洁度、平整度和无损伤程度。
优秀的表面质量可以提高冲压件的外观质量和使用寿命,对于提高产品的市场竞争力和降低生产成本具有重要意义。
因此,在选择冲压材料时,需要充分考虑材料的表面质量指标,以保证冲压件在成型后具有良好的外观质量和使用性能。
综上所述,冲压材料的性能对于冲压件的质量和成型效果具有至关重要的影响。
在选择冲压材料时,需要全面考虑材料的力学性能、塑性成形性能和表面质量,以保证冲压件具有良好的力学性能、成形性能和表面质量。
只有如此,才能生产出具有优秀性能和质量的冲压件,满足市场和客户的需求。
冲压件通用技术条件1、技术要求1.1 原材料1.1.1 冲压件使用的原材料,需符合GB710-65《优质碳素结构钢薄钢板技术条件》、GB2517-81《一般结构用热连轧钢板和钢带》、GB2521-81《冷轧电工钢带》等有关金属材料标准的规定,并符合对材料的供货状态或其他方面的要求。
1.1.2 冲压件的原材料有质量说明书,它保证材料符合规定的技术要求。
当无质量说明书或因其他原因,冲压件生产厂可按需要选择原材料进行复验。
复验的主要项目和内容:1.1.2.1 外观检查:检验材料表面缺陷、污痕、外廓尺寸、形状和厚度以及表面粗糙度。
1.1.2.2 化学分析、金相检验:分析材料中化学元素的含量:判定材料晶粒度级别和均匀程度;评定材料中游离渗碳体、带状组织和非金属夹杂物的级别;检查材料缩孔、疏松等缺陷。
1.1.2.3 机械性能检验:检验材料的抗拉强度σb、屈服强度σs、屈服比σs/σb延伸率δ、断面收缩率ψ及洛氏硬度HRB等。
1.1.2.4 成形性能试验:对材料进行弯曲试验、杯突试验,测定材料的加工硬化指数n值和塑性应变比г值等。
关于钢板成形性能试验方法,可按薄钢板成形性能和试验方法的规定进行。
1.1.2.5 其他性能要求测定:对材料的电磁性能和对镀层、涂层的附着能力等的测定。
1.1.3 各类冲压件对材料的要求:在一般情况下,不同结构类型的冲压件对材料机械性能的要求见下表。
对于有复杂变形工序的冲压件,则对材料有更多的要求,如对加工硬化指数n值、塑性应变比г值和凸耳参数Δг值的要求等。
一般冲压件对材料的要求1.2.形状和尺寸冲压件的形状和尺寸需符合冲压件图样和技术文件的规定。
冲压件的形状和尺寸应注意到工艺限制,设计时需遵循JB4378-87《金属冷冲压件结构要素》的规定准则。
冲压件的形状和尺寸公差需符合JB4381-87《冲压剪切下料件公差》和JB4379-87《金属冷冲压件公差》的规定。
1.3 表面质量除冲切面外,冲压件表面状况要求与所用的板料一致。
材料冲压成形性能的衡量指标1.抗拉强度:抗拉强度是材料抵抗拉伸的能力。
在冲压过程中,材料受到拉伸力,因此抗拉强度是一个重要的性能指标。
高抗拉强度的材料可以承受更大的应力和变形。
2.屈服强度:屈服强度是指材料在受到一定应力时开始发生塑性变形的能力。
屈服强度的大小与材料的可塑性密切相关。
较高的屈服强度意味着材料更难发生塑性变形,可能不适合冲压成形。
3.延伸率:延伸率是材料在拉伸断裂前所发生的塑性变形程度的度量。
高延伸率的材料可以容易地发生塑性变形,有利于冲压成形。
4.断裂韧性:断裂韧性是材料抵抗断裂的能力。
在冲压过程中,材料常受到冲击和剪切力的作用,因此良好的断裂韧性对于冲压成形的可行性非常重要。
5.硬度:硬度是材料抵抗外界力量的能力。
硬度可以提供材料在冲压过程中的耐磨性、耐刮擦性和切削性等信息。
高硬度的材料一般具有较低的可塑性,可能不适合一些冲压工艺。
6.切口延伸率:切口延伸率是指材料在应力作用下切口或裂纹延伸的能力。
对于一些带有切口或凹槽的冲压件来说,良好的切口延伸率可以避免裂纹的形成,提高零件的可靠性和强度。
7.成形限制比:成形限制比是冲压工程师用来评估材料在冲压过程中的可塑性的指标。
成形限制比是通过计算材料在冲压成形过程中最多能够变形的程度来得到的。
8.硬化指数:硬化指数是用来描述材料在冲压过程中变硬的程度。
硬化指数越高,材料的可塑性越低,成形能力也就越差。
因此,硬化指数是一个重要的冲压成形性能指标。
以上是材料冲压成形性能的一些衡量指标。
冲压工程师在进行材料选择和冲压工艺设计时,应综合考虑这些指标,以保证最终零件的质量和可靠性。
冲压模具材料的要求及选用冲压模具是一种用于加工金属片材的工具,广泛应用于汽车、家电、机械等制造工业中。
冲压模具的耐磨性、热稳定性和抗冲击性等性能决定了冲压件的质量和寿命。
因此,冲压模具的材料选择非常重要。
本文将探讨冲压模具材料的要求及选用。
首先,冲压模具材料的要求包括耐磨性、热稳定性、强度和硬度等。
1.耐磨性:冲压模具在工作中会受到金属片材的磨损和摩擦,因此耐磨性是模具材料的重要性能指标。
良好的耐磨性能能够延长模具的使用寿命,提高生产效率。
2.热稳定性:冲压模具在工作过程中会受到高温的影响,因此材料需要具有良好的热稳定性。
热稳定性能决定了模具的热膨胀系数和热导率,直接影响模具的加工精度和表面质量。
3.强度:冲压模具在工作中承受着很大的载荷和压力,因此材料需要具有很高的强度。
高强度材料能够承受更大的载荷,同时减少了模具的变形和破裂风险。
4.硬度:冲压模具需要具有足够的硬度来保证零件的精度和表面质量。
高硬度材料能够抵抗划伤和磨损,提高模具的耐用性。
其次,冲压模具常用的材料包括工具钢、硬质合金和工程塑料等。
1.工具钢:工具钢是常用的冲压模具材料,它具有良好的耐磨性、热稳定性和强度。
常见的工具钢包括碳钢、合金工具钢和高速工具钢等。
根据具体的使用要求,可以选择不同硬度和淬火硬化工艺的工具钢。
2.硬质合金:硬质合金具有极高的硬度和良好的抗磨性能,常用于制作复杂形状的冲压模具。
硬质合金的主要成分是钨、钴、钢、碳等。
由于硬质合金比较脆,一般需要与其他材料进行组合使用,以提高整体的韧性。
3.工程塑料:一些冲压模具也可以采用工程塑料制作,特别是在一些对金属零件精度要求不高的场合。
工程塑料具有良好的耐蚀性和耐磨性,同时重量轻、成本相对较低。
常见的工程塑料材料有尼龙、聚苯乙烯和聚丙烯等。
最后,冲压模具材料的选用应根据具体的应用要求、工作环境和经济性等因素综合考虑。
同时,还应对模具的设计和制造工艺进行综合考虑,以保证冲压模具的质量和寿命。