100db二级运放的设计
- 格式:doc
- 大小:1.88 MB
- 文档页数:11
二级运算放大器设计
二级运算放大器是一种具有高增益和稳定性的放大器,在滤波器模拟电路和数据转换电路中有广泛应用。
在设计二级运算放大器时,需要选择合适的电路参数和优质元器件,以实现高增益和稳定性的输出信号。
失调电压可以通过调整电路参数和选择优质元器件得到降低。
在实际应用中,需要根据具体需求选择合适的二级运算放大器,并根据实际情况进行电路调整和参数优化,以实现最佳性能。
二级运算放大器的设计需要综合考虑各种因素,包括输入信号范围、输出信号要求、电源电压、功耗等。
选择合适的元器件和电路参数,并进行相应的仿真和测试,可以获得高质量的运算放大器设计。
华中科技大学IC课程设计两级全差动运算放大器的设计年级:学号:姓名:专业:指导老师:二零一一年十二月摘要应用0.18umCMOS工艺,设计了一个放大倍数为86dB、单位增益带宽为360MHz、负载为1pF的两级全差动运算放大器。
可以满足一定的高速度、高精度的指标。
两级分别由一个差分的共源放大器和一个折叠式放大器组成。
通过运用差动输出代替普通两级运算放大器的单端输出,从而提高了输入动态范围、抑制共模信号和噪声的能力等性能。
因此,优于一些传统的两级运算放大器。
关键词:全差动运算放大器;共源放大器;折叠式放大器AbstractA fully differential operational amplifier with a DC-gain of 86dB and a gain-bandwidth of 360 MHz has been implemented in a 0.18um CMOS process.It can satisfy the index of high speed and high precision.And the two level is respectively made up of a common-source amplifier and a Folding amplifier.Therefore,it is better than some of the traditional operational amplifier.Keywords:fully differential operational amplifier; common-source amplifier; Folding amplifier目录摘要 (1)Abstract (2)1.引言 (4)2. 两级全差动运算放大器设计要求 (4)3. 电路分析与设计 (4)3.1.第一级运算放大器设计 (5)3.1.1第一级差模电压增益 (6)3.1.2.共模电压输入范围 (6)3.1.3.第一级增益带宽积GBW (7)3.1.4.第一级MOS管宽长比 (7)3.1.5.第一级仿真结果 (7)3.2.第二级运算放大器设计 (8)3.2.1.第二级差模电压增益 (9)3.2.2.偏置电压与偏值电流 (9)3.2.3.增益带宽积与负载电容 (9)3.2.4.第二级MOS管宽长比 (9)3.2.5.第二级仿真结果 (10)3.3.两级联仿 (10)3.3.1.差分压摆率 (11)3.3.2.静态功耗 (11)3.3.3.等效输入参考噪声 (11)3.3.4.相角裕度 (12)3.3.5.两级联仿结果 (13)4. 结论 (13)致谢 (14)参考文献 (14)心得体会 (15)1.引言随着模拟集成电路技术的发展,高速、高精度运算放大器得到广泛应用。
实验题⽬:⼆级运放的设计实验题⽬:⼆级运放的设计(⽬的):1. 学习运放中管⼦尺⼨的设计2. 学习运放组成的线性反馈系统的稳定性和频率补偿3. 学会稳定性判据和相位裕度的概念(仪器)仿真软件hspice(原理)(包括主要公式,电路图等)电路图如下:实验内容:1. 设计⼀个运放,使其直流增益≥60dB,单位增益负反馈相位裕度≥450(输出端接1PF 电容负载),电路图结构如下所⽰2. 设计好符合要求的运放后,把图⼀画在实验报告上,并标明W,L,M(管⼦个数)、Iref、Cc 的值Iref =10E-6 Cc= 2E-12M1 M2 M3 M4 L=0.4E-6 W= 1.2E-6 M=2.0M5 M6 M7 M8 L=0.4E-6 W= 1.2E-6 M=1.03. 把VdB(Vout)和VP(Vout)的曲线画在实验报告上,并求出所设计运放的实际单位增益负反馈的相位裕度。
PM=180-130=60M7 M6 M8 Vdd M1 M2 M5 Iref M3 M4 Vin+ Vin- CL=1pF Vout Vdc=2.5 ACc L0 C0 L=1GH C=1GF Vin- Vout VIN 2 (Vin+)注:1. 在⽹表中,可把Cc 放在结点A 与Vout 之间。
若需补偿右半平⾯零点时,可加电阻R 与Cc 串联。
2. ⽹表中Vdd,C0,L0,CL 不能改变值外,其余尺⼨都需⾃⼰设计3. 设计的值Iref≤10uA,Cc≤5PF。
4. M1 和M2 的个数M 为偶数5. M3 和M4 的个数M 为偶数实验⼼得体会:通过实验我学会了学习运放中管⼦尺⼨的设计和运放组成的线性反馈系统的稳定性和频率补偿并且学会稳定性判据和相位裕度的概念。
还了解运算放⼤器(简称运放)是许多模拟系统和混合信号系统中的⼀个完整部分。
各种不同复杂程度的运放被⽤来实现各种功能:从直流偏置的产⽣到⾼速放⼤或滤波。
运算放⼤器的设计可以分为两个较为独⽴的两个步骤:第⼀步是选择或搭建运放的基本结构,绘出电路结构草图。
福州大学物信学院《模拟集成电路设计》课内实验报告实验题目:二级运放的设计组别:第 2 组姓名:学号:同组姓名:系别:物理与信息工程学院专业:微电子科学与工程年级:2013指导老师:实验时间:2015年12月18日一、实验目的1.学习运放中管子尺寸的设计2.学习运放组成的线性反馈系统的稳定性和频率补偿3.学会稳定性判据和相位裕度的概念二、实验器材实验软件:Hspice实验工艺: 2.5V 0.25um MOS工艺模型三、实验内容1.设计一个运放,使其直流增益≥60dB,单位增益负反馈相位裕度≥450(输出端接1PF 电容负载),电路图结构如图一所示2.设计好符合要求的运放后,把图一画在实验报告上,并标明W,L,M(管子个数)、Iref、Cc 的值3.把VdB(V out)和VP(V out)的曲线画在实验报告上,并求出所设计运放的实际单位增益负反馈的相位裕度。
注:1. 在网表中,可把Cc 放在结点A 与V out 之间。
若需补偿右半平面零点时,可加电阻R 与Cc 串联。
2.网表中Vdd,C0,L0,CL 不能改变值外,其余尺寸都需自己设计3.设计的值Iref≤10uA,Cc≤5PF。
4. M1 和M2 的个数M 为偶数5. M3 和M4 的个数M 为偶数四、实验仿真波形及原理分析1、设计思路:(1)首先分配好各个支路的电流,和各个管子的过驱动电压,求得各个管子尺寸,先将增益做到60dB 。
(2) 考虑到过驱动电压对输出摆幅的影响,假定各个管子的过驱动电压都约为150mv ,并且共源级的本征增益DD D I I I wL cox u cox u r g n 1L w n o m ≈=λ,因此电流不宜太大,否则增益将下降,设REF I =5uA ,即流过M8、M7、M6、M5的电流都为5uA ,而设计要求M1、M2、M3、M4的个数均为偶数,于是就假定这四个管子都分别并联2个,可得流过每个管子的电流为1.25uA 。
运算放大器的仿真分析结果如下。
静态工作点:(1)运放的输入失调电压仿真通过仿真运放的直流传输特性是测量其输入失调电压。
运放的电源电压为5V,在开环状态下,其反相端接2.5V直流电压,同相端加从2.45V到2.55V的直流扫描电压,做DC 仿真得到的运放的直流传输特性如图7.19所示,其输入失调电压为3mV,满足了通用运放失调电压的要求。
图7.19 运放的直流传输特性分析(2)运放的共模输入范围运放的共模输入范围是运放的输入输出跟随特性。
运放的电源为5V,运放的反相端和输出相连,构成缓冲器;同相端加直流扫描从0到5V,经仿真得到的运放输入输出跟随特性如图7.20所示,其输入共模电压范围从0.1V到4.6V,满足了设计指标的要求。
图7.20 运放的共模输入范围(3)运放的输出电压摆幅特性运放的输出电压摆幅特性是仿真运放的输出电压最大值和最小值。
运放的输出电压摆幅特性仿真电路如图7.21所示,其反相比例放大器增益为10。
Vin1M10M+2.5V +5VV out图7.21 运放的输出电压摆幅特性仿真电路正输入端接2.5V的直流电压,V in输入端加从0到5V的直流扫描电压,经仿真得到的运放输出电压摆幅特性见图7.22,运放的输出电压摆幅是从0到5V,满足了运放指标对输出电压摆幅的要求。
图7.22 运放的输出电压摆幅特性(4)运放的小信号相频和幅频特性运放的小信号相频和幅频特性是仿真运放的开环小信号放大倍数及其相位随频率的变化趋势,从而得到运放的相位裕度和单位增益带宽指标,并进一步鉴别运放的放大能力、稳定性和工作带宽。
运放的输出端接2pF的负载电容,电源电压为5V,共模输入电压为2.5V,差模输入幅度为1V的交流信号,即两输入端的输入交流信号相位相反。
做交流小信号分析,可以得到运放的小信号相频和幅频特性如图7.23所示。
从仿真结果可以看出,运放采用RC补偿,在满足单位增益带宽的同时,能很好的调节相位裕度。
2级运放课程设计一、课程目标知识目标:1. 让学生掌握二级运放的基本原理,理解运放电路的组成及各部分功能。
2. 使学生了解二级运放电路的电压增益、输入输出阻抗等性能参数,并能进行简单的计算。
3. 引导学生掌握运放电路的频率响应特性,了解影响频率响应的因素。
技能目标:1. 培养学生运用所学知识设计二级运放电路的能力,能够根据需求选择合适的运放型号及外围元件。
2. 提高学生分析、调试二级运放电路的能力,能够解决实际应用中遇到的问题。
3. 培养学生使用仿真软件对二级运放电路进行仿真测试,优化电路设计。
情感态度价值观目标:1. 培养学生对电子技术的兴趣,激发学生主动探究、创新的精神。
2. 培养学生团队协作精神,提高沟通与表达能力,学会倾听他人意见。
3. 引导学生认识到电子技术在国家发展和社会进步中的重要性,树立为国家和民族振兴贡献力量的信念。
课程性质分析:本课程为电子技术专业课程,旨在使学生掌握二级运放的基本原理、电路设计及应用,提高学生实际操作能力。
学生特点分析:二年级学生已具备一定的电子技术基础,具有较强的求知欲和动手能力,但部分学生对理论知识掌握不够扎实。
教学要求:1. 理论与实践相结合,注重培养学生的实际操作能力。
2. 采用案例教学,提高学生的实际应用能力。
3. 强化团队合作,培养学生的沟通与表达能力。
二、教学内容1. 二级运放基本原理:讲解运放的理想模型、工作原理,重点分析差分放大电路、互补输出级电路的原理及作用。
相关教材章节:第二章第二节2. 二级运放性能参数:介绍电压增益、输入输出阻抗、带宽等性能参数,并进行简单的计算分析。
相关教材章节:第二章第三节3. 运放电路设计:讲解如何根据需求选择合适的运放型号,设计二级运放电路,包括偏置电路、反馈网络等。
相关教材章节:第二章第四节4. 运放电路的频率响应:分析影响运放电路频率响应的因素,探讨如何优化电路设计以提高频率响应性能。
相关教材章节:第二章第五节5. 仿真软件应用:介绍仿真软件在二级运放电路设计中的应用,指导学生进行电路仿真测试及优化。
两级全差动运算放大器的设计班级:自动化0905姓名:余陆洋学号:U200914361同组人姓名:刘洁、戴伟、王睿祺题目要求根据性能指标的要求,选择合适的放大器类型,采用0.18um CMOS 工艺,设计一个两级运算放大器性能指标如下:电源电压: 1.8V 第一级增益: ≥20dB 第一级GBW: ≥500MHz 两级增益: ≥80dB 相位裕度: ≥60º差分压摆率: ≥200V/us等效输入参考噪声:200nV/Hz @1MHz 负载电容: ≤1pF静态功耗: 尽可能小,不做具体要求人员分工余路洋:运放整体仿真 刘洁:网表的编写戴伟:第一级运放与第二级运放的仿真 王睿祺:电路参数的设计整体设计1) 基本参数设定mV V V TH G S 200=- V V TN 5.0=V V TP 4.0-= 4106.4-⨯=ox n C u4103.2-⨯=ox p C u2) 基本公式Lmip c g GBW π2=tn ds Dm v v I g -=2 2)(21TH GS ox D V V L WuC I -=3) 第一级运放设计:inn由题目可知,要满足设计要求最主要的是确定MOS 管的宽长比以及偏置电流。
我们取负载电容为L c =0.4Pf ,由此可确定ID 的大小,又由于mV V V TH G S 200=-所以由图可知,增益:30db,GBW>500W.4) 第二级运放设计增益>50db5)整体设计a)增益>80dbb)由下图可以看出相位裕度>60o,满足要求差分压摆率>0.4v/2ns=200V/us,所以满足要求c)等效输入参考噪声在1MHz时<200nV/Hz.d)静态功耗:网表程序*two_stage_amp.option post=2 numdgt=7 tnom=27.lib 'C:\rf018.l' tt.global VDD! GND!.PARAM************************************************************************ * Library Name: Mixer_Down* Cell Name: amp_stage_two* View Name: schematic************************************************************************.SUBCKT amp_stage_two Iref2 Vb2 Vb3 Vb4 Vcm Vin Vip Voutn Voutp*.PININFO Iref2:I Vb2:I Vb3:I Vb4:I Vcm:I Vin:I Vip:I Voutn:O Voutp:OMM7 net087 Vb2 vdd! vdd! pch l=300n w=805n m=1MM6 Voutp Vb3 net087 vdd! pch l=300n w=5.39u m=1MM5 net33 Vb2 vdd! vdd! pch l=300n w=805n m=1MM4 Voutn Vb3 net33 vdd! pch l=300n w=5.39u m=1MM12 net33 Vip net30 gnd! nch l=300n w=2u m=1MM13 net087 Vin net30 gnd! nch l=300n w=2u m=1MM11 Iref2 Iref2 gnd! gnd! nch l=280.0n w=2u m=1MM10 net30 Iref2 gnd! gnd! nch l=280.0n w=3u m=1MM3 Voutp Vb4 net42 gnd! nch l=400n w=805n m=1MM2 net42 Vcm gnd! gnd! nch l=1u w=405n m=1MM1 Voutn Vb4 net46 gnd! nch l=400n w=805n m=1MM0 net46 Vcm gnd! gnd! nch l=1u w=405n m=1.ENDS************************************************************************ * Library Name: Mixer_Down* Cell Name: amp_stage_one* View Name: schematic************************************************************************.SUBCKT amp_stage_one Iref1 Vcm Vin Vip Voutn Voutp*.PININFO Iref1:I Vcm:I Vin:I Vip:I Voutn:O Voutp:OMM5 Iref1 Iref1 vdd! vdd! pch l=1u w=105.0000u m=1MM4 net23 Iref1 vdd! vdd! pch l=1u w=900.0000u m=1MM3 Voutp Vin net23 vdd! pch l=180.0n w=705.0000u m=1MM2 Voutn Vip net23 vdd! pch l=180.0n w=705.0000u m=1MM1 Voutn Vcm gnd! gnd! nch l=180.0n w=5.645u m=1MM0 Voutp Vcm gnd! gnd! nch l=180.0n w=5.645u m=1.ENDS************************************************************************ * Library Name: Mixer_Down* Cell Name: two_stage_amp* View Name: schematic************************************************************************ *.PININFO Vb2:I Vb3:I Vb4:I Vcm:I Vin:I Vip:I Voutn:O Voutp:OCC2 Voutp gnd! 1.0000p $[CP]CC5 net048 Voutp 20f $[CP]CC3 Voutn gnd! 1.0000p $[CP]CC4 net049 Voutn 20f $[CP]XI22 net044 Vb2 Vb3 Vb4 Vcm Vin Vip net049 net048 / amp_stage_two *.SUBCKT amp_stage_two Iref2 Vb2 Vb3 Vb4 Vcm Vin Vip Voutn VoutpXI21 net076 Vcm net049 net048 Voutn Voutp / amp_stage_one*.SUBCKT amp_stage_one Iref1 Vcm Vin Vip Voutn Voutp*.SUBCKT two_stage_amp Vb2 Vb3 Vb4 Vcm Vin Vip Voutn VoutpVVin Vin 0 DC 0.9 AC 1.0VVip Vip 0 DC 0.9 AC 1.0 180VVb2 Vb2 0 0.8VVb3 Vb3 0 0.5VVb4 Vb4 0 1.3VVcm Vcm 0 0.9VVdd vdd! gnd! 1.8Iref1 net076 0 180uIref2 vdd! net044 10u*VVin Vin 0 0 PULSE 0 1.0 0.1N .1N .1N 100N 100N*RVip Vip 0 1k*.TRAN 0.1N 100N*.PRINT TRAN V(Vin) V(Voutn).AC DEC 10 1 3G.PRINT AC VDB(Voutp) VP(Voutp).noise V(Voutp) VVip 10.END。
一、实验名称:两级运算放大器的版图设计二、实验目的:1、掌握模拟CMOS集成电路的设计方法2、掌握模拟CMOS集成电路的版图设计方法三、实验要求:1、设计对象为单端输出的两级运算放大器电路,其性能为:(1)、负载电容为CL=15pf,负载电阻为RL=100K欧;(2)、电源VDD=5V;(3)、增益带宽积CBW大于40MHZ;(4)、增益AVO大于80DB;(5)、相位裕都PM大于65;(6)、输入摆幅大于3V,输出摆幅尽量大;2、查阅相关资料,学习模拟CMOS集成电路版图的设计技巧3、完成两级运算放大器的版图设计,注意版图的对称性和隔离的设计,完成版图的DRC 验证;4、要求设计的版图满足电路的功耗,性能,功能,面积合理,美观。
四、设计对象仿真后MOS管的宽长比如下图:备注:电阻:R1为180欧电容:C1为2.62pf五、实验步骤1、观察模型文件(.SCS文件)或通过对CMOS管点单电路的DC分析并查看MOS管的直流工作点参数,得到PMOS,NMOS的基工艺参数(TOX,Cox,VthN,VthP等)2、确定具体的设计方案3、在schematic中画出电路图4、开始设计电路的版图5、修改版图,使之通过DRC验证6、优化版图使面积合理、美观六、实验结果面积:120*180=22680(um)七、实验心得这是我第二次做版图的设计和DRC验证,已经熟悉了很多,不再是以前那么迷茫了,画版图确实是件体力活,一坐,不知不觉就好几个小时过去了,才意识到是就已经腰酸背痛,眼睛疼了,才犹然对那些版图工作者产生一种敬佩心里,也是因为以后要参加这项工作才会这么敏感吧。
其实版图只按规则来画,还是非常简单的事情,但是要达到面积最优化,还真不是那么容易,以后我要多注意了,多看从先看别人怎么画开始。
还意识到,真正完成整个版图设计,参数计算,还有个方面的对电路的影响都要考虑,所以说,在实战中版图设计是要用事实真名,是要去竞争的,马虎不得,有可能一个小小的错误都会返工,一切从新。
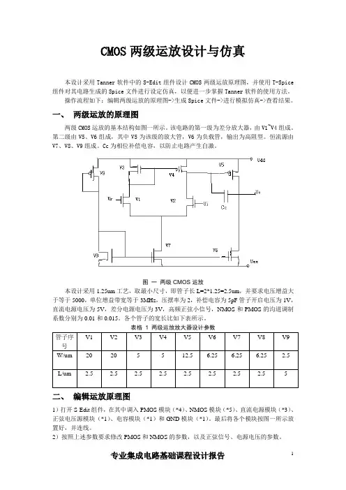
CMOS两级运放设计与仿真本设计采用Tanner软件中的S-Edit组件设计CMOS两级运放原理图,并使用T-Spice 组件对其电路生成的Spice文件进行设定仿真,以便进一步掌握Tanner软件的使用方法。
操作流程如下:编辑两级运放的原理图->生成Spice文件->进行模拟仿真->查看结果。
一、两级运放的原理图两级CMOS运放的基本结构如图一所示。
该电路的第一级为差分放大器,由V1~V4组成。
第二级由V5、V6组成,其中V5为该级的放大管,V6为负载管,输出为高阻型。
恒流源由V7、V8、V9组成。
Cc为相位补偿电容,以防止电路产生自激。
图一两级CMOS运放本设计采用1.25um工艺,取最小尺寸,即管子长L=2*1.25=2.5um,并要求电压增益大于等于5000,单位增益带宽等于3MHz,压摆率为2,补偿电容为5pF管子开启电压为1V,直流电源电压为5V,差分电源电压为3V,高频正弦小信号,NMOS和PMOS的沟道调制系数分别为0.01和0.015。
各个管子的宽长比如下表所示。
表格 1 两级运放放大器设计参数二、编辑运放原理图1)打开S-Edit组件,在其中调入PMOS模块(*4)、NMOS模块(*5)、直流电源模块(*3)、正弦电压源模块(*1)、电容模块(*1)和GND模块(*1)。
最后将各个模块按图一所示放置好,并连线。
2)按照上述参数要求修改PMOS和NMOS的参数,以及正弦信号、电源电压的参数。
3)加入输出接点:单击工具栏中的输出接点按钮,再单击电容右端节点,在弹出的对话框中输入节点名“OUT”,再单击OK即可。
如图二所示。
图二加入输出接点按照上述要求和操作后的两级CMOS运放电路图如图三所示。
图三运放原理图4)重命名模块为“两级运放”,生成Spice文件,并在其中插入命令:单击命令工具条中的T-Spice按钮,自动生成Spice文件,并自动打开T-Spice组件程序。
2级运放电路课程设计一、课程目标知识目标:1. 让学生理解并掌握二级运放电路的基本原理,包括负反馈、增益计算和频率响应。
2. 使学生能够识别并描述常见的二级运放电路类型,如非反相放大器、反相放大器、电压跟随器等。
3. 培养学生运用二级运放电路进行信号放大、滤波等实际应用的能力。
技能目标:1. 培养学生动手搭建和测试二级运放电路的能力,掌握相关仪器的使用方法。
2. 培养学生运用所学知识分析和解决实际电路问题的能力,包括调试和优化电路。
情感态度价值观目标:1. 激发学生对电子技术的兴趣和热情,培养其主动探索科学问题的精神。
2. 培养学生的团队合作意识,使其在合作中学会沟通、分享和承担责任。
3. 培养学生严谨、务实的科学态度,养成认真观察、准确记录和分析实验数据的良好习惯。
课程性质:本课程为电子技术基础课程,以理论教学和实验操作相结合的方式进行。
学生特点:二年级学生,具备一定的电子技术基础,具有较强的动手能力和好奇心。
教学要求:结合学生特点,注重理论与实践相结合,提高学生的实际操作能力和问题解决能力。
在教学过程中,将课程目标分解为具体的学习成果,以便进行有效的教学设计和评估。
二、教学内容1. 理论教学:- 运放电路基本原理回顾,重点讲解负反馈的工作机制。
- 二级运放电路的组成、功能及分类,包括非反相放大器、反相放大器、电压跟随器等。
- 增益计算和频率响应分析,结合实际电路讲解影响增益和带宽的因素。
2. 实验教学:- 搭建非反相和反相放大器电路,学习使用多用途运放芯片。
- 测量和分析二级运放电路的增益、输入输出阻抗等性能参数。
- 设计简单的滤波电路,观察不同频率信号的放大和滤波效果。
3. 教学大纲安排:- 第一周:回顾一级运放电路,引入二级运放电路的概念。
- 第二周:理论讲解二级运放电路的原理,分类及性能分析。
- 第三周:实验操作,搭建和测试非反相和反相放大器。
- 第四周:实验操作,搭建和测试电压跟随器及滤波电路。
目录1前言12二级运算放大器电路12.1电路结构12.2设计指标23 Cadence仿真软件33.1 schematic原理图绘制33.2 生成测试电路33.3 电路的仿真与分析43.1.1直流仿真 43.1.2交流仿真43.4 版图绘制53.4.1差分对版图设计63.4.2电流源版图设计73.4.3负载MOS管版图设计73.5 DRC & LVS版图验证83.5.1 DRC验证83.5.2 LVS验证8 4结论95参考文献9摘要本文利用cadence软件简述了二级运算放大器的电路仿真和版图设计。
以传统的二级运算放大器为例,在ADE电路仿真中实现0.16umCMOS工艺,输入直流电源为5v,直流电流源范围27~50uA,根据电路知识,设置各个MOS管合适的宽长比,调节弥勒电容的大小,进入stectre仿真使运放增益达到40db,截止带宽达到80MHz和相位裕度至少为60。
版图设计要求DRC验证0错误,LVS验证使电路图与提取的版图相匹配,观看输出报告,要求验证比对结果一一对应。
关键词:cadence仿真,设计指标,版图验证。
AbstractIn this paper, the circuit simulation and layout design of two stage operational amplifier are briefly described by using cadence software. In the traditional two stage operational amplifier as an example, the realization of 0.16umCMOS technology in ADE circuit simulation, the input DC power supply 5V DC current source 27~50uA, according to the circuit knowledge, set up each MOS tube suitable ratio of width and length, the size of the capacitor into the regulation of Maitreya, the simulation of stectre amplifier gain reaches 40dB, the cut-off bandwidth reaches 80MHz and the phase margin of at least 60.. The layout design requires DRC to verify 0 errors, and LVS validation makes the circuit map matching the extracted layout, viewing the output report, and requiring verification to verify the comparison results one by one.Key words: cadence simulation, design index, layout verification.1前言近几年来,人们已投入很大力量研究版图设计自动化,计算机辅助设计方法学在给定所需功能行为描述的数字系统设计自动化方面已经非常成功。
目录1前言12二级运算放大器电路 1电路结构 1设计指标 23 Cadence仿真软件 3schematic原理图绘制 3#生成测试电路3电路的仿真与分析4直流仿真 4交流仿真 4版图绘制5差分对版图设计6电流源版图设计 7负载MOS管版图设计 7.DRC & LVS版图验证 8DRC验证 8LVS验证 8 4结论 95参考文献 9摘要本文利用cadence软件简述了二级运算放大器的电路仿真和版图设计。
以传统的二级运算放大器为例,在ADE电路仿真中实现工艺,输入直流电源为5v,直流电流源范围27~50uA,根据电路知识,设置各个MOS管合适的宽长比,调节弥勒电容的大小,进入stectre仿真使运放增益达到40db,截止带宽达到80MHz和相位裕度至少为60。
版图设计要求DRC验证0错误,LVS验证使电路图与提取的版图相匹配,观看输出报告,要求验证比对结果一一对应。
关键词:cadence仿真,设计指标,版图验证。
AbstractIn this paper, the circuit simulation and layout design of two stage operational amplifier are briefly described by using cadence software. In the traditional two stage operational amplifier as an example, the realization of technology in ADE circuit simulation, the input DC power supply 5V DC current source 27~50uA, according to the circuit knowledge, set up each MOS tube suitable ratio of width and length, the size of the capacitor into the regulation of Maitreya, the simulation of stectre amplifier gain reaches 40dB, the cut-off bandwidth reaches 80MHz and the phase margin of at least 60.. The layout design requires DRC to verify 0 errors, and LVS validation makes the circuit map matching the extracted layout, viewing the output report, and requiring verification to verify the comparison results one by one.Key words: cadence simulation, design index, layout verification.1前言近几年来,人们已投入很大力量研究版图设计自动化,计算机辅助设计方法学在给定所需功能行为描述的数字系统设计自动化方面已经非常成功。
两级全差动运算放大器的设计班级:自动化0905姓名:余陆洋学号:U200914361同组人姓名:刘洁、戴伟、王睿祺题目要求根据性能指标的要求,选择合适的放大器类型,采用0.18um CMOS 工艺,设计一个两级运算放大器性能指标如下:电源电压: 1.8V 第一级增益: ≥20dB 第一级GBW: ≥500MHz 两级增益: ≥80dB 相位裕度: ≥60º差分压摆率: ≥200V/us等效输入参考噪声:200nV/Hz @1MHz 负载电容: ≤1pF静态功耗: 尽可能小,不做具体要求人员分工余路洋:运放整体仿真 刘洁:网表的编写戴伟:第一级运放与第二级运放的仿真 王睿祺:电路参数的设计整体设计1) 基本参数设定mV V V TH G S 200=- V V TN 5.0=V V TP 4.0-= 4106.4-⨯=ox n C u4103.2-⨯=ox p C u2) 基本公式Lmip c g GBW π2=tn ds Dm v v I g -=2 2)(21TH GS ox D V V L WuC I -=3) 第一级运放设计:inn由题目可知,要满足设计要求最主要的是确定MOS 管的宽长比以及偏置电流。
我们取负载电容为L c =0.4Pf ,由此可确定ID 的大小,又由于mV V V TH G S 200=-所以由图可知,增益:30db,GBW>500W.4) 第二级运放设计增益>50db5)整体设计a)增益>80dbb)由下图可以看出相位裕度>60o,满足要求差分压摆率>0.4v/2ns=200V/us,所以满足要求c)等效输入参考噪声在1MHz时<200nV/Hz.d)静态功耗:网表程序*two_stage_amp.option post=2 numdgt=7 tnom=27.lib 'C:\rf018.l' tt.global VDD! GND!.PARAM************************************************************************ * Library Name: Mixer_Down* Cell Name: amp_stage_two* View Name: schematic************************************************************************.SUBCKT amp_stage_two Iref2 Vb2 Vb3 Vb4 Vcm Vin Vip Voutn Voutp*.PININFO Iref2:I Vb2:I Vb3:I Vb4:I Vcm:I Vin:I Vip:I Voutn:O Voutp:OMM7 net087 Vb2 vdd! vdd! pch l=300n w=805n m=1MM6 Voutp Vb3 net087 vdd! pch l=300n w=5.39u m=1MM5 net33 Vb2 vdd! vdd! pch l=300n w=805n m=1MM4 Voutn Vb3 net33 vdd! pch l=300n w=5.39u m=1MM12 net33 Vip net30 gnd! nch l=300n w=2u m=1MM13 net087 Vin net30 gnd! nch l=300n w=2u m=1MM11 Iref2 Iref2 gnd! gnd! nch l=280.0n w=2u m=1MM10 net30 Iref2 gnd! gnd! nch l=280.0n w=3u m=1MM3 Voutp Vb4 net42 gnd! nch l=400n w=805n m=1MM2 net42 Vcm gnd! gnd! nch l=1u w=405n m=1MM1 Voutn Vb4 net46 gnd! nch l=400n w=805n m=1MM0 net46 Vcm gnd! gnd! nch l=1u w=405n m=1.ENDS************************************************************************ * Library Name: Mixer_Down* Cell Name: amp_stage_one* View Name: schematic************************************************************************.SUBCKT amp_stage_one Iref1 Vcm Vin Vip Voutn Voutp*.PININFO Iref1:I Vcm:I Vin:I Vip:I Voutn:O Voutp:OMM5 Iref1 Iref1 vdd! vdd! pch l=1u w=105.0000u m=1MM4 net23 Iref1 vdd! vdd! pch l=1u w=900.0000u m=1MM3 Voutp Vin net23 vdd! pch l=180.0n w=705.0000u m=1MM2 Voutn Vip net23 vdd! pch l=180.0n w=705.0000u m=1MM1 Voutn Vcm gnd! gnd! nch l=180.0n w=5.645u m=1MM0 Voutp Vcm gnd! gnd! nch l=180.0n w=5.645u m=1.ENDS************************************************************************ * Library Name: Mixer_Down* Cell Name: two_stage_amp* View Name: schematic************************************************************************ *.PININFO Vb2:I Vb3:I Vb4:I Vcm:I Vin:I Vip:I Voutn:O Voutp:OCC2 Voutp gnd! 1.0000p $[CP]CC5 net048 Voutp 20f $[CP]CC3 Voutn gnd! 1.0000p $[CP]CC4 net049 Voutn 20f $[CP]XI22 net044 Vb2 Vb3 Vb4 Vcm Vin Vip net049 net048 / amp_stage_two *.SUBCKT amp_stage_two Iref2 Vb2 Vb3 Vb4 Vcm Vin Vip Voutn VoutpXI21 net076 Vcm net049 net048 Voutn Voutp / amp_stage_one*.SUBCKT amp_stage_one Iref1 Vcm Vin Vip Voutn Voutp*.SUBCKT two_stage_amp Vb2 Vb3 Vb4 Vcm Vin Vip Voutn VoutpVVin Vin 0 DC 0.9 AC 1.0VVip Vip 0 DC 0.9 AC 1.0 180VVb2 Vb2 0 0.8VVb3 Vb3 0 0.5VVb4 Vb4 0 1.3VVcm Vcm 0 0.9VVdd vdd! gnd! 1.8Iref1 net076 0 180uIref2 vdd! net044 10u*VVin Vin 0 0 PULSE 0 1.0 0.1N .1N .1N 100N 100N*RVip Vip 0 1k*.TRAN 0.1N 100N*.PRINT TRAN V(Vin) V(Voutn).AC DEC 10 1 3G.PRINT AC VDB(Voutp) VP(Voutp).noise V(Voutp) VVip 10.END。
基本两级运放设计一、实验要求电源电压2.7V,CMR在0.2—1.5v之间,增益大于80db,转换速率大于10v/us,单位增益带宽大于10M,输出电压范围0.3v—2.4v之间。
二、实验目的1.掌握PSPICE的仿真2.熟悉两级放大器的原理三、实验原理下图是基本两级运放的结构图:图1 基本两级运放结构图两级运放将增益与摆幅分开考虑,第一级采用在基本差分放大器来提供高的增益,第二级采用简单的共源级结构以提供大的摆幅。
电路原理图如图2所示:图2 基本两级运放电路原理图● 输入共模电压范围:由M1管饱和条件SD on V V ≥,得到:2112(||)||CC incm TP on on incm CC TP on on V V V V V V V V V V -++⇒---≥≤ 由M2管饱和条件SD on V V ≥,得到:66||||GS incm TP incm GS TP V V V V V V +⇒-≤≥ 取150.2V on on V V = ,,||0.67V TP V =,0.45V TN V =输入共模电压范围为:0V 1.63V incm V ≤≤ ● 输出摆幅:由M6管和M7管的饱和条件DS on V V ≥,得到76on out CC on V V V V -≤≤取670.2V on on V V ==,得到输出摆幅为:0.2V 2.5V out V ≤≤ 四、实验步骤 1、 增益带宽仿真电路图如图3所示:图3 增益带宽仿真电路图通过给定的偏置电流值设置好各个MOS 管和晶体管的参数,然后对整个电路进行交流仿真(AC Sweep ),得到仿真曲线图如图4所示:Frequency1.0Hz 3.0Hz 10Hz30Hz 100Hz 300Hz 1.0KHz 3.0KHz 10KHz 30KHz 100KHz 300KHz 1.0MHz 3.0MHz 10MHz 30MHz 100MHz 300MHz 1.0GHzVDB(OUTDM)VP(OUTDM)-500-400-300-200-100-0100(11.587M,-118.037)(11.587M,-17.185m)(1.0410K,78.264)(2.8411,81.320)图4 交流仿真波特图从上图中,可以看出,该电路的增益81.3d A dB =,带宽为1.04K ,单位增益带宽11.6GB MHz =,相位余度为62°。
一、二级运放类
1、设计指标
1)供电电源:5V或12V;
2)运放增益不小于50dB ;
3)运放单位增益带宽10MHz---500MHz;
2、要求:
1)要求写出增益计算过程;
2)对偏置电路及相位补偿电路的加以说明;
3)对总体的设计列举说明,并说明每个器件起什么作用及其选型;
4)可对其仿真,仿真的效果图也可以添加到上交的报告里面;
5)不得重复,设计电路图完全一致,上交报告作废,不参与评审。
二、滤波类
1、设计指标
1)供电电源5V或12V;
2)输入频率:10kHz~100kHz ;
3)能够移相0°~180°可变。
2、要求:
1)设计滤波电路,并写出设计的思路;
2)输入波形为方波、三角波时的情况说明;
3)说明每个器件的选型思路以及作用;
4)试说明出现毛刺,上波峰变平应该调节哪些器件,为什么出现这些问题;
5)可对其仿真,仿真的效果图也可以添加到上交的报告里面;
6)不得重复,设计电路图完全一致,上交报告作废,不参与评审。
高增益二级运放的设计
重庆邮电大学重庆国际半导体学院年级:2011级
班级:1611101
姓名:王强
引言
相对与数字集成电路的规律性和离散性,计算机辅助设计方法学在给定所需功能行为描述的数字系统设计自动化方面已经非常成功。
但这并不适用于模拟电路设计。
一般来说,模拟电路设计仍然需要手工进行。
因此,仔细研究模拟电路的设计过程,熟悉那些提高设计效率、增加设计成功机会的原则是非常必要的。
运算放大器(简称运放)是许多模拟系统和混合信号系统中的一个完整部分。
各种不同复杂程度的运放被用来实现各种功能:从直流偏置的产生到高速放大或滤波。
伴随者每一代CMOS 工艺,由于电源电压和晶体管沟道长度的减小,为运放的设计不断提出复杂的课题。
运算放大器的设计可以分为两个较为独立的两个步骤。
第一步是选择或搭建运放的基本结构,绘出电路结构草图。
一般来说,决定好了电路结构以后,便不会更改了,除非有些性能要求必须通过改变电路结构来实现。
一旦结构确定,接着就要选择直流电流,手工设计管子尺寸,以及设计补偿电路等等,这个步骤包含了电路设计的绝大部分工作。
为了满足运放的交流和直流要求,所有管子都应被设计出合适的尺寸。
然后在手工计算的基础上,运用计算机模拟电路可以极大的方便对电路进行调试和修改。
但要记住,手算是绝对必需的!通过手算,可以深入的理解电路,对于设计多边形法则也可以更好进行权衡和把握。
电路分析
图1.1
M1
M2
M3
M4
M5
M6
M7M8M9
M10
M11M12Vin+
Vin-Vout
Vin1Iss
GND
VDD
电路结构
最基本的CMOS 二级米勒补偿运算放大器的结构如图1.1所示。
主要包括四部分:第一级输入级放大电路、第二级放大电路、偏置电路和相位补偿电路。
电路描述
输入级放大电路由M 1~M 8组成。
M 1和M 2组成NMOS 差分输入对, 差分输入与单端输入相比可以有效抑制共模信号干扰。
输出级放大电路由M 9、M 10组成。
M 9为共源放大器,M 10为其提供恒定偏置电流同时作为第二级输出负载。
相位补偿电路由R 和C C 构成,与电容C C 一起跨接在第二级输入与第一级输出之间,构成RC 密勒补偿。
静态特性
暂时不考虑电阻R ,绘出电路的等效模型,如图1.2所示。
图1.2
由于第一级差分输入对管M 1 、M 2 相同,可以得到:
112m G gm gm ==
(1)
R 1表示第一级输出电阻,其值可以表示为:
1113557||m o o m o o R g r r g r r =
(2)
则第一级的电压增益为:
()1111113557||V m m m o o m o o A G R g g r r g r r == (3)
对第二级有:
29m G gm =
(4) 2910||o o R r r =
(5)
()2229910||V m m o o A G R g r r ==
(6)
()()12112211135579910||||V V V m m m m o o m o o m o o A A A G R G R g g r r g r r g r r === (7)
`
``
+-V in1
+-V in2+-
V out G m1V in1
G m2V in2
R 1
R 2
C 1
C 2
C C
频率特性
在图1.2所示的等效电路中,C 1为第一级输出节点到地的总电容,C 2为第二级输出节点到地的总电容,运用KCL 得到:
()2
111221
0i m i i C i out V G V SC V SC V V R +
++-= (8)
()22222
0out
m i out C out i V G V SC V SC V V R +
++-=
(9)
联立以上两式(8)、(9)可得如下表达式:
()1212
211m m C out in G G SC R R V V aS bS -=++ (10)
其中a 有以下表达式决定:
()121212C a C C C G C R R =++⎡⎤⎣⎦
(11) ()112221212C m b C R C R C G R R R R =++++
(12)
有式(10)可得:
()11122212121
C m C R C R C G R R R R ω=
++++
(13)
()
()1122212122121212
C m C C R C R C G R R R R C C C G C R R ++++ω=
++⎡⎤⎣⎦ (14)
由经验可得,C 1通常远远小于C C ,且G m2R 2也远远大于1,则式(14)可以化简为:
11221
m C R R G C ω=
(15)
221212m C
C C G C C C C C C C ω=
++
(16)
比较式(15)、(16)可得ω1为主极点,ω2为次极点。
若在单位增益带宽内只有一个极点,其值可以由运放的开环直流增益与3dB 带宽的乘积得到。
11111221221
2222V m m m m C C C A G gm GBW G R G R R R G C C C ω=
===ππππ
(17)
由2D
GS TH I gm V V =
-可将式(17)化为
()D
C GS TH I GBW C V V =
π-
(18)
其中V GS-V TH=V on,由式(17)、(18)可以推测要增大GBW需增大I D或者减小V on。
图1.3NMOS gm/I D特性曲线
图1.4PMOS gm/I D特性曲线
von=0.1 von=0.2
von=0.3
von=0.4
von=0.1
von=0.2
von=0.3
von=0.4
静态偏置
根据运放要求低频增益大于100dB ,单位增益带宽大于10KHz ,相位裕度大于45度。
低频增益
低频增益=20logA V ,由此可以得到A V ≥100000。
由式(7)可得到:
()()11135579910||||100000V m m o o m o o m o o A g g r r g r r g r r =≥
(19)
查表可得到
取M 1~M 8的阈值电压为0.2V ,M 9的阈值电压取为0.25V ,考虑寄生电容的影响,取L=1.2u ,查表得
gm 1/I D ≈9.5 gm 5/I D ≈8.5 gm 9/I D ≈6.5 V E1≈15
共模输入范围
共模输入范围即使放大器第一级所有MOS 晶体管处于饱和区的共模输入电压范围。
由图1.1可以得到共模输入范围
()()11135579910||||100000V m m o o m o o m o o A g g r r g r r g r r =≥
(20)
取V in+=V in-=1.3V ,第二级放大器输入电压V 2=1.7V 。
输出摆幅
输出摆幅即使所有晶体管都工作在饱和区时的输出电压的范围。
由图1.1可得输出摆幅为:
V on10≤V out ≤V DD -V on9 (21)
CADENCE 仿真验证
图1.7CADENCE电路图
瞬态仿真曲线
图1.8输出摆幅仿真曲线
由图1.8输出摆幅仿真曲线可以得到输出摆幅为0.2~2.6V,满足要求。
交流仿真
图1.10交流仿真波特图
由图1.10可以得出,低频增益为100.6dB,3dB带宽为11.07KHz,GBW为
90.13MHz。
低频增益和GBW满足设计要求。
图1.11没有进行米勒补偿前的波特图
从图1.11得到相位裕度不满足设计要求,需要进行频率补偿。
本文采用米勒补偿技术。
图1.12采用米勒补偿后的频率特性
进行米勒补偿后的波特图如图1.12所示,低频增益为100.6dB,3dB带宽为233Hz,单位增益带宽为23.94MHz大于10MHz,相位裕度为57度大于45度,满足设计要求。
版图绘制版图验证。