测量技术要求及规定
- 格式:doc
- 大小:47.50 KB
- 文档页数:6
测量技术要求
1.本工程场区用地范围见地理位置示意图,由当地规划部门提供。
测量前应联系本项目业主,由业主和规划部门沟通协调后提供本项目场址具体坐标值。
本工程场区测量范围应大于场区用地范围,分别测量至场区用地边界外100m。
2.本工程要求测量使用的坐标系、高程系应与规划区保持一致。
3.任务内容及要求:要满足施工图设计阶段深度要求。
(1)测绘测量范围内的全部地物、地貌、建(构)筑物、地下设施位置。
(2)测量范围内场地标高、建(构)筑物标高及地下设施标高。
(3)测量范围内建(构)筑物、道路、线路、地下设施等等设施的名称。
(4)根据目前一些工程项目的经验,规划部门一般要求在土地报批时提供西安80坐标系的用地边界坐标。
因此,请业主咨询当地规划部门本项目土地报批时要求使用的坐标系。
若与本次测量的坐标系不同,还请业主联系土地部门测绘单位提供西安80坐标控制点,或帮助解决西安80坐标问题,用于土地报批时使用。
4.提供1:2000测量图纸、测量图电子版文件、测量报告(包含地下设施内容)。
5.场区内不少于三个控制点,便于施工放点的引测。
新升压站区附近北侧需布置一处控制点。
测量工程师的技术要求与规范标准测量工程师是现代化建设和工程建设中不可或缺的重要角色,他们负责确保工程项目的精确测量和数据收集。
为了保证测量工程师的工作质量和准确性,需要制定一系列技术要求和规范标准。
本文将介绍测量工程师的技术要求以及相关的规范标准。
一、测量工程师的技术要求1.工程测量知识储备测量工程师需要具备扎实的工程测量知识储备,包括测量仪器和设备的使用方法、测量原理和相关计算方法等。
他们需要了解各种测量仪器的特点和适用范围,熟悉测量数据的处理和分析方法,能够准确测量和计算各种工程参数。
2.地形测量能力测量工程师需要具备地形测量的能力,能够对工程项目所处地形进行准确测量和绘制。
他们需要掌握地形测量的基本原理和方法,包括高程测量、平面测量以及地形图的制作等。
同时,他们还需要能够使用专业的地形测量仪器和软件进行测量和数据处理。
3.工程测量能力测量工程师还需要具备工程测量的能力,能够在工程建设过程中进行各种测量工作。
他们需要能够测量和确定工程项目的定位和位置,包括水平测量、垂直测量以及角度测量等。
他们还需要能够进行坐标测量和控制点的建立,确保工程测量的准确性和可靠性。
4.测量数据处理能力测量工程师需要具备测量数据处理的能力,能够对测量数据进行准确的处理和分析。
他们需要熟练运用相关的测量软件和计算工具,能够进行数据清理、校正和验证等操作,确保测量数据的准确性和可靠性。
同时,他们还需要能够对测量数据进行统计和绘图,生成专业的测量报告和图表。
二、规范标准1.测量标准测量工程师需要遵守国家和行业的测量标准,确保测量工作的准确性和可比性。
这些标准包括测量单位的统一、测量精度的要求以及测量误差的控制等。
测量工程师需要了解并严格执行这些标准,以确保工程测量的结果能够得到广泛的认可和应用。
2.安全规范测量工程师在进行现场测量工作时需要遵守相关的安全规范,确保自己和他人的安全。
他们需要熟悉并且遵守各种现场安全规定,包括佩戴个人防护装备、使用安全工具和设备以及正确操作和维护测量设备等。
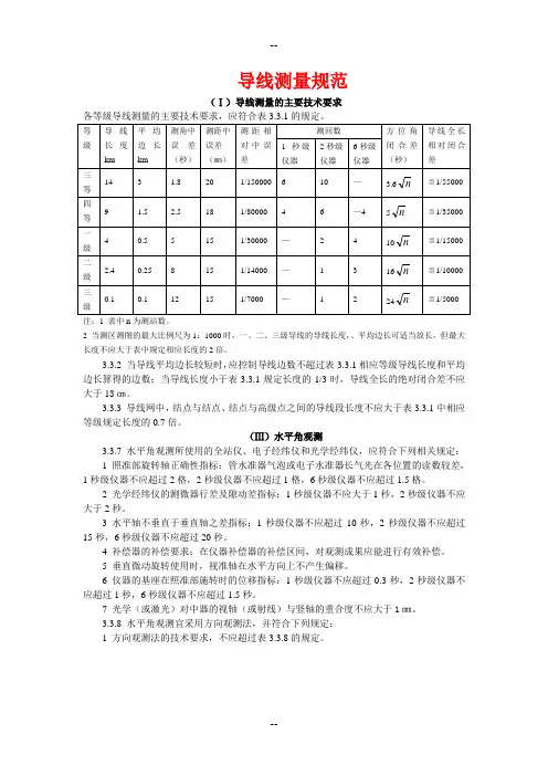
导线测量规范(Ⅰ)导线测量的主要技术要求各等级导线测量的主要技术要求,应符合表3.3.1的规定。
注:1 表中n为测站数。
2 当测区测图的最大比例尺为1:1000时,一、二、三级导线的导线长度,、平均边长可适当放长,但最大长度不应大于表中规定相应长度的2倍。
3.3.2 当导线平均边长较短时,应控制导线边数不超过表3.3.1相应等级导线长度和平均边长算得的边数;当导线长度小于表3.3.1规定长度的1/3时,导线全长的绝对闭合差不应大于13㎝。
3.3.3 导线网中,结点与结点、结点与高级点之间的导线段长度不应大于表3.3.1中相应等级规定长度的0.7倍。
(Ⅲ)水平角观测3.3.7 水平角观测所使用的全站仪、电子经纬仪和光学经纬仪,应符合下列相关规定:1 照准部旋转轴正确性指标:管水准器气泡或电子水准器长气光在各位置的读数较差,1秒级仪器不应超过2格,2秒级仪器不应超过1格,6秒级仪器不应超过1.5格。
2 光学经纬仪的测微器行差及隙动差指标:1秒级仪器不应大于1秒,2秒级仪器不应大于2秒。
3 水平轴不垂直于垂直轴之差指标;1秒级仪器不应超过10秒,2秒级仪器不应超过15秒,6秒级仪器不应超过20秒。
4 补偿器的补偿要求:在仪器补偿器的补偿区间,对观测成果应能进行有效补偿。
5 垂直微动旋转使用时,视准轴在水平方向上不产生偏移。
6 仪器的基座在照准部施转时的位移指标:1秒级仪器不应超过0.3秒,2秒级仪器不应超过1秒,6秒级仪器不应超过1.5秒。
7 光学(或激光)对中器的视轴(或射线)与竖轴的重合度不应大于1㎜。
3.3.8 水平角观测宜采用方向观测法,并符合下列规定:1 方向观测法的技术要求,不应超过表3.3.8的规定。
表3.3.8水平角方向观测法的技术要求注;1 全站仪、电子经纬仪水平角观测时不受光学测微器两次重合读数之差指标的限制。
2 当观测方向的垂直角超过±30的范围时,该方向2C互差可按相邻测回同方向进行比较,其值应满足表中一测回内2C互差的限值。
1、工程测量规范第2.1.8条:三边测量的主要技术要求第2.4.10条:普通钢卷尺测距的主要技术要求注:s为转点桩至中桩桩位的距离(m).第5.2.19条中桩高程测量,应布设附和路线,其闭合差不应超过50√Lmm.。
第7.2.13条建筑物的控制网,应根据建筑物结构、机械设备传动性能及生产工艺连续程度,分别不舍一级或二级控制第7.3.1条工业与民用建筑的施工放样,应具备下列资料:一、总平面图;二、建筑物的设计与说明;三、建筑物、构筑物的轴线平面图;四、建筑物的基础平面图;五、设备的基础图;六、土方的开挖图;七、建筑物的结构图。
第7.4.1条灌注桩应根据设计的数据进行定位测量,其定位误差,不宜大于5cm。
当精度要求较高,需建立灌注桩举行控制网时,其技术要求应符合表7.4.1的规定。
第2.1.11导线和导线网的主要技术要求应符合下列规定:光电测距导线的主要技术要求第7.2.8定线、拨地测量的校核限差第7.4.2山地线路导线测量的的主要技术要求第7.4.8纵、横断面测量应符合下列规定:1纵断面测量(即中平测量)应逐点附和于基平测量水准点上,按图跟水准测量(包括图根光电测距三角高程测量)精度要求沿中线逐桩进行,并检查里程桩号。
相临水准点高差与纵段检测的较差,不应超过2cm.设计所依据的重要高程点位如铁路轨顶、桥面、路中、下水道井底与坑深测高点灯影按转点施测。
水准点和赚点的读数取值毫米,各中视点的读数则取至厘米。
2横断面测量的宽度应能满足需要。
横断面的方向,在直线部分应与中线垂直,再去线部分应在法线上。
作业过程中,是横向地形变化在不影响设计质量的情况下,可适当的增减断面数,加测断面时应在中线上补桩号及高程。
旧路展宽和排水沟等工程,可选有代表性的位置施测横断面。
3在测量横断面时,应根据不同工程的需要测出横向遇到的建筑地坪、各街巷与单位出入口地面、地下室采光口的窗台、地下管线检修井井盖、进出水口、不同路面结构界限、沿岸水工建筑物顶面等处高程。
RTK测量技术要求
RTK测量范围
RTK测量可用于的测量工作包括:四等以下平面控制测量、高程控制测量、工程测量、地形测量、放样测量。
RTK控制测量技术要求
RTK控制测量主要技术要求:
用RTK技术施测的控制点成果应进行100%的内业检查和不少于总点数10%的外业检查,平面控制点外业检测可采用相应等级的快速静态技术测定坐标,全站仪测量边长和角度等方法。
高程控制点外业外业检测可采用相应等级的三角高程、几何水准测量等方法。
检测点应均匀分布在测区。
RTK地形测量
RTK控制测量主要技术要求:。
施工测量中技术要求及安全要点在建筑施工的过程中,测量是一个非常重要的部分,它不仅关系到建筑物的质量问题,还关系到施工工程的管理和进度的控制。
因此,在测量工作中需要有严格的技术要求和安全要点,本文将分别介绍。
技术要求1. 测量前准备在进行测量工作之前,需要认真准备。
其中包括:1.根据建筑图纸和项目要求编制测量方案,并经过监理部门的审查和批准。
2.按照测量方案配备测量仪器和工具,并保证其完好无损。
3.确定测量的控制点和控制线,并在现场进行测量标志。
4.检查测量现场的环境和设施是否符合测量要求,如是否有干扰源、是否有障碍物等。
2. 测量精度控制在测量过程中,需要保证测量精度达到要求。
具体要求如下:1.测量仪器和工具的选用应符合精度要求,并经过校准和检验。
2.测量应使用多组数据,对每个数据进行比对和分析,以提高测量精度。
3.测量数据的处理应严格按照统计学原理进行,以减少误差。
4.在测量结果出现大幅度波动时,应及时发现和处理。
3. 测量过程中的考虑因素在测量过程中,需要考虑以下因素:1.测量的时间:同一测量的时间应相同,以减少进行测量时大气压力、空气温度变化导致的误差。
2.测量的温度:测量仪器的使用环境应统一,温度尽可能一致,以减少温度变化对仪器测量精度的影响。
3.测量的湿度:在测量过程中要尽可能避免测量仪器和测量物体受到湿度的影响,以提高测量精度。
4.测量过程的电磁干扰:要避免测量仪器和测量物体受到电磁干扰,以免影响测量结果。
安全要点在测量工作中,安全是至关重要的问题。
工作人员必须掌握安全要点,确保安全施工。
安全要点包括以下几点:1. 安全意识测量工作需要工作人员具备高度的安全意识,遵守各项操作规程和安全规定,如佩戴安全帽、栏杆、防滑鞋等工作服装和安全防护设施,确保工作人员和设备的安全。
2. 环境要求在测量工作现场,需要保证施工环境的良好和测量仪器的安全。
工作人员应该认真检查施工区域的情况,排除影响安全的障碍物和干扰源。
建筑工程测量方案有哪些要求一、测量准确性要求1. 精度要求:测量精度直接关系到建筑工程的质量和安全。
测量设备和仪器的准确性需要符合国家相关标准,且需要定期校准。
2. 检测方法:测量过程中需要选择合适的检测方法,确保对建筑结构、地基沉降、地形地貌等进行全面、准确的检测。
3. 数据处理:测量数据的处理需要科学合理,采用适当的数学模型和计算方法,保证数据处理的准确性。
二、测量安全要求1. 施工现场安全:测量工作需要遵守相关安全规定,保证测量人员和设备的安全。
2. 设备安全:测量设备需要定期检查和维护,保证设备的安全可靠性。
3. 环境安全:测量工作需要保护周围环境,避免对周围环境造成破坏和污染。
三、测量过程管理要求1. 测量计划:需要制定全面的测量计划,包括测量的时间、地点、范围和内容等。
2. 测量组织:需要组织专业的测量团队,确保测量人员具备丰富的经验和专业知识。
3. 测量记录:需要详细记录测量过程、数据和结果,并建立相关档案。
确保后续工作能够依据测量数据进行。
四、测量成果要求1. 测量报告:需要编制全面的测量报告,包括测量的目的、方法、结果等内容,确保测量成果对项目后续工作具有指导作用。
2. 测量标志:需要在测量点进行标识,保证测量点的可识别性和持久性。
3. 测量成果备份:需要对测量数据进行备份,确保数据的安全性和完整性。
五、法律法规要求1. 遵守相关法律法规:测量工作需要遵守国家相关法律法规,确保测量工作的合法合规。
2. 测量资质:测量工作需要由具备相关资质的测量院所或单位进行,保证测量工作的专业性和合法性。
以上是建筑工程测量方案的基本要求,只有严格遵循这些要求,才能够确保测量工作的准确性、安全性和有效性。
在实际工作中,建筑工程测量方案还要根据项目的具体情况进行针对性的细化和完善,以确保测量工作可以更好地服务于建筑工程的实际施工。
4三、四等水准测量的主要技术要求四、三、四等水准测量的主要技术要求三、四等水准路线一般沿道路布设,尽量避开土质松软地段,水准点间的距离一般为2~4Km,在城市建筑区为1~2km。
水准点应选在地基稳固,能长久保存和便于观测的地方。
三、四等水准测量的主要技术要求参看表6.6,在观测中,每一测站的技术要求见表6.14。
三、四等水准测量的方法(一)观测方法三四等水准测量的观测应在通视良好、望远镜成像清晰稳定的情况下进行,若用普通DS3水准仪观测,则应注意:每次读数前都应精平(即:使符合水准气泡居中)。
如果使用自动安平水准仪,则无需精平(测量原理详见第二章),工作效率大为提高。
下介绍用双面水准尺法在一个测站的观测程序:①后视水准尺黑面,读取上、下视距丝和中丝读数,记入记录表(表6.15)中(1)、(2)、(3);②前视水准尺黑面,读取上、下视距丝和中丝读数,记入记录表中(4)、(5)、(6);③前视水准尺红面,读取中丝读数,记入记录表中(7);④后视水准尺红面,读取中丝读数,记入记录表中(8);这样的观测顺序简称为“后-前-前-后”,其优点是可以减弱仪器下沉误差的影响。
概括起来,每个测站共需读取8个读数,并立即进行测站计算与检核,满足三、四等水准测量的有关限差要求后方可迁站。
(二)测站计算与检核①视距计算根据前、后视的上、下视距丝读数计算前、后视的视距:后视距离:(9)=100×{(1)-(2)} 前视距离:(10)=100×{(4)-(5)}计算前、后视距差(11):(11)=(9)-(10)对于三等水准测量,(11)不得超过3m,对于四等水准测量,不得超过5m。
计算前、后视距离累积差(12):(12)=上站(12)+本站(11)对于三等水准测量,(12)不得超过6m,对于四等水准测量,不得超过10m。
②尺常数K检核同一水准尺黑面与红面读数差的检核:K1=(13)=(7)-(6)K2=(14)=(8)-(3)Ki为双面水准尺的红面分划与黑面分划的零点差(常数为4.687m或4.787m)。
常用规范、规程主要技术规定、要求汇总一、城市测量规范(CJJ 8——99)1. 城市平面控制测量1.1 坐标系统:1980西安坐标系或1954北京坐标系或城市坐标系。
1.2 城市平面控制网的等级划分:GPS网、三角网和边角结合网:依次为二、三、四等和一、二级;导线网:依次为三、四等和一、二、三级。
说明:⑴.导线网中结点与高级点间或结点与结点间的导线长度不应大于附合导线规定长度的0.7倍;⑵.当附合导线长度短于规定长度的1/3时,导线全长的绝对闭合差不应大于13cm;⑶.光电测距导线的总长和平均边长可放长至1.5倍,但其绝对闭合差不应大于26cm。
当附合导线的边数超过12条时,其测角精度应提高一个等级;⑷.导线相邻边长之比不宜超过1:3。
0d注:n为测站数。
⑴.凡超出以上规定限差的结果,均应进行重测。
重测应在基本测回完成后并对成果综合分析后再进行。
⑵.2C较差或各测回较差超限时,应重测超限方向并联测零方向。
因测回较差超限重测时,除明显孤值外,原则上应重测观测结果中最大和最小值的测回。
⑶.零方向的2C较差或下半测回的归零差超限,该测回应重测。
方向观测法一测回中,重测方向数超过方向总数的1/3时(包括观测三个方向有一个方向重测),该测回应重测。
⑷.采用方向观测法时,每站基本测回重测的方向测回数,不应超过全部方向测回总数的1/3,否则整站重测。
⑸.基本测回成果和重测成果,应载入记簿。
重测与基本测回结果不取中数,每一测回只取一个符合限差的结果。
⑹.因三角形闭合差、极条件、基线条件、方位角条件自由项超限而重测时,应进行认真分析择取有关测站整站重测。
注:1.往返较差应将斜距化算到同一水平面上方可进行比较;2. (a+b·D)为仪器标称精度。
2. 城市高程控制测量2.1 高程系统:1985国家高程基准或沿用1956年黄海高程系统。
2.2 城市高程控制测量方法与等级:水准测量和三角高程测量。
水准测量等级依次分为二、三、四等,首级高程控制不应低于三等水准。
测绘技术的精度要求及评估方法一、引言测绘技术作为现代科技的重要组成部分,无论在土地利用、城市规划、工程建设还是资源管理等领域,都扮演着至关重要的角色。
测绘结果的精度直接影响着后续决策和规划的准确性,因此,确保测绘技术的精度成为至关重要的任务。
本文将探讨测绘技术的精度要求及评估方法。
二、测绘技术的精度要求测绘技术的精度要求主要取决于应用需求和使用环境。
不同领域的测绘工作对精度的要求各有不同。
例如,对于土地利用规划,需要测绘出精确的边界线和地形地貌;对于工程建设,需要测绘出准确的各类数据,以确保设计的准确性;对于资源管理,需要测绘出准确的资源分布与变化。
精度要求主要包括水平精度和垂直精度。
水平精度常用的指标有:绝对性精度(或称为平差精度)、相对性精度(或称为定向精度)、地面点间距、位置精度等;垂直精度常用的指标有:高程精度、坡度、体积测量误差等。
三、测绘技术的评估方法1. 相对法相对法是测绘技术评估的一种常用方法。
它通过比较同一测区内同类测图的差异来评估技术精度。
这种方法在相对评估中被广泛使用,因为它能够排除测区地理环境的差异对评估的影响,更加关注测绘技术本身。
常用的相对法有差量测量、变形监测等。
2. 绝对法绝对法是采用先进的校正设备或具备高精度基准的测量仪器对测绘结果进行检验和校正的方法。
通过与已知位置或已测量的基准点进行比较,确定与真实值之间的差异,从而评估测绘技术的精度。
常用的绝对法有GNSS(全球导航卫星系统)基准测量、卫星大地测量等。
3. 统计学方法统计学方法通过收集大量的测绘数据并进行统计学分析来评估测绘技术的精度。
常用的统计学方法包括误差椭圆法、方差分析法、最小二乘法等。
这种方法更加客观和全面,能够较为准确地评估测绘技术的精度。
四、技术提升与应用展望随着技术的进步和需求的不断提升,测绘技术的精度要求也在不断提高。
为了满足现代社会的需求,测绘技术不仅要提高水平和垂直的精度,还要增强其对时间、空间和频率的感知能力。
测绘技术中的测绘标准与规范随着现代科技的不断发展,测绘技术在社会各个领域扮演着越来越重要的角色。
从城市规划到土地管理,从交通建设到环境保护,测绘技术都为决策者提供了重要的依据和基础数据。
然而,要保证测绘结果的准确性和可靠性,就需要严格遵循一系列的测绘标准与规范。
测绘标准是指在测绘工作中,为了保证测绘质量、统一测绘操作流程和数据交换方法,制定的一系列技术规则和要求。
在测绘标准中,各项操作都有明确的规范,从测量仪器的选择使用到数据处理的方法,都是经过科学论证和实践检验的。
首先,测绘标准对测量仪器的选择和使用提出了严格的要求。
测绘仪器是测绘工作的核心工具之一,其准确性和可靠性直接影响测绘结果的精度。
根据不同的任务需求,测绘标准要求选择合适的仪器,并确保其精度符合要求。
同时,仪器的使用和校准也需要按照标准进行操作,以保证测绘数据的准确性和可比性。
其次,测绘标准规定了测量方法和流程。
不同的测量任务需要采用不同的测量方法,而测绘标准为各种测量方法提供了详细的操作规程。
例如,在地理测绘中,测绘标准规定了大地坐标系的建立方法和转换参数的计算方法,确保了地图上各个点之间的位置关系准确无误。
这些方法和规程的制定,既为测绘人员提供了明确的操作指南,又为测绘结果的质量提供了保障。
此外,测绘标准还关注数据处理的合理性和可靠性。
在测绘工作中,采集到的原始数据需要进行处理和分析,得到最终的测绘产品。
测绘标准规定了数据处理的方法和流程,要求数据的整理、校核、差值、平差等环节都要按照标准规定的步骤进行。
只有这样,才能保证测绘结果的精度和可靠性。
此外,要保证测绘工作的质量,还需要测绘人员具备扎实的专业知识和操作能力。
测绘标准也规定了测绘人员的资质要求和培训机制。
测绘人员需要通过相应的培训和考试,取得相关的资质证书,才能从事测绘工作。
这样做的目的是为了确保测绘人员具备丰富的实践经验和专业技能,能够按照标准要求完成各项工作。
综上所述,测绘标准与规范在测绘技术中起着至关重要的作用。
测量规范测量培训一、平面控制测量(一)、一般规定平面控制网的建立,可采用卫星定位测量、导线测量、三角形网测量等方法。
平面控制网精度等级的划分,卫星定位测量控制网依次分为为二、三、四、等和一、二级,导线及导线网依次为三、四等和一、二、三级,三角形网依次为二、三、四等和一、级。
(二)、导线测量1.导线测量的主要技术要求各等级导线测量的主要技术要求,应符合表2.1的规定。
注:1 表中n为测站数。
2 当测区测图的最大比例尺为1:1000时,一、二、三级导线的导线长度、平均边长可适当放长,但最大长度不应大于表中规定相应长度的2倍。
当导线平均边长较短时,应控制导线边数不超过表2.1相应等级导线长度和平均边长算得的边数;当导线长度小于表2.1规定长度的1/3时,导线全长的绝对闭合差不应大于13cm。
导线网中,结点与结点、结点与高级点之间的导线段长度不应大于表2.1中相应等级规定的0.7倍。
2.导线网的设计、选点与埋石导线控制网的布设应符合下列规定:(1)导线网用作测区的首要控制时,应布设成环形网,且宜联测两个已知方向。
(2)加密网可采用单一附合导线或结点导线网形式。
(3)结点间或结点与已知点间的导线段宜布设成直伸形状,相邻边长不宜相差过大,网内不同环节上的点也不宜相距过近。
导线点位的选定,应符合下列规定:(1)点位应选在土质坚实、稳固可靠、便于保存的地方,视野应相对开阔,便于加密、扩展和寻找。
(2)相邻点之间应通视良好,其视线距障碍物的距离,三、四等不宜小于1.5m;四等以下宜保证便于观测,以不受旁折光的影响为原则。
(3)当采用电磁波测距时,相邻点之间视线应避开烟囱、散热塔、散热池等发热体及强电磁场。
(4)相邻两点之间的视线倾角不宜过大。
(5)充分利用旧有控制点。
二、高程控制测量(一)、一般规定1.高程控制测量精度等级的划分,依次为二、三、四、五等。
各等级高程控制宜采用水准测量,四等及以下等级可采用电磁波测距三角高程测量,五等也可采用GPS拟合高程测量。
土木工程中的测量与监测规范要求及技术应用引言:土木工程是人类社会发展的重要基础设施之一,其中测量与监测是保障土木工程质量和安全的关键环节。
本文将介绍在土木工程中测量与监测的规范要求及相关技术应用,旨在提升土木工程测量与监测的准确性和效率。
一、测量规范要求1. 测量准确性: 土木工程的测量需要保证准确性,以确保工程设计的实施精度。
测量设备和仪器的选择应符合国家规范要求,并定期进行校准和维护。
2. 测量范围: 测量范围应根据具体工程要求进行确定,并在测量过程中及时记录和验证。
包括但不限于水平测量、垂直测量、距离测量等。
3. 测量方法: 根据工程的特点和测量目的选择合适的测量方法,包括传统测量方法和先进的遥感和激光技术等。
同时,应制定详细的测量操作规程,并培训相关测量人员。
4. 测量报告: 测量结果应编制成报告,详细记录测量数据和测点位置,并配以测量图表,以便后续的工程监测和计量分析。
二、监测规范要求1. 监测目标: 在土木工程建设过程中,需要对工程的各项参数进行监测,如结构变形、地下水位变化、土壤应力等。
监测目标应明确,并根据需要选择合适的监测方法。
2. 监测设备: 选择适当的监测设备和传感器,确保监测数据的准确性和可靠性。
根据工程需求,可以选择使用自动化监测设备,以实现实时数据采集和远程监测。
3. 监测频率: 根据工程的特点和监测目标,确定监测的频率和时间间隔。
重要工程可能需要进行实时或定时监测,以及应急监测。
4. 监测记录和分析: 监测数据应及时记录,并进行分析和评估。
建立完善的监测数据库,可为工程的运维和维修提供参考依据。
三、测量与监测技术应用1. 全站仪测量技术: 全站仪是土木工程中常用的测量设备,可实现高精度的水平和垂直测量,同时附带的数据处理软件可以对测量数据进行即时处理和分析。
2. 遥感和激光扫描技术: 近年来,随着遥感和激光扫描技术的发展,它们在土木工程测量与监测中的应用逐渐增多。
通过航空摄影和激光扫描仪,可以实现对大面积范围的三维地形和建筑物的快速获取和分析。
工程点测量技术要求
工程点测量技术要求:
①仪器精度:选用经检定合格、精度满足工程要求的全站仪、水准仪、GPS等设备;
②控制网布设:按规范建立平面控制网和高程控制网,确保测量基准统一、精度可靠;
③观测方法:严格执行测量作业规程,进行多次重复观测,取平均值作为测量结果;
④数据处理:使用专业软件进行平差计算、坐标转换、成果整理,保证数据准确无误;
⑤成果检验:对测量成果进行内部自查、相互复核,必要时进行第三方检测,确保成果质量;
⑥资料归档:测量原始记录、计算书、成果表、图件等资料应完整、清晰,及时归档保存;
⑦动态监控:在施工过程中,定期进行点位复测,监控点位变化,及时调整施工方案。
四等水准测量程序及技术要求
四等水准测量是一种常见的地理测量方法,用于确定地面高程。
下面是四等水准测量的一般程序和技术要求:
1. 准备工作:确定观测线路,并进行勘测、测量设备的校准和检查,确保测量器材正常工作。
2. 设置控制点:根据测量需要,在测线两端或途中选择一些控制点,确定其坐标和高程。
3. 建立基准点:选择一处基准点,确定其精确的高程数值,并建立起基准点到观测点之间的连接。
4. 观测点设置:沿着测量线路,在控制点之间设置一系列观测点,并测量其高程。
5. 高程观测:使用合适的水准仪测量各观测点的高程,记录测量数据。
6. 数据处理:根据测量数据,进行数据处理和计算,得出每个观测点的高程。
7. 检查和校验:对数据进行检查和校验,确保数据的准确性和可靠性。
8. 绘制高程图:根据观测点的高程数据,绘制高程图,反映地形地貌的变化。
技术要求:
1. 测量仪器:使用精度高、稳定性好的水准仪进行测量。
2. 观测点设置:观测点应设置在地面平稳、无障碍的地方,避免地质变化大的区域。
3. 观测精度:观测精度应满足测量精度要求,通常要求误差小于正负一厘米。
4. 数据处理:应使用专业的测量数据处理软件进行数据处理,确保结果的精度和可靠性。
5. 质量控制:每个测量步骤都应进行质量控制,记录数据、观测条件和操作步骤,以备查询和审查。
总之,在进行四等水准测量时,需要严格按照测量程序和技术要求进行操作,以确保测量结果的准确性和可靠性。
同时,应注意安全措施,遵守相关规定,确保测量人员的安全。
控制测量、地形测量及放线技术要求及规定东营市公路勘察设计院二OO七年十月一、总则1、项目名称:2、项目工作内容:控制测量、地形测量、1:2000地形图成图、路线定测3、项目执行标准:《工程测量规范》(GB50026—93)、《公路勘测规范》(JTG C10—2007)二、控制测量(一)平面控制测量平面采用1980年西安坐标系,中央子午线为?度?分。
首级控制为5秒级的光电测距导线,布设成符合导线,导线可沿道路中心线两测100m左右布设,起闭在Ⅲ等以上的国家三角点上。
兼作水准点的导线点高程应起闭在Ⅳ等以上的水准点上。
1、一级光电测距导线布设的要求(1)导线点应选在透视好、利于发现和查找、稳定、便于架设仪器及今后工程测量施工放样处。
导线点埋石间距平均为500m,点要选在道路中心线两侧,与中心线垂直距离在100m左右。
在线的一侧埋石一般不超过两个点,最好能结合地形沿路中线两侧交错设置。
(2)标石、标志和点之记(栓桩)导线点的埋石规格为0.1×0.1×(0.6—0.8)m永久性标石,标石顶面埋Ф8mm的钢筋,露头1—2mm,钢筋表面锯“十”字。
标石埋置要稳固,埋置时用石头回填夯实或用水泥砂浆敷面,标石露出地面3—5cm,标石上面用红漆正规编号,字头朝北,编号为TNi(i为序号)。
当不能埋石时可用铁钉或在其它固定物上刻十字代替。
大中桥和互通立交附近应适当加密导线点。
所有导线点和水准点,均要求做点之记(栓桩)。
点之记要详细绘制位置图(数字化文件),从附近两个明显地物点上量取距离,无明显地物时必须钉木桩,并做详尽记录,同时在所量取的地物上用醒目的红漆作出标记指示。
(3)电光测距导线和图根点误差必须满足下表要求:表一作业前,要求对使用的仪器按规程进行检查和校正,并留有正式记录。
提交的导线点坐标应是全段统一严密平差后的成果,采用1.5度带时应换算出其相应的3度带坐标。
(二)高程控制测量1、高程采用1985国家高程基准。
施工测量过程的技术要求及控制点嘿,咱来说说施工测量过程的技术要求和控制点这档子事儿哈!你想啊,施工测量就好比是给建筑搭架子,架子歪了,那整个房子不就歪了嘛!所以技术要求那可得严格着呢!首先咱得有精确的测量仪器吧,就像战士得有趁手的兵器一样。
这仪器要是不靠谱,那测出来的数据不就跟开玩笑似的啦。
测量的时候,那可得仔细再仔细,每个数据都得像宝贝似的对待。
你说要是随随便便弄个大概,那最后房子盖出来这儿歪那儿斜的,多难看呀!这就好比你做衣服,尺寸都量错了,那做出来的衣服能合身吗?再说说这控制点,那可真是关键中的关键呀!就像是定海神针一样,没了它,整个测量工作都得乱套。
咱得把这些控制点找得准准的,保护得好好的,不能让它们出一点儿差错。
比如说在施工现场,那些标志控制点的小木桩,咱可不能不当回事儿,得把它们看得比啥都重要。
万一不小心被谁碰倒了或者弄没了,那可就麻烦大啦!这就好像你走路的方向标没了,你还能找得着北吗?还有啊,测量人员得有责任心,不能马马虎虎的。
这可不是闹着玩的事儿,一个小失误可能就会导致大问题。
你想想,要是因为测量出了差错,导致建筑质量有问题,那多后怕呀!这可不是开玩笑的,咱得认真对待每一个数据,每一个步骤。
测量过程中还得注意环境因素呢!风啊雨啊的,都可能会影响测量的准确性。
这时候咱就得机灵点,想办法克服这些困难。
不能说因为有点小风小雨就不干了呀,那可不行!咱得像勇士一样,迎着困难上。
总之啊,施工测量过程的技术要求和控制点这事儿可太重要啦!咱可不能掉以轻心,得把它当成大事儿来对待。
只有这样,咱才能盖出稳稳当当、漂漂亮亮的房子来,大家住着也安心不是?所以呀,大家都要重视起来,让施工测量工作顺顺利利的,为我们的建筑工程打下坚实的基础!这可不是我在这瞎嚷嚷,这都是实实在在的道理呀!。
控制测量、地形测量及放线技术要求及规定
东营市公路勘察设计院
二OO七年十月
一、总则
1、项目名称:
2、项目工作内容:控制测量、地形测量、1:2000地形图成图、路线定测
3、项目执行标准:《工程测量规范》(GB50026—93)、《公路勘测规范》(JTG C10—2007)
二、控制测量
(一)平面控制测量
平面采用1980年西安坐标系,中央子午线为?度?分。
首级控制为5秒级的光电测距导线,布设成符合导线,导线可沿道路中心线两测100m左右布设,起闭在Ⅲ等以上的国家三角点上。
兼作水准点的导线点高程应起闭在Ⅳ等以上的水准点上。
1、一级光电测距导线布设的要求
(1)导线点应选在透视好、利于发现和查找、稳定、便于架设仪器及今后工程测量施工放样处。
导线点埋石间距平均为500m,点要选在道路中心线两侧,与中心线垂直距离在100m左右。
在线的一侧埋石一般不超过两个点,最好能结合地形沿路中线两侧交错设置。
(2)标石、标志和点之记(栓桩)
导线点的埋石规格为0.1×0.1×(0.6—0.8)m永久性标石,标石顶面埋Ф8mm的钢筋,露头1—2mm,钢筋表面锯“十”字。
标石埋置要稳固,埋置时用石头回填夯实或用水泥砂浆敷面,标石露出地面3—5cm,标石上面用红漆正规编号,字头朝北,编号为TNi(i为序号)。
当不能埋石时可用铁钉或在其它固定物上刻十字代替。
大中桥和互通立交附近应适当加密导线点。
所有导线点和水准点,均要求做点之记(栓桩)。
点之记要详细绘制位置图(数字化文件),从附近两个明显地物点上量取距离,无明显地物时必须钉木桩,并做详尽记录,同时在所量取的地物上用醒目的红漆作出标记指示。
(3)电光测距导线和图根点误差必须满足下表要求:
表一
作业前,要求对使用的仪器按规程进行检查和校正,并留有正式记录。
提交的导线点坐标应是全段统一严密平差后的成果,采用1.5度带时应换算出其相应的3度带坐标。
(二)高程控制测量
1、高程采用1985国家高程基准。
2、水准点应沿路线布设,应沿路线走向左右布设,距路中线一般在50米至200米间,另在大中桥两岸,隧道进出口,山垭口、互通立交及大型人工构造物附近均应增设,其间距为0.5—1km,可利用导线点兼作水准点,形成符合水准路线,起闭在三等以上的国家水准点(或相当于国家等级的水准点)上。
其编号为BMi(i为序号),当和导线点重合时,各自编号如TN12(BM8),点之记不重作,不重合时作点之记(同导线点)。
3、观测采用S3级以上的水准仪、尺台,中线法测高,视距用上下丝读数,观测顺序为后—前—前—后。
观测视线长度一般不应大于150m,当跨越河谷时可增至200m,前后视距差不大于5m,黑红面读数差不大于3mm,黑红面所测高差的差不大于5mm。
水准点闭合差及检测限差为±20L1/2(mm)(L为水准路线长度,以km计)或±6n1/2(n为测站数)。
4、当使用光电测距仪进行水准测量时,其闭合差同上要求。
5、提交的水准点高程,应是统一平差后的成果。
三、地形测量
1、图幅带状地形图,测图比例尺均为1:2000,等高距为1m。
2、精度要求
(1)地物点对最近控制点的平面中误差不大于图上0.4mm;
(2)高程注记点中误差不大于±0.4mm,等高线中误差不大于0.5m。
地物点高差为0.8m,路中线两侧各75m范围内的重要的地物误差不超过0.6m。
4、图根点控制测量
(1)图根点数量应满足测图的需要,并满足《工程测量规范》(GB50026—93)的要求。
(2)图根点可不埋石,打牢固的木桩;
(3)图根点的技术要求见表一。
5、地形图测绘方法及要求
路线地形图的测绘宽度为路中心线两侧各200m,工点地形图的测绘范围根据用图范围确定。
地形图中的高程注记点应选择在铁路、公路、沟渠等目标明显且具有代表性的地点求注。
村庄应调查名称,距路中心线两侧50m范围内的房屋建筑物等应尽量逐个测绘,其余地带可综合表示。
电杆位置要实测,并区分电力线和电讯线。
有地下管道和地下电缆和其它隐蔽点建筑物应尽量调查绘出走向范围和位置。
铁路、公路、简易公路、大车道和乡村道路均应调绘。
遇有水域应测出水面高程及水底高程。
6、原有道路中心线测量要求
沿原有道路路中心线每50m处(曲线处20m)和沿线每座桥梁的一端中心线测出其坐标值。
上述点位的布点要求和测量精度与图根点要求相同。
成图时应将上述点按编号标识出来。
7、地形图成图规定
①、绘图的要求按《工程测量规范》(GB50026—93)第六章有关规定执行。
②、地形图计算机底图DWG文件中等高线和独立高程点均要求带高程值,即按三维坐标输入到计算机中,并按类型进行分层处理。
③、关于点之记处理:数字化。
四、公路放线的要求
(一)中桩放样
1.中线上必须订设路线起终点桩、公里桩、百米桩、平曲线要素桩、桥梁轴线控制桩、断链桩、地形桩、地物桩等。
桩号至厘米。
2.在路线纵断面地形变化点、土质和不良地质变化点、与公路、铁路、大车道、管线、河流、水渠、鱼塘等交叉处、拆迁建筑物及人工构造物处均应设置加桩。
其桩位尽量利用田埂地边,不易丢失的地方。
以上加桩应至少加设中心桩和两侧边桩,如穿越长的鱼塘,要在其内按20m间距加桩。
3.路线起终点桩、公里桩、平曲线要素桩、大中桥桥位桩、与铁路、公路交叉点桩均应使用仪器准确定向、测距来走出点位,所埋设的砼桩志或大、小方桩顶面最好与地面平齐。
其余位置中桩应打木桩或竹桩,并在上面拴红色塑料条。
4.中桩间距,直线段一般不大于50米,在平曲线上当曲线半径大于或等于5500米时,桩距一般不大于50米,当曲线半径小于5500米时,一般为20米,中桩桩位允许限差纵横均为10厘米。
5.平曲线测设采用极坐标法。
平曲线纵向闭合限差为±1/2000;横向闭合限差为±0.1米。
6.断链应设在直线的百米桩上,若有困难,应设在以10米为单位的加桩上,不应设在桥梁、立交、车站等构造物范围内。
(二)高程测量
1.放线的高程应引用地形图测量时沿线设置的水准点高程,需补设、增设或迁移水准点时,均应从邻近的准点引出,并与另一个利用的水准点闭合,其各项要求和精度与控制测量的规定相同。
2.水准点设置间距除利用控制测量时符合要求的外,还应符合下列要求:
(l)如确认水准点高程有误时(经过不少于三次往返预测证实)应予更正。
(2)水准点距定测中线的距离小于50米或大于200米时,应予
迁移到离路线50~200米间。
3.定测的高程测量,一般采用单置镜一次抄平的方法,中桩高程取位到厘米。
4.高程测量测出所放中桩的高程时应在后面的备注中说明特殊位置的情况,如鱼塘、果园等。
凡地形高差较大处,应设法转镜观测,不得采用手水平测比高。
(三)横断面测量
1.横断面测量应该与中桩测量的位置相对应。
2.横断面测量一般采用水准仪或全站仪测高差(高程),皮尺量距法或全站仪测距法进行测量,在横坡陡峻处可用手水准仪测高度,皮尺量距法,但不得采用抬杆法测量。
3.横断面图应反应出地形、地物、地质的特征。
4.路线横断面的方向必须与中线垂直,其测绘宽度一般根据定线的路基和取土、弃土、排水设计的要求及从地形图上大致量得的地面横坡等进行估算确定(一般为每侧50米,具体的道路电话联系询问项目负责人)。
5.横断面测量的误差应不超过下列规定:
高程:±(H/100+L/200+0.1)(米)
明显物点的水平距离:L/100+0.l(米)
H—测点与中桩的高差(米);L—测点距中桩的水平距离(米)。