控制测量规范及要求
- 格式:pdf
- 大小:1.57 MB
- 文档页数:6
建筑工程施工测量规范篇一:施工控制测量规范2 施工控制测量(Ⅰ)场区平面控制:第7.2.1条场区的平面控制网,可根据场区地形条件和建筑物、构筑物的布置情况,布设成建筑方格网、导线网、三角网或三边网。
第7.2.2条场区的平面控制网,应根据等级控制点进行定位、定向和起算。
第7.2.3条场区平面控制网的等级和精度,应符合下列规定:一、建筑场地大于1K㎡或重要工业区,宜建立相当于一级导线精度的平面控制网;二、建筑场地小于1K㎡或一般性建筑区,可根据需要建立相当于二、三级导线精度的平面控制网;三、当原有控制网作为场区控制网时,应进行复测检查。
第7.2.4条建筑方格网的主要技术要求,应符合表7.2.4的规定。
建筑方格网的主要技术要求表7.2.4第7.2.5条建筑方格网的首级控制,可采用轴线法或布网法,其施测的主要技术要求,应符合下列规定:一、轴线法。
1 轴线宜位于场地的中央,与主要建筑物平行;长轴线上的定位点,不得少于3个;轴线点的点位中误差,不应大于5cm;2放样后的主轴线点位,应进行角度观测,检查直线度;测定交角的测角中误差,不应超过2.5″;直线度的限差,应在180°±5″以内;34轴交点,应在长轴线上丈量全长后确定;短轴线,应根据长轴线定向后测定,其测量精度应与长轴线相同,交角的限差应在90°±5″以内。
二、布网法,宜增测对角线的三边网,其测量精度,不应低于本规范第2.1.8条中四等三边网的规定。
第7.2.6条标桩的埋设深度,应根据地冻线和场地平整的设计标高确定。
第7.2.7条建筑方格网的测量,应符合下列规定:一、角度观测可采用方向观测法,其主要技术要求,应符合表7.2.7的规定;角度观测的主要技术要求表7.2.7-1二、当采用电磁波测距仪测定边长时,应对仪器进行检测,采用仪器的等级及总测回数,应符合表7.2.7-2的规定;采用仪器的等级及总测回数表7.2.7-2三、方格网点平差后,应确定归化数据,并在实地标板上修正至设计位置;四、建筑方格网竣工后,应经过实地复测检查,方能提供给委托单位。
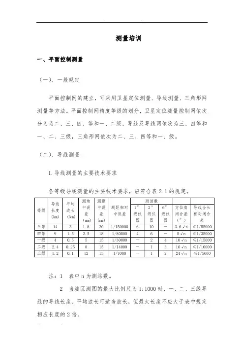
测量培训一、平面控制测量(一)、一般规定平面控制网的建立,可采用卫星定位测量、导线测量、三角形网测量等方法。
平面控制网精度等级的划分,卫星定位测量控制网依次分为为二、三、四、等和一、二级,导线及导线网依次为三、四等和一、二、三级,三角形网依次为二、三、四等和一、级。
(二)、导线测量1.导线测量的主要技术要求各等级导线测量的主要技术要求,应符合表2.1的规定。
注:1 表中n为测站数。
2 当测区测图的最大比例尺为1:1000时,一、二、三级导线的导线长度、平均边长可适当放长,但最大长度不应大于表中规定相应长度的2倍。
当导线平均边长较短时,应控制导线边数不超过表2.1相应等级导线长度和平均边长算得的边数;当导线长度小于表2.1规定长度的1/3时,导线全长的绝对闭合差不应大于13cm。
导线网中,结点与结点、结点与高级点之间的导线段长度不应大于表2.1中相应等级规定的0.7倍。
2.导线网的设计、选点与埋石导线控制网的布设应符合下列规定:(1)导线网用作测区的首要控制时,应布设成环形网,且宜联测两个已知方向。
(2)加密网可采用单一附合导线或结点导线网形式。
(3)结点间或结点与已知点间的导线段宜布设成直伸形状,相邻边长不宜相差过大,网不同环节上的点也不宜相距过近。
导线点位的选定,应符合下列规定:(1)点位应选在土质坚实、稳固可靠、便于保存的地方,视野应相对开阔,便于加密、扩展和寻找。
(2)相邻点之间应通视良好,其视线距障碍物的距离,三、四等不宜小于1.5m;四等以下宜保证便于观测,以不受旁折光的影响为原则。
(3)当采用电磁波测距时,相邻点之间视线应避开烟囱、散热塔、散热池等发热体及强电磁场。
(4)相邻两点之间的视线倾角不宜过大。
(5)充分利用旧有控制点。
二、高程控制测量(一)、一般规定1.高程控制测量精度等级的划分,依次为二、三、四、五等。
各等级高程控制宜采用水准测量,四等及以下等级可采用电磁波测距三角高程测量,五等也可采用GPS拟合高程测量。
工程测量控制制度工程测量控制制度的核心在于规范操作流程,确保数据的准确性和可靠性。
为此,制度范本中应包含对测量人员资质的要求,明确只有经过专业培训并取得相应资格证书的人员才能从事相关工作。
同时,对于使用的仪器设备,也应当规定必须经过定期检定或校准,以保证测量结果的精准度。
制度范本需要明确测量工作的具体流程。
从工程开工前的原始地形测绘,到施工过程中的布置控制网、施工放样,再到竣工验收时的最终成果测量,每一步骤都应有详细的操作规程和质量标准。
例如,在施工放样阶段,制度应规定如何根据设计图纸和控制点进行准确放样,以及如何记录和复核放样数据。
为了保障测量数据的真实性和完整性,制度范本还应包括对测量数据的管理要求。
这包括数据的采集、存储、处理和报告输出等各个环节。
所有测量数据应当实时记录,并有专人负责管理,防止数据丢失或被篡改。
同时,对于重要的测量成果,应当进行多重备份,确保数据安全。
为了提高测量工作的透明度和可追溯性,制度范本还应规定定期的测量成果审查机制。
这不仅包括内部审查,也包括由第三方专业机构进行的独立审查。
通过这种方式,可以有效发现并纠正测量过程中可能出现的误差,保证工程质量。
为了应对可能出现的测量争议,制度范本应当设立明确的争议解决机制。
一旦出现测量数据不一致或其他相关问题,应当按照既定程序进行调查和处理,确保工程测量工作的公正性和客观性。
一个优秀的工程测量控制制度范本,应当涵盖人员资质、仪器设备、工作流程、数据管理、成果审查和争议解决等多个方面。
通过这样的制度,可以确保工程测量工作的准确性和有效性,为工程建设的顺利进行提供坚实的基础。
国家三、四等水准测量规范
1、简介
国家三、四等水准测量规范的主要内容是针对汇总、国家三、四等水准测量控制测量标准以及其他相关事项的规定。
本规范适用于新绘制或改绘自然科学类及利用水准测量技术支持的工程项目的测量。
2、术语
(1) 水准测量: 指在平地或高程较低的陡坡上对水准线以及高程点进行测量、校准和绘制。
(2) 机械控制水准测量: 指利用水准仪或经纬仪进行水准测量,包括基础控制测量、联网控制测量、控制测量和大地平差。
(3) 国家三等水准测量: 国家三等水准测量是国家规定的一种普通水准测量,它的目的是为了满足一般水下测量的要求,它的准确度要求较低。
3、权限
任何取得国家三、四等水准测量许可的机构或者从业人员,都可以从事国家三、四等水准测量活动。
4、设备
国家三等水准测量可以使用机械控制水准仪,它的准确度达到1:5000。
国家四等水准测量则可以使用激光投影水准仪,其准确度可达到1:10 000。
5、测量程序
(1) 测量预备工作: 首先要完成作业方案的编制以及相关设备的准备及检查工作,以及对特殊情况的考虑,以确保测量质量。
(2) 测量实施: 按照作业方案要求检查设备,校核照明条件和测量精度,依次进行机械控制、联网控制、控制测量和大地平差等流程,完成测量任务。
(3)后续处理:将测量结果进行核对,绘制及提交水准测量报告。
6、误差控制
测量过程中的各项精度和误差均按照规定的水准精度进行检查和确认,异常应及时报告以便采取处理措施,以保证作业质量。
测量常用规范测量是现代工程建设中必不可少的一项工作,它的准确性直接影响到工程质量和安全。
为了保证测量的准确性和一致性,在实际工作中经常遵守一些常用的规范和标准。
本文将介绍一些常见的测量规范,以帮助读者更好地理解和应用于实际工作中。
一、基本概念和术语在介绍测量常用规范之前,首先需要了解一些基本概念和术语。
测量中常用的术语包括:测量对象、测量目的、测量方法、测量仪器等。
测量对象指需要进行测量的具体事物或物体,测量目的是指测量的目标或用途,测量方法是指进行测量的具体方法和步骤,测量仪器是指用于进行测量的工具或设备。
二、测量前的准备工作在进行测量之前,需要进行一些准备工作,以确保测量的准确性和可靠性。
这些准备工作包括:确定测量目的和要求、选择适当的测量方法和仪器、制定测量方案、组织测量人员、检查和校准测量仪器等。
在确定测量目的和要求时,需要明确测量的具体目标和需要满足的要求,例如测量地形高程、建筑物尺寸等。
选择适当的测量方法和仪器是保证测量准确性的关键,需要根据测量对象的特点和要求来选择最适合的方法和仪器。
制定测量方案是为了确保测量工作有条不紊地进行,需要详细规定测量的步骤和要求。
组织测量人员是为了确保测量工作的正常进行,需要合理安排测量人员的职责和任务。
检查和校准测量仪器是为了保证测量仪器的准确性和可靠性,需要定期对测量仪器进行检查和校准。
三、测量过程中的规范要求在进行测量的过程中,需要遵守一些测量规范和要求,以确保测量的准确性和一致性。
这些规范包括:测量操作规程、仪器使用规范、数据处理要求、检查和验收规定等。
测量操作规程是指进行测量时需要遵循的具体步骤和要求,例如:测量仪器的摆放和调整、测量人员的操作规范等。
仪器使用规范是确保测量仪器正常运行和准确测量的关键,需要严格按照仪器的使用说明进行操作和维护。
数据处理要求是指对测量数据的整理、分析和处理的具体要求,例如:数据的标定和校正、数据的平滑处理等。
检查和验收规定是为了确保测量结果的准确性和一致性,需要进行测量结果的检查和验收,例如:对测量数据进行质量控制和错误剔除等。
测量工程师规范要求中的项目管理与时间控制测量工程是现代工程建设中不可缺少的一环,它涉及到土地测量、建筑测量、工程测量等多个领域。
在测量工程的实施过程中,项目管理和时间控制是至关重要的因素。
本文将会从这两个方面展开论述。
一、项目管理项目管理是指对一个工程项目的规划、组织、指导、协调和控制,以实现项目的目标。
测量工程作为一项复杂的工程任务,也需要进行项目管理。
下面是测量工程师在规范要求中应该注意的几个项目管理方面:1.项目目标设定在进行测量工程之前,首先要明确项目的目标和要求,比如土地测量的目的是为了确立土地的边界和权益,建筑测量的目的是为了确定建筑物的位置和形状等。
只有明确了项目的目标,才能制定出合理的测量方案。
2.资源分配和调度测量工程中需要涉及到人力、物力、财力等资源的分配和调度。
测量工程师需要根据项目的规模和要求,合理分配相应的人力和物力资源,并进行适时的调度,保证项目能够按时按量完成。
3.风险管理在进行测量工程时,由于地理环境、天气等因素的影响,可能会出现一些风险,如测量仪器的损坏、数据的错误等。
测量工程师需要在项目管理中加强对这些风险的预防和防控,减少不必要的误差和损失。
4.进度管理测量工程的进度控制是非常重要的。
测量工程师需要根据项目的要求,合理安排工作进度,制定详细的任务计划,确保项目能够在规定的时间内完成。
二、时间控制时间控制是指在测量工程中,合理安排和控制各项任务的时间,以保证整个项目按时完成。
以下是一些测量工程师在时间控制方面应该注意的要点:1.时间计划在开始测量工程之前,测量工程师需要制定详细的时间计划。
时间计划应该包括各项工作的开始时间、结束时间以及工作流程,以便全面把握项目进度。
2.任务分解测量工程中的任务是相互关联的,因此需要进行任务的分解。
测量工程师应该将整个测量工程划分为多个子任务,并分别制定相应的时间表,合理安排每个子任务的完成时间。
3.时间监控在测量工程的实施过程中,测量工程师需要时刻关注项目的进展情况,及时发现并解决可能存在的时间问题。
工程测量规范2016工程测量规范1. 概述1.1 目的本规范旨在规范工程测量的操作程序、技术要求和质量控制,确保工程测量的准确性和可靠性。
1.2 适用范围本规范适用于各类土木工程、建筑工程和工业工程的测量工作。
2. 测量设备与工具2.1 测量设备2.1.1 测量仪器和设备应具备合格证明,并定期进行检定和校准。
2.1.2 测量仪器和设备应放置在干燥、稳定的环境中,并保证其正常工作和使用寿命。
2.2 测量工具2.2.1 测量工具的种类和数量应满足测量需要,并保证其准确性和可靠性。
2.2.2 测量工具应在使用前检查,发现异常及时修理或更换。
3. 测量点的确定3.1 测量控制点3.1.1 测量控制点应根据工程的特点和测量需要进行合理布设,数量应满足测量精度的要求。
3.1.2 测量控制点的标志和编号应清晰可见,并记录在测量控制点表中。
3.2 测量点的确定3.2.1 测量点根据工程的布置和特点进行确定,数量应满足工程设计和施工的需要。
3.2.2 测量点的标志和编号应明确,便于识别和记录。
4. 测量方法与操作4.1 测量方法4.1.1 测量方法应根据工程类型和测量需求进行选择,确保测量数据的准确性和可靠性。
4.2 测量操作4.2.1 测量前,测量人员应仔细研究工程设计图纸和相关技术要求,明确测量任务和要求。
4.2.2 测量人员应按照测量方法的要求进行操作,确保所测量的数据准确、可靠、合理。
4.2.3 测量记录应详细、准确、规范,包括测量时间、地点、方法、操作人员等。
4.2.4 测量后,测量人员应对测量仪器和设备进行清洁和保养,保证其正常工作。
5. 质量控制5.1 稳定性控制5.1.1 测量设备和仪器应定期进行标定和校准,确保其测量准确性和稳定性。
5.1.2 测量现场应保持干燥、稳定的环境,避免影响测量结果的因素。
5.2 重复性控制5.2.1 测量人员应按照规范要求进行操作,确保测量结果能够重复和稳定。
5.2.2 测量数据应经过复核和比对,确保数据的准确性和可靠性。
《控制测量》课程标准一、课程说明注:1.课程类型(单一选项):A类(纯理论课)/B类(理论+实践)/C类(纯实践课)2.课程性质(单一选项):必修课/专业选修课/公共选修课3.课程类别(单一选项):公共基础课/专业基础课/专业核心课4.合作者:须是行业企业人员,如果没有,则填无二、课程定位该课程是工程测量技术专业核心课程和专业必修课,同时也是工程测量技术专业其他课程相互联系的纽带。
它是测绘工作者必须要掌握的一门实用技术,是进行所有测绘工作的基础和依据。
通过理论和实践的教学,学生可以掌握在一定区域范围内,按测量任务所要求的精度,建立控制网,测定一系列地面控制点的位臵,并监测这些控制点随时间的变化量的能力。
它以《测量学》和《测量平差》课程的学习为基础,也是进一步学习《工程测量》、《数字化测图》、《地籍测量》等课程的基础。
该课程对工程测量技术专业人才培养目标的实现至关重要。
三、设计思路本课程是工程测量技术专业的一门专业课。
根据测量的原则“先控制、后碎部……”,无论是测绘工作,还是测设工作,都要先进行控制测量。
该课程打破以知识传授为主要特征的传统学科课程模式,转变为以工作任务为中心组织课程内容,将知识的提高与能力和素质的发展相联系,将知识转化为控制测量岗位能力和素质;学生在完成具体控制测量项目的过程中学会完成相应的控制测量工作任务,并构建相关理论知识,发展职业能力和素质。
课程内容突出对学生职业能力的训练,理论知识的选取在引进新技术的同时,兼顾传统布网技术,紧紧围绕工作任务完成的需要来进行,同时又充分考虑了高等职业教育对理论知识学习的需要,并融合了测绘行业职业资格证书对知识、技能和态度的要求。
项目设计以不同控制测量方法的具体工作过程为线索来进行。
教学过程中,坚持以实际项目为导向,单项目教学采用模拟社会生产的基于工作过程的教学模式,并在整个教学过程中贯穿于实例,实现“教—学—做”一体化;同时加强与校外生产单位的紧密合作,实现产、学一体化的内源型人才培养途径,采取工学结合形式,充分开发学习资源,给学生提供丰富的实践机会。
GPS RTK图根控制测量规范本标准是根据我国现阶段全球定位系统实时动态(RTK)测量的技术水平制定的。
本标准内容涉及目前应用广泛的单参考站RTK测量技术和基于CORS系统的网络RTK测量技术。
本标准是在GB/T 18314《全球定位系统(GPS)测量规范》、CJJ 73《全球定位系统城市测量技术规程》、GB50026《工程测量规范》的基础上,结合生产实际的情况制定的。
全球定位系统实时动态(RTK)定位测量除应符合本标准的要求外,还应符合国家现行的有关强制性标准、规范的规定。
全球定位系统实时动态(RTK)测量技术规范1 范围本标准规定利用全球定位系统实时动态测量(RTK)技术,实施平面一级、二级、三级控制测量和五等高程控制测量、地形测量的技术要求、方法。
其他相应精度的定位测量可参照本标准执行。
2 引用标准下列文件中的条款通过本标准的引用而成为本标准的条款。
凡是注日期的引用文件,其随后所有的修改单(不包括勘误的内容)或修订版均不适用于本标准,然而,鼓励根据本标准达成协议的各方研究是否可使用这些文件的最新版本。
凡是不注日期的引用文件,其最新版本适用于本标准。
GB/T 18314全球定位系统(GPS)测量规范CJJ 73 全球定位系统城市测量技术规程CH/T 2008-2005 全球导航卫星系统连续运行参考站网建设规范CH 8016 全球定位系统(GPS)测量型接收机检定规程GB 50026 工程测量规范GB/T 14912 1∶500 1∶1000 1∶2000外业数字测图技术规程3 术语实时动态测量(RTK) Real Time KinematicRTK测量技术是全球卫星导航定位技术与数据通信技术相结合的载波相位实时动态差分定位技术,它能够实时地提供测站点在指定坐标系中的三维定位结果。
在RTK测量模式下,参考站通过数据链将其观测值和测站坐标信息一起传送给流动站,流动站不仅采集卫星观测数据,还通过数据链接收来自参考站的数据,并在系统内组成差分观测值进行实时处理。
一、基本原则:1、同一标段内根据各楼栋进度,在实测前随机确定已拆完模板的2个楼层作为混凝土结构工程的实测层。
2、根据选取楼层结构平面图,实测实量选点考虑每层结构4个角和中间砼剪力墙、柱。
3、当实测砼结构的截面尺寸、表面平整度、垂直度时,每个实测层要选取10个实测区,2个实测层累计20个实测区。
4、当实测同一楼层内顶板水平极差时,每个实测层选取5个实测区,2个实测层累计10个实测区。
每个实测区实测5个点,每个点均作为1个计算点。
二、截面尺寸偏差(砼结构):1、指标说明:反映层高范围内剪力墙、砼柱施工尺寸与设计图尺寸的偏差。
2、合格标准:截面尺寸偏差允许值(GB50204-2015混凝土结构工程施工质量验收规范,第8.3.2条)。
3、测量工具:5m钢卷尺。
4、测量方法和数据记录:⑴、以钢卷尺测量同一面墙/柱截面尺寸,精确至毫米。
⑵、同一墙/柱面作为1个实测区,累计实测实量20个实测区。
⑶、每个实测区从地面向上300mm 和1500mm各测量截面尺寸1次,选取其中与设计尺寸偏差最大的数,作为判断该实测指标合格率的1个计算点。
5、示例:三、表面平整度(混凝土结构):1、指标说明:反映层高范围内剪力墙、砼柱表面平整程度。
2、合格标准:(0,8)mm(GB50204-2015混凝土结构工程施工质量验收规范第8.3.2条)。
3、测量工具:2米靠尺、楔形塞尺。
4、测量方法和数据记录:⑴、剪力墙/暗柱:选取长边墙,任选长边墙两面中的一面作为1个实测区。
累计实测实量20个实测区。
⑵、当所选墙长度小于3米时,同一面墙4个角(顶部及根部)中取左上及右下2个角。
按45度角斜放靠尺,累计测2次表面平整度。
跨洞口部位必测。
这2个实测值分别作为该指标合格率的2个计算点。
⑶、当所选墙长度大于3米时,除按45度角斜放靠尺测量两次表面平整度外,还需在墙长度中间水平放靠尺测量1次表面平整度。
跨洞口部位必测。
这3个实测值分别作为判断该指标合格率的3个计算点。
gps测量规范
GPS测量规范是指在使用GPS进行测量时应该遵循的准则和要求,以保证测量结果的准确性和可靠性。
下面是一些常见的GPS测量规范:
1. 接收机选择:选择具有高精度和高灵敏度的GPS接收机,以确保测量数据的质量。
2. 控制点的选择:选择具有已知坐标的控制点作为基准点,用于校正GPS测量结果。
3. 测量观测时间:针对每个控制点进行持续观测,通常需
要在10分钟至1小时的时间内记录数十个或数百个GPS
观测值。
4. 观测时间帧数:为了提高测量精度,通常需要至少两个
观测时间帧,帧之间的时间间隔应适当。
5. 天线高度测量:测量天线高度时,应使用专业的测高仪,并采用多次测量取平均值,以减小误差。
6. 数据处理:将收集到的GPS观测数据导入专业的数据处理软件进行数据处理和分析,包括数据编辑、数据过滤、
数据平差等。
7. 参考站:在GPS测量中使用参考站可以提高数据质量和精度,参考站的选择应考虑地理位置、环境条件等因素。
8. 精度评定:根据测量任务的需要,使用适当的准确性评
定方法,对测量结果进行统计分析和评估。
9. 数据质量评估:对测量后的数据进行质量评估,包括GPS观测数据的信号强度、信号多样性、卫星几何结构等方面的评估。
10. 测量报告:根据测量任务的要求,编制详细的GPS测量报告,包括测量参数、测量结果、误差分析和处理等。
以上是一些常见的GPS测量规范,具体的规范要求还可以根据实际情况和测量任务来确定。
水利工程测量要求规范水利工程测量是水利工程建设的重要环节之一,对于确保工程质量和安全具有重要意义。
为了统一测量工作,确保测量结果的准确性和可靠性,制定水利工程测量要求的规范是必要的。
本文将从测量任务、测量方法、数据处理、测量设备等方面进行介绍。
一、测量任务1.基本任务:包括地形测量、水文测量、控制测量等。
地形测量要求对水利工程区域的地形进行详细测量,包括高程、坐标、边界、道路等要素的测量。
水文测量要求对工程所需水文数据进行监测和测量,包括水位、流量、蒸发量等。
控制测量要求在施工过程中对工程的位置、形状、高程等进行测量和监测,以确保工程的准确建设。
2.附加任务:包括地质测量、沉降观测、工程变形观测等。
地质测量要求对工程所在地区的地质情况进行详细测量,包括地层、断层、岩性等。
沉降观测要求对工程的沉降情况进行监测,以评估工程的稳定性和安全性。
工程变形观测要求对工程的变形情况进行监测,以评估工程的稳定性和安全性。
二、测量方法1.常规测量方法:包括全站仪测量、电子经纬仪测量、水准仪测量等。
全站仪测量要求利用全站仪进行测量,具有快速、高精度、多功能等特点。
电子经纬仪测量要求利用电子经纬仪进行测量,适用于大范围区域的测量。
水准仪测量要求利用水准仪进行测量,适用于高程测量和控制测量。
2.特殊测量方法:包括遥感测量、激光测量、无人机测量等。
遥感测量要求利用遥感技术进行测量,具有高效、全面、远距离等特点。
激光测量要求利用激光技术进行测量,具有高精度、非接触等特点。
无人机测量要求利用无人机进行测量,具有高效、灵活、多角度等特点。
三、数据处理1.数据采集:要求采集的数据包括测量原始数据、测量设备参数、测量环境数据等。
3.数据管理:要求对处理后的数据进行管理,包括数据备份、数据存档、数据查询等。
四、测量设备1.设备要求:要求使用符合国家标准的测量设备,保证设备的准确性和稳定性。
2.设备维护:要求对测量设备进行定期维护和校准,确保设备的正常运行。
GPS RTK图根控制测量规范本标准是根据我国现阶段全球定位系统实时动态(RTK)测量的技术水平制定的。
本标准内容涉及目前应用广泛的单参考站RTK测量技术和基于CORS系统的网络RTK测量技术。
本标准是在GB/T 18314《全球定位系统(GPS)测量规范》、CJJ 73《全球定位系统城市测量技术规程》、GB50026《工程测量规范》的基础上,结合生产实际的情况制定的。
全球定位系统实时动态(RTK)定位测量除应符合本标准的要求外,还应符合国家现行的有关强制性标准、规范的规定。
全球定位系统实时动态(RTK)测量技术规范1 范围本标准规定利用全球定位系统实时动态测量(RTK)技术,实施平面一级、二级、三级控制测量和五等高程控制测量、地形测量的技术要求、方法。
其他相应精度的定位测量可参照本标准执行。
2 引用标准下列文件中的条款通过本标准的引用而成为本标准的条款。
凡是注日期的引用文件,其随后所有的修改单(不包括勘误的内容)或修订版均不适用于本标准,然而,鼓励根据本标准达成协议的各方研究是否可使用这些文件的最新版本。
凡是不注日期的引用文件,其最新版本适用于本标准。
GB/T 18314全球定位系统(GPS)测量规范CJJ 73 全球定位系统城市测量技术规程CH/T 2008-2005 全球导航卫星系统连续运行参考站网建设规范CH 8016 全球定位系统(GPS)测量型接收机检定规程GB 50026 工程测量规范GB/T 14912 1∶500 1∶1000 1∶2000外业数字测图技术规程3 术语3.1 实时动态测量(RTK) Real Time KinematicRTK测量技术是全球卫星导航定位技术与数据通信技术相结合的载波相位实时动态差分定位技术,它能够实时地提供测站点在指定坐标系中的三维定位结果。
在RTK测量模式下,参考站通过数据链将其观测值和测站坐标信息一起传送给流动站,流动站不仅采集卫星观测数据,还通过数据链接收来自参考站的数据,并在系统内组成差分观测值进行实时处理。
工程测量和控制制度一、总则1. 本制度旨在规范工程测量和控制活动,确保工程建设满足设计要求和相关法规标准。
2. 所有参与工程建设的单位和个人必须遵守本制度,严格按照规定的程序和方法进行测量和控制工作。
3. 本制度适用于所有建设工程,包括但不限于土木工程、建筑工程、市政工程等。
二、组织机构与职责1. 成立专门的测量控制小组,负责全面的测量和控制工作。
2. 测量控制小组由专业的测量工程师和技术员组成,确保工作的专业性和准确性。
3. 测量控制小组的主要职责包括:制定测量计划、执行测量作业、数据处理与分析、成果报告编制等。
三、测量计划与实施1. 根据工程特点和施工进度,制定详细的测量计划,明确测量的时间、内容和责任人。
2. 测量工作应使用经过校准的仪器和设备,保证数据的准确性。
3. 测量实施过程中,应有专人负责记录,确保数据的完整性和可追溯性。
四、质量控制与误差分析1. 对于重要的测量结果,应进行多次复核和比对,以消除偶然误差和系统误差。
2. 对于超出允许范围的误差,应及时进行分析原因,并采取相应的纠正措施。
3. 定期对测量控制过程进行质量评审,不断提升测量控制的精度和效率。
五、数据管理与报告1. 所有测量数据应当妥善保管,防止丢失、损坏或被篡改。
2. 测量数据应按照统一的格式进行记录和存档,便于查询和使用。
3. 测量成果应以书面报告的形式提交,报告中应包含测量方法、结果及其分析评价等内容。
六、安全与环境保护1. 测量工作中应严格遵守安全操作规程,保障人员和设备的安全。
2. 在特殊环境下进行测量时,应采取必要的防护措施,减少对环境的影响。
3. 鼓励采用环保型测量技术和设备,促进绿色建筑的发展。
七、监督与考核1. 建立测量控制工作的监督机制,确保制度的执行效力。
2. 定期对测量控制工作进行考核,评价其效率和质量,及时给予反馈和改进建议。
3. 对于违反测量控制制度的行为,应根据情节轻重,给予相应的处理。
八、附则1. 本制度自发布之日起实施,由工程项目管理部门负责解释。
控制测量 [图片]目的:提供控制基础和起算基准实质:测定具有较高精度的平面坐标和高程的点位控制点国家平面控制测量:一、二、三、四等国家高程控制测量:一、二、三、四等一、闭合导线1、定义:导线从一点开始,经过一系列的导线点,最后又回到原来的起始点,形成一多边形,称闭合导线。
该导线多用于宽阔地区的控制。
2、内业计算:2.1 闭合差计算和角度调整内角总和的理论值:∑β理=(n-2)×180°角度闭合差fβ: fβ= ∑β测-∑β理角度调整:角度闭合差按相反符号平均分配到各个角。
2.2 坐标方位角计算α前= α后+180°-β右α前= α后-180°+β左2.3 坐标增量闭合差计算纵横坐标增量代数和,理论上都应该等于零,而在实测边长中都不可避免地存在误差,角度虽然经过调整,但不可能与实际相符,所以其代数和等于某一数值fx和fy,这个数值就是纵横坐标的增量闭合差。
即:fx=∑△x测 fy=∑△y测其导线全长闭合差f为: f=√(fx2+fy2)导线全长相对闭合差K为: K=f/∑d=1/T2.4 坐标增量的调整由于计算坐标增量是采用经过调整后的导线角度,所以坐标增量闭合差可以认为主要是由导线边长的误差所引起。
因此,坐标增量闭合差可取相反的符号,按边长的比例分配到各边的坐标增量中去。
2.5 坐标计算:将起始坐标逐一加上各点坐标增量而得。
二、附合导线1、定义:导线起始于一个高级控制点,最后附合到另一高级控制点,称附合导线。
适用于狭长地区的控制。
2、内业计算:计算步骤和方法与闭合导线基本相同,只是在角度闭合差和坐标增量闭合差的计算上有差异。
2.1 闭合差计算和角度调整终边的坐标方位角:左角α′终=α始+∑测-n×180°右角α′终=α始-∑测+n×180°角度闭合差fβ: fβ=α′终-α终角度调整:角度闭合差按相反符号平均分配到各个角。
工程测量规范新标准最新版工程测量作为工程项目实施过程中的重要环节,确保了工程的精度和质量。
随着科技的发展和工程需求的不断变化,工程测量规范也在不断更新和完善。
以下是最新版的工程测量规范的主要内容:1. 引言工程测量规范的制定旨在为工程测量活动提供统一的技术标准和操作流程,以确保测量结果的准确性和可靠性。
本规范适用于各类工程项目,包括但不限于建筑、交通、水利、能源等领域。
2. 术语和定义本规范中涉及的专业术语和定义,均按照国家或行业标准进行解释和界定,确保术语的统一性和准确性。
3. 测量原则- 准确性:测量结果应尽可能接近真实值。
- 可靠性:测量结果应具有可重复性和一致性。
- 经济性:在满足精度要求的前提下,应考虑测量成本。
4. 测量设备和工具所有测量设备和工具必须符合国家或行业标准,并通过定期校验以保证其性能。
5. 测量方法- 地面测量:包括平面测量和高程测量,应采用先进的测量技术和设备。
- 空间测量:利用卫星定位技术、无人机等进行三维空间数据的采集。
- 特殊环境下的测量:如地下、水下等特殊环境,应采用相应的专用设备和技术。
6. 数据处理和分析测量数据的处理和分析应采用科学的方法和软件,确保数据的准确性和有效性。
7. 质量控制- 测量过程中应实施严格的质量控制措施,包括测量前的设备检查、测量中的误差分析和测量后的数据审核。
- 应建立完善的质量管理体系,确保测量活动的每个环节都符合规范要求。
8. 安全与环境保护在进行工程测量时,应遵守相关的安全规定,确保人员和设备的安全。
同时,应采取措施减少测量活动对环境的影响。
9. 规范的更新与修订本规范将根据技术发展和工程实践的需要进行定期的更新和修订。
10. 结语工程测量规范的制定和实施,对于提高工程质量、保障工程安全、促进工程技术创新具有重要意义。
所有参与工程测量的人员和单位都应严格遵守本规范,以实现工程测量的高标准和高质量。
请注意,以上内容是虚构的,实际的工程测量规范应参照国家或行业发布的正式文件。