彩色电视机电路图分析基础
- 格式:doc
- 大小:993.50 KB
- 文档页数:11
创维LCD彩色电视机电路图集-txt免费下载|在线阅读|全集|电子书关键字:电路,图集,电视机,彩色,更新.基本信息·出版社:人民邮电出版社·页码:112页·出版日期:2007年12月·ISBN:9787115169754·条形码:9787115169754·版本:第1版·装帧:平装·开本:16开PagesPerSheet内容简介本图集选取了创维集团近期开发且销售量较大的LCD(液晶显示)彩色电视机的电路图纸,包含如下十个机芯:8DA8、8K60、8T1G、8TG3、8TM1、8TP9、8TR1、8TT6、8TT9、8TTN。
读者可根据图集中提供的电路框图和电路原理图举一反三,理解上述机芯对应的多种机型的电路。
本图集具有较强的实用性与参考性,符合“快修”的实际需要,适合维修人员上门维修携带,是家电维修人员和相关技术人员必备的参考资料。
推荐本图集选取了创维集团近期开发且销售量较大的LCD(液晶显示)彩色电视机的电路图纸,包含如下十个机芯:8DA8、8K60、8T1G、8TG3、8TM1、8TP9、8TR1、8TT6、8TT9、8TTN。
读者可根据图集中提供的电路框图和电路原理图举一反三,理解上述机芯对应的多种机型的电路。
本图集具有较强的实用性与参考性,符合“快修”的实际需要,适合维修人员上门维修携带,是家电维修人员和相关技术人员必备的参考资料。
目录一、8DA8机芯彩色电视机1.8DA8机芯彩色电视机整机电路框图2.8DA8机芯彩色电视机电路原理图二、8K60机芯彩色电视机1.8K60机芯彩色电视机整机电路框图2.8K60机芯彩色电视机背光板电路原理图……[:转载请注明]上一篇:高速数字电路设计与安装技巧下一篇:现代密码学:理论、方法与研究前。
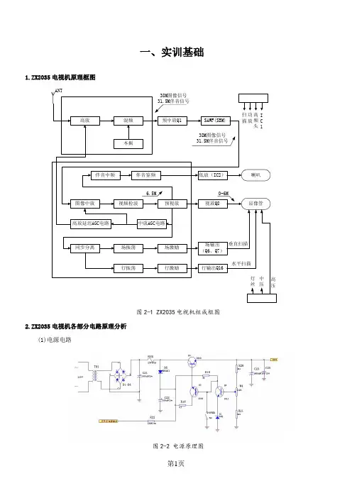
一、实训基础1.ZX2035电视机原理框图图2-1 ZX2035电视机组成框图2.ZX2035电视机各部分电路原理分析(1)电源电路图2-2 电源原理图变压器T01将220V交流电降压为16V左右,经D1—D4(1N5399×4)桥式整流,C21(2200μF/25V)滤波后得到脉动直流电。
Q2(D880)为调整管,Q3(8050)为推动管,Q4(1815)为取样放大管,Z1(6V2)为稳压管,其稳压值作为基准电压源,R20(1K5)、R21(3K9)和微调电阻W4(222,即2.2K)组成取样回路,调整W4的阻值可以改变电源的输出电压,调整范围在9~12V之间可调,本机的额定输出电压为10V。
(2)行扫描电路图2-3 行扫描原理图IC1 5脚输出的复合全电视信号,进入IC1内的同步分离电路进行处理,得到的复合同步信号直接加至行鉴相器电路,与22脚输入的行逆程脉冲信号进行比较,得到的鉴相误差电压从19脚输出,经R39(82K)送入18脚,进入IC1内的振荡电路,16脚外接的C37(0.47μF/50V)、R38(4K7)、微调电阻W3(10K)为定时元件,其中C37为定时电容,W3是行频调整电位器。
由行输出变压器FBT 5脚送出行逆程脉冲通过C46(7P)、R56(56K)加入IC1 22脚,用以控制振荡和相位,使其与发送端保持一致。
行振荡器产生的行频脉冲信号直接加至激励电路中进行放大,从17脚输出行频脉冲信号,加到分离元器件构成的行推动级和行输出级。
Q9(1815)为行激励晶体管,其工作在截止和饱和状态。
由IC1 17脚行激励信号,经R44(680)控制Q9基极b,使其工作在截止和饱和状态,R45(120/0.5W)为Q9的集电极负载电阻,通过C40(10μf/25V)耦合至Q10(D880)基极b。
Q10是行输出管,D8(1N4148)为基极输入回路,其作用是吸收反势电压和抑制高频自激。
长虹FSP205-4E01C FSP205-3E01液晶 电源及保护电路原理与维修 长虹FSP205-3E01或FSP205-4E01C型液晶电源,采用L6599D+NCP1013AP06+UCC28051组合方案电源,其开关电源板由台湾全汉公司生产,该开关电源可与长虹自制开关电源GP09互换,应用于长虹LS12、LS15机芯液晶彩色电视机中。
L6599D+NCP1013AP06+UCC28051组合方案电源,由三部分组成:一是以UCC28051为核心组成的PFC功率因数校正电路,输出+380V电压;二是以NCP1013AP06为核心组成的副电源电路,提供+5V STB待机电压;三是以L6599D为核心组成的主开关电源,为主板负载电路提供+24V、+12V和+5V电压。
待机采用控制PFC功率因数校正电路UCC28051和主开关电源L6599D驱动电路供电的方式,在待机状态下,只有以NCP1013AP06为核心组成的副电源电路工作,提供+5VSB待机电压。
适用机型:长虹LS12机芯为LT32600、LT3219P(L04);LS15机芯为LT3212(L01)、LT26700、LT32700等液晶彩电。
L6599D+NCP1013AP06+UCC28051组合方案电源中,在副电源和主电源均设有完善的保护电路,具有开关管过流保护、输出电压过压保护、负载过流保护功能,保护电路启动时,迫使开关电源停止工作。
本节以长虹LT32600液晶彩电采用的FSP205—4E01E电源为例,介绍其开关电源和保护电路的原理与维修。
一、电源与保护电路工作原理(一)副电源电路 L6599D+NCP1013AP06+UCC28051组合方案电源中的副电源如图4—1所示。
副开关电源主要由集成块U4(NCPl013AP06)、变压器rl3、稳压控制电路U5(AZ431)、光电耦合器PC2等元件组成,为整机控制系统电路提供待机和正常工作所需要的5V电压。
如何看懂彩电电路图电路图是彩电修理过程中的指导性文件。
这一节首先熟识电路图中的常用符号,然后依据前述的彩色电视机的原理框图,了解各个电路模块的功能和基本电路结构,可以在电路图中将各组成电路分割出来。
本节还介绍了两种常见的电路划分方法,并梳理了对需要重点关注的电路的分析思路。
一、熟识电路图中的常见符号彩电常用元器件有:电阻,电容,电感,电位器,热敏电阻,保险丝,变压器,晶体二极管,三极管等,要读懂彩电电路图,首先要熟识这些元器件的电路符号。
详见教材图2-1.二、电路图的一般组成1.了解各基本部分的电路结构彩电基本电路总是由:电源电路,行扫描电路,公共通道电路,亮度通道电路和显像管外围电路,色信号处理电路,伴音电路,遥控电路,这7部分电路组成。
在读图前,先理解各电路的功能,基本形式和基本结构。
对其中的集成电路芯片通过查询其数据文档,理解它的功能、输入、输出引脚的定义,关心更好地分析电路结构。
2.分清各部分电路的直流供电状况彩色电视中的各部分电路电流来源不同,电源是否正常供应往往是推断该部分电路是否能正常工作的第一个工作。
3. 区分熟识电路、生疏电路和特别电路三、各部分电路的划分方法一般状况下,有两种划分方法。
1. 从输入端开头划分:在熟识彩色电视机的基本构成框架和信号通道走向后,可以循着天线输入端口,划分出各部分的基本结构。
在集成电路大量应用的今日,电路的划分就相对更简单了。
2. 以整机电路中某些特征元器件或部件为起点开头查找和划分电路。
例如:行输出电路的基本形式如图1。
图1 行输出电路的基本形式当电视机的行扫描、直流供电消失问题时,在整机电路中需要检查行输出电路。
先找到高压输入端或行偏转线圈,顺着它们的电路连线可以找到行回扫变压器和行输出管,顺着行回扫变压器的初级绕组又可以找到主电源端。
这种方法,可以依据推断的故障电路范围,找到特征元器件,快速定位故障电路。
四、局部电路的分析1.将重点电路从整机电路中分别出来。
TDA16846 TDA8133工作原理分析康佳TDA9383超级芯片彩色电视机采用了并联他激式开关电源,电源电路如下图所示。
电源控制芯片为飞利浦公司新生产的TDA16846 (N901),其内部设置了独立的振荡电路,其振荡频率有固定模式、自由调整模式和同步模式供设计时选用;有过流、过压/欠压等多种保护功能;提供了两路稳压控制输入端子和两路故障检测端子。
TDA16846内部框图如图所示,引脚功能和实测数据如表所示。
脚号功能电压(V)脚号功能电压(V)开机待机开机待机1断路时间控制2.82.68空脚0O2初级电流检测/过流保护1.71.59参考电压输出5.15.13过零检测/误差电压输入1.60.710故障检测器10O4软启动输入5.33.711初级电压检测4.14.25光耦输入2.71.612热地OO6故障检测器20013驱动输出1.80.97固定同步输入5.15.614电源12.O11.2提示与引导和TDA16846功能类似的还有TDA16847,TDA16847是在TDA16846的基础上增加了一个放电时间双稳态触发器。
TDA16846的(8)脚为空脚,而TDA16847的(8)脚为PMO功率测量输出端,外接RC元件。
TDA16847内部电源源给外接电容充电,使电容上锯齿波电压平均值正比于变换器的输出功率。
一、开关电源电路1.启动与振荡接通电源开关S901后,220V的交流电经VC901桥式整流、C909滤波后,得到约300V的直流电压,一路经开关变压器T901的11-8绕组加到场效应开关管V901的D极;另一路经启动电阻R918降压限流后,由TDA16846的(2)脚进入,并通过内部电路对(14)脚的外接电容C913充电,约1~2秒钟后,C913两端电压上升到16V时,TDA16846内部电路启动,从(13)脚输出脉冲信号,经R903、R902驱动开关管V901导通。
于是T901的初级11-8绕组产生一个逐渐增大的电流,同时13-14绕组两端产生的感生电压经VD902整流、C913滤波后加到TDA16846的(14)脚,维持TDA16846的供电,该电压只要不小于8V,开关电源都将稳定可靠地运行。
液晶电视原理框图2010-09-30 17:28:22| 分类:默认分类| 标签:电路原理框图如图液晶电视|字号大中小订阅1.液晶电视原理简介液晶电视是在CRT电视和液晶显示器的基础上发展起来的,因此它的内部电路是cRT彩电和液晶显示器的内部电路的综合体。
其中的前端视频、伴音信号处理电路原理与中小屏幕彩电基本相同,但是对电路元器件质量和体积要求更高,例如许多液晶电视采用的一体化高频调谐器,包含调谐和中放等电路,数百个元器件封闭在一个小体积的金属屏蔽盒内,对元器件的热稳定性要求很高。
为了提高电路的稳定性,方便维修,目前许多液晶电视已采用分立元件电路。
其中的后端数字信号处理、电极驱动、背光灯电压逆变等电路与液晶显示器电路基本相同。
Lc-TV的内部电路框图如图l所示。
图(1)从图1可见液晶电视内部电路包括高频信号接收电路;视频、伴音信号准分离电路;伴音信号解调解码电路;伴音功放电路:视频信号数字变换电路:电极驱动信号放大电路;背光灯自举升压电路,以及常规CRT彩电具备的CPU系统控制;遥控.接收;AV、VGA输入接口等电路。
2.TFT液晶显示原理简介液晶电视与CRT彩电,其最大的不同点在于图像显示原理不同,因此本文主要介绍目前广泛采用的TFT液晶显示屏的原理。
液晶板是由按横竖规则排列的几十万甚至上百万个像素单元构成的,它的基本材料是液晶材料,这种材料在电压的控制下可以改变其透光特性。
当有光源从背面照射时,通过对每个像素单元上电压的控制就形成明暗不同的图像。
如果在像素单元上有规律地将R、G、B滤色片覆盖于上,就可以显现出彩色图像。
为了实现对每个像素单元的控制,需要将像素电极和控制晶体管制作在液晶显示板上,其结构如图2所示,其等效电路如图3所示。
从图3可见每个像素单元是由开关晶体管,充电电容和液晶单元构成,将这些像素液晶单元有规律地排列起来,其开关晶体管受驱动电路信号控制,由开关晶体管的通断来控制液晶像素的光通性。
彩色电视机电路图分析基础--------------------------------------------------------------------------------彩色电视机电路图分析基础1. 彩电电源与波段开关电路说明:电路图如下图所示,Logic IC 301 BU4069内藏有6组反相器(Inverter), 用来当作两组独立的开关选择器,即电源开关(Power on-off)与波段选择器(Band vhf-uhf).首先开机供电IC Pin14电源后, C340电容瞬间储存电位为零, 使IC Pin2/3为高电位, IC Pin4为低电位, Q302无推动电流, 其CE间呈高阻状态, 而Q301亦未导通, 主电源未能供应其它电路. 此时C341电容则经由R320充电至高电位.当压下Power按钮(未释回)时, C341所储存之高电位, 经由R319充电C340电容, 使至高电位. 因而IC Pin2/3转为低电位, IC Pin4则为高电位, 并经由R318推动Q302, 使其CE间呈低阻状态. 而Q301导通, 使其它电路得到供电. 而Power按钮释回后, 因IC Pin2/3为低电位, 使C341所储存之高电位, 经由R320放电完毕.若再次压下Power按钮, 由于C341电容值远大于C340, 故C340所储存之高电位, 被C341与R320放电完毕. 此时IC Pin1 为低电位, IC Pin2/3转为高电位, IC Pin4则为低电位, Q301 与Q302再次关闭. 以上连续触压, 在电路上形成on-off来回改变之动作.另外一组波段开关电路原理相同, 由C342设定使开机供电时, IC Pin9/10为低电位, Pin8为高电位. 此时Q303导通, Q304关闭, VHF Tuner部份得到供电.当压下Band按钮后, IC Pin9/10为高电位, Pin8为低电位. 此时Q303关闭,Q304导通, UHF Tuner 部份得到供电.2. 灯管超高压产生器(D to A) 电路说明:电源先经由R401, R410, R411提供Q406, Q407所需直流偏压. 并经由L401, T401到Q406, Q407集极, 使产生间歇振荡. 再由T401次级圈Pin1/2, 提供正回授信号至Q406, Q407基极, 使振荡得以持续. 而T401次级圈Pin8/10, 则提供超高压经由C407推动灯管电流. C406可修正振荡频率, C404, L401用以防止振荡高频, 经由电源干扰其它电路.Q403, Q401及其周边电路, 提供灯管延迟启动功能, 以防止出现瞬时画面. 供电时C402瞬间短路, 使Q403导通, 再使Q401导通, 切断R401之直流偏压, 使Q406, Q407无法立即起振, 须待C402充电完成, 使Q403, Q401关闭. 而Q406, Q407直流偏压恢复时, 才能起振, 点亮灯管显示画面. R402, D401则在关机瞬间, 使C402迅速放电, 以免再开机时产生异常.3. 亮度控制电路原理分析:Q204, Q205及其周边电路, 经由亮度控制按键Up/Down, 调整Q205输出直流电位, 再经R272, R242至IC202 Pin6, 改变画面亮度. (电位越高则画面越暗)当Down按键压下时, C261经由R266高阻缓缓充电, 使电位升高. 当Up按键压下时, C261经由R268高阻缓缓放电, 使电位下降. Q204 FET(场效应晶体)source极输出电路, 具有超高阻抗输入, 低阻抗输出特性, 可将其gate极C261直流电位, 经由source极输出. Q205 FET 则可视为超高阻抗电阻(如同逆向偏压之二极管), 提供Q204所需之偏压电流. 由于Q204, Q205之超高阻抗特性, 使C261无法经由周边组件放电, 因而电位恒久保持不变.4. 声音电路图分析:声音中频信号由中频处理器IC Pin18输出后, 经C125, CC125, CF103滤除其它图像及同步信号, 再输入IC Pin10经由IC内部声音中频放大器, 使信号放大至饱和后, 由Pin16输出, 再经R126, CF104,C136输入IC Pin15, 由内部FM解调线路回复音频信号, 自IC Pin13输出音频, 经由C139及外部音源输入端子, 至IC501音量控制器电路. 由Pin14输入, 经Pin6 UP 及Pin7 DOWN之按键控制, 调整增减音量后, 再由Pin15输出, 再经C505,R504,R518设定音量位准后, 输入功率放大器IC502 Pin3放大后, 由Pin5输出, 经C506到外部喇叭端子, 并推动喇叭产生声音.相关线路组件之主要功能如下:★C125,CC125,L109高通滤波器可滤除同步信号及低频图像信号.★CF103声音中频通频滤波器, 可滤除彩色及高频图像信号.★R126,CF104用以产生FM检波所需之射频载波信号.★R127,C136前者为CF104输出阻抗匹配, 后者为隔直流电容.★R128,C138 FM解强调电路, 提供约75US高音频抑制比, 以改善噪音系数.★C139,C520音量控制器输入及输出端之隔直流电容.★R501为IC502负回授电阻用以控制IC放大增益.★C503,R503高音频相位转移用, 以防止高频寄生震荡产生.★R517 用以降低耳机之输出功率, 防止耳机过载破音.★C507 位于耳机端防止, 高频寄生震荡产生.★C508 IC104输出隔直流电容, 并决定输出音频之低频响应.★C127,C126 声音中频放大器之偏压及信号旁路.★R130,C137 改变声音中频放大器Pin14直流电位, 控制音频输出大小.★R116,C128,C129声音中频放大器之电源退交连电路.★R502,C502 音频功率放大器之电源退交连电路.★R507,C510 RC常数设定数字脉波之振荡频率,亦可改变数字音量调整之变化速度. ★C511在开始供电时, 将内部音量控制器, 设定在固定位准上(46DB).★R512,C509在关机后, 提供IC501 所需之微量支撑电流.5. 调谐器及中频处理器电路说明:电视射频信号由天线接收后, 经C103,C102到调谐器Pin8输入, 在其内部放大及差频转换后, 由其Pin1输出中频信号. 此4.5-6.5MHz频宽之信号, 再经Q101放大及F101梳型滤波器, 选取中频信号通路后, 输入中频处理器IC101 Pin6/7. 再经其内部放大, 及位于Pin19/20之中频谐振线圈, 选取中频信号予以检波处理, 并由Pin18输出解调后之图像信号及声音中频信号.调谐器Pin2为主电源, Pin3/6分别为VHF及UHF波段之电源控制, 而Pin4则为VHF之High及Low两波段之电源选择控制. Pin5为外部控制电压, 可改变调谐器内部载波谐振频率, 使与外部输入之电视信号差频, 转换为固定频率之中频信号. Pin7为AGC控制电压, 可改变调谐器内部电视信号放大级之增益. (一般随电压高低约为0-30db之变化)天线端之电视射频信号强度, 随地区电台强度距离变化. (由可用之弱信号36db到极强信号86db, 约有50db之变化) 而为避免因信号过强, 或放大过载, 造成图像失真, 需利用AGC电路产生50db之增益控制. 一般为中频放大器先控制前段20db, 然后调谐器控制后前段30db. 亦即天线信号由36增强至56db范围时, IC101内部之图像峰值检波电路启动, 随图像波幅高低, 自行控制降低中频增益, 以避免图像过载失真. 而调谐器由IC101 Pin3输入之AGC电压却不变,以保持最大射频增益. 当天线信号由56增强至86db范围时, 中频增益已无法随信号强度再降低. 此时IC101 Pin3输出之电压, 却可随信号强度逐渐上升, 并输出至调谐器Pin7, 以降低其内部射频放大级之增益.IC101 Pin21之谐振线圈T101, 会经由中频信号之频率偏差, 产生相对之AFT直流电压, 由Pin17输出. 此电压在中频正调点时, 恰为一半电源电压, 若中频频率偏高则电压值下降, 反之为上升, 形成中频S曲线. 扫描选台IC102即利用此项特性, 以搜寻并锁定电台频率之正调点.★C102,C113,C115,C116为隔直流电容.★C105,C106,C107,C108,C109,C110射频旁路电容, 可防止调谐器内部射频辐射外泄.★R173调谐器中频输出之负载匹配阻抗.★R104,R105,R107为Q101中频放大级偏压电阻.★R103,C112为Q101中频放大级电源退交连电路.★L104,R106前者与CF101输入容抗谐振以提高增益, 后者降低L104Q值以防止铃振.★L105,C122为IC101电源退交连电路.★R113, R114设定调谐器AGC电压为1.5V最佳工作点.(AGC未启动时)★C120,C124滤波电容用以除去峰值AGC电压所伴生之图像信号成分.★C119,R109,R108,C117中频放大级峰值AGC电路控制组件.★SVR101,R112设定IC101 Pin4电压, 以决定RF AGC启动时之中频信号强度.★R111可设定IC101 Pin24电压, 改变Pin18图像信号之输出波幅.6. 扫描选台电路说明:IC101Pin18输出之图像信号, 经由C131,R121,R120,C132滤去高频成分后, 由Pin22输入, 再经内部缓冲放大, 由Pin23输出同步信号, 供IC102 Pin7输入, 并与后级回授至Pin6之水平同步脉波比较相位. 若能同相锁定,则Pin4转为高电位输出.(平时Pin4为低电位)IC102供电时, Pin26会重复输出, 随时间锯齿变化之直流电压, 由0.5V上升至4.5V, 然后又逐渐下降回0.5V, 其变化速度由Pin12之R164决定. 此电压经由IC103放大约7倍, 使变化范围增至30V后, 输入调谐器Pin5, 以改变其内部谐振频率, 搜寻电台信号. 当电台信号接近时, 中频输出图像信号, 其成分中之水平同步脉波, 由Pin7输入与显示屏回送至Pin6之同步信号锁定时, 扫描速度自动降低, 以便利用Pin8输入之AFT电压, 与中频偏移产生之S 曲线电压特性, 找寻中频正调点予以锁定, 使选台电压保持恒定, 以收取固定电台之图像Pin9电压受Up及Down按键之控制(平常为一半电源电压) 压下Up按键使Pin26输出电压提升, 压下Down按键使Pin26输出电压下降, 可控制选台高低方向. Pin27由外部电压高低决定, 选择工作于VHF或UHF波段. 在VHF波段时, 因其包含Low及High两波段, 必须能自行切换. 其电压切换点由Pin10决定, 亦即由VHF Low波段开始扫描后, 当Pin26扫描电压高于Pin10时, 波段自动切换至VHF High, 而Pin26扫描电压又由最低点开始上升, 直到扫描电压达到最高点后开始反转, 下降到达前述切换点后, 波段自动切换回VHF Low, 且扫描电压又由最高点继续下降, 如此周而复始.Pin2/3会随扫描电压高低, 输出对应相位之水平脉波, 可用以在画面上分别显示出VHF及UHF电台之刻度位置. 但此脉波在电台锁定, 扫描停止后即自动消失,以免干扰正常画面. 但在电台锁定后, 还可利用Channel按键改变Pin17电位, 使Pin2/3继续输出频道位置显示. Pin28则随此VHF High/Low之波段切换, 输出高低电压控制调谐器,选择VHF之工作波段. Pin23/24/25之直流电位, 可设定扫描电压最高点, 以决定各波段收视范围, 亦可用以调整高端电台之刻度校准. 而Pin19/20/21之直流电位, 可调整扫描电压变化曲线, 亦可用以调整低端电台之刻度校准. Pin18则在扫描过程中保持高电位, 一方使Q103导通, 进而使IC101 Pin14降低电位, 关闭音频电路, 以消除无电台之噪音. 此外亦导通Q102, 降低锁定灵敏度, 以避免因电台旁带附波影响, 减缓扫描速度.★L108,C149,C150为IC102电源退交连电路★C154决定Pin2/3输出脉波之宽度, 亦即画面频道显示柱形之粗细.★C142,C143为Pin4充电电容, 控制锁定完成时间, 即频道显示柱形消失之时间.★R141,C144 水平脉波整形电容, 用以修正Pin6外部输入之相位波形.★D103,D104 降压作用, 使选台低端电压降低(此电压因IC103放大后升高).7. 图像处理电路说明:图像信号由IC101 Pin18输出后, 经由R118,L107,CF102滤除声音中频信号, 再经Q201缓冲放大后, 接到外部输入A V端子,作内外部输入图像之选择. 经选择后之图像信号, 其黑白成分(Y信号), 经由R204,R208,C203进入IC201 Pin24, 在其内部缓冲放大, 并受Pin25及Pin23设定之直流偏压, 分别控制图像之尖锐度(即图像高频增益)与对比度(即图像增益)后, 由Pin22输出. 接着再由Pin21输入, 而此时其直流基准电位, 亦受到Pin20之控制, 以调整图像之底亮度(亦即黑阶之直流电位).而图像信号中之同步信号成份, 则在经Q203缓冲放大后, 再经R206, C207, R207, C208电路滤出低频之同步信号, 进入IC201 Pin15, 除供IC内部信号处理外, 并由Pin16放大输出至液晶显示屏, 以控制其图像扫描相位.图像信号中之彩色信号成分(含彩色图像与彩色同步), 则经Q203缓冲放大后, 经由R205, C204, C205并利用C209, L201谐振, 使彩色信号通频进入IC201 Pin2. 在其内部放大, 并受Pin28设定之直流偏压, 控制彩色图像之强度(即彩色图像增益)后, 由Pin4输出. 再由Pin10/11输入个别之R-Y, B-Y信号处理电路, 在IC内部利用彩色副载波作信号之解调处理. 解调后之R-Y与B-Y信号, 在IC内部与Pin21输入之Y信号, 组合成为R,G,B信号, 分别由Pin17,18,19输出至IC202 RGB信号处理器.彩色副载波系由Pin27所产生之2倍频谐振信号, 经由Pin8外部直流偏压作微量调整后,予以2倍除频处理. 再由Pin5直流电位, 控制副载波相位(即色相控制), 并受Pin8之相锁环电路锁定频率, 使其能完全与电台信号, 保持相同频率与相位.其原理为利用Pin2输入之彩色同步信号, 在IC内部经Pin15之水平同步脉波取出后, 与Pin27产生之谐振载波差频, 滤波转换为直流偏移电压, 即可自动修正谐振载波偏移量, 锁定电台之彩色副载波信号. Pin6为自动彩色增益控制电路以防止因彩色信号调变过强造成饱和溢色现象. Pin9为消色器电路, 在电台未发射彩色信号时, 可自动关闭内部之彩色解调电路, 直接输出黑白图像, 以消除图像上之彩色斑纹噪声. Pin26外部电位高低, 可决定IC之彩色解调系统方式为NTSC或PAL. Pin12则输入由液晶显示屏送回, 已经同步锁定之水平脉波, 供PAL系统间隔扫描之相位控制用.(因PAL系统之B-Y调变信号, 需每间隔一条水平线, 自动反转正负相位, 但在NTSC 系统时可不用)★C201,C203为隔直流电容用以通低频图像信号.★R204,L204,C249为滤波电路用以滤除彩色信号成分.★R206,R209配合IC 输入需求, 设定黑白图像位准.★R255,C222利用其时间常数, 配合外部输入之水平同步信号, 用以取出彩色同步信号.★Q202 在外部输入图像信号工作时, 经由Q201之射极偏压导通, 使IC102 停止扫描.★R170 提供外部输入图像信号之标准负载, 且可降低Q201射极偏压, 防止Q202导通使扫描失效.8. 彩电RGB信号处理器电路说明RGB信号由Pin19/20/21输入, 经内部放大处理, 并受Pin7来自液晶显示屏, 经Q206反相输入之FRP脉波控制, 随每一水平周期, 间隔转换RGB信号正负极性, 再经IC内部开关电路, 与外加RGB信号图像重迭合并后, 由Pin13 /12/11输出, 送至液晶显示屏电路产生图像. 调整Pin2/3外部直流电位, 可分别控制R及B之低亮度增益, 而调整Pin4/5外部直流电位, 则可分别控制R及B之高亮度增益, 两者配合调整, 使图像在高低亮度时, 皆能达到RGB 平衡纯白之需求. Pin15/16/17为高位准之外部RGB信号输入, 可用以在图像上显示文字或标记, 现在则由IC102输入, 显示VHF及UHF电台频道位置之绿色与蓝色柱状标记. Pin6直流电位, 来自Q204/Q205及其相关之亮度控制电路, 以调整图像亮度.★L202, C240,C241为IC202退交连电路★R277,R278,R272用以设定亮度之直流电位可变范围.9. 彩电电源电路说明IC302供电后, 内部电路产生稳压由Pin8输出, 并供电Pin7谐振电路后, 再由Pin4输出固定周期之振荡脉波, 用以推动Q305及T301, 使T301各组次级线圈, 分别产生不同电压. 并经个别整流滤波后, 转换为直流电源, 供应其它电路需要. 而T301之Pin6输出, 为主基准电源, 可设定其分压电路位准, 回授至IC302 Pin1, 经其内部放大后由Pin2输出, 并在内部控制Pin4之输出脉波责任周期(即ON-OFF时间比), 以调整T301输出电压高低. 当SVR302分压调高后, IC302 Pin1升高而Pin2降低, Pin4输出之脉波责任周期值降低(即高电位时间减短, 而低电位时间加长), 再经T301转换至次级. 因脉波相位相反, 使T301 Pin5输出脉波高电位时间变长, 而D305导通时间增加, 输出直流电位随之提高. Pin6为短路保护电路, 当T301 Pin5主电源输出发生异状短路时, IC302 Pin1无回授变为零电位, Pin2则升高至1.5V, 并在IC 内部充电Pin6, 使其电位升高后, 切断Pin4输出, 以保护IC302.★R305, R306, C307 RC时间常数, 决定振荡脉波之周期.★R307, R308, C309 设定Pin6直流电位为0.9V, 并利用C309所需充电时间, 使开机时短路保护电路缓启动, 以防误动作.★T301 Pin6为5V主基准电源, L302,C321,C322为其退交连电路.★T301 Pin3为33V电源, 供选台器IC及调谐器电路使用.★T301 Pin4为18V电源, 供液晶显示屏电路正电源使用.★T301 Pin5为10V电源, 供音量控制器IC及RGB处理器IC后级电路使用.★T301 Pin7为7V负电源, 供液晶显示屏电路负电源使用.--------------------------------------------------------------------------------。