双工器的频率温度系数
- 格式:pdf
- 大小:141.47 KB
- 文档页数:7
SAW和BAW介绍射频干扰一直是无线通信的天敌,它要求设计师采取凌厉手段以束其就范。
随着每台设备内所支持频段的日益增多,当今的无线设备必须要同时防范来自其它设备及自身的干扰信号。
一款高端智能手机必须要对多达15个频段的2G、3G和4G无线接入方式的发送和接收路径进行滤波,同时要滤波的还包括:Wi-Fi、蓝牙和GPS接收器的接收路径。
必须对各接收路径的信号进行隔离。
还必须要对出处杂多、难以尽举的其它外部信号进行抑制。
要做到这点,一款多频段智能手机需要八或九个滤波器和八个双工器。
如果没有声滤波技术,这将难以实现。
SAW:成熟且仍在发展声表面波(SAW)滤波器广泛应用于2G接收机前端以及双工器和接收滤波器。
SAW滤波器集低插入损耗和良好的抑制性能于一身,不仅可实现宽带宽,其体积还比传统的腔体甚至陶瓷滤波器小得多。
因为SAW滤波器制作在晶圆上,所以可以低成本进行批量生产。
SAW技术还支持将用于不同频段的滤波器和双工器整合在单一芯片上,且仅需很少或根本不需额外的工艺步骤。
存在于具有一定对称性晶体内的压电效应是声滤波器的“电动机”及“发电机”。
当对这种晶体施以电压,晶体将发生机械形变,将电能转换为机械能。
当这种晶体被机械压缩或展延时,机械能又转换为电能。
在晶体结构的两面形成电荷,使电流流过端子和/或形成端子间的电压。
电气和机械能量间的这种转换的能量损耗极低,无论电/机还是机/电能量转换,效率都可高达99.99%。
在固态材料中,交替的机械形变会产生3,000至12,000米/秒速度的声波。
在声滤波器内,对声波进行导限以产生极高品质因数(Q值可达数千)的驻波(standing waves)。
这些高Q值的谐振是声滤波器的频率选择性和低损耗特性的基础。
在一款基础SAW滤波器(图1)中,电输入信号通过间插的金属交指型换能器(IDT)转换为声波,这种IDT是在诸如石英、钽酸锂(LiTaO3)或铌酸锂(LiNbO3)等压电基板上形成的。
声学滤波的美好展望-适用于模块集成的新一代超低轮廓SAW,TC SAW和BAW器件摘要:在过去几十年中,很少有技术像移动通信技术这样在世界范围内取得如此大的成功。
移动无线通信仍在快速发展,并继续为日常应用创造新的可能性。
随着对更高能效和更快移动计算能力需求的增长,在用户热切接受流式高清视频和其他创新的驱动下,对高数据速率的传输需求也日益增长。
为了应对带宽需求,已经发布了更多的新频带用于移动通信,或已经摆脱其他应用(如模拟电视),并致力于这个新的目的。
此外,已经采用了更有效的传输标准,例如最先进的长期演进(LTE)和LTE-Advanced。
手机声波过滤带宽的考虑图1给出了LTE中使用的当前频带的图形概述。
水平频率轴限制在3 GHz,因此省略了频带22,31,42和43。
垂直方向,频带被随机分类以避免重叠。
不同区域差异,全球范围内使用40多个频段。
带宽和间距差异很大; 然而,低频带(大约800MHz)和中频带区域(约2,000 MHz)被密集占用。
标记为蓝色的频带用于时分双工(TDD)系统,上行链路[发射机(Tx)]和下行链路[接收机(Rx)]之间的干扰不是问题。
对于频分双工,Tx和Rx具有单独的频带,图1中Tx标记为红色,而Rx为绿色。
Tx和Rx频带之间的相对距离可低至0.78%,如,BAND 25。
此外,相邻频带之间的间隔非常紧。
从系统的角度来看,隔离请求和抑制电平高达60 dB,而插入衰减必须保持低于约2-3 dB,以增加电池寿命并减少内部发热。
为了实现通带中的低衰减与紧密间隔的抑制带中的高衰减之间的过渡,滤波器裙部的陡度必须非常高。
该要求也必须保持在最终客户要求的较宽的环境温度变化范围内(例如-25 / + 85°C),以抵消器件制造中的预期变化。
器件尺寸和成本的考虑随着以全球范围内工作为目标的智能手机的频段的数量不断增加,还有其他重要的条件要考虑,即,尺寸和成本。
虽然在更多频带中的工作是必需的,并且每个频带需要单独的滤波器器件,但是用户不会接受增加手机的尺寸和成本。
介质加载谐振腔滤波器的频率温度系数柳光福刘启明(上海埃德电磁技术有限公司,上海 200237)摘要:本文引用移动通信基站双工器频率温度系数(FTC)的测量方法和得到的实验数据①,来指导设计介质加载谐振腔滤波器(本文以下称为介质谐振腔滤波器),主要包括介质材料的选择和微调机构的设计。
按此方法设计的介质滤波器的频率温度系数能满足下一代移动通信、ITFS、MMDS和其它相对带宽极窄应用场合的要求。
关健词:频率温度系数,介质材料,介质谐振腔,介质谐振腔滤波器,微调机构Frequency Temperature Coefficient of Dielectric Loaded Cavity FilterLiu,Guang-fu and Liu,Qi-ming(AERODEV Electromagnetic Tech Inc., Shanghai 200237, China)Abstract: The measuring method and test results of frequency temperature coefficient (FTC) of diplexers serving in base station of mobile communication systems are cited and adopted in order to study FTC of dielectric loaded cavity filter. If properly selecting dielectric material’s FTC and well designing the trimming outfit, FTC of dielectric loaded cavity filter is able to meet the requirements of the next generation mobile communication systems, IFTS, MMDS and others’ which have the smaller relative narrow passband and strict FTC.Key words: Frequency temperature coefficient (FTC), Dielectric material, Dielectric loaded resonator, Dielectric loaded cavity filter, trimming outfit1 概述移动通信技术受到世界各国的重视,得到迅猛的发展和广泛的应用。
双工器是异频双工电台,中继台的主要配件,其作用是将发射和接收讯号相隔离,保证接收和发射都能同时正常工作。
它是由两组不同频率的带通滤波器组成,避免本机发射信号传输到接收机。
双工器,是一个比较特殊的双向三端滤波器。
双工器既要将微弱的接受信号耦合进来,又要将较大的发射功率馈送到天线上去,且要求两者各自完成其功能而不相互影响。
一般的双工器由螺旋振腔体构成,由于其工作频率高,分布参数影响较大常做成一个密封套体,各信号馈线均用屏蔽效果较好的同轴电缆腔体形材也要求一定的光洁度,为利于散热,外观常为黑色,三个信号端一般采用标准高频接插件Q9或L16型高频插座无线通讯对双工器的要求。
双工器实物图双工器技术指标有:型号频率范围(GHz)插入损耗(dB)隔离度(dB)驻波比功率(W)连接形式温度范围(°C)尺寸长x宽x高(mm)UIYDX102102A1710T1880SF双工器指标参考及机械图:频率指标参考:Model Number Freq.Range(MHz)Insertion LossMax(dB)IsolationMin(dB)VSWRMaxPower(W)ConnectorTypeTemp.(°C)UIYDX102102A1710T1880SF TX 1710~17852.0 60 1.5 100 SMA-F -30 ~ +70 RX 1805~1880UIYDX102102A1710T1880NF TX 1710~17852.0 60 1.5 100 N-F -30 ~ +70 RX 1805~1880尺寸图:优译创立于中国深圳市,主要生产的产品:射频隔离器、环形器、衰减器、负载、合路器、功分器、电桥、射频滤波器、放大器等射频微波器件。
双工器检验规范一、说明1、目的对本公司的双工器部件按规定进行检验和试验,确保产品的最终质量。
2、范围适用于本公司对双工器的入库检验。
3、职责检验员按检验规范对部件进行检验与判定,并对检验结果的正确性负责。
4、检验检验方式:全检和抽验。
5、检验仪器、仪表、量具的要求所有的检验仪器、仪表、量具必须在校正计量期内。
6、检验结果记录在《部件检验记录表》中。
二、检验方法1.外观1)目测模块表面,不能有残缺、划伤、污渍。
2)目测模块接头,不能有松动或损坏。
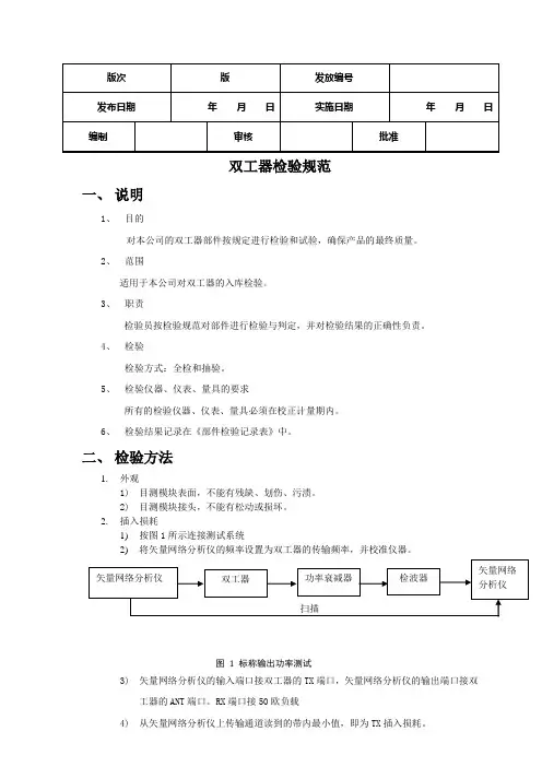
2.插入损耗1)按图1所示连接测试系统2)将矢量网络分析仪的频率设置为双工器的传输频率,并校准仪器。
图1 标称输出功率测试3)矢量网络分析仪的输入端口接双工器的TX端口,矢量网络分析仪的输出端口接双工器的ANT端口。
RX端口接50欧负载4)从矢量网络分析仪上传输通道读到的带内最小值,即为TX插入损耗。
5)用同样的方法测试RX插入损耗。
3.带内波动1)按图1所示连接测试系统。
2)从矢量网络分析仪上传输通道内读出被测模块有效工作频带内最大、最小电平之间的差值,即为带内波动。
4.带外抑制1)按图1所示连接测试系统。
2)从矢量网络分析仪上传输通道内读出相反通道的传输损耗,即为带外抑制。
5.电压驻波比1)网络分析仪测试端口1进行开路、短路、负载校准。
2)测试TX端口驻波比时,ANT和RX端口接50欧标准负载,矢量网络分析仪的输出端口接TX;测试RX端口驻波比时,ANT和TX端口接50欧标准负载,矢量网络分析仪的输出端口接RX。
3)从网络分析仪读取被测模块工作频带内最大的电压驻波比。
6.RX-TX隔离度1)按图1所示连接测试系统。
2)矢量网络分析仪输入输出端口分别接双工器的TX和RX,双工器的ANT接标准50欧负载。
3)矢量网络分析仪上TX和RX频带之间的最大传输损耗值,即为隔离度。
三、性能指标要求。
1功分器1)功分器的作用:是将功率信号平均地分成几份,给不同的覆盖区使用。
2)种类:功分器一般有二功分、三功分和四功分3种。
功分器从结构上分一般分为:微带和腔体2种。
腔体功分器内部是一条直径由粗到细程多个阶梯递减的铜杆构成,从而实现阻抗的变换,二微带的则是几条微带线和几个电阻组成,从而实现阻抗变换.主要指标:包括分配损耗、插入损耗、隔离度、输入输出驻波比、功率容限、频率范围和带内平坦度。
以下对各项指标进行说明:l 分配损耗:指的是信号功率经过理想功率分配后和原输入信号相比所减小的量。
此值是理论值,比如二功分3dB,三功分是4.8dB,四功分是6dB。
(因功分器输出端阻抗不同,应使用端口阻抗匹配的网络分析仪能够测得与理论值接近的分配损耗)耦合器和三功分器图示分配损耗的理论计算方法:如上图所示。
比如有一个30dBm的信号,转换成毫瓦是1000毫瓦,将此信号通过理想3功分器分成3份的话,每份功率=1000÷3=333.33毫瓦,将333.33毫瓦转换成dBm=10lg333.33=25.2dBm, 那么理想分配损耗=输入信号-输出功率=30-25.2=4.8dB,同样可以算出2功分是3dB,4功分是6dBl 插入损耗:指的是信号功率通过实际功分器后输出的功率和原输入信号相比所减小的量再减去分配损耗的实际值,(也有的地方指的是信号功率通过实际功分器后输出的功率和原输入信号相比所减小的量)。
插入损耗的取值范围一般腔体是:0.1dB以下;微带的则根据二、三、四功分器不同而不同约为:0.4~0.2dB、0.5~0.3dB、0.7~0.4dB。
插损的计算方法:通过网络分析仪可以测出输入端A到输出端B、C、D的损耗,假设3功分是5.3dB,那么,插损=实际损耗-理论分配损耗=5.3dB-4.8dB=0.5dB.微带功分器的插损略大于腔体功分器,一般为0.5dB左右,腔体的一般为0.1dB左右。
由于插损不能使用网络分析仪直接测出,所以一般都以整个路径上的损耗来表示(即分配损耗+插损):3.5dB/5.5dB/6.5dB等来表示二/三/四功分器的插损。
滤波器和双工器介绍滤波器是一个有选择地传递“它喜欢什么”和阻止“它不喜欢什么”的组件。
当我们讨论滤波器的特性时,通常用频域来描述。
在大多数情况下,一个滤波器属于下面所示的四种可能的理想类型之一(滤波器可能有一些其他变体,例如,具有多个通频带的滤波器等,但您可以看到的99%以上的滤波器将是以下类型之一)。
低通滤波器(Low Pass)是通过低频信号并阻塞高频信号的滤波器。
频率应该有多低取决于滤波器的规格。
高通滤波器(High Pass)是一种通过高频信号并阻塞低频信号的滤波器。
频率应该有多高取决于滤波器的规格。
带通滤波器(Band Pass)是一种通过一定频率范围的滤波器,它能屏蔽比特定范围低和高的区域。
通过滤波器的频率范围由规范决定。
带阻滤波器(Band Reject)是一种除频率范围很窄外,通过大部分频率的滤波器。
其他类型滤波器的目的是通过具有一定范围的信号,但是带阻滤波器的目的是阻止信号的选定频率。
理想滤波器是如上所示的滤波器。
它通过一个特定的信号范围,并开始阻塞该范围旁边的信号。
但正实际情况是没有一种设备能像理想的概念那样工作。
滤波器也一样。
以带通滤波器为例。
每个人都想要的理想滤波器是左边显示的那个,但是你永远不会得到这种滤波器。
即使在滤波器的理论设计中,您也会看到中间列所示的几种类型,但即使是这种理论滤波器也不如理想滤波器。
第一种理论类型在通带区域有一些波动(涟漪),并且相对陡峭地落入阻塞区域(阻带),并且在阻带中没有波动。
第二种理论类型既没有通带也没有阻带中的波纹。
没有波纹是很好的。
但在这种情况下,它会慢慢落入阻塞区。
第三种理论类型在通带和阻带都有波纹,这是不好的,但它落入阻带非常陡,这是好的。
右栏给出了一些实滤波器的例子,这显然比理论性质差。
这些只是几个真正的过滤器。
在现实世界中,你会有很多不同类型和特点的过滤器。
实现滤波器的方法有很多种,很难列出所有可能的天线实现方法。
这里只列出几种我认为在许多领域最常用的实现方法。
微波产品基础知识1.滤波器的概念及作用:用来分开及组合不同的频率,选取需要的信号频率,抑制不需要的信号频率.2.滤波器的四种形式:低通.高频.带通.带阻.3.调谐及耦合杆:根据需要,用于调谐频率及带宽4.谐振杆:滤波器中决定谐振频率的关键器件5.飞杆:根据客户需要,改变通带外抑制度,根据其特性阻抗可分为容飞和感飞两种6.IN及OUT:射频信号输入输出端口7.N型接插件:连接器的一种,一般根据客户需要进行选定,常用的接插件还有SMA.7/16等.8.功率/电平:放大器的输出能力,一般单位为W. MW.dBm9.增益:即放大倍数,单位可表示为分贝.即dB=10Log10.插损:当某一器件或部件接入传输电路后所增加的衰减,单位用dB表示.11.驻波比:行驻波状态时,波腹电压与波节电压之比.12.耦合度:耦合端口与输入端口的功率比.单位用dB13.隔离度:本振或信号泄露到其它端口功率与原有功率之比,单位用dB14.单工:亦称单频单工制,即收发使用同一频率,由于接收和发送使用同一个频率,所以收发不能同时进行,称为单工.15.双工:亦称异频双工制,即收发使用两个不同频率,任何一方在发话的同时都能收到对方的讲话16.放大器:用以实现信号放大的电路17.滤波器:通过有用频率信号抑制无用频率信号的部件或设备.18.功分器:进行功率分配的器件19.耦合器:从主干通道中担取出部分信号的器件20.负载:终端在某一电路或电器输出端口,接收电功率的元器件.部件或装置统称为负载.对负载最基本的要求是阻抗匹配和所能承受的功率.21.环形器:使信号单方向传输的器件22.馈线:是传输高频电流的传输线.23.天线:是将高频电流或波导形式的能量变换成电磁波并向规定方向发射出去或把来自一定方向的电磁波还原为高频电流的一种设备.24.合路器:用来对RF信号进行最后一级的合路,该器件的主要用途为对两路或多路平均输入功率的RF信号进行合路,可同时将两个或两个以上的RF信号进行合路后送至天线进行发射.25.散热片:由于功率的因素导致腔体过热,主要用散热片来对合路器腔体进行散热.26.合路器印制板:运用分支线原理,进行合路的一种方式.27.双向耦合器:双向耦合器提供一个测试界面端口来监测双工器主端口和天线.定向耦合器是一个四端口装置.它允许小数量的信号越过天线通道作为系统诊断的样本.天线信号可以在前向(朝天线)或者反射(朝双工器)两个方向取样.28.驻波披警器:驻波比告警所针对的对象是对双工器天线端口的驻波比进行检测告警,驻波比从根本上来说是指在均匀无耗传输线上,电压U(z)的最大振幅值与电压U(z)的最小振幅之比.29.中心频率带通或带阻滤波器两个截止频率的几何平均值。
双工器工作原理与调试的方法(全文)随着工业社会向信息社会的进展,移动通信进展非常迅速,移动电话及各类专业通信XX象雨后春笋一样出现。
目前常见的专业收发信双工台有KYODO公司的KG系列转讯台及车载台、KENWOOD公司的TKR系列转讯台及车载台和ICOM与MOTOROLA的产品等。
这些公司的产品质量一般都非常可靠,因此在组XX中若通信距离达不到设计要求时,除了检测收信灵巧敏度与发信机发射功率外,天馈线系统及双工器是一重要因素,必须认真检测。
一、双工器工作原理双工移动通信机工作时必须使用双工器,以使收发互不影响(转讯台有时也采纳双天线隔离)。
对于双工通信,收发频率之间有一保护频带。
我国规定160MHz频段收发间隔为5.7MHz,460MHz频段收发间隔为10MHz,900MHz频段收发间隔为45MHz。
发信机产生的射频功率对接收机的影响有两个方面。
一是发信频率上的强信号使接收机前级产生堵塞。
要消除这种影响,必须将进入接收机前级的本机发射信号抑制到堵塞电平以下。
二是发信频谱在收信通带内的噪声会直接进入接收机,因而影响信噪比,所以必须在发信输出端抑制这部分噪声,使它低于接收机本身在天线输入端的等效噪声功率。
前一种影响的消除,要依靠在接收机输入端接入收信滤波器,以阻止发信功率进入接收机。
后一种则要依靠在发信机输出端接入发信滤波器,以抑制发信频谱造成在收信频带上的噪声功率。
为了使两滤波器互不影响,各自还要通过λ/4传输线阻抗变换后接到天线端,如图1所示。
收信滤波器输入端对发信频率相当于短路,经λ/4阻抗变换后变成开路,就不会影响发信端。
同理,λ/4阻抗变换也使发信滤波器不影响收信。
对滤波器的要求与发信功率、发信频谱的远端噪声功率密度、收信机本身的噪声系数及收信堵塞指标等因素有关。
收信滤波器对发信频率所需的衰减可用下式估算:Ar(dB)>Pt(dBm)-Sb(dB)-Ps(dBm)+衰减余量(dB)(1)其中,Pt为发信载波功率,Sb为收信堵塞干扰电平,Ps 为达到收信灵敏度所需的输入信号功率。
TP2172007020946基于M E M S技术的复合型智能传感器设计/曲国福,刘宏昭(西安理工大学机仪学院)//传感器与微系统.―2006,25(3).―86~88.把微机电系统(MEMS)技术的加速度敏感元件和微处理器有机结合,借助智能算法,设计了一种多功能的复合传感器,可同时测量运动物体的的振动、冲击和倾斜角度。
试验表明:该传感器能够足够同时精确地检测运动物体的振动、冲击和倾斜角度信息,用于汽车中时,能够及时检测汽车的动态信息与车体的姿态。
图5表1参510、基本电子电路TN7022007020947一种具有双PC I接口的A SIC验证系统/何妍,李树国,羊性滋(清华大学微电子学研究所)//微电子学.―2006,36(2).―162~166.针对集成PCI接口功能的ASIC的设计开发,提出了一种具有双PCI接口的ASIC验证系统。
该系统充分复用软硬件资源,可应用于开发流程的全过程,有效地缩短了开发时间,降低了成本。
文章最后给出了高速RSA 加密芯片验证系统的应用实例。
图5表1参8TN7072007020948几种求取电路最小测试集算法的比较研究/张菲菲,鲁昌华,王妍妍(合肥工业大学)//电测与仪表.―2006,43(3).―43~45,39.近年来发展的离散事件系统(DES)为数模混合电路中数字信号和模拟信号提供了一种统一的测试方法,而求取电路的最小测试集一直是该研究领域的重点和难点。
该文阐述了目前学者提出的几种求取最小测试集算法的基本思想,分析了各算法的优缺点,并深入地比较了各个算法,通过具体实验说明了各算法的优劣性,最后指出了该学科今后的发展方向。
图1表1参15TN7072007020949电子系统的潜通路分析技术/张大庆,宋斌(东北电子技术研究所)//光电技术应用.―2006,21(2).―43~46.阐述了潜通路的基本概念,说明了产生潜通路的原因及种类,并指出了它在电子系统中造成的巨大危害。
双工器的频率温度系数柳光福刘启明(上海埃德电磁技术有限公司,上海 200237)摘要:本文详细的叙述了测试GSM移动通信基站中900MHz和1800MH两种双工器的频率温度系数的方法和具体数据,从网络理论和实际工艺两方面分析了双工器因温度变化产生较大频率偏移的主要原因,总结出预防频率偏移的设计方法。
关健词:频率温度系数,梳状线同轴谐振腔,传输极点Frequency Temperature Coefficient of DiplexersLiu,Guang-fu and Liu,Qi-ming(AERODEV Electromagnetic Tech Inc., Shanghai 200237, China)Abstract: Frequency temperature coefficients of diplexers serving in 800MHz and 1800MHz GSM mobile communication systems were measured and recorded in this paper. The main causes impacted the variety of frequency temperature coefficient were analyzed from the both sides of network synthesis theory and technologies in detail. The methods are recommended for controlling frequency temperature coefficient is improved.Key words: frequency temperature coefficient; Combline coaxial resonator; transmission pole1 前言移动通信是很有前途的新技术,在世界各国得到空前的发展和应用。
课程名称:材料科学与工程基础实验指导老师:李雷成绩:__________________实验名称:介电材料电学性能实验类型:同组学生姓名:13组一、实验目的和要求(必填)二、实验内容和原理(必填)三、主要仪器设备(必填)四、操作方法和实验步骤五、实验数据记录和处理六、实验结果与分析(必填)七、讨论、心得一、实验目的1、了解低损耗介电材料在微波通讯技术中的应用;2、了解介质谐振法的测试原理;3、掌握利用介质谐振法测试低损耗材料微波介电性能的技术。
二、实验原理微波指频率介于300MHz和300GHz之间的电磁波,在通讯领域有着非常广泛的应用。
而微波介质材料指适用于微波频段的低损耗(通常在10-3数量级以下)、温度稳定型电介质材料(通常为陶瓷材料),被广泛应用于微波介质谐振器、振荡器、滤波器、双工器、微波电容器及微波基板等,是移动通讯、卫星通讯、全球卫星定位系统(GPS)、蓝牙技术以及无线局域网(WLAN)等现代微波通讯技术的关键材料之一。
对于工作于较低频率下的介电材料,一般用介电常数ℇr、介电损耗tanδ及介电性能的温度依赖性表征其介电性能。
而对工作于微波频段的损耗介质材料,相对应的三个基本参数及其要求则为:合适的介电常数ℇr、高Qf值及近零谐振频率温度系数τf。
其中。
当微波介质材料作为谐振单元使用时,应具有较高的介电常数,以满足器件小型化的需要;而当其作为微波基板使用时,由于微波在基板中传播的速度,为了减小微波电路中的延迟,介质材料应具有尽可能低的介电常数ℇr。
Qf值定义为品质因子Q(介电损耗tanδ的倒数)与频率的f的乘积,单位为GHz。
高Qf值对应微波介质材料作为谐振单元使用时的良好频率选择性及作为微波基板使用时的低信号衰减。
一般认为,低损耗材料在微波频段的Qf值为不随频率变化的常数。
低损耗微波介质材料作为谐振单元使用时,其谐振频率f通常随温度线性变化,故用谐振频率温度系数τf表征其温度稳定性,定义为,单位为ppm/,其中T2和T1表示两个测试温度。
什么是频分双工(FDD)/时分双工(TDD)频分双工(FDD),也称为全双工,操作时需要两个独立的信道。
一个信道用来向下传送信息,另一个信道用来向上传送信息。
两个信道之间存在一个保护频段,以防止邻近的发射机和接收机之间产生相互干扰。
时分双工(TDD),也称为半双工,只需要一个信道。
无论向下还是向上传送信息都采用这同一个信道。
因为发射机和接收机不会同时操作,它们之间不可能产生干扰。
为了全面对比这两种双工方式,必须提供每种方式的下列属性:频段位置及时分/FDD方式的合适性频谱效率及业务非对称性反应时间射频规划及干扰,包括自干扰和共存干扰系统的相对复杂度(代价差异)前两项是选择TDD而非FDD方式的主要因素,后三项是FDD方式支持者提出的采用TDD方式时必须克服的缺点。
频率分配及FDD或TDD的适宜性在固定无线接入系统的频率分配及发放执照的工作中,大部分国家都采用了较适宜于FDD方案的初始频率分配。
因为这些频率分配方案都具有间隔很宽的信道,或者很宽的连续频段,因此在采用FDD方案时,能够保证充分的发送-接收频率间隔,从而克服了FDD收发信机中必须将发送信号和接收信号隔离开来的困难。
但是,并非所有的点到多点系统中的频率分配方案都适宜于FDD。
例如,为了有效利用LMDS的B段频谱,必须满足发送-接收间隔约为225MHz的要求。
这对于工作于31GHz的FDD无线电是一个非常大的挑战。
近年来,越来越多的频率分配方案已经不再采用传统的成对信道分配方法了,因此为采用TDD方案产生了巨大的促进作用。
频谱效率及业务非对称性频谱效率涉及到许多因素,其中两个最重要的因素是使用的调制方案和业务非对称性程度。
以语音服务为主的网络业务是近似对称的,但是随着数据业务不断增长,这种情况正在发生变化。
因此,存在一个这样的强烈的动因,能否在不影响频谱效率的前提下,采用某种技术可以适应这种业务模式的变化情况。
而TDD 技术就可以满足这种要求。
双工器的频率温度系数柳光福刘启明(上海埃德电磁技术有限公司,上海 200237)摘要:本文详细的叙述了测试GSM移动通信基站中900MHz和1800MH两种双工器的频率温度系数的方法和具体数据,从网络理论和实际工艺两方面分析了双工器因温度变化产生较大频率偏移的主要原因,总结出预防频率偏移的设计方法。
关健词:频率温度系数,梳状线同轴谐振腔,传输极点Frequency Temperature Coefficient of DiplexersLiu,Guang-fu and Liu,Qi-ming(AERODEV Electromagnetic Tech Inc., Shanghai 200237, China)Abstract: Frequency temperature coefficients of diplexers serving in 800MHz and 1800MHz GSM mobile communication systems were measured and recorded in this paper. The main causes impacted the variety of frequency temperature coefficient were analyzed from the both sides of network synthesis theory and technologies in detail. The methods are recommended for controlling frequency temperature coefficient is improved.Key words: frequency temperature coefficient; Combline coaxial resonator; transmission pole1 前言移动通信是很有前途的新技术,在世界各国得到空前的发展和应用。
在短短的几年内,我国的移动电话用户就跃居世界之首,我国通信信息产业的发展取得了举世属目的成就。
现在,我国具有自主知识产权的DT-SCDMA第三代移动通信技术已经日臻成熟,正在酝酿实际应用。
另一方面,不管在现行移动通信(如GSM)基站中,还是频分体制的第三代移动通信基站中(如WCDMA),都会用双工器与天线的搭配来同时实现通信信号的发送和接收。
双工器在移动通信系统中扮演着重要的角色,它的温度特性直接关系到通信的质量的系统的稳定。
由于种种原因,双工器几乎都是用铝材料加工,然后再镀银的工艺来制造。
但是,铝材料的热膨胀系数比铜和钢大,这就存在一个问题,即双工器的特性(含传输、阻抗和相位特性等)会随温度变化出现较大的偏移。
大家知道,实际上双工器就是同时包括接收和发射滤波器的一种微波器件,其中的接收和发射滤波器就是按微波滤波器的理论来设计和制造的。
我们讨论双工器的频率温度系数,就是讨论微波滤波器的温度特性。
本文主要讨论双工器内的滤波器的传输特性(即幅-频特性)的温度系数,即频率温度系数。
当然,这里述及的方法也能用于双工器、微波滤波器阻抗和相位等温度特性的实验和研究。
如果不关注频率温度系数对双工器特性造成的影响,不采取行之有效的措施来预防,即使在现行第二代或二代半的移动通信系统中,这个问题也会变为一个棘手的问题。
在设计GSM 移动通信系统基站内双工器的发射和接收滤波器时,要把因环境温度变化可能引起的频率偏移正确预计,便可用预失真的方法来弥补温度变化引起的滤波器频率偏移,才能保证通信质量不受一年四季和地域温度变化的影响,才不会对通信质量产生影响。
当微波滤波器用于其他领域(如航空航天)和某些对温度很敏感的场合,我们可用恰当的方法来控制微波滤波器的频率温度系数,把温度变化对系统造成的影响控制到可以允许的范围内。
下面就我们测量双工器内的梳状线同轴谐振腔滤波器频率温度系数的实验和控制温度偏移所采取的措施与大家讨论。
2 频率温度系数我们可以这样来定义微波滤波器的频率温度系数,即在(1)式中,频率温度系数ξ表示为Hz/℃;F1(Hz )是在温度为T1(℃)时,测得滤波器某特定频率点(如滤波器的传输极点)的频率数值;F2(Hz )是在温度为T2(℃)时,测得滤波器上述特定频率点偏移后的频率数值。
(1)式中所定义的频率温度系数是温度变化摄氏一度时所引起频率偏移。
它描述的是频率偏移的具体数值。
为了表达相对于测试频率上发生的偏移,在实际中,往往用到频率温度系数的另一种描述,即在(2)式中的频率温度系数τ表示为ppm/℃。
它描述的是相对于测试频率来说,发生了百万分之几的频率偏移。
在不同的场合,可用不同的频率温度系数表示方法。
频率温度系数是因为滤波器金属材料的热膨胀所产生。
假设某滤波器在室温时的幅-频特性如图1所示。
那么,当温度低于室温时,滤波器腔体尺寸会缩小,它的幅-频特性就会往频率高的方向偏移,如图2所示。
反之,当温度高于室温时,滤波器腔体尺寸会增大,它的幅-频特性又会往频率低的方向偏移,如图3所示。
一般来说,用铝材料和传统工艺制 频率温度系数τ= (2) (F2-F1)/F1 (T2-T1)频率温度系数ξ= (1) (F2-F1) (T2-T1)造的微波滤波器的幅-频特性呈现负的频率温度系数。
3 铝材料双工器的频率温度系数图4是用铝材料和传统工艺制造的GSM移动通信基站900MHz双工器的幅-频特性。
它的左面(即图A)是880-915MHz接收滤波器的实测幅-频特性、阻抗特性的曲线,右面(即图B)是925-960MHz发射滤波器的实测幅-频特性、阻抗特性的曲线。
仔细考察这两个滤波器的幅-频特性可见,在接收滤波器的频率范围880-915MHz和发射滤波器的频率范B) 发射滤波器的幅-频特性图4 某GSM900MHz双工器的幅-频特性围925-960MHz之间,只有10MHz的保护频率范围,这对设计制造双工器中的接收和发射滤波器提出了十分苛刻的要求。
为保证接收机在对应的频率范围不受到发射信号的影响,要求在接收滤波器通带的上边带,即在925MHz频率附近对发射机低端的信号有很深的抑制,要求达到90dB以上的插入损耗。
同样地,也要求在发射滤波器通带的下边带,即在915MHz 频率附近实现很深的抑制,进一步保护接收机不受影响,也要达到优于90dB的插入损耗。
只有这样,通信系统才能正常运行。
为了方便测量和分析图4所示用铝材料制作的发射和接收滤波器的频率温度系数,找出改善这类滤波器频率温度系数的有效途径。
首先,我们要了解和认识这类滤波器的特点。
为大家知道,常规的切比雪夫带通滤波器,它的通带内有等幅波动(Equiripples),它的传输极点可以放在0Hz (即DC端)或∞Hz(即无限远端)。
常规的椭圆函数带通滤波器,在它的通带和阻带存在等幅值的波动。
从图4中所示的幅-频特性曲线可以看到,在880-915MHz的接收滤波器的上边带的925MHz附近放置有传输极点,使其在通带的上边带产生十分陡峭的选择性能。
在925-960MHz的发射滤波器的下边带的915MHz附近也放置有传输极点,使其在通带的下边带产生十分陡峭的选择性能。
只有这样的响应曲线,才能满足有关双工器规范中关于控制干扰信号的要求,有效地控制发射信号和其他干扰信号对接收机的影响。
在上述发射和接收滤波器中设置的这些传输极点,被安置在非DC端和非无限远端,既不同于常规的切比雪夫带通滤波器,也区别于椭圆函数带通滤波器,我们把具有这类幅-频特性的滤波器称为不对称广义切比雪夫滤波器(Asymmetric Generalized Chebyshev Filter)或准椭圆函数滤波器(Pseudoelliptic Filter)。
因为要求在这些传输极点处的插入损耗低于-90dB,这对我们准确测试频率温度系数提供了方便,如在图4 A) 中的椭圆区域,接收滤波器上边带的传输极点清晰可见。
为展示细节,我们把图4 A)的椭圆区域放大为图5。
测得该滤波器在室温15℃的频点1的频率▽1为925.99MHz。
相应地,该滤波器放在70℃的高温箱2个小时后测得频点2,这时的频率▽2为925,00MHz。
把该滤波器放在-5℃的低温箱2个小时后测得频点3,频点3的频率▽3为926.36MHz。
在温度变化75℃的条件下,该点的频率变化了1.36MHz。
根据上述数据,我们便能计算出滤波器的温度每变化1℃的频率温度系数ξ为(925,00MHz-926.36 MHz)/75℃=-18.133kHz/℃。
若用ppm/℃表示,则频率温度系数τ为(925,00MHz-926.36 MHz)/925.99 MHz/75℃=-19.58ppm/℃。
用同样的方法,测得图4 B) 所示发射滤波器通带下边带传输极点处的频率温度系数ξ为-20.8kHz/℃,相应的频率温度系数τ为-22.73ppm/℃。
为什么在同一个双工器内的接收和发射滤波器频率温度系数还有这么大的差异,下面另做分析。
图4中的接收和发射滤波器都是N=10的不对称广义切比雪夫滤波器。
其中的梳状线同轴谐振腔示于图6。
它的具体参数为A=50.5mm, B=43.5mm, Φ1=19mm, Φ2=10mm, Φ3=6mm, H1=42.8mm, H2=40mm, H3=30mm。
其中,腔体和内导体的材料是铝的,调谐螺钉是铜的。
结合我们的条件,还对用于1800MHz的GSM基站中双工器也进行了试验。
该双工器中的接收滤波器的通带频率范围为1710-1785MHz,发射滤波器的通带频率范围为1805-1880MHz。
其接收滤波器是N=6的不对称广义切比雪夫滤波器,发射滤波器的N=9。
其中的梳状线同轴谐振腔的具体参数为A=55mm, B=50mm, Φ1=18mm, Φ2=10mm,图6 梳状线同轴谐振腔结构Φ3=6mm, H1=30mm, H2=23mm, H3=15mm。
腔体和内导体的材料是铝的,调谐螺钉是铜的。
测得接收滤波器的频率温度系数ξ为-12.54kHz/℃,表示为另一种方式,则其频率温度系数τ为-6.95ppm/℃。
4铝材料滤波器频率温度系数的分析图4所示的这两个滤波器都是用梳状线同轴谐振腔(Combline Coaxial Resonator)的结构来实现的。
所谓梳状式同轴谐振腔滤波器至少包含有这几层意思,A)组成滤波器的所有同轴谐振腔是在同一端面短路,在另一端面开路;B)除了同轴谐振腔本身具有的分布电容外,在谐振腔的开路节点上要实施电容加载;C)电容加载后的同轴谐振腔短于同频率四分之一波长谐振腔的长度。
从这个意义上讲,同频率的梳妆线同轴谐振腔滤波器的体积比四分之一波长谐振腔减小。