JC-030回弹法检测砖砌体中砂浆抗压强度报告
- 格式:doc
- 大小:103.00 KB
- 文档页数:3
砂浆抗压强度回弹检测数据一、引言砂浆是建筑施工中常用的材料之一,其抗压强度是评价砂浆质量的重要指标之一。
为了确保砂浆的质量,常常需要进行抗压强度回弹检测。
本文将对砂浆抗压强度回弹检测数据进行分析和解读。
二、砂浆抗压强度回弹检测方法砂浆抗压强度回弹检测是通过回弹仪来进行的。
回弹仪是一种常用的非破坏性测试仪器,利用弹簧力学原理,通过测量回弹仪在砂浆表面回弹的距离来评估砂浆的抗压强度。
回弹仪测试的数据可以用来判断砂浆的质量是否符合要求,并指导施工过程中的调整和改进。
三、砂浆抗压强度回弹检测数据分析根据回弹仪测量的数据,可以计算出砂浆的回弹指数。
回弹指数是指砂浆的回弹距离与标准砂浆回弹距离之比,是评价砂浆抗压强度的重要参数。
一般来说,回弹指数越大,代表砂浆的抗压强度越高;反之,回弹指数越小,代表砂浆的抗压强度越低。
根据实际测量数据,我们可以得出以下结论:1. 样品A的回弹指数为0.85,说明砂浆的抗压强度较高。
这可能是由于砂浆配合比例合理,水泥与砂的比例适宜,使得砂浆的密实度较高。
2. 样品B的回弹指数为0.75,说明砂浆的抗压强度较低。
可能是由于砂浆配合比例不合理,水泥与砂的比例过高或过低,导致砂浆的密实度较低。
3. 样品C的回弹指数为0.92,说明砂浆的抗压强度较高。
可能是由于砂浆中添加了一定的外加剂,提高了砂浆的粘结力和抗压强度。
4. 样品D的回弹指数为0.78,说明砂浆的抗压强度较低。
可能是由于砂浆中掺杂了杂质或含水量过高,影响了砂浆的密实度和抗压强度。
四、砂浆抗压强度回弹检测数据的意义砂浆抗压强度回弹检测数据的分析和解读对于确保砂浆质量的稳定性和施工质量的提高具有重要意义。
通过分析回弹指数,可以判断砂浆的抗压强度是否满足设计要求,及时调整和改进配合比例,提高砂浆的抗压强度。
此外,砂浆抗压强度回弹检测数据还可以为施工方提供参考,指导施工过程中的操作和施工质量控制。
五、总结砂浆抗压强度回弹检测是一种常用的测试方法,通过回弹指数可以评估砂浆的抗压强度。
回弹法检测砌体灰缝砂浆强度报告回弹法是一种常用的非破坏性检测方法,用于砖砌体中砂浆强度的评定。
本报告将对回弹法检测砌体灰缝砂浆强度的原理、实验方法、结果及分析进行详细描述,以期提供科学可靠的信息。
一、原理回弹法是根据回弹锤在砖砌体上的反弹程度来间接评定砂浆强度的一种方法。
原理基于回弹锤弹跳速度和砌体中砂浆的强度之间的关系。
当弹跳速度低于一定值时,说明砂浆强度低,反之,说明砂浆强度高。
二、实验方法1.选取需检测的砌体样本,确保样本表面平整、无明显损坏和变形。
2.清洁样本表面,确保无杂物妨碍测试。
3.对样本表面进行编号,并做好相应记录。
4. 选取适当的回弹锤,确保回弹锤和样本之间的垂直距离不超过50mm。
5.确定测试位置,避免显著缺陷和结构连接处。
6.在样本上击打回弹锤,每个位置进行3次测试,并记录最后一个读数。
7.利用相关公式计算回弹指数。
8.重复上述步骤,在其他位置进行测试。
三、实验结果及分析下表为对砌体灰缝砂浆进行回弹法测试的结果:位置编号,回弹指数----,----1,702,683,724,695,71根据回弹指数的综合分析,可以得出以下结论:1.样本的砂浆强度在一定范围内相对均匀,没有明显的局部异常。
2.样本的砂浆强度达到或接近设计要求,可以满足使用需求。
四、结论通过回弹法对砌体灰缝砂浆的强度进行检测,根据实验结果和分析得出以下结论:1.样本的砂浆强度整体较好,达到或接近设计要求。
2.样本的砂浆强度在测定位置范围内相对均匀,没有明显的局部异常。
3.回弹法是一种有效的非破坏性检测方法,可以用于评定砌体灰缝砂浆强度。
综上所述,回弹法是一种简便可行的方法,通过测定砌体灰缝砂浆的回弹指数,可以初步评估砂浆的强度情况,为工程质量的控制和改进提供有效依据。
回弹法检测烧结砖砌体中砌筑砂浆强度1适用范围本作业指导书适用于新建、在建和既有烧结普通砖或烧结多孔砖砌体中砂浆强度推定,主要用于砂浆强度匀质性检查。
不适用于推定高温、长期浸水、遭受火灾、环境浸蚀等砌筑砂浆的强度;其它块材砌体不适用;砂浆强度小于2MPa的墙体不适用。
墙体水平灰缝砌筑不饱满或表面粗糙且无法磨平时不得采用。
现场检测时,砌筑砂浆的龄期不应低于28d。
2应用标准GB/T 50315-2011《砌体工程现场检验技术标准》GB 50203-2011《砌体工程施工质量验收规范》3仪器设备(1)砂浆回弹仪,标称动能0.196J(2)钻、锤等工具(3)碳化深度测定仪或游标卡尺(4)1%~2%酚酞酒精试剂砂浆回弹仪必须技术性能指标正常,检定合格并在检定有效期内,检测前后均应在钢砧上率定,率定值74±2。
4试验步骤4.1 抽样依据 GB/T 50315-2011《砌体工程现场检验技术标准》,整栋建筑物划分为一个或多个可独立进行分析(鉴定)的结构单元,每个结构单元内同一材料品种、同一强度等级不超过250m3砌体为一检测单元(即一检验批);按GB 50203-2011《砌体工程施工质量验收规范》还应每一楼层主体砌体不超过250m3(填充墙可多楼层合并;基础算作一个楼层)为一检验批。
每一检测单元(检验批)不宜少于6个测区,应将单个构件(单片墙体、柱)作为测区,每个测区测位数(相当于其它检测方法的测点)不应少于5个。
对既有建筑物或应委托方要求仅对建筑物部分或个别部位检测时,测区和测位数可减少,但一个检测单元的测区数不宜少于3个。
测区测点布置应能使测试结果全面、合理反映检测单元的施工质量或其受力性能。
4.2 测位宜选在承重墙的可测面上,并避开门窗洞口及预埋件等附近的墙体。
墙面上每个测位的面积宜大于0.3m2。
4.3 测位处理(1)测位处的粉刷层、勾缝砂浆、污物等应清除干净。
(2)弹击点处的砂浆表面,应仔细打磨平整,并应除去浮灰。
回弹法检测砂浆抗压强度报告回弹法是一种常用的检测砂浆抗压强度的方法。
它是利用回弹仪来测定试块表面与回弹针之间的弹性碰撞而推测出砂浆抗压强度的一种间接方法。
本报告将详细介绍回弹法检测砂浆抗压强度的原理、仪器、试验方法以及结果分析等内容。
一、原理回弹法的基本原理是利用回弹仪对砂浆试块进行回弹,通过测定回弹针回弹高度与砂浆抗压强度的关系来推测砂浆的抗压强度。
回弹仪是由主机、回弹针和刻度尺组成的,通过按下主机按钮使回弹针进入试块表面然后回弹,测量回弹高度即可得到试块的回弹指数。
二、仪器准备回弹法检测砂浆抗压强度需要准备的仪器有回弹仪、试块及制备工具等。
回弹仪的主机应保持正常工作状态,回弹针应清洁、无变形或损坏。
试块的制备应按照相关标准进行,保证试块的尺寸和密实度符合要求。
三、试验方法1.样品制备:根据标准要求,制备一定数量的砂浆试块。
试块的制备要保证尺寸、配比和密实度等符合要求。
2.试块养护:试块制备完成后,应进行适当的养护,通常为湿养护或蒸养护,确保试块充分固化。
3.试块回弹:将试块放在平坦的硬度表面上,并确保试块的底面与硬度表面完全接触。
用回弹仪按下主机按钮,使回弹针垂直插入试块表面,然后松开按钮,观察回弹针的回弹高度,并记下回弹指数。
4.多次测量:每个试块应进行多次回弹测量,取回弹指数的平均值作为该试块的回弹指数。
5.结果处理:根据回弹指数和标准曲线,可以推测出试块的抗压强度。
可以通过试验中不同试块的回弹指数与抗压强度之间的关系,制作标准曲线来推算其他试块的抗压强度。
四、结果分析回弹法检测砂浆抗压强度的结果受多种因素影响,如试块制备质量、试块养护时间、回弹仪使用技巧等。
因此,在进行数据分析时,需要综合考虑这些因素的影响,并进行数据的有效整理和统计。
在分析结果时,需要注意以下几点:1.根据标准曲线推算出的抗压强度仅为估计值,具有一定的误差范围。
因此,在实际应用中,需要结合其他相关因素进行综合考虑。
2.不同试块的抗压强度可能存在差异,这与砂浆的配比、水灰比等因素有关。
回弹法检测砂浆抗压强度报告回弹法是一种常用的非破坏性检测方法,用于测定砂浆抗压强度。
其原理基于回弹体的振动频率与砂浆抗压强度之间的关系,通过测量回弹体的回弹高度,可以间接推断出砂浆的抗压强度。
在本次实验中,我们使用回弹法来检测砂浆抗压强度,并生成了一份报告。
实验目的:1.掌握回弹法测定砂浆抗压强度的基本原理与方法;2.学习使用回弹仪进行砂浆抗压强度测定,并掌握相关操作技巧;3.分析实验结果,评估砂浆的抗压强度。
实验原理:回弹法通过测量回弹体在固定高度上下跳动的次数,来间接推断砂浆的抗压强度。
回弹体在弹性撞击砂浆表面后产生振动,当振动频率与砂浆的抗压强度相同时,回弹体达到最大回弹高度。
根据回弹高度与砂浆抗压强度之间的经验关系,可以推算出砂浆的抗压强度。
实验步骤:1.准备实验材料:砂浆试样、回弹仪、平整水平的实验台面等;2.对砂浆试样进行准备,制作出一定数量的标准试样;3.将回弹仪的回弹针对准在试样的表面,保持垂直,并确保针头与试样表面接触牢固;4.用力按下回弹仪的扳机,使回弹针撞击试样表面,记录回弹体的回弹高度;5.重复以上步骤,对每个试样进行多次回弹测试,取平均值作为最终回弹高度;6.根据相关经验关系,将回弹高度转化为砂浆抗压强度值;7.根据实验数据,绘制砂浆抗压强度与回弹高度的曲线图,并进行数据分析与讨论。
实验结果与讨论:通过实验测定得到的砂浆抗压强度与回弹高度的关系曲线图如下图所示:[插入曲线图]从图中可以看出,随着砂浆抗压强度的增加,回弹高度也呈现出增加的趋势。
这是由于砂浆抗压强度的增加导致回弹针撞击后砂浆表面振动频率的变化,从而影响了回弹高度的大小。
根据实验数据,我们计算出了不同回弹高度对应的砂浆抗压强度,并进行了数据分析。
结果显示,砂浆抗压强度与回弹高度之间存在一定的经验关系,但并不是完全线性的。
在实际应用中,我们可以根据测得的回弹高度来预估砂浆的抗压强度,并根据实际需要进行适当的修正。
砂浆抗压强度检验报告砂浆抗压强度是评定砂浆质量的重要指标之一、砂浆抗压强度的检验报告能够提供砂浆样品的抗压性能和质量特征,对于评估材料的使用性能和质量合格性具有重要的参考价值。
本文将对砂浆抗压强度检验报告进行详细的分析和解读。
1.报告的标题和基本信息2.检验目的和背景检验目的部分一般简要说明为何进行砂浆抗压强度检验,通常是为了评估砂浆的质量、验证其性能指标是否符合规范要求等。
在背景介绍中,可以简要叙述砂浆的用途、构成材料、配合比等相关信息。
4.实验设备和方法实验设备和方法部分重点介绍实验所用的设备及其规格,以及实验进行的具体步骤和检验方法。
这些内容将直接影响到实验结果的准确性和可靠性,必须详细描述。
5.实验结果实验结果包括砂浆抗压强度的数值和相关的统计数据。
通常,砂浆抗压强度的检验结果以数值和图表的形式展示,以便于读者理解和比较。
报告中应该注明检验数据的单位,以及实验数据的标准差和置信度等统计参数。
6.结果分析和讨论在结果分析和讨论部分,对实验结果进行详细的解读和分析。
可以比较不同样品之间的抗压强度差异,探讨其原因,并将实验结果与适用的相关规范进行对比和讨论。
同时,还可以从实验结果出发,对砂浆材料的使用性能和质量问题进行评估和建议。
7.结论和建议在结论和建议部分,对实验结果进行总结,明确砂浆样品的抗压强度是否符合规范要求。
同时,根据实验结果,提出对砂浆材料质量的改进和优化建议。
砂浆抗压强度检验报告是对砂浆样品进行抗压强度性能评价的重要文献,其内容和结构应符合标准规范,同时注重实验结果的客观性和可靠性。
对于砂浆材料生产厂家和用户来说,依据检验报告进行工程质量评定和选择是确保工程质量的重要手段。
作业指导书批准A:颁布日期: 实施日期: 审核: 编写:1适用范围 (3)2应用标准 (3)3仪器设备 (3)4试验步骤 (3)5数据处理 (4)6检测过程中注意事项 (7)7检测报告 (7)回弹法检测砌筑砂浆强度1适用范围木作业指导书使用于推定烧结普通砖砌体砂浆强度,不适用于推定高温、长期浸水、化学浸蚀、火灾等情况下的砂浆抗压强度。
2应用标准GB/T 50315-2000《砌体工程现场检验技术标准》GB 50203-2002《砌体工程施工质量验收规范》3仪器设备砂浆回弹仪4试验步骤4.1抽检率,依据《建筑结构检测技术标准》GB/T50344-2004 关于样木容量要求设置抽检方案和抽检率。
4.2测位宜选在承重墙的可测面上,并避开门窗洞口及预埋件等附近的墙体。
墙面上每个测位的面积宜大于0.3m2o4.3测位处的粉刷层、勾缝砂浆、污物等应清除干净。
弹击点处的砂浆表面,应仔细打磨平整,并除去浮灰。
4.4每个测位内均匀布置12个弹击点。
选定弹击点应避开砖的边缘,气孔或松动的砂浆。
相邻两弹击点的间距不应小于20mm。
数,仅记录第3次回弹值,精确至1个刻度。
测试过程中,回弹仪应始终处于水平状态,其轴线应垂直于砂浆表面,且不得移位。
4.6在每个测位内,选择1〜3处灰缝,用碳化深度测定仪和1% 的酚醜试剂测量砂浆碳化深度,读数应精确至0. 5mmo5数据处理5.1平均回弹值值从每个测位的12个回弹值中,分别剔除最大值、最小值,将余下的10个回弹值计算平均值,以R表示。
5. 2平均碳化深度每个测位的平均碳化深度,应取该测量值的算术平均值,以d表示,精确至0.5mm。
5. 3砂浆强度换算值第i个测区第j个测位的砂浆强度换算值,应根据该测位的平均回弹值和平均碳化深度值,分别按下式计算:(l)dWl. 0mm 时:/2.. =13.97x10-5/?157⑵ 1. 0mm<d<3. Omm 时:f2ij =4.85x1 CT1肿fy. = 6.34 x IO-5/?360式中——第i个测区第j个测位的砂浆强度值(MPa);d——第i个测区第j个测位的平均碳化深度值(mm);R——第i个测区第j个测位的平均回弹值5.4砂浆抗压强度平均值测区的砂浆抗压强度平均值,应按下式计算:fa =—:乞坛5. 5强度推定5. 5.1每个检测单元的强度平均值、标准差和变异系数,应分别按下列公式计算:式中竹-同一检测单元的强度平均值(MPa)o当检测砂浆抗压强度精品时,b即为厶』当检测砌体抗压强度时,“/为几;当检测砌体抗剪强度时,幻即为九;心-同一检测单元测区数;f(-测区强度代表值(MPa)。
回弹法检测砂浆抗压强度测量不确定度评定报告编制:审核:2020年09月23日回弹法检测砂浆抗压强度测量不确定度评定报告回弹法检测砂浆抗压强度是一种无损检测技术,这种方法操作简便,数据及时,费用低廉且不破坏构件,因此在工程得到了十分广泛的应用。
在砂浆回弹法检测中,砂浆的碳化对回弹值有较明显的影响,因此必须把砂浆碳化深度作为一个重要的影响因素。
测量过程中还会受到其他多种因素影响,通过引入测量不确定度,对影响因素进行分析,并计算测量不确定度,提出合理的评定强度。
一、试验原理及过程1.回弹法检测砂浆抗压强度评定依据1)检测依据《砌体工程现场检测技术标准》GB/T 50315-2011。
2)评定依据《测量不确定度评定与表示》JJF1059.1-2012;3)环境条件:工作温度(-4~40)℃。
2.回弹法检测测试对象检测测试对象为单片240mm厚烧结多孔砖混合砂浆砌体墙,将该单片墙体作为一个测区。
该墙砂浆抗压强度设计值为M7.5。
3.回弹法检测测量设备采用ZC5 型砂浆回弹仪,测量范围为2~15MPa,允许误差±1;及LR-TH10数字式碳化深度测量仪,测量范围为0~8mm,允许误差±0.25mm。
4.回弹法检测测试过程按照设备使用说明对砂浆回弹仪进行设置和初始化。
对砌体墙的砂浆抗压强度进行测量。
二、砂浆抗压强度的计算1.回弹法检测砂浆抗压强度的原理砂浆回弹仪其利用弹击锤产生的冲击动能弹击砂浆表面,所产生的瞬时弹性变形的恢复力使弹击锤带动指针弹回并指示出弹回的距离,通过回弹值以及碳化深度可推算砂浆抗压强度。
回弹值是重锤冲击过程中能量损失的反映。
能量损失越小,砂浆表面硬度越大,其相应的回弹值就越高。
由于砂浆表面硬度与砂浆抗压强度在变化关系上有一致性,因此回弹值大小也反映了砂浆抗压强度的大小。
影响砂浆抗压强度与回弹值的因素十分广泛,例如水泥品种、外加剂的影响,成型方法、养护方法的影响,砂浆碳化、龄期及含水率的影响等。
回弹法检测砌筑砂浆强度检验细则一、编制依据本细则依据《回弹法检测砌筑砂浆强度技术规程》(DBJ14-030-2004)编制。
二、编制目的为正确使用砂浆回弹仪检测砌筑砂浆强度,保证检测精度,制定本细则。
三、适用范围本细则适用于砌体结构工程中砌筑砂浆强度的检测和评定。
新建砌体结构和一般建(构)筑物,其砌筑砂浆强度的检测和评定,应按国家现行标准《砌体工程施工质量验收规范》(GB50203-2002)、《建筑工程施工质量验收规范》(GB50300-2001)、《建筑砂浆基本性能试验方法》(JGJ70-90)等执行。
当遇下列情况之一时,可按本细则检测和推定砌筑砂浆的强度:(1)砂浆试块缺乏代表性或试件数量不足;(2)对砂浆试块的试验结果有怀疑或争议,或砂浆试块的试验结果不能满足设计要求;(3)发生工程事故,或对施工质量有怀疑和争议。
既有砌体工程,在进行下列可靠性鉴定时,可按本细则检测和推定砌筑砂浆的强度:(1)静力安全鉴定及危房鉴定;(2)抗震鉴定;(3)大修前的可靠性鉴定;(4)房屋改变用途、改建、加层或扩建前的专门鉴定。
本细则适合下列条件的砌筑砂浆的检测:(1)符合普通砌筑砂浆用材料、拌和用水的质量标准,采用中砂;(2)采用普通成型工艺;(3)自然养护且砂浆表层为干燥状态;(4)龄期不少于14天;(5)抗压强度为1.0~20.0MPa;本细则不用于下列情况砌筑砂浆的检测:(1)测试部位表层与内部的质量有明显差异或内部存在缺陷;(2)遭受化学腐蚀、火灾或冻伤。
用回弹仪检测及推定砂浆强度时,除应遵守本细则外,尚应符合国家现行有关标准的规定。
四、操作人员凡使用回弹仪进行工程检测的人员,均应经专门培训方可进行测试。
五、砂浆回弹仪1、仪器要求1.1测定砂浆回弹值的仪器,宜采用示值系统为指针式的砂浆回弹仪。
1.2回弹仪技术性能应符合下列标准状态的要求:(1)回弹仪水平弹击时的冲击能量应为0.196±0.010J;(2)刻度尺上“100”刻线,应与机壳刻度槽“100”刻线重合;(3)指针长度应为20.0±0.2mm;(4)指针摩擦力应为0.5±0.1N;(5)弹击杆端部球面半径应为25.0±1.0mm;(6)弹击拉簧刚度应为70.0±5.0N/m;(7)弹击拉簧工作长度应为61.5±0.3mm;(8)弹击锤冲击长度应为75.0±0.3mm;(9)弹击锤起跳位置应在刻度尺“0”处;(10)在洛氏硬度为HRC±2的钢砧上,回弹仪的率定值应为74±2。
回弹法检测砂浆强度报告
回弹法是一种常用的非破坏性检测方法,用于评估混凝土或砂
浆的强度。
该方法通过测量材料受到冲击后的回弹程度来推断其强度。
砂浆强度的回弹法检测报告通常包括以下内容:
1. 试验目的,报告会首先说明进行回弹法检测的目的,例如评
估砂浆的强度以确保其符合设计要求或者用于质量控制和验收。
2. 试验标准,报告会说明所采用的回弹法检测的标准或规范,
例如ASTM C805标准等。
3. 样品信息,报告中会包括被测样品的相关信息,如采样位置、采样时间、样品编号等。
4. 试验方法,报告会详细描述回弹法检测的具体步骤和操作流程,包括仪器设备的使用、试验环境条件等。
5. 结果记录,报告会列出每个样品的回弹值,并根据相应的公
式计算出砂浆的强度等级或估算数值。
6. 结果分析,对于回弹值和强度等级的结果,报告会进行分析
和解释,评估样品的质量状况和强度特征。
7. 结论与建议,根据试验结果,报告会给出相应的结论和建议,包括砂浆强度是否符合要求,以及可能需要采取的改进措施。
8. 附录,报告可能还包括一些相关的附录,比如仪器校准证书、原始数据记录表等。
总的来说,回弹法检测砂浆强度的报告应当全面、准确地记录
试验过程和结果,以便工程师、设计师和监理人员进行参考和决策。
回弹法检测砂浆抗压强度报告一、实验目的本实验通过回弹法检测砂浆抗压强度,了解不同龄期砂浆的抗压性能,并掌握回弹法检测砂浆抗压强度的操作步骤和技巧。
二、实验原理回弹法是一种常用的非破坏性检测方法,通过测量弹力仪回弹时的弹簧压缩量,根据回弹量与抗压强度的关系曲线,推算出砂浆的抗压强度。
回弹法的基本原理是利用回弹仪按特定条件和方式,将一钢柱形杆对砂浆试块进行压碎,再释放压力,通过测定试块回弹的高度来间接评定砂浆抗压强度。
三、实验步骤1.实验前准备(1)清洁回弹仪和试块模具,确保无杂质和积水。
(2)准备适量的混凝土砂浆,按照规定的配合比和加水量进行搅拌均匀。
(3)用试块模具制备砂浆试块,填充砂浆,振实并刮平顶面。
(4)将制备好的试块标记好,以便于进行后续的识别。
2.实验操作(1)将标记好的试块放置在回弹仪的试样臂上。
(2)握住回弹仪的手柄,将压杆缓慢地按向试块,使其充分接触。
(3)以稳定的速度释放手柄,使压杆与手柄脱离。
(4)读取回弹仪示数,作为回弹量的参考值。
(5)重复以上操作,对同一试块进行多次回弹测试,记录每次的回弹量。
3.数据处理(1)按照实验要求,取同一试块进行多次回弹测试,并记录每次的回弹量。
(2)根据回弹量与抗压强度关系曲线,通过回归分析计算出砂浆的抗压强度。
四、实验结果与讨论根据实验所得数据和计算结果,可以得出砂浆试块的抗压强度。
通过对不同龄期的砂浆试块进行回弹法检测,可以观察到砂浆强度随时间的变化规律,并对砂浆的施工工艺和使用条件进行评估。
五、实验结论通过回弹法检测砂浆抗压强度,可以间接获得砂浆的抗压性能。
实验结果可以用于评估砂浆的质量和性能,并指导实际工程中的砂浆使用和施工。
六、实验注意事项1.操作时要注意安全,严禁将手指或其他物体放入回弹仪压杆与试块之间。
2.实验中使用的试块模具要干净、平整,以确保试块质量的一致性。
3.实验过程中要保持实验环境的稳定,避免影响实验结果的干扰因素。
以上是回弹法检测砂浆抗压强度的实验报告,通过实验的操作和数据处理,我们可以获得砂浆的抗压强度,并对其性能进行评估。
JC—030回弹法检测砖砌体中砂浆抗压强度报告委托单位xxxx公司委托日期年月日工程名称xxxx综合楼报告日期年月日设计单位xxxx设计院施工日期年月日施工单位xxxx建筑公司检测日期年月日监理单位xxxx监理公司设计等级M10监督单位xxxx质量监督站检测依据GB/T50315--2000检测结果构件名称、编号测区砂浆强度换算值(MPa)测区砂浆强度平均值(MPa)测区砂浆强度代表值(MPa)1层墙体12.1 13.5 12.4 10.8 9.7 11.7 11.72层墙体9.5 10.4 12.3 11.3 10.5 10.8 10.8备注砂浆抗压强度按单个测区评定签发:审核:检测:注:本表由检测机构填写,一式三份,检测机构、委托单位、监理单位各留一份。
报告左上角加盖计量认证CMA章,右上角加盖四川省建设工程质量检测资质专用章有效。
四川省建设厅制JC—030填写说明一、本表是检测机构受委托单位委托,采用回弹法对砌筑抗压强度进行检测后,出具的报告。
二、正常情况下,砂浆强度的检验与评定应按现行国家标准《砌体工程施工质量验收规范》(GB50203-2002)及《建筑砂浆基本性能试验方法》(JGJ70-1990)执行。
只有砂浆试块缺乏代表性或试块数量不足;对砂浆试块的试验结果有怀疑或有争议;砂浆试块的试验结果不能满足设计要求时,可采用回弹法进行检测,检测结果可作为处理工程质量的一个依据。
三、适用条件:1.砂浆强度不应小于2 MPa。
2.适用于砂浆强度均质性普查。
四、取样:1.每一楼层且总量不大于250m3的材料品种和设计强度等级均相同的砌体为1个检测单元。
2.每一检测单元内,应随机选择6个构件(单片墙体、柱),作为6个测区,当1个检测单元不足6个测区时,应将每个构件作为1个测区。
3.每一测区应随机布置不少于5个检测点。
砂浆抗压强度试验报告及说明一、引言二、实验目的1.了解砂浆的抗压强度;2.比较不同配比砂浆的抗压强度差异;3.为工程实际应用提供参考数据。
三、实验原理四、实验步骤1.根据配比要求准备砂浆试样;2.将试样填充到标准模具中;3.用平刀修平试样表面,使其光滑平整;4.标明试块编号及配比信息;5.试块养护及养护条件:试块制备后,将其放置在恒温恒湿条件下养护。
养护期间,每天用清水保持试块表面湿润,养护时间为28天;6.试验前检查试样是否达到预设的养护时间和湿润度;7.将试块放置于试验机上进行加载;8.记录试块破坏前的最大负荷;9.重复实验步骤2-8,得出平均值作为该配比下的抗压强度。
五、实验结果分析在实验中,采用不同的砂浆配比制备试块,并进行抗压强度试验。
得到的试验结果如下:试块编号,砂浆配比,抗压强度(MPa)----------,-------------,----------------1,1:2:4,202,1:3:6,153,1:4:8,10通过实验结果可以看出,不同配比下的砂浆抗压强度存在明显差异。
与1:2:4配比相比,1:3:6配比的砂浆抗压强度降低了25%,而1:4:8配比的砂浆抗压强度降低了50%。
这说明在砂浆配比中,水泥、砂和骨料的比例会直接影响到砂浆的力学性能。
六、影响砂浆抗压强度的因素1.水泥的种类和品牌:不同种类和品牌的水泥含有的主要成分和含量不同,对砂浆的抗压强度有着重要影响。
2.砂子的质量和粒径:优质的砂子具有均匀的颗粒大小和较好的粉质度,能够提高砂浆的抗压强度。
3.骨料的质量和大小:骨料的性质和配比也会影响到砂浆的抗压强度,理想的骨料应具有较好的抗压性能和粉质度。
4.砂浆的配比:水泥、砂子和骨料的比例以及水胶比等因素对砂浆的抗压强度有着直接的影响。
七、试验结果说明从实验结果可以看出,不同配比下的砂浆抗压强度存在着差异,从1:2:4到1:4:8配比下的砂浆抗压强度递减。
这是因为砂浆中水、水胶比的增加,会导致砂浆内部孔隙率增加,结合材料的数量减少,从而降低了砂浆的抗压强度。
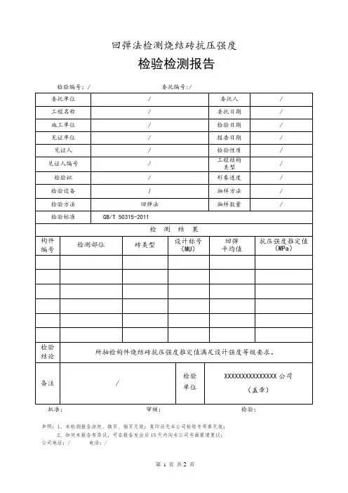
JC—030
回弹法检测砖砌体中砂浆抗压强度报告
委托单位xxxx公司委托日期年月日工程名称xxxx综合楼报告日期年月日设计单位xxxx设计院施工日期年月日施工单位xxxx建筑公司检测日期年月日监理单位xxxx监理公司设计等级M10
监督单位xxxx质量监督站检测依据GB/T50315--2000
检测结果
构件名称、编号测区砂浆强度换算值(MPa)测区砂浆强度平
均值(MPa)
测区砂浆强度代
表值(MPa)
1层墙体12.1 13.5 12.4 10.8 9.7 11.7 11.7
2层墙体9.5 10.4 12.3 11.3 10.5 10.8 10.8
备注砂浆抗压强度按单个测区评定
签发:审核:检测:
注:本表由检测机构填写,一式三份,检测机构、委托单位、监理单位各留一份。
报告左上角加盖计量认证CMA章,右上角加盖四川省建设工程质量检测资质专用章有效。
四川省建设厅制
JC—030填写说明
一、本表是检测机构受委托单位委托,采用回弹法对砌筑抗压强度进行检测后,出具的报告。
二、正常情况下,砂浆强度的检验与评定应按现行国家标准《砌体工程施工质量验收规范》(GB50203-2002)及《建筑砂浆基本性能试验方法》(JGJ70-1990)执行。
只有砂浆试块缺乏代表性或试块数量不足;对砂浆试块的试验结果有怀疑或有争议;砂浆试块的试验结果不能满足设计要求时,可采用回弹法进行检测,检测结果可作为处理工程质量的一个依据。
三、适用条件:
1.砂浆强度不应小于2 MPa。
2.适用于砂浆强度均质性普查。
四、取样:
1.每一楼层且总量不大于250m3的材料品种和设计强度等级均相同的砌体为1个检测单元。
2.每一检测单元内,应随机选择6个构件(单片墙体、柱),作为6个测区,当1个检测单元不足6个测区时,应将每个构件作为1个测区。
3.每一测区应随机布置不少于5个检测点。