PW污水泵型号及参数
- 格式:docx
- 大小:127.99 KB
- 文档页数:3
污水泵型号参数以下几款污水泵型号参数供用户或设计院选型设计【PW型卧式污水泵】型号意义:PW型铸铁污水泵价格流量扬程转速功率效率汽蚀余量吸上整机价型号M3/h L/S m n(r/min)轴功率电机功率(NPSH)r(M) 真空HS(m)元/台50PW-65 14.5 4 16 1440 2.47 4 25.5 5 6 3781 50PW-65 25 6.94 32 2900 3.35 4 63 2 6 3614 80PW-100 56 15.5 13.5 1440 4.1 5.5 50 4.5 6 4420 80PW-100 90 25 26 2900 7 11 75 3.5 8 5491 100PW-125 100 27.8 12.5 1440 5.7 7.5 60 4 6 5296 21/2PW 60 16.6 9.5 1440 2.5 4 62 7.2 4198 21/2PW 90 25 26 2920 11 15 58 5 6491 21/2PW 90 25 43 2940 17 22 62 5.5 7673 4PW 100 27.8 11 960 4.7 7.5 64 6.5 5671 4PW 160 44.4 25.5 1460 18 30 62 7.5 10745 6PW 300 83.3 14 980 17 30 67 6.8 13052 6PW 350 97 27 1450 42 55 61 4.5 17514PWF型不锈钢耐腐蚀污水泵流量扬程转速功率效率汽蚀余量吸上整机价型号M3/h L/S m n(r/min)轴功率电机功率(NPSH)r(M) 真空HS(m)元/台50PWF-65 10 2.75 18 1440 2.35 4 20.5 5 6 608814.5 4 16 2.47 25.5 19 5.25 14.5 2.58 2980PWF-100 42 11.7 1414403.55.545.54.5 6 6908 56 15.5 13.5 4.1 5072 20 12.5 45 54.5100PWF-12580 22.2 141440557.5554 6 7785 100 27.8 12.5 57 60125 34.7 10 544 62.5【PW型卧式污水泵】技术参数:流量:36-180m3/h;扬程:8.5-48.5m;电机功率:4-30KW;转速:960-2950r/min;口径:φ65-φ100;介质温度:≤100℃。
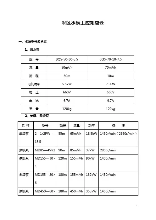
采区水泵工应知应会一、水泵型号及含义1、潜水泵举例说明:型号MD155-30×6水泵的含义:MD表示矿用离心式水泵,M:耐磨,D:单吸泵, 155 表示排水能力为155 m3/h,每段扬程30m,共6段,总扬程为180 m。
型号2 1/2PW—18.5单级泵的含义:2 1/2:泵吸水口直径,P:杂质泵,W:污水,18.5:电机功率18.5kW。
型号BQS-50-30-5.5潜水泵的含义:BQS:排沙潜水泵,50:流量50m3/h,30:扬程30m,5.5:电机功率5.5kW。
二、基本知识1、排水设施主要有:水泵、电动机、启动设备、仪表、管路及管件等组成。
2、压力表读数值:(省略)3、离心式水泵的构造:单级泵主要由泵体、泵盖、叶轮、轴、托架等组成。
多级泵主要由进水段、中段、叶轮、轴、导叶、密封环、平衡盘、平衡环、出水段、出水段导叶、轴套、轴承等组成。
4、离心式水泵的工作原理:(省略)5、水泵的基本参数:流量、扬程、转速、功率、效率目前井下使用的矿用离心式水泵的效率一般为60%—85%,有些离心式水泵的效率可能达到90%。
按其转速主要分为1450转/分(r/min)和2950转/分两种。
水泵铭牌上标出的扬程,一般是指水泵最高效率的扬程。
6、离心水泵轴向推力的平衡方法:主要有:平衡孔法、止推轴承法、平衡盘法和对称布臵叶轮。
7、固定式排水示意图:井下固定式排水示意图水泵及电机放气阀压力表闸阀逆止阀放水阀地面水沟排水管路吸水管真空表底阀吸水井三、离心式多级水泵操作要求:1、开泵前的检查:(1)水泵在运转前,应详细检查各部螺栓有无松动是否齐全;联轴器的间隙是否合乎规定;润滑油质量及数量是否合乎要求;管路和闸伐、逆止阀等是否正常。
(2)检查盘绠松紧是否合适;并盘车2—3转,检查水泵组转动部分是否灵活。
(3)检查吸水管路是否正常;底阀没入深度;吸水几何高度是否符合规定。
(4)检查电控设备是否完好。
(5)检查接地线是否良好。
PW污水泵型号及参数上海阳光泵业作为国内一家著名的集研制、开发、生产、销售、服务于一体的大型多元化企业,上海阳光泵业制造有限公司一直坚持“以质量求生存、以品质求发展”的宗旨为广大客户提供优质服务!同时,上海阳光泵业一直专注于自身实力的提升以及对产品质量的严格把关,为此,目前不但拥有国内最高水准的水泵性能测试中心、完善的一体化服务体系、经验丰富的水泵专家,同时经过多年的发展,产品以优越的性能、精良的品质、良好的服务口碑获得各项专业认证证书和客户认可。
经过团队的不懈努力,上海阳光泵业在国内水泵行业已经取得了很大成就。
这样一家诚信为本、责任重于天的水泵行业佼佼者,对于水泵的维修、保养等各大方面都有自己独特的方法,下面就一起来看看吧!一、产品概述:PW型污水泵是单级、单吸、悬臂式离心污水泵。
PW型污水泵吸入口为轴向水平方向,PW型污水泵排出口可根据需要装成水平或垂直方向。
PW型污水泵主要由泵盖、泵壳、叶轮、轴封、轴、和托架等零部件组成。
轴封采用新颖的双端面机械密封结构形式,泵与电机安装在共同底盘上,通过弹性联轴器由电机直接驱动。
该泵具有效率高、节能显著、运行平稳、性能可靠、维修方便等优点。
本司产品全部采用计算机设计和优化处理,公司拥有雄厚的技术力量、丰富的生产经验和完善的检测手段,从而保证产品质量的稳定可靠。
(材质、铸铁、不锈钢)。
二、产品用途:1、PW普通型污水泵可输送污水、含有悬浮固体颗粒、长纤维物质及生活用废水。
泵体为优质铸铁材质,介质温度不超过100℃。
2、PWF型耐腐蚀污水泵可输送带有酸性、碱性或其他腐蚀性的污水,广泛应用于化工、石油、轻工、食品、制药、酿造、环保及污水处理等行业。
泵体及过流部件采用304不锈钢材质制造,介质温度不高于100℃。
三、技术参数:流量:14.5-125m3/h;扬程:9.5-27m;电机功率:4-55KW;转速:960-2950r/min;口径:φ65-φ125;介质温度:≤100℃。
大流量潜水排污泵我国将实行四大节能政策国家发展改革委能源局局长徐锭明表示,在加快建设资源节约型社会过程中,我国将采取四大能源政策。
徐锭明在提交给11日举行的国际柴油发展论坛的报告中说,这四大能源政策为:一是通过调整产业结构促进节能。
我国把转变增长方式作为经济发展的战略重点,努力提高经济发展质量和效益,充分发挥结构调整的节能效用。
加快产业结构优化升级,积极实施《促进产业结构调整暂行规定》和《产业结构调整指导目录》,加快发展能源消耗少的服务业和高新技术产业,严格控制高耗能、高耗材、高耗水产业发展。
根据资源环境承载能力,优化区域产业布局,实行优化开发、重点开发、限制开发和禁止开发的区别政策。
二是通过完善价格和财税体制促进节能。
我国将继续充分发挥市场配置资源的基础性作用,积极推进能源领域的体制改革,加快推进资源性产品价格的市场化进程,建PW、PWF型悬臂式离心污水泵一、产品概述:PW、PWF型污水泵是单级、单吸、悬臂式离心污水泵。
泵吸入口为轴向水平方向,泵排出口可根据需要装成水平或垂直方向。
主要由泵盖、泵壳、叶轮、轴封、轴、和托架等零部件组成。
轴封采用新颖的双端面机械密封结构形式,泵与电机安装在共同底盘上,通过弹性联轴器由电机直接驱动。
该泵具有效率高、节能显著、运行平稳、性能可靠、维修方便等优点。
本司产品全部采用计算机设计和优化处理,公司拥有雄厚的技术力量、丰富的生产经验和完善的检测手段,从而保证产品质量的稳定可靠。
(材质、铸铁、不锈钢)二、适用范围:1、PW普通型污水泵可输送污水、含有悬浮固体颗粒、长纤维物质及生活用废水。
泵体为优质铸铁材质,介质温度不超过100℃。
2、PWF型耐腐蚀污水泵可输送带有酸性、碱性或其他腐蚀性的污水,广泛应用于化工、石油、轻工、食品、制药、酿造、环保及污水处理等行业。
泵体及过流部件采用304不锈钢材质制造,介质温度不高于100℃。
三、技术参数:流量:36-180m3/h;扬程:8.5-48.5m;电机功率:4-30KW;转速:960-2950r/min;口径:φ65-φ100;介质温度:≤100℃。
PWL、PW型污水泵
PW 、 PWL 型污水泵我厂目前生产有 2 1 /2PW 、 4PW 、 2 1 /2PWL 、 6PW 、8PW 、 6PWL 、 8PWL 七种,都是经过改造的产品,有结构简单可靠,检修方便等优点。
2 1 /2PW 、 4PW 、 6PW 、 8PW 是卧式单级单吸悬臂式离心污水泵; 2 1 /2PWL 、 6PWL 、 8PWL 是立式单级单吸离心污水泵。
适于抽送80 ℃以下带有纤维或其它悬浮物的液体,供城市工矿企业排除污水粪便之用。
该型泵不适于吸送酸性和碱性以及含有多盐分的其它能引起金属腐蚀的化学混合物液体。
若必须有这样特殊需要的话,可以用耐腐蚀性污水泵。
2 1 /2PW 、 2 1 /2PWL 、 4PW 型泵从转动方向看为顺时针方向旋转。
6PW 、8PW 、 6PWL 、 8PWL 型泵,从转动方向上看为逆时针方向转动。
PW 污水泵
型号意义:如 6PWL
6—吐出口径(毫米数被 25 除所得值)
P—杂质泵
W—污水
L —立式。
污水潜水泵型号及参数大全1. 引言污水潜水泵是一种专门用于排放和输送污水的设备,主要用于城市排水、污水处理厂、工业废水处理及农田灌溉等领域。
本文将介绍几种常见的污水潜水泵型号及其基本参数。
2. 型号一:XWQ污水潜水泵XWQ污水潜水泵是一种单级单吸轴向切割泵。
其主要特点如下:•扬程范围:2-50m•流量范围:8-550m³/h•功率范围:0.75-200kW•进口直径:50-350mm该型号的污水潜水泵适用于工业、市政污水处理及排水工程中,能有效切割纤维、塑料等颗粒物质,具有良好的排污性能。
3. 型号二:WQ宽通道污水潜水泵WQ宽通道污水潜水泵是一种多级、非堵塞式的污水潜水泵。
其主要特点如下:•扬程范围:5-40m•流量范围:5-2000m³/h•功率范围:0.75-350kW•进口直径:65-350mm宽通道设计使得该型号污水潜水泵能够有效排放含有大颗粒物的污水,适用于工业废水处理、市政污水、污水站等场合。
4. 型号三:AS潜水排污泵AS潜水排污泵是一种双吸、轴向分离式结构的污水潜水泵。
其主要特点如下:•扬程范围:5-125m•流量范围:7-1340m³/h•功率范围:1.5-400kW•进口直径:50-800mmAS潜水排污泵具有结构紧凑、噪音低、性能可靠等特点,适用于污水处理厂、化工厂及矿山工程等场合。
5. 型号四:QW液下混合流污水潜水泵QW液下混合流污水潜水泵是一种能同时输送清水和污水的潜水泵。
其主要特点如下:•扬程范围:3-30m•流量范围:10-460m³/h•功率范围:2.2-300kW•进口直径:65-600mm该型号污水潜水泵适用于排水系统、污水处理厂及污水站,具有高效能、稳定性好的优点。
6. 型号五:YW液下排污泵YW液下排污泵是一种立式、轴向流式的污水潜水泵。
其主要特点如下:•扬程范围:5-50m•流量范围:12-3500m³/h•功率范围:2.2-400kW•进口直径:150-1200mm该型号污水潜水泵适用于市政、工业污水处理站,可有效排放含有固体颗粒物的污水。
污水泵即为离心杂质泵的一种,因具有结构紧凑,占地面积小,安装维修方便,连续运转时间长以及振动噪声小,电机温升低,对环境无污染等特点,所以,现被广泛应用,因此,其型号也是多种多样,那具体的型号及参数都是多少呢,下边带你了解。
以上就是有关污水泵型号参数的相关介绍,希望对大家在选择时有所帮助,同时,由于目前该产品应用广泛,所以,生产的厂家也是越来越多,因此,大家在选择时不仅要看型号参数是否适合,还需对厂家进行合理的对比,这样才能以较低的价格选购到质量较好的污水泵。
污水泵型号及价格以下几款污水泵型号及价格供用户或设计院选型设计
【PW型卧式污水泵】型号意义:
PW型铸铁污水泵价格
PWF型不锈钢耐腐蚀污水泵
【LW型立式无堵塞排污泵】型号意义:
YW液下式、LW直立式、GW管道式系列排污泵价格
【WQK/QG系列切割式潜水排污泵】型号意义:
WQK高效无堵塞带切割装置型及带刀型污水污物潜水泵价格
【QW(WQ)系列无堵塞潜水排污泵】型号意义:
WQ、QW系列潜水式排污泵价格
【YW型液下排污泵】型号意义:
YW液下式、LW直立式、GW管道式系列排污泵价格
【ZW型无堵塞自吸排污泵】型号意义:
ZW型自吸无堵塞排污泵价格
ZWL系列直联式自吸无堵塞排污泵。
优秀水泵制造商-上海沈泉泵阀制造有限公司是一家专业生产,销售管道泵,隔膜泵,磁力泵,自吸泵,螺杆泵,排污泵,消防泵,化工泵等给排水设备的厂家,产品涉及工矿企业、农业、城市供水、石油化工、电站、船舶、冶金、高层建筑、消防供水、工业水处理和纯净水、食品、制药、锅炉、空调循环系统等行业领域。
潜污泵是一种常用于污水处理、污水排放、农田排涝、工业用水等领域的水泵。
其结构紧凑、体积小、能耗低,适用于深水排泄。
而此次沈泉小编将为大家简单的介绍几种常用潜污泵型号及其主要参数,以便用户选择适合自己需要的产品。
潜污泵常用型号及参数表1、QW潜水式无堵塞排污泵:在引进国外先进技术的基础上,结合国内水泵的使用特点而研制成功的新一代泵类产品,具有节能效果显著、防缠绕、无堵塞、自动安装和自动控制等特点。
适用于化工、石油、制药、采矿、造纸工业、水泥厂、炼钢厂、电厂、煤加工工业,以及城市污水处理厂排水系统、市政工程、建筑工地等行业输送带颗粒的污水、污物,也可用于抽送清水及带腐蚀性介质,在有腐蚀的介质中一般采用QWP不锈钢潜水排污泵。
主要技术参数如下:流量范围:10-2600(m3/h)扬程范围:7-60(m)功率范围:0.75-250(KW)口径范围:25-500(mm)2、AS、AV型潜水式排污泵:具有带撕裂的结构,能将污水中长纤维、袋、带、草、布条等物质撕裂、切断,然后顺利排放,特别适合于输送含有坚硬固体、纤维物的液体以及特别脏、粘、滑的液体。
所有AS排污泵均装有经调整好的撕裂机构,能将污水中的长纤维、袋、草、布条等撕裂后排出。
因此在污水中工作不会堵塞,运行极其可靠。
适用于化工、石油、制药、采矿、造纸、电厂及城市污水处理、市政工程、公共设施排污等输送带颗粒、纤维的污水污物。
主要技术参数如下:流量范围:15-145(m3/h)扬程范围:4-25(m)功率范围:1.1-7.5(KW)口径范围:76-152(mm)3、WQK/QG切割潜水排污泵:该泵排污通过能力特别强,带切割性能好,能将污水中的长纤维、塑料、纸、带、布条、稻草、绳子等杂质切碎后排出,使电泵可以全扬程运行,优良的干式电机和水泵的组合,电泵采用高质量的硬质合金,双端面机械密封和骨架油封组面部位,不得超过电动机高度的1/2,抽送污物温度不超过40℃。
污水泵型号参数以下几款污水泵型号参数供用户或设计院选型设计【PW型卧式污水泵】型号意义:PW型铸铁污水泵价格流量扬程转速功率效率汽蚀余量吸上整机价型号M3/h L/S m n(r/min)轴功率电机功率(NPSH)r(M) 真空HS(m)元/台50PW-65 14.5 4 16 1440 2.47 4 25.5 5 6 3781 50PW-65 25 6.94 32 2900 3.35 4 63 2 6 3614 80PW-100 56 15.5 13.5 1440 4.1 5.5 50 4.5 6 4420 80PW-100 90 25 26 2900 7 11 75 3.5 8 5491 100PW-125 100 27.8 12.5 1440 5.7 7.5 60 4 6 5296 21/2PW 60 16.6 9.5 1440 2.5 4 62 7.2 4198 21/2PW 90 25 26 2920 11 15 58 5 6491 21/2PW 90 25 43 2940 17 22 62 5.5 7673 4PW 100 27.8 11 960 4.7 7.5 64 6.5 5671 4PW 160 44.4 25.5 1460 18 30 62 7.5 10745 6PW 300 83.3 14 980 17 30 67 6.8 13052 6PW 350 97 27 1450 42 55 61 4.5 17514PWF型不锈钢耐腐蚀污水泵流量扬程转速功率效率汽蚀余量吸上整机价型号M3/h L/S m n(r/min)轴功率电机功率(NPSH)r(M) 真空HS(m)元/台50PWF-65 10 2.75 18 1440 2.35 4 20.5 5 6 608814.5 4 16 2.47 25.5 19 5.25 14.5 2.58 2980PWF-100 42 11.7 1414403.55.545.54.5 6 6908 56 15.5 13.5 4.1 5072 20 12.5 45 54.5100PWF-12580 22.2 141440557.5554 6 7785 100 27.8 12.5 57 60125 34.7 10 544 62.5【PW型卧式污水泵】技术参数:流量:36-180m3/h;扬程:8.5-48.5m;电机功率:4-30KW;转速:960-2950r/min;口径:φ65-φ100;介质温度:≤100℃。
PWF型耐腐蚀污水泵型号及参数1.PWF型耐腐蚀污水泵型号:PWF80-65-125流量:25m³/h扬程:20m功率:4kW转速:2900r/min进口直径:80mm出口直径:65mm泵体材质:铸铁叶轮材质:不锈钢2.PWF型耐腐蚀污水泵型号:PWF100-80-160流量:50m³/h扬程:35m功率:7.5kW转速:2900r/min进口直径:100mm出口直径:80mm泵体材质:不锈钢叶轮材质:不锈钢3.PWF型耐腐蚀污水泵型号:PWF150-125-250流量:100m³/h扬程:60m功率:18.5kW转速:1450r/min进口直径:150mm出口直径:125mm泵体材质:铸铁叶轮材质:不锈钢4.PWF型耐腐蚀污水泵型号:PWF200-150-280流量:150m³/h扬程:80m功率:37kW转速:1450r/min进口直径:200mm出口直径:150mm泵体材质:铸铁叶轮材质:不锈钢5.PWF型耐腐蚀污水泵型号:PWF250-200-400流量:200m³/h扬程:100m功率:55kW转速:1450r/min进口直径:250mm出口直径:200mm泵体材质:铸铁叶轮材质:铸铁以上仅是部分样例,实际PWF型耐腐蚀污水泵的型号及参数会根据具体需求进行设计与选择。
在选型时,需要根据需要处理的介质性质、流量、扬程、泵体材质、叶轮材质等因素进行综合考量,并参考厂家提供的性能曲线及细节参数来确定最合适的型号。
污水泵规格型号参数表污水泵,适合于各种恶劣环境下的污水和污泥的抽送排淤。
水泵为下吸式,能够抽干工作面地表水;电动机为潜水三相异步电动机:占地面积小,安装使用方便,可靠耐用,寿命长。
流量范围:10m3/h~1000m3/h;扬程范围:5m~400m。
污水泵规格型号参数表:型号意义:污水泵使用环境及条件:1、电源频率50Hz,额定电压为380V或660V(允差为:5%)的三相交流电源。
2、输送介质的固体物的容积比在2%以下,输送介质密度最大为1.2x103kg/m3。
3、输送介质自PH值为4~10.4、输送介质温度不超过40℃;污水泵应该有以下两方面特点:1.污水泵首先一点是要耐腐蚀。
这决定了泵体的过流部分必须是耐腐蚀材料,金属材料不是最理想的,这在实战中也证明这一点!随着科技的进步,科学家们发现工程塑料是耐腐蚀的首选,经过改性的塑料,不仅具有金属的硬度,而且有着金属材料不具备的超强耐腐性能。
所以,工程塑料成为耐腐蚀化工泵的首选。
但是,昂贵的塑胶模具是制约工程塑料污水泵的关键因素。
现在,伴随着中国制造业的发展,塑胶模具也已普及,为工程塑料耐腐蚀化工泵的发展提供了肥沃的土壤。
2.污水泵要具备自动控制功能。
因为化工泵所输送的液体非酸即碱,如果漏露,会对环境造成污染。
所以,污水泵要具备智能控制系统,在化工泵出现异常时,(比如,当无水进入化工泵,易造成空抽,而烧坏化工泵的机械轴封,从而造成再开机时漏液,造成污染。
)此时,智能控制系统检测到异常情况,就立即断电停机,发也警报,只需加水再开机即可,将问题消灭在萌芽状态,从而从根本上避免污水泵漏液问题。
PW型污水泵型号及产品概述上海阳光泵业作为国内一家著名的集研制、开发、生产、销售、服务于一体的大型多元化企业,上海阳光泵业制造有限公司一直坚持“以质量求生存、以品质求发展”的宗旨为广大客户提供优质服务!同时,上海阳光泵业一直专注于自身实力的提升以及对产品质量的严格把关,为此,目前不但拥有国内最高水准的水泵性能测试中心、完善的一体化服务体系、经验丰富的水泵专家,同时经过多年的发展,产品以优越的性能、精良的品质、良好的服务口碑获得各项专业认证证书和客户认可。
经过团队的不懈努力,上海阳光泵业在国内水泵行业已经取得了很大成就。
这样一家诚信为本、责任重于天的水泵行业佼佼者,对于水泵的维修、保养等各大方面都有自己独特的方法,下面就一起来看看吧!一、PW型离心污水泵产品概述:我厂目前生产的离心污水泵有2‘/2P W、4PW、2‘/2PWL、6PW、8PWL七种,都是经过改造的产品,有结构可靠,检修方便等优点。
2‘/2PW、4PW、6PW、8PW是卧式单级单吸悬臂式离心污水泵:2‘/2PWL、6PWL、8PWL是立式单级单吸离心污水泵。
适于抽送80 ℃以下带有纤维或其它悬浮物的液体,供城市工矿企业排污水粪便之用。
PW污水泵不适于吸送酸性和碱性以及含有多盐分的其它能引起金属腐蚀的化学混和物液体。
若必须有这样特殊需要的话,可以用污水泵。
2‘/2PW、2‘/2PWL、4PW型泵从转动方向看为顺时针方向旋转。
6PW、8PW、6PWL、8PWL型泵从转动方向上看为逆时针方向转动。
二、PW型离心污水泵型号意义:6--吐出口径(毫米数被25除所得值);P-杂质泵;W-污水;L-立式污水泵。
三、PW型离心污水泵性能参数表:父亲的格局决定家庭的方向一个家庭的福气运道,不是凭空出现的,它是家庭成员共同努力得来的。
家庭要想和谐兴旺,首先要走对方向,父亲的格局就决定着家庭的发展方向。
曾国藩曾说:“谋大事者首重格局”,心中格局的大小,决定了眼光是否长远,眼光是否长远又决定了事物的成败。
PWDL、PWXL和PWcL型多吸头立式防淤排污泵一、产品简介多吸头排污泵是我厂鞍山市恒力机械设备制造有限公司技术人员在总结国内外同类产品先进技术的基础上研制成功的专利产品(专利号:ZL95231486—X)也是我厂的主导产品,具有结构简单、安装方便、噪音低、效率高、防淤、节能等特点,在排送含有固体颗粒的污水方面具有独特功效。
二、主要用途PWDL、PW×L和PwCL型立式防淤排污泵主要用于冶金、矿山、电力、煤炭、造纸、轻纺、建材、机械、市政工程等工业生产部门做为矿浆、泥浆、纸浆等各种浆体输送设备。
它即可以简短工作也可以连续工作。
三、主耍特点PWDL、PWXL和PWCL型立式防淤排污泵具备离心泵的共性挖外,还有其它泵不具备的四大特点:1、多吸头:每台泵有4个吸水头,分布在泵坑的中央和各个角落,因而吸头备用率高,吸水范围大,泵坑沉积少。
2.带搅拌:在主吸头下部装有搅拌器,可将泵坑内的沉淀物搅起,能有效防止吸头堵塞和泵坑淤积。
3、设绞刀:在搅拌轮上部装有金属绞刀,可将污水中的纤维物质(如手套、抹布、塑料)绞碎,可有效地防止吸水头堵塞。
4、免固定:其它类型的立式污水泵都设有托架,固定在泵坑内的预埋件上,不但安装麻烦,也给检修和泵坑清淤带来极大的不便,而多吸头立式防淤排污泵,支吸头既是吸水头又是泵的支架,不需安装固定,只需将泵放于坑内联接出水管即可,运行平稳,检修维护方便。
当然根据拥护的需要和现场的实际情况,也可以采用托架支撑的方法进行安装。
四、适用条件1、输送污水水温不能超过60℃。
2、污水中的固体颗粒粒径不得超过15mm。
3、被输送污水的最高允许浓度为30%左右。
4、输送介质中的固体颗粒比重不限。
5、各种不同型号的排污泵,适用的淹没水深也不同,即PWDL为1.5-1.8m,PWXL 为1.5-2.0m,PWCL2.5-2.8m。
五、型号说明1、50PWD(X、C)L-A(B)50:泵出口直径(mm) PW:排污水泵 L:立式D、X、C:标准多吸头、上下轴承多吸头A、B:第一次车削叶轮、第二次车削叶轮六、结构说明PWDL、PWXL和PWCL型立式防淤排污泵由立式电机和泵体两部分组成。
2pw型污水泵
2pw型污水泵
2pw型污水泵产品概述
2pw型污水泵是单级、单吸、悬臂式离心污水泵。
泵吸入口为轴向水平方向,泵排出口可根据需要装成水平或垂直方向。
主要由泵盖、泵壳、叶轮、轴封、轴、和托架等零部件组成。
2pw型污水泵产品特点
2pw型污水泵轴封采用新颖的双端面机械密封结构形式,泵与电机安装在共同底盘上,通过弹性联轴器由电机直接驱动。
该泵具有效率高、节能显著、运行平稳、性能可靠、维修方便等优点。
2pw型污水泵产品用途
1、2pw型污水泵可输送污水、含有悬浮固体颗粒、长纤维物质及生活用废水。
泵体为优质铸铁材质,介质温度不超过100℃。
2、2pw型污水泵采用不锈钢材质可输送带有酸性、碱性或其他腐蚀性的污水,广泛应用于化工、石油、轻工、食品、制药、酿造、环保及污水处理等行业。
泵体及过流部件采用304不锈钢材质制造,介质温度不高于100℃。
2pw型污水泵型号意义
2 – 吐出口径(寸)
P – 杂质泵
W – 排污泵。
2.5pw污水泵面均有擦拭作用,故适宜用在带有悬浮颗粒的介质中。
目前,无论在石油、化工,还是在别的行业的管道系统,阀门应用、操作频率和千变万化,要控制或杜绝那怕是低微的泄漏,最重要、最关键的设备还数阀门。
管道的最终控制是阀门,阀门在各个领域的和可靠表现是独一无二的。
采购后阀门检查及维修保养阀门维修保养不及时,造成阀门失修渗漏或开关不灵;阀门未定期检修试压,甚至使用多年未进行清洗、试压和技术鉴定,致使杂物沉积于阀内,关闭不严,严重渗油、窜油;阀门检修后未关闭,或者拆除阀门后未封堵管口;阀门尘兰垫片使用了不耐油不耐压材料等。
因此,要加强对阀门的检查,力争做到防患于未然。
阀门检查的主要内容:、阀杆动密封及法兰垫片静密封处是否渗漏2、启闭状态是否正常3、阀体有无损伤及渗漏等异常现象4、将平时常开或常闭的阀WQ系列无堵塞潜水排污泵一、适用范围:WQ系列无堵塞潜水排污泵适用用于工商业严重污染废水的排放、主宅区的污水排污站、城市污水处理派水系统、人防系统排水站、自来水的给水设备、医院、宾馆的污水排放、市政工程建筑工地、矿山配套附机、农村沼气池、农田灌溉等行业,输送带颗粒的污水,污物,也可用于清水及带弱腐蚀性介质。
二、产品特点:1、采用双叶片叶轮结构,大大提高了污物的通过能力2、机械密封采用新型磨檫副,并长期处入油室内运行;3、整体结构紧凑、体积小、噪声小、节能效果显著,检修方便,方便用户更换;4、自动控制柜可以根据所需液位变化,自动控制泵的超动与停止,不需专人看管,使用极为方便;5、可根据用户需要配备安装方式,它给安装、维修到来极大的方便,人可不必此为而进入污水坑;6、能够在设计范围内使用,而保证电机不会过载;7、机械密封采用新型硬质耐腐的钛化钨材料,可使泵安全连续运行8000小时以上。
三、使用条件:1、排污泵系列产品在额定电压为380V,电源频率为50Hz时适用2、介质温度不超过40摄氏度,介质密度≤1150kg/m3,PH值在5-9范围之间;3、海拔高度不超过1000米;4、输送介质年粘度不超1000CP;5、产品工作运行时必须完全潜入水中,但潜水深度不得超过10m;6、产品材质主要为铸铁,不能用于强腐蚀性或含有强腐蚀性的介质中;四、型号意义:口径mm 型号流量m3/h扬程m转速r/min功率kw2525WQ2-10-0.3721029000.3725WQ4-10-0.5541029000.5525WQ10-15-1.510152900 1.5 25WQ10-20-2.210202900 2.23232WQ8-12-0.7581229000.75 32WQ6-15-1.16152900 1.1 32WQ12-15-1.512152900 1.5 32WQ10-20-2.210202900 2.24040WQ10-10-0.75101029000.75 40WQ8-15-1.18152900 1.1 40WQ8-20-1.58202900 1.5 40WQ12-15-1.512152900 1.5 40WQ15-20-2.215202900 2.25050WQ27-5-0.7527529000.75 50WQ20-7-0.7520729000.75 50WQ15-8-0.751582900.75 50WQ10-10-0.75101029000.75 50WQ10-12-1.110122900 1.1 50WQ33-7-1.13372900 1.1 50WQ40-7-1.54072900 1.5 50WQ25-10-1.525102900 1.5 50WQ20-15-1.520152900 1.5 50WQ15-15-1.515152900 1.5 50WQ10-18-1.510182900 1.5 50WQ15-20-2.215202900 2.2 50WQ15-18-2.215182900 2.2 50WQ15-25-2.215252900 2.2 50WQ27-15-2.227152900 2.2 50WQ30-14-2.230142900 2.2 50WQ42-9-2.24292900 2.2 50WQ30-10-2.230102900 2.2 50WQ20-22-3202229003 50WQ25-18-3251829003 50WQ15-30-3153029003 50WQ25-20-4252029004 50WQ30-18-4301829004 50WQ40-15-4401529004 50WQ20-30-5.520302900 5.5 50WQ25-25-5.525252900 5.5 50WQ20-40-7.5204029007.5 50WQ25-35-7.5253529007.5 50WQ30-30-7.5303029007.56565WQ35-7-2.23572900 2.2 65WQ30-10-2.230102900 2.2 65WQ25-15-2.225152900 2.2 65WQ40-9-340929003 65WQ35-10-3351029003 65WQ37-13-3371329003 65WQ30-22-4302229004 65WQ40-15-4401529004 65WQ25-30-5.525302900 5.5 65WQ40-20-5.540202900 5.5 65WQ32-25-5.532252900 5.5 65WQ30-30-5.530302900 5.5 65WQ40-30-7.5403029007.5 65WQ30-40-7.5304029007.5 65WQ30-45-113045290011 65WQ35-50-153550290015 65WQ35-60-18.53560290018.58080WQ40-7-2.24071450 2.2 80WQ35-9-2.23591450 2.2 80WQ30-12-2.230121450 2.2 80WQ50-7-350729003 80WQ45-10-3451029003 80WQ43-13-3131329003 80WQ40-15-4401529004 80WQ65-10-5.565102900 5.5 80WQ50-20-5.550202900 5.5 80WQ40-25-5.540252900 5.5 80WQ30-30-5.530302900 5.5 80WQ65-25-7.5652529007.5 80WQ80-15-7.5801529007.5 80WQ40-30-7.5403029007.5 80WQ30-40-7.5304029007.5 80WQ50-35-115035290011100100WQ70-6-370614503 100WQ85-10-4851014504 100WQ70-15-4701514504 100WQ100-10-5.5100101450/2900 5.5 100WQ65-15-5.565151450/2900 5.5 100WQ120-7-7.512071450/29007.5 100WQ100-10-7.5100101450/29007.5100WQ85-15-7.585151450/29007.5 100WQ80-20-7.580201450/29007.5 100WQ100-15-7.5100151450/29007.5 100WQ100-20-11100201450/290011 100WQ100-25-11100251450/290011 100WQ120-25-151********/290015 100WQ100-30-151********/290015 100WQ120-30-18.5120301450/290018.5 100WQ100-35-18.5100351450/290018.5 100WQ100-40-22100401450/290022150150WQ150-7-7.5150714507.5 150WQ145-9-7.51450914507.5 150WQ110-15-7.51101514507.5 150WQ200-7-11200798011 150WQ150-12-1115012145011 150WQ200-10-1520010145015 150WQ180-15-1518015145015 150WQ180-20-18.518020145018.5 150WQ150-26-18.515026145018.5 150WQ180-25-2218025145022 150WQ200-20-2220020145022 150WQ240-20-3024020145030 150WQ200-25-3020025145030 150WQ150-35-3715035145037 150WQ180-30-3718030145037 150WQ180-40-4518040145045 150WQ200-38-4520038145045200200WQ300-7-11300798011 200WQ250-11-1525011145015 200WQ300-8-153008145015 200WQ250-15-18.525015145018.5 200WQ300-9-18.53009145018.5 200WQ400-10-2240010145022 200WQ360-12-2236012145022 200WQ300-15-2230015145022 200WQ450-10-3045010145030 200WQ400-13-3040013145030 200WQ300-18-3030018145030 200WQ250-22-3325022145030 200WQ450-15-3745015145037 200WQ300-25-3730025145037 200WQ400-20-4540020145045200WQ350-25-4535025145045 200WQ250-35-4525035145045 200WQ450-22-5545022145055 200WQ400-25-5540025145055 200WQ300-40-5530040145055250250WQ600-9-30600998030 250WQ600-12-376001298037 250WQ600-15-4560015145045 250WQ600-20-5560020145055 250WQ600-25-7560025145075 250WQ600-30-7560030145075300300WQ800-7-30800798030 300WQ800-9-37800998037 300WQ800-12-4580012145045 300WQ680-15-4568015145045 300WQ800-15-5580015145055 300WQ600-20-5560020145055 300WQ800-20-7580020145075300300WQ800-25-9080025145090 300WQ950-20-9095020145090 300WQ1000-25-1101000251450110350350WQ1100-10-5511001098055 350WQ1180-13-7511801398075 350WQ1200-15-9012001598090 350WQ1200-20-110120020980110400400WQ1800-7-551800774055 400WQ1800-10-7518001074075 400WQ1800-12-9018001274090 400WQ2000-10-9020001074090 400WQ2000-13-110200013740110 400WQ200-15-132200015740132450450WQ2300-10-9023001074090 450WQ2250-11-110225011740110 450WQ2260-14-132226014740132500500WQ2500-10-110250010740110500WQ2500-16-160250016740160 600600WQ5400-8-18554008740185600WQ4000-12-200400012740200以下数据资料仅供参考,如有修改,恕不通知:其它品种排污泵:JYWQ自动搅匀潜水排污泵JYWQ型自动搅匀潜水排污泵一、适用范围:JPWQ系列自动搅匀潜水排污泵适用用于工商业严重污染废水的排放、主宅区的污水排污站、城市污水处理派水系统、人防系统排水站、自来水的给水设备、医院、宾馆的污水排放、市政工程建筑工地、矿山配套附机、农村沼气池、农田灌溉等行业,输送带颗粒的污水,污物,也可用于清水及带弱腐蚀性介质。
PW污水泵型号及参数
上海阳光泵业作为国内一家著名的集研制、开发、生产、销售、服务于一体的大型多元化企业,上海阳光泵业制造有限公司一直坚持“以质量求生存、以品质求发展”的宗旨为广大客户提供优质服务!同时,上海阳光泵业一直专注于自身实力的提升以及对产品质量的严格把关,为此,目前不但拥有国内最高水准的水泵性能测试中心、完善的一体化服务体系、经验丰富的水泵专家,同时经过多年的发展,产品以优越的性能、精良的品质、良好的服务口碑获得各项专业认证证书和客户认可。
经过团队的不懈努力,上海阳光泵业在国内水泵行业已经取得了很大成就。
这样一家诚信为本、责任重于天的水泵行业佼佼者,对于水泵的维修、保养等各大方面都有自己独特的方法,下面就一起来看看吧!
一、产品概述:
PW型污水泵是单级、单吸、悬臂式离心污水泵。
PW型污水泵吸入口为轴向水平方向,PW型污水泵排出口可根据需要装成水平或垂直方向。
PW型污水泵主要由泵盖、泵壳、叶轮、轴封、轴、和托架等零部件组成。
轴封采用新颖的双端面机械密封结构形式,泵与电机安装在共同底盘上,通过弹性联轴器由电机直接驱动。
该泵具有效率高、节能显著、运行平稳、性能可靠、维修方便等优点。
本司产品全部采用计算机设计和优化处理,公司拥有雄厚的技术力量、丰富的生产经验和完善的检测手段,从而保证产品质量的稳定可靠。
(材质、铸铁、不锈钢)。
二、产品用途:
1、PW普通型污水泵可输送污水、含有悬浮固体颗粒、长纤维物质及生活用废水。
泵体为优质铸铁材质,介质温度不超过100℃。
2、PWF型耐腐蚀污水泵可输送带有酸性、碱性或其他腐蚀性的污水,广泛应用于化工、石油、轻工、食品、制药、酿造、环保及污水处理等行业。
泵体及过流部件采用304不锈钢材质制造,介质温度不高于100℃。
三、技术参数:
流量:14.5-125m3/h;
扬程:9.5-27m;
电机功率:4-55KW;
转速:960-2950r/min;
口径:φ65-φ125;
介质温度:≤100℃。
四、型号意义:
例如:80PWF-100
80-泵出口直径(mm)
P-杂质泵
W-污水
F-耐腐蚀
100-泵吸入口直径(mm)
五、PW型悬臂式离心污水泵性能参数。