PLC训练题(基本逻辑指令简单应用1)
- 格式:pdf
- 大小:304.63 KB
- 文档页数:5
plc编程练习题(打印版)PLC编程练习题(打印版)一、基础练习题1. 题目:编写一个PLC程序,实现一个简单的交通信号灯控制。
要求:交通信号灯有红、黄、绿三种颜色。
初始状态为红灯亮,持续5秒后变为绿灯,绿灯持续10秒后变为黄灯,黄灯持续3秒后返回红灯状态。
2. 题目:设计一个PLC程序,控制一个简单的电机启动和停止。
要求:电机启动时需要先检查安全条件,如安全门是否关闭。
安全门关闭后,启动电机;按下停止按钮,电机停止。
二、进阶练习题1. 题目:编写一个PLC程序,实现对一个生产线的物料传送带的控制。
要求:传送带需要根据物料的重量来调整速度。
当物料重量小于10kg时,传送带以低速运行;当物料重量在10kg至20kg之间时,以中速运行;超过20kg时,以高速运行。
2. 题目:设计一个PLC程序,控制一个自动门的开关。
要求:自动门需要根据人流量来自动开关。
当检测到有人进入时,门打开;当人离开后,门关闭。
门的开关需要有安全保护机制,防止夹伤。
三、综合练习题1. 题目:编写一个PLC程序,实现对一个小型工厂的能源管理系统。
要求:系统需要监控电能、水能和燃气的使用情况。
当能源使用超过预设值时,系统需要发出警告,并自动调整设备的运行状态。
2. 题目:设计一个PLC程序,控制一个自动售货机的运作。
要求:售货机需要根据用户的选择来出货。
用户可以通过触摸屏选择商品,售货机根据选择的商品自动出货。
同时,售货机需要能够显示商品的库存情况。
附加练习题1. 题目:编写一个PLC程序,实现对一个简单的电梯控制系统。
要求:电梯需要根据用户选择的楼层来运行。
电梯在运行过程中需要检测超载情况,并在超载时发出警告。
2. 题目:设计一个PLC程序,控制一个简单的工业机器人的移动。
要求:机器人需要根据预设的路径移动,并在路径的每个点执行特定的任务。
机器人的移动需要有安全保护机制,防止碰撞。
注意:以上练习题仅供参考,实际编程时需要根据具体的PLC型号和编程软件进行相应的调整。
plc练习题带答案PLC(可编程逻辑控制器)是一种广泛应用于工业自动化控制领域的电子设备。
以下是一些PLC练习题及答案,供学习者参考:练习题1:假设你有一个由PLC控制的自动化生产线,该生产线有三个传感器A、B和C,它们分别检测不同的生产条件。
编写一个PLC程序,使得当传感器A和B同时被触发时,电机M1启动;当传感器C被触发时,电机M1停止。
答案:```plc// 假设传感器A、B和C的输入地址分别为I0.0, I0.1, I0.2// 电机M1的输出地址为Q0.0Network 1// 启动条件IF I0.0 AND I0.1 THENQ0.0 := 1;END_IFNetwork 2// 停止条件IF I0.2 THENQ0.0 := 0;END_IF```练习题2:编写一个PLC程序,用于控制一个简单的交通信号灯系统。
信号灯有三个灯:红灯、绿灯和黄灯。
系统要求红灯亮5秒后,绿灯亮3秒,然后黄灯亮2秒,之后循环。
答案:```plc// 假设红灯、绿灯和黄灯的输出地址分别为Q0.0, Q0.1, Q0.2// 使用T0作为定时器Network 1// 红灯亮5秒T0 := 5s;Q0.0 := 1;Q0.1 := 0;Q0.2 := 0;Network 2// 等待红灯定时完成IF T0 THEN// 绿灯亮3秒T0 := 3s;Q0.0 := 0;Q0.1 := 1;Q0.2 := 0;END_IFNetwork 3// 等待绿灯定时完成IF T0 THEN// 黄灯亮2秒T0 := 2s;Q0.0 := 0;Q0.1 := 0;Q0.2 := 1;END_IFNetwork 4// 黄灯定时完成后重置定时器并循环IF T0 THENT0 := 5s;Q0.0 := 1;Q0.1 := 0;Q0.2 := 0;END_IF```练习题3:设计一个PLC程序,用于控制一个简单的自动门系统。
系统有两个传感器,一个是门的开闭状态传感器S1,另一个是安全传感器S2。
第一题搅拌机控制(1)有一台搅拌机,用三相交流异步电动机拖动,其控制要求如下:(1)工作过程:当按下启动按钮SB1时,电动机首先正向旋转15秒,然后停5秒,然后反向旋转15秒,停5秒,然后再正转……如此循环。
(2)停止过程:任何时候,按下停止按钮SB2,电动机停止运行。
(3)报警及保护在系统中有急停保护按钮ES和电动机过载保护继电器FR。
如果搅拌机运行过程中按下了急停按钮ES,或者电动机发生过载,则电动机立即停止运转,同时报警指示灯HL1以1赫兹(50%占空比)的频率闪烁。
系统中有报警解除按钮SB3,如果系统发生报警,按下此按钮,报警指示灯HL1熄灭。
编程思路分析(1)采用状态转移法编程,将整个工作过程分为四个状态阶段(正转、停止、反转、停止),每一个状态阶段用一个内部继电器(M继电器)作为状态标志,在每一个状态结束时,将下一个状态标志设置为1(用置位指令),将已经结束的状态标志设置为0(用复位指令),以此来实现状态转移。
(2)如果需要停止,将所有的状态标志全部复位即可。
(3)如果需要报警,则将所有的状态标志全部复位,使系统停止,同时将报警状态设置为1(用置位指令),控制报警指示灯闪烁。
知识点(1)状态转移法编程的基本概念(2)置位指令及复位指令的基本用法(3)边沿指令的概念及用法(4)定时器指令的用法(5)常用特殊内部继电器(SM0.0、SM0.1、SM0.5的作用及特点)I/O分配表部分程序示例及说明网络1为初始化程序段,把程序中将要用到的中间继电器全部复位,防止有些中间继电器在上次编程时已经闭合。
网络2完成启动按钮功能,当启动按钮按下,如果此时系统不处于任何一种状态中,也无报警信息(M1.0为OFF),则系统进入第一个状态(M0.0闭合)。
如果按下启动按钮时,系统中有报警信息存在(I0.3或I0.4为ON),则系统继续报警(M1.0为ON)。
网络3实现状态1(M0.0为ON)到状态2(M0.1为ON)的转移。
实验一基本指令的编程练习一、实验目的1、熟悉西门子PLC实验装置。
2、掌握S7-200型PLC的输入输出配置及外围设备的连接方法。
3、练习掌握STEP7 Micro WIN V4.0编程软件的使用方法。
4、掌握梯形图、指令表等编程语言的转换。
5、掌握与、或、非基本逻辑指令及定时器、计数器的使用。
二、实验设备1、PLC实验台(西门子S7-200)1台。
2、安装了STEP7 Micro WIN V4.0软件的计算机一台。
3、PC/PPI编程电缆一根。
4、导线若干。
三、实验接线图和I/O分配表3.1实验接线图I/O分配表编地址说明功能号1 I0.0 按钮1 系统启动2 I0.1 按钮2 系统停止3 I0.2 按钮34 I0.3 按钮45 Q0.0 灯1 指示灯6 Q0.1 灯2 指示灯7 Q0.2 接触器1 控制电动机8 Q0.3 接触器2 控制电动机四、实验步骤1、电源断电,按图接线将AC220V电源通过单极空气开关接至PLC主机电源,按纽SB1、SB2、SB3、SB4分别接至PLC输入点I0.0、I0.1、I0.2,I0.3指示灯L1、L2、KM1、KM2分别接至Q0.0、Q0.1、Q0.2、Q0.3。
用编程电缆连接PLC的PORT1和计算机的COM端。
2、接通电源,打开计算机,进入PLC编程界面,检查计算机与PLC主机通信是否正常。
3、新建文件,保存,将程序逐条输入,检查无误后,将PLC设为停止状态,STOP指示灯亮,将程序下载至PLC后,再将PLC设为运行状态,RUN指示灯亮。
4、按下按钮SB1、SB2、SB3或SB4观察输出指示灯的状态是否符合程序的运行结果。
五、基本指令练习程序1、与、或、非逻辑功能实验通过程序判断Q0.0、Q0.1、Q0.2的输出状态,然后输入并运行程序加以验证。
参考程序:(1)梯形图根据输出结果,绘制时序图(2)语句表2、电动机起动保持停止控制程序(1)梯形图(2)语句表LD I0.0O Q0.0AN I0.1= Q0.03、置位、复位指令练习(1)梯形图(2语句表)根据输出结果,绘制时序图根据输出结果,绘制时序图4、定时器功能的实验(1)得电延时定时电路语句表(2)断电延时定时电路(3) 掉电保护性接通延时定时器(保持定时器)电路根据输出结果,绘制时序图注意:PLC的定时器有一定的定时范围。
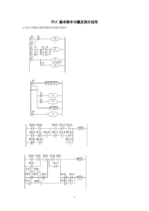
PLC基本指令习题及设计应用1.写出下图所示梯形图对应的指令程序2.简化下列梯形图并转换成指令语句3. 三台电动机的启动和停止需要顺序控制,控制要求如下:(1)按启动后M1运行3秒后,M2开始运行;(2)M2运行4秒后,M3开始运行,同时M1停止运行;(3)M3运行20秒后,M2停止运行;(4)M3接着运行5秒后,M1开始运行,M3停止运行;如此反复运行4次后停止。
4. 用PLC设计一个楼梯灯控制装置,控制要求如下:只用一个按钮控制,当按一次按钮时,楼梯灯亮1min后自动熄灭;当连续两次按钮时,灯长亮不灭;当按下的时间超过2s时,灯熄灭。
5. 下图为水塔水位控制模拟图。
当水位低于水池低水位界(S4为OFF表示),阀门Y 打开进水(Y为ON),定时器开始定时,4秒后,如果S4还不为ON,那么故障指示灯闪烁,表示阀门Y没有进水,出现故障,S3为ON后,阀门Y关闭(Y为OFF)。
当S4为ON时,且水塔水位低于水塔低水位界时S2为OFF,电机M运转抽水。
当水塔水位高于水塔高水位界S1为ON时电机M停止。
6. 设计一个控制小车运行的梯形图。
控制要求:(1)按下起动按钮,小车由A点开始向B点运动,到B点后自动停止,停留10秒后返回A点,在A点停留10秒后又向B点运动,如此往复;(2)按下停止按钮,小车立即停止运动;(3)小车拖动电机要求有过载和失压保护。
7.设计三台电机M!、M2、 M3循环运行控制的梯形图,启动时M!先运行5秒,停机后,M2开始运行,8秒后停止,M3启动并运行85秒后,小车自动返回到A9作,电机运行5010. 设计一个抢答器,如图7.53令语句,外部接线图。
11. 如图1(1)运动部件A从1到2;(2)接着B从3到4;(3)接着A从2回到1;(4)接着B从4回到3;试画出I/O12. 某抢答比赛,赛且二人同时按钮才能抢得。
抢得及违例由各分台灯指示。
器电路。
13.有一小车运行过程如图 8 所示。
新手练习plc的练习题PLC(可编程逻辑控制器)是一种用于自动化控制系统的电子设备,被广泛应用于各个领域。
对于新手来说,掌握PLC的操作和编程是学习自动化控制的重要一步。
本文将提供一些PLC的练习题,帮助新手提高他们的PLC编程技能。
练习题一:LED灯控制题目描述:设计一个PLC程序,通过一个按钮来控制一个LED灯的开和关。
当按钮按下时,LED灯亮起,再次按下时灯灭。
解答:这是一个基础的PLC控制任务。
我们可以使用一个输入接口(按钮)和一个输出接口(LED灯),并写一个简单的Ladder逻辑程序来实现控制。
首先,我们需要配置一个输入接口,将按钮与PLC的一个输入点连接。
然后,配置一个输出接口,将LED灯与PLC的一个输出点连接。
接下来,我们可以使用Ladder逻辑图来编写PLC程序。
如下所示:--- 将按钮连接到I0,并连接到左边的线圈I0 -------------------------------------( )-----------|V--- 将LED灯连接到Q0,并连接到右边的线圈|VQ0 -------------------------------------( )-----------上述逻辑图中,按下按钮(I0)会导致左边的线圈闭合,接通电路,从而导通LED灯(Q0),灯亮起。
再次按下按钮,左边线圈断开,LED灯灭掉。
练习题二:电机正反转控制题目描述:设计一个PLC程序,通过两个按钮实现一个电机的正反转控制。
一个按钮用于电机正转,另一个按钮用于电机反转。
解答:这是一个稍微复杂一点的PLC控制任务。
我们需要两个输入接口(正转按钮和反转按钮)和一个输出接口(电机)来实现控制。
首先,配置两个输入接口,将两个按钮与PLC的两个输入点连接。
然后,配置一个输出接口,将电机与PLC的两个输出点连接。
接下来,我们使用Ladder逻辑图编写PLC程序。
如下所示:--- 将正转按钮连接到I0,并连接到上方的线圈I0 -------------------------------------( )-----------|V--- 将反转按钮连接到I1,并连接到下方的线圈I1 -------------------------------------( )-----------|V--- 将电机正转线圈连接到Q0,并连接到上方输出接口|VQ0 -------------------------------------( )-----------|V--- 将电机反转线圈连接到Q1,并连接到下方输出接口|V上述逻辑图中,按下正转按钮,正转按钮的线圈闭合,导通Q0,电机正转。
第一题搅拌机控制(1)有一台搅拌机,用三相交流异步电动机拖动,其控制要求如下:(1)工作过程:当按下启动按钮SB1时,电动机首先正向旋转15秒,然后停5秒,然后反向旋转15秒,停5秒,然后再正转……如此循环。
(2)停止过程:任何时候,按下停止按钮SB2,电动机停止运行。
(3)报警及保护在系统中有急停保护按钮ES和电动机过载保护继电器FR。
如果搅拌机运行过程中按下了急停按钮ES,或者电动机发生过载,则电动机立即停止运转,同时报警指示灯HL1以1赫兹(50%占空比)的频率闪烁。
系统中有报警解除按钮SB3,如果系统发生报警,按下此按钮,报警指示灯HL1熄灭。
第二题搅拌机控制(2)有一台搅拌机,采用三相交流异步电动机M驱动,控制过程如下:(1)工作过程:控制系统有一个短循环启动按钮SB1,有一个连续运行启动按钮SB2,当按下按钮SB1或SB2时,搅拌电动机M首先正转10S,然后反转10S,如此循环…如果按下的是短循环启动按钮SB1,则系统运行指示灯HL1闪烁;如果按下的是连续运行启动按钮SB2,则系统运行指示灯HL1常亮。
在搅拌电动机M运行过程中,SB1和SB2不起作用。
(2)停止过程:在短循环工作方式下,当循环5次后,搅拌电动机M自动停止运行,同时HL1熄灭。
任何情况下,按下停止按钮SB3,搅拌电动机M在完成当前循环后(即完成反转10S 后),停止运行,同时HL1熄灭。
(3)报警及保护在系统中有急停保护按钮ES和电动机过载保护继电器FR。
如果搅拌机运行过程中按下了急停按钮ES,或者电动机发生过载,则电动机立即停止运转,同时报警指示灯HL2以1赫兹(50%占空比)的频率闪烁。
系统中有报警解除按钮SB4,如果系统发生报警,按下此按钮,报警指示灯HL2熄灭。
第三题三相交流异步电动机星-三角启动运行控制有一台三相交流异步电动机,需采用星-三角启动方式启动工作,其控制要求如下:(1)工作过程:当按下启动按钮SB1时,主接触器KM1闭合,同时星形启动接触器KM2闭合,电动机做星形连接,降压启动。
plc习题集答案PLC(可编程逻辑控制器)习题集答案# 习题一:基本逻辑运算题目描述:给定输入信号A和B,求输出信号Y的逻辑表达式。
答案:- AND运算:Y = A AND B- OR运算:Y = A OR B- NOT运算:Y = NOT A- XOR运算:Y = A XOR B# 习题二:定时器设置题目描述:使用PLC定时器实现一个延时开关,要求输入信号X激活后,输出信号Y在5秒后变为激活状态。
答案:- 设置一个T型定时器,预设时间为5秒。
- 当输入信号X为高电平时,启动定时器。
- 当定时器时间到后,输出信号Y变为高电平。
# 习题三:计数器应用题目描述:设计一个PLC程序,用于计数输入信号P的脉冲次数,当计数达到10次时,输出信号Q变为激活状态。
答案:- 使用C型计数器,设置计数上限为10。
- 每当输入信号P接收到一个脉冲,计数器增加1。
- 当计数器值达到10时,输出信号Q变为高电平。
# 习题四:顺序控制题目描述:设计一个PLC程序,实现以下顺序控制逻辑:首先启动电机M1,然后延时3秒后启动电机M2,最后延时2秒后同时停止M1和M2。
答案:- 使用顺序控制指令,首先设置启动M1的逻辑。
- 启动M1后,使用T型定时器设置3秒延时。
- 延时结束后,启动M2。
- 再次使用T型定时器设置2秒延时。
- 延时结束后,同时停止M1和M2。
# 习题五:数据传送与转换题目描述:将PLC内部寄存器D0中的数据传送到D1,并将其转换为BCD码存储在D2中。
答案:- 使用数据传送指令将D0中的数据传送到D1。
- 使用BCD码转换指令将D1中的数据转换为BCD码。
- 将转换后的BCD码存储在D2中。
以上是针对不同类型PLC习题的示例答案。
在实际应用中,具体的指令和程序可能会根据所使用的PLC型号和编程软件有所不同。
建议结合具体的PLC手册和编程指南进行编程实践。
plc程序练习题目PLC(可编程逻辑控制器)是一种常用于工业控制系统的设备,它能通过编程实现对工业生产过程的自动化控制。
本文将提供一些PLC程序练习题目,以帮助读者加深对PLC编程的理解和应用。
题目一:水箱自动控制系统设计一个PLC程序,实现对水箱液位的自动控制。
系统包括一个水箱,一个进水阀门和一个排水阀门。
要求当水箱液位低于一定阈值时,自动开启进水阀门;当水箱液位高于一定阈值时,自动开启排水阀门。
解题思路:1. 设置一个液位传感器,用来检测水箱液位。
2. 根据液位传感器的信号,编写PLC程序,判断液位的高低。
3. 如果液位低于阈值,PLC输出信号给进水阀门,打开进水阀门。
4. 如果液位高于阈值,PLC输出信号给排水阀门,打开排水阀门。
5. 当液位达到设定值时,关闭进水阀门或排水阀门。
题目二:温度控制系统设计一个PLC程序,实现对温度的自动控制。
系统包括一个加热器和一个温度传感器。
要求当温度低于一定阈值时,自动打开加热器;当温度高于一定阈值时,自动关闭加热器。
解题思路:1. 设置一个温度传感器,用来检测温度。
2. 根据温度传感器的信号,编写PLC程序,判断温度的高低。
3. 如果温度低于阈值,PLC输出信号给加热器,打开加热器。
4. 如果温度高于阈值,PLC输出信号给加热器,关闭加热器。
5. 循环执行以上步骤,实现温度的自动控制。
题目三:流水线控制系统设计一个PLC程序,实现对流水线的自动控制。
系统包括一个传感器、一个电机和一个气缸。
要求当传感器检测到物品时,自动启动电机;当物品经过一段距离后,自动触发气缸将物品推出。
解题思路:1. 设置一个传感器,用来检测物品的到达。
2. 根据传感器的信号,编写PLC程序,判断是否有物品到达。
3. 如果检测到物品到达,PLC输出信号给电机,启动电机。
4. 物品经过一段距离后,PLC输出信号给气缸,触发气缸将物品推出。
5. 循环执行以上步骤,实现对流水线的自动控制。
plc编程基础练习题PLC编程基础练习题近年来,随着工业自动化的快速发展,PLC(可编程逻辑控制器)已经成为工业控制领域中不可或缺的一部分。
PLC编程是控制系统中的核心技术之一,对于工程师们来说,掌握PLC编程基础是必不可少的。
本文将介绍一些PLC编程基础练习题,帮助读者更好地理解和掌握这一技术。
1. 闪烁灯首先,我们从一个简单的例子开始。
假设有一个PLC控制器,连接了一个灯泡和一个按钮。
当按钮按下时,灯泡开始闪烁,每隔1秒亮一次,然后再暗一次。
请编写一个PLC程序实现这个功能。
这个练习题可以帮助读者了解PLC的基本输入输出(I/O)配置和PLC程序的基本结构。
在这个例子中,按钮是一个输入设备,灯泡是一个输出设备。
PLC程序需要读取按钮状态,判断是否按下,然后控制灯泡的亮灭。
2. 电梯控制接下来,我们考虑一个稍微复杂一些的例子——电梯控制。
假设有一个三层楼的建筑物,里面有一个电梯。
电梯可以通过按钮控制上下运动,并且每层楼都有一个按钮可以呼叫电梯。
请编写一个PLC程序实现电梯的控制。
这个练习题可以帮助读者理解PLC程序的逻辑控制。
在这个例子中,电梯的运行状态和楼层状态需要通过PLC程序进行控制和判断。
当有人按下楼层按钮呼叫电梯时,PLC程序需要判断电梯当前的运行状态和楼层状态,然后控制电梯的运动。
3. 流水线控制最后,我们来考虑一个更加复杂的例子——流水线控制。
假设有一个流水线,上面有三个工作站,分别是装配、焊接和包装。
每个工作站都有一个传感器,用于检测产品是否到达。
请编写一个PLC程序实现流水线的控制,确保产品按照正确的顺序经过每个工作站。
这个练习题可以帮助读者理解PLC程序的并行控制和状态判断。
在这个例子中,每个工作站的传感器状态需要通过PLC程序进行检测和判断。
当产品到达某个工作站时,PLC程序需要判断前一个工作站的状态,然后控制产品的流动。
通过以上三个练习题,读者可以逐步提高对PLC编程的理解和掌握。
例1:三相交流异步电动机点动运行控制有一台三相交流异步电动机M,其运行由交流接触器KM控制。
当按下按钮SB1时,接触器KM线圈通电,其主触点闭合,电动机M转动;当松开按钮SB1时,接触器KM线圈失电,其主触点断开,电动机M停止转动。
为了保护电动机M,控制电路中设立了热保护继电器FR。
当电动机M过载时,热保护继电器FR动作,接触器KM线圈失电,其主触点断开,电动机M停止转动。
例2:三相交流异步电动机启动、停止控制有一台三相交流异步电动机M,其运行由交流接触器KM控制。
当按下启动按钮SB2时,接触器KM线圈通电,其主触点闭合,电动机M转动;当按下停止按钮SB1时,接触器KM线圈失电,其主触点断开,电动机M停止转动。
为了保护电动机M,控制电路中设立了热保护继电器FR。
当电动机M过载时,热保护继电器FR动作,接触器KM线圈失电,其主触点断开,电动机M停止转动。
例3:三相交流异步电动机点动及连续运行控制有一台三相交流异步电动机M,其运行由交流接触器KM控制。
当按下点动按钮SB1时,接触器KM线圈通电,其主触点闭合,电动机M转动;当松开SB1时,接触器KM线圈失电,其主触点断开,电动机M停止转动。
当按下连续运行按钮SB2时,接触器KM线圈通电,其主触点闭合,电动机M转动;当松开SB2时,接触器KM线圈仍旧通电,其主触点闭合,电动机M保持转动状态,直至按下停止按钮SB3或SB1。
当按下停止按钮SB3时,接触器KM线圈失电,其主触点断开,电动机M停止转动。
为了保护电动机M,控制电路中设立了热保护继电器FR。
当电动机M过载时,热保护继电器FR动作,接触器KM线圈失电,其主触点断开,电动机M停止转动。
例4:三相交流异步电动机正、反转及停止控制(1)有一台三相交流异步电动机M,可以正转也可以反转,其转动方向由交流接触器KM1和KM2控制。
在电动机停止的情况下,当按下正向启动按钮SB1时,接触器KM1线圈通电,其主触点闭合,电动机M正向旋转,直至按下停止按钮SB3,接触器KM1线圈失电,其主触点断开,电动机M停止转动。
实验十 PLC基本逻辑指令的编程练习一、实验目的1.熟悉FX2N PLC的组成,电路接线和开机步骤。
2.熟悉三菱GX-Developer编程软件的使用方法。
3.掌握基本逻辑指令LD LDI AND ANI OR ORI ORB ANB SET RST MC MCR的使用方法。
4.学会用基本逻辑指令实现顺控系统的编程。
5.学会PLC程序调试的基本步骤及方法。
6.学会用PLC改造继电器典型电路的方法。
二、实验设备1.计算机2.可编程序控制器综合实验台3.连接电缆4.实验箱挂件三、预习内容1.熟悉三菱GX-Developer编程软件的使用方法。
2.熟悉FX2N PLC的基本位元件:X Y M。
3.熟悉基本逻辑指令LD LDI AND ANI OR ORI ORB ANB SET RST MC MCR的使用方法。
4.熟悉典型继电器电路的工作原理。
5.预习本次实验内容,在理论上分析运行结果,预先写出程序的调试步骤。
四、实验步骤1.了解FX2N PLC的组成,熟悉PLC的电源输入信号端X和公共端COM输出信号端Y和公共端COM;PLC的编程口及PC机的串行通信口编程电缆的连接;RUN/STOP开关机各类指示灯的作用等。
电路连接好并将RUN/STOP开关置于STOP位置,启动三菱GX-Developer编程软件,新建工程,进入编程环境。
2.根据实验内容,在GX-Developer环境下输入梯形图程序,转换后下载到PLC中。
3.程序运行调试并修改。
4.写实验报告五、实验内容。
1.“与”“或”“非”逻辑功能实验(1)控制要求通过专用电缆连接PC与PLC主机。
打开编程软件,逐条输入程序,检查无误并把其下载到PLC主机后,将主机上的STOP/RUN按钮拨到RUN位置,运行指示灯点亮,表明程序开始运行,有关的指示灯将显示运行结果。
拨动输入开关X10、X11,观察输出指示丁Y1、Y2、Y3、Y4是否符合与、或、非逻辑的正确结果。
PLC基本指令练习之一一、实验目的:(1)熟悉梯形图编程软件CX-P的基本使用方法;(2)熟悉PLC的基本编程指令。
二、实验内容1.基本逻辑指令练习(1)在CX-P中输入图1中的梯形图,请将注释内容同时输入;图1 基本逻辑指令练习梯形图(2)在线工作、将程序传送到PLC,把操作模式转到监视状态;(3)在没有按下任何输入按钮时,观察梯形图的运行情况及输出灯的结果。
那个灯会亮,为什么?(4)按下0号按钮不松开,0号输出灯的结果如何?松开0号按钮后,0号输出灯的结果如何?请解释原因。
(5)按下1号按钮不松开,1号输出灯的结果如何?松开1号按钮后,1号输出灯的结果如何?请解释原因。
比较第0行和第1行程序,理解常开触点和常闭触点的概念。
(6)按下2号按钮并松开,2号输出灯会一直保持亮,为什么?按下3号按钮,2号输出灯会灭,为什么?使用3号按钮的常开触点可以吗?为什么?比较第0行程序和第2行程序的区别,理解启动、保持、停止回路(启保停回路)的基本编写方法。
(7)按下4号按钮并松开,3号输出灯会一直保持亮,按下5号按钮3号灯会熄灭,为什么?比较第2行和第3行程序的区别,理解内部辅助继电器的概念,思考第3行程序(使用内部辅助继电器控制输出)的优点。
2.定时器、计数器指令(1)在CX-P中输入图2中的梯形图;(2)在线工作、将程序传送到PLC,把操作模式转到监视状态;(3)观察0号和1号输出灯的结果,按下0号按钮,结果如何?理解定时器指令延时接通、延时断开的使用方法;(4)按2号按钮4次,观察2号灯输出结果,按下3号按钮,观察2号灯的结果,理解计数器的使用方法;(5)改变定时器和计数器的设置值,再次观察结果。
图2 定时器、计数器指令练习3.保持指令(1)在CX-P中输入图3中的梯形图;(2)在线工作、将程序传送到PLC,把操作模式转到监视状态;图3 保持指令练习(3)通过按钮0、按钮1控制0号输出灯;通过按钮2、按钮3控制1号输出灯;(4)当0号灯、1号灯都亮时,断开PLC电源,拔下编程电缆,重新上电,观察1两灯的输出情况,有何不同?体会HR继电器的断电保持功能。
实验三PLC基本逻辑指令编程练习【实验目的】(1)熟悉PLC,了解S7-200系列输入、输出地址编号;(2)掌握与、或、非逻辑功能的编程方法;(3)掌握定时器和计数器的正确编程方法,并学会定时器的扩展方法;(4)熟悉编程软件STEP7的编程环境,软件的使用方法。
【实验要求】(1)实验前认真阅读实验指导书,熟悉实验电路;(2)接线时合理安排挂箱位置,接线要求牢靠、整齐、清楚、安全可靠;(3)操作时要谨慎,不许用手触及各电器元件导电部分及电动机转动部分,以免触电及意外损伤;(4)通电观察继电器动作情况时,要注意安全,防止碰触带电部位,严禁带电操作;(5)按要求完成实验操作,做好实验记录,认真做好实验报告和思考题;(6)实验结束,整理好实验工具,保持实验室整洁卫生。
【实验装置】(1)THSMS模拟实验台 S21挂箱;(2)计算机(安装编程软件STEP7)一台;(3)连接导线若干。
【实验原理和电路】西门子S7-200 是一种小型的可编程序控制器,适用于各行各业。
实验台PLC 主机型号为CPU 224,集成14输入/10输出,共24个数字量I/O点。
数字量扩展单元为EM223,集成16输入/16输出。
主机旁边实验台上的接线孔,通过防转座插锁紧线与PLC的主机相应输入输出插孔相接。
S21挂箱中下面两排I0.0~I1.5为输入按键和开关,模拟开关量的输入。
上边一排Q0.0~Q1.1是LED指示灯,接PLC主机输出端,用以模拟输出负载的通与断,显示程序的运行结果。
进行本实验时,需要进行PLC外部接线。
S7-200的外部接线等效电路如图3所示。
PLC端子上标注L+、M的两个端子,是内部提供的DC 24V电源的正、负极,为外部元器件提供所需电源。
主机旁边实验台上的L+、M接线孔实际上并不是从主机上引出的。
为了降低实验过程中主机被损坏的机率,实验台内部经过变压得到一个DC 24V电源,专为实验过程中为输入、输出回路提供电源的,正负极分别标注为L+和M。
例1:三相交流异步电动机点动运行控制
有一台三相交流异步电动机M,其运行由交流接触器KM控制。
当按下按钮SB1时,接触器KM线圈通电,其主触点闭合,电动机M转动;当松开按钮SB1时,接触器KM线圈失电,其主触点断开,电动机M停止转动。
为了保护电动机M,控制电路中设立了热保护继电器FR。
当电动机M过载时,热保护继电器FR动作,接触器KM线圈失电,其主触点断开,电动机M停止转动。
例2:三相交流异步电动机启动、停止控制
有一台三相交流异步电动机M,其运行由交流接触器KM控制。
当按下启动按钮SB2时,接触器KM线圈通电,其主触点闭合,电动机M转动;当按下停止按钮SB1时,接触器KM线圈失电,其主触点断开,电动机M停止转动。
为了保护电动机M,控制电路中设立了热保护继电器FR。
当电动机M过载时,热保护继电器FR动作,接触器KM线圈失电,其主触点断开,电动机M停止转动。
例3:三相交流异步电动机点动及连续运行控制
有一台三相交流异步电动机M,其运行由交流接触器KM控制。
当按下点动按钮SB1时,接触器KM线圈通电,其主触点闭合,电动机M转动;当松开SB1时,接触器KM线圈失电,其主触点断开,电动机M停止转动。
当按下连续运行按钮SB2时,接触器KM线圈通电,其主触点闭合,电动机M转动;当松开SB2时,接触器KM线圈仍旧通电,其主触点闭合,电动机M保持转动状态,直至按下停止按钮SB3或SB1。
当按下停止按钮SB3时,接触器KM线圈失电,其主触点断开,电动机M停止转动。
为了保护电动机M,控制电路中设立了热保护继电器FR。
当电动机M过载时,热保护继电器FR动作,接触器KM线圈失电,其主触点断开,电动机M停止转动。
例4:三相交流异步电动机正、反转及停止控制(1)
有一台三相交流异步电动机M,可以正转也可以反转,其转动方向由交流接触器KM1和KM2控制。
在电动机停止的情况下,当按下正向启动按钮SB1时,接触器KM1线圈通电,其主触点闭合,电动机M正向旋转,直至按下停止按钮SB3,接触器KM1线圈失电,其主触点断开,电动机M停止转动。
在电动正向运转的过程中,如果按下反向启动按钮SB2,电动机并不会反向运转,只有在电动机M停止后,才能够反向启动并运转,其运转由KM2控制实现,动作方式类似于KM1。
在电动机M反向运转过程中,按下正向启动按钮SB1,效果相同。
为了保护电动机M,控制电路中设立了热保护继电器FR。
当电动机M过载时,热保护继电器FR动作,接触器KM1和KM2线圈失电,其主触点断开,电动机M停止转动。
例5:三相交流异步电动机正、反转及停止控制(2)
有一台三相交流异步电动机M,可以正转也可以反转,其转动方向由交流接触器KM1和KM2控制。
在电动机停止的情况下,当按下正向启动按钮SB1时,接触器KM1线圈通电,KM1主触点闭合,电动机M正向旋转,直至按下停止按钮SB3,接触器KM1线圈失电,其主触点断开,电动机M停止转动。
在电动正向运转的过程中,如果按下反向启动按钮SB2,接触器KM1线圈立即失电,KM1主触点断开,同时接触器KM2线圈通电,KM2主触点闭合,电动机立即反向运转。
在电动机M反向运转过程中,按下正向启动按钮SB1,电动机立即正向运转。
为了保护电动机M,控制电路中设立了热保护继电器FR。
当电动机M过载时,热保护继电器FR动作,接触器KM1和KM2线圈失电,其主触点断开,电动机M停止转动。
例6:水塔供水自动控制
有一个水塔供水自动控制系统,由水塔和蓄水池组成。
其控制过程如下:
当水塔中的下限液位传感器检测到液面太低(对应水塔下限液位传感器S2断开,即S2指示灯熄灭),并且蓄水池内有水(对应蓄水池下限液位传感器S4接通,即S4指示灯点亮)时,则水泵M启动,开始由蓄水池向水塔抽水;当水塔水已经满(对应水塔上限液位传感器S1接通,即S1指示灯点亮)时,水泵M停止抽水。
在此过程中如果蓄水池的液位太低(对应蓄水池下限液位传感器S4断开,即S4指示灯熄灭),将不允许水泵M向水塔抽水,并且电磁阀Y动作,由自来水管网向蓄水池供水,直至蓄水池的液位到达上限(对应蓄水池上限液位传感器S3接通,即S3指示灯点亮),关闭电磁阀Y。
例7:工作台自动往返控制(1)
有一台机床,它的工作台被三相交流异步电动机M拖动,可以做往复运动,其工作示意图以及继电接触控制电路如图所示。
在工作台停止的情况下,按下启动按钮SB1,接触器KM1吸合,电动机M正转,工作台向右前进;当碰到前进限位开关SQ2时,KM1释放,工作台停止前进,同时KM2吸合,电动机M反转,工作台向左后退;当碰到后退限位开关SQ1时,KM2释放,工作台停止后退,同时KM1吸合,工作台前进,……,如此循环往复。
在工作台停止的情况下,按下启动按钮SB2,首先接触器KM2吸合,电动机M反转,工作台向左后退,然后同样作往复运动。
当电动机发生过载,热保护继电器FR动作、碰到极限限位开关SQ3或SQ4、按下停止按钮SB3时,所有接触器释放,电动机M停止转动,工作台停止运行。
机床工作台往复运动示意图
例8:工作台自动往返控制(2)
控制要求:
某工作台由一台三相交流异步电动机拖动,在工作台运行的左右两端有限位开关,工作台在两个限位开关之间做自动往返的运行。
其控制要求如下:
(1)工作过程:
按下启动按钮SB1,工作台如果不在最左端,则应向左后退先返回最左端,碰到左端限位开关后,自动向右前进;如果工作台已经在最左端,则工作台直接向右前进。
向右碰到右端限位开关后,工作台向左后退,直至碰到左端限位开关后,工作台继续向右前进……如此循环往复。
(2)停止过程:
任何时候,按下停止按钮SB2,工作台立即停止运行。
例9:工作台自动往返控制(3)
控制要求:
某工作台由一台三相交流异步电动机拖动,在工作台运行的左右两端有限位开关,工作台在两个限位开关之间做自动往返的运行。
其控制要求如下:
(1)工作过程:
按下启动按钮SB1,工作台如果不在最左端,则应向左后退先返回最左端,碰到左端限位开关后,自动向右前进;如果工作台已经在最左端,则工作台直接向右前进。
向右碰到右端限位开关后,工作台向左后退,直至碰到左端限位开关后,工作台继续向右前进……如此循环往复。
(2)停止过程:
任何时候,按下停止按钮SB2,工作台不会立即停止,只有当工作台向左后退,碰到左端限位开关后,工作台停止运行,停止过程结束。
例10:工作台自动往返控制(4)
某工作台由一台三相交流异步电动机拖动,在工作台运行的左右两端有限位开关,工作台可以手动运行,也能做自动往返的运行。
其控制要求如下:
(1)工作过程:
工作台手动运行和自动运行可以利用钥匙开关SA0来选择。
在SA0选择手动控制方式时,按下前进按钮SB1,工作台向右前进;松开前进按钮SB1,工作台停止。
按下后退按钮SB2时,工作台向左后退;松开后退按钮,工作台停止。
在SA0选择自动控制方式时,按下启动按钮SB3,工作台如果不在最左端,则应向左后退先返回最左端,碰到左端限位开关后,自动向右前进;如果工作台已经在最左端,则工作台直接向右前进。
向右碰到右端限位开关后,工作台向左后退,直至碰到左端限位开关后,工作台继续向右前进……如此循环往复。
(2)停止过程:
任何时候,按下停止按钮SB4,工作台立即停止。
例11:抢答器控制
某抢答器系统能够允许三位选手进行抢答,主持人有个开关K可以控制是否允许抢答。
其控制要求如下:
(1)如果主持人没有启动允许抢答开关,所有的选手的抢答开关都无效,所有选手的指示灯熄灭;
(2)当主持人启动运行抢答开关后,所有的选手允许抢答。
一旦有一位选手按下了抢答按钮进行了抢答,对应该位选手的指示灯点亮,同时其他的选手抢答开关也失效,不能够再进行抢答。
(3)当主持人开关K断开,所有的选手指示灯熄灭,准备开始重新抢答。