暖通规范中关于各类常见风管风速、风口风速、水管流速的规定
- 格式:doc
- 大小:191.29 KB
- 文档页数:7
风管风速标准风管风速标准是指在风管内流动的空气速度的规定范围,是确保风管系统正常运行和达到预期效果的重要参数。
风管风速标准的合理确定对于空调、通风、排烟等系统的设计、施工和运行具有重要的指导意义。
本文将从风管风速标准的重要性、确定方法以及常见标准进行介绍。
首先,风管风速标准的重要性不言而喻。
合理的风速标准可以保证空气在风管内的均匀分布,避免出现死角区域,从而保证整个室内空气质量的均衡。
同时,合理的风速标准还可以减小系统的风阻,降低系统的能耗,延长设备的使用寿命。
因此,确定合理的风管风速标准对于系统的正常运行和节能减排具有重要的意义。
其次,风管风速标准的确定方法主要包括经验法和计算法。
经验法是指根据实际工程经验和相关规范标准来确定风速标准,这种方法简单直观,但受限于经验的积累和适用范围。
计算法是指通过流体力学原理和相关计算公式来确定风速标准,这种方法能够更准确地反映系统的实际情况,但需要进行复杂的计算和分析。
一般来说,综合考虑经验法和计算法可以得出较为合理的风管风速标准。
最后,常见的风管风速标准主要包括通风风速标准、空调风速标准和排烟风速标准。
通风风速标准一般为0.2-0.3m/s,可以保证室内空气的流通和新风的有效供应。
空调风速标准一般为1.5-2.5m/s,可以保证室内空气的舒适性和均匀性。
排烟风速标准一般为≥8m/s,可以保证在火灾事故时烟气的有效排出。
这些标准是根据相关规范和实际工程经验得出的,可以作为设计、施工和运行的重要参考依据。
综上所述,风管风速标准是风管系统设计、施工和运行中的重要参数,合理的风速标准对于系统的正常运行和节能减排具有重要的意义。
确定风管风速标准的方法主要包括经验法和计算法,常见的风速标准包括通风风速标准、空调风速标准和排烟风速标准。
希望本文的介绍对于相关工程技术人员有所帮助,能够更好地应用于实际工程中。
暖通空调安装工程中的风速规范要求暖通空调系统在建筑物中的应用越来越广泛,而在安装这些系统时,风速规范要求是非常重要的一部分。
本文将探讨在暖通空调安装工程中的风速规范要求,包括风速的定义、风速的重要性以及相应的规范标准。
一、风速的定义风速是指空气在单位时间内通过一个单位面积所产生的流量。
在暖通空调系统中,风速直接影响着空气的流动性能和舒适度。
过高或者过低的风速都会引起一系列问题,如噪音、空气不均匀、温度差异等。
二、风速的重要性1. 舒适度适宜的风速是保证室内舒适度的关键因素之一。
根据人体对风速的感知,通常建议在空调制冷模式下,风速控制在0.25~0.35m/s之间,而在供暖模式下,风速应该控制在0.15~0.25m/s之间。
适当的风速可以提供较好的风降温效果或者风暖效果,并且不会给人带来不适感。
2. 空气流动性能合适的风速可以保证空气在室内均匀流动,避免局部死角出现。
通过控制风速,可以让室内空气均匀混合,保持一定程度的换气效果,减少室内物质的积聚和异味的产生。
3. 节能合理控制风速也有助于节约能源。
过高的风速会造成风阻增大,增加风机的工作负荷,从而导致能耗的增加。
增加风速还会使室内温度分布不均匀,要求空调系统更频繁地工作来调整温度,进一步增加能耗。
三、风速规范标准国家对于暖通空调系统中的风速规范有一定的标准要求,以下是一些常见的规范:1. ASHRAE标准ASHRAE (美国暖通空调工程师学会)是国际上公认的暖通空调设计和规范标准之一。
根据ASHRAE 55标准,人体对于垂直风速的舒适性感知范围为0.1~0.4m/s。
同时,ASHRAE 62.1标准也规定了风速的最小要求,一般要求风速不低于0.15m/s。
2. GB 50736标准GB 50736标准是中国的暖通空调系统设计与施工规范。
根据该标准,室内空调系统在制冷模式下,风速的舒适范围为0.20~0.30m/s;在供暖模式下,舒适范围为0.10~0.20m/s。
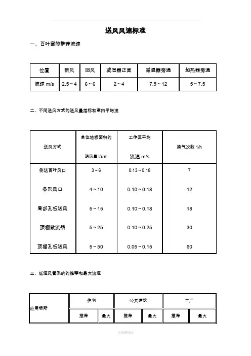
送风风速标准一、百叶窗的推荐流速
二、不同送风方式的送风量指标和室内平均流
三、低速风管系统的推荐和最大流速
四、低速风管系统送风区域的最大允许流速
五、逗留区流速与人体感觉的关系
六、逗留区之最大允许流速
七、回风格棚的推荐流速
八、空调房间允许之最大送风温差
九、通风系统之流速
十、推荐的送风口流速
十一、以噪音标准控制的允许送风流速
第二章
送风口风量速查表
一、侧送风口的送风量
50 7055 85
二、顶棚散流器送风量
三、盘风机匹配风管尺寸
通风与空气调节系统风管内的空气流速宜按表6.6.4 采用
6.6.4 风管内的空气流速(m/s)
注:1.表列值的分子为推荐流速,分母为最大流速。
2.对消声有要求的系统,风管内的流速应符合本规范10.1.5 的规定。
各类送风口的出风风速
注:风口风速应按实际有效面积计算,一般百叶风口的遮挡率可取50%
注:当采用粗糙度较大的非金属材料制作风管时,宜选用较小值。
Welcome To Download !!!
欢迎您的下载,资料仅供参考!。
暖通规范中关于各类常见风速的规定一、各类风口风速规定1、采暖风口1.1、采用热风采暖系统时,应遵守下列规定:送风口的送风速度V(m/s),应根据送风口的高度、型式及布置经过计算确定,当送风口位于房间上部时,送风速度宜取:V= 5~15m/s;当送风口位于离地不高处时,送风速度宜取:V =0.3m/s~0.7m/s;回风口的回风速度,宜取:V=0.3m/s。
来源:《全国民用建筑工程设计技术措施/暖通空调·动力》(2009年版)2.8.71.2、热风幕的送风速度:公共建筑的外门,风速不宜大于6 m/s,高大外门不应大于25m/s。
来源:《全国民用建筑工程设计技术措施/暖通空调·动力》(2009年版)2.8.152、送排回风口2.1、进风、排风口风速(m/s)注:风口风速应按实际有效面积计算,一般百叶风口的遮挡率取50%。
来源:《全国民用建筑工程设计技术措施/暖通空调·动力》(2009年版)4.1.4.82.2、自然通风系统的进排风口风速宜按下表采用:来源GB50736-2012《民用建筑供暖通风与空气调节设计规范》6.6.42.3、机械通风的进排风口风速宜按下表采用:来源:GB50736-2012《民用建筑供暖通风与空气调节设计规范》6.6.52.4、厨房排风系统的风管风速不宜小于8m/s,且不宜大于10m/s;排风罩接风管的喉部风速应取4~5m/s。
来源:《全国民用建筑工程设计技术措施/暖通空调·动力》(2009年版)4.2.102.5、侧送和散流器平送的出口风速采用2m/s~5m/s。
孔板下送风的出口风速,从理论上讲可以采用较高的数值。
因为在一定条件下,出口风速较高时,要求稳压层内的静压也较高,这会使送风较均匀;同时,由于送风速度衰减快,对人员活动区的风速影响较小。
但当稳压层内的静压过高时,会使漏风量增加,并产生一定的噪声。
一般采用3m/s"'_'5m/s 为宜。
中央空调系统风道风速和风口的选择作者:admin 来源:本站原创时间:2011-01-04 浏览次数:576 【大中小】【复制】【打印】1、风管内的风速一般空调房间对空调系统的限定的噪音允许值控制在40~50dB (A)之间,即相应NR(或NC)数为35~45dB(A)。
根据设计规范,满足这一范围内噪音允许值的主管风速为4~7m/s,支管风速为2~3m/s。
通风机与消声装置之间的风管,其风速可采用8~10m/s。
2、出风口尺寸的计算为防止风口噪音,送风口的出风风速宜采用2~5m/s。
风口的尺寸计算与风管道尺寸的计算基本相同,一般当层高在3~4米的房间大约取风速在2~2.5米每秒。
根据经验一般可将使每个风口在20~25平方米的面积,其风量大约在500立方米左右。
3、回风口的吸风速度回风口位于房间上部时,吸风速度取4~5m/s,回风口位于房间下部时,若不靠近人员经常停留的地点,取3~4m/s ,若靠近人员经常停留的地点,取1.5~2m/s ,若用于走廊回风时,取1~1.5m/s 。
4、风管安装注意事项及风管计算❖在风管设计尽量小的情况下保证主管风速5m/s,支管风速3m/s,❖风管计算公式:所选设备风量÷3600÷风速=风管截面积❖同时注意保证风管:长边÷短边≤4一般不要>4 特殊情况特殊对待。
❖风口的选择:所选房间风量÷3600÷风速=散流器喉部截面积❖注意:双百叶风口截面积为以上公式所得面积÷0.75、计算风管尺寸1)等阻尼法(等压法)是一种方便的计算法,适用于多种场合。
2)根据下表确定主风管中的基本阻尼系数。
因回风管位于吸风部位,主要承受外部压力,应注意减轻其风管负担。
对于风管系统,常采用送风管0.08-0.15mmH2O/m,回风管0.06-0.1 mmH2O/m作为基准。
6、在进行风管机的风管道设计时,注意在风管机的进、出风处加静压箱,以均衡风压,减少噪音,并且使静压箱内的流速保证在3米每秒以下,其长度可根据实际情况来定。
送风风速标准一、百叶窗的推荐流速
二、不同送风方式的送风量指标和室平均流
三、低速风管系统的推荐和最大流速
五、逗留区流速与人体感觉的关系
六、逗留区之最大允许流速
七、回风格棚的推荐流速
九、通风系统之流速
十、推荐的送风口流速
十一、以噪音标准控制的允许送风流速
第二章送风口风量速查表一、侧送风口的送风量
二、顶棚散流器送风量
三、盘风机匹配风管尺寸
通风与空气调节系统风管的空气流速宜按表6.6.4 采用
6.6.4 风管的空气流速(m/s)
注:1.表列值的分子为推荐流速,分母为最大流速。
2.对消声有要求的系统,风管的流速应符合本规10.1.5 的规定。
各类送风口的出风风速
送风口形式场所示例出口风速备注
侧送百叶
公寓、客房、别墅、会堂、
剧场、展厅
2.5~
3.8
送风口位置高、工作区允许风速高和噪声标
准低时取较大值
一般办公室 5.0~6.0
高级办公室 2.5~4.0
电影院 5.0~6.0
录音、广播室 1.5~2.5
商店 5.0~7.5
医院病房 2.5~4.0
条缝风口顶送—2~4
孔板顶送—3~5 送风均匀性要求高或送热风时,取较大值喷口—4~8
空调区域噪声要求不高时,最大值可取
10m/s
地板下送—≼2 —
置换通风下送—0.2~0.5 —
注:风口风速应按实际有效面积计算,一般百叶风口的遮挡率可取50%
注:当采用粗糙度较大的非金属材料制作风管时,宜选用较小值。
暖通空调制冷行业之(十)送风风速标准送风风速标准逗留区之最大允许流速不同送风方式的送风量指标逗留区流速与人体感觉的关系推荐的送风口流速通风系统之流速百叶窗的推荐流速逗留区之最大允许流速m/s 人体状态应用冷却m/s 加热m/s 办公室0.1 0.2 长时间坐以噪音标准控制的允许空调房间允许之最大送送风口之最大允许流速低速风管系统的最大允回风格棚的推荐流速低速风管系统的推荐和返回短时间坐餐厅0.15 0.3 轻工作0.2 0.35 重工作0.3 0.45商店轻工业工厂、舞厅送风口之最大允许流速m/s 返回应用场所广播室医院疗房饭店房间、会客室百货公司、剧场盘形送风口 3.0~4.54.0~4.5 4.0~5.06.0~7.5 顶棚送风口 4.0~4.5 4.5~5.05.0~6.0 6.2~7.5 6.0~7.5 侧送风口 2.5 2.5~3.0 2.5~4.0 5.0~7.0 3.5~4.5教室、图书馆、办公室 5.0~6.0逗留区流速与人体感觉的关系返回流速m/s 0~0.08 0.127 0.127~0.25 0.33 0.38 0.38~1.52 人体感觉不舒适,停滞空气的感觉理想,舒适基本舒适不舒适,可以吹动薄纸对站立者为舒适感之上限用于工厂和局部空调空调房间允许之最大送风温差℃ 返回下列房间高度m 送风方式侧送,大风量侧送,小风量顶棚散流器2 6.5 9 9.5 3 8.3 11 16 4 10 13 17 5 12 15 18 6 14 17 18不同送风方式的送风量指标和室内平均流速ASHRAE 返回单位地板面积的送风方式侧送百叶风口条形风口3~6 4~10 送风量l/s m 工作区平均流速m/s 0.13~0.18 0.10~0.18 换气次数1/h 7 12送风风速标准逗留区之最大允许流速m/s 返回空调房间允许之最大送风温差℃ 返回不同送风方式的送风量指标和室内平均流速ASHRAE 返回局部孔板送风顶棚散流器顶棚孔板送风5~15 5~25 5~500.10~0.18 0.10~0.25 0.05~0.1518 30 60低速风管系统的最大允许流速m/s 返回以摩擦阻力控制应用场所住宅公寓、饭店房间办公室、图书馆大礼堂、戏院银行、高级餐厅百货店、自助餐厅工厂以噪声控制主风管 3 5 6 4 7.5 9 12.5 送风主管5 7.5 10 6.5 10 10 15 回风主管4 6.5 7.5 5.5 7.5 7.5 9 送风支管3 6 8 5 8 8 11 回风支管3 5 6.1 4 6 6 7.5推荐的送风口流速m/s 返回应用场所播音室戏院住宅、公寓、饭店房间、教室私人办公室一般办公室电影院百货店、上层百货店、地下流速m/s 1.5~2.5 2.5~3.5 2.5~3.8 2.5~4.0 5.0~6.0 5 7.5 10低速风管系统的推荐和最大流速m/s 返回住宅应用场所室外空气入口空气过滤器加热排管冷却排管淋水室风机出口主风管支风管(水平) 支风管(垂直) 推荐 2.5 1.3 2.3 2.3 2.5 6 4 3 2.5 最大4 1.5 2.5 2.3 2.5 8.5 6 5 4 公共建筑推荐2.5 1.5 2.5 2.5 2.5 9 6 4 3.5 最大4.5 1.8 3 2.5 2.5 11 8 6.5 6 工厂推荐2.5 1.8 3 3 2.5 10 9 5 4 最大8 1.8 3.5 3 2.5 14 11 9 8以噪音标准控制的允许送风流速m/s 返回应用场所图书馆,广播室住宅,公寓,私人办公室,医院房间银行,戏院,教室,一般办公室,商店,餐厅工厂,百货公司,厨房流速m/s 1.75~2.5 2.5~4.0 4.0~5.0 5.0~7.5推荐的送风口流速m/s 返回以噪音标准控制的允许送风流速m/s 返回回风格棚的推荐流速m/s 返回位置流速m/s 2~3 近座位逗留区以上3~4 门下部4 门上部工业用3 =4通风系统之流速m/s 返回系统送风、最大流速低速送风、一般流速回风、最大流速回风、一般流速高速、一般7.5~9 6~11 10 9~13 13 13~25 商业13 11~13 13 工业13百叶窗的推荐流速m/s 返回位置流速m/s 2.5~4 新风6~6 回风减湿器正面减温器旁通加热器旁通2~4 7.5~12 5~7.5。
常用的风口风速规范详细资料1、排烟口的风速≤10m/s(老建规9.4.6.6)2((1)、空调送风口的出口风速,消声要求较高时,宜采用2-5m/s,喷口送风可采用4-10m/s。
(采暖6.5.9)2(2)、空调侧送和散流器平送的出口风速2-5 m/s。
孔板下送风的出口风速3-5 m/s。
条缝型风口下送(多用于纺织厂),当空气调节区层高为4-6m人员活动区风速不大于0.5m/s时,出口风速宜为2-4m/s。
(采暖条文6.5.9民用条文7.4.11技措5.4.6.2【孔板】)3、空调回风口的吸风速度:(采暖6.5.11民用7.4.13)利用走廊回风时,回风口安装在门或墙下部的回风口面风速1-1.5m/s(采暖条文6.5.11)4、自然通风系统的进排风口的空气流速(m/s):(民用表6.6.4-1)5、机械通风系统的进排风风口风速(m/s):(民用表6.6.5)6、进、排风口风速(m/s):(技措表4.1.4)空气流速7、厨房排风系统的风管风速不宜小于8m/s,且不宜大于10m/s;排风罩接风管的喉部风速应取4-5m/s。
(技措4.2.10.2)8、洗衣房机械排风系统洗衣机、烫平机、干洗机、压烫机、人体吹机等散热两大或有异味散出的设备上部,应设置排气罩,其罩面风速应≥0.5m/s。
(技措4.5.1.3.1)9、实验室通风柜操作口处风速:(技措表4.5.7)10、暗室通风宜采用机械排风、自然进风的通风方式,排风量宜取≥5次/h换气。
排风口宜设在水池附近,进风口应采用遮光百叶窗,通过百叶窗的风速应<2m/s。
(技措4.5.8)11、机械加压送风口不宜大于7m/s;排烟口不宜大于10m/s;机械补风口不宜大于10m/s,公共聚集场所不宜大于5m/s;自然补风口不宜大于3m/s。
(技措4.8.5.3)12、人员长期停留的区域采用置换通风方式时,人脚踝处风速不宜超过0.2m/s。
(技措5.4.10.2)13、各类送风口的出口风速:(技措表5.4.11-1)14、散流器颈部最大风速(m/s):(技措表5.4.11-2)一、风口选用总说明:(10K121)1、风口布置需要综合考虑室内气流组织、噪声、建筑装修美观要求、安装维修以及经济性等方面因素。
暖通规范中关于各类常见风速的规定一、各类风口风速规定1、采暖风口1.1、采用热风采暖系统时,应遵守下列规定:送风口的送风速度V(m/s),应根据送风口的高度、型式及布置经过计算确定,当送风口位于房间上部时,送风速度宜取:V= 5~15m/s;当送风口位于离地不高处时,送风速度宜取:V =0.3m/s~0.7m/s;回风口的回风速度,宜取:V=0.3m/s。
来源:《全国民用建筑工程设计技术措施/暖通空调·动力》(2009年版)2.8.71.2、热风幕的送风速度:公共建筑的外门,风速不宜大于6 m/s,高大外门不应大于25m/s。
来源:《全国民用建筑工程设计技术措施/暖通空调·动力》(2009年版)2.8.152、送排回风口2.1、进风、排风口风速(m/s)来源:《全国民用建筑工程设计技术措施/暖通空调·动力》(2009年版)4.1.4.8来源GB50736-2012《民用建筑供暖通风与空气调节设计规范》6.6.4来源:GB50736-2012《民用建筑供暖通风与空气调节设计规范》6.6.52.4、厨房排风系统的风管风速不宜小于8m/s,且不宜大于10m/s;排风罩接风管的喉部风速应取4~5m/s。
来源:《全国民用建筑工程设计技术措施/暖通空调·动力》(2009年版)4.2.102.5、侧送和散流器平送的出口风速采用2m/s~5m/s。
孔板下送风的出口风速,从理论上讲可以采用较高的数值。
因为在一定条件下,出口风速较高时,要求稳压层内的静压也较高,这会使送风较均匀;同时,由于送风速度衰减快,对人员活动区的风速影响较小。
但当稳压层内的静压过高时,会使漏风量增加,并产生一定的噪声。
一般采用3m/s"'_'5m/s 为宜。
条缝形风口气流轴心速度衰减较快,对舒适性空调,其出口风速宜为2m/s~4m/s 。
喷口送风的出口风速是根据射流未端到达人员活动区的轴心风速与平均风速经计算确定。
各类风管及流体输送管道流速选择原则一、液体工艺介质类别最大允许压降流速kg/cm2/100m m/s (1) 一般0.92 1.5~4.6液体密度<1600kg/cm2 1.5~2.4 液体密度<800kg/cm2 1.8~3.0 液体密度<320kg/cm2 3.0~4.6 粘度(cp) 管径(mm) 0.1~0.51.0 25 0.5~1.150 0.7~1.5100 1.0~2.050.0 25 0.5~0.950 0.7~1.0100 1.0~1.6 100.0 25 0.3~0.650 0.5~0.7100 0.7~1.0200 1.2~1.6 1000.0 25 0.1~0.250 0.16~0.25100 0.25~0.35200 0.35~0.55 (2) 泵吸入口饱和液体0.12 0.6~1.8 过冷液体0.23 1.2~2.4 (3) 泵排出口0~60m3/h 1.38 1.8~2.4 60~160m3/h 0.92 2.4~3.0 >160m3/h 0.46 3.0~4.6(4) 容器、塔器底部排出管线0.14 1.2~1.8(5) 再沸器入口0.03 0.3~1.2(6) 冷凝器出口0.11 0.9~1.8(7) 冷却管线0.09 0.6~1.2(8) 塔器供液管线0.14 1.2~1.8二、气体工艺介质类别最大允许压降流速kg/cm2/100m m/s (1) 一般压力等级>35.0 kg/cm2G 0.46 7.0~20.014.0~35.0 kg/cm2G 0.35 7.0~20.010.5~14.0 kg/cm2G 0.14 7.0~20.03.5~10.5 kg/cm2G 0.07 10.0~30.00.0~3.5 kg/cm2G 0.03 10.0~30.0真空0.02 10.0~30.0 换气用风道横置 4.0~7.0竖置 2.0~5.0 排烟烟道内 2.0~3.0烟筒内 4.0~7.0 (2) 压缩机进口管线0.12 20.0~45.0 排出管线0.23 10.0~25.0 (3) 塔器周边管线>2.5 kg/cm2G 0.046~0.12 7.0~20.00.0~2.5 kg/cm2G 0.046~0.12 10.0~30.0真空0.012~0.023 10.0~30.0三、水类别最大允许压降流速kg/cm2/100m m/s(1) 一般0.400.6~4.9口径(mm)25 0.6~0.950 0.9~1.4100 1.5~2.1 150 2.1~2.7 200 2.4~3.0 250 3.0~3.7 300 (水力计算表中Vmax为3.00) 3.0~4.3 400 (水力计算表中Vmax为3.02) 3.0~4.6 450 (水力计算表中Vmax为3.02)>500(水力计算表中Vmax为3.00) 3.0~4.9 600 (水力计算表中Vmax为3.01)700 (水力计算表中Vmax为3.01)800 (水力计算表中Vmax为3.02)900 (水力计算表中Vmax为3.02)1000 (水力计算表中Vmax为3.00)(2) 泵吸入口0.100.5~1.5(3) 泵排出口0.40 1.0~3.0离心泵 2.0~3.0往复泵 1.0~2.0(4) 锅炉给水0.40 1.5~3.0(5) 冷却水0.40 1.0~2.5四、蒸汽类别最大允许压降流速kg/cm2/100m m/s(1) 一般压力等级0.0~3.5 kg/cm2G 0.06 10.0~35.03.5~10.5 kg/cm2G 0.12 10.0~35.010.5~21.0 kg/cm2G 0.23 10.0~35.0>21.0 kg/cm2G 0.35 10.0~35.0 (2) 过热蒸汽口径(mm)>2000.35 40.0~60.0 100~2000.35 30.0~50.0 <100 0.35 30.0~40.0 (3) 饱和蒸汽口径(mm)>2000.2030.0~40.0 100~2000.2025.0~35.0 <100 0.2015.0~30.0 (4) 乏汽排汽管(从受压容器中排出)80.0排汽管(从无压容器中排出)15.0~30.0 排汽管(从安全阀排出)200.0~400.0。
暖通设计中风管、风口、风井风速的选取总结排烟风口风速不宜大于10m/s 老火规9.4.6-6 (注意:如果是商场那种划分很多防烟分区的,排烟口的大小要用风量除以2再算,因为着火时是开两个风口)(注意:排烟口面积求出后,除以0.75的遮挡系数,即为排烟口面积)排烟补风的送风口按措施4.8.5机械补风口不宜大于10,公共聚集场所不宜大于5,自然补风口不宜大于39.3.6 机械加压送风防烟系统中送风口的风速不宜大于7m/s。
(老火规)风管如下(老火规):9.1.6 机械加压送风管道、排烟管道和补风管道内的风速应符合下列规定:1 采用金属管道时,不宜大于20m/s;2 采用非金属管道时,不宜大于15m/s。
但是有消声要求的,风管风速见暖规表10.1.5消防排烟风井和消防补风风井的风速多少合适?不大于15,10-15米左右比较合适。
没有不小于多少的固定,但是个人觉得小于5不太好。
按老防火规范9.1.6 9.1.6 机械加压送风管道、排烟管道和补风管道内的风速应符合下列规定:1 采用金属管道时,不宜大于20m/s;2 采用非金属管道时,不宜大于15m/s。
有时喉部风速为18什么的也没事,因为规范写的是不宜。
风井内的风速7~8一般,最大不超过10.不超过10主要是指排烟,报批稿要求排烟风井风速不超10,排风什么的可以稍微大点。
地下车库通风、空调风管内风速:民规条文说明81页6.6.3条,风速最高10.9.4.8 排烟风机的设置应符合下列规定:1 排烟风机的全压应满足排烟系统最不利环路的要求。
其排烟量应考虑10%~20%的漏风量;2 排烟风机可采用离心风机或排烟专用的轴流风机;3 排烟风机应能在280℃的环境条件下连续工作不少于30min;4 在排烟风机入口处的总管上应设置当烟气温度超过280℃时能自行关闭的排烟防火阀,该阀应与排烟风机连锁,当该阀关闭时,排烟风机应能停止运转。
新风送、排风风管风速:按措施64页表4.6.11.双百的遮挡系数一般取0.75。
暖通设计中风管风口风井风速的选取总结1.定义不同区域的风速要求:在进行风管风口风井风速的选取之前,需要先明确不同区域的风速要求。
根据不同的功能空间,如办公室、会议室、洗手间等,可以确定不同的设计风速要求。
2.考虑人员活动情况:人员的活动情况对于风速的要求有很大的影响。
如在办公室等静态工作区域,较低的风速可以提供较好的舒适度;而在洗手间等高湿度区域,高风速可以提高空气流动性,减少异味和湿度。
3.考虑空调系统的工况参数:在选择风速时需要考虑空调系统的工况参数。
如空调系统的供排风机的额定风量、扬程、风机静压等因素,这些因素直接影响风道和风口的风速。
4.考虑风口配置:不同类型的风口对风速要求也有所不同。
如采用密封风口的处所,相对较高的风速可以提高系统效果;而在开放式的风口处,较低的风速可以减少不必要的噪音和能耗。
5.考虑噪音要求:风速的选择还要考虑噪音要求。
较高的风速会增加系统的噪音,需采取一定的措施减少噪音;而较低的风速则相对不会产生明显的噪音。
6.考虑阻力损失:风速与阻力损失之间存在着一定的关系。
较高的风速会增加阻力损失,需要配备更大的风机和更高的功率;而较低的风速会降低阻力损失,减少系统能耗。
7.考虑漏风问题:较高的风速会增加漏风问题的产生,需要采取一定的措施减少漏风;而较低的风速相对不会产生明显的漏风问题。
在实际工程中,选择合适的风速需要综合考虑上述因素。
可以通过实验和模拟计算等手段来确定最佳的风速范围。
同时,风速的选取还需要符合相关的设计标准和规范。
总之,正确选择风管风口风井风速是保证室内空气质量和舒适度的重要因素。
在实际工程中,我们需要综合考虑不同的因素来确定最佳的风速范围。
这样可以有效地提高空调系统的性能,减少能耗和噪音,提供更好的室内环境质量。
暖通空调系统风速规范要求暖通空调系统作为现代建筑中不可或缺的设备之一,其性能和效果直接影响着人们的舒适度和健康状况。
风速是影响空调系统工作效果的关键因素之一,因此,在设计、安装和调试空调系统时,必须遵循相应的风速规范要求。
本文将介绍暖通空调系统风速规范要求的相关内容。
一、风速规范要求的基本概念风速是指空气在单位时间内通过某一面积的速度,通常以米/秒(m/s)为单位表示。
在制定风速规范要求时,需要考虑到不同使用场所和用途的特殊性,以确保提供适宜的室内空气流动和舒适度。
二、不同场所的风速规范要求2.1 住宅区和办公室针对住宅区和办公室,风速规范要求一般较低,以提供舒适的室内环境为主。
依据相关规范,住宅区和办公室的风速一般应不超过 0.3 m/s,以避免产生不必要的不适感和寒冷感。
2.2 商业场所和购物中心商业场所和购物中心通常为人员密集场所,要求空气流通良好,以确保顾客的舒适感和健康安全。
因此,在这些场所中,风速规范要求一般为 0.3 m/s 到 0.5 m/s 之间。
2.3 医疗机构和实验室在医疗机构和实验室等特殊场所中,由于需要维持特定的卫生和实验要求,风速规范要求较为严格。
根据规范,医疗机构和实验室的风速一般应在 0.5 m/s 到 0.8 m/s 之间。
2.4 体育场馆和展览中心对于体育场馆和展览中心等大型场所,风速规范要求的考虑因素更多。
一方面,要保证观众在观赛过程中的舒适度;另一方面,要确保运动员和表演者在比赛或演出时不受到风速影响。
一般而言,体育场馆和展览中心的风速要求可在 0.5 m/s 到 1.0 m/s 之间。
三、风速规范要求的实施措施为了确保风速规范要求的有效实施,需要在设计、安装和调试空调系统时采取一系列措施。
以下是一些建议:3.1 设计阶段:在进行暖通空调系统设计时,应根据具体场所的使用要求和相关规范,合理确定系统的风速参数,并与其他参数协调统一。
3.2 安装阶段:在进行空调系统的安装过程中,需要保证风道和送风口的密封性和平滑度,避免因不当施工带来的风速异常和漏风问题。
(整理)风速风道及风口风速表用于各类场所的低速风管流速(m/s )风速部位低速风道民用建筑公共建筑工厂新风入口 3.5 4.0 5.0 风机入口3.5 4.0 5.0 风机出口5.0~8.0 6.5~10.0 8.0~12.0 主管道3.5~4.5 5.0~6.5 6.0~9.0 水平支管道3.0 3.0~4.5 4.0~5.0 立支管道2.5 3.0~3.5 4.0 送风口 1.0~2.0 1.5~3.5 3.0~4.0 回风管道低于送风低于送风低于送风低速风管系统的推荐值和最大流速 m/s应用场所住宅公共建筑工厂推荐最大推荐最大推荐最大室外空气入口 2.5 4.0 2.5 4.5 2.5 8.0 空气过滤器 1.3 1.5 1.5 1.8 1.8 1.8 加热排管 2.3 2.5 2.5 3.0 3.0 3.5 冷却排管 2.3 2.3 2.5 2.5 3.0 3.0 淋水室 2.5 2.5 2.5 2.5 2.5 2.5 风机出口 6.0 8.5 9.0 11.0 10.8 14.8 主风管4.0 6.0 6.0 8.0 9.0 11.0 支风管(水平) 3.0 5.0 4.0 6.5 5.0 9.0 支风管(垂直)2.54.03.56.04.08.0表6 -3 低速风管系统的最大允许流速(m/s)应用场所以噪声控制主风管以摩擦阻力控制送风主管回风主管送风支管回风支管住宅 3.0 5.0 4.0 3.0 3.0 公寓、饭店房间 5.0 7.0 6.5 6.0 5.0 办公室、图书馆 6.0 10.0 7.5 8.0 6.0 大礼堂、戏院 4.0 6.5 5.5 5.0 4.0 银行、高级餐厅7.5 10.0 7.5 8.0 6.0 百货店、自助餐厅9.0 10.0 7.5 8.0 6.0工厂12.5 15.0 9.0 11.0 7.5表6-4 以噪声标准控制的允许风速(m/s)应用场所流速m/s以噪音标准控制的允许送风流速图书馆、广播室1.75~2.5 住宅、公寓、私人办公室、医院房间2.5~4.0 银行、戏院、教室、一般办公室、商店、餐厅4.0~5.0 工厂、百货公司、厨房 5.0~7.5推荐的送风口流速播音室 1.5~2.5戏院 2.5~3.5 住宅、公寓、饭店房间、教室 2.5~3.8私人办公室 2.5~4.0一般办公室 5.0~6.0电影院 5.0百货店、上层7.5百货店、地下10.0表6-5 逗留区的送风流速(m/s)人体感觉或环境状况流速m/s逗留区流速不舒适、停滞空气的感觉0~0.06 理想、舒适0.127 基本舒适0.127~0.25 不舒适、可以吹动薄纸0.33对站立者为舒适感之上限0.38对于工厂和局部空调0.38~1.52逗留区最大允许流速长时间坐办公室冷却0.10 长时间坐办公室加热0.20 短时间坐餐厅冷却0.15 短时间坐餐厅加热0.30 商店轻工作冷却0.20 商店轻工作加热0.35重工作冷却0.30重工作加热0.45低压风管尺寸选择支风管主风管圆形风管直径mm短形风管尺寸mm 风速m/s 风量m 3/h 风速m/s 风量m 3/h 2.5 110 3.0 140 127 152 178 203 229 254 200×75 200×75 275×100 375×100 500×100 625×100125×100 200×100 200×125 275×125 375×125 475×125 120×125 150×125 175×150 225×150 300×150 375×150 200×175 250×175 300×175200×200 275×200 225×225 3.0 170 265 4.0 220 340 4.0 380 520 700480 660 880 5.0 900 1140 1400 17005.0 1140 280 305 330 356 381 406575×125 550×150675×150 650×175 775×175 900×175 450×150 450×175 550×175 550×200 650×200 750×200375×175 400×200 450×200 475×225 550×225 625×225325×200 350×225 400×225 425×250 475×250 550×250275×225 300×250 350×250 350×300400×300 450×300250×250 275×275 300×300 325×325 350×350 375×3506.01410 1770 21602040 2410 2620 3060 6.0 2890 3400 3830 7.5 3930 4250 4850 432 457 483 508 533 559 850×200 975×200 950×225 1075×225 1050×250 1175×280 725×225 825×225 825×250 925×250 800×300 900×300 625×250 725×250 650×300 725×300 675×350 750×350 525×300 575×300 550×350 625×350 575×400 650×400 425×350 500×350 475×400 525×400 525×450 575×450 400×375 425×400 450×425 475×400 475×475 500×5004380 5020 56105470 6290 7170 7.5 6290 7720 8070 8920 9770 10700 9.0 7990 9000 10200 11200 584 610 635 660 686 771 1000×300 1100×300 1225×300 1100×350 1175×350 1300×350 825×350 900×350 1000×350 925×400 1000×400 1075×400 700×400 775×400 850×400 800×450 875×450 950×450 625×450 675×450 725×450 725×500 775×500 825×500 550×500 600×500 650×500 650×550 700×550 750×550 525×525 550×550 600×500 625×575 650×600 700×600 12300 13600 11900 13200 14100 15500 17000 18300 10.0 15000 16600 737 762 787 813 838 864 1425×350 1275×400 1375×400 1475×400 1600×400 1725×400 1175×400 1100×450 1175×450 1275×450 1350×450 1450×450 1025×450 975×500 1225×500 1100×500 1200×500 1275×500 750×500 875×550 925×550 1000×550 1075×550 1125×550 800×550 800×600 850×600 900×600 975×600 1025×600 750×600 725×650 775×650 825×650 900×650 950×65017700 19200 20700 22800 9.019700 21100 22400 24500 26500 28700 11.0 25000 2720028900 20400 33600 36700 889 914 940 965 991 1016 1825×400 1950×400 2075×400 2200×400 2375×400 2150×450 1550×450 1675×450 1775×450 1875×450 2000×450 1850×500 1350×500 1450×500 1550×500 1650×500 1750×500 1650×550 1225×500 1300×550 1375×550 1450×550 1525×550 1475×600 1075×600 1175×600 1225×600 1300×600 1375×600 1350×650 1000×650 1050×650 1125×650 1200×350 1250×650 1125×750 10.0 30900 39400 1040 1070 1090 1120 1140 2250×450 2400×450 2550×450 2350×500 2450×500 2000×500 2100×500 2200×500 2025×550 2150×550 1725×550 1825×550 1925×550 1825×600 1900×600 1600×600 1650×600 1750×600 1650×650 1725×650 1400×650 1475×650 1550×650 1500×700 1575×700 1200×750 1250×750 1300×750 1375×750 1450×750 33200 42100 35400 37700 40000 44700 47400 50200 11.0 41700 44400 4660052900 55600 58300 61000 638001170 1190 1220 1240 12702275×500 2700×500 2900×500 3000×500 2750×550.2275×550 2375×550 2525×550 .2750×550 2450×600 2000×600 2100×600 2200×600 2350×600 2200×650 1800×650 1900×650 2000×650 2075×650 2000×700 1650×700 1750×700 1850×700 1900×700 1850×750 1525×750 1575×750 1675×750 1750×750 1700×8004800 5100。
暖通规范中关于各类常见风速得规定一、各类风口风速规定1、采暖风口1、1、采用热风采暖系统时,应遵守下列规定:送风口得送风速度V(m/s),应根据送风口得高度、型式及布置经过计算确定,当送风口位于房间上部时,送风速度宜取:V= 5~15m/s;当送风口位于离地不高处时,送风速度宜取:V =0、3m/s~0、7m/s;回风口得回风速度,宜取:V=0、3m/s。
来源:《全国民用建筑工程设计技术措施/暖通空调·动力》(2009年版)2、8、71、2、热风幕得送风速度:公共建筑得外门,风速不宜大于6 m/s,高大外门不应大于25m/s。
来源:《全国民用建筑工程设计技术措施/暖通空调·动力》(2009年版)2、8、152、送排回风口2、1、进风、排风口风速(m/s)注:风口风速应按实际有效面积计算,一般百叶风口得遮挡率取50%。
来源:《全国民用建筑工程设计技术措施/暖通空调·动力》(2009年版)4、1、4、82、2、自然通风系统得进排风口风速宜按下表采用:来源GB50736-2012《民用建筑供暖通风与空气调节设计规范》6、6、42、3、机械通风得进排风口风速宜按下表采用:来源:GB50736-2012《民用建筑供暖通风与空气调节设计规范》6、6、52、4、厨房排风系统得风管风速不宜小于8m/s,且不宜大于10m/s;排风罩接风管得喉部风速应取4~5m/s。
来源:《全国民用建筑工程设计技术措施/暖通空调·动力》(2009年版)4、2、102、5、侧送与散流器平送得出口风速采用2m/s~5m/s。
孔板下送风得出口风速,从理论上讲可以采用较高得数值。
因为在一定条件下,出口风速较高时,要求稳压层内得静压也较高,这会使送风较均匀;同时,由于送风速度衰减快,对人员活动区得风速影响较小。
但当稳压层内得静压过高时,会使漏风量增加,并产生一定得噪声。
一般采用3m/s"'_'5m/s 为宜。
排烟风口风速不宜大于10m/s 老火规9.4.6-6 (注意:如果是商场那种划分很多防烟分区的,排烟口的大小要用风量除以2再算,因为着火时是开两个风口)(注意:排烟口面积求出后,除以0.75的遮挡系数,即为排烟口面积)排烟补风的送风口按措施4.8.5机械补风口不宜大于10,公共聚集场所不宜大于5,自然补风口不宜大于39.3.6 机械加压送风防烟系统中送风口的风速不宜大于7m/s。
(老火规)风管如下(老火规):9.1.6 机械加压送风管道、排烟管道和补风管道内的风速应符合下列规定:1 采用金属管道时,不宜大于20m/s;2 采用非金属管道时,不宜大于15m/s。
但是有消声要求的,风管风速见暖规表10.1.5消防排烟风井和消防补风风井的风速多少合适?不大于15,10-15米左右比较合适。
没有不小于多少的固定,但是个人觉得小于5不太好。
按老防火规范9.1.6 9.1.6 机械加压送风管道、排烟管道和补风管道内的风速应符合下列规定:1 采用金属管道时,不宜大于20m/s;2 采用非金属管道时,不宜大于15m/s。
有时喉部风速为18什么的也没事,因为规范写的是不宜。
风井内的风速7~8一般,最大不超过10.不超过10主要是指排烟,报批稿要求排烟风井风速不超10,排风什么的可以稍微大点。
地下车库通风、空调风管内风速:民规条文说明81页6.6.3条,风速最高10.9.4.8 排烟风机的设置应符合下列规定:1 排烟风机的全压应满足排烟系统最不利环路的要求。
其排烟量应考虑10%~20%的漏风量;2 排烟风机可采用离心风机或排烟专用的轴流风机;3 排烟风机应能在280℃的环境条件下连续工作不少于30min;4 在排烟风机入口处的总管上应设置当烟气温度超过280℃时能自行关闭的排烟防火阀,该阀应与排烟风机连锁,当该阀关闭时,排烟风机应能停止运转。
新风送、排风风管风速:按措施64页表4.6.11.双百的遮挡系数一般取0.75。
GB50736-2012矩形风管长、短边之比不宜大于4.不能大于10.风管分类住宅(m/s)公共建筑(m/s)推荐流速 3.5~4.5 5.0~6.5最大流速 6.08.0推荐流速 3.0 3.0~4.5最大流速 5.0 6.5推荐流速 2.5 3.0~3.5最大流速 4.0 6.0推荐流速 3.5 4.0最大流速 4.5 5.0推荐流速 5.0~8.0 6.5~10最大流速8.511.0对消声有要求的系统,风管内的流速宜符合本规范10.1.5的规定。
表6.6.3 通风与空调系统风管内的空气流速(低速风管)干管支管从支管上接出的风管通风机入口通风机出口房间层高3米及以内,送风口1.5m/s,回风口2m/s,层高大于3米,适当增大。
室内机送风管风速3米左右侧送风口的宽度根据装修定,一般不小于100下送风口,吊顶为方形板的时候,按照单板的尺寸定,其他时候可以用方形,也可以用长方形回风口,有单独检修口的时候,一般和长方形送风口长度一致,宽度稍宽;方形吊顶的时候,回风口一般也用方形新风入口风机出口住宅和公共建筑 3.5~4.5 5.0~10.5机房、库房4.5~5.08.0~14.0最大吸风速度(m/s)≤4.0≤3.0≤1.5表10.1.5 风管内的空气流速(m/s)主管风速支管风速3~4≤24~72~3回风口位置房间上部不靠近人经常停留的地点时靠近人经常停留的地点时房间下部表7.4.13 回风口的吸风速度空气流速部位表6.6.5 机械通风系统的进排风口空气流速(m/s)25~3535~50室内允许噪声级dB(A)回风口一般也用方形。
暖通规范中关于各类常见风速的规定一、各类风口风速规定1、采暖风口1.1、采用热风采暖系统时,应遵守下列规定:送风口的送风速度V(m/s),应根据送风口的高度、型式及布置经过计算确定,当送风口位于房间上部时,送风速度宜取:V= 5~15m/s;当送风口位于离地不高处时,送风速度宜取:V =0.3m/s~0.7m/s;回风口的回风速度,宜取:V=0.3m/s。
来源:《全国民用建筑工程设计技术措施/暖通空调·动力》(2009年版)2.8.71.2、热风幕的送风速度:公共建筑的外门,风速不宜大于6 m/s,高大外门不应大于25m/s。
来源:《全国民用建筑工程设计技术措施/暖通空调·动力》(2009年版)2.8.152、送排回风口注:风口风速应按实际有效面积计算,一般百叶风口的遮挡率取50%。
来源:《全国民用建筑工程设计技术措施/暖通空调·动力》(2009年版)4.1.4.8来源GB50736-2012《民用建筑供暖通风与空气调节设计规范》6.6.4来源:GB50736-2012《民用建筑供暖通风与空气调节设计规范》6.6.52.4、厨房排风系统的风管风速不宜小于8m/s,且不宜大于10m/s;排风罩接风管的喉部风速应取4~5m/s。
来源:《全国民用建筑工程设计技术措施/暖通空调·动力》(2009年版)4.2.102.5、侧送和散流器平送的出口风速采用2m/s~5m/s。
孔板下送风的出口风速,从理论上讲可以采用较高的数值。
因为在一定条件下,出口风速较高时,要求稳压层内的静压也较高,这会使送风较均匀;同时,由于送风速度衰减快,对人员活动区的风速影响较小。
但当稳压层内的静压过高时,会使漏风量增加,并产生一定的噪声。
一般采用3m/s"'_'5m/s 为宜。
条缝形风口气流轴心速度衰减较快,对舒适性空调,其出口风速宜为2m/s~4m/s 。
喷口送风的出口风速是根据射流未端到达人员活动区的轴心风速与平均风速经计算确定。
喷口侧向送风的风速宜取4m/s~10m/s 。
来源:GB50736-2012《民用建筑供暖通风与空气调节设计规范》条文说明7.4.112.6、送风口的出口风速,应根据建筑物的使用性质、对噪声的要求、送风口形式及安装高度和位置等确定,可参照下表数值:散流器颈部最大风速来源:《全国民用建筑工程设计技术措施/暖通空调·动力》(2009年版)5.4.11来源:《实用供热空调设计手册》第二版25.4.2.来源:《全国民用建筑工程设计技术措施/暖通空调·动力》(2009年版)5.4.132.9、回风口的吸风速度,宜按下表选用:来源1:《实用供热空调设计手册》第二版25.9.1来源2:GB50736-2012《民用建筑供暖通风与空气调节设计规范》7.4.133、防排烟风口3.1、机械加压送风系统、排烟系统和补风系统的风速应符合下列规定:1、采用金属管道时,不宜大于20m/s;2、采用内表面光滑的混凝土等非金属管道时,不宜大于15m/s3、机械加压送风口不宜大于7m/s;排烟口不宜大于10m/s;机械补风口不宜大于10m/s,公共聚集场所不宜大于5m/s;自然补风口不宜大于3m/s。
来源:《全国民用建筑工程设计技术措施/暖通空调·动力》(2009年版)4.8.53.2、排烟口的风速不宜大于10m/s。
来源:GB51251-2017《建筑防烟排烟系统技术标准》4.4.12.73.3、机械补风口的风速不宜大于10m/s,人员密集场所补风口的风速不宜大于5m/s;自然补风口的风速不宜大于3m/s。
来源:GB51251-2017《建筑防烟排烟系统技术标准》4.5.64、风口遮挡系数4.1、当采用百叶窗时,窗的有效面积为窗的净面积乘以遮挡系数,根据工程实际经验,当采用防雨百叶时系数取0.6,当采用一般百叶时系数取0.8。
来源:GB51251-2017《建筑防烟排烟系统技术标准》条文说明4.3-5二、风管及附件风速1、空调风管风速来源:GB50736-2012《民用建筑供暖通风与空气调节设计规范》6.6.3自然进排风系统的风道空气流速(m/s)来源:GB50736-2012 《民用建筑供暖通风与空气调节设计规范》6.6.4注2 通风机与消声装置之间的风管,其风速可采用8m/s~10m/s来源:GB50736-2012 《民用建筑供暖通风与空气调节设计规范》10.1.4来源:《全国民用建筑工程设计技术措施/暖通空调·动力》(2009年版) 9.1.5来源:《实用供热空调设计手册》第二版11.5.2.1注:①百叶风口叶片间的气流速度增加10%,噪声的声功率级将增加2dB ,若流速增加一倍,噪声的声功率级约增加16dB 。
②对于出口处无障碍敞开风口,表中的出风口速度可以提高1.5~2.0倍。
来源:《实用供热空调设计手册》第二版11.5.2.4.1.7、高速送风系统中风管的最大允许风速,按下表: 来源:《实用供热空调设计手册》第二版11.5.2.52、防排烟风管2.1、对于如地下车库这种对噪声要求低、层高有限的场所,干管风速可提高至10m/s。
另外,对于厨房排油烟系统的风管,则宜控制在8m/s~10m/s 。
来源:GB50736-2012《民用建筑供暖通风与空气调节设计规范》条文说明6.6.32.2、机械加压送风系统应采用管道送风,且不应采用土建风道。
送风管道应采用不燃材料制作且内壁应光滑。
当送风管道内壁为金属时,设计风速不应大于20m/s;当送风管道内壁为非金属时,设计风速不应大于15m/s;送风管道厚度应符合现行国家标准《通风与空调工程施工质量验收规范》GB 50243的规定。
来源:GB51251-2017《建筑防烟排烟系统技术标准》3.3.72.3、机械排烟系统应采用管道送风,且不应采用土建风道。
排烟管道应采用不燃材料制作且内壁应光滑。
当排烟管道内壁为金属时,设计风速不应大于20m/s;当排烟管道内壁为非金属时,设计风速不应大于15m/s;排烟管道的厚度应符合现行国家标准《通风与空调工程施工质量验收规范》GB 50243的规定。
来源:GB51251-2017《建筑防烟排烟系统技术标准》4.4.73、风管附件风速1.5、风管改变方向、变径或汇、分支路时,不宜采用方(矩)形箱式管件替代弯头、渐扩(缩)管、三通等管件;当必须使用分配气流的静压箱时,其断面风速不应大于1.5m/s来源:《全国民用建筑工程设计技术措施/暖通空调·动力》(2009年版) 4.6.121.2、消声器内空气流速宜小于6m/s;确有困难时,不应超过8m/s。
来源:《全国民用建筑工程设计技术措施/暖通空调·动力》(2009年版)9.4.41.3、暖通空调部件的典型设计风速(m/s),按下表:来源:《实用供热空调设计手册》第二版11.5.2.3来源:《实用供热空调设计手册》第二版11.5.2.2三、水管流速1、空调水管1.1管道内水的流速V(m/s),宜符合以下规定:公称直径DN≤32mm时,V≤1.5m/s;公称直径DN=40mm~63mm时,V≤2.0m/s;公称直径DN>63mm时,V≤3.0m/s;来源《实用供热空调设计手册》第二版26.4.51.2、流速的推荐值(本节均来源:《实用供热空调设计手册》第二版26.5.4.2.)1.2.2《建筑给水排水设计规范》GB50015-2003的给水管道流速推荐值:1.2.3、Carrier:《Handbook of Air Conditioning System Design》中的推荐的建立在噪声与腐蚀均保持在允许水平时的流速最大值,见下表:水泵吸水管 1.2~2.1 集管 1.2~4.5 水泵出水管 2.4~3.6 排水管1.2~2.0 一般输水管 1.5~3.0 接至城市供水管网的供水管0.9~2.0室内供水立管 0.9~3.01.2.4、《Handbook of Air Conditioning System Design 》中的提供的保持最小腐蚀的最大水流速度,见下表: 正常运行时间(h ) 1500 2000 3000 4000 6000 8000 水流速度(m/s ) 3.73.53.43.02.72.41.3、冷却水管路的流速宜按下表: 管道类型 管径DN (mm ) 流速(m/s ) 备注水泵出水管≤250 1.2~1.5 管径小时宜取下限流速,管径较大时宜取上限流速>2501.5~2.0 水泵吸入管接集水箱≤100 0.6~0.8 >1000.8~1.2 接循环干管≤250 1.0~1.2 >2501.5~2.0 循环干管≤250 1.5~2.0 >250~500 2.0~2.5 >5002.5~3.0来源:《全国民用建筑工程设计技术措施/暖通空调·动力》(2009年版)6.6.11.1.4、给水管道的水流速度,见下表 公称直径DN (mm ) 25~40 50~70 ≥80 水流速度(m/s )≤1.2≤1.5≤1.8来源:《全国民用建筑工程设计技术措施/暖通空调·动力》(2009年版)6.6.12.2、冷凝水管2.1、冷凝水管管径选择推荐值,按下表:管道最小坡度冷负荷(kw ) 0.001 ≤7 7~17.6 17.7~100 101~176 177~598 599~1055 1056~1512 1513~12462 >12462 0.003≤17 17~42 43~230 231~400 401~1100 1101~2000 2001~3500 3501~15000 >15000 管道公称直径(mm )DN20DN25DN32DN40DN50DN80DN100DN125DN150来源:《民用建筑供暖通风与空气调节设计规范》(条文说明)8.5.23.。