一般通风系统风管内的风速教学提纲
- 格式:doc
- 大小:131.50 KB
- 文档页数:6
按以下标准进行设计及验收1.《通风与空调工程施工质量验收规范》(GB50243-2002)2.《给水排水工程质量检验评定标准》(GB50185-2002)3.《通风与空调工程质量检验评定标准》(GBJ304-2002)4.《简明通风设计手册》(GB50194-2002)5.《环境空气质量标准》(GB53095-1996)6.《机械设备安装工程施工及验收通用规范》(JBJ23-2002)7.《压缩机、风机、泵安装工程施工及验收规范》(JBJ29-2002)8.《电气装置安装工程电缆线路施工及验收规范》(GB50168-2002)9.《城市区域环境噪声标准》(GB3096-93)一般通风系统风管内的风速(m/s )风管部位 生产厂房机械通风民用及辅助建筑物 钢板及塑料风管 砖及混凝土风道自然通风 机械通风 干管 6-14 4-12 0.-1.0 5-8 支管 2-82-60.5-0.72-5除尘通风管道内最低空气流速(m/s )一、圆形风管管道直径按下式进行计算:D=νπ**36004*Q m1.D :风管直径 m2.Q :单位时间内通过管道内的流量 m 3/h3.V : 管道流速 m/s 按上表选择适宜流速二、矩形风管管道直径按下式进行计算:ab=VQ *36001.a :风管长边尺寸 m 2 b: 风管短边尺寸 m2.Q :单位时间内通过管道内的流量 m 3/h3.V : 管道流速 m/s 按上表选择适宜流速三、风管尺寸大小选择可按圆型、矩形管道规格表进行选择(塑料制管道)圆形管道规格表矩形管道规格表矩形管道规格表。
风管风速标准风管风速标准是指在空调通风系统中,对于风管内空气流速所规定的标准数值。
风管风速标准的制定,对于空调通风系统的设计、安装和运行起着至关重要的作用。
合理的风管风速标准能够保证系统的正常运行,提高空气流通效率,同时也能够降低系统的能耗,延长设备的使用寿命。
因此,了解和遵守风管风速标准,对于空调通风系统的运行和维护具有重要意义。
首先,风管风速标准的制定需要考虑到空调通风系统的设计参数。
在设计空调通风系统时,需要根据实际使用场所的面积、高度、人员密度等因素来确定风管的尺寸和风速。
一般来说,大型的公共场所需要更高的空气流通效率,因此风管风速标准会相对较高。
而对于一般的办公室、商业场所,则可以适当降低风管风速标准,以达到节能减排的目的。
其次,风管风速标准还需要考虑到空调通风系统的安装和维护情况。
在实际的安装过程中,需要严格按照风管风速标准来进行安装,保证风管内的空气流速符合要求。
同时,在系统的日常维护和清洁过程中,也需要注意保持风管内的通畅,避免因为灰尘堵塞导致风速不达标的情况发生。
只有在安装和维护过程中严格遵守风管风速标准,才能够保证系统的正常运行和使用寿命。
最后,风管风速标准还需要考虑到空调通风系统的运行效果。
在系统正常运行时,需要通过检测风管内的空气流速来确认是否符合标准要求。
如果发现风管风速不达标,需要及时进行调整和维护,以保证系统的正常运行。
同时,也需要根据实际情况对风管风速标准进行调整,以适应不同季节和使用需求。
综上所述,风管风速标准是空调通风系统中至关重要的参数之一。
合理的风管风速标准能够保证系统的正常运行,提高空气流通效率,降低能耗,延长设备的使用寿命。
因此,在设计、安装和运行空调通风系统时,需要严格遵守风管风速标准,以确保系统的高效、稳定运行。
风管设计风管内的空气流速6.6.1通风、空调系统的风管,宜采用圆形、扁圆形或长、短边之比不宜大于4的矩形截面。
风管的截面尺寸宜按现行国家标准《通风与空调工程施工质量验收规范》GB 50243的有关规定执行。
6.6.2通风与空调系统的风管材料、配件及柔性接头等应符合现行国家标准《建筑设计防火规范》GB 50016的有关规定。
当输送腐蚀性或潮湿气体时,应采用防腐材料或采取相应的防腐措施。
6.6.3通风与空调系统风管内的空气流速宜按表6.6.3采用。
表6.6.3风管内的空气流速(低速风管)注:1 表列值的分子为推荐流速,分母为最大流速。
2 对消声有要求的系统,风管内的流速宜符合本规范10.1.5的规定。
6.6.4自然通风的进排风口风速宜按表6.6.4-1采用。
自然通风的风道内风速宜按表6.6.4-2采用。
表6.6.4-1自然通风系统的进排风口空气流速(m/s)表6.6.4-2自然进排风系统的风道空气流速(m/s)6.6.5机械通风的进排风口风速宜按表6.6.5采用。
表6.6.5机械通风系统的进排风口空气流速(m/s)6.6.6通风与空调系统各环路的压力损失应进行水力平衡计算。
各并联环路压力损失的相对差额,不宜超过15%。
当通过调整管径仍无法达到上述要求时,应设置调节装置。
6.6.7风管与通风机及空气处理机组等振动设备的连接处,应装设柔性接头,其长度宜为150mm~300mm。
6.6.8通风、空调系统通风机及空气处理机组等设备的进风或出风口处宜设调节阀,调节阀宜选用多叶式或花瓣式。
6.6.9多台通风机并联运行的系统应在各自的管路上设置止回或自动关断装置。
6.6.10通风与空调系统的风管布置,防火阀、排烟阀、排烟口等的设置,均应符合国家现行有关建筑设计防火规范的规定。
6.6.11矩形风管采取内外同心弧形弯管时,曲率半径宜大于1.5倍的平面边长;当平面边长大于500mm,且曲率半径小于1.5倍的平面边长时,应设置弯管导流叶片。
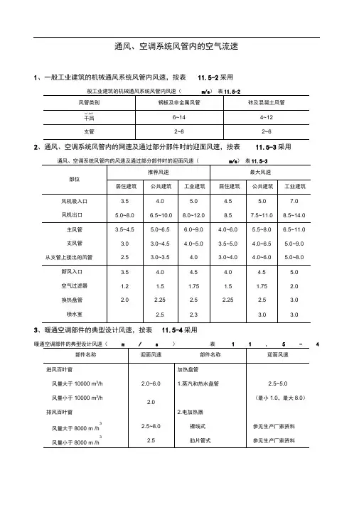
通风、空调系统风管内的空气流速1、一般工业建筑的机械通风系统风管内风速,按表11.5-2采用2、通风、空调系统风管内的网速及通过部分部件时的迎面风速,按表11.5-3采用3、暖通空调部件的典型设计风速,按表11.5-4采用4空气过滤器冷却减湿盘管 2.0~3.01.板式过滤器空气喷淋室1)黏性滤料 1.0~4.0 喷水型参见生产厂家资料2)干式带扩展表面,平板同风管风速填料型参见生产厂家资料型(粗效)高速喷水型 6.0~9.0 3)褶叠式(中效)< 3.84)高效过滤器(HEPA) 1.32.可更换滤料的过滤器卷绕型黏性滤料 2.5卷绕型干式滤料 1.03.电子空气过滤器电离式0.8~1.84、根据所服务房间的允许噪声级,通风空调风管和出风口的最大允许风速,按表11.5-5采用。
功率级约增加16dB。
②对于出口处无障碍敞开风口,表中的出风口速度可以提高 1.5~2.0倍。
5、咼速送风系统中风管的最大允许风速,按表11.5-6米用。
6、推荐的送风机静压值,见表11.5-77、空调系统冷凝水管管径选择推荐值,见表 11.5-8冷凝水管管径选择推荐值表11.5-6注:(1) DN = 15mm 的管道,不推荐使用。
(2 )立管的公称直径,就与水平干管的直径相同。
风机盘管机组、整体式空调器、组合式空调机组等运行过程中产生的冷凝水,必须及时予以排走。
排放冷凝水管道的设计,应注意以下事项:沿水流方向,水平管道应保持不小于千分之一的坡度;且不允许有积水部位。
当冷凝水盘位于机组负压区段时,凝水盘的出水口处必须设置水封,水封的高度应比凝水盘处的负压(相当于水柱温度)大50 %左右。
水封的出口,应与大气相通。
注:(1) 采用聚氯乙烯塑料管时,一般可以不必进行防结露的保温和隔汽处理。
(2)采用镀锌钢管时,一般应进行结露验算,通常应设置保温层。
冷凝水立管的顶部,应设计通向大气的透气管。
表 11.5-7推荐的送风机静压值设计和布置冷凝水管路时,必须认真考虑定期冲洗的可能性,并应设计安排必要的设施。
按以下标准进行设计及验收
1、《通风与空调工程施工质量验收规范》(GB50243-2002)
2、《给水排水工程质量检验评定标准》(GB50185-2002)
3、《通风与空调工程质量检验评定标准》(GBJ304-2002)
4、《简明通风设计手册》(GB50194-2002)
5、《环境空气质量标准》(GB53095-1996)
6、《机械设备安装工程施工及验收通用规范》(JBJ23-2002)
7、《压缩机、风机、泵安装工程施工及验收规范》(JBJ29-2002)
8、《电气装置安装工程电缆线路施工及验收规范》(GB50168-2002)
9、《城市区域环境噪声标准》(GB3096-93)
一般通风系统风管内的风速(m/s)
风管部位 生产厂房机械通风
民用及辅助建筑物 钢板及塑料风管 砖及混凝土风道
自然通风 机械通风 干管 6-14 4-12 0、-1、0 5-8 支管
2-8
2-6
0、5-0、7
2-5
D=
ν
π**36004
*Q m
1、D:风管直径 m
2、Q:单位时间内通过管道内的流量 m 3/h
3、V : 管道流速 m/s 按上表选择适宜流速 二、矩形风管管道直径按下式进行计算:
ab=
V
Q *3600
1、a:风管长边尺寸 m 2 b: 风管短边尺寸 m
2、Q:单位时间内通过管道内的流量 m 3/h
3、V : 管道流速 m/s 按上表选择适宜流速
三、风管尺寸大小选择可按圆型、矩形管道规格表进行选择(塑料制管道)。
中央空调系统风道风速和风口的选择作者:admin 来源:本站原创时间:2011-01-04 浏览次数:576 【大中小】【复制】【打印】1、风管内的风速一般空调房间对空调系统的限定的噪音允许值控制在40~50dB (A)之间,即相应NR(或NC)数为35~45dB(A)。
根据设计规范,满足这一范围内噪音允许值的主管风速为4~7m/s,支管风速为2~3m/s。
通风机与消声装置之间的风管,其风速可采用8~10m/s。
2、出风口尺寸的计算为防止风口噪音,送风口的出风风速宜采用2~5m/s。
风口的尺寸计算与风管道尺寸的计算基本相同,一般当层高在3~4米的房间大约取风速在2~2.5米每秒。
根据经验一般可将使每个风口在20~25平方米的面积,其风量大约在500立方米左右。
3、回风口的吸风速度回风口位于房间上部时,吸风速度取4~5m/s,回风口位于房间下部时,若不靠近人员经常停留的地点,取3~4m/s ,若靠近人员经常停留的地点,取1.5~2m/s ,若用于走廊回风时,取1~1.5m/s 。
4、风管安装注意事项及风管计算在风管设计尽量小的情况下保证主管风速5m/s,支管风速3m/s, 风管计算公式:所选设备风量÷3600÷风速=风管截面积同时注意保证风管:长边÷短边≤4一般不要>4 特殊情况特殊对待。
风口的选择:所选房间风量÷3600÷风速=散流器喉部截面积注意:双百叶风口截面积为以上公式所得面积÷0.75、计算风管尺寸1)等阻尼法(等压法)是一种方便的计算法,适用于多种场合。
2)根据下表确定主风管中的基本阻尼系数。
因回风管位于吸风部位,主要承受外部压力,应注意减轻其风管负担。
对于风管系统,常采用送风管0.08-0.15mmH2O/m,回风管0.06-0.1 mmH2O/m作为基准。
6、在进行风管机的风管道设计时,注意在风管机的进、出风处加静压箱,以均衡风压,减少噪音,并且使静压箱内的流速保证在3米每秒以下,其长度可根据实际情况来定。
暖通规范中关于各类常见风速得规定一、各类风口风速规定1、采暖风口1、1、采用热风采暖系统时,应遵守下列规定:送风口得送风速度V(m/s),应根据送风口得高度、型式及布置经过计算确定,当送风口位于房间上部时,送风速度宜取:V= 5~15m/s;当送风口位于离地不高处时,送风速度宜取:V =0、3m/s~0、7m/s;回风口得回风速度,宜取:V=0、3m/s。
来源:《全国民用建筑工程设计技术措施/暖通空调·动力》(2009年版)2、8、71、2、热风幕得送风速度:公共建筑得外门,风速不宜大于6 m/s,高大外门不应大于25m/s。
来源:《全国民用建筑工程设计技术措施/暖通空调·动力》(2009年版)2、8、152、送排回风口2、1、进风、排风口风速(m/s)注:风口风速应按实际有效面积计算,一般百叶风口得遮挡率取50%。
来源:《全国民用建筑工程设计技术措施/暖通空调·动力》(2009年版)4、1、4、82、2、自然通风系统得进排风口风速宜按下表采用:来源GB50736-2012《民用建筑供暖通风与空气调节设计规范》6、6、42、3、机械通风得进排风口风速宜按下表采用:来源:GB50736-2012《民用建筑供暖通风与空气调节设计规范》6、6、52、4、厨房排风系统得风管风速不宜小于8m/s,且不宜大于10m/s;排风罩接风管得喉部风速应取4~5m/s。
来源:《全国民用建筑工程设计技术措施/暖通空调·动力》(2009年版)4、2、102、5、侧送与散流器平送得出口风速采用2m/s~5m/s。
孔板下送风得出口风速,从理论上讲可以采用较高得数值。
因为在一定条件下,出口风速较高时,要求稳压层内得静压也较高,这会使送风较均匀;同时,由于送风速度衰减快,对人员活动区得风速影响较小。
但当稳压层内得静压过高时,会使漏风量增加,并产生一定得噪声。
一般采用3m/s"'_'5m/s 为宜。
风管风速计算方法
1,总风量.每小时的立方数除3600再除以风管的横截面积(平方米)所得的数就是风速(每秒米)。
2,知道了风量;风速;和静压;截面面积;要怎样才能知道风管的长和高:如果你所说的截面积是管道的截面积的话,那么只要计算出管道每米的摩擦阻力就可以了。
当风机压力大于管道总长度累计摩擦阻力的10%时,也就是管道的最长值。
下面就是管道每米的摩阻计算公式:
R=λ/d*(υ^2γ/2)
R-摩阻(Pa);λ-摩阻系数,可取0.09;υ-风速(m/s);γ-空气重度。
中央空调的新风系统的风管风速怎么确定
想找规范下载下来,
3,规范中干管,支管等风速的范围是多少?
(1)采用金属风道时,不应大于20m/s;
(2)采用内表面光滑的混凝土等非金属材料风管时不应大于15 m/s;
(3)送风口的风速不宜大于7 m/s;排烟口的风速不宜大于10 m/s。
根据公式:Q=S*V,其中Q为风量(m3/h),S为风管截面积(m2),V为风管风速(m/s)。
演变公式:
风速V=Q/S。
风管风速标准风管风速标准是指在通风系统中,风管内气流的流速标准,它是通风系统设计和运行中非常重要的参数之一。
风管风速标准的合理设定,可以保证通风系统的正常运行,提高通风效果,减少能耗,延长设备使用寿命,也可以保证室内空气的质量,为人们的生活和工作提供一个舒适的环境。
一般来说,风管风速标准的设定需要考虑到通风系统的类型、用途、空间大小、人员密度等因素。
通常情况下,住宅和商业建筑的通风系统,风管风速标准一般为2-4m/s;而工业厂房的通风系统,由于需要排除大量的废气和烟尘,风管风速标准一般为4-6m/s。
当然,具体的风速标准还需要根据具体情况进行调整,以满足实际需求。
在通风系统设计中,风管风速标准的合理设定需要考虑到风管的材质、截面积、风机的性能等因素。
一般来说,风管的截面积越大,风速标准可以相对较低;而风管的材质越光滑,风速标准可以相对较高。
此外,风机的性能也是影响风管风速标准的重要因素之一,风机的风量和风压需要与风管的风速标准相匹配,才能保证通风系统的正常运行。
在通风系统运行中,风管风速标准的监测和调整也是非常重要的。
通过定期检查风管内的风速,可以及时发现通风系统中的故障和问题,保证通风系统的正常运行。
同时,根据实际情况调整风管风速标准,可以提高通风效果,减少能耗,延长设备使用寿命。
总之,风管风速标准是通风系统设计和运行中非常重要的参数,合理的风速标准可以保证通风系统的正常运行,提高通风效果,减少能耗,延长设备使用寿命,也可以保证室内空气的质量。
因此,在通风系统设计和运行中,我们需要充分考虑风管风速标准的合理设定和调整,以确保通风系统的正常运行和人们生活、工作环境的舒适。
风管风速标准风管风速标准是指在通风系统中,风管内空气流动的速度所需符合的规范。
风速标准的制定是为了确保通风系统的正常运行,保障室内空气质量,提高工作和生活环境的舒适度。
在通风系统设计和使用过程中,了解和遵守风管风速标准是非常重要的。
首先,风管风速标准的制定是基于通风系统的设计要求和使用环境的实际情况。
通风系统的设计要求包括空气流通量、风管布局、风口设置等方面,而使用环境的实际情况则包括室内空间大小、人员密度、工作环境等因素。
根据这些因素,制定适当的风速标准可以有效地保证通风系统的正常运行和室内空气质量。
其次,风管风速标准的制定需要考虑通风系统的安全性和能效性。
在通风系统中,风管内的空气流动速度过大或过小都会影响系统的安全性和能效性。
如果风速过大,可能导致风管内的空气流动不稳定,甚至引起风管破裂的安全隐患;而风速过小,则会影响通风效果,导致室内空气质量下降,增加系统能耗。
因此,制定合理的风速标准可以在一定程度上保证通风系统的安全性和能效性。
另外,风管风速标准的制定还需要考虑通风系统的运行稳定性和噪音控制。
风管内空气流动速度过大会产生噪音,影响室内环境的安静度;而风速过小则可能导致通风效果不佳,影响室内空气流通。
因此,在制定风速标准时,需要综合考虑通风系统的运行稳定性和噪音控制,以提高系统的整体性能。
综上所述,风管风速标准的制定是通风系统设计和使用过程中的重要环节。
合理的风速标准可以保证通风系统的正常运行,提高室内空气质量,增加工作和生活环境的舒适度。
因此,在通风系统的设计和使用中,必须严格遵守风管风速标准,以确保系统的安全性、能效性、运行稳定性和噪音控制。
GB50736-2012矩形风管长、短边之比不宜大于4.不能大于10.风管分类住宅(m/s)公共建筑(m/s)推荐流速 3.5~4.5 5.0~6.5最大流速 6.08.0推荐流速 3.0 3.0~4.5最大流速 5.0 6.5推荐流速 2.5 3.0~3.5最大流速 4.0 6.0推荐流速 3.5 4.0最大流速 4.5 5.0推荐流速 5.0~8.0 6.5~10最大流速8.511.0对消声有要求的系统,风管内的流速宜符合本规范10.1.5的规定。
表6.6.3 通风与空调系统风管内的空气流速(低速风管)干管支管从支管上接出的风管通风机入口通风机出口房间层高3米及以内,送风口1.5m/s,回风口2m/s,层高大于3米,适当增大。
室内机送风管风速3米左右侧送风口的宽度根据装修定,一般不小于100下送风口,吊顶为方形板的时候,按照单板的尺寸定,其他时候可以用方形,也可以用长方形回风口,有单独检修口的时候,一般和长方形送风口长度一致,宽度稍宽;方形吊顶的时候,回风口一般也用方形新风入口风机出口住宅和公共建筑 3.5~4.5 5.0~10.5机房、库房4.5~5.08.0~14.0最大吸风速度(m/s)≤4.0≤3.0≤1.5表10.1.5 风管内的空气流速(m/s)主管风速支管风速3~4≤24~72~3回风口位置房间上部不靠近人经常停留的地点时靠近人经常停留的地点时房间下部表7.4.13 回风口的吸风速度空气流速部位表6.6.5 机械通风系统的进排风口空气流速(m/s)25~3535~50室内允许噪声级dB(A)回风口一般也用方形。
风管与风速的确定风管计算三种方法风管与风速的确定风管计算三种方法:静压复得法假定风速法等摩阻法空调风系统的管道设计(一)风管机在设计管道时首先必须从产品资料上了解三个参数:风量、风压、噪声。
1.风量:为了确定送风管道大小。
2.风压:也叫机外静压。
为了计算在送风过程中克服阻力所需的参数。
简单不确切地说,就是能将风送多大距离的动力。
3.噪声:其产品技术资料所标的噪声只是相对的,因为噪声是随不同条件而相应的变动的。
可能产生噪声的渠道有:机器本身的风机、机器运行振动、送风风压过大等。
(二)风系统设计包括的主要内容有:合理采用管内的空气流速以确定风管截面尺寸,计算风系统的阻力及选择风机,平衡各支风路的阻力以保证各支风路的风量达到设计值。
那么管内风速如何选择?风管尺寸如何来确定呢?※管内风速的选取决定了风管截面的尺寸,两者之间的关系如下:F=a×b=L/(3600&#8226;V) (公式1-1)式中:F:风管断面积(㎡)a、b:风管断面长、宽(m)L:风管风量(m3/h)V:风速(m/s)以上各取值受到以下几个方面的影响:①建筑空间:在现代的建筑中,无论是多层建筑或高层建筑,还是高档别墅,建筑空间都是相当紧张的,因此要求我们尽可能提高风速以减少风管的截面。
(管内风速与风管截面积成反比,即是风速越高,则风管截面积越小,反之,风速越低,则风管截面积越大。
)②风机压力及能耗:风速越高,则风阻力越大,风机的能耗也就越大,从此点来说又要求降低风速。
③噪音要求:风速对噪音的影响表现在三个方面:首先,随着风速的提高,风机风压的要求较高而引起风机的运行噪声加大;第二,风速加大至一定程度时,在通过风管部件时将产生气流噪声;第三,随着风速的提高,风管消声的消声能力下降。
总的来说,风管内的风速越高,则所产生的噪声就越大。
因此,管内风速的选取是综合平衡各种因素的一个结果.通过查阅相关资料和有关手册以及根据实际工程的体会,建议空调通风系统中的各种风道内的推荐风速见下表所示:(表1)场合以合宜噪声为主导主风管的风速V(m/s)以合宜风管阻力为主导的风速V(m/s)规范中干管,支管等风速的范围是多少?(1)采用金属风道时,不应大于20m/s;(2)采用内表面光滑的混凝土等非金属材料风管时不应大于15 m/s;(3)送风口的风速不宜大于7 m/s;排烟口的风速不宜大于10 m/s。
中央空调系统风道风速和风口的选择作者:admin 来源:本站原创时间:2011-01-04 浏览次数:576 【大中小】【复制】【打印】1、风管内的风速一般空调房间对空调系统的限定的噪音允许值控制在40~50dB (A)之间,即相应NR(或NC)数为35~45dB(A)。
根据设计规范,满足这一范围内噪音允许值的主管风速为4~7m/s,支管风速为2~3m/s。
通风机与消声装置之间的风管,其风速可采用8~10m/s。
2、出风口尺寸的计算为防止风口噪音,送风口的出风风速宜采用2~5m/s。
风口的尺寸计算与风管道尺寸的计算基本相同,一般当层高在3~4米的房间大约取风速在2~2.5米每秒。
根据经验一般可将使每个风口在20~25平方米的面积,其风量大约在500立方米左右。
3、回风口的吸风速度回风口位于房间上部时,吸风速度取4~5m/s,回风口位于房间下部时,若不靠近人员经常停留的地点,取3~4m/s ,若靠近人员经常停留的地点,取1.5~2m/s ,若用于走廊回风时,取1~1.5m/s 。
4、风管安装注意事项及风管计算❖在风管设计尽量小的情况下保证主管风速5m/s,支管风速3m/s,❖风管计算公式:所选设备风量÷3600÷风速=风管截面积❖同时注意保证风管:长边÷短边≤4一般不要>4 特殊情况特殊对待。
❖风口的选择:所选房间风量÷3600÷风速=散流器喉部截面积❖注意:双百叶风口截面积为以上公式所得面积÷0.75、计算风管尺寸1)等阻尼法(等压法)是一种方便的计算法,适用于多种场合。
2)根据下表确定主风管中的基本阻尼系数。
因回风管位于吸风部位,主要承受外部压力,应注意减轻其风管负担。
对于风管系统,常采用送风管0.08-0.15mmH2O/m,回风管0.06-0.1 mmH2O/m作为基准。
6、在进行风管机的风管道设计时,注意在风管机的进、出风处加静压箱,以均衡风压,减少噪音,并且使静压箱内的流速保证在3米每秒以下,其长度可根据实际情况来定。
一般通风系统风管内
的风速
按以下标准进行设计及验收
1.《通风与空调工程施工质量验收规范》(GB50243-2002)
2.《给水排水工程质量检验评定标准》(GB50185-2002)
3.《通风与空调工程质量检验评定标准》(GBJ304-2002)
4.《简明通风设计手册》(GB50194-2002)
5.《环境空气质量标准》(GB53095-1996)
6.《机械设备安装工程施工及验收通用规范》(JBJ23-2002)
7.《压缩机、风机、泵安装工程施工及验收规范》(JBJ29-2002)
8.《电气装置安装工程电缆线路施工及验收规范》(GB50168-2002)
9.《城市区域环境噪声标准》(GB3096-93)
一般通风系统风管内的风速(m/s)
风管部位
生产厂房机械通风民用及辅助建筑物
钢板及塑料风
管
砖及混凝土风
道
自然通风机械通风
干管6-14 4-12 0.-1.0 5-8 支管2-8 2-6 0.5-0.7 2-5
除尘通风管道内最低空气流速(m/s)
一、圆形风管管道直径按下式进行计算:
D=
ν
π**36004
*Q m
1.D :风管直径 m
2.Q :单位时间内通过管道内的流量 m 3/h
3.V : 管道流速 m/s 按上表选择适宜流速
二、矩形风管管道直径按下式进行计算:
ab=
V
Q *3600
1.a :风管长边尺寸 m 2 b: 风管短边尺寸 m
2.Q :单位时间内通过管道内的流量 m 3/h
3.V : 管道流速 m/s 按上表选择适宜流速
三、风管尺寸大小选择可按圆型、矩形管道规格表进行选择(塑料制管道)
圆形管道规格表
矩形管道规格表
矩形管道规格表。