(完整word版)压力容器安全检查表.doc
- 格式:doc
- 大小:183.02 KB
- 文档页数:3
压力容器专项安全检查表压力容器是一种具有相当危险性的设备,任何一项安全隐患都可能引发严重的事故。
为了确保压力容器的安全使用,进行定期的专项安全检查是非常必要的。
下面给出一份压力容器专项安全检查表,以供参考。
一、压力容器外观检查1. 容器是否完好无损,无裂缝、变形、泄露等现象?2. 容器壳体是否有严重的腐蚀或剥落现象?3. 容器固定或支撑结构是否牢固、完好?4. 容器附属设备(如法兰、阀门、管道等)是否完好无损、密封良好?5. 压力表、温度计、液位计、安全阀等仪表是否完好,是否精确?6. 容器周围环境是否清洁,是否存在可能对容器造成损害的物品?二、压力容器内部检查1. 容器内部是否干净、无污垢、无杂质、无异味?2. 容器内部附属设备(如搅拌器、加热器、换热器等)是否完好无损?3. 容器内是否存在残留压力或介质?4. 容器内是否有破损、渗漏、氧化腐蚀、结垢、积水等情况?5. 容器内是否存在异物、杂质,是否需要清理?三、压力容器安全工作检查1. 压力容器安全阀是否能正常开启,设定压力是否合理?2. 容器是否需要进行泄压试验?3. 是否有运行异常的迹象?是否存在过负荷、过压力、过温度等状况?4. 安全设施(如防爆门、限位器、过载保护器等)是否完好无损,是否工作正常?5. 工作人员是否具备良好的安全意识,是否按照操作规程进行操作?四、压力容器维修保养记录检查1. 压力容器的维修保养记录是否真实、清晰、完整?2. 是否按照规定进行维修保养周期的检查、更换和修理?3. 是否根据设备使用情况适时更新和完善维修保养标准?以上是压力容器专项安全检查表的内容,希望可以对压力容器的安全使用提供一些帮助。
在使用过程中,一定要格外注意安全,及时发现问题并采取措施,确保人员和设备的安全。
×××××××专项安全检查台帐检查类别:压力容器单位:负责人:压力容器专项安全检查表日期:检查人员:××××××××综合安全检查台帐检查类别:综合检查单位:负责人:日期:检查人员:日期:检查人员:日期:检查人员:××××××××季节安全检查台帐检查类别:单位:负责人:防暑降温、防冻保暖安全检查表日期:检查人员:×××××××专项安全检查台帐检查类别:危险化学品单位:负责人:危险化学品安全检查表日期:检查人员:×××××××专项安全检查台帐检查类别:安全装置单位:负责人:日期:检查人员:日期:检查人员:××××××××专项安全检查台帐检查类别:厂房建筑单位:负责人:厂房建筑安全检查表日期:检查人员:××××××××专项安全检查台帐检查类别:防尘防毒单位:负责人:防尘、防毒安全检查表日期:。
压力容器安全检查表项目名称:大丽高速公路7-2A合同段项目经理部
压力容器安全检查表项目名称:大丽高速公路7-2A合同段项目经理部
流动式起重机安全检查表项目名称:大丽高速公路7-2A合同段项目经理部
流动式起重机安全检查表项目名称:大丽高速公路7-2A合同段项目经理部
门式起重机安全检查表项目名称:大丽高速公路7-2A合同段项目经理部
门式起重机安全检查表项目名称:大丽高速公路7-2A合同段项目经理部
架桥机安全检查表项目名称:大丽高速公路7-2A合同段项目经理部
架桥机安全检查表项目名称:大丽高速公路7-2A合同段项目经理部。
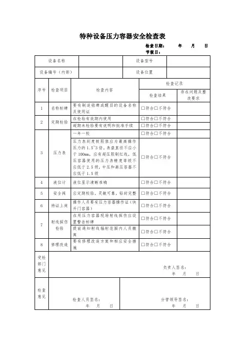
特种设备压力容器安全检查表
检查日期:年
月
日
节假日:
设备名称设备型号设备编号(内部)
设备位置
序号
检查项目
检查内容
检查记录
检查结果
存在问题及整
改要求1名称标牌要有制造铭牌或醒目的设备名称及使用证
□符合□不符合2
定期检验
在检验有效期内使用
□符合□不符合超期未检验要有说明和批准手续□符合□不符合3压力表
一年一校
□符合□不符合
压力表刻度极限值应为最高操作压力的1.5~3倍,表盘直径不应小于100mm,应有超压限制红线,低压容器使用的压力表精度等级不应低于2.5级,中压和高压容器不应低于1.5级□符合□不符合
4液位计液位显示清晰准确
□符合□不符合5安全阀应定期校验,灵敏可靠,铅封完整□符合□不符合6
持证上岗
操作人员要有压力容器操作证(快开门容器)
□符合□不符合7
射线探伤检验
在用压力容器现场射线探伤应设置警告标牌
□符合□不符合提前通知射线辐射范围内人员撤离
□符合□不符合8修理改造
要有修理改造方案和相应安全措施
□符合□不符合
受检部门意见
负责人签名:
年月
日
检查
意见
检查人员签名:
年月
日
分管领导签名:
年月
日。
压力容器检查表(最新版)编制人:__________________审核人:__________________审批人:__________________编制单位:__________________编制时间:____年____月____日序言下载提示:该文档是本店铺精心编制而成的,希望大家下载后,能够帮助大家解决实际问题。
文档下载后可定制修改,请根据实际需要进行调整和使用,谢谢!并且,本店铺为大家提供各种类型的安全管理制度,如通用安全、交通运输、矿山安全、石油化工、建筑安全、机械安全、电力安全、其他安全等等制度,想了解不同制度格式和写法,敬请关注!Download tips: This document is carefully compiled by this editor. I hope that after you download it, it can help you solve practical problems. The document can be customized and modified after downloading, please adjust and use it according to actual needs, thank you!In addition, this shop provides you with various types of safety management systems, such as general safety, transportation, mine safety, petrochemical, construction safety, machinery safety, electrical safety, other safety, etc. systems, I want to know the format and writing of different systems ,stay tuned!压力容器检查表压力容器检查表。
压力容器日常安全检查表
一、检查日期:{填写检查日期}
二、基本信息
- 编号:{填写编号}
- 内容物:{填写内装物}
- 设计压力:{填写设计压力}
- 材质:{填写材质}
- 制造单位:{填写制造单位}
三、外观检查
1. 表面是否有明显锈蚀、腐蚀等损伤?
- [ ] 是
- [ ] 否
2. 是否存在变形、破损或裂纹?
- [ ] 是
- [ ] 否
3. 的填料是否完整且无渗漏?
- [ ] 是
- [ ] 否
4. 的阀门、管道及接口是否紧固可靠?- [ ] 是
- [ ] 否
5. 的标志、警示标志是否清晰可见?- [ ] 是
- [ ] 否
四、安全装置检查
1. 压力表读数是否正常?
- [ ] 是
- [ ] 否
2. 的安全阀是否灵敏、可靠?
- [ ] 是
- [ ] 否
3. 的温度计读数是否正常?
- [ ] 是
- [ ] 否
4. 的液位计是否可用,读数是否准确?- [ ] 是
- [ ] 否
5. 的排气装置是否畅通?
- [ ] 是
- [ ] 否
五、其他检查事项(如有)
{填写其他需要检查的事项}
六、检查人员
检查人员:{填写检查人员姓名}
七、备注
{填写备注信息,如需要进一步修理或维护的事项}
以上为压力容器日常安全检查表,检查完成后及时上报相关部门并记录检查结果。
如有问题需要修理或维护,请及时联系专业人员进行处理。
使用单位:设备名称:使用地点:日期:
11
使用单位:设备能源部:
使用单位:净化车间设备名称:压力容器罐2#使用地点:氧化铝仓库日期:
11
使用单位:设备能源部:
使用单位:净化车间设备名称:压力容器罐3#使用地点:氧化铝仓库日期:
11
使用单位:设备能源部:
使用单位:净化车间设备名称:储气罐1#使用地点:氧化铝仓库日期:
11
使用单位:设备能源部:
使用单位:净化车间设备名称:储气罐2#使用地点:氧化铝仓库日期:
11
使用单位:设备能源部:
使用单位:净化车间设备名称:储气罐3#使用地点:二净化日期:
11
使用单位:设备能源部:
使用单位:净化车间设备名称:储气罐4#使用地点:二净化日期:
11
使用单位:设备能源部:
使用单位:净化车间设备名称:储气罐5#使用地点:三净化日期:
11
使用单位:设备能源部:
使用单位:净化车间设备名称:储气罐6#使用地点:三净化日期:
11
使用单位:设备能源部:。
压力容器安全检查表
编制:王再兵
审核:
批准:
淄博郡优化工有限公司
二 O 一 O 年一月
压力容器安全检查表
被检查设备:检查人员:检查时间:序号检查项目
1基础资料
设备本体2
状况
与外部连3
接
4本体5安全附件
设备编号:
是否符合要
检查内容存在问题备注
求
在用压力容器逐台编号、登记、建台帐
且编号标示于容器显要部位
在用压力容器必须定期检验
有定期巡回检查记录
管理制度、操作规程、运行记录齐全
作业人员持证上岗
设备的本体没有明显的损坏
表面无油污、浮灰
焊缝平稳,表面不得有裂纹、气孔、夹
渣
人孔、手孔、封头(端盖)等处无泄露
疏水器、排污阀及其管道无泄露,布局
合理
外表面无腐蚀严重现象
无跑、冒、滴、漏现象
排水、排污装置运行稳定,定期排污
容器与相邻管道,构件间无异常振动、
响声、摩擦
连接管道是否有防静电跨接,安全色是
否正确
与外部管道连接处不得有松动、错位现
象
垂直安装在基础面上,不得倾斜
底部支架应牢固,不得有活动现象
罐体有接地装置
直读式的液位计其液位应当显示清楚,
便于观察,且最高、最低液位有明显标
志,防止假水位现象
安全阀的安装位置是否在容器的最高
位置,是否有截止阀,是否处于常开状
态。
安全阀是否每年检验一次,铅封是否完
好,记录是否齐全,是否有安全阀台帐
安全阀开启压力不大于设计压力,但应
大于最高工作压力
安全阀选型是否正确、安全阀是否泄
露、是否锈蚀严重
压力表极限刻度值为工作压力的
1.5~3 倍,最好为 2 倍,表盘直径不小
于 100mm,压力表的精度符合规定,经
校验并在有效期内
在压力表和压力容器之间装设三通旋塞
或者针形阀、且有开启标记及锁紧装置;
用于水蒸汽介质的压力表应装有存水弯
管
同一系统上的各压力表的读数是否一
致
低压 0.1~1.6MP 压力表精度不低于 2.5
级,中高压 1.6~100MP 压力表精度不低
于 1.5 级
压力表表盘玻璃完好、刻度清晰、完好
运行
按规定装设温度计完好、灵敏可靠
设备的运行参数,包括压力、温度等在
允许范围内,不存在超压、超温运行
所运行仪器仪表运行参数正常,与直读
水位表、压力表一致
6 设备运行
运行记录上的各项参数记录与实际一
致,在允许的参数内
气瓶在充装时,其充装量得到保证,充
装前后能够进行严格检查并做好记录
8 安全警示
危险区域有醒目的安全警示标牌标志
9 检修检修时,必须卸完所有压力,温度到常温时,方可更换附件及维修。
以水为介质产生蒸汽的压力容器,必须
10 其他做好水质管理、监测和化验,有可靠的
水处理措施
存在其它问题及整改要求:
11
检查考核意见:
单位负责人:被检查班组现场人员:被检查部门负责人:。