电磁铁安装质量检验表
- 格式:doc
- 大小:15.40 KB
- 文档页数:2
注意事项:
1、按下图中的提示规范操作。
2、吸过的订书钉放在一旁,不要重复使用。
3、不要长时间接通电磁铁,以免电池耗电太多。
4、合理分工合作,进行实验操作和记录实验数据。
5、实验后,整理好实验器材
“电磁铁磁力大小与线圈圈数关系”实验记录表
检验“电磁铁磁力大小与线圈圈数关系”
研究计划
温馨提示:
怎样改变线圈的圈数:
1、第1次缠绕的线圈圈数不能少于()圈。
2、第2次与第1次,第3次与第2次之间的圈数相差不能少于()圈。
检验“电磁铁磁力大小与线圈圈数关系”
研究计划
温馨提示:
怎样改变线圈的圈数:
1、第1次缠绕的线圈圈数不能少于()圈。
2、第2次与第1次,第3次与第2次之间的圈数相差不能少于()圈。
我们对“电磁铁的磁力大小与哪些因素有关”的假设。
我们小组觉得电磁铁的磁力与有关,理由是:。
升压变电电气设备安装工程
单元工程质量评定表
本表格根据能源部、水利部颁发的《水利水电基本建设工程单元工程质量等级评定标准》SDJ249.6—88(称“标准6”)及《电气装置安装工程施工及验收规范》(称《规范》)、《电气装置安装工程电气设备交接试验标准》(GB50150—91)编制。
适用于以下升压变电电气设备安装工程质量评定:(1)额定电压35~330KV的主变压器;
(2)额定电压35~330KV的户外高压电气设备及装置。
单元工程质量检验内容按本表所列内容由施工单位自检,建设(监理)单位复检。
检测数量及单元工程质量等级评定标准按《水利水电基本建设工程单元工程质量等级评定标准》SDJ249.6—88规定执行。
表中加“△”的项目为主要检查项目。
凡在“质量标准”栏中有“产品技术规定”、“产品技术要求”者,应注明具体要求(规定)。
水利水电工程
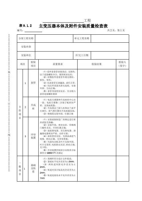
主变压器安装单元工程质量评定表
续表6.1
续表6.1
注: 适用范围:额定电压≤330KV,额定容量≥6300KVA的油浸式变压器安装。
水利水电工程
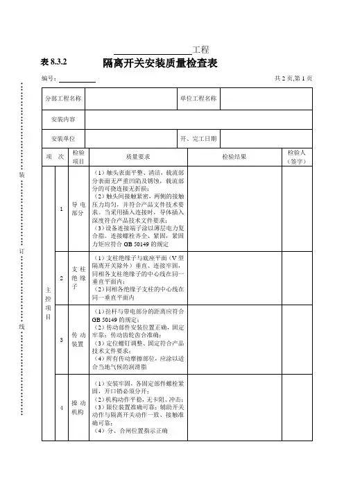
油断路器安装单元工程质量评定
续表6.2
注: 适用范围:额定电压35~330KV户外式油断路器及其操作机构。
水利水电工程
空气断路器安装单元工程质量评定表。
电气设备安装工程实体质量检查表
综合评价:意见和建议(工程亮点、存在问题、改正方法、提高方向、评价等级)
检查人年月日注:评价为六个等级,A、B、C、D、E、F (上好、好、较好、良好受控、受控、基本受控)
电气设备安装工程资料检查表
工程名称:施工单位:
综合评价:意见和建议(工程亮点、存在问题、改正方法、提高方向、评价等级)
检查人
年月日
注:评价为六个等级,A、B、C、D、E、F (上好、好、较好、良好受控、受控、基本受控)
表3-1(设)
水暖通设备安装工程实体质量检查表
工程名称:施工单位:
检查人
年月日注:评价为六个等级,A、B、C、D、E、F (上好、好、较好、良好受控、受控、基本受控)
工程名称:施工单位:
工程名称:施工单位:
综合评价:意见和建议(工程亮点、存在问题、改正方法、提高方向、评价等级)
检查人
年月日注:评价为六个等级,A、B、C、D、E、F (上好、好、较好、良好受控、受控、基本受控)。
外购磁钢检验单
检验: 审核: 李向荣
备注:1.判定为合格的打“√”;判定为不合格的打“×”。
2.每批次抽检数量按GB/T2828-2012抽样检验程序执行。
供应商名称
规格型号 检验标准 来料日期 抽检日期 抽样数量 序号 检验项目 单位 技术要求
实测值 1 2 3 4 5 6 7 1
外观质量
表面光洁、无磕碰伤、锈斑、镀层无脱落
2
尺寸
长度
mm 宽度 mm 厚度 mm
3 磁通量
初始值 Wb 室温下测量的数值 加热后值 Wb
加热到140℃,保温2小时,然后冷却到室温下测量的值
4 判 定
检验结论:
检验: 审核: 李向荣
供应商名称
规格型号 检验标准 来料日期
抽检日期 抽样数量 序号 检验项目 单位 技术要求
实测值 1 2 3 4 5 6 7 1 外观质量
表面光洁、无磕碰伤、锈斑、镀层无脱落
2
尺寸
长度 mm 宽度 mm 厚度 mm
3 磁通量
初始值 Wb 室温下测量的数值 加热后值 Wb
加热到140℃,保温2小时,然后冷却到室温下测量的值
4
判 定
检验结论:。
建筑电气安装工程质量检验评定标准第一节电力变压器安装工程(Ⅰ)保证项目第4.1.1条电力变压器及其附件的试验调整和器身检查结果必须符合施工规范规定。
检查数量全数检查。
检验方法检查安装和调整试验记录。
第条并列运行的变压器,必须符合并列条件。
检查数量全数检查。
检验方法实测或检查定相记录。
第条高低压瓷件表面严禁有裂纹缺损和瓷釉损坏等缺陷。
检查数量全数检查。
检验方法观察检查。
(Ⅱ)基本项目第条变压器本体安装应符合以下规定:合格:一、位置正确,注油量、油号准确,油位清晰;油箱无渗油现象,就位后,轮子固定可靠;二、装有气体继电器的变压器顶盖,沿气体继电器的气流方向有1~%的升高坡度。
优良:在合格基础上,器身表面干净清洁,油漆完整。
检查数量全数检查。
检验方法观察检查和实测或检查安装记录。
第条变压器附件安装应符合以下规定:合格:一、与油箱直接连通的附件内部清洗干净,安装牢固,连接严密,无渗油现象;二、膨胀式温度计毛细管的弯曲半径不小于50mm,且管子无压扁和急剧的扭折现象,毛细管过长部分盘放整齐,温包套管充油饱满;三、有载调压开关的传动部分润滑良好,动作灵活、准确。
优良:在合格基础上,附件与油箱间的连接垫圈、管路和引线等整齐美观。
检查数量全数检查。
检验方法观察检查和检查安装记录。
第条变压器与线路连接应符合以下规定:合格:一、连接紧密,连接螺栓的锁紧装置齐全,瓷套管不受外力;二、零线沿器身向下接至接地装置的线段,固定牢靠;三、器身各附件间连接的导线有保护管,保护管、接线盒固定牢靠,盒盖齐全。
优良:在合格基础上,引向变压器的母线及其支架、电线保护管和接零线等均便于拆卸,不妨碍变压器检修时的搬动;各连接用的螺栓螺纹露出螺母2~3扣;保护管颜色一致,支架防腐完整。
检查数量全数检查。
检验方法观察检查。
第条变压器及其附件外壳和其他非带电金属部件接地(接零)支线敷设的检验和评定应按本标准第条的规定进行。
第二节高压开关安装工程(Ⅰ)保证项目第条高压开关的试验调整结果必须符合施工规范规定。
DL P DL/T 5161.12—2018代替DL/T 5161.12—2002 电气装置安装工程质量检验及评定规程第 12部分:低压电器施工质量检验2018-12-25发布 2019-05-01实施前言DL/T 5161《电气装置安装工程质量检验及评定规程》分为17个部分,分别如下:——第l部分:通则;——第2部分:高压电器施工质量检验;——第3部分:电力变压器、油浸电抗器、互感器施工质量检验;——第4部分:母线装置施工质量检验;——第5部分:电缆线路施工质量检验;——第6部分:接地装置施工质量检验;——第7部分:旋转电机施工质量检验;——第8部分:盘、柜及二次回路接线施工质量检验;——第9部分:蓄电池施工质量检验;——第10部分:66kV及以下架空电力线路施工质量检验;——第11部分:通信工程施工质量检验;——第12部分:低压电器施工质量检验;——第13部分:电力变流设备施工质量检验;——第14部分:起重机电气装置施工质量检验;——第15部分:爆炸及火灾危险环境电气装置施工质量检验;——第16部分:1kV及以下配线工程施工质量检验;——第17部分:电气照明装置施工质量检验。
本部分是该套标准中的第12部分。
本次修订的主要内容有:1、增加了低压断路器的飞弧距离、绝缘隔板安装要求。
2、增加了清除接触器或起动器铁心面上的导电油脂要求。
3、增加了可逆起动器或接触器安装时检查电气、机械联锁功能。
4、开关、隔离器、隔离开关安装方式改为垂直安装,且静触头应位于上方。
5、增加频敏变阻器的调整规定。
6、增加电子式行程开关相关内容。
7、重新制定剩余电流保护器、电涌保护器验收表格。
本部分共分5章,主要内容包括低压断路器、低压接触器、电动机启动器及变频器安装、低压隔离开关、刀开关及熔断器安装、电磁铁安装、控制开关安装、剩余电流保护器、电涌保护器安装。
本部分代替DL/T 5161.12-2002。
目次1 低压断路器、低压接触器、电动机启动器及变频器安装 (1)2 低压隔离开关、刀开关及熔断器安装 (2)3电磁铁安装 (3)4控制开关安装 (4)5 剩余电流保护器、电涌保护器安装 (5)本规程用词说明 (6)1 低压断路器、低压接触器、电动机启动器及变频器安装1.0.1 本章适用于交流50Hz或60Hz,额定电压1000V及以下,直流额定电压1500V及以下低压断路器、低压接触器、电动机启动器及变频器的安装验收。
芯科电子科技有限公司品管(OQC)检验标准书
B、对测试治具通电
C、用手提测试治具顶上的拉手,使电磁铁挂钩跟电磁铁本体脱开,查看治具上拉力计的拉力显示值,此值为电磁铁的拉力。
4 包装4.1包装牢固,符合要求,能保护好产品不受损坏*
4.2标识正确,有物料编号,品名,规格型号,数量,出厂日期等信息*
5 试装
配
要拿产品试装多士炉开关板,产品要能轻松插入PCB。
执行标准:GB2828.1-2003正常检验一次抽样 II级水平AQL:CR:0.01 MA:0.65 MI:1.5 备注:1.产品需符合ROHS环保要求,出货时必须附上RoHS检验报告或符合ROHS保证书;
内外包装均有ROHS环保标识.;2.附有产品出货检验报告;3.检验后在对应的检验报表上填写实测的数据范围。
制定:申期明审核:赵奕核准:戴远耀。
表5.10.3制动器安装质量检查表
填表说明
填表时必须遵守“填表基本规定”,并符合以下要求。
1.分部工程、单元工程名称填写要与表5.10相同。
2.检验(测)方法及数量。
3.单元工程安装质量检验项目质量标准。
(1)合格标准。
1)主控项目检测点应100%符合合格标准。
2)一般项目检测点应90%及以上符合合格标准,不合格点最大值不应超过其允许偏差值的1.2倍,且不合格点不应集中。
(2)优良标准。
在合格标准基础上,主控项目和一般项目的所有检测点应90%及以上符合优良标准。
水利水电工程
表5.10.3 制动器安装质量检查表。