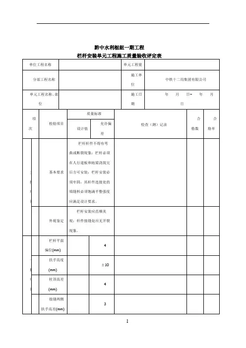
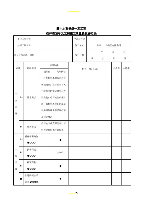
石材栏杆安装单元工程质量评定表
- 格式:doc
- 大小:74.00 KB
- 文档页数:3
CB18防撞护栏单元工程施工质量报验单(xx水建[ ]开仓SYHTS-03-07-18- 号)合同名称:xxx合同编号:xxxxxx工程栏杆安装单元工程质量评定表单位工程名称xxx单元工程量分部工程名称xxx 施工单位xxx单元工程名称、部位防撞护栏施工日期年月日项次检查项目质量标准检查记录合格点数合格率(%)主控项目1 预制构件(砌体)质量栏杆预制构件(砌体)质量符合设计要求,试件强度合格///2 金属构件金属构件焊接牢固,防腐符合设计要求金属构件焊接牢固,防腐符合设计要求/100.03 接缝质量栏板与栏杆接缝处的填缝砂浆必须饱满///4 栏杆安装栏杆安装(砌筑)位置准确,牢固,线条直顺,不应歪斜、扭曲栏杆安装位置准确,牢固,线条直顺,无歪斜、扭曲,检查结果完全符合质量要求。
/100.0 5 装饰质量装饰抹灰必须线条清晰,用料品种、规格、颜色、图案美观大方,符合设计要求涂料粉刷均匀,颜色、图案美观大方,检查结果完全符合质量要求。
/100.0一般项目1顺直度地梁允许偏差5mm 6 4 2 2 1 480.02 扶手允许偏差3mm 0 23 3 0 5100.03 垂直度允许偏差3mm 34 3 4 2 360.04 相邻栏杆、扶手高差有柱允许偏差3mm 2 0 3 4 2 480.05 无柱允许偏差3mm / / / / / //6 平面位置允许偏差20mm 18 4 22 10 4 480.0施工单位自评意见主控项目检验结果全部符合验收评定标准,一般项目逐项检验点的合格率均不小于%,各项报验资料SL 634-2012的要求。
单元工程质量等级评定为:(签字,加盖公章)年月日监理单位复核意见主控项目检验结果全部符合验收评定标准,一般项目逐项检验点的合格率均不小于%,各项报验资料SL 634-2012的要求。
单元工程质量等级评定为:(签字,加盖公章)年月日注:本表所填“单元工程量”不作为施工单位工程量结算计量的依据。
石材围栏安装质量评定表背景石材围栏是常用的围栏类型之一,使用石材材料制作而成。
为了确保石材围栏的安装质量,评定其安装质量是非常重要的。
目的本文档的目的是制定石材围栏安装质量评定表,用于评定石材围栏的安装质量并记录评定结果。
评定内容石材围栏安装质量评定表包括以下内容:1. 安装位置:评定石材围栏的安装位置是否准确,并记录评定结果。
2. 固定方式:评定石材围栏的固定方式是否牢固且符合安全要求,并记录评定结果。
3. 石材品质:评定石材围栏所使用的石材的质量,包括石材的颜色、纹理、均匀度等方面,并记录评定结果。
4. 接缝处理:评定石材围栏的接缝处理是否平整且美观,并记录评定结果。
5. 安装工艺:评定石材围栏的安装工艺是否规范,包括安装过程中是否存在石材损坏、安装是否牢固等方面,并记录评定结果。
6. 其他问题:评定中发现的其他问题,并记录评定结果。
评定结果针对每个评定内容,我们将给出以下评定结果:- 合格:评定内容符合要求,安装质量良好。
- 不合格:评定内容不符合要求,安装质量存在问题。
使用方法安装人员在完成石材围栏的安装后,应填写本评定表,并根据实际情况选择合格或不合格进行评定。
评定结果将作为评估和记录石材围栏安装质量的依据。
总结石材围栏安装质量评定表的制定旨在评定石材围栏的安装质量,并记录评定结果。
通过使用该评定表,可以及时发现围栏安装中存在的问题,并采取相应的措施进行改进和修复,以确保石材围栏的质量和安全性。
请将填写的评定表妥善保存,并根据需要进行归档和备份。
以上为石材围栏安装质量评定表的内容,祝您工作顺利!。
石材栏杆安装单元工程质量评定表
石材栏杆安装单元工程质量评定表
填表说明
1.检查数量:全数检查。
2.检查项目
项次1:检查进场石材截面尺寸和长度,检查石材材质报告。
项次2:检查安装用混凝土或砂浆配比设计试验报告,现场抽样试验报告。
项次3:现场观察检查。
项次4:现场尺量检查。
3.检测项目
项次1:用5m拉线检测,不足5m拉通线。
项次2:用水准仪测量或用钢尺量测高度。
项次3:用1m垂直检测尺或垂线、钢尺检查。
项次4:用钢尺和锲形塞尺量。
项次5:用钢尺量。
4.质量评定
合格:检查项目全部符合质量标准,检测的实测点有70%及以上合格。
优良:检查项目全部符合质量标准,检测点有90%及以上合格。
. .。
通辽市水利水电工程质量监督站制
石材栏杆安装单元工程质量评定表
填表说明
1.检查数量:全数检查。
2.检查项目
项次1:检查进场石材截面尺寸和长度,检查石材材质报告。
项次2:检查安装用混凝土或砂浆配比设计试验报告,现场抽样试验报告。
项次3:现场观察检查。
项次4:现场尺量检查。
3.检测项目
项次1:用5m拉线检测,不足5m拉通线。
项次2:用水准仪测量或用钢尺量测高度。
项次3:用1m垂直检测尺或垂线、钢尺检查。
项次4:用钢尺和锲形塞尺量。
项次5:用钢尺量。
4.质量评定
合格:检查项目全部符合质量标准,检测的实测点有70%及以上合格。
优良:检查项目全部符合质量标准,检测点有90%及以上合格。