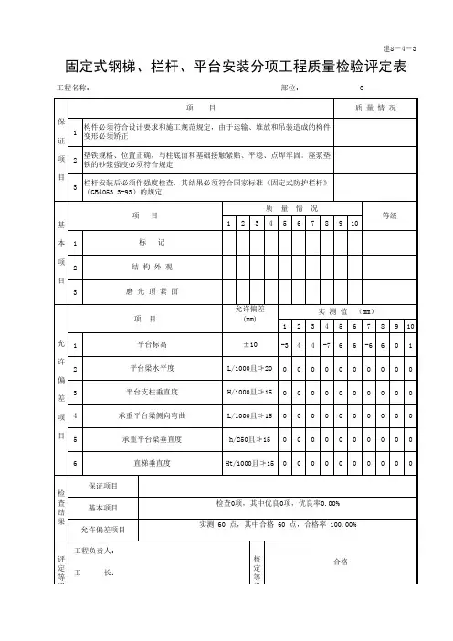
(上海市新版)固定式钢梯、栏杆、平台安装分项工程质量检验评定表
- 格式:xlsx
- 大小:12.74 KB
- 文档页数:1
墙面、顶棚、地面楼梯分项工程质量验收记录表检查时间:房号:幢单元号房检查人员:查验方式:序号验收项目或位置验收内容验收情况评定1 墙面平整度立面垂直度阴阳角顺直、方正空鼓表面观感质量开裂爆灰麻面起砂线角顺直、完整色泽2 顶棚平整度表面观感质量开裂麻面露筋(丝)格缝工整色泽3 地面平整度空鼓开裂麻面起砂4 楼梯相邻踏步高度差踏步两端宽度差棱角完整检查记录及结论:整改复查情况及结论:综合分项工程验收结论:外装饰面分项工程质量验收记录表检查时间:房号:幢单元号房检查人员:查验方式:序号验收项目或位置验收内容验收情况评定1 涂料是否起皮是否漏粉是否透底是否反碱有无粉化脱落边角收口是否工整颜色均匀、无刷纹有无滴、掉浆情况表面是否污染2 青砖有无空鼓有无脱落情况立面平整度、垂直度无歪斜(方正)分格缝、线是否平直3 凸包石勾缝是否饱满砖面清洁程度砖面、棱角有无缺损粘接稳固强度接缝宽度、深度均匀裙墙上口平直勾缝压光工整、平滑4 黑板岩平整度砂浆是否饱满粘挂稳固强度检查记录及结论:整改复查情况及结论:综合分项工程验收结论:门窗安装分项工程质量验收记录表检查时间:房号:幢单元号房检查人员:查验方式:序号验收项目或位置验收内容验收情况评定1 防盗门边缝是否填嵌饱满刮花、划痕、跳漆变形、凸凹情况整体感官有无锈迹配件是否完整垂直度、水平度检测启闭是否灵活有无异响关闭是否严密缝隙是否均匀2 窗户、推拉门平开门配件是否齐全边缝是否填嵌饱满安装是否牢固差垂直度、水平度槽口对角长度槽口宽、高差打胶是否密实、工整框刮花、划痕、跳漆变形、凸凹拼接是否严密排水眼预留情况锁启闭是否灵活启闭有无异响玻璃材质情况刮花、划痕、爆裂内外窗台是否符合内高外低找坡情况(5%-8%)有无大小头情况检查记录及结论:整改复查情况及结论:综合分项工程验收结论:备注:强、弱电分项工程质量验收记录表检查时间:房号:幢单元号房检查人员:查验方式:项目验收工程或位置验收内容及要求验收情况评定开关距(门框边缘)地面高度安装周正、牢固开关灵活边缝坞嵌外表无损伤、涂层完整、装饰齐全插座操控反映灵敏线盒卫生包扎严密相序正确导线压接紧固保护措施(离地高度、防水措施)灯具安装牢固无损坏灯光照明正常分户空开盒安装高度安装牢固排线整齐绑扎规范回路标示清楚绝缘完整导线压线紧固线路线路排放无死线,线颜色分明,线径、厂家符合要求。
单位工程名称:蒸汽冷凝液系统(150) 设备名称:工艺冷凝液汽提塔分部工程名称:设备安装设备位号:D-01501
执行标准:SH3514-2001 分项工程性质:一般
单位工程名称:蒸汽冷凝液系统(150) 设备名称:脱氧槽分部工程名称:设备安装设备位号:F-01501 执行标准:SH3514-2001 分项工程性质:一般
单位工程名称:106 设备名称:脱水塔分部工程名称:平台梯子安装设备位号:C-0301 执行标准:SH3514-2001 分项工程性质:一般
单位工程名称:106 设备名称:氧化反应器分部工程名称:平台梯子安装设备位号:R-0301A 执行标准:SH3514-2001 分项工程性质:一般
单位工程名称:106 设备名称:氧化反应器分部工程名称:平台梯子安装设备位号:R-0301B 执行标准:SH3514-2001 分项工程性质:一般
单位工程名称:106 设备名称:氧化反应器分部工程名称:平台梯子安装设备位号:R-0301C 执行标准:SH3514-2001 分项工程性质:一般。
钢材围栏安装质量评定表项目信息- 项目名称:【填入项目名称】- 项目地点:【填入项目地点】- 评定日期:【填入评定日期】评定标准下面的评定标准适用于钢材围栏的安装质量评定:1. 结构稳定性:钢材围栏的结构应当稳定,不应出现明显晃动、倾斜等问题。
2. 标准安装:钢材围栏应按照相关规范和安装说明进行安装,不应出现松动、错位、缺失等问题。
3. 衔接紧密:钢材围栏的各个部分应紧密衔接,不应出现明显的间隙,以确保围栏的整体性和安全性。
4. 表面处理:钢材围栏表面应处理平整,并进行防腐蚀处理,确保围栏的外观和使用寿命。
5. 附件安装:钢材围栏附件(如大门、锁具等)应牢固安装,并能正常使用。
评定结果根据对【项目名称】的钢材围栏进行评定,得到以下结果:1. 结构稳定性:【填入评定结果,例如:稳定】2. 标准安装:【填入评定结果,例如:合格】3. 衔接紧密:【填入评定结果,例如:紧密】4. 表面处理:【填入评定结果,例如:处理平整】5. 附件安装:【填入评定结果,例如:牢固安装】评定建议根据钢材围栏的评定结果,提出以下建议:1. 结构稳定性:【填入建议,例如:检查并加固围栏结构】2. 标准安装:【填入建议,例如:调整松动的围栏部分】3. 衔接紧密:【填入建议,例如:修补明显的间隙】4. 表面处理:【填入建议,例如:重新进行防腐蚀处理】5. 附件安装:【填入建议,例如:修复无法正常使用的附件】总结钢材围栏安装质量评定结果表明,【项目名称】的钢材围栏在某些方面存在一些问题,需要进行一些调整和修复。
通过采取相应的措施,能够提升围栏的质量和性能,确保工程的持续运行和安全。