【CN305400592S】建筑铅锤【专利】
- 格式:pdf
- 大小:171.29 KB
- 文档页数:3
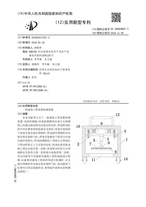
(19)中华人民共和国国家知识产权局(12)实用新型专利(10)授权公告号 (45)授权公告日 (21)申请号 201920217824.2(22)申请日 2019.02.19(73)专利权人 黄晓仲地址 066400 河北省秦皇岛市卢龙县卢龙镇东环新村15组131号专利权人 李冬梅 朱文建(72)发明人 黄晓仲 李冬梅 朱文建 (74)专利代理机构 昆明合众智信知识产权事务所 53113代理人 张玺(51)Int.Cl.G01N 29/04(2006.01)G01N 29/265(2006.01)(54)实用新型名称一种建筑工程质量检测装置(57)摘要本实用新型公开了一种建筑工程质量检测装置,包括检测箱,所述检测箱的内部左右两侧壁之间通过轴承转动安装有转动杆,所述转动杆的中间位置处焊接连接有安装块,所述安装块的下表面安装有液压伸缩杆,所述液压伸缩杆的末端安装有旋转气缸,所述安装板的下面均匀安装有超声波探头,所述检测箱的上顶面左右两端位于转动杆的正上方安装有电机,所述电机的转动轴上固定安装有第一齿轮,所述转动杆的左右两端固定安装有与第一齿轮啮合连接的第二齿轮。
该实用新型不仅能够对建筑工程的底面进行检测,还能够对建筑工程的四周进行检测时,并且液压伸缩杆的末端安装有旋转气缸,驱动旋转气缸便可以使安装板转动,使得超声波探头的检测范围更广。
权利要求书1页 说明书3页 附图1页CN 209589937 U 2019.11.05C N 209589937U权 利 要 求 书1/1页CN 209589937 U1.一种建筑工程质量检测装置,包括检测箱(1),其特征在于:所述检测箱(1)的内部左右两侧壁之间通过轴承转动安装有转动杆(2),所述转动杆(2)的中间位置处焊接连接有安装块(3),所述安装块(3)的下表面固定安装有液压伸缩杆(5),所述液压伸缩杆(5)的末端固定安装有旋转气缸(6),所述旋转气缸(6)的转动端固定安装有安装板(7),所述安装板(7)的下面均匀固定安装有超声波探头(8),所述检测箱(1)的上顶面左右两端位于转动杆(2)的正上方固定安装有电机(9),所述电机(9)的转动轴上固定安装有第一齿轮(10),所述转动杆(2)的左右两端固定安装有与第一齿轮(10)啮合连接的第二齿轮(4)。
(19)中华人民共和国国家知识产权局(12)实用新型专利(10)授权公告号 (45)授权公告日 (21)申请号 201920547721.2(22)申请日 2019.04.22(73)专利权人 永州职业技术学院地址 425100 湖南省永州市零陵区永州大道289号(永州职业技术学院本部建筑工程系3-305办公室)(72)发明人 廖玲 (74)专利代理机构 北京汇捷知识产权代理事务所(普通合伙) 11531代理人 李宏伟(51)Int.Cl.G01B 5/24(2006.01)G01B 5/02(2006.01)G01C 9/24(2006.01)G01B 21/30(2006.01)G01N 29/04(2006.01)(54)实用新型名称一种建筑工程质量检测装置(57)摘要本实用新型公开了一种建筑工程质量检测装置,包括厚铝尺,所述厚铝尺左侧水平向左开设有收纳槽,位于所述收纳槽左侧的厚铝尺上通过轴活动连接有竖杆,且轴前部竖直向上固定连接有刻度指针,所述厚铝尺上水平向右开设有圆形容纳腔,所述圆形容纳腔右侧螺纹衔接有螺纹柱。
本实用新型通过在位于收纳槽左侧的厚铝尺上通过轴活动连接有竖杆,且轴前部竖直向上固定连接有刻度指针,位于竖杆前部的厚铝尺上印刻有角度刻度线,方便在竖杆进行转动的同时,可以带动刻度指针进行转动,从而方便操作人员进行观察角度情况。
权利要求书1页 说明书3页 附图2页CN 209857831 U 2019.12.27C N 209857831U权 利 要 求 书1/1页CN 209857831 U1.一种建筑工程质量检测装置,包括厚铝尺(1),其特征在于:所述厚铝尺(1)左侧水平向左开设有收纳槽(11),位于所述收纳槽(11)左侧的厚铝尺(1)上通过轴(6)活动连接有竖杆(5),且轴(6)前部竖直向上固定连接有刻度指针(15),所述厚铝尺(1)上水平向右开设有圆形容纳腔(7),所述圆形容纳腔(7)右侧螺纹衔接有螺纹柱(9),且螺纹柱(9)左端水平焊接有空鼓检测敲杆(8),位于所述竖杆(5)前部的厚铝尺(1)上印刻有角度刻度线(13),所述刻度指针(15)位于角度刻度线(13)前方,所述厚铝尺(1)前侧中部水平固定嵌入安装有水准泡(3)。
专利名称:一种用于测量高度的建筑施工绕线铅锤专利类型:实用新型专利
发明人:肖远
申请号:CN201620472993.7
申请日:20160523
公开号:CN206056542U
公开日:
20170329
专利内容由知识产权出版社提供
摘要:一种用于测量高度的建筑施工绕线铅锤,包括铅锤主体、壳体、带绕线的绕线轮、微型伺服电机、位移传感器、显示屏、超声波测距传感器和微控器,绕线轮、微型伺服电机置于壳体内,微型伺服电机固定于壳体内,其输出轴与绕线轮连接,绕线的一端连接绕线轮轴另一端连接铅锤主体;所述位移传感器绕线接触,测量绕线轮出线的长度;所述超声波测距传感器设在铅锤主体椎体尖端处,测量与地面的距离;位移传感器、超声波测距传感器连接在微控器的输入端;所述显示屏设在壳体的上端面,连接在微控器的输出端,显示屏上显示测量的数据。
申请人:肖远
地址:430081 湖北省武汉市青山区新奥依江畔园8-1-1501
国籍:CN
更多信息请下载全文后查看。
专利名称:一种建筑测量用铅锤专利类型:实用新型专利
发明人:杨朝旭,周浩,韩学志,韦晗申请号:CN202121784622.X 申请日:20210803
公开号:CN215725968U
公开日:
20220201
专利内容由知识产权出版社提供
摘要:本实用新型涉及建筑施工相关技术领域,具体为一种建筑测量用铅锤,包括收线盒、收线组件、铅锤体和线绳组合构成,收线盒为一个矩形盒体结构,其盒体的下侧面开设有出线槽,且其盒体的前后侧壁上均开始有安装孔,其安装孔中均固定安装有第一轴承,收线组件由转轴和挡线座组合构成;通过设置由收线盒、收线组件、铅锤体和线绳组合构成的建筑测量用铅锤,从而方便工作人员对建筑测量用铅锤上的线绳收纳至收线盒内部的收线组件上,从而方便工作人员对其进行整体收纳,并通过在收线盒的内部设置由安装板、定位座、导杆和调节件组合构成的线绳定位组件,从而避免线绳出现松散现象,从而方便铅锤结构下次使用的便利性。
申请人:中建八局第一建设有限公司
地址:250100 山东省济南市历下区工业南路89号
国籍:CN
代理机构:济南信达专利事务所有限公司
代理人:姜明
更多信息请下载全文后查看。
专利名称:一种具有精准测量效果的建筑施工用线坠专利类型:实用新型专利
发明人:万少博
申请号:CN202122174245.4
申请日:20210909
公开号:CN216410206U
公开日:
20220429
专利内容由知识产权出版社提供
摘要:本实用新型公开了一种具有精准测量效果的建筑施工用线坠,涉及建筑施工技术领域,包括承载横柱,所述承载横柱的下表面靠近一侧边缘位置固定连接有固定竖板,且承载横柱的下表面远离固定竖板的一侧设置有定位机构,所述定位机构包括移动板,所述移动板的下端固定连接有移动盒,所述移动盒的下侧设置有放置盒,所述移动盒与放置盒的内部设置有存放机构,所述承载横柱的两端均设置有转动把手,两组所述转动把手之间固定连接有螺纹轴杆,所述承载横柱的下表面开设有滑槽;本实用新型具有便捷的稳定夹持功能,以便对线坠固定端进行固定,无需手持线坠进行垂直度测量,提高了测量的精准度,且具有便捷的线坠收纳功能,也便于携带。
申请人:浙江铭冉建设有限公司
地址:311699 浙江省杭州市建德市新安江街道新安东路金色阳光8幢906室、907室
国籍:CN
代理机构:北京冬瓜知识产权代理事务所(普通合伙)
代理人:李佳
更多信息请下载全文后查看。
(19)中华人民共和国国家知识产权局(12)实用新型专利(10)授权公告号 (45)授权公告日 (21)申请号 201920311075.X(22)申请日 2019.03.12(73)专利权人 泉州永春信凯机械设备有限公司地址 362000 福建省泉州市永春县岵山镇龙阁村293号(72)发明人 陈永裕 (74)专利代理机构 六安市新图匠心专利代理事务所(普通合伙) 34139代理人 胡艳(51)Int.Cl.G01C 15/00(2006.01)G01C 9/00(2006.01)G01C 1/00(2006.01)G01B 5/02(2006.01)G01C 15/12(2006.01)(54)实用新型名称一种建筑工多功能建筑尺(57)摘要本实用新型属于建筑尺领域,尤其是一种建筑工多功能建筑尺,针对现有的测量尺结构较为简单,功能单一的问题,现提出如下方案,其包括直角尺,所述直角尺的水平段顶端安装有弧形杆,弧形杆的侧壁上设有角度指示刻度,直角尺的水平段侧壁上转动连接有指示杆,所述直角尺的水平段侧壁上嵌入有缠绕盒,缠绕盒的内部转动连接有转轴,转轴上安装有缠绕辊,缠绕辊上缠绕有测量带,转轴的一端延伸至缠绕盒的外部连接有转动手柄,所述直角尺的水平段开有连接孔,且连接孔的一端与缠绕盒的内部相连通,测量带的一端穿过连接孔连接有铅锤。
可以进行角度、长度、水平度、垂直度等多种测量,功能多样化,满足多种测量需求。
权利要求书1页 说明书3页 附图2页CN 209342106 U 2019.09.03C N 209342106U权 利 要 求 书1/1页CN 209342106 U1.一种建筑工多功能建筑尺,包括直角尺(1),其特征在于,所述直角尺(1)的水平段顶端安装有弧形杆(5),弧形杆(5)的侧壁上设有角度指示刻度,直角尺(1)的水平段侧壁上转动连接有指示杆(6),所述直角尺(1)的水平段侧壁上嵌入有缠绕盒(8),缠绕盒(8)的内部转动连接有转轴(12),转轴(12)上安装有缠绕辊(13),缠绕辊(13)上缠绕有测量带(11),转轴(12)的一端延伸至缠绕盒(8)的外部连接有转动手柄(14),所述直角尺(1)的水平段开有连接孔(10),且连接孔(10)的一端与缠绕盒(8)的内部相连通,测量带(11)的一端穿过连接孔(10)连接有铅锤(9),所述直角尺(1)的竖直段侧壁上开有夹持槽(15)。
(19)中华人民共和国国家知识产权局(12)实用新型专利(10)授权公告号 (45)授权公告日 (21)申请号 201920283106.5(22)申请日 2019.03.06(73)专利权人 中国建筑第二工程局有限公司地址 100070 北京市丰台区汽车博物馆东路6号院E座(72)发明人 宋建兵 王芳 张可 杨自威 (74)专利代理机构 北京中建联合知识产权代理事务所(普通合伙) 11004代理人 高芳 李丹(51)Int.Cl.E02F 3/02(2006.01)A01B 1/02(2006.01)B21F 1/00(2006.01)(54)实用新型名称一种多功能建筑用锹(57)摘要一种多功能建筑用锹,包括有锹头和锹杆;所述锹杆包括有前杆、套管和后杆;所述锹头设置在前杆的前端;所述套管套接在前杆的末端,并且套管的末端超出前杆的末端;在套管超出前杆的部位上设置有内螺纹;所述后杆的前端设有尖状的镐头,且后杆前侧的外壁上设有外螺纹;所述镐头插设在套管中,并且后杆的外螺纹与套管的内螺纹螺纹连接;所述后杆的末端连接有手柄;在手柄的后端设有用以套接钢筋的套环。
本实用新型解决了传统的钢锹仅仅能够用来铲沙土,而无法敲碎砖块或水泥,亦无法用来弯曲钢筋,并且使用起来不够方便的技术问题。
权利要求书1页 说明书2页 附图1页CN 209816951 U 2019.12.20C N 209816951U权 利 要 求 书1/1页CN 209816951 U1.一种多功能建筑用锹,包括有锹头(1)和锹杆(4);其特征在于:所述锹杆(4)包括有前杆(4.1)、套管(4.3)和后杆(4.2);所述锹头(1)设置在前杆(4.1)的前端;所述套管(4.3)套接在前杆(4.1)的末端,并且套管(4.3)的末端超出前杆(4.1)的末端;在套管(4.3)超出前杆(4.1)的部位上设置有内螺纹;所述后杆(4.2)的前端设有尖状的镐头(2),且后杆(4.2)前侧的外壁上设有外螺纹;所述镐头(2)插设在套管(4.3)中,并且后杆(4.2)的外螺纹与套管(4.3)的内螺纹螺纹连接;所述后杆(4.2)的末端连接有手柄(3);在手柄(3)的后端设有用以套接钢筋的套环(5)。
(19)中华人民共和国国家知识产权局(12)实用新型专利(10)授权公告号 (45)授权公告日 (21)申请号 201920272182.6(22)申请日 2019.03.04(73)专利权人 深圳市华建工程项目管理有限公司地址 518017 广东省深圳市福田区福田街道滨河大道与益田路交界东南皇都广场3号楼813-816(72)发明人 王焱 (74)专利代理机构 北京权智天下知识产权代理事务所(普通合伙) 11638代理人 刘玉欣(51)Int.Cl.G01C 15/00(2006.01)(54)实用新型名称一种建筑监理用测量器具(57)摘要本实用新型公开了一种建筑监理用测量器具,该测量器具包括主体,所述主体上设有条形通孔,置于所述条形通孔内与所述主体滑动连接的检测装置,所述主体两侧设有定位装置,所述主体上表面设有水平仪,所述检测装置包括壳体、置于所述壳体内的压力传感器、置于所述壳体内与所述压力传感器连接的压力存储器、置于所述壳体底部通过弹簧与所述压力传感器连接的压块,所述壳体内设有与所述压力传感器连接的储电池,所述壳体两侧固定设有与所述主体滑动连接的连接耳,所述壳体上设有USB接口,所述USB接口与所述压力存储器连接;本实用新型检测效率高、实用性强、降低劳动者工作强度、测量准确性好且能及时对不合格的被测量面进行修复。
权利要求书1页 说明书3页 附图2页CN 209326657 U 2019.08.30C N 209326657U权 利 要 求 书1/1页CN 209326657 U1.一种建筑监理用测量器具,其特征在于:该测量器具包括主体(1),所述主体(1)上设有条形通孔(2),置于所述条形通孔(2)内与所述主体(1)滑动连接的检测装置(3),所述主体(1)两侧设有定位装置(4),所述主体(1)上表面设有水平仪(5),所述检测装置(3)包括壳体(31)、置于所述壳体(31)内的压力传感器(32)、置于所述壳体(31)内与所述压力传感器(32)连接的压力存储器(33)、置于所述壳体(31)底部通过弹簧与所述压力传感器(32)连接的压块(34),所述壳体(31)内设有与所述压力传感器(32)连接的储电池,所述壳体(31)两侧固定设有与所述主体(1)滑动连接的连接耳(311),所述壳体(31)上设有USB接口,所述USB接口与所述压力存储器(33)连接。