【CN305348931S】建筑物3【专利】
- 格式:pdf
- 大小:215.13 KB
- 文档页数:3
(19)中华人民共和国国家知识产权局(12)实用新型专利(10)授权公告号 (45)授权公告日 (21)申请号 201920469413.2(22)申请日 2019.04.08(73)专利权人 深圳市亚淮设计顾问有限公司地址 518000 广东省深圳市福田区梅林街道梅亭社区中康路8号雕塑家园1501(72)发明人 梁盛锋 (74)专利代理机构 深圳市壹品专利代理事务所(普通合伙) 44356代理人 唐敏 江文鑫(51)Int.Cl.B65G 17/12(2006.01)B65G 17/38(2006.01)B65G 23/06(2006.01)(54)实用新型名称一种建筑工程用升降装置(57)摘要本实用新型公开了一种建筑工程用升降装置,包括底座,所述底座上端中部设有下支架,所述下支架顶端设有连接杆,所述连接杆的外壁上设有套块,所述套块的顶端设有呈中空状的上支架,所述下支架的上部设有下链轮,所述下链轮的一侧连接有传动机构;所述传动机构包括蜗轮,所述蜗轮通过转动轴与下链轮传动连接,所述下支架的中部一侧设有电机,所述电机的输出端同轴连接有蜗杆,所述蜗杆与蜗轮相啮合,所述上支架上部设有上链轮。
本实用新型通过蜗轮与蜗杆自锁性能的利用,对料盘位置进行随时限定,操作更加安全可靠,并且电机带动输送链条转动,使得输送链条上的料盘可对物料进行升降运输,大大提高了物料的运输效率。
权利要求书1页 说明书3页 附图2页CN 209720712 U 2019.12.03C N 209720712U权 利 要 求 书1/1页CN 209720712 U1.一种建筑工程用升降装置,其特征在于:包括底座(1),所述底座(1)上端中部设有下支架(2),所述下支架(2)顶端设有连接杆(7),所述连接杆(7)的外壁上设有套块(8),所述套块(8)的顶端设有呈中空状的上支架(11),所述下支架(2)的上部设有下链轮(5),所述下链轮(5)的一侧连接有传动机构;所述传动机构包括蜗轮(13),所述蜗轮(13)通过转动轴(4)与下链轮(5)传动连接,所述下支架(2)的中部一侧设有电机(3),所述电机(3)的输出端同轴连接有蜗杆(14),所述蜗杆(14)与蜗轮(13)相啮合,所述上支架(11)上部设有上链轮(10),所述上支架(11)与上链轮(10)通过转动销(9)相连接,所述上链轮(10)与下链轮(5)间连接有输送机构。
(19)中华人民共和国国家知识产权局
(12)外观设计专利
(10)授权公告号 (45)授权公告日 (21)申请号 201930085219.X
(22)申请日 2019.03.04
(73)专利权人 余姚市松木水暖厂
地址 315400 浙江省宁波市余姚市陆埠镇
郭姆村上方256号
(72)设计人 王东林
(74)专利代理机构 北京汇捷知识产权代理事务
所(普通合伙) 11531
代理人 李宏伟
(51)LOC(12)Cl.
23-06
(54)使用外观设计的产品名称
手持花洒
设计1立体图
图片或照片 29 幅 简要说明 1 页CN 305322341 S 2019.08.27
C N 305322341
S
A部放大图
设计1主视图设计1后视图设计1左视图
设计1右视图
设计1俯视图
设计1仰视图
设计1立体图
外观设计图片或照片1/4页
2 CN 305322341 S。
(19)中华人民共和国国家知识产权局(12)实用新型专利(10)授权公告号 (45)授权公告日 (21)申请号 201821498135.5(22)申请日 2019.03.06(73)专利权人 山东省物化探勘查院地址 250014 山东省济南市历下区历山路56号(72)发明人 房世海 (74)专利代理机构 山东博睿律师事务所 37238代理人 丁波(51)Int.Cl.F16M 11/10(2006.01)F16M 11/32(2006.01)(54)实用新型名称一种新型建筑工程用测绘装置(57)摘要本实用新型公开了一种新型建筑工程用测绘装置,包括第一收叠盒、第二收叠盒和转盘轴承,所述转盘轴承设置于第一收叠盒与第二收叠盒之间,且所述转盘轴承的内外圈分别通过螺丝与第一收叠盒和第二收叠盒连接;所述第一收叠盒的表面嵌入设置有测绘仪,所述测绘仪底部设有伸缩轴,且所述测绘仪通过伸缩轴与第一收叠盒之间保持转动,所述测绘仪还包括对向设置于测绘仪两侧的目镜和物镜,所述目镜的一侧设有调焦面板;所述测绘仪底部铺设有泡沫垫,且所述泡沫垫与第一收叠盒通过黏胶粘合,具有能够进行快速的收纳和折叠,减轻工作人员携带和组装负担;适用于山区及恶劣地形作业;能够最大程度对仪器进行保护。
权利要求书1页 说明书4页 附图4页CN 208750328 U 2019.04.16C N 208750328U权 利 要 求 书1/1页CN 208750328 U1.一种新型建筑工程用测绘装置,包括第一收叠盒(1)、第二收叠盒(2)和转盘轴承(3),其特征在于:所述转盘轴承(3)设置于第一收叠盒(1)与第二收叠盒(2)之间,且所述转盘轴承(3)的内外圈分别通过螺丝与第一收叠盒(1)和第二收叠盒(2)连接;所述第一收叠盒(1)的表面嵌入设置有测绘仪(4),所述测绘仪(4)底部设有伸缩轴(405),且所述测绘仪(4)通过伸缩轴(405)与第一收叠盒(1)之间保持转动,所述测绘仪(4)还包括对向设置于测绘仪(4)两侧的目镜(404)和物镜(401),所述目镜(404)的一侧设有调焦面板(402);所述测绘仪(4)底部铺设有泡沫垫(7),且所述泡沫垫(7)与第一收叠盒(1)通过黏胶粘合,所述测绘仪(4)顶部设有硅胶保护盖(6),且所述硅胶保护盖(6)与第一收叠盒(1)一侧通过黏胶粘合;所述第一收叠盒(1)的一侧连接有把手(9);所述第二收叠盒(2)分别设有等距的第一收纳槽(201)、第二收纳槽(202)和第三收纳槽(203),且所述分别对应的第一收纳槽(201)、第二收纳槽(202)和第三收纳槽(203)内分别通过铆钉(11)连接有第一拉杆(501)、第二拉杆(502)和第三拉杆(503),所述第一拉杆(501)、第二拉杆(502)和第三拉杆(503)的任意拉杆连接处均设有调节栓(504)。
(19)中华人民共和国国家知识产权局
(12)外观设计专利
(10)授权公告号 (45)授权公告日 (21)申请号 201930151962.0(22)申请日 2019.04.04
(73)专利权人 安徽海螺川崎工程有限公司
地址 241000 安徽省芜湖市弋江区弋江南
路火龙岗镇
专利权人 芜湖海创实业有限责任公司
安徽海螺川崎节能设备制造有限公司
安徽海螺建材设计研究院有限责任公司
上海海螺川崎节能环保工程有限公司(72)设计人 何承发 李大明 李朝晖 陈凤银
张长乐 汪克春 汪宁 肖杰玉 赵峰娃 考传利 杨长青 王虎山 秦宗甲 邱振夏 任明政 温亚菲 鲁朝朋 胡园园
(74)专利代理机构 芜湖安汇知识产权代理有限
公司 34107
代理人 尹安(51)LOC(12)Cl.
25-03
(54)使用外观设计的产品名称
建筑物
(2)立体图
图片或照片 5 幅 简要说明 1 页
CN 305333586 S 2019.09.03
C N 305333586
S
主视图后视图左视图
右视图
立体图
外观设计图片或照片1/1页
2 CN 305333586 S。
(19)中华人民共和国国家知识产权局(12)实用新型专利(10)授权公告号 (45)授权公告日 (21)申请号 201920209988.0(22)申请日 2019.02.19(73)专利权人 于红地址 463000 河南省驻马店市驿城区中华路354号(72)发明人 于红 吕华云 高春花 (51)Int.Cl.B01D 47/06(2006.01)B01D 47/18(2006.01)(54)实用新型名称一种建筑工程喷水装置(57)摘要本实用新型公开了一种建筑工程喷水装置,包括扩散机、安装箱、安装板、支撑架和水箱,所述安装板的顶部固定安装有水箱,所述水箱的正面固定安装有控制按钮,且水箱的一侧固定安装有入水管,所述水箱的正面固定安装有观察窗,所述水箱的一侧固定安装有安装箱,所述安装箱的顶部通过支撑座固定安装有扩散机,所述安装板的两侧固定安装有两组支撑架,所述安装板的底部固定安装有两组行走轮。
本实用新型安装有风机可扩大装置的洒水面积,提高装置的喷水效率,提高装置的实用性,通过安装有旋转架可调节装置的喷洒的角度,使其可根据具体的需求来调节喷洒的角度,可增加装置的可调节性,提高装置灵活性。
权利要求书1页 说明书3页 附图3页CN 209501176 U 2019.10.18C N 209501176U权 利 要 求 书1/1页CN 209501176 U1.一种建筑工程喷水装置,包括扩散机、安装箱、安装板、支撑架和水箱,其特征在于:所述安装板顶部的一侧固定安装有推杆,且安装板的一侧固定安装有牵引杆,所述安装板的顶部固定安装有水箱,所述水箱的正面固定安装有控制按钮,且水箱的一侧固定安装有入水管,所述水箱的正面固定安装有观察窗,所述水箱的一侧固定安装有安装箱,所述安装箱的顶部通过支撑座固定安装有扩散机,所述安装板的两侧固定安装有两组支撑架,所述安装板的底部固定安装有两组行走轮。
2.根据权利要求1所述的一种建筑工程喷水装置,其特征在于:所述扩散机的内部固定安装有防尘板,防尘板的一侧固定安装有雾化器,雾化器的正面固定安装有风机。
(19)中华人民共和国国家知识产权局(12)实用新型专利(10)授权公告号 (45)授权公告日 (21)申请号 201920375069.0(22)申请日 2019.03.24(73)专利权人 青岛恒生源集团建设有限公司地址 266299 山东省青岛市即墨市振华街87号恒生源大厦101室(72)发明人 朱伟良 刘常亮 彭振宇 (51)Int.Cl.B62B 3/04(2006.01)B62B 5/00(2006.01)(54)实用新型名称一种建筑用抗震装置(57)摘要本实用新型公开了一种建筑用抗震装置,包括支撑底板,所述支撑底板的底端顶角处设有四组均匀分布的安装座,所述安装座内套设有U形活动架,所述U形活动架的两端对称设有安装槽,所述安装槽内套设有车轮,所述支撑底板的顶部嵌套有若干组均匀分布的活塞筒,所述活塞筒的顶部设有固定板,所述固定板的中部设有通孔,所述通孔内套设有活塞柄,所述活塞柄的一端与位于所述活塞筒内的活塞连接,所述活塞的底端设有弹簧一,所述弹簧一的底端与所述活塞筒的内壁连接,所述活塞柄的另一端延伸至位于所述支撑底板上方的托槽上。
有益效果:整体设计合理,具有一定的抗震效果,避免了因建筑工地颠簸对建筑用材造成的输送损伤,减小了建筑施工的损失。
权利要求书1页 说明书3页 附图2页CN 209683767 U 2019.11.26C N 209683767U权 利 要 求 书1/1页CN 209683767 U1.一种建筑用抗震装置,其特征在于,包括支撑底板(1),所述支撑底板(1)的底端顶角处设有四组均匀分布的安装座(2),所述安装座(2)内套设有U形活动架(3),所述U形活动架(3)的两端对称设有安装槽(4),所述安装槽(4)内套设有车轮(5),所述支撑底板(1)的顶部嵌套有若干组均匀分布的活塞筒(6),所述活塞筒(6)的顶部设有固定板(7),所述固定板(7)的中部设有通孔(8),所述通孔(8)内套设有活塞柄(9),所述活塞柄(9)的一端与位于所述活塞筒(6)内的活塞(10)连接,所述活塞(10)的底端设有弹簧一(11),所述弹簧一(11)的底端与所述活塞筒(6)的内壁连接,所述活塞柄(9)的另一端延伸至位于所述支撑底板(1)上方的托槽(12)上,所述固定板(7)与所述托槽(12)之间的所述活塞柄(9)上套设有弹簧二(13),所述托槽(12)的内壁上对称设有滑轨(14),所述托槽(12)远离所述滑轨(14)的一侧内壁上设有螺纹孔(15),所述螺纹孔(15)内套设有与其相适配的螺纹杆(16),所述螺纹杆(16)的一端与位于所述托槽(12)一侧的转盘(17)连接,所述螺纹杆(16)的另一端与轴承(18)连接,所述轴承(18)的另一端与活动板一(19)连接,所述活动板一(19)远离所述轴承(18)的一侧设有活动板二(20),所述活动板一(19)和所述活动板二(20)的两端均延伸至所述滑轨(14)内,所述活动板二(20)远离所述活动板一(19)的一侧设有若干组均匀分布的缓冲组件(21)。
(19)中华人民共和国国家知识产权局(12)实用新型专利(10)授权公告号 (45)授权公告日 (21)申请号 201920242669.X(22)申请日 2019.02.26(73)专利权人 陈鹏地址 276000 山东省临沂市兰山区沂蒙路454号嘉瑞大厦1601专利权人 刘刚(72)发明人 陈鹏 刘刚 (74)专利代理机构 北京东岩跃扬知识产权代理事务所(普通合伙) 11559代理人 谷岳(51)Int.Cl.G01C 15/00(2006.01)(54)实用新型名称一种建筑设计专用测量装置(57)摘要本实用新型公开了建筑技术领域的一种建筑设计专用测量装置,包括椎体,椎体顶部外壁从上到下依次设置有三组分杆,分杆顶部外壁设置有连接块,分杆底部外壁开设有连接槽,连接块顶端插接在连接槽的内腔,连接槽右侧内壁开设有安装槽,安装槽内腔插接有插杆,插杆左端贯穿连接块,插杆外壁套接有扭簧,装置中向后推动推块,使固定块从固定槽中移出,通过扭簧收缩,使插杆向右移动,使插杆从连接块内腔中移出,使连接块与连接槽连接松开,从而可以将测量花杆分成几组较短的分杆,减小测量花杆整体的长度,方便携带和运输,同时也不需要使用伸缩式的测量花杆来方便携带,避免测量杆花杆各个部位的粗细不同而影响测量的精确性。
权利要求书1页 说明书3页 附图2页CN 209326655 U 2019.08.30C N 209326655U权 利 要 求 书1/1页CN 209326655 U1.一种建筑设计专用测量装置,包括椎体(1),其特征在于:椎体(1)顶部外壁从上到下依次设置有三组分杆(2),分杆(2)顶部外壁设置有连接块(3),分杆(2)底部外壁开设有连接槽(4),连接块(3)顶端插接在连接槽(4)的内腔,连接槽(4)右侧内壁开设有安装槽(5),安装槽(5)内腔插接有插杆(6),插杆(6)左端贯穿连接块(3),插杆(6)外壁套接有扭簧(7),扭簧(7)一端与插杆(6)的外壁连接,扭簧(7)另一端与安装槽(5)的内壁连接,安装槽(5)后侧内壁设置有转轴(9),转轴(9)前端与挡板(8)连接,挡板(8)前侧外壁与安装槽(5)前侧内壁连接,挡板(8)左侧外壁与插杆(6)右侧外壁相贴合。
(19)中华人民共和国国家知识产权局(12)发明专利申请(10)申请公布号 (43)申请公布日 (21)申请号 201910289331.4(22)申请日 2019.04.11(71)申请人 杭州羽山科技有限公司地址 310004 浙江省杭州市下城区沈家路319号363室(72)发明人 陈伟光 支军 (74)专利代理机构 杭州君度专利代理事务所(特殊普通合伙) 33240代理人 黄前泽(51)Int.Cl.E04F 17/04(2006.01)G08B 19/00(2006.01)H04N 5/225(2006.01)(54)发明名称一种建筑通风口防异物侵入装置(57)摘要本发明公开了一种建筑通风口防异物侵入装置。
现有建筑通风口无法在危险异物落入通风口之前将其消除。
本发明的底层钢丝网固定在地坪的通风井内壁,异物收集井固定在地坪的通风井顶面;异物收集井的框架内部形成异物收集腔;异物收集腔的其中两侧各固定等距排布的n根主钢柱,异物收集腔的四个角处各固定一根外围钢柱;主钢柱和外围钢柱均靠近异物收集井的外侧壁设置;顶盖组件支撑在主钢柱组件上;异物收集井的侧部或顶盖组件的顶部为与外界通风的主通风道。
本发明设置顶盖组件,防止异物落入通风井,并通过异物收集井收集异物;设置摄像头,以利于追踪调查;在异物收集井内设置烟雾报警器和有毒气体报警器,可以报警。
权利要求书2页 说明书6页 附图4页CN 109944414 A 2019.06.28C N 109944414A权 利 要 求 书1/2页CN 109944414 A1.一种建筑通风口防异物侵入装置,包括固定在地坪的通风井内壁的底层钢丝网,其特征在于:还包括异物收集井、主钢柱组件和顶盖组件;所述的异物收集井固定在地坪的通风井顶面;异物收集井的中心为风道;异物收集井的框架内部形成异物收集腔;异物收集腔呈方形,顶部开放;所述的主钢柱组件包括竖直设置的主钢柱和外围钢柱;异物收集腔的其中两侧各固定等距排布的n根主钢柱,n≥3,异物收集腔的四个角处各固定一根外围钢柱;主钢柱和外围钢柱均靠近异物收集井的外侧壁设置;所述的顶盖组件支撑在主钢柱组件上;异物收集井的侧部或顶盖组件的顶部为与外界通风的主通风道。
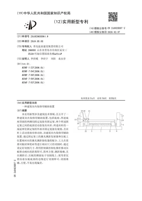
(19)中华人民共和国国家知识产权局(12)实用新型专利(10)授权公告号 (45)授权公告日 (21)申请号 201920658064.9(22)申请日 2019.05.08(73)专利权人 青岛温泉建设集团有限公司地址 266000 山东省青岛市市南区延安三路204号海信慧园商务楼A座11F(72)发明人 李世暖 李世宁 刘阳 袁永存 (51)Int.Cl.B28D 1/22(2006.01)B28D 7/04(2006.01)B28D 7/00(2006.01)B26D 7/00(2006.01)B26D 7/02(2006.01)(54)实用新型名称一种建筑室内装修用辅助装置(57)摘要本实用新型涉及建筑技术领域,且公开了一种建筑室内装修用辅助装置,包括底座,所述底座顶部的两侧均固定连接有固定架,两个所述固定架之间的底部活动套装有丝杆,所述丝杆的一端延伸至固定架的外部并固定连接有旋钮,且丝杆上活动套接有移动块。
该建筑室内装修用辅助装置,通过固定架上的激光测距发射器和压板上位置相对应的激光测距接收器的配合,工人在需要对板材和瓷砖等进行相应尺寸的切割时,通过设定好切割尺寸,利用控制器控制电推杆推动压板移动相应的距离即可,简单方便,测距准确,且在测距后,压板的侧面处于切割线上,使用者仅需沿着压板底部的边缘进行切割即可,切割准确、方便,不易出现偏差。
权利要求书1页 说明书3页 附图2页CN 210025857 U 2020.02.07C N 210025857U权 利 要 求 书1/1页CN 210025857 U1.一种建筑室内装修用辅助装置,包括底座(1),其特征在于:所述底座(1)顶部的两侧均固定连接有固定架(2),两个所述固定架(2)之间的底部活动套装有丝杆(3),所述丝杆(3)的一端延伸至固定架(2)的外部并固定连接有旋钮(4),且丝杆(3)上活动套接有移动块(5),所述移动块(5)的顶部设有卡座(6),一个所述固定架(2)侧面的顶部固定安装有控制器(7),且一个固定架(2)远离控制器(7)的一侧设有激光测距发射器(8),所述固定架(2)的数量有四个,两个所述位于底座(1)一侧的固定架(2)之间的顶部固定连接有连接架(9),所述连接架(9)顶部的一侧固定安装有电机(10),所述电机(10)的输出轴上固定套装有螺纹杆(11),所述螺纹杆(11)的底部与底座(1)的顶部活动套接,所述连接架(9)底部的一侧固定套接有支撑杆(12),所述支撑杆(12)的底部与底座(1)顶部的一侧固定连接,且支撑杆(12)上活动套接有固定板(13),所述固定板(13)侧面的中部固定安装有气缸(14),所述气缸(14)的输出端活动套装有活塞杆(15),所述活塞杆(15)的一端活动套装有套杆(16),所述套杆(16)上活动套装有弹簧(17),所述固定架(2)上固定套装有位于丝杆(3)一侧的限位杆(18),所述套杆(16)的一端固定连接有连接板(19),所述连接板(19)为L型,且连接板(19)侧面的顶部固定连接有电推杆(20),所述电推杆(20)的一端固定连接有压板(21),所述压板(21)的侧面设有与固定架(2)上激光测距发射器(8)位置相对应的激光测距接收器(22)。