【CN209585371U】一种建筑用幕墙【专利】
- 格式:pdf
- 大小:316.38 KB
- 文档页数:7
专利名称:一种新型建筑装饰幕墙专利类型:实用新型专利
发明人:石旻飞,李邵洋,段冬梅
申请号:CN201920294409.7申请日:20190308
公开号:CN210216830U
公开日:
20200331
专利内容由知识产权出版社提供
摘要:本实用新型的目的是为了解决现有的不便对建筑幕墙进行清洗的难题,公开了一种新型建筑装饰幕墙,包括卡环,所述卡环内部均匀安装有幕墙块,所述幕墙块左端固定安装有连接管,所述连接管左端固定安装有通风板,所述通风板左侧设置有连接板,所述连接板与通风板之间均匀安装有第二导管,所述连接板左侧中部固定安装有定位管,所述定位管左端固定安装有水泵。
本实用新型通过水泵的设置,从而可以对幕墙块进行清洗,进而使建筑幕墙保持整洁,通过风机的设置,从而可以加大水的喷射范围,从而可以对周围的空气进行除尘,对空气进行净化,更加环保。
申请人:浙江工业职业技术学院
地址:312000 浙江省绍兴市越城区曲屯路151号
国籍:CN
代理机构:上海精晟知识产权代理有限公司
代理人:冯子玲
更多信息请下载全文后查看。
(19)中华人民共和国国家知识产权局(12)实用新型专利(10)授权公告号 (45)授权公告日 (21)申请号 201920459756.0(22)申请日 2019.04.08(73)专利权人 佛山市金铭顺建设工程有限公司地址 528200 广东省佛山市南海区桂城街道桂平中路65号鸿晖都市产业新城3栋505房(72)发明人 不公告发明人 (74)专利代理机构 北京卓岚智财知识产权代理事务所(特殊普通合伙)11624代理人 郭智(51)Int.Cl.E04B 2/96(2006.01)(54)实用新型名称一种新型建筑节能环保幕墙(57)摘要本实用新型公开了一种新型建筑节能环保幕墙,包括支撑框和连接机构,所述支撑框的内部安置有第一面板,且第一面板的外壁边缘处连接有缓冲条,所述支撑框的内侧活动安置有连接轴,且支撑框的内侧上方开设有滑槽,所述支撑框的内侧下方设置有卡槽,且支撑框的正面连接有承载板,所述第一面板的外侧设置有第二面板,且第二面板的内侧开设有限位槽。
本实用新型中,通过与第一面板的外侧相贴合的缓冲条的作用,使得其能够对面板的外侧进行防护操作,同时,在面板之间出现热涨冷缩现象时,通过对橡胶材质构成的缓冲条的挤压作用,能够补偿面板胀开的面积,避免面板直接接触造成挤压破裂的现象,影响幕墙的后续使用性能。
权利要求书1页 说明书3页 附图2页CN 209779985 U 2019.12.13C N 209779985U权 利 要 求 书1/1页CN 209779985 U1.一种新型建筑节能环保幕墙,包括支撑框(1)和连接机构(9),其特征在于,所述支撑框(1)的内部安置有第一面板(2),且第一面板(2)的外壁边缘处连接有缓冲条(3),所述支撑框(1)的内侧活动安置有连接轴(4),且支撑框(1)的内侧上方开设有滑槽(5),所述支撑框(1)的内侧下方设置有卡槽(7),且支撑框(1)的正面连接有承载板(6),所述第一面板(2)的外侧设置有第二面板(8),且第二面板(8)的内侧开设有限位槽(10),所述连接机构(9)设置于第一面板(2)的底部。
(19)中华人民共和国国家知识产权局(12)实用新型专利(10)授权公告号 (45)授权公告日 (21)申请号 201721383964.4(22)申请日 2017.10.25(73)专利权人 浙江德清森朗装饰材料有限公司地址 313000 浙江省湖州市德清县武康镇志远北路695号大地陶瓷2幢(72)发明人 阮兴良 叶建飞 寿敏琪 阮兴红 韩水凤 王菊花 (74)专利代理机构 杭州千克知识产权代理有限公司 33246代理人 裴金华(51)Int.Cl.E04B 2/88(2006.01)A47B 5/06(2006.01)A47B 13/02(2006.01)A47B 91/16(2006.01)(ESM)同样的发明创造已同日申请发明专利(54)实用新型名称一种新型幕墙(57)摘要本实用新型公开了一种新型幕墙,包括墙板和用于将墙板和建筑主体安装的连接结构,所述墙板包括第一面板体和第二面板体,所述第一面板体与所述第二面板体轴连接,所述第二面板体与所述连接结构连接,所述第一面板体包括表板、背板以及设于所述表板与所述背板之间的加热装置和风扇,所述背板正对于所述加热装置和所述风扇处设有多个通孔,所述背板的背部设有交叉支架。
本实用新型充分利用室外空间,能够旋转和作为室外桌子使用,方便商家吸引客户和提供客户室外休息娱乐,能够调控附近环境的温度。
权利要求书1页 说明书3页 附图2页CN 207376898 U 2018.05.18C N 207376898U1.一种新型幕墙,包括墙板(1)和用于将墙板(1)和建筑主体安装的连接结构,其特征在于,所述墙板(1)包括第一面板体(11)和第二面板体(12),所述第一面板体(11)与所述第二面板体(12)轴连接,所述第二面板体(12)与所述连接结构连接,所述第一面板体(11)包括表板(111)、背板(112)以及设于所述表板(111)与所述背板(112)之间的加热装置(2)和风扇(3),所述背板(112)正对于所述加热装置(2)和所述风扇(3)处设有多个通孔,所述背板(112)的背部设有交叉支架(4)。
专利名称:一种建筑用幕墙专利类型:实用新型专利
发明人:钟顺荣
申请号:CN202020110738.4申请日:20200119
公开号:CN211548270U
公开日:
20200922
专利内容由知识产权出版社提供
摘要:本实用新型公开了一种建筑用幕墙,涉及建筑幕墙技术领域,包括幕墙固定板,所述幕墙固定板固定在混凝土墙体的一侧,所述幕墙固定板的顶端设置有弹簧滑槽,所述幕墙固定板的底端设置有滑槽,所述幕墙固定板的内壁设置有幕墙,所述幕墙的顶端设置有幕墙夹板,所述幕墙夹板的顶端设置有弹簧,所述弹簧的顶端设置有弹簧压板,所述幕墙的外侧设置有拉门,所述幕墙的内部设置有隔板,所述隔板的一侧设置有防火层,所述隔板的另一侧设置有隔音层。
本实用新型通过设置弹簧、弹簧压板、滑槽、限位块,在幕墙安装时直接将幕墙沿着滑槽推入幕墙固定板内再用螺栓进行固定即可,减少了幕墙安装的时间,从而减小了操作人员的危险系数。
申请人:钟顺荣
地址:322204 浙江省金华市浦江县黄宅镇钟村
国籍:CN
更多信息请下载全文后查看。
(19)中华人民共和国国家知识产权局(12)实用新型专利(10)授权公告号 (45)授权公告日 (21)申请号 201920327821.4(22)申请日 2019.03.15(73)专利权人 安徽天筑远大住宅产业化科技有限公司地址 233000 安徽省蚌埠市胜利东路1599号仁合大厦A座901号(72)发明人 戚波 (74)专利代理机构 昆明合众智信知识产权事务所 53113代理人 张玺(51)Int.Cl.E04B 2/88(2006.01)E04G 21/16(2006.01)(54)实用新型名称一种幕墙安装工具(57)摘要本实用新型提供一种幕墙安装工具,包括底板、吸盘机构、夹紧机构和把手,四个吸盘机构分别安装在底板上,夹紧机构包括滑块、侧板机构、螺纹套筒Ⅰ、支架、双向丝杆,两个滑块安装在底板上,侧板机构铰接在滑块上,滑块上装有螺纹套筒Ⅰ,双向丝杆转动安装支架上并且双向丝杆贯穿过位于滑块上的螺纹套筒Ⅰ。
通过设置在底板上的吸盘机构和夹紧机构,进而在某些幕墙材料无法直接用吸盘进行吸附时可以使用夹紧机构进行固定安装,通过在吸盘内设置的活塞,进而在将吸盘从幕墙上取下来的时候可以直接通过活塞释放内部的压强,进而不需将吸盘侧翻取下进而保证了安装效果,通过将侧板机构铰接在滑块上,进而未使用夹紧机构时不会影响吸盘的使用。
权利要求书1页 说明书3页 附图4页CN 209670145 U 2019.11.22C N 209670145U权 利 要 求 书1/1页CN 209670145 U1.一种幕墙安装工具,包括底板(1)、吸盘机构(2)、夹紧机构(3)和把手(4),其特征在于:所述底板(1)上设有四个缸套(11),四个所述吸盘机构(2)分别安装在底板(1)上的四个缸套(11)上,所述夹紧机构(3)包括滑块(31)、侧板机构(32)、螺纹套筒Ⅰ(33)、支架(34)、双向丝杆(35),两个所述滑块(31)分别活动安装在底板(1)的两侧,两个所述侧板机构(32)分别通过螺栓铰接在滑块(31)上,两个所述螺纹套筒Ⅰ(33)分别固定安装在两个所述滑块(31)上,所述双向丝杆(35)通过支架(34)转动安装在底板(1)上,其中双向丝杆(35)的两端分别贯穿过位于滑块(31)上的螺纹套筒Ⅰ(33)。
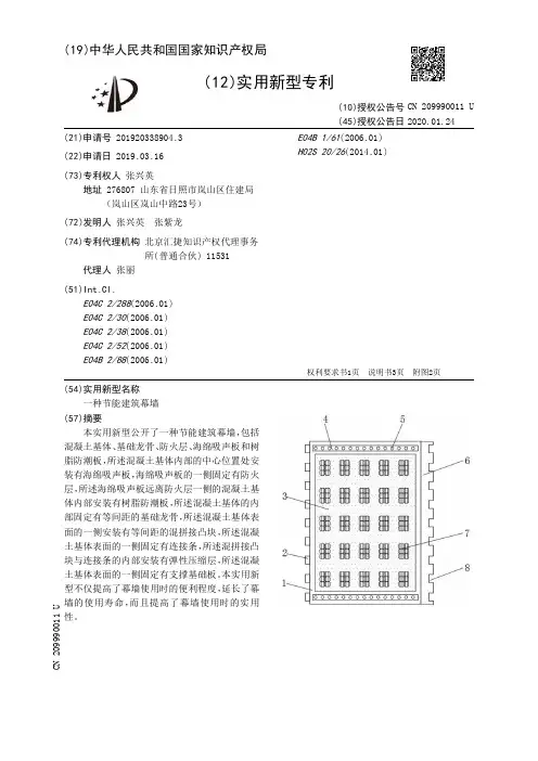
(19)中华人民共和国国家知识产权局(12)实用新型专利(10)授权公告号 (45)授权公告日 (21)申请号 201920338904.3(22)申请日 2019.03.16(73)专利权人 张兴英地址 276807 山东省日照市岚山区住建局(岚山区岚山中路23号)(72)发明人 张兴英 张紫龙 (74)专利代理机构 北京汇捷知识产权代理事务所(普通合伙) 11531代理人 张丽(51)Int.Cl.E04C 2/288(2006.01)E04C 2/30(2006.01)E04C 2/38(2006.01)E04C 2/52(2006.01)E04B 2/88(2006.01)E04B 1/61(2006.01)H02S 20/26(2014.01)(54)实用新型名称一种节能建筑幕墙(57)摘要本实用新型公开了一种节能建筑幕墙,包括混凝土基体、基础龙骨、防火层、海绵吸声板和树脂防潮板,所述混凝土基体内部的中心位置处安装有海绵吸声板,海绵吸声板的一侧固定有防火层,所述海绵吸声板远离防火层一侧的混凝土基体内部安装有树脂防潮板,所述混凝土基体的内部固定有等间距的基础龙骨,所述混凝土基体表面的一侧安装有等间距的混拼接凸块,所述混凝土基体表面的一侧固定有连接条,所述混拼接凸块与连接条的内部安装有弹性压缩层,所述混凝土基体表面的一侧固定有支撑基础板。
本实用新型不仅提高了幕墙使用时的便利程度,延长了幕墙的使用寿命,而且提高了幕墙使用时的实用性。
权利要求书1页 说明书3页 附图2页CN 209990011 U 2020.01.24C N 209990011U权 利 要 求 书1/1页CN 209990011 U1.一种节能建筑幕墙,包括混凝土基体(1)、基础龙骨(9)、防火层(10)、海绵吸声板(12)和树脂防潮板(13),其特征在于:所述混凝土基体(1)内部的中心位置处安装有海绵吸声板(12),海绵吸声板(12)的一侧固定有防火层(10),所述海绵吸声板(12)远离防火层(10)一侧的混凝土基体(1)内部安装有树脂防潮板(13),且树脂防潮板(13)与海绵吸声板(12)相互配合,所述混凝土基体(1)的内部固定有等间距的基础龙骨(9),所述混凝土基体(1)表面的一侧安装有等间距的混拼接凸块(2),所述混凝土基体(1)表面的一侧固定有连接条(6),连接条(6)的一侧安装有等间距的安装槽(8),且安装槽(8)与混拼接凸块(2)相互配合,所述混拼接凸块(2)与连接条(6)的内部安装有弹性压缩层(14),所述混凝土基体(1)表面的一侧固定有支撑基础板(3),支撑基础板(3)的表面安装有等间距的太阳能电池板(7)。
(19)中华人民共和国国家知识产权局(12)实用新型专利(10)授权公告号 (45)授权公告日 (21)申请号 201920485392.3(22)申请日 2019.04.11(73)专利权人 东亚装饰股份有限公司地址 266000 山东省青岛市市北区辽宁路228号(72)发明人 袁京斐 袁茂强 粱俊朋 姜润峰 张景君 (74)专利代理机构 北京金宏来专利代理事务所(特殊普通合伙) 11641代理人 苗彩娟(51)Int.Cl.E04B 1/94(2006.01)E04B 2/96(2006.01)(54)实用新型名称一种幕墙防火结构(57)摘要本实用新型涉及一种幕墙防火结构,所述幕墙防火结构包括防火密封腔,所述防火密封腔设置于楼体地面与幕墙的固定骨架的连接处,所述防火密封腔为金属材料围成的方筒状结构,腔中填充满防火岩棉,所述防火密封腔的宽度与幕墙和其固定骨架的连接处的距离相同,所述防火密封腔的外表面设有一层防火铁皮,并通过防火铁皮与防火密封腔两侧的楼体地面和固定骨架分别连接。
本实用新型设计的幕墙防火结构中加入了填充满防火岩棉,防火效果有保证,可有效延长防火时间,降低发生火灾时串烟的可能性。
权利要求书1页 说明书2页 附图1页CN 209799051 U 2019.12.17C N 209799051U权 利 要 求 书1/1页CN 209799051 U1.一种幕墙防火结构,其特征在于,所述幕墙防火结构包括防火密封腔(1),所述防火密封腔设置于建筑楼层的地面(8)的边缘与幕墙的固定横梁(9)之间,所述防火密封腔(1)为金属材料围成的方筒状结构,腔中填充满防火岩棉层(11),所述防火密封腔(1)的宽度与地面(8)和固定横梁(9)之间的距离相同,所述防火密封腔(1)的外表面设有一层防火铁皮(2),并通过防火铁皮(2)与防火密封腔(1)两侧的地面(8)和固定横梁(9)分别连接。
2.根据权利要求1所述的幕墙防火结构,其特征在于,所述防火铁皮(2)与地面(8)的连接处通过射钉(7)固定,与固定横梁(9)的连接处采用螺钉(91)进行固定,所述防火铁皮(2)的两侧连接处的端部上翘,并分别设置有第一密封层(3)。
(19)中华人民共和国国家知识产权局(12)实用新型专利(10)授权公告号 (45)授权公告日 (21)申请号 201920299254.6(22)申请日 2019.03.08(73)专利权人 深圳市方大建科集团有限公司地址 518000 广东省深圳市南山区高新技术产业园南区科技南十二路方大科技大厦19楼(72)发明人 杨兴忠 徐皓 吴新光 (74)专利代理机构 深圳市精英专利事务所44242代理人 冯筠(51)Int.Cl.E04B 2/96(2006.01)(54)实用新型名称一种幕墙板块结构(57)摘要本实用新型提出了一种幕墙板块结构,包括立柱,所述立柱下方设有装饰条,所述装饰条上设有玻璃压块,所述玻璃压块与所述立柱之间对称设置有预留支架,所述预留支架与所述立柱为可拆连接,拆下所述预留支架用于安装玻璃。
本实用新型一种幕墙板块结构通过在玻璃压块与立柱之间对称设置的预留支架预留支架可拆卸,留下局部位置安装便于安装方便可拆卸面板的板块,比如玻璃,以便塔架、施工梯等施工器械与主体连接和大型设备的进出,以便在需要时在室内将该部分面板材料藏好,当改造及吊装完成后,可再将面板材料安装回去,以达到所需的功能要求。
权利要求书1页 说明书3页 附图5页CN 209817209 U 2019.12.20C N 209817209U权 利 要 求 书1/1页CN 209817209 U1.一种幕墙板块结构,包括立柱,其特征在于,所述立柱下方设有装饰条,所述装饰条上设有玻璃压块,所述玻璃压块与所述立柱之间对称设置有预留支架,所述预留支架与所述立柱为可拆连接,拆下所述预留支架用于安装玻璃。
2.根据权利要求1所述的一种幕墙板块结构,其特征在于,所述玻璃压块的外侧设有与所述玻璃压块相互配合的扣盖,所述扣盖与所述玻璃压块卡扣连接。
3.根据权利要求2所述的一种幕墙板块结构,其特征在于,所述扣盖延伸有扣合部,所述玻璃压块上设有与所述扣合部相配合的限位部,所述扣合部与所述限位部扣合将所述扣盖与所述玻璃压块连接。
(19)中华人民共和国国家知识产权局(12)实用新型专利(10)授权公告号 (45)授权公告日 (21)申请号 201821398221.9(22)申请日 2018.08.29(73)专利权人 绍兴市亮戈装饰设计工程有限公司地址 312000 浙江省绍兴市越城区越西路800号金德隆商业中心10幢201号(72)发明人 严亮 (74)专利代理机构 北京君泊知识产权代理有限公司 11496代理人 王程远(51)Int.Cl.E04B 2/88(2006.01)E04B 2/96(2006.01)(54)实用新型名称一种幕墙玻璃(57)摘要本实用新型涉及装饰工程技术领域,公开了一种幕墙玻璃,包括多个水平钢梁、铝框、固定框、玻璃本体,玻璃本体的边缘和固定框之间设置有第一密封胶层,固定框靠近水平钢梁的端面边缘处与铝框之间设置有多个加固组件,加固组件包括连接片、第一连接螺栓、第二连接螺栓;固定框远离水平钢梁的端面边缘处形成有环形凹槽,环形凹槽与铝框之间设置有第二密封胶层。
本实用新型具有以下优点和效果:通过在铝框和固定框之间设置有加固组件,从而实现对固定框的安装进行加固;且在固定框远离水平钢梁的端面边缘处形成有环形凹槽,在环形凹槽和铝框之间设置有第二密封胶层,此时不仅能起到密封作用,还能增加固定框和铝框之间的粘结面积,进一步进行加固。
权利要求书1页 说明书3页 附图2页CN 209040363 U 2019.06.28C N 209040363U1.一种幕墙玻璃,包括多个用于安装在墙体上的水平钢梁(1)、安装在水平钢梁(1)上且具有多个安装口(21)的铝框(2)、安装在安装口(21)内的固定框(3)、安装在固定框(3)内的玻璃本体(4),所述玻璃本体(4)的边缘和固定框(3)之间设置有第一密封胶层(5),其特征在于:所述固定框(3)靠近水平钢梁(1)的端面边缘处与铝框(2)之间设置有多个加固组件(6),所述加固组件(6)包括呈“L ”型贴合在铝框(2)和固定框(3)之间的连接片(61)、螺纹连接在连接片(61)和固定框(3)之间的第一连接螺栓(62)、螺纹连接在连接片(61)和铝框(2)之间的第二连接螺栓(63);所述固定框(3)远离水平钢梁(1)的端面边缘处形成有环形凹槽(31),所述环形凹槽(31)与铝框(2)之间设置有第二密封胶层(7)。
幕墙实用新型专利证书幕墙作为建筑外墙的一种装饰材料,近年来在建筑行业中得到了广泛的应用。
它不仅能够提升建筑的外观美观度,还能够起到保温、隔音、防水等功能。
然而,由于幕墙的制作和安装过程中存在一些技术难题,导致幕墙的质量和使用寿命无法得到有效保障。
为了解决这一问题,我国专利局近日颁发了一项幕墙实用新型专利证书,该专利证书将为幕墙行业带来革命性的变革。
该实用新型专利证书的核心技术是一种新型幕墙连接系统。
传统的幕墙连接系统通常采用螺栓连接,但由于螺栓连接存在松动、腐蚀等问题,导致幕墙易受外力影响而脱落。
而该新型幕墙连接系统采用了一种特殊的连接方式,通过槽口和卡扣的设计,使得幕墙板与建筑主体之间形成了紧密的连接,大大增强了幕墙的稳定性和安全性。
除了连接系统的创新,该实用新型专利证书还包括了一系列与幕墙相关的技术创新。
例如,该专利证书提出了一种新型的幕墙板材料,该材料具有优异的耐候性和防火性能,能够有效延长幕墙的使用寿命。
此外,该专利证书还提供了一种新型的幕墙安装方法,通过优化安装步骤和工艺流程,提高了幕墙的安装效率和质量。
这项幕墙实用新型专利证书的颁发,将为幕墙行业带来巨大的推动力。
首先,该专利证书的技术创新将大大提高幕墙的质量和使用寿命,减少了幕墙脱落和安全事故的发生。
其次,该专利证书的技术创新将促进幕墙行业的发展和升级,推动幕墙产品的创新和优化。
最后,该专利证书的技术创新将提高我国幕墙行业的竞争力,促进我国幕墙产品的出口和国际交流。
然而,我们也要清醒地认识到,专利证书只是技术创新的开始,真正的挑战在于如何将这项技术创新应用到实际生产中。
幕墙行业需要加强与科研机构和企业的合作,共同推动技术创新的转化和应用。
同时,政府也应加大对幕墙行业的支持力度,提供更多的政策和资金支持,为幕墙行业的发展创造良好的环境。
总之,幕墙实用新型专利证书的颁发是幕墙行业发展的重要里程碑。
这项技术创新将为幕墙行业带来革命性的变革,提高幕墙的质量和使用寿命,促进幕墙行业的发展和升级,提高我国幕墙行业的竞争力。
(19)中华人民共和国国家知识产权局(12)实用新型专利(10)授权公告号 (45)授权公告日 (21)申请号 201920214236.3(22)申请日 2019.02.20(73)专利权人 青岛德泰建设工程有限公司地址 266000 山东省青岛市黄岛区黄河东路127号瑞源广场三层(72)发明人 刘兆勇 (51)Int.Cl.E04G 17/14(2006.01)E04G 25/00(2006.01)(54)实用新型名称一种建筑外墙施工结构(57)摘要本实用新型公开了一种建筑外墙施工结构,包括基土层,所述基土层的上端放置有承载块,所述承载块的上端设有凹槽,所述凹槽内的底部固定有导轨,所述承载块的上端设有两个支撑杆,所述支撑杆的下端安装有轨道轮,且两个轨道轮均架设在导轨上,两个支撑杆的上端均固定有固定块,所述固定块的一侧可拆卸连接有模板,且两个模板之间可拆卸连接,所述固定块的一侧设有滑槽,所述滑槽内安装有滑块。
本实用新型决了不方便安装和拆卸的问题,同时还解决了无法对模板进行稳定支撑的问题,实现了方便移动模板位置的功能,提高了工作效率,加快了施工进度,降低了工作人员的劳动强度,结构简单,使用方便。
权利要求书1页 说明书3页 附图3页CN 209556377 U 2019.10.29C N 209556377U权 利 要 求 书1/1页CN 209556377 U1.一种建筑外墙施工结构,包括基土层(18),其特征在于:所述基土层(18)的上端放置有承载块(13),所述承载块(13)的上端设有凹槽(20),所述凹槽(20)内的底部固定有导轨(22),所述承载块(13)的上端设有两个支撑杆(8),所述支撑杆(8)的下端安装有轨道轮(21),且两个轨道轮(21)均架设在导轨(22)上,两个支撑杆(8)的上端均固定有固定块(2),所述固定块(2)的一侧可拆卸连接有模板(6),且两个模板(6)之间可拆卸连接,所述固定块(2)的一侧设有滑槽(14),所述滑槽(14)内安装有滑块(5),所述滑块(5)的一侧转动连接有斜杆(17),所述斜杆(17)的下端延伸至基土层(18)内,所述支撑杆(8)的一侧通过两个固定件(23)连接有固定板(11),所述固定板(11)上设有锁紧装置。