摩托车国三标准共30页
- 格式:ppt
- 大小:2.99 MB
- 文档页数:30
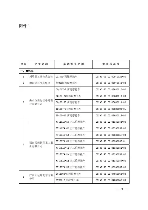
— 3 —附件1达到国家机动车排放标准第三阶段型式核准 排放限值的新机动车型和发动机型(第92批)序号企业名称车辆型号名称型式核准号一、摩托车 1 川崎重工业株式会社 ZXT40F 两轮摩托车 CN MT G3 Z2 0C970028-00 2德国宝马汽车集团F700GS 两轮摩托车 CN MT G3 Z2 06970042-00 CQ100T-E 两轮摩托车 CN MT G3 Z2 05680012-00 CQ125-27D 两轮摩托车CN MT G3 Z2 05680013-00 CQ125-8E 两轮摩托车 CN MT G3 Z2 05680014-00 TD100T-34两轮摩托车 CN MT G3 Z2 05680009-01 3佛山市南海区中摩科技有限公司TD125-48两轮摩托车 CN MT G3 Z2 05680015-00 FT110ZH-5D 正三轮摩托车 CN MT G3 Z2 06330056-00 FT110ZH-6D 正三轮摩托车 CN MT G3 Z2 06330058-00 FT125ZH-6D 正三轮摩托车CN MT G3 Z2 06330057-00 FT125ZH-6D 正三轮摩托车 CN MT G3 Z2 06330057-01 FT175ZH-7A 正三轮摩托车 CN MT G3 Z2 06330052-00 FT175ZH-8A 正三轮摩托车 CN MT G3 Z2 06330053-00 FT175ZH-8B 正三轮摩托车 CN MT G3 Z2 06330054-00 4福田雷沃国际重工股份有限公司FT175ZH-9B 正三轮摩托车CN MT G3 Z2 06330055-00 DY150GY-6两轮摩托车 CN MT G3 Z2 0A050066-00 5广州大运摩托车有限公司DY200-2两轮摩托车CN MT G3 Z2 0A050067-00序号 企业名称 车辆型号名称 型式核准号6 广州市番禺华南摩托企业集团有限公司FH150-3A两轮摩托车 CN MT G3 Z2 04730014-01LJ150ZH-3A正三轮摩托车 CN MT G3 Z2 08570009-007 河南北方永盛摩托车有限责任公司LJ175ZH-2正三轮摩托车 CN MT G3 Z2 08570010-00HJ110-2C两轮摩托车 CN MT G3 Z2 08450002-04HJ110-2D两轮摩托车 CN MT G3 Z2 08450005-04HJ125-11两轮摩托车 CN MT G3 Z2 08450073-01HJ125-11A两轮摩托车 CN MT G3 Z2 08450074-01HJ125-19两轮摩托车 CN MT G3 Z2 08450064-02HJ125-20两轮摩托车 CN MT G3 Z2 08450065-02HJ125K-5两轮摩托车 CN MT G3 Z2 08450069-02HJ125T-9C两轮摩托车 CN MT G3 Z2 08450044-04HJ150-11两轮摩托车 CN MT G3 Z2 08450075-02HJ150-11A两轮摩托车 CN MT G3 Z2 08450076-02HJ150-3A两轮摩托车 CN MT G3 Z2 08450029-03HJ150-7两轮摩托车 CN MT G3 Z2 08450068-02HJ150-8两轮摩托车 CN MT G3 Z2 08450066-02HJ150-9两轮摩托车 CN MT G3 Z2 08450045-038 江门市大长江集团有限公司HJ150-9A两轮摩托车 CN MT G3 Z2 08450046-03XL125T-7A两轮摩托车 CN MT G3 Z2 06830022-009 江苏新陵摩托车制造有限公司XL125T-9A两轮摩托车 CN MT G3 Z2 06830023-00YJ125T-2B两轮摩托车 CN MT G3 Z2 06640006-00YJ150ZH-3A正三轮摩托车 CN MT G3 Z2 06640007-00YJ150ZH-4A正三轮摩托车 CN MT G3 Z2 06640008-0010 江苏跃进摩托车制造有限责任公司YJ175ZH-A正三轮摩托车 CN MT G3 Z2 06640009-00—4—— 5 —序号 企业名称 车辆型号名称 型式核准号 HL110-26B 两轮摩托车 CN MT G3 Z2 08600120-00 HL110-26J 两轮摩托车CN MT G3 Z2 08600121-00 HL125-3E 两轮摩托车 CN MT G3 Z2 08600101-01 HL150GY-3C 两轮摩托车 CN MT G3 Z2 08600118-00 LF150GY-3C 两轮摩托车 CN MT G3 Z2 08600117-00 11力帆实业(集团)股份有限公司LF250-3A 两轮摩托车CN MT G3 Z2 08600119-00 12 洛阳北易三轮摩托车有限公司DY250ZH-5正三轮摩托车 CN MT G3 Z2 0A040014-00 13五羊-本田摩托(广州)有限公司 WH125-15两轮摩托车 CN MT G3 Z2 06450034-00 XS125T-18两轮摩托车CN MT G3 Z2 03720017-01 14厦门厦杏摩托有限公司XS125T-2E 两轮摩托车CN MT G3 Z2 03720007-01 15益阳金城摩托车有限公司JL125T-8C 两轮摩托车 CN MT G3 Z2 05230017-00 LF125T-2M 两轮摩托车 CN MT G3 Z2 0C860014-00 16浙江力帆摩托车有限公司LF125T-V 两轮摩托车 CN MT G3 Z2 0C860015-00 QJ125-6B 两轮摩托车CN MT G3 Z2 01620031-02 QJ125-6G 两轮摩托车 CN MT G3 Z2 01620040-03 QJ125-6N 两轮摩托车 CN MT G3 Z2 01620046-02 17浙江钱江摩托股份有限公司QJ150-18J 两轮摩托车CN MT G3 Z2 01620128-00 18重庆北易车业有限公司 DY175ZH-3正三轮摩托车CN MT G3 Z2 0E840001-00 JP110-7B 两轮摩托车 CN MT G3 Z2 0A560012-00 JP110-8两轮摩托车CN MT G3 Z2 0A560014-00 JP125-5B 两轮摩托车 CN MT G3 Z2 0A560013-00 JP125-6C 两轮摩托车 CN MT G3 Z2 0A560015-00 19重庆嘉陵嘉鹏工业有限公司JP90-2B 两轮摩托车CN MT G3 Z2 0A560011-00— 6 —序号 企业名称 车辆型号名称 型式核准号 AD150-18两轮摩托车 CN MT G3 Z2 08970022-00 20重庆精通力阳摩托车制造有限责任公司AD150-19两轮摩托车 CN MT G3 Z2 08970021-00 LX150-56两轮摩托车CN MT G3 Z2 02670010-02 21 重庆隆鑫机车有限公司LX150-56A 两轮摩托车 CN MT G3 Z2 02670051-01 ZS110-9C 两轮摩托车 CN MT G3 Z2 06260063-00 ZS150-48A 两轮摩托车CN MT G3 Z2 06260059-02 ZS250GS-3两轮摩托车 CN MT G3 Z2 06260065-00 ZS250GS-3A 两轮摩托车 CN MT G3 Z2 06260066-00 22重庆宗申机车工业制造有限公司ZS250GY-3两轮摩托车CN MT G3 Z2 06260064-00 23株洲南方摩托车有限公司NY100T-5A 两轮摩托车 CN MT G3 Z2 07810026-00 BYQ100T-2E 两轮摩托车 CN MT G3 Z2 07390033-01 BYQ100T-2E 两轮摩托车 CN MT G3 Z2 07390033-02 BYQ125T-6两轮摩托车CN MT G3 Z2 07390043-02 BYQ150-8A 两轮摩托车 CN MT G3 Z2 07390056-01 LZX125T-12两轮摩托车 CN MT G3 Z2 07390061-00 ZS125T-12A 两轮摩托车 CN MT G3 Z2 07390058-00 ZS125T-2B 两轮摩托车 CN MT G3 Z2 07390059-00 24宗申·比亚乔佛山摩托车企业有限公司ZS125T-2C 两轮摩托车CN MT G3 Z2 07390060-00。
正三轮电动摩托车标准
以下是正三轮电动摩托车标准:
1. 总车长不超过3.5米,总宽度不超过1.2米。
2. 车身应有三个轮子,其中双向转向轮为前轮,单向驱动轮为后轮。
3. 车辆应使用电动机作为主要动力源,最大净功率不得超过4
千瓦。
4. 标准装备电池容量不得低于20安时。
5. 车辆应装配电磁锁、电池欠压保护、制动力装置等安全装置。
6. 车身应装备前照灯、后尾灯、雾灯、转向灯、刹车灯等灯具。
7. 车辆应具有有效的制动装置,制动距离不得超过6米。
8. 车身应配备符合国家标准的车架及车轮、轮胎、制动器、悬挂系统等零部件。
9. 车身应按照国家标准生产,符合国家规定的道路行驶标准,通过国家强制型检。
摩托车环保标准摩托车作为我国重要的交通工具之一,其环保问题备受关注。
近年来,随着环保意识的不断提高,我国对摩托车的环保标准也日益严格。
摩托车环保标准是为了减少摩托车排放的污染物对环境和人体健康的影响,促进摩托车行业技术进步和可持续发展。
我国摩托车环保标准经历了从国一阶段到国四阶段的逐步升级。
国一阶段的标准于2001年开始实施,主要对摩托车排放的碳氢化合物、一氧化碳和氮氧化物等污染物进行了限制。
随着技术的进步和环保要求的提高,国二、国三和国四阶段的标准相继出台,对摩托车的排放限值提出了更严格的要求。
目前,我国已全面实施国四摩托车环保标准,该标准对摩托车排放的颗粒物、氮氧化物、碳氢化合物等污染物进行了严格规定。
摩托车环保标准的具体要求主要包括以下几点:一是排放限值,针对不同排量的摩托车设置了不同的排放限值;二是排放检测方法,要求摩托车生产企业在生产过程中对排放污染物进行检测;三是摩托车环保标识,对达到一定排放标准的摩托车颁发环保标识,以引导消费者选择环保产品。
实施环保标准对摩托车行业带来了积极影响。
首先,环保标准的实施促使摩托车生产企业加大技术研发投入,提高排放控制技术水平。
其次,环保标准引导消费者购买环保性能更好的摩托车,从而推动行业转型升级。
最后,环保标准的实施有利于我国摩托车行业参与国际竞争,提升国际市场份额。
随着环保意识的继续加强,摩托车环保标准将继续升级。
未来发展趋势表明,摩托车环保标准将更加严格,限值更低;检测方法更先进,监管力度加大;同时,政府将鼓励和支持摩托车行业研发新能源汽车,推动摩托车行业的绿色发展。
总之,摩托车环保标准在我国环保事业中具有重要意义。
通过不断升级和完善环保标准,我国将有效减少摩托车排放污染,改善空气质量,促进摩托车行业可持续发展。
“国Ⅲ标准”污染物排放标准说明1.国Ⅲ排放标准有那些规定(1)采用欧洲汽车排放标准形式所迫。
汽车排放是一个国际性的问题,更是我国汽车发展的首要问题。
在其他国家,对汽车排放越来越严格,欧洲从1996年开始执行了欧洲2号标准,2000年开始执行欧洲3号标准,而到2005年将采用欧洲4号标准。
进一步控制汽车排放将是我国迫不可待的一项重要任务。
当2008年奥运会锁定中国北京,中国汽车业也同时听到了环保排放标准的倒计时。
北京已宣布,从2003年1月1日起,北京将对机动车的尾气排放标准由现在的欧洲I号改为欧洲Ⅱ号,2008年前北京将正式实施欧洲Ⅲ排放标准。
上海也将于2003年1月1日起,正式实施欧洲洲Ⅱ号排放标准。
北京等地这一强制性与世界环保相接轨的举措,将不仅改变本地区的天空和人们呼吸的感觉,还将改变人们传统的衡量好车的标准,环保将成为车市的一块金字招牌;同时,面对欧Ⅲ标准的考验,中国汽车业竞争格局的变化也将不可避免。
执行严格的汽车尾气排放标准对于治理大气污染有着重大的作用。
2005年12月23日,北京市环境保护局和北京市质量技术监督局联合宣布,自2005年12月30日起北京率先实施国Ⅲ排放标准,规定在用车不受此标准限制,2006年12月1日起禁止销售未安装车载诊断系统的新车。
国家机动车污染物排放标准第三阶段“国Ⅲ标准”的各项工作已经展开。
低于国Ⅲ排放标准的机动车,北京市环境保护局将不予发布达标车型目录,北京市公安交通管理局将不予办理注册登记上牌手续。
现介绍与国Ⅲ排放法规有关的一些资料如下。
(2)国Ⅲ排放标准。
目前世界上排放法规主要有三个体系,即欧洲、美国和日本的排放法规体系。
我国目前参照欧洲标准体系制定机动车排放标准,国Ⅲ标准与欧盟相关指令(欧Ⅲ标准)相比,其内容除了“M类车型(载客汽车)分组、基准燃料的技术要求和将单纯低怠速试验修改为双怠速试验”等方面外基本没有区别,因此我们有时习惯将“国Ⅲ标准”又称作“欧Ⅲ标准”。
— 3 —附件一:达到国家机动车排放标准第三阶段型式核准 排放限值的新机动车型和发动机型(第63批)序号 企 业 名 称车辆型号名称型式核准号一、摩托车HD125-4G 两轮摩托车CN MT G3 Z2 05050008-001广东大福摩托车有限公司SJ125-2G 两轮摩托车 CN MT G3 Z2 05050007-00JW100T-V 两轮摩托车CN MT G3 Z2 03690026-002广东广本机电有限公司JW125T-V 两轮摩托车 CN MT G3 Z2 03690027-00KA125-2A 两轮摩托车CN MT G3 Z2 05620033-00KA125-5B 两轮摩托车 CN MT G3 Z2 05620034-00RA125-4B 两轮摩托车 CN MT G3 Z2 05620035-003广州番禺豪剑摩托车工业有限公司RA125-5B 两轮摩托车 CN MT G3 Z2 05620036-00SY100T-2两轮摩托车 CN MT G3 Z2 02510012-00SY110-20两轮摩托车CN MT G3 Z2 02510015-00SY110-22两轮摩托车 CN MT G3 Z2 02510013-004广州三雅摩托车有限公司SY110-23两轮摩托车CN MT G3 Z2 02510014-00HS110ZH-5正三轮摩托车 CN MT G3 Z2 0C520003-005河北恒胜金河摩托车有限公司HS150ZH-3正三轮摩托车 CN MT G3 Z2 0C520004-00DLS125-5V 两轮摩托车CN MT G3 Z2 08040020-00DLS125-9V 两轮摩托车CN MT G3 Z2 08040034-006江门气派摩托车有限公司 DLS150-V 两轮摩托车CN MT G3 Z2 08040029-00序号 企 业 名 称 车辆型号名称 型式核准号HL125-5V两轮摩托车 CN MT G3 Z2 08040019-00HL125-9V两轮摩托车 CN MT G3 Z2 08040035-00LF125-5V两轮摩托车 CN MT G3 Z2 08040030-00LF125-9V两轮摩托车 CN MT G3 Z2 08040036-00LF125-V两轮摩托车 CN MT G3 Z2 08040033-00LF125T-2G两轮摩托车 CN MT G3 Z2 08040032-00QP125-5V两轮摩托车 CN MT G3 Z2 08040008-016 江门气派摩托车有限公司QP125-9V两轮摩托车 CN MT G3 Z2 08040007-01QP125-N两轮摩托车 CN MT G3 Z2 08040010-00QP125T-2A两轮摩托车 CN MT G3 Z2 08040037-00QP125T-2G两轮摩托车 CN MT G3 Z2 08040031-00ZH125-5V两轮摩托车 CN MT G3 Z2 08040021-00ZH125-9V两轮摩托车 CN MT G3 Z2 08040038-00ZH150-V两轮摩托车 CN MT G3 Z2 08040039-00UA125T-A两轮摩托车 CN MT G3 Z2 08450047-007 江门市大长江集团有限公司UM125T-A两轮摩托车 CN MT G3 Z2 08450048-00BD125-2B两轮摩托车 CN MT G3 Z2 04950003-00BD125-5D两轮摩托车 CN MT G3 Z2 04950012-008 江苏宝雕机动车有限公司BD125-C两轮摩托车 CN MT G3 Z2 04950005-00BD150-20A两轮摩托车 CN MT G3 Z2 04950013-00JF110-2X两轮摩托车 CN MT G3 Z2 08590001-00JF125-2X两轮摩托车 CN MT G3 Z2 08590004-009 江苏弘州金福车业有限公司JF125-3X两轮摩托车 CN MT G3 Z2 08590002-00JF125-4X两轮摩托车 CN MT G3 Z2 08590008-00—4—序号 企 业 名 称 车辆型号名称 型式核准号JF125-6X两轮摩托车 CN MT G3 Z2 08590014-00JF125-7X两轮摩托车 CN MT G3 Z2 08590021-00JF150-2X两轮摩托车 CN MT G3 Z2 08590018-00JF150-4X两轮摩托车 CN MT G3 Z2 08590022-00JH110-2X两轮摩托车 CN MT G3 Z2 08590005-00JH125-2X两轮摩托车 CN MT G3 Z2 08590016-00JH125-3X两轮摩托车 CN MT G3 Z2 08590007-00JH125-4X两轮摩托车 CN MT G3 Z2 08590011-00JH125-6X两轮摩托车 CN MT G3 Z2 08590013-00JH125-7X两轮摩托车 CN MT G3 Z2 08590019-00JH150-2X两轮摩托车 CN MT G3 Z2 08590010-00JH150-4X两轮摩托车 CN MT G3 Z2 08590023-00JS110-2X两轮摩托车 CN MT G3 Z2 08590024-00JS125-2X两轮摩托车 CN MT G3 Z2 08590003-00JS125-3X两轮摩托车 CN MT G3 Z2 08590006-00JS125-4X两轮摩托车 CN MT G3 Z2 08590017-00JS125-6X两轮摩托车 CN MT G3 Z2 08590012-00JS125-7X两轮摩托车 CN MT G3 Z2 08590015-00JS150-2X两轮摩托车 CN MT G3 Z2 08590020-00 9 江苏弘州金福车业有限公司JS150-4X两轮摩托车 CN MT G3 Z2 08590009-0010 江苏新世纪远豪机车科技有限公司YH150T-9两轮摩托车 CN MT G3 Z2 08010004-00HL110-5T两轮摩托车 CN MT G3 Z2 08600066-00HL110-7T两轮摩托车 CN MT G3 Z2 08600067-0011 力帆实业(集团)股份有限公司HL110-8T两轮摩托车 CN MT G3 Z2 08600070-00—5—— 6 —序号 企 业 名 称 车辆型号名称 型式核准号 HL125-10C 两轮摩托车 CN MT G3 Z2 08600074-00HL150-10C 两轮摩托车 CN MT G3 Z2 08600075-00HL250-P 两轮摩托车CN MT G3 Z2 08600071-00HL250J 两轮摩托车 CN MT G3 Z2 08600069-00LF110-7T 两轮摩托车CN MT G3 Z2 08600065-00LF110-8T 两轮摩托车 CN MT G3 Z2 08600072-00LF250-P 两轮摩托车 CN MT G3 Z2 08600068-0011力帆实业(集团)股份有限公司LF250J 两轮摩托车CN MT G3 Z2 08600073-00DY150ZH-3正三轮摩托车 CN MT G3 Z2 0C680001-0012洛阳大运三轮摩托车有限公司DY200ZH-2正三轮摩托车 CN MT G3 Z2 0C680002-00SQ100T-S 两轮摩托车 CN MT G3 Z2 05980016-00SQ125T-3S 两轮摩托车CN MT G3 Z2 05980015-00SQ125T-S 两轮摩托车 CN MT G3 Z2 05980014-00ZW100T-S 两轮摩托车 CN MT G3 Z2 05980011-00ZW150T-2S 两轮摩托车 CN MT G3 Z2 05980012-0013台州市椒江之威摩托车制造有限公司ZW150T-S 两轮摩托车 CN MT G3 Z2 05980013-00ZN150T-7S 两轮摩托车CN MT G3 Z2 06150007-0014 台州市中能摩托车有限公司ZN150T-8S 两轮摩托车CN MT G3 Z2 06150008-0015五羊-本田摩托(广州)有限公司WY125-R 两轮摩托车CN MT G3 Z2 06450014-0116 西藏喜马摩托车有限公司 XM125T-28两轮摩托车 CN MT G3 Z2 08180016-0017 厦门厦杏摩托有限公司 XS125-N 两轮摩托车CN MT G3 Z2 03720019-0018浙江嘉爵摩托车制造有限公司JJ150T-A 两轮摩托车CN MT G3 Z2 07340009-00FL100T-20C 两轮摩托车CN MT G3 Z2 02410011-0019 浙江凌宇车业有限公司FL125T-20C 两轮摩托车CN MT G3 Z2 02410004-00序号 企 业 名 称 车辆型号名称 型式核准号FL125T-22两轮摩托车 CN MT G3 Z2 02410005-00FL125T-25C两轮摩托车 CN MT G3 Z2 02410002-00FL125T-2C两轮摩托车 CN MT G3 Z2 02410006-00FL125T-8C两轮摩托车 CN MT G3 Z2 02410003-00FL150T-10C两轮摩托车 CN MT G3 Z2 02410008-00FL150T-16C两轮摩托车 CN MT G3 Z2 02410009-00FL150T-3C两轮摩托车 CN MT G3 Z2 02410010-00HT125T-20C两轮摩托车 CN MT G3 Z2 02410025-00HT125T-22两轮摩托车 CN MT G3 Z2 02410017-00HT125T-25C两轮摩托车 CN MT G3 Z2 02410027-00HT125T-2C两轮摩托车 CN MT G3 Z2 02410015-00HT125T-8C两轮摩托车 CN MT G3 Z2 02410014-00 19 浙江凌宇车业有限公司HT150T-10C两轮摩托车 CN MT G3 Z2 02410018-00HT150T-16C两轮摩托车 CN MT G3 Z2 02410024-00HT150T-3C两轮摩托车 CN MT G3 Z2 02410030-00JL100T-2C两轮摩托车 CN MT G3 Z2 02410012-00JL125T-20C两轮摩托车 CN MT G3 Z2 02410023-00JL125T-22两轮摩托车 CN MT G3 Z2 02410028-00JL125T-25C两轮摩托车 CN MT G3 Z2 02410031-00JL125T-2C两轮摩托车 CN MT G3 Z2 02410022-00JL125T-8C两轮摩托车 CN MT G3 Z2 02410021-00JL150T-10C两轮摩托车 CN MT G3 Z2 02410029-00JL150T-16C两轮摩托车 CN MT G3 Z2 02410019-00JL150T-3C两轮摩托车 CN MT G3 Z2 02410032-00—7—— 8 —序号 企 业 名 称 车辆型号名称 型式核准号 QJ150-27两轮摩托车CN MT G3 Z2 01620086-0020 浙江钱江摩托股份有限公司QJ150-27A 两轮摩托车 CN MT G3 Z2 01620087-00DB110-A 两轮摩托车CN MT G3 Z2 08960001-0021 重庆东本工业有限责任公司DB150-2A 两轮摩托车CN MT G3 Z2 08960002-0022 重庆恒胜集团有限公司HS70-A 两轮摩托车CN MT G3 Z2 07210012-0023 重庆嘉陵嘉鹏工业有限公司 JP150-G 两轮摩托车 CN MT G3 Z2 0A560005-00JYM125-3C 两轮摩托车 CN MT G3 Z2 03760004-0224重庆建设·雅马哈摩托车有限公司JYM125-3D 两轮摩托车 CN MT G3 Z2 03760005-02CQ125-28D 两轮摩托车CN MT G3 Z2 04390031-00JS110-9C 两轮摩托车CN MT G3 Z2 04390008-0125重庆建设摩托车股份有限公司JS110-9G 两轮摩托车CN MT G3 Z2 04390015-0126 重庆隆鑫机车有限公司LX70-20两轮摩托车 CN MT G3 Z2 02670042-00JH125T-2A 两轮摩托车CN MT G3 Z2 05080021-00JH125T-3A 两轮摩托车CN MT G3 Z2 05080023-0027 重庆市双庆机电有限公司 SQ250ZH-A 正三轮摩托车 CN MT G3 Z2 05080022-00SS110-9A 两轮摩托车CN MT G3 Z2 05350009-00SS125-A 两轮摩托车 CN MT G3 Z2 05350010-00SS150-5A 两轮摩托车 CN MT G3 Z2 05350011-0028重庆双狮摩托车制造有限公司SS150-7A 两轮摩托车 CN MT G3 Z2 05350012-00WQ70两轮摩托车 CN MT G3 Z2 04570018-00WQ70-2两轮摩托车CN MT G3 Z2 04570017-00YX125-16两轮摩托车CN MT G3 Z2 04570021-00YX150-16两轮摩托车 CN MT G3 Z2 04570019-0029重庆银翔摩托车(集团)有限公司YX150-30两轮摩托车CN MT G3 Z2 04570020-00序号 企 业 名 称 车辆型号名称 型式核准号30 重庆宗申机车工业制造有限公司ZS110-47S两轮摩托车 CN MT G3 Z2 06260047-00ZJ110-R两轮摩托车 CN MT G3 Z2 07830013-0031 珠海珠江车业有限公司ZJ125-9R两轮摩托车 CN MT G3 Z2 07830012-0032 宗申·比亚乔佛山摩托车企业有限公司BYQ125-5E两轮摩托车 CN MT G3 Z2 07390036-00二、重型汽油车1 北京北铃专用汽车有限公司 BBL5053XJE2监测车 CN ZQ G3 Z2 00910031-002 北京载通视音频广播技术有限公司BZT5041XTX通讯车 CN ZQ G3 Z2 07030027-003 广州汽车集团客车有限公司 GZ6701Q1客车 CN ZQ G3 Z2 00310054-00—9—。
电动正三轮摩托车标准电动正三轮摩托车标准一、概述电动正三轮摩托车是指装备有电动驱动系统、三个车轮的摩托车。
本标准规定了电动正三轮摩托车的技术要求、试验方法、检验规则和标志、使用说明书等内容。
二、技术要求1. 车辆总体要求(1)外观:整车造型美观,线条流畅,无明显毛刺,表面光洁无划痕。
(2)结构:各零部件之间连接紧固牢固,无松动现象。
(3)安全:整车具有必要的安全保护措施,如制动系统等。
2. 电机及其控制器(1)电机额定功率不得超过4kW。
(2)电机控制器应具备过流、过压、欠压保护功能,并能有效控制电机转速。
(3)电机及其控制器应符合国家相关标准和规定要求。
3. 动力系统(1)蓄电池组应采用优质铅酸蓄电池,并符合国家相关标准和规定要求。
(2)充电器应符合国家相关标准和规定要求。
(3)电动正三轮摩托车的行驶里程应不少于50km。
4. 制动系统(1)制动系统应采用前后轮联动式制动,且制动力平衡。
(2)制动器应符合国家相关标准和规定要求。
5. 车架及悬挂系统(1)车架应采用优质钢材或铝合金材料,结构牢固、稳定。
(2)悬挂系统应具有良好的缓冲性能,能有效减少车身震动,提高行驶舒适性。
6. 车轮及轮胎(1)车轮应符合国家相关标准和规定要求。
(2)轮胎应采用优质橡胶材料,具有良好的耐磨性、抗老化性和抗剪切性能。
7. 灯光及电气设备(1)灯光设备应符合国家相关标准和规定要求,包括前照灯、尾灯、刹车灯等。
(2)电气设备应采用防水、防尘等特殊处理措施,并符合国家相关标准和规定要求。
三、试验方法1. 整车试验:对电动正三轮摩托车进行整车试验,包括外观检查、安全性能试验、制动试验、行驶性能试验等。
2. 零部件试验:对电机、控制器、蓄电池组等零部件进行单项试验,验证其符合国家相关标准和规定要求。
3. 适应性试验:对电动正三轮摩托车在不同环境条件下进行适应性试验,包括高温、低温、潮湿等环境条件。
四、检验规则和标志1. 检验规则:电动正三轮摩托车出厂前应经过严格的检测和测试,确保其符合国家相关标准和规定要求。
摩托车强制性认证(32项强检)标准及主要技术性能要求1、摩托车32项强检涉及的标准:1)GB 4599-2007 汽车用灯丝灯泡前照灯2)GB 7258-2012 机动车运行安全技术要求3)GB 15084-2006 机动车辆后视镜的性能和安装要求(三轮车用)4)GB 15365-2008 摩托车操纵件、指示器及信号装置的图形符号5)GB 15744-2008 摩托车燃油消耗量限值及测量方法6)GB 16486-2008 轻便摩托车燃油消耗量限值及测量方法7)GB 5948-1998 摩托车白炽丝光源前照灯配光性能8)GB 14023-2011 车辆、机动船和由火花点火发动机驱动的装置的无线电骚扰特性的限值和测试方法9)GB 14621-2011 摩托车和轻便摩托车排气污染物排放限值及测量方法(怠速法)10)GB 14622-2007 摩托车排气污染物排放限值及测量方法(工况法)11)GB 18176-2007 轻便摩托车排气污染物限值及测量方法(工况法)12)GB 19758-2005 摩托车和轻便摩托车排气烟度排放限值及测量方法13)GB 20998-2007 摩托车和轻便摩托车燃油蒸发污染物排放限值及测量方法14)GB 16169-2005 摩托车和轻便摩托车加速行驶噪声限值及测量方法15)GB 4569-2005 摩托车和轻便摩托车定置噪声限值及测量方法16)GB/T 5382-2008 摩托车和轻便摩托车制动力要求及试验方法(代替GB 17355-1998制动力部分、GB/T5382.2-1996)17)GB 20073-2006 摩托车和轻便摩托车制动性能要求及试验方法(代替GB/T 5382.1-1996《摩托车和轻便摩托车制动性能试验方法制动距离》和GB 17355-1998中制动距离限值(4.1)部分)18)GB 15742-2001 机动车用喇叭的性能要求及试验方法19)GB 17352-2010 摩托车和轻便摩托车后视镜及其安装要求20)GB 17353-1998 摩托车和轻便摩托车转向锁止防盗装置21)GB 11564-2008 机动车回复反射器22)GB 17510-2008 摩托车光信号装置配光性能23)GB 18100.1~.3-2010 两轮摩托车及轻便摩托车照明及光信号装置的安装规定24)GB/T 18411-2001 道路车辆产品标牌25)GB 16735-2004 道路车辆车辆识别代号(VIN)26)GB 16737-2004 道路车辆世界制造厂识别代号(WMI)27)GB 19152-2003 轻便摩托车前照灯配光性能28)GB 19482-2004 摩托车和轻便摩托车燃油箱安全性能要求和试验方法29)GB 20074-2006 摩托车和轻便摩托车外部凸出物30)GB 20075-2006 摩托车乘员扶手31)GB/T 20076-2006 摩托车和轻便摩托车发动机最大扭矩和最大净功率测量方法32)GB/T 5373-2006 摩托车和轻便摩托车尺寸和质量参数的测定方法33)GB/T 5378-2008 摩托车和轻便摩托车道路试验方法34)QC/T 60-2009 摩托车整车性能台架试验方法2、28项强检项目及主要技术性能要求见表114 14摩托车操纵件指示器与信号装置图形符号应按GB 15365-2008要求设置并符合其规定a.红色表示危险; b.黄色表示注意; c.绿色表示安全.蓝色仅用于前照灯开关和远光闪烁警告。
摩托车32项强检标准及主要技术性能要求摩托车强制性认证(32项强检)标准及主要技术性能要求1、摩托车32项强检涉及的标准:1)G B 4599-2007汽车用灯丝灯泡前照灯2)G B 7258-2012 机动车运行安全技术要求3)G B 15084-2006 机动车辆后视镜的性能和安装要求(三轮车用)4)G B 15365-2008 摩托车操纵件、指示器及信号装置的图形符号5)G B 15744-2008 摩托车燃油消耗量限值及测量方法6)G B 16486-2008 轻便摩托车燃油消耗量限值及测量方法7)G B 5948-1998 摩托车白炽丝光源前照灯配光性能8)G B 14023-2011 车辆、机动船和由火花点火发动机驱动的装置的无线电骚扰特性的限值和测试方法9)GB 14621-2011 摩托车和轻便摩托车排气污染物排放限值及测量方法(怠速法)10)GB 14622-2007 摩托车排气污染物排放限值及测量方法(工况法)11)GB 18176-2007 轻便摩托车排气污染物限值及测量方法(工况法)12)GB 19758-2005 摩托车和轻便摩托车排气烟度排放限值及测量方法13)GB 20998-2007 摩托车和轻便摩托车燃油蒸发污染物排放限值及测量方法14)GB 16169-2005 摩托车和轻便摩托车加速行驶噪声限值及测量方法15)GB 4569-2005 摩托车和轻便摩托车定置噪声限值及测量方法16)GB/T 5382-2008 摩托车和轻便摩托车制动力要求及试验方法(代替GB 17355-1998制动力部分、GB/T5382.2-1996)17)GB 20073-2006 摩托车和轻便摩托车制动性能要求及试验方法(代替GB/T 5382.1-1996《摩托车和轻便摩托车制动性能试验方法制动距离》和GB 17355-1998中制动距离限值(4.1)部分)18)GB 15742-2001 机动车用喇叭的性能要求及试19)GB 17352-2010 摩托车和轻便摩托车后视镜及其安装要求20)GB 17353-1998 摩托车和轻便摩托车转向锁止防盗装置21)GB 11564-2008 机动车回复反射器22)GB 17510-2008 摩托车光信号装置配光性能23)GB 18100.1~.3-2010 两轮摩托车及轻便摩托车照明及光信号装置的安装规定24)GB/T 18411-2001 道路车辆产品标牌25)GB 16735-2004 道路车辆车辆识别代号(VIN)26)GB 16737-2004 道路车辆世界制造厂识别代号(WMI)27)GB 19152-2003 轻便摩托车前照灯配光性能28)GB 19482-2004 摩托车和轻便摩托车燃油箱安全性能要求和试验方法29)GB 20074-2006 摩托车和轻便摩托车外部凸出物30)GB 20075-2006 摩托车乘员扶手31)GB/T 20076-2006 摩托车和轻便摩托车发动机最大扭矩和最大净功率测量方法32)GB/T 5373-2006 摩托车和轻便摩托车尺寸和质量参数的测定方法33)GB/T 5378-2008 摩托车和轻便摩托车道路试验方法34)QC/T 60-2009 摩托车整车性能台架试验方法2、28项强检项目及主要技术性能要求见表1表1序号检测项目检验标准技术性能要求1 车辆标记应符合GB7258-2012中4.1.14.1.24.1.34.1.4GB 7258-2012中:4.1.1 机动车在车身前部外表面的易见部位上应至少装置一个能永久保持的商标或厂标。
什么是国三标准是什么国三标准是指国家对于机动车排放标准的规定,它是指机动车使用的燃油和发动机排放的有关标准。
国三标准是为了控制机动车尾气排放污染物,减少空气污染,保护环境和人民健康而制定的。
国三标准的实施对于改善空气质量、保护环境、促进经济可持续发展具有重要意义。
首先,国三标准对于机动车的燃油和发动机排放做出了严格的限制。
它规定了机动车使用的燃油应符合一定的标准,以减少有害物质的排放。
同时,国三标准还对机动车的发动机排放进行了严格的限制,规定了各种有害物质的排放限值,如一氧化碳、氮氧化物、非甲烷总烃等。
这些限制的实施,可以有效减少机动车尾气排放对环境造成的污染。
其次,国三标准的实施有利于改善空气质量。
机动车尾气排放是城市空气污染的主要原因之一,而国三标准的实施可以有效减少机动车尾气排放对空气质量的影响。
尤其是在大城市和工业发达地区,机动车尾气排放是导致雾霾和空气污染的重要原因,国三标准的实施可以有效改善空气质量,减少空气污染对人民健康的影响。
最后,国三标准的实施对于促进经济可持续发展也具有重要意义。
机动车尾气排放对环境和人民健康造成的危害是无法估量的,而国三标准的实施可以有效减少这些危害,保护环境和人民健康。
这对于促进经济可持续发展具有重要意义,因为健康的环境和人民是经济发展的基础。
国三标准的实施可以有效减少环境治理成本,降低医疗费用,提高人民生活质量,促进经济可持续发展。
综上所述,国三标准是为了控制机动车尾气排放污染物,减少空气污染,保护环境和人民健康而制定的。
国三标准的实施对于改善空气质量、保护环境、促进经济可持续发展具有重要意义。
我们每个人都应该从自身做起,支持国家的环保政策,减少机动车尾气排放,共同保护我们美丽的家园。
国Ⅲ标准面面观
李小玲
【期刊名称】《摩托车信息》
【年(卷),期】2008(000)011
【摘要】牵动中国摩托车业中枢神经的环保、节能法规——《摩托车污染物排放限值及测量方法(工况法,中国第3阶段)》、(轻便摩托车污染物排放限值及测量方法(工况法,中国第3阶段)》以及《摩托车和轻便摩托车燃油蒸发污染物排放限值及测量方渤等3项高门槛的污染物排放标准(即国Ⅲ标准,相当于欧Ⅲ标准),将于今年7月1日正式实施。
“山雨欲来”之际,整个摩托车制造业已是“多少楼台烟雨中”。
多层面、多视角地审视这项事关我国摩托车工业持续发展的战略性任务,有助于我们全方位地认识加快其实施推进的重要性、紧迫性和艰巨性。
【总页数】6页(P29-34)
【作者】李小玲
【作者单位】《摩托车信息》记者
【正文语种】中文
【中图分类】U483
【相关文献】
1.新课程标准面面观——小学科学教学网网管研修视点
2.多棱镜下剖析实践标准——实践标准面面观
3.美国垄断资本集中发展的面面观——《美国垄断资本集中》评介
4.处方承接药房遴选标准面面观
5.美国宗教面面观——我眼中的美国宗教
因版权原因,仅展示原文概要,查看原文内容请购买。