连续刚构桥悬臂箱梁施工控制
- 格式:doc
- 大小:26.00 KB
- 文档页数:7
浅谈连续刚构桥箱梁悬浇中质量问题及其控制措施摘要:本文以某大桥为例,对连续刚构桥箱梁悬浇过程中经常出现的质量问题从施工方的角度做出了一些总结,并提出了相应的预防措施及解决办法。
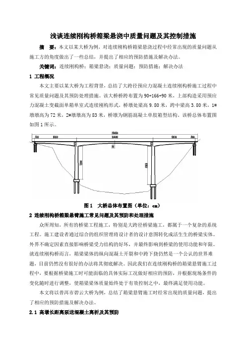
关键词:连续刚构桥;箱梁悬浇;质量问题;预防措施;解决办法1 工程概况本文主要以某大桥为工程背景,总结了大跨径预应力混凝土连续刚构桥施工过程中常见质量问题及其预防处理措施。
该大桥桥跨布置为90+166+90米,上部构造采用预应力混凝土变截面单箱单室式连续刚构形式,桥墩处梁高9.80米,跨中梁高3.80米,1#墩墩高为72米,2#墩墩高为83米,桥墩为钢筋混凝土单肢箱型结构。
该桥总体布置图如图1所示。
图1 大桥总体布置图(单位:cm)2 连续刚构桥箱梁悬臂施工常见问题及其预防和处理措施众所周知,所有的桥梁工程施工,特别是大跨径桥梁施工,都属于一个复杂的系统工程。
施工建设者通过综合的组织管理将设计者的设计意图转化成活生生的桥梁实体。
外界不确定因素直接影响桥梁受力结构的好坏,并最终影响到桥梁的使用功能和年限。
就连续刚构桥而言,箱梁梁体的纵向混凝土开裂和中跨下挠仍然是一个公认的世界难题,目前仍然没有很好的办法将其彻底解决。
因此我们在连续刚构桥的箱梁悬臂施工过程中,要根据桥梁施工时可能面临的具体实际工况做好相应的预防,并根据现场条件的变化随时进行调整,使箱梁梁体质量始终处于有效控制之中,最终满足使用功能。
本文将以普洱市碧云大桥为例,总结了箱梁悬臂施工时经常出现的质量问题,提出了相应的预防措施及解决办法。
2.1 高墩长距离泵送混凝土离析及其预防1)泵送混凝土准备工作①每次泵送前泵机应试运转。
开始泵送前应慢速运转,观察泵压及各部分运转情况,待确认泵机工作正常后再以常速泵送。
②试运转正常后先泵送清水湿润管道,当泵管终端出水后反转泵机将泵管中的水全部吸出,防止后面泵入的润滑砂浆遭水洗后堵管。
泵水时检查泵管是否有漏水情况,如发现漏水应及时处理,防止后期泵送混凝土时出现漏浆现象,漏浆严重时会造成混凝土堵管。
连续刚构桥施工技术控制唐咸远1,2,邓志恒1(11广西大学土木建筑工程系,广西南宁541002;21广西工学院土木建筑工程系,广西柳州545006) 【摘 要】 连续刚构桥是墩梁固接的桥梁,其施工过程复杂,技术含量高。
文章以某连续刚构桥为例,重点介绍并讨论连续刚构桥的施工控制的关键技术及应该注意的问题,对于提高连续刚构桥施工质量有较好的借鉴作用。
【关键词】 连续刚构桥; 施工控制; 悬臂施工 【中图分类号】 U4451466 【文献标识码】 B 连续刚构桥是主梁和墩台整体相连的组合体系桥梁。
由于桥墩与主梁是刚性连接,具有跨越能力大、伸缩缝少、行车平顺舒适、无需大型支座、便于悬臂施工、抗震性能好等特点,特别适合于跨越深谷、大河、急流的桥梁和城市立交桥[1]。
连续刚构桥一般采用分节段悬臂施工技术,为超静定结构形式,结构的最终形成需经历较长时间复杂的施工过程以及结构体系转换,同时还受墩台的不均匀沉降、混凝土材料的收缩徐变、温度变化、预应力损失等因素的影响,在结构中产生附加内力,造成桥梁施工过程中存在的问题较多。
如何有效地提高该类桥梁的施工质量、保证施工的安全及工程进度,是连续钢构桥施工中的一个不得不面对的技术问题。
本文以某连续刚构桥为例,重点介绍并讨论连续刚构桥的施工关键技术控制的特点及要点。
1 工程概况 某跨河大桥主桥为42m +2×70m +42m 的预应力混凝土连续刚构桥,桥面总宽1510m 。
主梁为C50单箱单室箱形截面,为纵、横、竖三向预应力混凝土结构。
箱梁顶板宽15m ,底板宽8m,腹板厚度为015m ,采用挂篮悬臂法施工,边跨靠交界墩长610m 段采用满堂式支架现浇。
箱梁支点根部梁高415m ,跨中梁高210m 。
中、边跨合龙段梁长2m ,边跨现浇段长519m 。
合龙方案为先合龙边跨再合龙次中跨。
主跨桥墩采用双柱实体墩,双排钻孔灌注桩承台基础,墩梁固结。
其他桥墩采用双柱式墩,钻孔灌注桩基础。
悬臂浇筑连续梁施工控制要点及控制措施第一部分悬灌梁施工程序连续梁桥采用悬臂浇筑施工时,因施工程序不同,有以下三种基本方法:逐跨连续悬臂施工法、T构—单悬臂梁施工法、T构—双悬臂梁—连续梁施工法。
一、逐跨连续悬臂施工法(一)施工程序1、首先从边墩开始将梁墩临时固结,进行悬臂施工;2、岸跨边段合拢,边墩的临时固结释放后形成单悬臂梁;3、从次边墩开始,梁端临时固结,进行悬臂浇筑施工;4、次边跨中间合拢,释放次边墩的临时固结,形成带悬臂的两跨连续梁;5、从另一端次边墩开始,次边墩进行梁墩固结,进行悬臂施工;6、另一端次边跨合拢,释放另一端次边墩临时固结,形成带悬臂的三跨连续梁;7、按上述方法依次类推进行;8、最后岸边跨边段合拢,完成多跨的连续梁施工。
(二)施工特点上述逐跨连续悬臂法施工,从一端向另一端逐跨进行,逐跨经历了悬臂施工阶段,施工过程中进行了体系转换。
逐跨连续悬臂法施工可以在已建成的桥面上进行机具设备、材料、混凝土运输,方便了施工。
(三)适用范围该法每完成一个新的悬臂并在跨中合拢后,结构稳定性、刚度便得到了进一步加强,所以逐跨连续悬臂法常在多跨连续梁及大跨长桥中采用。
二、T构—单悬臂梁—连续梁施工法(一)施工程序1、首先从边墩开始,梁墩固结,进行悬臂施工;2、岸边边段合拢,释放边墩临时固结,形成单悬臂梁;3、另一端边墩进行施工,梁墩固结,进行悬臂施工;4、岸边边段合拢,释放另一端边墩临时固结,形成单悬臂梁;5、中跨中段合拢,形成三跨连续梁结构。
(二)施工特点本施工施工方法可以多增设两套挂篮设备,两边墩同时悬臂浇铸施工,再到两岸边跨段合拢,释放两边墩临时固结,最后中间合拢成三跨连续梁,以加速施工进度,达到缩短工期的目的。
(三)适用范围使用于多跨连续梁几个合拢段同时施工的方案,在3~5跨连续梁施工中是常用的施工方法。
三、T构—双悬臂梁—连续梁施工方法(一)施工程序1、从边墩开始,梁墩固节后,进行悬臂施工;2、再从另一端边墩开始,梁墩固节后,进行悬臂施工;3、中间跨中间段合拢,释放两边墩临时固结,形成双悬臂梁;4、岸边边跨中间段合拢;5、另一岸边边跨中间段合拢,完成三跨连续梁施工。
预应力混凝土连续刚构桥箱梁悬臂施工控制技术探讨摘要:某桥大桥施工监控中采用自适应控制系统理论,在箱梁适当位置放置温度传感器,研究混凝土材料水化热放热的特性,得到箱梁水化放热温度分布规律;选取箱梁控制截面,埋设应力(应变) 传感器,并与理论值比较,得到了施工过程中连续刚构桥的应力变化规律;通过测量施工过程挠度以及温度随时间同步变化规律,得到了施工过程中温度对长悬臂箱梁挠度的影响规律。
关键词:连续刚构预应力混凝土箱梁施工控制1 工程概况某大桥主桥为145+2×260+145m预应力混凝土连续刚构桥。
主桥分左右两幅,每幅桥箱梁采用单箱单室断面,箱梁顶板宽12m ,底板宽6.1 m。
墩顶处箱梁梁高14 m ,各跨跨中以及现浇梁段梁高均为4.2 m。
梁底下缘按1.6 次抛物线变化。
墩顶0 # 梁段长18 m ,3个“t构”的悬臂各分为28对梁段,其梁段数及梁段长度从根部至跨中各为:7×3.1、6 ×4.0、14×5m ,累计悬臂总长130 m。
箱梁顶板厚25~40cm ,箱梁底板根部厚为140cm ,跨中为30cm ,腹板厚度在40~70cm 范围内变化。
主墩墩身均采用双柱式薄壁,墩身断面外轮廓为矩形,墩身横桥向宽度与主梁箱底同宽,为6m ,墩身顺桥向尺寸2.5 m ,两墩柱顺桥向净距6.5 m ,墩身顺桥向壁厚50cm ,横桥向壁厚80cm ,墩身在底部各设置高度3m 的实心段。
墩身采用c50 混凝土。
主桥结构立面构造见图1 ,主桥箱梁构造见图2 。
图1 主桥立面构造图(单位:cm)图2 主桥箱梁构造图(单位:cm)2 施工控制影响因素大跨径连续刚构桥施工控制的主要目的是使施工实际状态最大限度地与理想设计状态(线形与受力) 相吻合。
要实现上述目标,就必须全面了解可能使施工状态偏离理论设计状态的所有因素,以便对施工实施有效控制。
施工控制主要影响因素一般有: ①结构参数;②施工工艺; ③施工监测; ④结构计算分析模型;⑤温度变化; ⑥材料收缩、徐变。
连续刚构桥梁简要质量控制措施质量控制的必要性桥梁的整体安全性是施工的基本要求,在施工过程中,必须要对各设计参数进行严格的控制,保证期满足设计标准。
由于连续钢构桥梁的自身跨度较大,其施工系统性较强,前期的施工误差会导致后期施工的严重问题,且无法进行弥补,因此,就必须要对连续钢构桥梁的施工进行全面的管控。
一般情况下,对桥梁施工进行控制需要对其结构进行分析计算,立模标高进行确定,并监测其挠度和应力。
主要控制点应是箱梁底部的线性控制,辅助控制点则为应力监测,严格按照相关标准对预应力进行控制,从而保证桥梁的施工质量。
质量控制方法测控制和前期预控结合后期调整。
这主要是由于连续钢构桥梁本身的连贯性,施工控制都是以预测为主,后期调整为辅,控制属于是循环过程,基本流程为数据预报→现场施工→管理监测→识别判断→后期修正→数据预报,循环往复。
在进行施工控制时,主要是要对主梁的标高进行控制,同时要对应力进行监测,才能保证连续钢构桥梁的整体质量,保证其安全稳定性。
一般来说,要通过设置预拱度来控制主梁的标高,设置预拱度的方法主要有经验法和理论法两种。
经验法一般是在进行比较大型的桥梁项目施工时使用,参考多年的施工经验,根据实际数据进行确定。
理论法则是依靠科学的计算公式,结合工程项目的实际情况,进行数据分析研究,相比于经验法,更加科学严谨,在施工控制中应用率较高。
在进行施工控制时,最重要的部分就是施工检测,实际施工的具体数值都是通过施工检测获得的,在施工监测中,了解桥梁的实际施工状况,做好相关信息的反馈工作,并进行误差识别,为桥梁工程的进一步施工提供理论和控制数据。
具体控制措施1.主梁0#施工一般情况下,会采用支牛腿搭架现浇的方式来进行主梁0#块的施工,0#块从概念上来讲,并不属于是桥梁杆结构,而是空间结构,顶板处每个0#块应对应7个观测点。
在对主梁进行标高控制时,应先对支架部分进行分级预压,然后再对0#块和1#同时进行现浇,以避免支架出现非弹性变形,保证弹性本身的变形规律。
论连续刚构桥施工质量控制摘要:连续刚构桥是主梁和墩台相连的桥梁,其施工复杂,技术要求高,对监理人员的要求也高。
本文以某连续刚构桥的监理工作举例,重点介绍并讨论连续刚构桥的施工监理质量控制要点,在桥梁监理工作中应该注意的问题,对提高连续刚构桥施工质量、进度、安全的控制有一定的借鉴作用。
关键词:连续刚构桥;施工监理;质量控制;竣工验收1 工程概况某跨河大桥主桥为预应力混凝土变截面直腹板连续刚构桥,主要跨径组合为42m+70m×2+42m,桥面总宽15m(见图1)。
主梁为单箱单室箱形截面,采用c50 纵、横、竖三向预应力混凝土结构。
箱梁顶板宽15m,底板宽8m,腹板厚度为0. 5m,采用挂篮悬臂对称浇筑施工,边跨靠交界墩长6m段采用满堂式支架现浇。
箱梁支点根部梁高4.5m,跨中梁高2m。
0#块梁长4m,主桥分9个节段,梁长分为3m、3.5m、4m,中、边跨合拢段梁长2m,边跨现浇面长5.9m。
由于0#块不长,考虑挂篮安装长度和0#块顶板没有设置纵向预应力钢筋,采用0#块、1#块搭钢管平台一起浇筑,2#块采用悬臂挂篮施工。
合拢方案为先合拢边跨再合拢次中跨。
下部构造及基础:主跨墩采用双柱实体墩,双排钻孔灌注桩承台基础,墩梁固结。
其他墩采用双柱式墩,钻孔灌注桩基础。
墩采用c40 混凝土,承台及灌注桩基础为c30 混凝土。
施工时水深约7m~9m。
2 施工阶段监理的质量控制要点2.1 编制监理实施细则驻地监理工程师组织专业监理工程师,根据监理规划的要求,针对主要分部工程编制监理实施细则,明确每一分部工程的质量控制点及其控制内容、方法、手段、措施及质量控制流程。
以此作为监理实施的依据,要求全体监理人员熟悉并严格执行。
2.2 严格审核、审查制度认真审查施工方提交的施工组织设计和施工方案,对其保证质量的可靠性、合理性和安全性进行必要的审核,专业工程师可以以自己的经验为施工单位提出一些合理化建议以改进、完善施工方案。
文章编号:1003-4722(2001)05-0046-03虎门大桥辅航道270m 连续刚构桥悬臂施工控制刘刚亮,王中文(广东省长大公路工程有限公司,广东番禺511430)摘 要:论述了虎门大桥辅航道270m 连续刚构桥悬臂施工控制中在线形和应力方面的一些经验和结论,同时给出了在桥梁悬臂施工中施工控制的一些方法。
关键词:刚构桥;悬臂灌筑架桥;施工监控中图分类号:U448.23;U445.466文献标识码:AC antilever Construction Control of 270m Continuous RigidFrame B ridge for H umen B ridge Auxiliary ChannelLIU Gang 2liang ,WANG Zhong 2wen(Changda Highway Engineering C o.,Ltd.,in G uangdong Province ,Panyu 511030,China )Abstract :This paper describes s ome experience and conclusions on the aspect of alignment and stress during the cantilever construction control of Humen Bridge auxiliary channel.Meanwhile s ome methods to re 2s olve the similar problems at the stage of cantilever construction control are given in detail.K ey w ords :rigid frame bridge ;balanced cantilever erection ;construction m onitor control收稿日期:2001-03-24作者简介:刘刚亮(1967-),男,高级工程师,1989年毕业于长沙交通学院路桥专业,工学学士,1999年毕业于西南交通大学桥隧专业,工学硕士。
连续刚构桥挂篮悬臂浇筑施工要点监测控制发布时间:2021-06-08T16:03:43.473Z 来源:《基层建设》2021年第5期作者:闫贝贝[导读] 摘要:桥梁工程施工技术不断发展,连续刚构桥挂篮悬臂浇筑施工技术更是得到了广泛的应用。
中交二公局第二工程有限公司陕西西安 710119摘要:桥梁工程施工技术不断发展,连续刚构桥挂篮悬臂浇筑施工技术更是得到了广泛的应用。
刚构桥挂篮施工过程存在自身的缺点与不足,成桥线性、标高控制、安全质量问题更会直接影响生命财产安全,还会造成严重的经济损失。
本文以贵阳至黄平高速公路项目石头寨特大桥施工为例,阐述刚构桥挂篮悬臂浇筑施工过程要点的监测控制,更好的保证了挂篮施工过程的成桥线性、标高控制及安全质量,完成了全桥的成功合拢。
关键词:刚构桥;挂篮施工;监控要点1.工程概况贵阳至黄平高速公路石头寨特大桥起点桩号为K38+930.00,终点桩号为K40+070.00,桥梁全长为1149m。
主桥分为1#、2#刚构桥,上部均采用(65+120+65)m预应力混凝土连续刚构,主桥下部结构采用双肢薄壁空心墩。
主桥结构形式为主跨120m变截面预应力混凝土连续刚构,边中跨比0.542,根部梁高7.5m,跨中及端部梁高3m,箱梁高度按1.8次抛物线变化。
横断面为单箱单室直腹板箱梁,箱梁顶板宽度为16.5m,底板宽度为8.0m,翼缘悬臂长度4.25m。
箱梁顶板设单向横坡,底板横桥向为水平。
主桥上部结构采用对称悬臂浇筑法施工,主梁每个单“T”划分为16个梁段,其中0号、1号、1’号梁段共长14.0m,在墩顶托架现浇施工;2号块至7号块长3m,8号块至11号块长3.5m,12号块至16号块长4.0m,边跨支架现浇段长3.84m,边跨合拢段长2m,中跨合拢段长2m。
箱梁施工采用挂篮悬臂现浇,悬浇梁段最大重量为186吨。
2.施工平面及高程监测控制为了保证石头寨特大桥主桥预应力混凝土连续刚构,采用悬臂浇筑施工方法和桥墩采用挂架施工方法的质量和安全,控制各施工阶段的桥墩、主梁中线位置和标高,监测施工过程中各块箱梁的挠度变化情况,为箱梁标高调整提供依据,保证悬臂浇筑施工的悬臂合拢平面和高程差控制在设计要求的范围之内。
浅析连续刚构桥悬臂箱梁施工控制
【摘要】随着我国社会主义现代化建设的不断发展,尤其是城市建设步伐的加快,道路桥梁等交通基础设施建设量与日俱增。
悬臂箱梁施工在连续刚构桥中的应用也越来越普遍,其施工也是刚构桥建设中的关键技术。
下面,本文结合酉阳钟渤快速通道工程本水溪大桥建设实例,简要对连续刚构桥悬臂箱梁施工控制进行分析。
【关键词】桥梁工程;连续刚构;悬臂浇注;施工控制
前言
该桥梁道路等级为城市主干道i级,主桥采用65+100+65米连续刚构桥,引桥采用30米简支箱梁,桥梁分左右分幅设计,左幅桥梁起止桩号为k4+948.00~k5+216.00,全长为268米。
右幅桥梁起止桩号为k4+949.00~k5+245.00,全长为296米。
左右幅桥面宽度均为9.25米。
1.结构数据
1.1箱梁构造
本水溪大桥上部箱梁施工方法采用双悬臂挂篮逐块对称现浇施工,主桥长度为230.00米,上部结构为预应力混凝土连续刚构桥三跨65+100+65米。
墩顶0号梁段长12.0米,其中两边各外伸3.0米。
两“t”构各划分为11对梁段,其梁段及梁段长度从根部至跨中分别为3×3.5米、8×4.0米,累计悬臂总长为45.5米,1号~11号梁段挂蓝悬臂浇筑施工。
挂篮设计自重不应超过最大悬浇梁段重量的0.6倍。
全桥共有3个合拢段,合拢段长度均为3米。
边跨
的现浇梁段长度为13.38米。
箱梁为两向预应力混凝土结构,全幅桥采用分离式单箱单室截面。
箱顶板宽度为9.25米,底板宽5.25米,箱悬臂长2.0米。
箱梁跨中及边跨现浇梁段高为2.5米,墩顶0号梁段高为5.6米,箱梁高度从合拢段中心到悬臂根部按二次抛物线变化,顶板厚度不变,底板厚度从悬臂根部(1.0米厚)开始到4号块按线性变化到等厚段(0.22米厚),1~5号块腹板厚度为0.7米,7~11号块为0.5米,6号块线性变化。
主桥共设6道横隔板。
分别在主墩处各设两道厚1.0米的横隔板,边跨支点处箱梁上各设一道厚1.2米的横隔板,各横隔板均设置了人洞以便施工。
0号梁段底板可根据施工需要设置人孔,待全桥主梁施工完成后,用加强局部钢筋封闭。
为保持箱内干燥,在箱梁根部区段底板上设置了排水孔。
1.2预应力管道及布置
0号块顶板、腹板钢束、边跨顶底板束采用单端张拉方式,其余钢束均采用两端张拉方式。
纵向预应力钢束设置顶板束(t)、底板束(b)、腹板束(f)和备用束。
备用束孔位预留,钢束根据施工情况设置,待全部预应力施工完毕后压浆处理。
0号梁段上横隔板及边跨现浇段端横梁横向预应力采用φ25精轧螺纹钢筋,设计张拉吨位346.8kn,采用一端张拉方式,其锚具采用ygm-25型。
竖向预应力钢筋采用φ25精轧螺纹钢筋,设计张拉吨位346.8kn,采用一端张拉方式,其锚具采用ygm-25型。
纵向预应力管道采用塑料波纹圆管,竖向预应力管道采用铁皮波纹管。
1.3其他
箱梁采用单箱单室截面,顶板宽度9.25米,两边翼缘向外悬挑均为2米,底板宽度5.25米,梁高1.7米,腹板厚度45~75cm,顶板厚度25~45cm,底板厚度22~42cm。
结构设计计算采用midas7.4.1版本及桥梁博士分别进行计算。
预制主梁预应力钢束采用φj15.2-15钢绞线,塑料波纹管成孔。
钢绞线均采用单端一次张拉锚固。
预应力钢束张拉原则:竖向:中部→上部→下部。
采用全预应力构件设计和后张法施工。
2.施工控制
2.1 施工材料控制
各种混凝土,应进行最佳配合比设计与试验,进行严格的质量控制和检测。
普通钢筋应按照设计技术指标和型号进行采购,按照有关质量检验标准严格进行检验,应遵循现行施工技术规范及公路工程质量检验标准要求进行施工。
2.1箱梁及箱梁合拢段施工
连续刚构单t箱梁采用挂篮悬臂对称浇筑,挂篮在确保承载力及刚度的前提下,尽可能轻型化和行走方便,设计要求挂篮最大承载力不得小于180吨,挂篮自重和全部施工荷载应控制在60吨以下。
在悬臂浇筑阶段或挂篮移动和拆除阶段均要求保持平衡施工,容许不对称重量不得大于150kn。
墩顶0号梁段拟在墩顶预埋牛腿支撑的托架上施工,预埋牛腿和托架应认真设计验算。
由于预应力管道集中,钢筋密集,混凝土数量大,为保证施工质量,0号梁段砼可
采用分两次浇筑,其它各悬臂对称浇筑混凝土的梁段要求一次浇筑完成。
中跨合拢段采用吊篮,劲性骨架、平衡重方法进行浇筑;边跨现浇段及边跨合拢段在中跨合拢之前,在边跨的悬臂端和交接墩之间采用满堂支架施工,一次浇筑完成,支架应进行预压,消除支架弹性变形,支架的刚度和强度应满足施工规范要求。
箱梁的合拢即体系转换是控制全桥受力状态和成桥的关键工序,因此箱梁的合拢顺序、合拢温度和工艺都必须严格控制。
全桥箱梁合拢顺序:由边至中对称进行。
中跨合拢段主要施工步骤:a.上合拢吊篮和悬臂加平衡重(水箱),合拢段两侧平衡重的总重量应相当于合拢段所浇筑混凝土的重量,远端还应增加二分之一挂篮模板重量。
b.选择最佳合拢温度20°c左右锁定。
c.浇筑合拢段混凝土时应保持边浇筑边分级卸除平衡重,保证在浇筑过程中两侧的悬臂端保持在不变的荷载条件下。
d.所浇筑的合拢段混凝土强度大于
40mpa后方可张拉底板预应力。
2.2箱梁及箱梁合拢段施工质量控制
应严格保证箱梁混凝土的质量和强度,在浇筑新混凝土前应将旧混凝土的接缝面凿毛洁净,以保证新旧混凝土的整体性,并注意混凝土的养生,所有箱梁外表面均要达到平整、光洁和全桥混凝土颜色一致。
箱梁施工应保证浇筑进度和振掏密实,同时要求平面尺寸、位置放样准确,箱梁混凝土颜色应一致,表面光洁平整。
箱梁施工时因施工所需开设的孔洞,均应取得设计单位的同意,所有施工预埋件,在施工完成后应予割除恢复原状,并注意防锈和美观。
施工
中应严格控制各梁段断面尺寸、梁高、箱宽、桥面宽度,误差应符合《公路桥涵施工技术规范》要求。
2.3预应力施工要求
预应力锚具及张拉设备应配套使用。
预应力钢材及锚具进场后应严格检查验收,妥善保管。
预应力张拉设备应定期进行标定和检修,严禁使用不合格的设备。
在上部施工前先进行试张拉等工艺试验,以熟悉张拉规程,掌握有关参数。
波纹管应分批对内外径、厚度、严密性等进行检验,以确保穿束、张拉顺序和不漏浆。
预应力钢束管道应严格按图纸所给坐标准确定位,以确保钢束平滑。
锚具安装时,垫板平面必须与钢束管道垂直,锚孔中心应对准管道中心孔,钢束管道与锚具端头连接必须妥善处理,锚具夹片和锚头锥孔应保持清洁,悬浇梁段通过的管道必须仔细清孔。
纵向预应力钢束在纵向必须两端同步张拉,在箱梁横截面应保证两边对称张拉。
各预应力钢束和钢筋、张拉锚固顺序应严格按相关设计图规定进行。
若挂篮后锚位置没有适合的竖向预应力粗钢筋,可视情况增设。
所有预应力张拉都应在箱梁砼强度达到设计强度的80%以上且龄期达到7天方可张拉预应力,并采用张拉吨位与钢束延伸量双控。
纵向、横向和竖向预应力张拉顺序:可同时进行、也可先张拉纵向预应力,再张拉横向预应力,最后张拉直接测定各钢绞线的引伸量,对引伸量不足的应查明原因、妥善解决后再进行下道工序。
预应力定位钢筋必须与附近其它钢筋焊接牢靠,以保证预应力管道位置准确;普通钢筋与管道冲突时,可适当移动普通钢筋的位置,但不能
切断钢筋;纵向波纹管接头处不得有毛刺、卷边、折角等现象,接口处要封严,不得漏浆。
混凝土浇筑后及时通孔、清孔、发现堵塞要及时处理。
固定封锚端管道要封严,预应力束张拉完毕后,严禁撞击锚头和钢束,保证锚具与预应力钢绞线的质量;钢绞线多余长度应用切割机切除。
预应力张拉完毕后应尽快压浆,必须采用真空压浆的方法进行施工,压浆前应用压缩空气或高压水清除管道内杂质;要求管道压浆密实,压浆配合比要仔细比选,采用最优配合比。
不允许掺氯盐;为减少收缩,砂浆要求掺入8%替代水泥用量的gna外掺剂作为膨胀剂,压浆标号不得低于m50。
竖向预应力钢筋采用两次张拉,在混凝土达到强度后,先张拉至0.8fpk的张拉应力锚固,一个工作日后张拉至0.9fpk锚固后压浆封闭。
3.结束语
综上所述,施工控制工作涉及面广,且原因是多方面的,只有严格按照设计规范施工,才能保证其建设质量,这就得要求施工、设计、监理、监控等建桥各方在具体实施过程中共同严格把关,确保工程建设质量。
参考文献:
[1] 范立础.桥梁工程[m].北京:人民交通出版社,2004.
[2] 戴文革. 乌江大桥连续刚构桥施工控制技术的研究与实施
[d]. 天津:天津大学, 2007.。