fmea评价准则rpn)
- 格式:docx
- 大小:14.58 KB
- 文档页数:3
FMEA分析标准(RPN)
FMEA分析标准(RPN)
FMEA(故障模式和影响分析)是一种常用的风险评估工具,
它可以帮助我们识别和减少潜在问题的风险。
在进行FMEA分析时,我们通常会使用RPN(Risk rity Number)来量化和排序不同风险。
RPN是根据潜在故障的严重性、发生频率和检测能力来计算的。
它是通过将这些因素的评分相乘获得的。
具体而言,RPN的计算公式如下:
RPN = 严重性评分 ×频率评分 ×检测能力评分
在进行FMEA分析时,首先需要为潜在故障的严重性、发生频率和检测能力设定相应的评分。
评分通常采用1到10的范围,其
中1表示最低,10表示最高。
严重性评分用于评估故障的严重程度,即如果故障发生,它将
对系统、过程或产品造成多大的影响。
发生频率评分用于评估故障发生的频率,即该故障在一定时间内可能发生的次数。
检测能力评分用于评估我们能够有效检测到该故障的能力。
较高的评分意味着我们能够更容易地识别和检测到故障。
使用RPN进行排序时,RPN值越高,表示该风险越严重。
因此,我们应该优先处理具有较高RPN值的风险,以降低其潜在影响。
总而言之,FMEA分析标准中的RPN提供了一种量化风险的方法,使我们能够更好地识别和减少潜在问题。
通过设定适当的评分并根据RPN值进行排序,我们可以更有针对性地处理最重要的风险,提高系统、过程或产品的可靠性和安全性。
fmea rpn 评分标准
Failure Mode and Effects Analysis (FMEA) Reliability prediction number (RPN) 评分标准是一种风险评估技术,它被广泛
用于各行各业,以帮助管理者加强质量,提高可靠性,降低客户投诉
和维修费用。
RPN是一种量化方法,用于评估潜在失效模式及其影响的LAE (潜在失效模式和影响风险) 。
它是最常用的用于潜在风险管理的方法之一。
RPN评分标准是一个三位数,其中第一位表示出现失效模式的可能性,第二位表示可能的影响,而第三位表示影响可能性的控制。
RPN 评分是由可能性和影响乘以控制因素得出的,即RPN = S * ∑ O * ∑ D * C。
而每个因素都有不同的单位可供使用,其范围从1到10。
RPN评分大于150的原因会得到其他可能因素的关注,如意外伤害、安全问题及其他可能存在的问题。
因此,建议应用RPN的公司采
取不同的安全措施,以防止可能发生的意外事件。
RPN评分方法是一个有效的可靠性和安全性手段,它有助于可能负有责任的人识别潜在的风险,并实施相应的行动计划,从而减少风险。
有了RPN评分,相关机构就可以为其核心目标提供持续支持,提
高质量,增强可靠性,降低投诉和维修费用等。
FMEA评价标准(RPN)1. 介绍故障模式与影响分析(FMEA)是一种用于识别、评估和缓解系统或过程中潜在故障模式及其影响的方法。
通过对故障模式进行评价,可以制定相应的改进措施,提高系统的可靠性和性能。
2. FMEA评价标准FMEA评价标准通常使用RPN(风险优先级数)来量化和排序风险。
RPN是通过乘以潜在故障模式的发生概率(P)、严重性(S)和检测能力(D)得到的。
2.1 发生概率(P)发生概率是指故障模式在特定的工作条件下发生的可能性。
评估发生概率时,可以考虑以下因素:- 先前的使用经验- 设备的可靠性数据- 工作条件的变化2.2 严重性(S)严重性是指故障模式对系统性能、工作过程或安全性产生的影响程度。
评估严重性时,可以考虑以下因素:- 潜在的损害或危险- 对生产能力或成本的影响- 用户的感知和体验2.3 检测能力(D)检测能力是指在故障模式发生后,能够及时检测和识别故障的能力。
评估检测能力时,可以考虑以下因素:- 监控设备和技术的有效性- 人员培训和专业知识- 检测系统的灵敏度3. 使用FMEA评价标准的步骤使用FMEA评价标准进行分析和评估时,可以按照以下步骤进行:1. 选择要评估的系统、过程或设备。
2. 识别故障模式和潜在影响。
3. 为每个故障模式分配发生概率(P)、严重性(S)和检测能力(D)等级。
4. 计算每个故障模式的RPN。
5. 根据RPN的大小排序,确定优先处理的故障模式。
6. 提出相应的改进措施,降低高RPN值的故障模式的风险。
4. 总结FMEA评价标准使用RPN来量化和排序潜在故障模式的风险。
通过评估发生概率、严重性和检测能力等因素,可以识别潜在的高风险故障模式,并采取适当的措施进行缓解。
通过使用FMEA评价标准,可以提高系统的可靠性和性能,减少潜在的系统故障和质量问题的发生。
请注意:以上内容仅为参考,具体的FMEA评价标准应根据实际情况进行调整和应用。
潜在失效模式评估标准1.目的采用预防措施控制的方法做好FMEA,以应用于产品设计和过程开发中,实现质量、时间、成本统一控制的目标。
2.适用范围本标准适用于CHC在新的/变更的产品设计和过程开发中应用FMEA对于严重度、可探测度、发生频度三项指标评估的管理。
3.职责技术部是主管应用部门,负责指导项目组在新的/变更的产品设计和过程开发中应用编制FMEA。
4.标准规定4.1设计潜在模式及后果评估表4.1.1严重度(S)严重度是指对一个特定失效模式的最严重的影响后果的评价等级。
严重度是在单个FMEA范围内的一个相对级别。
DFMEA严重度评估表4.1.2发生频度(O)发生频度是指一个特定原因/机制的发生的可能性。
此原因会在设计寿命内导致失效模式发生。
发生可能性的等级评估代表的是相对意义,而不是绝对的值。
应当有一个一致的发生频度的评级系统以确保连续性。
发生频度是一个FMEA范围内的相对评级,不是绝对反映实际的发生可能性。
小组应当就一个评估准则和评级系统达成共识,尽管对个别产品分析可作调整。
应使用1—10级来指导估计发生频度。
在确定此估计时,可以考虑下面问题:·相似零部件、子系统或系统的服务历史和现场经验如何?·此项目是否是沿用或类似于先前版本项目?·项目与先前版本项目的变更之处有多大?·项目是否完全不同于先前版本项目?·项目是否是全新的?·应用变化或者环境变化如何?·是否有用工程分析(例如:可靠性)来估计此应用的预期可比较的发生率?·是否有预防控制?表明了Cpk和Ppm之间间接的变通关系。
4.1.3探测度(D)探测度是指现行设计控制发现栏里,所列出的最佳的探测控制相关的等级。
当识别到不止一个的控制的时候,应将每个控制的探测等级包括在控制描述内,并且在探测度栏里记录等级最低的评分。
现行设计控制探测度的方法是,首先假定失效已经发生,然后评估现有设计控制探测此失效模式的能力。
FMEA评价准则RPNFMEA(故障模式与效果分析)是一种早期风险管理工具,用于识别和评估潜在故障模式及其对系统功能的影响。
在FMEA中,评价准则RPN (Risk Priority Number)是其中一个重要的指标,用于确定潜在故障的风险优先级。
RPN是通过评估故障的严重性、频率和检测能力来计算的,计算公式为:RPN=严重性×频率×检测能力。
通过计算RPN,可以确定哪些故障需要优先处理和关注。
首先,严重性评估指的是当故障发生时对系统功能的影响程度。
它通常通过定义不同级别的严重性,如轻微、中度、严重等来进行评估。
较高级别的严重性对应着较高的分数。
其次,频率评估指的是故障发生的可能性和频率。
这可以通过历史数据、专家意见和经验等进行估计。
频率的评估应考虑到在一定时间内故障发生的概率和频率,较高的发生频率对应着较高的分数。
最后,检测能力评估指的是检测和发现故障的能力。
这包括故障被检测到的可能性和故障被及时发现的能力。
较低的检测能力对应着较高的分数。
当计算出故障的RPN之后,就可以根据RPN的大小来确定风险的优先级。
一般来说,具有较高RPN值的故障应当优先处理和关注,因为它们可能会对系统的功能和性能产生更大的影响。
然而,需要注意的是,RPN仅仅是一个定性的指标,它只是用来帮助确定哪些故障需要优先处理,并不能单独用来衡量风险的大小。
在实际应用中,可以结合其他量化的工具和方法,如风险矩阵、风险曲线等来更全面地评估和管理风险。
此外,FMEA的输出不仅仅是RPN值,还包括对潜在故障的描述、建议的纠正措施和预防措施等。
这些信息可以帮助团队确定改进和优化的方向,并做出相应的决策。
总之,FMEA是一个有效的风险管理工具,在产品开发和制造等领域得到广泛应用。
评价准则RPN作为其中一个重要的指标,可以帮助团队确定潜在故障的风险优先级,但它仅仅是一个定性的指标,需要结合其他量化工具和方法一起使用,以更全面地评估和管理风险。
fmea评分标准rpnFMEA评分标准RPN。
FMEA(Failure Mode and Effects Analysis)是一种系统性的、有组织的、以团队为基础的方法,用于识别和评估设计或过程中可能出现的故障模式及其影响。
RPN(Risk Priority Number)是FMEA中常用的一种评分方法,用于对故障模式的风险进行排序,以确定优先处理的故障模式。
本文将详细介绍FMEA评分标准RPN的相关内容。
首先,RPN的计算公式为RPN = Severity × Occurrence × Detection。
其中,Severity代表故障的严重程度,Occurrence代表故障的发生频率,Detection代表故障的检测能力。
这三个参数分别用1至10的等级来评分,等级越高代表风险越大。
通过将这三个参数相乘,可以得到每个故障模式的RPN值。
其次,RPN值的范围通常为1至1000,这是因为Severity、Occurrence和Detection的等级范围均为1至10,所以RPN的最大值为10 × 10 × 10 = 1000。
根据RPN值的大小,可以对故障模式的风险进行排序,以确定哪些故障模式需要优先处理。
一般来说,RPN值大于等于100的故障模式被认为是高风险的,需要优先处理。
另外,对于RPN值较高的故障模式,团队可以采取一些措施来降低其风险。
例如,可以通过改进设计、加强监控、提高检测能力等方式来降低故障的严重程度、减少故障的发生频率、提高故障的检测能力,从而降低RPN值。
通过不断优化和改进,可以有效降低产品或过程中的潜在风险,提高其可靠性和稳定性。
最后,需要注意的是,RPN值只是一种评估风险的方法,它并不能完全代表实际的风险水平。
在实际应用中,团队还需要综合考虑其他因素,如潜在的影响范围、历史数据、专家意见等,来全面评估故障模式的风险。
因此,在使用RPN值进行风险排序时,团队需要谨慎对待,不可片面依赖RPN值,而应该结合实际情况进行综合分析。
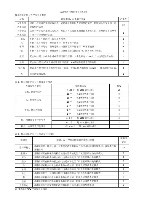
表1 FMEA严重度评价标准
表2 FMEA发生频度评价准则
表3 FMEA探测度评价准则
说明:
1、FMEA作为预先的风险评估工具,通常应用于:
新设计、新技术或新过程;现有设计或过程的修改;现有设计或过程在新环境/场所应用。
2、FMEA应由技术部组织多功能(或跨功能)小组来开发,并负责所有的建议措施得到实施或充分阐述。
3、在项目描述时,FMEA的语言应尽可能规范且简要。
4、FMEA作为动态文件,应一直反应最新的水准,其维护时机:
在产品或过程设计更改和更新时,以及市场或生产问题发生时,小组应对FMEA进行评审。
此外,FMEA的更新还包括周期性评审,即每年定期评审2次。
5、当RPN值大于80时,小组应考虑采取相应的措施,以最大程度降低综合风险和失效模式发生的可能性。
FMEA分析准则(RPN)1. 什么是FMEA分析准则?FMEA(Failure Mode and Effects Analysis)是一种系统性的方法,用于识别潜在的故障模式以及其对系统或过程的影响。
FMEA 旨在帮助识别和优化设计、制造或运营过程中的风险,以避免潜在的故障或减小故障的影响。
2. FMEA分析中的RPN是什么?RPN(Risk Priority Number)是FMEA分析中一种常用的评估指标。
RPN是通过将故障模式的严重程度、发生频率和检测能力进行定量评估后计算得出的。
RPN的值越高,表示故障的风险越大。
3. RPN的计算方法RPN的计算方法为:RPN = Severity × Occurrence × Detection其中,Severity表示故障的严重程度,Occurrence表示故障发生的频率,Detection表示故障被检测到的能力。
这三个量通常使用1-10的等级进行评估,等级越高表示风险越大。
4. RPN的应用通过计算RPN,可以对FMEA分析结果进行排序,将重点放在具有较高风险的故障模式上。
这有助于确定改进措施的优先级,并制定相应的风险管理策略。
通常,RPN超过一定阈值的故障模式会被视为高风险,需要采取相应的控制措施。
5. 注意事项在进行FMEA分析和使用RPN进行风险评估时,需要注意以下几点:- RPN的计算基于主观评估,因此需要确保评估者具有适当的知识和经验。
- 可以根据具体情况确定Severity、Occurrence和Detection的评估标准,并确保评估者的一致性。
- RPN应作为风险评估的参考指标之一,不应作为唯一的决策依据。
- 针对高RPN的故障模式,应优先采取控制措施,以降低风险。
以上是关于FMEA分析准则(RPN)的基本介绍和应用方法。
通过使用RPN作为评估指标,可以更好地识别和管理潜在的故障风险,提高系统和过程的可靠性和安全性。
fmea rpn 评分标准FMEA RPN评分标准。
FMEA(Failure Mode and Effects Analysis)是一种系统性的方法,用于识别和评估产品或过程中潜在的失效模式及其影响。
而RPN(Risk Priority Number)则是FMEA中用来评估风险优先级的指标。
在进行FMEA分析时,对于不同的失效模式,我们需要根据一定的评分标准来确定其RPN值,以便进一步确定风险的优先级,从而采取相应的措施进行风险管理。
下面将详细介绍FMEA RPN评分标准的相关内容。
首先,对于失效模式的严重性(S,Severity)评分标准。
严重性是指失效对产品性能、安全性或合规性的影响程度。
评分标准通常包括1至10的等级,1表示影响很小,而10表示影响非常严重。
例如,对于一个失效模式,如果其影响仅限于外观,不会对产品的功能和安全性产生影响,则可以给予较低的严重性评分,而如果失效会导致严重的安全隐患或产品无法正常使用,则应给予较高的严重性评分。
其次,对于失效模式的频率(O,Occurrence)评分标准。
频率是指失效模式发生的可能性或频率。
评分标准同样通常包括1至10的等级,1表示非常低的发生频率,而10表示非常高的发生频率。
在评估频率时,需要考虑到失效模式的历史数据、设计特点、使用环境等因素。
例如,对于一个在正常使用条件下几乎不会发生的失效模式,可以给予较低的频率评分,而对于一个容易受到外部干扰或误操作导致的失效模式,则应给予较高的频率评分。
最后,对于失效模式的检测能力(D,Detection)评分标准。
检测能力是指在失效模式发生后,能够及时发现并采取措施的能力。
同样,评分标准通常包括1至10的等级,1表示能够高效检测并避免失效的发生,而10表示无法有效检测或无法及时采取措施。
在评估检测能力时,需要考虑到现有的检测手段、监控系统、人员培训等因素。
例如,对于一个可以通过自动监控系统及时发现并避免失效的模式,可以给予较低的检测能力评分,而对于一个需要依靠人工检查或容易被忽视的失效模式,则应给予较高的检测能力评分。
FMEA风险指标(RPN)什么是FMEA?故障模式及影响分析(Failure Mode and Effects Analysis, 简称FMEA)是一种常用的风险评估工具,用于识别和评估潜在问题的风险。
FMEA主要用于产品或过程的设计和改进阶段,以确保在生产和使用过程中减少故障和缺陷。
FMEA风险指标(RPN)的意义FMEA风险指标(Risk Priority Number, 简称RPN)是FMEA分析中评估故障风险的一种方法。
RPN是根据三个关键因素:严重性(S)、发生性(O)和检测性(D)来计算的。
RPN的计算公式为:RPN = S × O × D- 严重性(S):指出该故障对系统性能的影响程度。
通常使用1-10的尺度进行评估,其中10代表最高严重性。
- 发生性(O):指出该故障发生的频率或概率。
同样使用1-10的尺度进行评估,其中10代表最高发生性。
- 检测性(D):指出该故障被检测或发现的概率。
同样使用1-10的尺度进行评估,其中10代表最高检测性。
如何使用FMEA风险指标(RPN)?使用FMEA风险指标(RPN)可以帮助团队识别和评估故障的风险,并为解决问题和改进设计提供指导。
以下是使用FMEA风险指标(RPN)的一般步骤:1. 列出潜在的故障模式:将可能出现的故障模式逐一列出,并描述每个故障模式的特征和效果。
2. 评估严重性(S):对每个列出的故障模式,使用1-10的尺度评估其对系统性能的严重影响程度。
3. 评估发生性(O):对每个列出的故障模式,使用1-10的尺度评估其发生的频率或概率。
4. 评估检测性(D):对每个列出的故障模式,使用1-10的尺度评估该故障被检测或发现的概率。
5. 计算RPN:使用上述评估结果,计算每个故障模式的RPN 值。
6. 优先处理高RPN的故障:将RPN值较高的故障模式作为优先处理对象,并制定相应的改进措施。
7. 跟踪改进措施:实施改进措施后,跟踪其效果,并评估RPN 的变化。