高强度螺栓预紧力和拧紧力矩比较分析
- 格式:doc
- 大小:210.00 KB
- 文档页数:6
10.9高强度螺栓扭矩系数一、概述10.9高强度螺栓是一种常用于重载结构中的螺栓,其性能指标以及扭矩系数对于工程设计和施工非常重要。
本文将介绍10.9高强度螺栓的扭矩系数计算方法以及相关注意事项。
二、10.9高强度螺栓的定义10.9高强度螺栓是指符合ISO898-1标准的高强度螺栓,通常由碳素钢或合金钢制成。
其特点是具有较高的拉伸强度和抗剪强度,适用于需要承受较大载荷的结构连接。
三、扭矩系数的计算方法10.9高强度螺栓的扭矩系数是指在拧紧过程中施加在螺栓上的扭矩与其预紧力之比。
计算扭矩系数的公式如下:$$ K_t = \\frac{T}{F_p} $$其中,K t为扭矩系数,T为扭矩值,F p为预紧力。
四、扭矩系数的意义扭矩系数反映了螺栓在拧紧过程中所受到的力学应力状态,是评价螺栓连接可靠性的重要指标之一。
合理选择和控制扭矩系数可以确保螺栓连接的安全可靠性,减少螺栓断裂的风险。
五、扭矩系数的影响因素影响10.9高强度螺栓扭矩系数的因素包括螺纹摩擦系数、螺栓几何形状、螺纹填料等。
在实际工程中,需要根据具体情况考虑这些因素的影响,并进行相应的调整。
六、注意事项1.在计算扭矩系数时,应准确测量扭矩值和预紧力,确保计算结果准确可靠。
2.拧紧螺栓时,必须使用专用扭矩扳手,避免超出设计要求的扭矩数值。
3.定期检测螺栓的扭矩系数,及时调整并更换老化或损坏的螺栓,确保结构的安全性。
七、结论10.9高强度螺栓的扭矩系数对于结构连接的安全性至关重要,合理计算和控制扭矩系数是工程设计和施工中不可或缺的环节。
通过本文的介绍,希望能够帮助读者更好地理解和应用10.9高强度螺栓的扭矩系数。
第48卷㊀第2期2019年4月㊀㊀㊀㊀㊀㊀㊀㊀㊀㊀㊀船海工程SHIP&OCEANENGINEERING㊀㊀㊀㊀㊀㊀㊀㊀㊀㊀㊀㊀㊀Vol.48㊀No.2Apr.2019㊀㊀㊀DOI:10.3963/j.issn.1671 ̄7953.2019.02.033船舶常用螺栓预紧力和拧紧力矩的确定苏东伟ꎬ王学志(上海外高桥造船有限公司ꎬ上海200137)摘㊀要:基于轴向载荷典型螺栓的受力分析ꎬ综合考虑各种影响因素ꎬ推导螺栓预紧力和拧紧力矩的计算公式ꎬ结合生产实际ꎬ有针对性地选取各因素系数ꎬ得出简化公式ꎬ对比国标和其他设备公司标准ꎬ确定该简化公式可行ꎬ根据公式编制对应的预紧力和拧紧力矩表ꎬ以便设计时选用ꎮ关键词:船舶ꎻ螺栓ꎻ预紧力ꎻ拧紧力矩中图分类号:U662㊀㊀㊀㊀文献标志码:A㊀㊀㊀㊀文章编号:1671 ̄7953(2019)02 ̄0127 ̄05收稿日期:2019-01-08修回日期:2019-03-18第一作者:苏东伟(1985 )ꎬ男ꎬ学士ꎬ工程师研究方向:船舶外舾装㊀㊀船厂设备安装最常见的就是受轴向载荷紧螺栓连接ꎬ各设备公司的预紧力标准一般也是基于轴向载荷紧螺栓连接ꎮ螺栓预紧力过小ꎬ达不到连接的刚性和可靠性要求ꎬ浪费了紧固件的紧固能力ꎬ也易使连接松动ꎻ预紧力过大ꎬ则可能使紧固件超过其材料屈服强度而伸长甚至拧断ꎬ达不到紧固的目的[1]ꎮ因此ꎬ考虑选取轴向载荷紧螺栓连接进行受力分析ꎮ1㊀螺栓连接受力分析1.1㊀螺栓受力与变形分析螺栓受力与变形见图1[2]ꎮ图1㊀螺栓受力与变形示意螺栓预紧装配后ꎬ被连接件表面会出现嵌入现象ꎬ尤其是变载荷作用下ꎬ嵌入变形会更明显ꎬ见图2ꎬ弹性伸长总量L1+L2减少量为λꎬ使预紧力Fm减少Fλꎬ螺栓副连接中的实际预紧力为Fvꎮ考虑在船厂实际装配过程中ꎬ需要控制预紧的一般为高强度螺栓紧联螺栓组ꎬ所对应的连接件多为钢质且配钢质或环氧垫片ꎬ刚度很大ꎬ嵌入变形不明显ꎬ故在受力过程中ꎬ忽略嵌入影响ꎮ图2㊀连接件嵌入变形分析由图1可知㊀tanθ1=Fm/L1=C1tanθ2=Fm/L2=C2式中:C1为螺栓刚度ꎻC2为连接件刚度ꎮ在螺母已拧紧ꎬ未承受工作载荷时ꎬ螺栓所受拉力和被连接件压缩力均为Fmꎮ当连接件承受工作载荷F时ꎬ螺栓的总拉力为F0ꎬ螺栓的总伸长量为L1+ΔLꎬ被连接件的压缩力为Fᶄmꎬ被连接件的总压缩量为为L2-ΔLꎮ可以得出F0=Fᶄm+F(1)Fm=Fᶄm+(F-Fᶄ)(2)Fᶄ=C1C1+C2F(3)F0=Fm+Fᶄ=Fm+C1C1+C2F(4)式(1)和(4)是螺栓总拉力的两种表达形式ꎮ用式(1)计算螺栓总拉力时ꎬ为保证连接的紧密性ꎬ以防止负载后结合面产生缝隙ꎬ应使Fᶄm>0ꎮ事实上ꎬ在设计过程中ꎬ对受轴向力紧螺栓的残余预紧力与工作载荷ꎬ一般按Fᶄm=K0Fꎬ选取拟定的残余预紧力系数K0ꎬ见表1[3]ꎮ721表1㊀残余预紧力系数K0紧固连接静载荷动载荷紧密连接软垫金属成型垫金属平垫0.2~1.01.0~3.00.5~1.51.5~2.52.0~3.5㊀㊀式(3)中ꎬC1C1+C2为螺栓的刚度系数KcꎬKc的大小与螺栓和被连接件的结构尺寸㊁材料及垫片㊁工作载荷的位置等因素有关ꎬ其值在0~1之间变化ꎮ为了降低螺栓的受力ꎬ提高螺栓连接的承载能力ꎬ应使Kc值尽量小些ꎮ一般连接钢板之间所用垫片为金属垫片或无垫片时ꎬKc的取值为0.2~0.3ꎬ见表2ꎮ表2㊀刚度系数Kc联接型式连杆螺栓金属(或无垫片)皮革垫铜皮石棉垫橡胶垫Kc0.20.2~0.30.70.80.91.2㊀交变载荷下螺栓的受力与变形如图3所示ꎬ若F是随时间变化的交变载荷ꎬ并且改变量在F1和F2之间ꎬ则螺栓所受的总拉力在F01和F02之间变化ꎮ图3㊀交变载荷下的螺栓变形与受力㊀㊀若螺栓的强度固定ꎬ减小螺栓所受总拉力的幅值ꎬ有助于提高螺栓寿命ꎮ在选择螺栓连接件的材料时ꎬ还可以考虑从被连接件的变形刚度出发ꎬ选用变形刚度较好的材料ꎬ这样就可以使被连接材料的变形线较陡ꎬ螺栓所受总拉力幅值减小ꎮ1.3㊀螺栓预紧后的扭转切应力影响螺栓受预紧力后ꎬ除承受Fm产生的拉应力σ外ꎬ还要承受由此而产生的扭转剪应力τꎬ对于常用的M10~M68的普通螺纹ꎬ可近似取τ=0.5σꎮ根据第四强度理论ꎬ可求出当量应力σe为[4]σe=σ2+3τ2=1.75σ2ʈ1.3σ由此ꎬ可将螺栓所承受的预紧力Fm增大30%来代替扭转剪应力的影响ꎬ即1.3Fmꎬ见图4ꎬ则螺栓所受拉力增大30%ꎮ则式(4)变为F0=1.3Fm+C1C1+C2F=1.3Fm+KeF(5)F0=1.6Fm+Kcf=1.3(1+K0-Kc)F+KcF=(1.3+1.3K0-0.3Kc)F(6)2㊀预紧螺栓强度校核实际工程中ꎬ螺栓的尺寸一般按螺栓的最大拉力F0选取ꎮ图4㊀螺栓预紧力与扭转切应力F0Asɤ[σ](7)现行机械设计手册中1.3F0π4d21ɤ[σ][5]ꎬ其中1.3即为扭转剪应力产生的当量应力系数ꎬ前文已计入预紧力ꎬ故在此不重复纳入ꎬπ4d21为螺纹小径面积ꎬ并不能等效于螺纹的应力截面积Asꎮ2.1㊀螺纹应力截面积As通过式(8)或(9)计算得到ꎮAs=π4d2+d32æèçöø÷2(8)As=0.7854(d-0.9382P)2(9)821式中:d为外螺纹大径基本尺寸ꎬmmꎻd2为螺纹中径的基本尺寸ꎬmmꎻd3为螺纹小径的基本尺寸(d1)减去螺纹原始三角高度(H)的1/6值ꎬ即d3=d-H6式中:H为螺纹原始三角形高度(H=0.866025P)ꎻP为螺距ꎬmmꎮ2.2㊀螺栓许用应力[σ]=σsS(10)式中:σs为螺栓屈服强度ꎬ由螺栓性能等级直接计算ꎬ或查表3ꎻS为安全系数ꎬ由表4查得ꎮ表3㊀螺栓机械性能等级①等级σb/MPaσ②公称3.63001804.64002404.84003205.65003005.85004006.86004808.88006409.890072010.9100090012.912001080㊀㊀注:①螺栓性能等级标号由两部分数字组成ꎬ分别表示螺栓材料的公称抗拉强度σb值和屈强比值ꎮ例如ꎬ性能等级4.6级的螺栓ꎬ其含义是:螺栓材质公称抗拉强度σb=400MPaꎬ螺栓材质的屈强比值为0.6ꎬ螺栓材质的公称屈服强度σs=400ˑ0.6=240MPaꎻ②3.6~6.8级为屈服强度σsꎬ8.8~12.9级为非比例伸长应力σ0.2ꎻ③数据摘自GB/T3098.1-2000ꎮ将式(6)和(10)代入式(7)ꎬ得螺栓选用计算式ꎮS(1.3+1.3K0-0.3Kc)FAsɤσs(11)3㊀螺栓预紧力计算假定ε=1+K0-KcS(1.3+1.3K0-0.3Kc)(12)则有FmAsɤεσs(13)定义ε为螺栓预紧力系数ꎬ假定:1)现船用设备安装螺栓ꎬ一般都会控制预紧力ꎬ故S=1.2~1.5ꎮ2)残余预紧力系数按表1ꎬ取值一般取K0=0.6~1.8ꎮ3)在控制预紧力的连接中ꎬ为了较小螺栓的应力幅值ꎬ一般都选用刚度比较大的被连接件ꎬ比如钢垫片ꎬ故拟选相对刚度系数Kc=0.3ꎮ据此ꎬ根据式(12)估算ε取值如下ꎮε=0.5444~0.5869ꎬ当S=1.2时ꎻε=0.4355~0.4695ꎬ当S=1.5时ꎮ在实践中ꎬ还有许多影响ε的因素ꎬ如:受拉螺栓还是受剪螺栓ꎬ螺栓是否承受变载荷ꎬ对连接有无密封要求ꎬ安装工具和方法的精确程度ꎬ连接所在部位是否便于安装ꎬ等ꎮ有计算表明ꎬ当预紧表4㊀受轴向载荷的预紧螺栓连接的许用应力、安全系数许用应力不控制预紧力时的安全系数S静载荷动载荷控制预紧力时的安全系数S按最大应力[σ]=σs/S材料M6~M16M16~M30M30~M60M6~M16M16~M30M30~M60不分直径碳素钢5.0~4.04.0~2.52.5~2.012.5~8.58.58.5~12.51.2~1.5合金钢5.7~5.05.0~3.43.4~3.010~6.86.86.8~10.0应力达到螺栓屈服极限σs的0.78倍时ꎬ螺栓的外螺纹沟底开始破坏ꎮ也就是说ꎬ选取ε时ꎬ首先必须满足的第一个前提条件是εɤ0.78ꎮ目前比较认可的ε值见表5ꎮ表5㊀预紧力系数一般机械航空航天机械特殊连接(如高强度螺栓摩擦连接)0.5~0.70.350.75㊀㊀现行国家标准体系中ꎬ对于螺栓预紧力ꎬ也是按照ε=0.7计算确定ꎮ但按照上述计算ꎬ如此单一的定义是不合适的ꎬ预紧力系数不能是某一个固定值ꎬ必须综合考虑各种影响因素ꎬ选用合适的值来计算得到预紧力ꎮ对于船舶行业ꎬ需控制预紧力的多为高强度螺栓作用下的钢制垫片或环氧垫片连接ꎬ不同于一般机械ꎮ各设备厂家在设计阶段通过螺栓强度得到的螺栓尺寸ꎬ如果继续按照ε=0.7条件下的标准来施加预紧力ꎬ相对于上式计算的ε值明显偏大很多ꎬ很容易造成预紧后螺栓的实际应力超过螺栓的屈服强度ꎬ造成螺栓损坏ꎬ尤其是在变载921荷或冲击载荷的作用下ꎬ容易酿成事故ꎮ故在实际工程中ꎬ根据经验数据ꎬ一般选用标准预紧力值的0.8倍作为实际预紧力ꎬ相当于ε=0.7ˑ0.8=0.56ꎮ为了充分发挥螺栓的工作能力和保证预紧的可靠ꎬ通常在保证螺栓强度的条件下ꎬ尽可能选用较高的预紧力ꎮ推荐选取ε=0.57ꎬ得出预紧力的简化计算公式ꎮFm=0.57σsAs(14)4㊀螺栓拧紧力矩计算在螺栓预紧过程中ꎬ预紧力是无法直接实现的ꎬ必须通过螺母的拧紧力矩来得到ꎮ螺母的拧紧力矩由三部分组成①由升角产生ꎬ用于产生预紧力使螺栓杆伸长ꎻ②为螺纹副摩擦ꎻ③支撑面摩擦[6]ꎮ通用的拧紧力矩计算公式为T=KFmd/1000(15)式中:K为拧紧力矩系数ꎬ由下式计算或查表6得到ꎮK=d22dtan/Ψ+ρv+fcD3w-d303dD2w-d20(16)式中:d为螺纹公称直径ꎬmmꎻFm为预紧力ꎬNꎬ通过式(14)计算获得ꎻd2为螺纹中经ꎬmmꎻΨ为螺纹升角ꎬρv为螺纹当量摩擦角ꎬρv=arctanfvꎻfv为螺纹当量摩擦系数ꎬ对普通粗牙M12~M64螺纹ꎬfv=0.1~0.2ꎬ常取fv=0.15ꎻFc为螺母与被连接件支撑面间的摩擦系数ꎻDw为螺母对边宽度ꎻd0为被连接件孔径ꎮ实际应用中最常见的是一般加工表面ꎬ且无润滑ꎬ故通常取拧紧力矩系数K=0.2ꎮ根据式(14)和(15)ꎬ代入K=0.2ꎬ可得拧紧力矩计算式ꎮT=KFmd/1000=0.2ˑ0.57σsAsd/1000=0.114σsAsd/1000(17)表6㊀拧紧力矩系数K表面状态精加工表面一般加工表面表面氧化镀锌干燥粗加工表面有润滑0.100.13~0.150.200.18无润滑0.120.18~0.210.240.220.26~0.305㊀各标准版本预紧力对比分析在ISO标准体系中ꎬ拧紧力矩按照下式计算ꎮT=0.12σsAsd/1000与式(17)相比ꎬISO标准设定εK=0.12ꎮ逆向推导ꎬ其K=0.15㊁ε=0.8ꎬ或K=0.2㊁ε=0.6ꎬ选用的预紧力系数高于计算值ꎬ不符合船舶行业螺栓预紧需求ꎮ试用8.8级M30粗牙螺栓ꎬ对比分析各设备商的标准版本ꎬ见表7ꎮ对于8.8级M30粗牙螺栓:σs=640MPaꎬAs=561mm2ꎬd=30mmꎮ表7㊀M30螺栓各标准版本预紧力、拧紧力矩对比预紧力Fm/kN拧紧力矩T/N m预紧力系数ε拧紧力矩系数K本文205.012280.5700.200ISO1290国标251.30.700德国工业标准255.012260.7100.160HALTLAPA256.014220.71300.185德国先达传动1000武汉船机1260镇江辅机13007Fukushima1428TTS1340㊀㊀由表7ꎬ可见:1)各设备公司的预紧力标准ꎬ一般只给出拧紧力矩ꎬ因为可以将预紧力系数和拧紧力矩系数K简化为一个基准系数ꎬ即εKꎮ虽然无法由此推出预紧力系数ε的选定值ꎬ进而校核螺栓强度ꎮ但在此ꎬ可以假定K=0.2ꎬ则ε=0.56~0.66ꎬ大部分略高于本文拟定的0.57ꎮ2)部分同时给出了预紧力和拧紧力矩的标准ꎬ虽然最终的εK值与本文拟定的0.114相差不大ꎬ但选定的εK却远远大于0.57ꎮ之所以如此ꎬ是因为其选定的拧紧力矩系数小于0.2ꎬ这就要求螺母支撑面必须预加工ꎬ但事实上ꎬ所有交货设备的螺母支撑面均没有做过任何处理ꎬ这就导致船厂在安装过程中需要对设备底角进行表面处理ꎮ因此ꎬ对于需要控制预紧力的螺栓ꎬ凡厂家给出预紧力或拧紧力矩的ꎬ按照厂家要求执行ꎬ因为厂家在选定螺栓尺寸过程中ꎬ通常是按照其自己的标准版本操作的ꎮ另外ꎬ尽量验证厂家标准的各系数选定条件ꎬ以符合其计算依据ꎮ凡厂家未给出预紧力或拧紧力矩的ꎬ尽量不要依据国标等选定ꎬ因为国标为了保证其通用性ꎬ设定的限定条件很可能不满足特定需要ꎮ(下转第134页)0312019年第2期毕世东ꎬ等:舷侧分段总组搭载精度控制船海工程第48卷工ꎬ并且能够保留原始坡口ꎮ吊装能够一次到位ꎬ做到精度搭载㊁快速造船ꎮ总之ꎬ船舶建造精度问题只要保证在每个阶段按照精度标准去做ꎬ确保数据准确无误ꎬ并且在采用最先进的ECO-BLOCK㊁ECO-OTS电脑分析软件[2]ꎬ对有精度问题的分段进行预先解决ꎬ得出最佳方案ꎬ再指导现场作业ꎬ保证舷侧分段的精度质量ꎬ有效提升船坞生产效率ꎮ参考文献[1]应长春.船舶工艺技术[M].上海:上海交通大学出㊀㊀版社ꎬ2005.[2]国防科工委.中国造船质量标准[S].北京:船舶工业经济研究院ꎬ2006.[3]袁成清.水路运输装备的新发展[R].武汉:武汉理工大学ꎬ2017.[4]许允ꎬ张少雄ꎬ张晨阳ꎬ等.子模型范围及边界条件对应力结果的影响[J].船海工程ꎬ2016ꎬ45(3):19 ̄23. [5]中国船级社.钢质内河船舶建造规范[S].北京:人民交通出版社ꎬ2016.[6]陈茂勇.舱口围生产设计标准化探讨[J].造船技术ꎬ2015(1):25 ̄30.OnPrecisionControlinGeneralAssemblyoftheSideShellBlockBIShi ̄dongꎬFANDong ̄hui(ShanghaiWaigaoqiaoShipbuildingCo.ꎬLtd.ꎬShanghai200137ꎬChina)Abstract:Themisalignmentproblemsoccurredinsideshellblockspre ̄erectionwillaffecttheconstructionprecisionoftheblockerection.ReasonsfortheseproblemswereanalyzedtotakesomeeffectivemethodsofprecisioncontrolꎬsuchasunifyingthemeasurementstandardꎬanalyzingthemeasurementdatabytheECO ̄G2softwareꎬandcarryingouttheerectionsimulation.Thismethodcangreatlyimprovetheconstructionprecisionofthesideshellblockpre ̄erectionanderectionforbulkcarrierꎬobviouslyshortenthepositioningtimeandincreaseofliftingefficiencyꎬsoastoshortenthedockstagecycle.Keywords:sideshellblockꎻECO ̄G2ꎻprecision(上接第130页)参考文献[1]叶红ꎬ颜廷武ꎬ刘元胜.法兰连接中的螺栓预紧力[J].有色矿冶ꎬ2005ꎬ21(3):46 ̄48.[2]朱若燕ꎬ李厚民.高强度螺栓的预紧力及疲劳寿命[J].湖北工学院学报ꎬ2004ꎬ19(3):135 ̄141. [3]机械工程师手册编委会.机械工程师手册[M].2版.北京:机械工业出版社ꎬ2000.[4]李应国.高强度螺栓预紧力及预紧力矩的确定[J].机械ꎬ1993ꎬ20(2):20 ̄24.[5]史冬岩ꎬ张亮ꎬ张成ꎬ等.螺栓预紧力对舰用气缸力学特性的影响研究[J].船舶ꎬ2011ꎬ22(4)ꎬ33 ̄37. [6]初泰安.螺栓拧紧方法及预紧力控制[J].化工设备与管理ꎬ2005(3):40 ̄42.DeterminationofPre ̄tighteningForceandTighteningTorqueofCommonMarineBoltsSUDong ̄weiꎬWANGXue ̄zhi(ShanghaiWaigaoqiaoShipbuildingCo.ꎬLtd.ꎬShanghai200137ꎬChina)Abstract:Thecalculationformulasofthepre ̄tighteningforceandtighteningtorqueoftheboltswerededucedbyanalyzingtheforcesactingonthetypicalboltsunderaxialloadsandvariousinfluencingfactors.Asimplifiedformulawasgottenbyselectingthecoefficientsofeachfactoraccordingtotheactualsituationoftheshipyard.Thefeasibilityofthissimplifiedformulawasana ̄lyzedbycomparingwiththenationalstandardandthestandardofotherequipmentcompanies.Thecorrespondingpre ̄tighteningforceandtighteningtorquetablewasmadeꎬwhichcanbeeasilyusedtochooseinthedesign.Keywords:shipꎻboltꎻpre ̄tighteningforceꎻtighteningtorque431。
m24高强螺栓参数摘要:1.M24 高强度螺栓的定义和分类2.M24 高强度螺栓的参数和规格3.M24 高强度螺栓的拧紧力矩计算4.M24 高强度螺栓的受力分析5.M24 高强度螺栓的应用场景正文:一、M24 高强度螺栓的定义和分类M24 高强度螺栓是一种用于连接两个零件的螺纹紧固件,其特点是强度高、抗拉强度大,适用于承受较大力量的场景。
根据螺纹的形状和规格,M24 高强度螺栓可以分为不同的类型,例如六角螺栓、方头螺栓等。
二、M24 高强度螺栓的参数和规格M24 高强度螺栓的参数主要包括螺纹公称直径、长度、预紧力等。
其中,螺纹公称直径为24 毫米,长度可以根据实际需要进行定制。
预紧力是指在紧固件未受力情况下,螺纹之间的摩擦力。
M24 高强度螺栓的预紧力可以根据不同的表面处理和润滑情况进行选择。
三、M24 高强度螺栓的拧紧力矩计算在实际应用中,为了确保M24 高强度螺栓的安全性能,需要计算其拧紧力矩。
拧紧力矩的计算公式为:T = K × F,其中T 表示拧紧力矩,K 为拧紧力矩系数,F 为预紧力。
根据不同的表面处理和润滑情况,K 值会有所不同。
例如,表面精加工且有润滑的情况下,K 值为0.10;表面氧化处理的情况下,K 值为0.12;表面镀锌且有润滑的情况下,K 值为0.13。
四、M24 高强度螺栓的受力分析M24 高强度螺栓在受到拉力时,其屈服强度和可承受拉力可以通过公式计算。
以10.9S 级螺栓为例,其屈服强度为940MPa,可承受拉力为:F940 = 3.14 × 20.752 / 4317773N = 317.773kN。
同样,8.8S 级螺栓的屈服强度为660MPa,可承受拉力为:F660 = 3.14 × 20.752 / 4223117.4N = 113.117kN。
五、M24 高强度螺栓的应用场景M24 高强度螺栓广泛应用于各种机械设备的连接和固定,如汽车、船舶、桥梁、建筑等。
高强度螺栓的初拧和终拧时间高强度螺栓广泛应用于建筑、桥梁、机械等领域,其质量直接关系到工程的安全与稳定。
在高强度螺栓施工过程中,初拧和终拧时间是两个关键环节。
本文将对初拧和终拧时间的影响因素、确定方法及实际应用进行探讨,以期为施工人员提供参考。
一、高强度螺栓简介高强度螺栓是一种高强度、高韧性的螺栓,具有较高的抗拉强度和抗剪强度。
高强度螺栓的材料通常为合金钢、碳钢等,表面处理方式有镀锌、发黑等。
高强度螺栓的特点是高强度、高韧性、耐磨损、抗腐蚀性强。
二、初拧时间的影响因素1.螺栓材料:不同材料的螺栓,其初拧时间差异较大。
一般来说,合金钢螺栓的初拧时间较长,碳钢螺栓的初拧时间较短。
2.螺栓规格:螺栓规格越大,初拧时间越长。
3.预紧力:预紧力越大,初拧时间越长。
4.环境温度:环境温度对螺栓的初拧时间有一定影响。
温度越高,螺栓收缩越大,初拧时间相应缩短。
5.螺栓质量:质量较好的螺栓,初拧时间较短。
三、终拧时间的确定方法1.按照设计要求:根据工程设计要求,计算出螺栓的终拧力矩值,从而确定终拧时间。
2.实测法:在施工现场,通过对已拧紧的螺栓进行实测,根据实测数据推算出终拧时间。
3.经验法:根据施工经验,参照类似工程确定终拧时间。
四、初拧和终拧时间的实际应用1.严格按照初拧和终拧时间要求进行施工,确保螺栓质量。
2.初拧和终拧时间要相互配合,避免螺栓长时间处于预紧状态,导致螺栓疲劳损伤。
3.实际施工中,根据具体情况灵活调整初拧和终拧时间,确保工程安全。
五、总结与建议高强度螺栓的初拧和终拧时间是影响螺栓质量的重要因素。
施工过程中,要充分考虑各种影响因素,合理确定初拧和终拧时间,确保工程安全。
高强度螺栓预紧力和拧紧力矩比较分析在钢结构连接中经常使用高强度螺栓。
高强度螺栓连接对于防止松动有良好的可靠性,尤其用于连接动载荷的构件。
在高强度螺栓连接中,预紧力和拧紧力矩是一个很重要的参数。
下面就高强度螺栓的预紧力及拧紧力矩进行探讨,以期得到合理的结果,在今后的设计中应用。
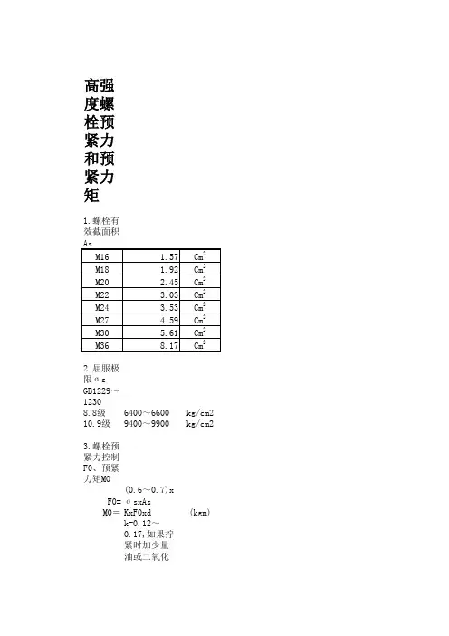
1 预紧力大小的确定高强度螺栓预紧力的大小跟螺栓的材料及其横截面面积有关。
所用材料需要经过调质处理以提高其机械性能,满足使用要求。
国内高强度螺栓的材料一般为45钢、40B钢及40Cr钢。
45钢用作级的螺栓,40B钢及40Cr 钢用作级的螺栓。
预紧力大小由下式计算:P=σb Fi(1-1)式中σb—高强度螺栓材料经热处理后的抗拉强度限,Fi—螺栓的计算面积(按内螺纹直径计算),按下表取。
高强度螺栓的螺纹内径d1和计算面积Fi螺栓公称直径 M16 M18 M20 M22 M24螺纹的内径 (mm)计算面积 (mm2) 149 182 235 2922 拧紧力矩的计算拧紧力矩是为了使螺栓产生预紧力,其大小由预紧力确定。
拧紧力矩由下式计算:M=(kg·m)(2-1)式中 P—高强度螺栓需要的预紧力(t);d—高强度螺栓的公称直径(mm)。
3 下面就国内外高强度螺栓,根据它们的材料的机械性能计算其预紧力和拧紧力矩,并进行比较和分析,从中找到适合我们应用的预紧力和拧紧力矩。
(1)根据《机械设计手册》(机械工业出版社)材料: 45钢,级;40B钢,级抗拉强度限:45钢,850kN/mm2;40B钢,1550kN/mm2。
计算结果如下表所示。
预紧力Fv (kN)及扭紧力矩MA(N·m)(2)根据《起重机设计手册》(辽宁人民出版社)材料:45钢,级;40B钢,级抗拉强度限:45钢,850kN/mm2;40B钢,1550kN/mm2。
计算结果如下:预紧力Fv (kN)及扭紧力矩MA(N·m)(3)根据ISO5049-1:1994材料:40B钢,40Cr螺栓金属材料的屈服极限R2.0p=900N/mm2(级)预紧应力按下式计算:Fσ= R2.0p(3-1)预紧力按下式计算:Fv =F σAs式中 As—螺栓的计算面积(按螺栓内径计算)正常情况下螺栓以Fv =FσAs进行预紧。
1、引言家用电器厂在生产某型产品时,经常出现批头、电批套筒或风批套筒被打断的现象。
原因是一些重要零部件如发热管、R型弹簧等的固定都需要用很大的扭力矩来旋紧螺钉,而批头、电批套筒或风批套筒的极限扭力矩不能达到螺钉拧紧的拧紧力矩要求,致使其超过能够承受的最大拧紧力矩而折断。
但是,螺钉的拧紧力矩到底需要多大?目前尚没有一个确切的或者令人信服的标准来衡量。
那么,有没有办法给定螺钉比较准确的标准值呢?答案是肯定的。
下面以某产品弹性元件固定螺钉PM5×10为例,来计算它的拧紧力矩。
2、螺纹联接的拧紧力矩我们知道,在螺栓联接中,只有适当的预紧力才能保证螺栓可靠联接。
而预紧力则是通过控制施加于螺钉的拧紧力矩或转角来间接实现的。
但是,螺栓轴力与拧紧力矩之间的对应关系严重地受到摩擦条件的影响。
摩擦一方面是螺纹自锁防松的必要条件,另一方面摩擦消耗大量拧紧力矩(能量)从而影响螺栓轴力。
拧紧时,扳手或电批(风批)力矩T用于克服螺纹副的螺纹阻力矩T1及螺母与被联接件(或垫圈)支承面间的端面摩擦力矩T2。
即T= T1+ T2=KF0 d (N·mm)d——螺纹公称直径(mm)F0——预紧力(N)K——拧紧力矩系数(无量纲)其中,K值与螺纹中径、螺纹升角、螺纹当量摩擦系数、螺母与被联接件支承面间的摩擦系数有关。
而这些参数的取值都比较复杂。
要准确地计算出K 值,就要通过针对性的试验,同时测得预紧力和紧固扭矩才能间接获得拧紧力矩系数K值。
一般情况下,在各种条件下的K值,可参考下表中的数据。
盘铝合金基材上,铝合金的硬度较低,摩擦力较大。
故按干燥加工表面无润滑取值,则K值的取值范围是0.26~0.30,取最小值K=0.26。
螺纹联接的预紧力螺纹联接预紧力的大小,要根据螺钉组受力和联接的工作要求决定。
设计时首先要保证所需的预紧力,又不应使联接的结构尺寸过大。
一般规定拧紧后螺纹联接件的预紧力不得大于其材料屈服强度σs的80%。
大六角高强螺栓扭矩系数1.引言1.1 概述随着机械工程的发展和技术的进步,大六角高强螺栓作为一种重要的连接件,在各种工程领域中得到了广泛的应用。
它们具有优良的抗剪、抗拉性能和较高的强度,被广泛用于桥梁、建筑、船舶、工程机械等领域。
在使用大六角高强螺栓进行紧固连接时,扭矩系数作为一种重要的参数,对螺栓的装配和锁紧过程具有重要影响。
具体来说,扭矩系数可以用来表示扭矩对预紧力的影响程度,从而确定螺栓预紧力的大小。
预紧力是指在螺栓连接过程中,通过施加扭矩将螺栓转动,使其产生一定的拉伸力,以实现螺栓的紧固。
而扭矩系数则可以通过实验和计算的方法得出,为准确控制螺栓预紧力提供了理论基础。
本篇文章将深入探讨大六角高强螺栓扭矩系数的定义和意义,并重点介绍大六角高强螺栓的特点。
通过对扭矩系数的研究,我们将能够更好地理解螺栓连接过程中扭矩对预紧力的影响,为工程实践提供准确可靠的螺栓连接方案。
接下来的章节中,我们将详细介绍扭矩系数的定义和意义,并对大六角高强螺栓的特点进行阐述。
最后,我们将总结扭矩系数对大六角高强螺栓的影响,并提出结论,为螺栓连接工程提供指导和参考。
让我们一起深入研究吧!1.2 文章结构文章结构(Article Structure)本文的主要内容将按照以下结构进行展开。
第一部分是引言部分,包括概述、文章结构和目的。
在概述中,将简要介绍大六角高强螺栓扭矩系数的研究背景和重要性。
文章结构部分将详细说明本文的框架和各个部分的内容,以便读者能够清晰地了解全文结构。
目的部分将明确本文的研究目标和意义。
第二部分是正文部分,主要包括扭矩系数的定义和意义,以及大六角高强螺栓的特点。
在扭矩系数的定义和意义部分,将对扭矩系数的概念进行解释,并阐述其在实际应用中的作用和重要性。
在大六角高强螺栓的特点部分,将详细介绍大六角高强螺栓的结构特点、使用范围以及其在工程领域中的应用。
第三部分是结论部分,包括扭矩系数对大六角高强螺栓的影响和结论总结。
螺栓预紧力和拧紧力矩嘿,朋友们,今天我们来聊聊一个大家可能觉得有点复杂的东西——螺栓的预紧力和拧紧力矩。
别担心,我会把它讲得简单明了,就像咱们在街边小摊上喝豆浆一样轻松。
你有没有遇到过那些拧不动的螺丝?真让人火大,像是在和一块顽固的石头较劲。
拧紧螺栓的过程就像给一块拼图找合适的位置,得让它稳稳当当,才能发挥应有的作用。
想象一下,咱们要把两块铁板给紧紧地连在一起,这就得靠那些可爱的螺栓了。
预紧力,就是在拧螺栓的时候,给它施加一个力,让它紧得像我们的手臂一样结实。
你知道,预紧力可不只是随便使劲那么简单,得讲究技巧和方式。
没准你一不小心,就把螺栓给拧断了,那可就惨了,前功尽弃呀。
像老话说的“好事多磨”,可是我们可不想把好事磨成坏事,对吧?拧紧力矩呢?这玩意儿就像是给螺栓施加的“爱心”,得让它恰到好处。
太松了就像是恋爱时总是保持距离,太紧了又像是死缠烂打,结果适得其反。
你瞧,这个力矩其实就像是黄金分割,讲究个平衡。
拧的越紧,力矩越大,螺栓的工作性能就越好。
这就好比你在推一辆车,力量过小根本推动不了,力量过大了又可能车轮打滑,大家都知道的。
于是,找到那个“刚刚好”的力矩就显得至关重要了。
怎么才能知道自己拧的到底够不够呢?这时候就需要借助一些工具了,像扭矩扳手,真是好帮手,聪明得很。
用这个工具,你就可以轻松掌握力矩,不用再像以前那样摸索,简直是科技带来的便利。
就像我们生活中常用的手机,不用再为找路发愁,只要打开地图,轻松导航,一目了然。
选择合适的螺栓也是关键。
就像挑对象,得找对的,才能搭配得好。
不同的材料、尺寸、甚至螺纹类型,都会影响预紧力和力矩的表现。
你要是不仔细,那可就像在打麻将时随意碰牌,最后输得一塌糊涂。
用对了,能让你的工程稳如泰山;用错了,可能就得返工,真是得不偿失。
我忍不住想起一个故事。
曾经有个朋友在修车,想着自己动手省点钱,结果就开始拧螺栓。
起初觉得没问题,越拧越使劲,最后“咔嚓”一声,螺栓居然断了。
风力发电机组高强度螺栓紧固力矩分析摘要:通过分析风力发电机组装配工艺中高强螺栓预紧力和扭矩的关系,从而反算出高强螺栓在实际施工中所需的拧紧力矩以及拧紧力矩的控制方法。
关键词:高强度螺栓摩擦预紧力紧固力矩中图分类号: o313.5 文献标识码: a 文章编号:引言在风力发电机组的装配过程中,构件之间用高强度螺栓连接是使用得最多的连接方式,因其具有结构简单、装拆方便以及在动力荷载作用下不致松动等特点,因此在装配工艺上应用非常广泛。
但是,如果装配不当、紧固力矩控制不好,就容易造成螺栓连接松动、滑丝、断裂失效等情况,影响机组的正常运行,有时甚至造成严重后果。
当螺纹连接副尚未具备保证连接可靠的摩擦力矩时,其自锁能力较差,在机组运行过程中受到振动、冲击等变载荷作用下,螺栓就会松动。
因此,如何保证螺栓连接时的可靠性,一直是风电机组装配工作所关注的问题。
我们知道,螺纹连接副的摩擦力矩是在对螺栓施加拧紧力矩,使螺纹副产生预紧力而获得的。
因此要确保连接可靠,则必须保证对螺栓施加合适的拧紧力矩,进而在螺纹副中产生合适的预紧力,使自锁能力达到最佳状态。
在风力发电机组的装配工艺上,关键部位和承载部位均使用的是高强度螺栓,因此控制高强度螺栓的拧紧力矩是防止螺栓松动的关键之一。
1、高强度螺栓的选用由于风力发电机组在运行过程中,构件之间受到很大的振动、冲击等变载荷作用,构件间的夹紧力是依靠对螺栓施加预紧力来实现的,所以螺栓必须采用高强度钢制造,这也是风电机组选用高强度螺栓连接的原因。
而高强螺栓除了其材料强度很高之外,在施加拧紧力矩后,螺栓产生巨大而又受控制的预拉力,而这个预拉力通过螺帽和垫片,对被连接件也产生了同样大小的预压力。
在预压力作用下,沿被连接件表面就会产生较大的摩擦力,只要轴力小于此摩擦力,构件就不会滑移,连接就不会受到破坏。
一般情况下,风力发电机组上使用的高强螺栓为10.9级居多。
2、高强度螺栓连接的工作性能根据螺栓受力特点,高强度螺栓连接分为摩擦型连接和承压型连接两种,两者的本质区别是极限状态不同。
常用高强度螺栓预紧力和拧紧扭矩(参考)预紧力Fv(kN)及扭紧力矩MA(N·m)计算方式决定施工高强度螺栓扭矩:Ma=1.1 k Pv d式中: k---扭矩系数,此数据由高强度螺栓制造商提供或在安装前实验得到。
通常k=0.11-0.15,详细数据见供货商的质量报告。
Pv---高强度螺栓预拉力, [kN];d---高强度螺栓直径,mm。
如何确定机螺丝的紧固力矩关于如何紧固螺栓和螺母的文章已经有很多,但如何恰当地紧固机螺丝(Machine Screws)的文章较少。
与如何确保螺栓和螺母的安全连接一样,在紧固机螺丝时,恰当地选择合适的拧紧力矩十分重要。
恰当的、安全的连接直接关系到装配后产品的质量好坏。
因此在紧固机螺丝时,我们应该计算一下合理的拧紧力矩。
紧固机螺丝的这些力矩与紧固螺栓、螺母的力矩相比起来要小得多。
1、机螺丝拧紧力矩的计算常用的计算螺纹紧固件拧紧力矩的公式为:T=D×K×P其中:T:力矩(牛顿?米/英寸?磅1Nm=9 in.1b)D:螺纹的外径(1mm=0.03937 in)K:螺母的摩擦系数(光杆螺栓 K=0.20 镀锌螺栓 K=0.22 上蜡或带润滑螺栓 K=0.10)P:夹紧力(一般是屈服点抗拉强度值的75%)1.1米制机螺丝米制机螺丝(Metric Machine Screws)有不同的强度等级,每个等级都有相应合适的拧紧力矩。
在ISO国际标准中来制机螺丝(Metric Machine Screws)有两个主要的强度等级:4.8级(类似SAE 60M)和8.8级(类似SAE 120M)。
强度等级4.8表示最小的抗拉强度是480MPa,这约等于每英寸70,000磅(即70,000 Psi)。
强度等级8.8表示最小的抗拉强度是880MPa,约等于每英寸127,000磅(127,000Psi)。
米制电镀锌机螺丝拧紧力矩见表1。
1.2 英制机螺丝对于英制机螺丝(Inch Machine Screws)也有不同的强度等级,每个等级都有相应合适的拧紧力矩。
1、引言家用电器厂在生产某型产品时,经常出现批头、电批套筒或风批套筒被打断的现象。
原因是一些重要零部件如发热管、R型弹簧等的固定都需要用很大的扭力矩来旋紧螺钉,而批头、电批套筒或风批套筒的极限扭力矩不能达到螺钉拧紧的拧紧力矩要求,致使其超过能够承受的最大拧紧力矩而折断。
但是,螺钉的拧紧力矩到底需要多大?目前尚没有一个确切的或者令人信服的标准来衡量。
那么,有没有办法给定螺钉比较准确的标准值呢?答案是肯定的。
下面以某产品弹性元件固定螺钉PM5×10为例,来计算它的拧紧力矩。
2、螺纹联接的拧紧力矩我们知道,在螺栓联接中,只有适当的预紧力才能保证螺栓可靠联接。
而预紧力则是通过控制施加于螺钉的拧紧力矩或转角来间接实现的。
但是,螺栓轴力与拧紧力矩之间的对应关系严重地受到摩擦条件的影响。
摩擦一方面是螺纹自锁防松的必要条件,另一方面摩擦消耗大量拧紧力矩(能量)从而影响螺栓轴力。
拧紧时,扳手或电批(风批)力矩T用于克服螺纹副的螺纹阻力矩T1及螺母与被联接件(或垫圈)支承面间的端面摩擦力矩T2。
即T= T1+ T2=KF0 d (N·mm)d——螺纹公称直径(mm)F0——预紧力(N)K——拧紧力矩系数(无量纲)其中,K值与螺纹中径、螺纹升角、螺纹当量摩擦系数、螺母与被联接件支承面间的摩擦系数有关。
而这些参数的取值都比较复杂。
要准确地计算出K值,就要通过针对性的试验,同时测得预紧力和紧固扭矩才能间接获得拧紧力矩系数K值。
一般情况下,在各种条件下的K值,可参考下表中的数据。
本例中,因为没有具体的实验参数,K按上表取值。
由于螺钉拧紧在发热盘铝合金基材上,铝合金的硬度较低,摩擦力较大。
故按干燥加工表面无润滑取值,则K值的取值范围是0.26~0.30,取最小值K=0.26。
螺纹联接的预紧力螺纹联接预紧力的大小,要根据螺钉组受力和联接的工作要求决定。
设计时首先要保证所需的预紧力,又不应使联接的结构尺寸过大。
常用高强度螺栓预紧力和拧紧扭矩(参考)预紧力Fv(kN)及扭紧力矩MA(N·m)计算方式决定施工高强度螺栓扭矩:Ma=1.1 k Pv d式中: k---扭矩系数,此数据由高强度螺栓制造商提供或在安装前实验得到。
通常k=0.11-0.15,详细数据见供货商的质量报告。
Pv---高强度螺栓预拉力, [kN];d---高强度螺栓直径,mm。
如何确定机螺丝的紧固力矩关于如何紧固螺栓和螺母的文章已经有很多,但如何恰当地紧固机螺丝(Machine Screws)的文章较少。
与如何确保螺栓和螺母的安全连接一样,在紧固机螺丝时,恰当地选择合适的拧紧力矩十分重要。
恰当的、安全的连接直接关系到装配后产品的质量好坏。
因此在紧固机螺丝时,我们应该计算一下合理的拧紧力矩。
紧固机螺丝的这些力矩与紧固螺栓、螺母的力矩相比起来要小得多。
1、机螺丝拧紧力矩的计算常用的计算螺纹紧固件拧紧力矩的公式为:T=D×K×P其中:T:力矩(牛顿?米/英寸?磅1Nm=9 in.1b)D:螺纹的外径(1mm=0.03937 in)K:螺母的摩擦系数(光杆螺栓 K=0.20 镀锌螺栓 K=0.22 上蜡或带润滑螺栓 K=0.10)P:夹紧力(一般是屈服点抗拉强度值的75%)1.1米制机螺丝米制机螺丝(Metric Machine Screws)有不同的强度等级,每个等级都有相应合适的拧紧力矩。
在ISO国际标准中来制机螺丝(Metric Machine Screws)有两个主要的强度等级:4.8级(类似SAE 60M)和8.8级(类似SAE 120M)。
强度等级4.8表示最小的抗拉强度是480MPa,这约等于每英寸70,000磅(即70,000 Psi)。
强度等级8.8表示最小的抗拉强度是880MPa,约等于每英寸127,000磅(127,000Psi)。
米制电镀锌机螺丝拧紧力矩见表1。
1.2 英制机螺丝对于英制机螺丝(Inch Machine Screws)也有不同的强度等级,每个等级都有相应合适的拧紧力矩。
1、引言家用电器厂在生产某型产品时,经常出现批头、电批套筒或风批套筒被打断的现象。
原因是一些重要零部件如发热管、R型弹簧等的固定都需要用很大的扭力矩来旋紧螺钉,而批头、电批套筒或风批套筒的极限扭力矩不能达到螺钉拧紧的拧紧力矩要求,致使其超过能够承受的最大拧紧力矩而折断。
但是,螺钉的拧紧力矩到底需要多大?目前尚没有一个确切的或者令人信服的标准来衡量。
那么,有没有办法给定螺钉比较准确的标准值呢?答案是肯定的。
下面以某产品弹性元件固定螺钉PM5×10为例,来计算它的拧紧力矩。
2、螺纹联接的拧紧力矩我们知道,在螺栓联接中,只有适当的预紧力才能保证螺栓可靠联接。
而预紧力则是通过控制施加于螺钉的拧紧力矩或转角来间接实现的。
但是,螺栓轴力与拧紧力矩之间的对应关系严重地受到摩擦条件的影响。
摩擦一方面是螺纹自锁防松的必要条件,另一方面摩擦消耗大量拧紧力矩(能量)从而影响螺栓轴力。
拧紧时,扳手或电批(风批)力矩T用于克服螺纹副的螺纹阻力矩T1及螺母与被联接件(或垫圈)支承面间的端面摩擦力矩T2。
即T= T1+ T2=KF0 d (N·mm)d——螺纹公称直径(mm)F0——预紧力(N)K——拧紧力矩系数(无量纲)其中,K值与螺纹中径、螺纹升角、螺纹当量摩擦系数、螺母与被联接件支承面间的摩擦系数有关。
而这些参数的取值都比较复杂。
要准确地计算出K值,就要通过针对性的试验,同时测得预紧力和紧固扭矩才能间接获得拧紧力矩系数K值。
一般情况下,在各种条件下的K值,可参考下表中的数据。
本例中,因为没有具体的实验参数,K按上表取值。
由于螺钉拧紧在发热盘铝合金基材上,铝合金的硬度较低,摩擦力较大。
故按干燥加工表面无润滑取值,则K值的取值范围是0.26~0.30,取最小值K=0.26。
螺纹联接的预紧力螺纹联接预紧力的大小,要根据螺钉组受力和联接的工作要求决定。
设计时首先要保证所需的预紧力,又不应使联接的结构尺寸过大。
1、引言家用电器厂在生产某型产品时,经常出现批头、电批套筒或风批套筒被打断的现象。
原因是一些重要零部件如发热管、R型弹簧等的固定都需要用很大的扭力矩来旋紧螺钉,而批头、电批套筒或风批套筒的极限扭力矩不能达到螺钉拧紧的拧紧力矩要求,致使其超过能够承受的最大拧紧力矩而折断。
但是,螺钉的拧紧力矩到底需要多大?目前尚没有一个确切的或者令人信服的标准来衡量。
那么,有没有办法给定螺钉比较准确的标准值呢?答案是肯定的。
下面以某产品弹性元件固定螺钉PM5×10为例,来计算它的拧紧力矩。
2、螺纹联接的拧紧力矩我们知道,在螺栓联接中,只有适当的预紧力才能保证螺栓可靠联接。
而预紧力则是通过控制施加于螺钉的拧紧力矩或转角来间接实现的。
但是,螺栓轴力与拧紧力矩之间的对应关系严重地受到摩擦条件的影响。
摩擦一方面是螺纹自锁防松的必要条件,另一方面摩擦消耗大量拧紧力矩(能量)从而影响螺栓轴力。
拧紧时,扳手或电批(风批)力矩T用于克服螺纹副的螺纹阻力矩T1及螺母与被联接件(或垫圈)支承面间的端面摩擦力矩T2。
即T= T1+ T2=KF0 d (N·mm)d——螺纹公称直径(mm)F0——预紧力(N)K——拧紧力矩系数(无量纲)其中,K值与螺纹中径、螺纹升角、螺纹当量摩擦系数、螺母与被联接件支承面间的摩擦系数有关。
而这些参数的取值都比较复杂。
要准确地计算出K 值,就要通过针对性的试验,同时测得预紧力和紧固扭矩才能间接获得拧紧力矩系数K值。
一般情况下,在各种条件下的K值,可参考下表中的数据。
本例中,因为没有具体的实验参数,K按上表取值。
由于螺钉拧紧在发热盘铝合金基材上,铝合金的硬度较低,摩擦力较大。
故按干燥加工表面无润滑取值,则K值的取值范围是0.26~0.30,取最小值K=0.26。
螺纹联接的预紧力螺纹联接预紧力的大小,要根据螺钉组受力和联接的工作要求决定。
设计时首先要保证所需的预紧力,又不应使联接的结构尺寸过大。
高强度螺栓预紧力和拧紧力矩比较分析
在钢结构连接中经常使用高强度螺栓。
高强度螺栓连接对于防止松动有良好的可靠性,尤其用于连接动载荷的构件。
在高强度螺栓连接中,预紧力和拧紧力矩是一个很重要的参数。
下面就高强度螺栓的预紧力及拧紧力矩进行探讨,以期得到合理的结果,在今后的设计中应用。
1 预紧力大小的确定
高强度螺栓预紧力的大小跟螺栓的材料及其横截面面积有关。
所用材料需要经过调质处理以提高其机械性能,满足使用要求。
国内高强度螺栓的材料一般为45钢、40B钢及40Cr钢。
45钢用作级的螺栓,40B钢及40Cr 钢用作级的螺栓。
预紧力大小由下式计算:
P=σ
b F
i
(1-1)
式中σ
b
—高强度螺栓材料经热处理后的抗拉强度限,
F
i
—螺栓的计算面积(按内螺纹直径计算),按下表取。
高强度螺栓的螺纹内径d
1和计算面积F
i
螺栓公称直径M16 M18 M20 M22 M24
螺纹的内径(mm)
计算面积(mm2)149 182 235 292
2 拧紧力矩的计算
拧紧力矩是为了使螺栓产生预紧力,其大小由预紧力确定。
拧紧力矩由下式计算:
M
=(kg·m)(2-1)
式中 P —高强度螺栓需要的预紧力(t ); d —高强度螺栓的公称直径(mm )。
3 下面就国内外高强度螺栓,根据它们的材料的机械性能计算其预紧力和拧紧力矩,并进行比较和分析,从中找到适合我们应用的预紧力和拧紧力矩。
(1) 根据《机械设计手册》(机械工业出版社) 材料: 45钢,级;40B 钢,级
抗拉强度限:45钢,850kN/mm 2;40B 钢,1550kN/mm 2。
计算结果如下表所示。
预紧力F v (kN)及扭紧力矩M A (N·m)
(2) 根据《起重机设计手册》(辽宁人民出版社)
材料:45钢,级;40B 钢,级
抗拉强度限:45钢,850kN/mm 2;40B 钢,1550kN/mm 2。
计算结果如下:
预紧力F v (kN)及扭紧力矩M A (N·m)
(3) 根据ISO5049-1:1994
材料:40B 钢,40Cr
螺栓金属材料的屈服极限R 2.0p =900N/mm 2(级)
预紧应力按下式计算:
F σ = R 2.0p (3-1) 预紧力按下式计算:
F v =F σA s
式中 A s —螺栓的计算面积(按螺栓内径计算) 正常情况下螺栓以F v =F σA s 进行预紧。
允许附加力N a 按下式计算:
N a =
φ
⨯⨯a s
p v A R 2.012.0 (3-2)
式中 R 2.0p —螺栓金属材料的屈服极限
v a —为不同载荷情况时的安全系数(v a 1=, v a 2=, v a 2=) φ—依据比值l g /d 基础上的延伸系数(l g —螺栓的紧固长度,d —螺栓的直径)
延伸系数φ
l g 紧固长度
A s —螺栓的计算面积(按螺栓内径计算) 计算结果如下:
预紧力F v (kN)及扭紧力矩M A (N·m)
(4) 根据《散货连续装卸机械设计规范》欧洲机械联合会 材料: 40B 钢,40Cr
金属材料的屈服极限σE ()=900 N/mm 2(级) 计算结果如下:
预紧力F v (kN)及扭紧力矩M A (N·m)
(5)根据ISO5049/1-1980
材料:40B钢,40Cr
材料的屈服极限:R
2.0
p
=900N/mm2(级)
R
2.0
p
—金属材料的屈服极限预紧应力按下式计算:
F
σ=2.0p(3-3)预紧力按下式计算:
F
v =
F σA
s
式中A
s
—螺栓的计算面积(按螺栓内径计算)
允许附加力N
a
按下式计算:
N
a =
φ
⨯
⨯
a
s
p
v
A
R
2.0
12
.0
(3-4)
式中R
2.0
p
—螺栓金属材料的屈服极限
v
a —不同载荷情况时载荷的安全系数(v
a
1=, v
a
2=, v
a
2=)
φ—比值l
g /d的基础上的安全系数(l
g
为螺栓的紧固长度,d
为螺栓直径)
延伸系数φ
l
g
紧固长度
预紧力F
v (kN)及扭紧力矩M
A
(N·m)
螺栓金属材料的屈服极限:σ
E
()=900 N/mm2(级))通过对以上行业标准的对比分析,根据计算的数据的比较,从中可以找到一些规律和高强度螺栓的预紧力和拧紧力矩的较为合理的数据。
对于高强度螺栓连接,拧紧力矩是由预紧力确定的,而预紧力跟螺栓的金属材料有关,即跟螺栓材料的机械性能有密切关系,特别是跟材料的屈服极限σs和抗拉强度σb有密切关系。
由前面的计算公式即可看出。
高强度螺栓的材料一般选用优质碳素结构钢和低、中碳合金钢,调质处理。