机动车综合性能检测站申请表(附表2)
- 格式:doc
- 大小:213.00 KB
- 文档页数:12
表1:实验室资质认定(机动车安检机构)申请书实验室名称(盖章):主管部门名称(盖章):申请日期:2015年5月15日国家认证认可监督管理委员会编制填表须知1.用墨笔填写或计算机打印,字迹要清楚。
2.填写页数不够时可用A4纸附页,但须连同正页编为第页,共页。
3.“主管部门”是指实验室的行业、行政主管部门(若无行业行政主管部门的此项不填)。
4.本《申请书》所选“□”划“√”5.本《申请书》须经实验室法定代表人或被授权人签名有效。
6.本《申请书》适用与首次、复查和扩项评审的申请。
1.实验室概况1.1 实验室名称:公司地址:实验室地址:邮编:传真:E-mail:法定代表人:职务:固话:手机:联络人:职务:传真:手机:1.2 所属法人单位名称(若实验室是法人单位的此项不填):地址:邮编:传真:E-mail负责人:职务::1.3 主管部门名称(若无主管部门的此项不填):地址:邮编:传真:E-mail负责人:职务::1.4 实验室设施特点:固定临时□可移动□多场所□1.5 法人类别1.5.1独立法人实验室社团法人□事业法人□企业法人其他□1.5.2实验室所属法人(非独立法人实验室填此项)社团法人□事业法人□企业法人□其他□2.申请类型及证书状况2.1计量认证首次扩项□复查□其他□2.2 获取证书情况:3.申请资质认定的专业类别:汽车安全性能检测4.实验室资源:4.1实验室总人数:37 名高级专业技术职称 1 名,占 3 %;中级专业技术职称 1 名,占 3 %;初级专业技术职称0 名,占0 %;其他35 名,占94 %4.2实验室资产情况:固定资产原值:2100 万元;仪器设备总数:29 台(套)产权状况:自有□% 租用 100 % 合资□%4.3实验室总面积20010 m2检测室面积:4800 m2温恒面积:0 m2户外检验场地面积:1000 m24.4多场所名称地点(适用时):5.附表:附表1:申请资质认定检测能力表。
机动车综合性能检测站基本情况
核查说明:各经营业户填写本表时,需同时向道路运输管理部门提供以下相关材料:
1.原经营许可证正、副本;
2.企业营业执照复印件一份;
3.企业税务登记证复印件一份;
4.法定代表人身份(职务)证明复印件一份
机动车综合性能检测站人员情况表
注:人员应包含站长、技术负责人、质量负责人、计算机控制网络系统管理员、检测员、引车员,以及仪器、设备(维护)管理员、文件资料档案管理员。
以上人员条件应达到GB/T17993-2005的要求。
表格不够可另附。
机动车综合性能检测站人员情况表
注:人员应包含站长、技术负责人、质量负责人、计算机控制网络系统管理员、检测员、引车员,以及仪器、设备(维护)管理员、文件资料档案管理
员。
以上人员条件应达到GB/T17993-2005的要求。
表格不够可另附。
机动车综合性能检测站检测设备表
注:如有其它设备可填于空白处。
机动车综合性能检测站检测设备表
注:如有其它设备可填于空白处。
机动车综合性能检测站检测仪具表
注:如有其它设备可填于空白处。
机动车综合性能检测站检测仪具表
注:如有其它设备可填于空白处。
附件1:机动车综合性能检测站调查表填报单位(盖章):填报人:填报时间:年月日附件2:机动车综合性能检测站统计表填报单位(盖章):填报人:填报时间:年月日附件3:机动车维修市场管理调查表填报单位(盖章):填表说明:企业管理人员包括机动车维修企业经理人及行政管理人员;技术管理人员包括维修技术负责人、质量检验人员;技术人员包括机修、电器、钣金、涂漆、车辆技术评估(含检测)作业的人员。
填报人:填报时间:附件4:汽车维修业汽车配件现状调查(汽车用户调查表)注:在○上用“√”标注您的选项,在()或上填写相关信息。
附件5:汽车维修业汽车配件现状调查(汽车维修企业调查)附件6:道路运输车辆技术管理调查表填报单位(盖章):填表人:填报日期:年月日附件7:“道路运输车辆技术管理”社会调查问卷您好:欢迎和感谢您的参与!本次调查活动是交通运输部开展的“新时期道路运输发展大调研活动”的重要组成部分。
您的意见和建议将为交通运输管理部门了解车辆技术及维修行业管理现状,找准行业发展中的突出问题和矛盾,梳理管理理念和工作重点,准确制定行业发展的整体思路和政策措施提供十分有益的参考。
1、您所在的城市?2、您所从事的职业?A、道路运输业户B、维修企业从业人员C、道路运输行业管理人员D、其它3、您对车辆技术管理的内容是否了解?A、了解B、不了解4、您是通过何种途径了解车辆技术管理规定的?A、行业管理部门宣传B、同行朋友介绍C、自己主动咨询D、不了解5、您认为现行的车辆技术管理措施对于保障营运车辆技术安全是否有积极意义?A、有B、无C、不了解6、您认为技术等级评定的合理周期是多少?A、半年一次B、一年一次C、不了解7、您认为二级维护的合理周期(里程)是多少?A、三个月一次B、半年一次C、13000公里一次D、15000公里一次E、不了解8、您是否主动遵守车辆技术管理规定?A、主动遵守B、被动遵守C、不遵守D、不了解9、您对车辆技术管理部门的工作是否满意?A、满意B、不满意C、不了解10、您对当地机动车维修行业管理现状有何看法?A、管理规范,有序发展B、管理混乱,问题较多C、存在问题,情况一般 D、不了解11、您认为维修企业行政许可条件设置是否合理?A、合理B、不合理C、部分不合理D、不了解12、您是否把维修企业质量信誉等级作为自己选择维修厂家的参考依据?A、是B、否C、不了解13、您是否希望本地建立完善的汽车救援网络?A、是B、否C、无所谓D、不了解14、您更愿意到何种类型的维修企业维修车辆?A、4S店B、普通修理厂C、快修连锁店D、路边店15、在维修车辆时,您认为维修企业诊断,作业项目及收费是否可信?A、可信B、不可信C、不了解16、您所在地维修企业是否严格执行竣工检验制度、质量保证期制度、出厂合格证制度等制度?A、是B、否C、部分是D、不了解17、当地维修行业管理部门是否建立有效的投诉受理机制?A、有B、无C、不了解18、您对车辆技术和机动车维修市场管理有何建议?附件8:“机动车维修市场管理”维修企业调查问卷一、选择部分(请在相应选项打“√”)1、维修企业所在地市 . 企业属于什么性质?A、特约维修(4S店)B、综合型维修厂C、其它2、维修企业所属分类?A、一类B、二类C、三类D、其它3、当地维修企业构成是否合理?A、合理B、基本合理C、不合理4、对维修行业管理部门监管水平、服务水平、工作效率是否满意?A、满意B、基本满意C、不满意5、对当地维修行业经营秩序是否满意?A、满意B、基本满意C、不满意6、行政许可条件设置是否合理?A、合理B、基本合理C、不合理7、对维修企业质量信誉考核制度是否满意?A、满意B、基本满意C、不满意8、是否严格执行竣工检验制度?A、是B、否9、是否严格执行质量保证期制度、出厂合格证制度等制度?A、是B、否10、是否愿意加入维修救援网?为什么?A、是B、否原因分析:11、您认为现在消费者的消费理念是否成熟?A、是B、否12、您是否愿意加强信息化建设?A、是B、否13、您是否愿意增加维修服务品牌建设投入?A、是B、否14、您对本企业从业人员素质是否满意?对从业人员素质教育有何建议?A、是B、否建议:15、您对行业管理部门开展维修质量纠纷调解工作是否满意?A、是B、否16、作为企业管理者,近期您是否有发展快修连锁的计划?A、有计划B、没计划二、问题部分(请简要做答)17、您认为企业发展面临的政策性困难有哪些?18、您对机动车维修开业条件有何看法?有何建议?19、您对汽车维修配件管理有何建议?20、您对打击机动车维修非法经营有何建议?21、您认汽车下乡以及旧车换新补贴政策对汽车维修行业发展有何积极作用?22、您认为机动车维修市场存在的主要问题是什么?对促进机动车维修行业健康发展有何建议?(注:文件素材和资料部分来自网络,供参考。
检验检测能力申请表
〔计量认证□,计量认证+
+依法授权□〕
检验地址:临沂市兰山区汪沟镇政府驻地共7页
检验检测能力申请表
〔计量认证□,计量认证++依法授权□〕
检验地址:临沂市兰山区汪沟镇政府驻地 共7页
检验检测能力申请表
〔计量认证□√〕
检验地址:临沂市兰山区汪沟镇政府驻地共7
检验检测能力申请表
〔计量认证□√〕
检验地址:临沂市兰山区汪沟镇政府驻地共7页第4
检验检测能力申请表
〔计量认证□√〕3号环保线
检验地址:临沂市兰山区汪沟镇政府驻地共7页第5页
检验检测能力申请表
+审查验收□,计量认证+依法授权□〕
检验检测能力申请表
+审查验收□,计量认证+依法授权□〕。
一、项目建设的必要性近年来,随着我市机动车保有量及驾驶员的大幅增加,至08年底,全市机动车保有量116533辆,机动车驾驶员104536人,根据《全省公安机关服务经济转型升级帮扶企业方便群众二十五项措施》(浙公发〔2008〕13号)第八项措施中规定:在汽车保有量1万辆以上的县设立汽车检测线,方便群众就近检测。
目前我市无汽车检测线,所有车辆都只能到嘉兴检测,同时,随着我市摩托车的增加,我市摩托车检测站也远远不能满足现在的检测需要,为方便群众办事,新建机动车检测站是十分必要的。
二、建设规模及内容项目总建筑面积9512平方米,建设内容包括:机动车检测站用房、业务用房及附属用房等。
三、项目选址和建设用地项目选址于新华南路西侧,曹兑路南侧、梅园路东侧地块,项目占地16.6亩。
四、投资估算和资金来源项目投资估算总额为3671万元。
所需资金来源:原有资产置换及财政拨款。
请据此编制可行性研究报告报批。
虞发改投〔2011〕92号上虞市汽车综合性能检测站:你站《关于要求批复上虞市机动车尾气检测系统建设项目建议书(兼可行性研究报告)报告》及相关资料收悉。
经研究,原则同意该项目建议书内容,现将主要内容批复如下:一、项目建设必要性:检测机动车尾气既是省、绍兴市提出的工作要求,也是完成“十二五”减排任务的实际需要,因此,建设我市机动车尾气检测系统是十分必要的。
二、建设规模及主要建设内容:新建轻钢结构检测车间286平方米米,新建停车棚附行车员室属用房468平方米,改建扩充全自动电脑联网机动车尾气检测线六条,其中3.5吨及以下汽车简易瞬态工况法(VMAS)汽车排放检测线二条、VMAS和柴油车不透光混和检测排放检测线二条、3.5吨以上汽车双怠速法排放检测线一条、3.5吨以上汽车不透光及滤纸烟度检测线一条。
三、项目总投资估算为310万元,建设资金由你站自筹解决。
请据此抓紧编制项目初步设计送审。
上虞市发展和改革局二〇一一年六月一日本公司产品已通过上海通用、一汽丰田、一汽马自达严格采购审核,成为上述公司4S店全国指定供应商,并为东本、日产、现代等多家汽车生产企业4S店选配检测线设备。
附件1:机动车综合性能检测站调查表填报单位(盖章):填报人:填报时间:年月日附件2:机动车综合性能检测站统计表填报单位(盖章):填报人:填报时间:年月日附件3:机动车维修市场管理调查表填报单位(盖章):填表说明:企业管理人员包括机动车维修企业经理人及行政管理人员;技术管理人员包括维修技术负责人、质量检验人员;技术人员包括机修、电器、钣金、涂漆、车辆技术评估(含检测)作业的人员。
填报人:填报时间:附件4:汽车维修业汽车配件现状调查(汽车用户调查表)注:在○上用“√”标注您的选项,在()或上填写相关信息。
附件5:汽车维修业汽车配件现状调查(汽车维修企业调查)附件6:道路运输车辆技术管理调查表填报单位(盖章):填表人:填报日期:年月日附件7:“道路运输车辆技术管理”社会调查问卷您好:欢迎和感谢您的参与!本次调查活动是交通运输部开展的“新时期道路运输发展大调研活动”的重要组成部分。
您的意见和建议将为交通运输管理部门了解车辆技术及维修行业管理现状,找准行业发展中的突出问题和矛盾,梳理管理理念和工作重点,准确制定行业发展的整体思路和政策措施提供十分有益的参考。
1、您所在的城市?2、您所从事的职业?A、道路运输业户B、维修企业从业人员C、道路运输行业管理人员D、其它3、您对车辆技术管理的内容是否了解?A、了解B、不了解4、您是通过何种途径了解车辆技术管理规定的?A、行业管理部门宣传B、同行朋友介绍C、自己主动咨询D、不了解5、您认为现行的车辆技术管理措施对于保障营运车辆技术安全是否有积极意义?A、有B、无C、不了解6、您认为技术等级评定的合理周期是多少?A、半年一次B、一年一次C、不了解7、您认为二级维护的合理周期(里程)是多少?A、三个月一次B、半年一次C、13000公里一次D、15000公里一次E、不了解8、您是否主动遵守车辆技术管理规定?A、主动遵守B、被动遵守C、不遵守D、不了解9、您对车辆技术管理部门的工作是否满意?A、满意B、不满意C、不了解10、您对当地机动车维修行业管理现状有何看法?A、管理规范,有序发展B、管理混乱,问题较多C、存在问题,情况一般 D、不了解11、您认为维修企业行政许可条件设置是否合理?A、合理B、不合理C、部分不合理D、不了解12、您是否把维修企业质量信誉等级作为自己选择维修厂家的参考依据?A、是B、否C、不了解13、您是否希望本地建立完善的汽车救援网络?A、是B、否C、无所谓D、不了解14、您更愿意到何种类型的维修企业维修车辆?A、4S店B、普通修理厂C、快修连锁店D、路边店15、在维修车辆时,您认为维修企业诊断,作业项目及收费是否可信?A、可信B、不可信C、不了解16、您所在地维修企业是否严格执行竣工检验制度、质量保证期制度、出厂合格证制度等制度?A、是B、否C、部分是D、不了解17、当地维修行业管理部门是否建立有效的投诉受理机制?A、有B、无C、不了解18、您对车辆技术和机动车维修市场管理有何建议?附件8:“机动车维修市场管理”维修企业调查问卷一、选择部分(请在相应选项打“√”)1、维修企业所在地市 . 企业属于什么性质?A、特约维修(4S店)B、综合型维修厂C、其它2、维修企业所属分类?A、一类B、二类C、三类D、其它3、当地维修企业构成是否合理?A、合理B、基本合理C、不合理4、对维修行业管理部门监管水平、服务水平、工作效率是否满意?A、满意B、基本满意C、不满意5、对当地维修行业经营秩序是否满意?A、满意B、基本满意C、不满意6、行政许可条件设置是否合理?A、合理B、基本合理C、不合理7、对维修企业质量信誉考核制度是否满意?A、满意B、基本满意C、不满意8、是否严格执行竣工检验制度?A、是B、否9、是否严格执行质量保证期制度、出厂合格证制度等制度?A、是B、否10、是否愿意加入维修救援网?为什么?A、是B、否原因分析:11、您认为现在消费者的消费理念是否成熟?A、是B、否12、您是否愿意加强信息化建设?A、是B、否13、您是否愿意增加维修服务品牌建设投入?A、是B、否14、您对本企业从业人员素质是否满意?对从业人员素质教育有何建议?A、是B、否建议:15、您对行业管理部门开展维修质量纠纷调解工作是否满意?A、是B、否16、作为企业管理者,近期您是否有发展快修连锁的计划?A、有计划B、没计划二、问题部分(请简要做答)17、您认为企业发展面临的政策性困难有哪些?18、您对机动车维修开业条件有何看法?有何建议?19、您对汽车维修配件管理有何建议?20、您对打击机动车维修非法经营有何建议?21、您认汽车下乡以及旧车换新补贴政策对汽车维修行业发展有何积极作用?22、您认为机动车维修市场存在的主要问题是什么?对促进机动车维修行业健康发展有何建议?(注:文件素材和资料部分来自网络,供参考。
综合性能检测申请书范本尊敬的检测站:我司(以下简称“申请人”)拟申请在贵站进行综合性能检测。
为确保我司车辆符合国家相关法规和标准,保障车辆安全、环保和节能,特此向贵站提出申请。
一、申请人基本情况申请人名称:×××(公司名称)统一社会信用代码:××××××××××××××注册地址:×××(详细地址)联系人:×××联系电话:××××××××××××电子邮箱:××××××××××××通讯地址:×××(详细地址)二、被检测车辆基本情况车辆品牌:×××(品牌)车辆型号:×××(型号)车辆识别代码(VIN):××××××××××××××车辆注册日期:××××年××月××日车辆使用性质:×××(使用性质,如营运、非营运等)车辆所有人:×××(所有人名称或姓名)三、检测项目根据国家相关法规和标准,申请人拟对被检测车辆进行以下项目检测:1. 安全技术检验:包括制动、灯光、转向、轮胎、车身结构等项目的检验。
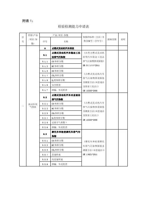
注:①“检验检测能力”应依据国家.行业、地方、团体.国际标准。
依据其他标准或方法的.应在“说明”中注明:
②以产品标准巾请检验检测能力的.对干不具备检验检测能力的参数.应在“限制范悯”中注明:只能检
验检测“产品标准”的非主要参数的,不得以产品标准申请:
③不含检验检测方法的各类产品标准、限值标准可不列入资质认定的能力范隔.但在出具检验检测报告或证书时可作为判定依据直接使用:
④多实验场所的检验检测机构,应按不同实验场所分别填写木表;
⑤木表对“家用电器”的填写仅为“示例二检验检测机构可不受木“示例”限制,依据自身行业特点填写。
示例:“家用电器S以汉字数字(一、二、三…)为序,设立通栏填写检验检测大类:以阿拉伯数字(1.
2、3…)为序,填写类别(产品/参数/项目):以次级阿拉伯数字(1.1. 1.2. 1.3-)为序, 填写产品/参数/项目的名称:
⑥可使用xls文件格式制作。
机动车综合性能检测站备案办事指南一、适用范围本办事指南适用于机动车综合性能检测站备案的申请与办理。
二、事项名称机动车综合性能检测站备案分项名称:1.机动车综合性能检测站备案、经营地址变更2.机动车综合性能检测站单位名称、法定代表人、注册地址、经济性质变更3.机动车综合性能检测站备案证换证、补证4.机动车综合性能检测站歇业三、办理依据1.《上海市道路运输管理条例》第六条第六条从事机动车综合性能检测的,应当在取得营业执照后十五日内,向运输管理处或者所在地的区县道路运输管理机构备案。
2.《汽车综合性能检测站能力的通用条件》四、办理机构(一)办理机构名称及权限1.主体名称:上海市城市交通运输管理处;区(县)道路运输管理机构。
2.权限:市运管处负责黄浦、徐汇、长宁、静安、普陀、闸北、虹口、杨浦等区的汽车综合性能检测站备案。
浦东新区以及闵行、宝山、嘉定、金山、松江、奉贤、青浦、崇明等区(县)运输管理署(所)负责本行政区域内的汽车综合性能检测站备案。
(二)办理内容机动车综合性能检测站备案。
(三)法律效力获得机动车综合性能检测站备案的,可以从事机动车综合性能检测业务。
(四)办理对象从事机动车综合性能检测业务的企业。
五、办理条件(一)机动车综合性能检测站备案、经营地址变更的条件:一、管理要求无审核数量限制。
七、申请材料(一)形式标准1. 申请资料按本办事指南中材料目录载明的顺序排列;2. 由申请人编写的文件按A4规格纸张打印,政府及其他机构出具的文件按原件尺寸提供;3. 申报资料的复印件应清晰。
(二)申请材料目录1.机动车综合性能检测站备案、经营地址变更2.机动车综合性能检测站单位名称、法定代表人、注册地址、经济性质变更3.机动车综合性能检测站备案证换证、补证1.《上海市机动车综合性能检测经营备案登记表》2.《上海市汽车综合性能检测站备案核实表》3.《上海市机动车综合性能检测站歇业表》八、办理期限承诺期限:当场办结。
检验检测能力申请表地址: SPJA 机动车检测有限责任公司第 1页共 14页序号类别(产品 / 产品/ 项目/ 参数依据的标准(方法)名说明项目 / 参数)限制范围序号名称称及编号(含年代号)一汽车修理质量检测 ( 共计 1 条 10 吨级检测线。
汽车修理质量检测、汽车二级维护竣工质量检测、道路运输车辆技术等级评定检测和机动车安全技术检验在同 1 条线上进行 )1 车辆唯一性1.1车牌号码 / 颜色 /检查车主(单位)1.2整备质量或座位数1.3车型类别 / 整车外廓尺寸厂牌型号和出厂1.4 编号(或 VIN 代GB 7258-2012 机动车运码 )行安全技术条件、 GB/T车架号码 / 悬架型1.5 17993-2005 汽车综合式性能检测站能力的通用1.6 发动机型号 / 号码要求1.7 驱动型式1.8 燃油类别1.9 车身颜色1.10 制动型式1.11 车辆轴数1.12 前照灯制式2 整车外观及 2.1 外观装备 2.2 整车装备GB/T 15746-2011 汽车2.3 整备质量修理质量检查评定办2.4 左右轴距差法、 GB 7258-2012 机动车运行安全技术条件润滑及其他工作2.5介质3 发动机 3.1 起动性能3.2 怠速运转性能GB/T 15746-2011 汽车3.3 运转状况修理质量检查评定办法、 GB 7258-2012 机动3.4 压缩压力车运行安全技术条件3.5 机油压力4 转向机构 4.1 转向盘GB/T 15746-2011 汽车车轮定位、最大转4.2 修理质量检查评定办向角法、 GB 7258-2012 机动4.3 转向连接件车运行安全技术条件地址: SPJA 机动车检测有限责任公司第 2页共 14页类别(产品 / 序号项目 / 参数)5传动机构6行走机构7制动机构8车身、驾驶室9照明和信号装置及其他电气设备10动力性能产品/ 项目/ 参数序号名称5.1 离合器5.2 离合器踏板5.3 变速器5.4 传动轴5.5 主减速器、差速器6.1 车轮总成6.2 轮胎6.3 减震器6.4钢板弹簧、气体弹簧6.5 车桥与悬架7.1行车制动踏板行程7.2 行车制动踏板力7.3驻车制动操纵杆或踏板7.4驻车制动操纵力或踏板力7.5 制动系统密封性8.1 车身、驾驶室外观车身、驾驶室、货8.2 厢、保险杠和翼子板8.3 车身、驾驶室漆面8.4 座椅及安全带8.5 车门、车窗8.6 门窗玻璃9.1 照明和信号装置9.2 仪表9.3 电气线路9.4 发电机9.5 空调系统10.1 校正驱动轮输出功率 / 额定扭矩功依据的标准(方法)名说明限制范围称及编号(含年代号)GB/T 15746-2011汽车修理质量检查评定办法、 GB 7258-2012 机动车运行安全技术条件GB/T 15746-2011汽车修理质量检查评定办法、 GB 7258-2012 机动车运行安全技术条件GB/T 15746-2011汽车修理质量检查评定办法、 GB 7258-2012 机动车运行安全技术条件GB/T 15746-2011汽车修理质量检查评定办法、 GB 7258-2012 机动车运行安全技术条件GB/T 15746-2011汽车修理质量检查评定办法、 GB 7258-2012 机动车运行安全技术条件GB/T 3798.1-2005汽车大修竣工出厂技术条件率10.2校正驱动轮输出功率 / 额定功率第 1 部分 : 载客汽车、GB/T 3798.2-2005汽车大修竣工出厂技术条件第 2 部分 : 载货汽车、地址: SPJA 机动车检测有限责任公司类别(产品 / 产品/ 项目/ 参数序号项目 / 参数)序号名称11制动性能11.1 轴( 轮) 重量11.2 台式检验行车制动性能a 制动力b 制动率c 制动不平衡率d 车轮阻滞力e 制动协调时间11.3 台式检验驻车制动性能a 驻车制动力11.4 路试检验行车制动性能a 制动距离b 充分发出的平均减速度c 制动稳定性d 制动协调时间路试检验驻车制11.5 动性能12 转向操纵性12.1转向轮横向侧滑能量12.2转向盘最大自由转动量13 车速表指示13.1 车速表指示误差误差14 滑行性能14.1 滑行距离14.2 滑行阻力15 前照灯15.1 发光强度远光光束中心垂15.2 直方向上、下偏角或偏距第 3页共 14页依据的标准(方法)名说明限制范围称及编号(含年代号)GB/T 15746-2011 汽车修理质量检查评定办法、 GB/T 18276-2000汽车动力性台架试验方法和评价指标GB/T 15746-2011汽车修理质量检查评定办法、 GB 7258-2012 机动车运行安全技术条件GB/T 15746-2011汽车修理质量检查评定办法、 GB 7258-2012 机动车运行安全技术条件地址: SPJA 机动车检测有限责任公司第4页共14页类别(产品 / 序号项目 / 参数)16排气污染物17喇叭声级产品/ 项目/ 参数序号名称远光光束中心水15.3 平方向左、右偏角或偏距近光光束中心垂15.4 直方向上、下偏角或偏距近光光束中心水15.5 平方向左、右偏角或偏距16.1装用点燃式发动机汽车16.1.1 双怠速法a COb HCc λ装用压燃式发动16.2机汽车16.2.1自由加速试验不透光烟度法自由加速光吸收a系数m-117.1喇叭声级依据的标准(方法)名说明限制范围称及编号(含年代号)GB/T 15746-2011汽车修理质量检查评定办法、 GB 7258-2012 机动车运行安全技术条件GB 18285-2005点燃式发动机汽车排气污染物排放限值及测量方法( 双怠速法及简易工况法)GB 3847-2005 车用压燃式发动机和压燃式发动机汽车排气烟度排放限值及测量方法GB 7258-2012 机动车运行安全技术条件二汽车二级维护竣工质量检测(共计 1条 10 吨级检测线。
尊敬的XXX部门:我XXX(申请人姓名),住址/单位地址位于XXX,联系电话:XXX。
现向贵部门提交一份机动车监测申请书,请予以审批。
我申请监测的机动车为:车牌号码XXX,车辆类型为XXX,发动机号码为XXX,车辆识别代号为XXX。
该车辆为我所有,且已取得合法的行驶证和车辆登记证书。
我之所以申请对该车辆进行监测,是因为近期我发现该车辆在行驶过程中存在一些异常情况,具体表现在:1. 发动机运行不稳定,油耗偏高;2. 车辆行驶过程中,存在异常噪音;3. 车辆操控性能下降,转向不灵敏;4. 制动系统存在故障,制动距离增加;5. 其他可能影响行车安全的隐患。
为了确保行车安全,保障我和他人的生命财产安全,我决定对该车辆进行监测。
监测内容包括:1. 对发动机进行检测,查找运行不稳定的原因,并进行必要的维修和调整;2. 对车辆的悬挂系统、刹车系统、轮胎等关键部件进行检查和维护;3. 检查车辆的电气系统,确保车辆的各项功能正常运行;4. 对车辆进行全面体检,查找并排除可能存在的故障和隐患。
我深知机动车监测的重要性,也明白监测过程中可能需要花费一定的时间和金钱。
但我认为,这些都是为了确保行车安全,保障我和他人的生命财产安全,是值得的。
我也明白,作为车辆所有人,我有义务定期对车辆进行监测,确保车辆处于良好的运行状态。
在此,我恳请贵部门审批我的机动车监测申请,并希望贵部门能给予我一定的指导和帮助,让我能够及时找到并排除车辆存在的故障和隐患,确保行车安全。
最后,我保证在监测过程中,严格遵守交通法规,服从监测人员的指挥,确保监测工作的顺利进行。
同时,我也将积极宣传机动车监测的重要性,引导身边的人定期对车辆进行监测,共同为道路安全做出贡献。
谢谢。
机动车综合性能检测站基本情况
核查说明:各经营业户填写本表时,需同时向道路运输管理部门提供以下相关材料:
1.原经营许可证正、副本;
2.企业营业执照复印件一份;
3.企业税务登记证复印件一份;
4.法定代表人身份(职务)证明复印件一份
机动车综合性能检测站人员情况表
注:人员应包含站长、技术负责人、质量负责人、计算机控制网络系统管理员、检测员、引车员,以及仪器、设备(维护)管理员、文件资料档案管理员。
以上人员条件应达到GB/T17993-2005的要求。
表格不够可另附。
机动车综合性能检测站人员情况表
注:人员应包含站长、技术负责人、质量负责人、计算机控制网络系统管理员、检测员、引车员,以及仪器、设备(维护)管理员、文件资料档案管理员。
以上人员条件应达到GB/T17993-2005的要求。
表格不够可另附。
机动车综合性能检测站检测设备表
注:如有其它设备可填于空白处。
机动车综合性能检测站检测设备表
注:如有其它设备可填于空白处。
机动车综合性能检测站检测仪具表
注:如有其它设备可填于空白处。
机动车综合性能检测站检测仪具表
注:如有其它设备可填于空白处。