6063铝合金熔炼生产工艺手册
- 格式:doc
- 大小:27.00 KB
- 文档页数:6
6063铝棒生产工艺
6063铝棒的生产工艺分为以下几个步骤:
1. 原料准备:根据制定的配方,准备好所需的原料,主要包括铝合金氧化铝粉、球磨素铝粉等。
2. 装料:将准备好的原料按照一定比例投入到制备铝棒的容器中。
3. 加热:将装有原料的容器送入高温炉中进行加热,使原料在高温下熔化。
4. 搅拌:在原料熔化的过程中,通过机械搅拌装置对熔融铝液进行搅拌,使其均匀混合。
5. 浇注:将搅拌均匀的铝液倒入铝棒模具中,通过适当的震动和振动使铝液充分填充模具的每一个角落。
6. 冷却:倒入模具的铝液在模具内冷却后逐渐凝固,冷却时间根据铝棒的直径和长度来确定。
7. 开模:在铝棒冷却完全后,将模具拆开,取出冷却凝固的铝棒。
8. 查验:对取出的铝棒进行外观和尺寸的检验,确保其符合要求。
9. 补强处理:对铝棒进行补强处理,可以采用热处理等方法,使铝棒的性能更加优化。
10. 成品处理:对铝棒进行切割和修整,使其达到所要求的长
度和形状。
11. 表面处理:对铝棒进行清洁、打磨和氧化等表面处理,以
增加其表面的光洁度和防腐性能。
12. 包装:对处理完毕的铝棒进行包装,以便储存和运输。
以上是6063铝棒的生产工艺的基本步骤,根据具体工艺要求,可能会有一些其他的加工工序,如拉伸、退火等。
不同的厂家会根据自己的生产工艺和设备条件来调整和改进具体的生产流程。
6063铝合金棒生产流程1.原材料准备:生产6063铝合金棒的主要原材料是纯铝、硅、锰和铝合金添加剂。
这些原材料经过精细的配比和筛选后,以固态铝的形式供给生产线。
2.熔炼和铸锭:将原材料放入高温熔炉中,控制温度和熔化时间,使原料完全熔化。
熔融的铝合金液体通过浇铸过程,借助铸型机械装置,注入铸锭模具中,形成长形的铝锭。
3.预热:铸锭经过一段时间的冷却后,需要进行预热。
预热的目的是使铸锭的温度均匀,并将其潜在的应力释放。
4.加热和均热:将预热的铸锭放入均热炉中进行再次加热,将温度升至均匀的水平,以减少后续的加热过程中的温度差异。
5.挤压:使用挤压机将均热的铸锭送入挤压头中。
挤压头具有特定的形状和尺寸,可以将铝锭挤压成所需的形状,形成初步的铝材。
6.坯料退火:将初步挤压成型的铝材进行退火处理,使其恢复到较为稳定的晶格结构,提高其机械性能。
7.冷却:退火后的铝材经过冷却处理,以控制其温度,使其达到合适的加工硬度。
8.修磨和抛光:经过冷却处理后,铝材通过修磨和抛光,去除表面粗糙之处,提高其表面质量。
9.拉伸和成形:将抛光后的铝材送入拉伸机中,通过拉伸和成形,使其达到标准尺寸和形状要求。
10.退火和淬火处理:完成形状成形后,铝材经过再次退火和淬火处理,以增强其机械性能和硬度。
11.表面处理:铝材表面可能存在一些氧化层或杂质,需要进行表面处理,如喷砂、氧化、电镀等。
12.检验和包装:对生产出的6063铝合金棒进行检验,确保其质量合格。
然后对产品进行包装和标识,以便存储和运输。
以上是6063铝合金棒的主要生产流程,通过精细的工艺和控制,确保了产品的质量和性能。
在实际生产中,可能还会根据具体需求和工艺要求,采取一些其他的工艺步骤,以满足不同应用领域的需求。
6063铝合金熔炼工艺及注意事项熔炼工艺:1.原料准备:选用优质的铝锭和铝合金废料作为原料,将其进行清洁和分类,去除杂质和氧化物等。
2.预处理:铝锭和废料经过预处理后,可减少杂质对合金的影响。
其中包括破碎、分选、清洗等工艺。
3.熔炼:将铝锭和废料放入熔炼炉中,加入适量的溶剂。
在熔炼过程中,要控制炉内温度、浇注速率和搅拌力度,确保铝材的质量。
4.净化处理:在熔炼过程中,会产生夹杂物和气体,需要进行净化处理。
可以采用浮渣、气体冒泡、过滤等方法,去除夹杂物和气泡。
5.成组浇注:熔炼好的铝液倒入成组浇注机中,控制浇注速度和温度,保证铝材成型的一致性。
6.冷却:铝材在浇注后会进行自然冷却或控制冷却,使其达到所需的硬度和结构。
注意事项:1.温度控制:熔炼过程中,要严格控制炉内温度,避免过高或过低。
过高的温度可能导致铝材液化不彻底,过低的温度可能导致铝材质量下降。
2.去除杂质:在熔炼前要将铝锭和废料进行清洁和分类,去除杂质。
杂质会影响铝材的强度和耐腐蚀性能。
3.合金配比:根据所需铝材的性能要求,合理选择合金元素的种类和配比。
不同的合金元素会对铝材的性能产生不同的影响。
4.浇注速度控制:控制浇注速度可以影响铝材的凝固结构和性能。
过快的浇注速度可能导致气孔和夹杂物的产生,过慢可能导致铝材凝固不完全。
5.存储和运输:熔炼好的铝材应妥善存储和运输,防止氧化和污染。
可以采取包装、封存等方法,确保铝材的质量。
总结:6063铝合金的熔炼过程需要严格控制原料、温度、杂质和合金配比等因素,以获得高质量的铝材。
在熔炼过程中要保证操作规范、设备正常,严格按工艺要求操作。
只有在科学合理的熔炼工艺下,才能获得优质的6063铝合金材料。
6063铝生产工艺6063铝合金是一种常用的工业材料,具有轻质、高强度和良好的耐腐蚀性能,广泛应用于建筑、交通运输、电子电器、机械制造等领域。
6063铝的生产工艺主要包括原材料准备、熔炼、挤压成形、固溶处理和表面处理等环节。
首先,6063铝合金的生产开始于原材料准备。
铝合金的主要原材料是铝锭和合金元素,其中6063合金的合金元素主要包括硅、铜、镁和锌等。
这些原材料需要按照一定的配比进行混合,并经过化学分析和检验,保证原材料的质量符合标准要求。
接下来,原材料经过熔炼工艺进行熔炼。
熔炼过程需要在特定的电炉中进行,将原材料加热到一定温度,使其熔化并混合均匀。
在熔炼过程中,还需要添加适量的气体,如氮气和氢气,以帮助除去氧化物和杂质,提高合金的纯度。
然后,熔炼好的铝合金液经过挤压成形工艺。
挤压是将熔融状态的铝合金通过挤压机器进行成型的过程。
首先将熔化的铝合金液注入铝锭型中,并通过加热和压力的作用,将铝合金液挤压出型材的形状。
挤压成形后的铝合金材料需要进行冷却和固化,以保证其形状稳定和力学性能优良。
接下来是固溶处理工艺。
固溶处理是指将挤压成形后的铝合金材料进行加热处理,使合金元素溶解在铝基体中形成固溶体。
固溶处理温度和时间需根据合金的成分和要求进行调节,以使合金元素与铝基体充分溶解并均匀分布,从而获得良好的力学性能和耐腐蚀性能。
最后是表面处理工艺。
表面处理是为了改善铝合金材料的表面性能,主要包括阳极氧化、喷涂和电泳等处理方式。
阳极氧化是通过在铝合金材料表面形成一层氧化膜,提高其耐腐蚀性能和装饰效果。
喷涂和电泳是通过在铝合金材料表面涂上一层涂层,提高其防腐蚀性能和装饰效果。
总而言之,6063铝合金的生产工艺包括原材料准备、熔炼、挤压成形、固溶处理和表面处理等环节。
通过这些工艺的精心控制和调节,可以获得良好的6063铝合金材料,满足不同领域的应用需求。
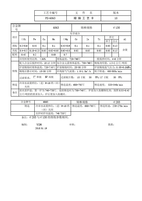
6063合金工艺指导书6063铝合金是铝—镁—硅系列可热处理强化型铝合金,主要用途是掠夺型材。
一、6063铝合金的熔炼铝合金熔炼是生产优质铸棒的重要工艺环节之一,若工艺控制不当,会在铸棒中产生夹渣、气孔、晶粒粗大,羽毛晶等多种铸造缺陷,因此必须严加控制。
6063铝合金的熔炼温度控制在750—760℃之间最佳,过低会增大夹渣的产生,过高会增加吸氢、氧化、氮化、烧损,用高纯氮气(99.99%N2)将精炼剂喷射到铝液中起到除渣、除气的效果,精炼剂的使用量为1—5公斤/吨,精炼时间每次15分钟,每炉精炼两次,然后扒渣静置20分钟。
二、6063铝合金的铸造温度控制在720—740℃之间,充分预热、烘干溜槽分流盘过滤板等,防止水分与铝液反应造成吸氢,铸造速度130—150mm/分钟。
铸造前,先要吹干引锭头上的水,检查结晶器,然后合盘,铸造中尽可能的杜绝铝液的条流和翻卷,不要轻易用工具搅动铝液,让铝液在表面氧化膜的保护下平稳流入结晶器。
铸造后,充分冷却铸棒,然后翻起分流盘,清理现场卫生,准备下次铸造。
综上,生产优质6063铝合金铸棒,首先要做好成分的配料,其次严格控制熔炼温度,做好晶粒细化处理,合金的精炼、过滤等工艺措施,同时细心操作也为生产优质的铸棒提供可靠的保证。
A356.2合金工艺指导书A356.2铝合金是采用美国ASTMB179—96标准合金牌号,等同于我国ZL101A合金牌号,主要用来制造汽车轮毂,同时也广泛应用于电器、建筑、航空航天、交通运输及生活用品、包装材料等行业。
A356.2铝合金主要工艺:烤硅—原铝入炉—搅拌—扒渣—炉前分析—成分调整—静置—精炼—搅拌—扒渣—覆盖—静置—过滤—在线除气—铸造。
一、熔炼为获得温度、化学成分和纯度都符合要求,以使铸成不同形状、尺寸的铸锭溶体。
铝合金的熔炼是铝合金加工过程的首道工序,也是至关重要的环节,熔炼温度控制在740—750℃充分搅拌后用高纯度氮气(99.99%N2)喷射精炼剂的方法除去铝液中的夹渣和氢气,然后取样分析,成分符合要求后扒渣静置15分钟。
6063工艺技术规程6063工艺技术规程一、工艺概述6063工艺技术规程主要针对铝合金6063材料的生产加工过程进行规定,确保产品的质量和工艺的可行性。
该工艺规程包括材料的选用、加热处理、成型、表面处理等各个环节。
二、材料选用1.材料的品种应符合国家标准,有标识明确的生产厂家。
2.材料的硬度和力学性能应符合设计要求,不得含有有害铁元素。
3.材料的表面不得有明显的损伤和凹陷。
三、加热处理6063材料的加热处理是确保产品性能和结构均匀性的重要环节。
1.材料应在规定温度下进行加热处理,温度和时间应根据材料的强度要求合理确定。
2.加热设备应具备温度控制和稳定性能,不得有温度超标或温度波动大的情况。
3.加热过程应注意材料表面的氧化和脱硫问题,避免材料表面出现色差和氧化皮。
四、成型工艺成型工艺是将加热处理过的材料打造成所需形状的过程。
1.成型设备应具备合理的压力和温度控制,保证材料的成型质量。
2.成型时应注意材料的冷却速度,避免过快或过慢造成材料的变形和缺陷。
3.成型后的材料应严格按照要求进行冷却处理,以确保产品的稳定性。
五、表面处理表面处理是提高6063铝合金产品表面质量和耐腐蚀性的关键工艺。
1.表面处理应根据产品的要求选择合适的处理方法和工艺。
2.表面处理过程中应注意温度和时间控制,避免因处理不当而导致产品表面的变色和脱层现象。
3.表面处理后的产品应经过严格的检验,确保表面质量和镀层厚度符合要求。
六、质检和包装质检和包装是确保产品质量和交付要求的最后环节。
1.质检部门应对产品进行严格的检验和测试,包括材料的化学成分、力学性能、外观等方面。
2.产品符合质检标准后,应进行包装,包装材料应干燥、无污染、防潮、防震等。
3.包装后的产品应进行交付前的最后检验,确保产品无损坏和质量问题。
6063工艺技术规程是保证产品质量和生产工艺可行性的重要文件,制定和执行规程能够有效提高6063铝合金产品的质量和市场竞争力。
6063铝合金铸锭的生产工艺及详细流程
一、材料准备
1.选择合适的原料,包括铝锭、合金元素和辅助材料。
2.对原料进行严格的检验,确保质量合格。
二、熔炼
1.将铝锭和合金元素按照一定比例投入熔炼炉中。
2.加热炉子,使原料熔化。
3.加入辅助材料,如剂料、脱气剂等,提高熔炼质量。
4.对熔炼的合金进行合金化,通过调整合金元素的含量和比例,获得符合要求的合金成分。
三、浇铸
1.准备好浇铸模具,根据产品的形状和尺寸进行选择和设计模具。
2.将熔炼好的合金倒入模具中,确保浇注过程中的温度和流动性。
3.控制浇注的速度和压力,确保铸件的成型质量。
4.报废品和次品回炉再次熔炼,确保资源的有效利用。
四、固化
1.浇铸完成后,待铸件冷却到一定温度,使其固化。
2.控制固化的速度和时间,以确保铸件的组织结构和力学性能。
3.对固化的铸件进行处理,去除表面的氧化物和夹杂物。
五、后处理
1.对铸件进行嵌入、锯切、成型等加工处理,使其符合产品要求。
2.进行热处理,通过改变组织结构和硬度来提高铸件的性能。
3.进行表面处理,如喷涂、阳极氧化、电泳涂装等,提高铸件的耐腐蚀性和表面质量。
4.对铸件进行表面检验和物理性能测试,确保质量合格。
总结:。
熔铸车间工艺流程宝鼎铝业熔铸车间工艺操作规程一、内容与适用范围1.本工艺操作规程适用于熔铸车间铸造6063合金直径89-178mm的铸棒要求。
二、生产工艺流程1.铝合金的熔炼是铸棒生产过程中的主要工序,是所需要优质铝棒的关键,是铸棒生产质量控制的关键环节,工艺流程如下:原材料及辅助材料的选择→配料计算→装炉→燃烧熔化→搅拌打渣→加硅镁→精炼打渣→炉前分析→调整成份、温度→二次精炼及除气→打渣→静置→分析→合格后铸棒。
三、工序工艺及操作规程所使用的铝锭、镁锭中间合金及辅助材料等应按公司标准的要求,所使用的各种回炉料成份应清楚,干燥洁净。
1.各种合金配料必须符合本公司铝棒成份的标准要求,镁、硅待铝水达到740℃时,把渣扒干净后可直接加入铝水中,没炉次的各种炉料必须准确过磅记录。
2.装炉前确保设备正常运行,待炉料熔化后,温度达到740℃时,把火、风机关上,打干净炉内铝渣,投入外购炉料,并搅拌,尽量把烧损率降低。
铝液不够温时再开大火熔炼,并注意炉内烧灰,并随时准备打渣,尽量减少铁元素,待炉料加入约80%时应搅拌均匀,提取炉前分析,再按成份进行搭配。
待炉内温度达到730℃-750℃时把炉内所有杂质和铝渣清理干净,加入硅、镁,待硅镁熔化后,加入打渣剂、精炼剂精炼,完成后把铝液上面的渣、杂质打干净,再做炉前分析,结果出来后,测试温度是否达到车间要求,调整好后根据分析结果进行各元素的搭配,并进行二次精炼,分析结果合格后静止20分钟以上方可铸棒。
3.铸棒前先检查好结晶器、水压、升降盘、电机、开关等是否正常。
确保无误后才可铸棒,吹干引锭头的积水和杂质,再将升降盘开到固定好的位置并检查有无反水现象,接好流槽并把分流盘打扫干净,装好滤布,防止杂质流入铝棒。
在打开出水口之前先启动冷却水泵,关小水套阀门,打开减压水阀门,待铝液流到各分盘的每个模具后再把减压水阀门慢慢关好,把连接水盘的水阀全部打开,进行按温度及车速的参数成对比把升降盘启动慢慢下降,在铸棒是发现表面不光滑的应及时堵塞。
1、目的通过确定圆铸锭生产过程的工艺要求和操作方法,以确保所生产的圆铸锭符合内控质量标准的要求,最大限度地实现熔铸车间生产活动的高效率、高成品率。
2、适用范围适用于6000系铝合金,外经为Ф4″-Ф9″圆铸锭的生产作业活动。
3、职责:3.1 炉前班长对合金的化学成份是否合格负责。
3.2 熔炼工对熔炼温度是否符合工艺要求,金属烧损率是否超标,油耗是否达到节能要求,同时对灰渣中金属铝是否回收干净,是否降低环境污染负责。
3.3 铸造工对铸造温度是否符合工艺要求,铸锭精粒度是否达到1级标准,铸锭直径、弯曲度和表面质量是否符合内控质量标准要求负责。
3.4 锯切工对圆铸锭的定尺长度,切斜度和产品标识负责。
4、工艺操作规程:4.14.2 配料(责任人:带班主任)4.2.1 配料前准备4.2.1.1 车间主任以填写《铸棒生产计划单》的形式对各班班长下达生产任务,规定合金牌号、铸棒规格、生产时间和熔炉编号。
4.2.1.2 到限根据生产计划单准备备料及相关工具等。
4.2.2 原铝锭的使用:不同品位的原铝锭,适合于配制不同牌号的合金,在配制合金时,应建议按表1的规定选用原铝锭。
表1注:纯度高的铝锭可以代替纯度低的铝锭使用,但反之则不行。
4.2.3 配料计算的有关规定a)镁:按镁锭含镁量为100%计算。
b)铝硅中间合金:规定理论含硅量为12%,每批硅种进厂应取三个试样化验含硅量,取其算出平均值为计算依据。
c) 铜、锌:按含铜、含锌100%计算。
d) 锰、铬:按猛剂、铬剂中含猛或含铬的百分比计算。
4.2.4 原料的使用配比4.2.4.1 原料的使用配比,原则上应按表2的规定执行表2注:1、一级废料是指本厂各车间返回的6000系合金废料。
2、二级废料指外购的6000系合金废料。
4.2.4.2 含有Zn、Pb、Bi等元素的废料,不准混入一、二级废料中去,不准用来配制无Zn、Pb、Bi的合金。
这些废料需隔离管理。
4.2.5 合金元素的配料计算值:a) Mg%的计算值:按《内控标准》中相应合金规定的Mg含量的高限值。
铝合金压铸熔炼工艺指导书文件编号编制部门版本/版次熔炼工艺操作指导书页码共5页,第1页 1.目的本指导书规定了铝合金熔化的工艺操作要求。
2.适用设备STM-400溶化炉。
3.工艺流程炉料准备?配料?加料?熔化?扒渣?导入中转包?精炼?导入保温炉。
4.准备工作4.1设备的准备:检查STM-400溶化炉、中转包、中转包预热装置、旋转除气装置、行车等是否能够正常工作。
4.2中转包加热:铝液中转包超过24小时不用时,必须经过烘烤3小时以上,方可使用,正常使用前必须在中转包预热装置中预热,预热温度设定为400?。
4.3与金属液接触的工具(钟罩,打渣勺,热电偶,扒渣勺等)在使用前要刷涂料,并且必须经过充分烘烤并保温一段时间后,方可使用。
4.4原材料的准备:检查合金锭、除渣剂、精炼剂等是否准备齐全,且以上材料均应是检验合格的,各种原材料必须做好标识。
4.5回炉料的分类和加入比例,见下表:类别名称占炉料总重量的比例不合格毛坯(不含因成分原因造成的不合格)、一级回炉料 ?40 % 浇口二级回炉料集渣包、大飞边、重熔合金锭 ?20 %需经重熔、除渣、浇锭后做二三级回炉料细碎飞边、严重油污料级回炉料使用注意:一级回炉料与二级回炉料的重量之和占炉料总重量的比例应小于40%。
5.停炉后重新开炉时,应按下表进行烘炉初始温度(?) 升温速率(?/h) 终止温度(?) 升温时间(h)室温 50 200200 0 200 3文件编号编制部门版本/版次熔炼工艺操作指导书页码共5页,第2页200 50 400 4400 0 400 3400 50 600 4600 0 600 3600 100 800 2800 0 800 2 注意:此表的温度指“炉膛温度”,升温曲线应根据开炉时炉膛温度的显示值确定。
6.燃烧点火6.1点火前应检查以下事项6.1.1检查控制柜电源是否正常,控制柜内的开关断路器处于接通状态,温控仪表显示正常,初次送电,报警器会声光报警,按“复位”键让报警声停止。
6063铝合金熔炼生产工艺手册
本文由全球铝业网() 编辑,转载请注明出处,十分感谢!
一.Al-Mg-Si系合金的基本特点:
6063铝合金的化学成份在GB/T5237-93标准中为0.2-0.6%的硅、0.45-0.9%的镁、铁的最高限量为0.35%,其余杂质元素(Cu、Mn、Zr、Cr等)均小于0.1%。
这个成份范围很宽,它还有很大选择余地。
6063铝合金是属铝-镁-硅系列可热处理强化型铝合金,在AL-Mg-Si组成的三元系中,没有三元化合物,只有两个二元化合物Mg2Si和Mg2Al3,以α(Al)-Mg2Si伪二元截面为分界,构成两个三元系,α(Al)-Mg2Si-(Si)和α(Al)-Mg2Si-Mg2Al3,如图一、田二所示:在Al-Mg-Si系合金中,主要强化相是Mg2Si,合金在淬火时,固溶于基体中的Mg2Si 越多,时效后的合金强度就越高,反之,则越低,如图2所示,在α(Al)-Mg2Si伪二元相图上,共晶温度为595℃,Mg2Si的最大溶解度是1.85%,在500℃时为1.05%,由此可见,温度对Mg2Si在Al中的固溶度影响很大,淬火温度越高,时效后的强度越高,反之,
淬火温度越低,时效后的强度就越低。
有些铝型材厂生产的型材化学成份合格,强度却达不到要求,原因就是铝捧加热温度不够或外热内冷,造成型材淬火温度太低所致。
在Al-Mg-Si合金系列中,强化相Mg2Si的镁硅重量比为1.73,如果合金中有过剩的镁(即Mg:Si>1.73),镁会降低Mg2Si在铝中的固溶度,从而降低Mg2Si在合金中的强化效果。
如果合金中存在过剩的硅,即Mg:Si<1.73,则硅对Mg2Si在铝中的固溶度没有影响,由此可见,要得到较高强度的合金,必须Mg:Si<1.73。
二.合金成份的选择
1.合金元素含量的选择
6063合金成份有一个很宽的范围,具体成份除了要考虑机械性能、加工性能外,还要考虑表面处理性能,即型材如何进行表面处理和要得到什么样的表面。
例如,要生产磨砂料,Mg/Si应小一些为好,一般选择在Mg/Si=1-1.3范围,这是因为有较多相对过剩的Si,有利于型材得到砂状表面;若生产光亮材、着色材和电泳涂漆材,Mg/Si在1.5-1.7范围为好,这是因为有较少过剩硅,型材抗蚀性好,容易得到光亮的表面。
另外,铝型材的挤压温度一般选在480℃左右,因此,合金元素镁硅总量应在1.0%左右,因为在500℃时,Mg2Si在铝中的固溶度只有1.05%,过高的合金元素含量会导致在淬火时Mg2Si不能全部溶入基体,有较多的末溶解Mg2Si相,这些Mg2Si相对合金的强度没有多少作用,反而会影响型材表面处理性能,给型材的氧化、着色(或涂漆)造成麻烦。
2.杂质元素的影响
①铁,铁是铝合金中的主要杂质元素,在6063合金中,国家标准中规定不大于0.35,如果生产中用一级工业铝锭,一般铁含量可控制在0.25以下,但如果为了降低生产成本,大量使用回收废铝或等外铝,铁就根容易超标。
Fe在铝中的存在形态有两种,一种是针状(或称片状)结构的β相(Al9Fe2Si2),一种为粒状结构的α相(Al12Fe3Si),不同的相结构,对
铝合金有不同的影响,片状结构的β相要比粒状结构α相破坏性大的多,β相可使铝型材表面粗糙、机械性能、抗蚀性能变差,氧化后的型材表面发青,光泽下降,着色后得不到纯正色调,因此,铁含量必须加以控制。
为了减少铁的有害影响可采取如下措施。
a)熔炼、铸造用所有工具在使用前涂涮涂料,尽可能减少铁溶人铝液。
b)细化晶粒,使铁相变细,变小,减少其有害作用。
c)加入适量的锶,使β相转变成α相,减少其有害作用。
d)对废杂料细心挑选,尽可能的减少铁丝、铁钉、铁屑等杂物进入熔铝炉造成铁含量升高。
②其它杂质元素
其它杂质元素在电解铝锭中都很少,远远低于国家标准,在使用回收废杂铝时就可能超过标准;在生产中,不但要控制每个元素不能超标,而且要控制杂质元素总量也不能超标,当单个元素含量不超标,但总量超标时,这些杂质元素同样对型材质量有很大影响。
特别需要提出强调的是,实践证明,锌含量到0.05时(国标中不大于0.1)型材氧化后表面就出
现白色斑点,因此锌含量要控制到0.05以下。
三.6063铝合金的熔炼
1.控制好熔炼温度
铝合金熔炼是生产优质铸棒的最重要工艺环节之一,若工艺控制不当,会在铸捧中产生夹渣、气孔,晶粒粗大,羽毛晶等多种铸造缺陷,因此必须严加控制。
6063铝合金的熔炼温度控制在750-760℃之间为佳,过低会增大夹渣的产生,过高会增大吸氢、氧化、氮化烧损。
研究表明,铝液中氢气的溶解度在760℃以上急剧上升,当热减
少吸氢的途径还有许多,如烘干溶炼炉和熔炼工具,防止使用熔剂受潮变质等。
但熔炼温度是最敏感因素之一,过离的熔炼温度不但浪费能源,增加成本,而且是造成气孔,晶粒粗
大,羽毛晶等缺陷的直接成因。
2.选用优良的熔剂和适当的精炼工艺
熔剂是铝合金熔炼中使用的重要辅助材料,目前市场上所售熔剂中主要成份为氯化物,氟化物,其中氯化物吸水性强,容易受潮,因此,熔剂的生产中必须烘干所用原料,彻底除去水份,包装要密封,运输、保管中要防止破损,还要注意生产日期,如保管日期过长,同样会发生吸潮现象,在6063铝合金的熔炼中,使用的除渣剂、精炼剂、覆盖剂等熔剂如果吸潮,都会使铝液产生不同程度的吸氢。
选择好的精炼剂,选择合适的精练工艺也是非常重要的,目前6063铝合金的精炼绝大多数
采用喷粉精炼,这种精炼方法能使精炼剂与铝液充分接触,可使精炼剂发挥最大效能。
虽然这个特点是显而易见的,但是精炼工艺也必须注意,否则得不到应有效果,喷粉精炼中所用氮气压力以小为好,能满足吹出粉剂为佳,精炼中如果使用的氮气不是高纯氯(99.99%N2),吹入铝液的氮气越多,氟气中的水份使铝液产生的氧化和吸氢越多。
另外,氟气压力高,侣液产生的翻卷波浪大,增大产生氧化夹渣的可能性。
如果精炼中使用的是高纯氮,精炼压力大,产生的气泡大,大气泡在铝液中的浮力大,气泡迅速上浮,在铝液中的停留时间短,除氢效果并不好,浪费氮气,增加成本。
因此氮气应少用,精炼剂应多用,多用精炼剂只有好处,没有坏处。
喷粉精炼的工艺要点是用尽可能少的气体,喷进铝液尽可能多的精炼剂。
3.晶粒细化
晶粒细化是铝合金熔铸中晕重要的工艺之一,也是解决气孔、晶粒粗大、光亮晶、羽毛晶、裂纹等铸造缺陷的最有效措施之一。
在合金铸造中,均是非平衡结晶,所有的杂质元素(当然也包括合金元素)绝大部分集中分布在晶界,晶粒越小,晶界面积就越大,杂质元素(或合金元素)的均匀度就越高。
对杂质元素而言,均匀度高,可减少它的有害作用,甚至将少量
杂质元素的有害变为有益;对合金元素面言,均匀度高,可发挥合金元素更大的合金化艘能,达到充分利用资源的目的。
细化晶粒、增大晶界面积、增大元素均匀度的作用可通过下面的计算加以说明。
假设金属块1与2有同样的体积V,均由立方体晶粒构成,金属块1的晶粒边长为2a,2的边长为a,那么金属块1的晶界面积为:
金属块2的晶界面积为:
金属块2的晶界面积是金属块1的2倍。
由此可见合金晶粒直径减小一倍,晶界面积就要增大—倍,晶界单位面积上的杂质元素将减少一倍。
在6063铝合金的生产中,对磨砂料来说,由于要通过腐蚀使型材产生均匀砂面,那么合金元素及杂质元素的均匀分布就显得尤为重要。
晶粒越细,合金元素(杂质元素)的分布越均匀,腐蚀后得到的砂面就越均匀。
四.6063铝合金的浇铸
1.选择合理的浇铸温度
合理的浇铸温度也是生产出优质铝棒的重要因素,温度过低,易产生夹渣、针孔等铸造缺陷。
温度过高,易产生晶粒粗大、羽毛晶等铸造缺陷。
做了晶粒细化处理后的6063铝合金液,铸造温度可适当提高,一般可控制在720-740℃之
间,这是因为:①铝液经晶粒细化处理后变粘,容易凝固结晶。
②铝棒在铸造中结晶前沿有一个液固两相过度带,较高的铸造温度有较窄的过度带,过度带窄有利于结晶前沿排出的气体逸出,当然温度不可过高,过高的铸造温度会缩短晶粒细化剂的有效时间,使晶粒变得相对较大。
2.有条件时,充分预热,烘干流槽、分流盘等浇铸系统,防止水分与铝液反应造成吸氢。
3.铸造中,尽可能的避免铝液的紊流和翻卷,不要轻易用工具搅动流槽及分流盘中的
铝液,让铝液在表面氧化膜的保护下平稳流人结晶器结晶,这是因为工具搅动铝液和液流翻卷都会使铝液表面氧化膜破裂,造成新的氧化,同时将氧化膜卷入铝液。
经研究表明,氧化膜有极强的吸附能力,它含有2%的水份,当氧化膜卷入铝液后,氧化膜中的水份与铝液反应,造成吸氢和夹渣。
4.对铝液进行过滤,过滤是除去铝液中非金属夹渣最有效的方法,在6063铝合金的铸造中,一般用多层玻璃丝布过滤或陶瓷过滤板过滤,无论是采取何种过滤方法,为了保证铝液能正常的过滤,铝液在过滤前应除去表面浮渣,因为表面浮渣易堵塞过滤材料的过滤网孔,使过滤不能正常进行,除去铝液表面浮渣的最简单方法是在流槽中设置一挡渣板,使铝液在过滤前除去浮渣。
五.6063铝合金的均化处理
1.非平衡结晶
如图三所示,是由A、B两种元素构成的二元相图的一部分,成份为F的合金凝固结晶,当温度下降到T1时,固相平衡成份应为G,实际成份为G’,这是因为在铸造生产中,冷却。