生产车间安全生产指标考核表(2020新版)
- 格式:docx
- 大小:45.59 KB
- 文档页数:5
生产车间安全目标责任考核表
(年月份)
生产一车间
注解:安全目标考核中的否决项出现问题者扣除当月安全奖。
生产车间安全目标责任考核表
(年月份)生产二车间
注解:安全目标考核中的否决项出现问题者扣除当月安全奖。
生产车间安全目标责任考核表
(年月份)
生产日工班
注解:安全目标考核中的否决项出现问题者扣除当月安全奖。
生产科安全目标责任考核表
(年月份)
注解:安全目标考核中的否决项出现问题者扣除当月安全奖。
财务科安全目标责任考核表(年月份)
注解:安全目标考核中的否决项出现问题者扣除当月安全奖。
经营科安全目标责任考核表(年月份)
注解:安全目标考核中的否决项出现问题者扣除当月安全奖。
安全环保科安全目标责任考核表(年月份)
注解:安全目标考核中的否决项出现问题者扣除当月安全奖。
员工安全目标责任考核表(年月份)
注解:安全目标考核中的否决项出现问题者扣除当月安全奖。
生产车间安全生产指标考核表
一、安全生产目标
•全年无事故发生;
•全员参与安全生产,形成风险意识;
•安全设施得到有效维护,达到常态化运行的状态;
•对重点风险较高的车间加强管理,降低事故发生可能性。
二、安全生产指标
1. 安全设施维护台账及检查记录
•安全设施(含生产设施)维护情况得分:30分;
•安全设施检查、维修记录得分:20分。
2. 安全培训计划及工作情况
•全员参与安全培训计划:10分;
•安全教育、培训工作记录得分:10分。
3. 安全生产管理规程
•安全生产管理规程、操作规程得分:10分;
•总体安全管理制度得分:10分。
4. 工伤事故记录
•全年无工伤事故得分:50分;
•工伤事故记录得分:20分。
5. 安全检查及隐患整改情况
•安全检查得分:20分;
•隐患整改得分:20分。
三、指标得分
总分:150分
•130分及以上,为优秀;
•110分-130分,为良好;
•90分-110分,为一般;
•90分以下,为不合格。
四、考核周期和方法
•考核周期:半年一次;
•考核方法:定期进行安全检查和隐患排查,每次考核由专人负责,根据安全生产指标考核表进行考核和打分,形成考核报告并进行通报。
同时,结合实际情况提出改进建议。
五、考核结果的应用
•根据考核结果制定安全生产改进计划;
•对考核不合格的生产车间进行专项整改,直至达到合格标准;
•对考核优秀的生产车间进行激励,数据用于各级管理决策和评选优秀车间。
XX有限公司
MS-CARE-01
社会责任及EHS手册
(1.0版)
制订:
审批:
2020-1-1发布 2020-1-1实施
安全生产责任制考核表
安全生产责任制考核表
安全生产责任制考核表
安全生产责任制考核表
安全生产责任制考核表
安全生产责任制考核表
安全生产责任制考核表
安全生产责任制考核表
安全生产责任制考核表
安全生产责任制考核表
安全生产责任制考核表
安全生产责任制考核表
安全生产责任制考核表
安全生产责任制考核表
安全生产责任制考核表
安全生产责任制考核表。
安全生产目标考核表安全生产是企业的首要任务之一,为了确保工作环境安全,预防发生事故和伤害,企业需要制定安全生产目标,并进行定期考核,以保障员工的生命财产安全。
下面是一个安全生产目标考核表的例子,共700字。
安全生产目标考核表一、纳入目标考核的部门及岗位1. 生产部门(包括加工车间、装配车间、仓储部门等)2. 设备维修部门3. 安全环境部门4. 人力资源部门5. 管理部门6. 其他相关岗位(如保洁、保安等)二、考核指标1. 安全规章制度的制定与执行情况2. 安全生产培训情况3. 工作场所环境的安全保障措施4. 生产设备的安全状况及故障处理5. 安全事故和隐患的上报和整改情况6. 应急管理与预案的制定与执行情况7. 工作人员个人卫生保护情况(如佩戴防护用品等)8. 疏散演练和消防设备的检查与维护情况9. 安全事故的处理与事故调查报告10. 安全隐患排查和整改情况三、考核标准和分值1. 安全规章制度的制定与执行情况(分值:10分)- 是否制定了相应的安全规章制度并公布于员工- 规章制度的执行情况,是否存在违章操作2. 安全生产培训情况(分值:20分)- 员工是否接受过专业的安全培训- 是否定期进行安全知识培训和演练3. 工作场所环境的安全保障措施(分值:20分)- 工作场所的防护设施和设备是否完善- 是否存在环境卫生、噪音、尘埃等问题4. 生产设备的安全状况及故障处理(分值:20分)- 设备是否符合安全要求,并定期检查维护- 故障处理是否及时、有效5. 安全事故和隐患的上报和整改情况(分值:20分)- 是否及时上报安全事故和隐患情况- 是否及时采取措施进行整改,防止再次发生6. 应急管理与预案的制定与执行情况(分值:10分)- 是否制定了应急预案,并进行了演练- 应急措施的执行情况7. 工作人员个人卫生保护情况(分值:10分)- 员工是否佩戴防护用品,保护自己的安全- 是否定期进行职业健康体检8. 疏散演练和消防设备的检查与维护情况(分值:10分)- 是否定期进行疏散演练,提高员工的自救能力- 消防设备的检查和维护情况是否到位9. 安全事故的处理与事故调查报告(分值:10分)- 安全事故发生后是否及时进行处理- 是否制作事故调查报告,分析事故原因并提出改进措施10. 安全隐患排查和整改情况(分值:20分)- 正常巡查安全环境,发现隐患是否及时整改- 是否建立隐患排查记录,跟踪整改情况四、考核结果及奖惩措施1. 考核结果评定等级:- 90分以上:优秀- 80-89分:良好- 70-79分:一般- 60-69分:不合格2. 奖惩措施:- 优秀:表彰,奖金或奖励- 良好:表彰,奖励或晋升- 一般:要求改进,加强培训- 不合格:警告,处罚或降职通过对安全生产目标的考核,可以及时发现和解决存在的安全隐患和问题,提高员工的安全意识和安全操作能力,确保企业的安全生产。
2023年度部门安全生产目标考核表考核年度:2023年考核对象:本公司各部门考核内容:部门安全生产目标考核指标:1.安全事故率;2.隐患排查和整改情况;3.员工安全知识培训情况考核权重:安全事故率占40%;隐患排查和整改情况占35%;员工安全知识培训占25%考核标准:1.安全事故率考核方法:统计全公司在考核年度内发生的所有安全事故,计算安全事故率考核目标:全公司安全事故率控制在1‰以内考核标准:安全事故率(‰)得分≤0.1 100分0.1-0.5 80分0.5-1 60分1-2 40分2-3 20分>3 0分2.隐患排查和整改情况考核方法:全面检查各部门的安全生产工作,检查隐患排查和整改情况考核目标:全公司的安全隐患排查全面完成,隐患整改率达到100%考核标准:隐患排查和整改情况得分隐患排查全面完成,整改率100% 100分隐患排查不全面,整改率在80%以上 80分隐患排查不全面,整改率在60%以上 60分隐患排查不全面,整改率在40%以上 40分隐患排查不全面,整改率在20%以上 20分隐患排查不全面,整改率在20%以下 0分3.员工安全知识培训情况考核方法:统计全公司员工的安全知识培训情况考核目标:全公司员工参加安全知识培训的比例达到90%考核标准:安全知识培训情况得分参加培训比例达到90%以上 100分参加培训比例达到80%-90% 80分参加培训比例达到70%-80% 60分参加培训比例达到60%-70% 40分参加培训比例达到50%-60% 20分参加培训比例低于50% 0分综上,本公司在2023年的部门安全生产目标考核标准如下:考核指标权重得分安全事故率 40%隐患排查和整改情况 35%员工安全知识培训情况 25%总分 100分说明:本考核标准为参考标准,具体考核结果以实际情况为准。
年度安全生产绩效考核表年度安全生产绩效考核表绩效考核周期:2020年一、考核背景安全生产是企业的基本要求,关系到企业的发展和员工的生命安全。
为了全面评估企业在安全生产方面的表现,特制定本年度安全生产绩效考核表。
二、考核指标本年度安全生产绩效考核指标分为三个维度,分别是安全生产管理、事故事件处理和安全培训教育。
下面对每个维度的具体考核指标进行详细解析。
2.1 安全生产管理(1)安全制度建设考核内容包括:安全制度建设是否规范、完备;安全制度的发布和宣传是否到位;安全制度的执行情况。
(2)安全生产责任制落实情况考核内容包括:安全责任制的建立是否健全;相关岗位责任是否明确;安全责任的落实情况。
(3)安全隐患排查整改考核内容包括:安全隐患排查是否定期开展;安全隐患整改是否及时;隐患整改率是否达标。
(4)安全监测与评估考核内容包括:安全监测设备的完好率;安全监测数据的准确性;安全评估的结果。
2.2 事故事件处理(1)事故事件的发生及处理情况考核内容包括:事故事件的数量;事故事件的处理及善后情况;事故事件处理程序是否规范。
(2)事故调查分析考核内容包括:事故调查程序是否完备;事故调查报告是否详实;事故原因分析的准确性。
(3)事故预案执行情况考核内容包括:事故预案是否制定;事故预案执行的合理性;事故预案演练的效果。
2.3 安全培训教育(1)安全培训计划制定考核内容包括:安全培训计划是否合理;培训内容是否与实际需要相符;培训计划的执行情况。
(2)培训师资队伍建设考核内容包括:培训师资队伍的数量和结构;培训师资队伍的素质;培训师资队伍的培训效果。
(3)培训效果评估考核内容包括:培训效果的评估方式是否科学;培训效果的评估结果;培训效果的改进措施。
三、考核方法考核将采取综合评价的方法,即将上述各项考核指标进行综合评分。
具体评分方式如下:3.1 按照考核指标的重要程度分配权重,确保各个维度的重要程度得到合理的体现。
3.2 每个考核指标设定相应的评分标准,包括优秀、良好、合格和不合格等级。
车间安全生产目标考核表背景介绍安全生产是企业的首要任务,为确保车间安全生产,需要建立科学的考核机制,对车间安全生产目标进行定期考核,及时发现问题,采取有效措施进行改进和提升。
因此,建立一份车间安全生产目标考核表,对车间各项安全生产目标进行清晰的量化指标和考核标准,是车间安全生产管理不可或缺的一部分。
车间安全生产目标考核表1. 安全设施完好率安全设施指车间内各种安全装置、防护措施等,如防护网、灭火器等。
安全设施完好率是指所有安全设施的正常工作状态的百分比。
考核标准:安全设施完好率不得低于95%。
2. 安全培训参与率安全培训是车间提升员工安全意识和安全技能的重要手段,参与率是指车间员工参加安全培训人数与车间总员工数之比。
考核标准:安全培训参与率不得低于90%。
3. 安全事故率安全事故率是指车间内发生安全事故的次数和车间工作时长的比值,常用于衡量车间的安全运营情况,衡量车间安全管理工作的效果。
考核标准:安全事故率不得高于车间业内平均水平。
4. 安全检查合格率安全检查是车间自我管理和监督的重要组成部分,合格率是指车间安全检查合格次数与总检查次数之比。
考核标准:安全检查合格率不得低于95%。
5. 安全奖励措施安全奖励措施是指车间对优秀安全员工采取的一系列褒奖措施,如表彰、奖金等。
考核标准:安全奖励措施应该绩效导向,根据员工表现进行公正、公平评分,无差别发放奖金。
结语车间安全生产目标考核表可根据企业具体车间的实际情况进行量身定制,是车间安全生产管理的重要手段之一。
在日常的安全生产管理中,不仅要按照考核表进行自查自纠,也要定期组织安全检查,对车间存在的风险进行分析和评估,引导车间员工树立安全意识、增强安全文化,全面提高车间安全生产管理水平。
企业安全生产考核表
(说明:本方案为word格式,下载后可自由编辑)
目录
目录 (2)
一、被考核部门(法人、主要负责人):总经理 (3)
二、被考核部门(副总、专职安全员):专职安全员 (5)
三、被考核部门(部门考核表):总经办 (7)
四、被考核部门(部门考核表):财务部 (8)
五、被考核部门(部门考核表):销售部 (9)
六、被考核部门(部门考核表):技术部 (10)
七、被考核部门(部门考核表):生产部 (11)
八、被考核部门(部门考核表):物控部 (12)
九、被考核部门(部门考核表):采购部 (13)
十、被考核部门(部门考核表):仓库 (14)
十一、被考核部门(部门考核表):品管部 (15)
十二、被考核部门(部门考核表):车间主任 (16)
十三、被考核部门(部门考核表):班组长 (17)
十四、被考核部门(部门考核表):特种人员 (18)
一、被考核部门(法人、主要负责人):总经理
考核部门及人员:工会第 2 季度
二、被考核部门(专职安全员):专职安全员
考核部门及人员:总经理第 2 季度
考核部门及人员:总经理第 2 季度
考核部门及人员:总经理第 2 季度
考核部门及人员:总经理第 2 季度
考核部门及人员:总经理第 2 季度
考核部门及人员:总经理第 3 季度
考核部门及人员:总经理第 3 季度
考核部门及人员:总经理第 2 季度
考核部门及人员:计划部第 2 季度
考核部门及人员:总经理第 2 季度
考核部门及人员:生产部第 2 季度
考核部门及人员:车间主任第 2 季度
考核部门及人员:安全员第 2 季度。
生产车间安全生产指标考核表1. 背景介绍随着现代化生产方式的不断演进,生产车间的规模和产量也越来越大。
然而,由于生产现场存在众多高风险作业和设备,生产车间的安全生产问题愈加引人关注。
为了不断提升生产车间的安全生产水平,各企业需要建立科学的安全生产管理体系,不断优化安全生产考核指标体系,增强安全生产意识和责任意识。
本文将讨论生产车间安全生产指标考核表的编制方法和考核指标设置,以期为企业安全生产管理提供参考。
2. 编制方法2.1 考核指标确定编制生产车间安全生产指标考核表需要选定可行的考核指标,并且确保这些指标能够全面地反映生产车间的安全生产状况。
在指标的确定过程中,可以借鉴国家、行业标准,结合企业的实际情况,选定与生产车间安全生产密切相关的安全生产指标。
常见的生产车间安全生产指标包括事故发生率、事故死亡率、事故工伤率、安全检查合格率、安全培训覆盖率、事故隐患排查率等。
在确定考核指标时,还需要分类、加权计算,以便反映指标的相关重要性。
2.2 考核表制作生产车间安全生产指标考核表通常包括表头、考核指标、数据、标准与累加得分四个部分。
其中表头列出表格的名称、考核周期、主管部门和填表时间等信息;考核指标列出各项具体考核指标;数据部分列出实际数据和标准数据;标准与累加得分列出考核标准和得分情况。
3. 考核指标设置3.1 事故发生率事故发生率是反映生产车间安全生产状况的重要指标之一。
事故发生率的计算公式为:事故发生率 = 事故件数 / 万小时工作时间。
企业在生产车间安全生产指标考核表中通常会设定事故发生率指标,并对指标的值进行评分。
例如,当事故发生率小于等于0.2‰时,得1分;当事故发生率在0.2‰至0.5‰之间时,得0.5分;当事故发生率大于0.5‰时,得0分。
通过对事故发生率指标的考核,可以有效提高企业生产车间的安全生产水平。
3.2 事故死亡率事故死亡率是反映事故损失的重要指标之一。
事故死亡率的计算公式为:事故死亡率 = 死亡人数 / 事故件数。
车间安全生产考核表1、生产企业安全生产责任书及考核标准?安全生产部职责一、牢固树立“安全第一、预防为主、综合治理”的安全生产方针,不断推动施工现场文明施工的进程,完善企业安全文化建设,逐步提高全员的安全综合素质,以安全生产、文明施工标准化管理,树立企业形象,打造锦华品牌。
二、认真宣传贯彻执行党和国家的安全生产方针、政策、法令、法规、标准、规范及上级的指示精神。
结合企业情况制定贯彻实施的措施,并指导、督促、检查执行情况。
三、结合集团公司年度目标,制定工作计划,定期与不定期布置、督促、检查和总结部室及集团公司的安全生产、文明施工、环境、职业健康安全、卫生等方面的工作。
四、认真组织开展安全生产、文明施工、环境、职业健康安全、卫生等方面的指导、监督、检查、教育工作,加强对新入场职工的上岗培训。
五、组织开展各项安全生产竞赛活动,不断创新推动先进的安全管理经验。
六、负责安全技术施工组织设计、安全技术措施、安全生产事故应急救援预案的审核与落实工作。
七、负责建立和完善安全生产保障体系,并做好三标一体的运行、审核、内外联络等工作。
八、负责安全事故应急预案的审核、演练等工作,对发生的安全生产事故进行处理、统计上报等工作。
九、定期召开安全动态分析会议,解决生产中存在的安全问题,提出整改建议。
积极参加迎接上级主管部门的各项检查工作,并搞好组织、协调、准备工作。
十、参加伤亡事故的调查和处理,提出预防事故的措施,并督促按期整改。
十一、对施工现场的安全防护、文明施工、环境、职业健康安全、卫生等方面的管理工作,进行指导、监督、检查和验收。
十二、积极组织参加上级主管部门开展的各种安全生产竞赛活动,抓好专项治理工作,按照集团公司的奖惩实施细则,奖优罚劣,评优树先。
十三、加强劳务队伍管理,推广公开招投标制度,审核劳务分包施工合同。
十四、定期对集团公司的安全生产条件动态管理状况作出评价,对集团公司所属子公司年度环境、职业健康安全目标完成情况进行动态考评,并向分管经理和总经理报告。
( 安全管理 )
单位:_________________________
姓名:_________________________
日期:_________________________
精品文档 / Word文档 / 文字可改
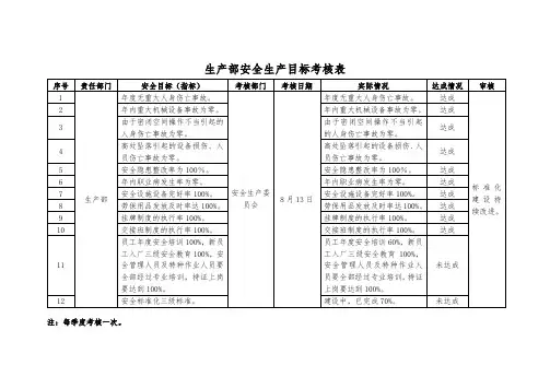
生产车间安全生产指标考核表
(2020新版)
Safety management is an important part of production management. Safety and production are in
the implementation process
生产车间安全生产指标考核表(2020新版)
序号
考核项目
考核分数
考核细目
自评分
考核得分
1
贯彻落实安全生产法律规
5
有违反安全生产法律法规的不得分
2
贯彻落实安全生产规章制度
5
有违反安全生产规章制度的不得分
3
落实安全责任
36
※生产责任死亡事故率0
※重大安全责任事故率0
※生产责任事故负伤率0
用电安全事故0
※重大火灾事故率0
责任人安全会议参加率98%
安全隐患整改落实率100%
全员安全培训教育合格率100%
安全事故责任追责落实率100%
安全事故整改措施落落实率100%
全体员工健康检查率100%
(※项未达标扣5分,其余项扣1分)
4
落实业务保安责任
10
发生负同责以上道路交通事故扣10分
5
参加项目不安全会议
20
每少参加一次扣5分(事故请假的扣3分)6
参加安全大检查
20
每少参加一次扣5分(事故请假的扣3分)7
社会综合治理
4
发生违法犯罪的扣5分
发生违纪案件的扣5分
云博创意设计
MzYunBo Creative Design Co., Ltd.。