EPS胶粉聚苯颗粒保温浆料
- 格式:doc
- 大小:102.00 KB
- 文档页数:4
南江县实验小学灾后重建一期工程外墙外保温施工方案建设单位:南江县实验小学施工单位:长业建设集团西南公司编制日期:2010年5月胶粉EPS聚苯颗粒保温砂浆外墙外保温施工方案1.工程概况南江县实验小学灾后重建一路工程位于南江县红塔村简家坝校区,总建筑面积15100m2,结构层数D、D一、D二、D3、C、E栋为地上四层,B、WC-一、WC-二、走廊为地上五层。
结构形式为框架填充墙结构。
本工程保温系统采纳搅拌胶粉EPS聚苯颗粒保温浆料保温系统,外墙窗保温均采纳断热节能材料。
本工程由港澳援建,由巴中市地质勘测设计院设计,由成都交大建设工程监理,由长业建设集团西南公司承建。
2.编制依据一、设计图纸文件。
二、外墙保温工程技术规程JGJ144—2004。
3、住宅建筑节能工程,施工质量验收规程DGJ08-113—200五、J10598—2005。
3.外墙外保温材料一、粘结砂浆二、胶粉聚苯颗粒3、锚栓4、双层耐碱玻纤网格布五、抹面砂浆六、钢丝网4.要紧施工工具电动搅拌器、搅拌机、颜料搅拌桶、电箱、壁纸刀、墨斗、棕刷、铁抹子、槽抹子、角抹子、拉线、钢卷尺、铝合金括尺、拖线板、冲击钻、锺子等。
5.施工前预备工作一、施工人员、材料(1)、测绘工程面积,计算施工材料用量;(2)计算用工量;(3)人员、材料进场。
二、施工工具(1)手提式低速电动搅拌器(可用电锤);(2)脚手架(架管或管头与基层墙面间距不该小于200MM,以便于施工)、吊篮、吊绳、跳板(必需有平安检测报告及相关查验手续、施工人员必需有高空作业证);(3)平安设备:平安带、平安帽、平安网、平安围栏、指示牌;(4)其它设备:插头、插座、防水电线、平安电箱(220V);(5)检查脚手架、(吊篮)不得有任何平安隐患;(6)检查平安设备、电器设备;(7)检查施工用水、电的情形;(8)现场施工条件验收。
3、施工条件(1)门窗框应安装到位,砌体施工完毕及验收终止。
保证墙面清洁、干燥、无松散的砂浆和杂物,基层处置应符合《建筑装饰装修工程质量验收规程》(GB50210)中一样抹灰工程质量要求。
胶粉聚苯颗粒保温浆料外墙外保温施工方法1.材料准备首先需要准备好施工所需的材料,包括胶粉聚苯颗粒保温浆料、外墙保温网、基层处理材料、粘结剂等。
2.基层处理在进行胶粉聚苯颗粒保温浆料施工前,需要对墙面进行处理。
首先清理墙面上的灰尘、油污等杂物,确保墙面干净。
然后对墙面进行打磨,使其表面粗糙,增加与保温层的附着力。
最后,在墙面上涂抹基层处理材料,均匀覆盖整个墙面。
3.固定保温网在基层处理材料还没有干透之前,将外墙保温网铺贴在墙面上。
保温网的铺贴需要从底部开始,逐步向上铺贴,保证网格之间的重叠部分不低于10厘米。
同时,在窗户四周和墙角处要做好折角处理,确保保温网牢固。
4.涂抹胶粉聚苯颗粒保温浆料等到基层处理材料和保温网都干透后,开始涂抹胶粉聚苯颗粒保温浆料。
首先,根据施工需要将浆料倒入水槽中,加入适量的清水搅拌均匀。
然后用刮板将浆料均匀地涂抹在保温网上,厚度一般为2-3毫米。
涂抹时要注意保持均匀的厚度,确保整个墙面保温层的一致性。
5.保温层处理涂抹完胶粉聚苯颗粒保温浆料后,要进行保温层的处理。
首先利用刮板将保温层表面进行打磨,以提高保温层的平整度。
然后可以在保温层表面进行纹理处理,增加外墙的美观性。
最后根据施工要求进行保温层的防水处理,以确保墙体的防水性能。
6.保温层的养护保温层施工完成后,需要进行一定的养护。
首先要保持施工现场的通风和湿润环境,以避免保温层过快脱水。
其次,在保温层表面覆盖一层湿润的塑料薄膜,定期进行湿润保持,以提高保温层的强度和稳定性。
最后要避免在保温层施工完成后过早进行其他施工操作,以免损坏保温层。
以上是胶粉聚苯颗粒保温浆料外墙外保温施工的基本方法。
在实际施工中,还需根据具体条件和要求进行合理调整和操作,确保施工质量和效果。
胶粉聚苯颗粒浆料贴砌EPS板外保温系统的规定(通用版)
胶粉聚苯颗粒浆料贴砌EPS板外保温系统应由界面砂浆层、胶粉聚苯颗粒贴砌浆料层、EPS 板保温层、胶粉聚苯颗粒贴砌浆料层、抹面层和饰面层构成,规定要求如下:
1、胶粉聚苯颗粒浆料贴砌EPS板外保温系统材料
1)抹面层中应满铺玻纤网,饰面层可为涂料或饰面砂浆;
2)胶粉聚苯颗粒浆料贴砌EPS板外保温系统
1-基层墙体;2-界面砂浆;3-胶粉聚苯颗粒贴砌浆料;4-EPS板;5-胶粉聚苯颗粒贴砌浆料;6-抹面胶浆复合玻纤网;7-饰面层
2、进场前EPS板内外表面应预喷刷界面砂浆。
3、单块EPS板面积不宜大于0.3m2。
4、EPS板与基层墙体的粘贴面上宜开设凹槽。
5、贴砌浆料性能应符合标准表的规定。
6、保温层导热系数可按下式计算:
7、粉聚苯颗粒浆料贴砌EPS板外保温系统的施工应符合下列规定:
1)基层墙体表面应喷刷界面砂浆;
2)EPS板应使用贴砌浆料砌筑在基层墙体上,EPS板之间的灰缝宽度宜为10mm,灰缝中的贴砌浆料应饱满;
3)按顺砌方式贴砌EPS板,竖缝应逐行错缝,墙角处排板应交错互锁,门窗洞口四角处EPS板不得拼接,应采用整块EPS板切割成形,EPS板接缝应离开角部至少200mm;
4)EPS板贴砌完成24h之后,应采用胶粉聚苯颗粒贴砌浆料进行找平,找平层厚度不宜小于15mm;
5)找平层施工完成24h之后,应进行抹面层施工。
胶粉聚苯颗粒保温浆料内容摘要::通过实践,对胶粉聚苯颗粒保温砂浆外墙保温系统的施工工艺、质量控制等方面取得了相关经验,为胶粉聚苯颗粒砂浆保温技术在夏热冬冷地区的应用起到了极大的推进作用:外墙保温;施工工艺;聚苯颗粒;抗裂砂浆;质量控制随着科学的发展与进步,全球气温的恶性变化,环保节能工作的越来越重视,这几年在南方地区的建筑工程中,越来越多地使用胶粉聚苯颗粒保温砂浆外墙保温施工工艺。
胶粉聚苯颗粒保温砂浆的施工,由保温层、抗裂防护层、防水层、装饰层等部分组成,保温层采用胶粉聚苯颗粒保温浆料,抗裂保护层采用专用柔性抗裂砂浆加铁丝网,在辅以柔性耐水腻子做防水、整平处理,同时保温层的外面可采用各种饰面的一种施工方法。
一、施工程序胶粉聚苯颗粒保温浆料体系多层、高层外墙外保温施工程序:基层墙体处理→墙体基层涂刷专用界面砂浆→吊垂直、套方、弹控制线→用保温浆料作灰饼、作冲筋、作口→每层加钉L型金属分层条。
用射钉枪在混凝土墙面上每50cm钉一个带尾孔射钉,穿镀锌铅丝(高度>30m)→每遍抹保温浆料约20㎜→距保温层表面20㎜处用镀锌铅丝将钢丝网绑牢压入保温浆料表面(高度>30m)→24h后,抹20㎜厚聚苯颗粒保温浆料找平→晾置干燥,平整度、垂直度验收→划分格线、开色带分格槽、门、窗、口、滴水槽→抹抗裂砂浆,铺压玻纤网布→首层墙阳角安装钢护角、抹第二遍抗裂砂浆、压入第二层玻纤网格布→抗裂防护层验收→涂刷高分子乳液防水弹性底层涂料→刮柔性耐水腻子→保温施工整体验收→外墙各种饰面施工。
二、主要施工方法1.聚苯颗粒保温浆料施工(1)在聚苯颗粒保温浆料施工前,应将墙面垂直、套方找规矩、弹厚度控制线,拉垂直、水平通线,套方作口,按厚度线用聚苯颗粒浆料作标准灰饼或冲筋。
(2)聚苯颗粒保温浆料的配制:先将35-40kg水倒入砂浆搅拌机内,然后倒入一袋25kg胶粉料搅拌3-5分钟后,再倒入一袋200L聚苯颗粒继续搅拌5分钟,可按施工稠度适当调整加水量,搅拌均匀后倒出。
胶粉聚苯颗粒保温浆料涂料饰面外墙外保温工程施工2特点胶粉聚苯颗粒外墙外保温系统具有良好保温隔热性能,抗裂性能好,抗火灾能力强,抗风压性能好,适应墙面及门、窗、拐角、圈梁、柱等变化,操作方便。
材料的利用率高,基层剔补量小,节约人工费。
是一种适用范围广、技术成熟度高、施工可操作性强、施工质量易控、性价比优的外墙外保温系统。
3适用范围胶粉聚苯颗粒保温浆料外墙外保温工法适用于北方地区不采暖楼梯间隔墙保温及加气混凝土砌块等砌体墙的外墙外保温,也适用于南方地区钢筋混凝土墙体及各类砌体墙体的外墙外保温,可应用于新建建筑,也可应用于各类既有建筑的节能改造工程。
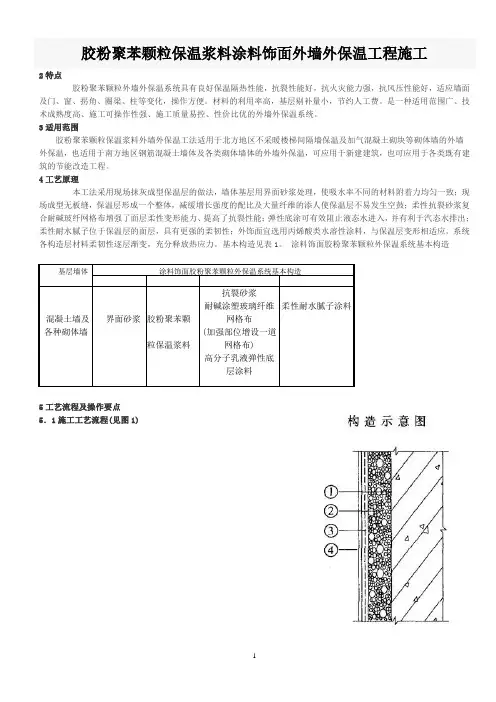
4工艺原理本工法采用现场抹灰成型保温层的做法,墙体基层用界面砂浆处理,使吸水率不同的材料附着力均匀一致;现场成型无板缝,保温层形成一个整体,减缓增长强度的配比及大量纤维的添人使保温层不易发生空鼓;柔性抗裂砂浆复合耐碱玻纤网格布增强了面层柔性变形能力、提高了抗裂性能;弹性底涂可有效阻止液态水进入,并有利于汽态水排出;柔性耐水腻子位于保温层的面层,具有更强的柔韧性;外饰面宜选用丙烯酸类水溶性涂料,与保温层变形相适应。
系统各构造层材料柔韧性逐层渐变,充分释放热应力。
基本构造见表1。
涂料饰面胶粉聚苯颗粒外保温系统基本构造5工艺流程及操作要点5.1施工工艺流程(见图1)5.2操作方法和要求5.2.1施工准备(1)基层墙体应符合《混凝土结构工程施工质量验收规范》(GB 50204--2002)和《砌体工程施工质量验收规范》(GB 50203--2002)及相应基层墙体质量验收规范的要求,保温施工前应会同相关部门做好结构验收的确认。
如基层墙体偏差过大,则应抹砂浆找平。
、(2)房屋各大角的控制钢垂线安装完毕。
高层建筑及超高层建筑时,钢垂线应用经纬仪检验合格。
(3)外墙面的阳台栏杆,雨落管托架,外挂消防梯等安装完毕,并应考虑到保温系统厚度的影响。
(4)外窗的辅框安装完毕。
胶粉聚苯颗粒保温砂浆优缺点有哪些
胶粉聚苯颗粒保温砂浆是一种胶凝装修材料,保温隔热性能好、抗压强度高的特点。
接下来小柒就和大家说说这胶粉聚苯颗粒保温砂浆优缺点知识。
一、胶粉聚苯颗粒保温砂浆优缺点
1、优点
(1)造价适中,性价比高。
(2)阻燃性好,对基层平整度要求不高。
(3)抹灰成型,整体性能好,适用于异型墙面。
2、缺点
(1)施工要求较高。
(2)厚度不易控制。
(3)档次相对较低。
二、胶粉聚苯颗粒保温砂浆性能指标
以上就是胶粉聚苯颗粒保温砂浆优缺点和性能指标介绍了,希望对大家有帮助。
胶粉聚苯颗粒保温浆料的配制:先开机,将25~28kg水倒入砂浆搅拌机内,然后倒入一袋25kg胶粉料搅拌3飞min后,成均匀稠浆料,再慢慢倒入一袋称量好的聚苯颗粒(约150L)继续搅拌3~5min,搅拌均匀后倒出。
该浆料应随拌随用,在4h内用完。
注意应搭设搅拌棚,胶粉聚苯颗粒保温浆料应在搅拌棚内用砂浆搅拌机搅拌,以防止聚苯颗粒飞散,影响现场文明施工。
聚苯颗粒轻骨料露天存放时,用苫布或细目安全网覆盖。
胶粉贮存应注意防潮、防雨。
搅拌完毕及时清洗搅拌设备,整理作业现场。
质量控制要点:1培训专人配置,注意加水量,采用规定的桶估算加水,最后加水量水调节;2经培训后的人熟悉通过稠度控制加水量,两种稠度控制:胶浆量稠度和保温砂浆的稠度;3控制好保温浆料充分搅拌时间,使用先后的规定时间(宜在2小时内)用完。
我公司生产的胶粉聚苯颗粒适用于多层及100米以下的高层建筑混凝土、小型混凝土砌块、非粘土砖和烧结砖砌筑的外墙外保温工程及同类基层既有建筑的节能改造工程,和外墙内保温、墙体内侧进行保温抹灰施工的工程。
♦胶粉聚苯颗粒保温浆料由胶粉与聚苯颗粒轻骨料按1: 1 (1代胶粉配比1袋聚苯颗粒) 配制而成,两种材料分袋包装,使用时按比例加水搅拌制成。
♦胶粉聚苯颗粒保温系统技术性能♦性能特点(1) 、防火性能好,具有极好的耐候性,导热系数低保温性能好,软化系数高,耐冻融及抗老化。
(2) 、与其他施工作业配合较好,施工速度快。
(3) 、对平整度要求不高的基层施工适应好,可以减少大量的剔凿工序,施工质量好。
(4) 、每平米造价低,经济效益好。
♦材料配制(1) 、墙体光滑或混凝土墙面需要界面外理,界面剂;中砂;水泥按1:1:1重量比,搅拌成均匀浆状。
(2) 、聚苯颗粒保温浆料先将适量水倒入砂浆搅拌机内,然后倒入一袋25kg胶粉料搅拌3-5min后,再倒入一袋125升聚苯颗粒继续搅拌3min,可按施工稠度适当调整,搅拌均匀倒出。
应随搅拌随用,在4h内用完。
胶粉EPS颗粒保温浆料外墙保温工程施工工艺
A、一般规定
1、胶粉EPS颗粒保温浆料材料应采取防雨、防潮的措施,并应分类堆放,防止混杂。
3、胶粉EPS颗粒保温浆料保温层厚度不宜超过100mm。
必要时应设置抗裂分隔缝。
B、现场胶粉EPS颗粒保温浆料外墙外保温工程施工
1、工艺流程:基层处理→贴饼冲筋→抹保温浆料→抹面胶浆耐碱网布→细部处理→饰面层施工。
2、施工前,应根据工程量及工期要求准备好足够的材料,确保施工的连续性。
3、基层表面应清理干净,无油污、浮尘等,大于10mm的凸起物应剔除铲平。
4、胶粉EPS颗粒保温浆料宜分遍抹灰,每遍间隔时间应在24小时以上,每遍厚度不宜超过20mm。
第一遍抹灰应压实,最后一遍应找平,并用大杠搓平。
5、保温层硬化后,应现场检验保温层厚度并现场取样检验胶粉EPS颗粒保温浆料干密度。
6、现场取样胶粉EPS颗粒保温浆料干密度不应大于250kg/m3,并且不应小于180kg/m3现场检验保温层厚度应符合设计要求,不得有负偏差。
7、根据胶粉EPS颗粒保温浆料保温层的设计厚度,一个施工作
业面应分层喷涂完成,当日的施工作业面必须于当日连续抹涂施工完毕。
8、胶粉聚苯颗粒保温浆料找平施工:
(1)抹胶粉聚苯颗粒保温浆料找平时,宜分两遍施工,每遍间隔在24h以上;
(2)抹头遍聚苯颗粒保温浆料,厚度应该以不超过1cm为宜,以免产生空鼓;
(3)第二遍操作时应达到冲筋厚度并用大杆搓平,用抹子局部修补平整;30mm后,用抹子再赶抹墙面,用托线尺检测后达到验收标准。
(4)找平层固化干燥后(用手掌按不动表面为宜,一般为3-7d)后方可进行抗裂层施工。
胶粉聚苯颗粒保温浆料提纲:1. 聚苯颗粒保温浆料的特点和优点;2. 聚苯颗粒保温浆料在建筑中的应用;3. 聚苯颗粒保温浆料的施工工艺;4. 聚苯颗粒保温浆料的环保性;5. 聚苯颗粒保温浆料的相关标准和检测方法。
一、聚苯颗粒保温浆料的特点和优点聚苯颗粒保温浆料是一种由聚苯乙烯颗粒、水泥、黏合剂、加强纤维等组成的保温材料。
其特点是保温性能优异,可以有效降低建筑物的能耗;施工方便,可喷涂、涂刷等多种方式进行;耐水、耐候性好,长期使用寿命较长;具有良好的加筋和抗裂能力,可以防止外墙出现开裂和变形等情况。
聚苯颗粒保温浆料的优点主要包括以下几个方面:1. 保温性能好:由于聚苯颗粒保温浆料具有较低的热导率,因此能够有效地减少建筑物的热损失,提高建筑物的保温效果,降低能耗。
2. 施工方便:聚苯颗粒保温浆料可以通过喷涂、涂刷等多种方式进行施工,施工过程简单,操作性强,能够大幅度提高施工效率,缩短施工周期。
3. 耐水、耐候性强:聚苯颗粒保温浆料具有较好的耐水、耐候性能,能够有效地防止因为雨水、风吹雨打等自然灾害造成的建筑物壁体损坏,从而延长建筑物的使用寿命。
4. 加筋和抗裂能力强:聚苯颗粒保温浆料中的加强纤维能够有效地提高其加筋和抗裂能力,防止外墙出现开裂、变形等问题,提高房屋的安全性。
二、聚苯颗粒保温浆料在建筑中的应用聚苯颗粒保温浆料在建筑中的应用范围非常广泛。
在建筑物外墙保温中,聚苯颗粒保温浆料是目前使用最广泛的保温材料之一,能够有效地提高墙体的保温性能。
在屋顶保温和地面保温中,聚苯颗粒保温浆料也可以使用。
除此之外,在隔墙保温、通风管道保温等方面,聚苯颗粒保温浆料都有很好的应用前景。
聚苯颗粒保温浆料在建筑中的应用具有以下优势:1. 能够提高建筑物的保温性能,降低能耗,从而起到节能减排的作用。
2. 可以有效地防止墙体产生温度变化、潮气凝积等问题,维护室内环境的舒适性。
3. 能够保持建筑物外观的整洁、美观,提升建筑物的价值和品位。
胶粉EPS聚苯颗粒外保温施工质量探析导言胶粉EPS保温浆料(以下简称保温浆料)外墙保温体系作为比较成熟的外墙保温系统,对基体平整度要求较低,施工适应性良好,对结构有很强的找平纠偏作用施工操作简便,饰面层既可刷涂料,亦可贴面砖,因此得到广泛应用。
但是,保温浆料外墙保温系统在实际应用中也容易出现保温层空鼓、开裂、脱落和保温效果达不到设计要求等质量问题。
因此,探讨胶粉EPS聚苯颗粒外保温施工质量很有必要。
施工质量问题1.保温浆料质量不达标保温浆料由胶粉料和聚苯颗粒两部分组成。
胶粉料由无机胶凝材料与多种高分子聚合物添加剂在工厂采用预混合干拌技术制成,外加剂种类繁多,添加剂的计量精确度、混合均匀度等对产品的各项性能指标产生重大的影响。
目前,生产厂家众多,生产工艺水平悬殊,具备生产干粉料实力的企业寥寥无几,多数企业仅生产水剂类外加剂,需要现场配制,现场质量控制难度很大。
聚苯颗粒质量的好坏也是关键,膨胀聚苯乙烯由许多全封闭的多面体蜂窝组成,如果采用废旧聚苯乙烯板破碎方法,则可能破坏膨胀聚苯乙烯颗粒的多面体蜂窝,降低聚苯乙烯颗粒的保温效果。
2.保温浆料配合比不准确聚苯颗粒体积比小于80%,聚苯颗粒掺量过少,保温层的热导率大于0.06W/(m·K),水灰比控制不严,具有随意性。
3.基层墙体未经验收基层墙体没有经过验收,就进行保温层施工。
由于基体表面不平整,在施工保温层时,一边用普通砂浆找平,一边批抹保温浆料,造成保温层厚度难以控制、厚薄不一;甚至为了降低成本而随意减小保温层厚度,削弱保温效果。
保温层、抗裂砂浆层和饰面层的施工间隔时间短,材料没有充分硬化,尤其在高湿度和低温天气条件下,硬化过程更慢,表面上看似硬化和干燥,实际上未在整个厚度内充分硬化和干燥。
4.施工不规范保温施工人员没有经过培训,施工不规范黄没有批抹界面砂浆,直接在墙体基层上批抹保温浆料,造成保温浆料与基层墙体的粘结强度差,易出现空鼓、脱落,主要表现在以下几个方面:一是灰饼、标筋由普通砂浆制作,形成数量众多的热桥,在普通砂浆与保温胶浆界面处易产生裂缝,对保温效果和工程质量产生不良影响;二是保温层组成材料由不同的供应商提供,界面砂浆、胶粉料、聚苯颗粒、抗裂砂浆和玻璃纤维网格布分别采购不同厂家的产品,造成了相邻的材料不相容、不匹配;三是普通水泥砂浆作为保温层表面的找平及保护层材料,水泥砂浆早期强度增长周期短、收缩周期长,收缩率比保温材料大,相邻材料变形速度差过大,造成面层产生裂缝、脱落;四是涂料饰面层采用普通腻子和涂料,饰面材料柔性指标不满足要求,涂层易开裂、破碎和脱落。
1 胶粉EPS颗粒保温浆料外墙外保温本章适用于新建居住建筑的混凝土和砌体结构外墙外保温工程。
新建工业建筑、公共建筑和既有建筑外墙外保温工程可参照执行。
1.1 材料要求1.1.1 保温材料及其配套材料进入现场应进行复检,包括材料的合格证、检测报告是否齐全,是否与所送材料配套;检查包装有无破损;检查材料是否在有效期内。
1.1.2 建筑用界面处理剂应符合《建筑用界面处理剂应用技术规程》(DBJ/T01-40-98)要求。
1.1.3 胶粉聚苯颗粒保温浆料、聚苯颗粒、保温胶粉料、水泥砂浆抗裂剂、建筑涂塑耐碱玻纤网格布、高分子乳液弹性底层涂料、抗裂柔性耐水腻子主要性能指标应符合《外墙外保温施工技术规程》(胶粉聚苯颗粒保温浆料玻纤网格布抗裂砂浆做法)DBJ/01-50-2002的要求。
1.1.4 水泥:强度等级42.5普通硅酸盐水泥,水泥性能符合《硅酸盐水泥、普通硅酸盐水泥》(GB175-99)的要求。
1.1.5 中砂:应符合《普通混凝土砂质量标准及检验方法》(JGJ-92)细度模数的规定,含泥量少于3%。
1.1.6 配套材料主要有专用金属护角(断面尺寸为35mm×35mm×0.5mm,高h=2000mm)等。
1.2 主要机具施工工具主要有强制式砂浆搅拌机、手提搅拌器、垂直运输机械、水平运输手推车、射钉枪、专用检测工具、经纬仪、放线工具、剪刀、滚刷、铁锹、手锤、錾子、壁纸刀、托线板、靠尺、方尺、塞尺、探针、钢尺等。
1.3 作业条件1.3.1 墙面应清理干净,清洗油渍,清扫浮灰等;旧墙面松动、风化部分应剔除干净;墙表面凸起物大于或等于10mm时应剔除。
1.3.2 基层墙体应符合《砌体工程施工质量验收规范》(GB50203-2002)或《混凝土结构工程施工质量验收规范》(GB50204-2002)的要求。
1.3.3 门窗框及墙身上各种进户管线、水落管支架、预埋管件等按设计安装完毕。
对门框在小推车的高度内,包裹铁皮,防止门框破坏。
胶粉eps颗粒保温浆料复验项目胶粉EPS颗粒保温浆料复验项目一、前言随着社会的发展和科技的进步,建筑行业对建筑材料的要求也越来越高。
其中,保温材料作为一种重要的节能环保材料,其性能直接影响到建筑物的保温效果和使用寿命。
而胶粉EPS颗粒保温浆料作为一种新型的保温材料,因其具有良好的保温性能、环保性能和施工简便等优点,已经得到了广泛的应用。
由于市场竞争激烈,部分厂家为了降低成本,可能会使用劣质原材料生产胶粉EPS颗粒保温浆料,导致产品质量参差不齐。
因此,对胶粉EPS颗粒保温浆料进行复验项目是非常必要的,以确保产品的质量和性能达到标准要求。
本文将对胶粉EPS颗粒保温浆料复验项目进行详细的分析和探讨。
二、胶粉EPS颗粒保温浆料复验项目的内容1. 外观检查我们需要对胶粉EPS颗粒保温浆料的外观进行检查。
具体来说,就是要观察其颜色、颗粒形状、大小分布、结块情况等。
优质的胶粉EPS颗粒保温浆料应该是均匀的颜色,颗粒形状规则,大小分布合理,无明显的结块现象。
如果发现有异常情况,需要及时与厂家沟通,以便采取相应的处理措施。
2. 密度检测密度是衡量胶粉EPS颗粒保温浆料质量的一个重要指标。
我们可以通过测量其堆积密度来判断其质量是否达标。
堆积密度是指单位体积内颗粒的质量,通常用克/立方厘米(g/cm3)表示。
在检测过程中,我们需要按照一定的步骤进行操作,如准备样品、测量体积、计算密度等。
还需要注意测量过程中的误差控制,以保证结果的准确性。
3. 导热系数检测导热系数是衡量胶粉EPS颗粒保温浆料隔热性能的一个重要参数。
我们可以通过测量其平均导热系数来评估其隔热性能。
导热系数是指单位时间内热量通过物体表面的能力,通常用W/(m·K)表示。
在检测过程中,我们需要选择合适的设备和方法,如热流计法、热传导仪法等。
还需要注意实验条件的控制,如温度、湿度等,以保证测试结果的可靠性。
4. 抗压强度检测抗压强度是衡量胶粉EPS颗粒保温浆料承重能力的一个重要指标。
胶粉聚苯颗粒保温浆料外墙内保温
6、保温浆料:先将35—45㎏水到入砂浆搅拌机内,然后到入一袋(30
㎏)胶粉料搅拌3-5分钟后,再到入一袋聚苯颗粒(200L)继续搅
拌3分钟,搅拌均匀倒出,胶粉聚苯颗粒保温浆料应边搅边用,一
般在4小时内用完。
五、工艺流程
1、清理墙面,钢筋混凝土墙面涂刷界面剂。
2、墙面冲筋:冲筋应沿500水平线粘贴,向上每隔1米—道水平筋,
然后适当地部一些竖筋,也可以用保温浆料直接冲筋。
3、抹保温浆料:保温浆料根据设计要求分层操作,每次厚度不宜超过
15mm,第一次注意压实,第二次注意压实抹平。
门窗洞口、阴阳
角处应保证方正及垂直度,最少应分两次施工,两次相距24小时
以上,第一次厚度大于第二次,以设计厚度相差±1㎝。
4、在保温浆料上抹抗裂砂浆,厚度控制在±3㎝,用钢抹子将
网格布压入抗裂砂浆内,网眼砂浆饱满度要求达到100%。
网格布
供接宽度不小于50 mm,网格布的边沿严禁干搭接,必须嵌在抗裂
砂浆中,阴角处网格布要求措搭接≥50 mm,阳角处应搭接20 mm,搭接处网眼砂浆饱满度两层都要求达到100%,同时要抹平,找直
保持阴阳角的方正及垂直度。
5、各构造层之间及界面砂浆与基层墙体之间必须粘接牢固,无脱层、
空鼓、裂缝,面层无粉化、起皮、接茬无明显抹纹,线角和灰线平
直方正,清晰美观。
(一)胶粉EPS颗粒保温浆料外保温系统1、胶粉EPS颗粒保温浆料外保温系统(以下简称保温浆料系统)由界面层、保温层、抹面层和饰面层构成。
界面层材料为界面砂浆;保温层材料为胶粉EPS颗粒保温浆料,经现场拌和后抹或喷涂在基层上;抹面层材料为抹面胶浆,抹面胶浆中满铺增强网;饰面层可为涂料和面砖。
当采用涂料饰面时,抹面层中应满铺玻纤网;当采用面砖饰面时,抹面层中应满铺热镀锌电焊网,并用锚栓与基层形成可靠固定。
2、热镀锌电焊网和锚拴性能应符合现行行业标准JG158相关规定。
3、胶粉EPS颗粒保温浆料保温层设计厚度不宜超过100mm。
4、必要时应设置抗裂分隔缝。
5、基层表面应清洁,无油污和脱模剂等妨碍粘结的附着物,空鼓、疏松部位应剔除。
6、胶粉EPS颗粒保温浆料宜分遍抹灰,每遍间隔时间应在24h以上,每遍厚度不宜超过20mm。
第一遍抹灰应压实,最后一遍应找平,并用大杠搓平。
(二)粘贴泡沫塑料保温板外保温系统<1>粘贴泡沫塑料保温板外保温系统(以下简称粘贴保温板系统)由粘结层、保温层、抹面层和饰面层构成。
粘结层材料为胶粘剂,保温层材料可为EPS板、PU板和XPS板,抹面层材料为抹面胶浆,抹面胶浆中满铺增强网;饰面层材料可为涂料或饰面砂浆。
保温板主要依靠胶粘剂固定在基层上,必要时可使用锚栓辅助固定,保温板与基层墙体的粘贴面积不得小于保温板面积的40%。
<2>以EPS板为保温层做面砖饰面时,抹面层中满铺耐碱玻纤网并用锚栓与基层形成可靠固定,保温板与基层墙体的粘贴面积不得小于保温板面积的50%,每平方米宜设置4个锚栓,单个锚栓锚固力应不小于0.30KN。
<3>XPS板两面需使用界面剂时,宜使用水泥基界面剂。
<4>建筑物高度在20m以上时,在受负风压作用较大的部位宜采用锚栓辅助固定。
<5>保温板宽度不宜大于1200mm,高度不宜大于600mm。
<6>必要时应设置抗裂分隔缝。
EPS胶粉聚苯颗粒保温浆料依据:《胶粉聚苯颗粒外墙保温系统》JG/T158-2013实验条件:标准试验条件为,空气温度(23±2)℃。
相对湿度(60±15)%。
在非标准试验条件下试验时,应记录温度和湿度。
干表观密度仪器设备:1、试模:100mm×100mm×100mm钢制有底三联试模,应具有足够的钢度并拆装方便;试模的内表面平整度为每100不超过0.05,组装后各相邻面的不垂直度小于0.5度。
2、油灰刀,抹子3、标准捣棒:直径10㎜,长350㎜的钢棒。
2、试件制备应符合下列要求1、在试模内壁涂刷脱模剂2、将拌合好的胶粉聚苯浆料一次性注满试模并略高于基上表面,用标准捣棒均匀由外向内按螺旋方向轻轻插捣25次,插捣时用力不应过大,尽量不破坏其轻骨料。
为防止留下孔洞,允许用油灰刀沿试模内壁插数次或用橡皮锤轻轻敲击试模四周。
直至孔洞消失,最后高出部分的浆料用抹子沿试模顶面刮去抹平,应成型4个三联试模,12块试件。
3、试件制作好立即用聚乙烯薄膜封闭试件2天,去处聚乙烯薄膜后,再在标准实验室条。
下养护12天。
4、养护结束后将试件在(65±2)℃度温度下烘至恒重,放入干燥器中备用。
恒重的判据为恒温3小时两次称量试件的质量变化应小于0.2%。
测定:1、实验仪器:电热鼓风干燥箱、天平、钢直尺(分度值1㎜)、游标卡尺(分度值0.05㎜)2、试件:随机抽取三块是样品,各加工成一块满足试验设备要求的试件。
试件的长、宽均不得小于100㎜,其厚度为制品的厚度,管壳和弧形板应加工成尽可能后的试样,也可用整块制品作为试件。
步骤:1、在天平上称量试件自然状态下的质量G2,保留5为有效数字。
2、将试件置于干燥箱内,缓慢升温至(110±5)℃(若粘结材料在该温度下发生变化,则应低于其变化温度10℃),烘干至恒定质量。
然后移至干燥器中冷却至室温,恒定质量的判据为恒温3小时两次称量试件质量的变化率小于0.2%。
胶粉eps颗粒保温浆料复验项目1. 胶粉EPS颗粒的基础知识1.1 什么是胶粉EPS颗粒?说起胶粉EPS颗粒,咱们就得先说说它的构成。
简单来说,这是一种以EPS(聚苯乙烯)颗粒为主的保温材料。
要是问我这东西有什么用,嘿,那可多了!它能有效地隔绝热量,减少能量损耗,绝对是家居保温的好帮手。
说到这里,想必大家都在想,保温材料不就是用来让房子不那么冷吗?没错,这就是它的核心价值。
1.2 为什么要复验?那复验又是什么呢?这就像是咱们平时做菜,要不断尝味道,才能确保每一口都是美味。
复验就像是对胶粉EPS颗粒的“健康检查”,确保它们在各种条件下都能发挥最佳性能。
想象一下,如果你买了个高价保温材料,结果它在寒冬里“发软”,那可真是得不偿失啊!2. 复验的流程2.1 检测标准首先,复验得有标准。
这就像是我们去体检,得有一份靠谱的报告单。
胶粉EPS颗粒的复验项目包括导热系数、抗压强度和水分含量等。
导热系数就像是材料的“热量泄露率”,越低越好;抗压强度则是看它能撑得住多大压力;而水分含量,嗯,别让它喝太多水,不然就“水肿”了!2.2 实际操作接下来的步骤就是现场检测了。
这就好比在厨房里做菜,得准备齐全所有的食材和工具。
我们要先把胶粉EPS颗粒取样,然后送去实验室。
在那儿,专业的技术人员会用各种仪器来测量这些数据。
整个过程就像是在舞台上表演,得保证每一个动作都精准到位,才能给观众带来最好的视觉享受。
3. 复验的重要性3.1 保证品质那复验有什么好处呢?首先,最直接的就是保证品质。
经过复验的胶粉EPS颗粒就像是经过严格训练的运动员,实力杠杠的,能在寒冷的冬天里为你挡住刺骨的寒风。
每一个合格的复验报告,都是对产品质量的保证,买得放心,住得安心。
3.2 维护消费者权益再者,复验也是维护消费者权益的重要手段。
你想,假如市场上充斥着不合格的保温材料,那简直是害人不浅啊!通过复验,咱们能把那些“冒牌货”一网打尽,保障大家的使用体验。
胶粉eps颗粒保温浆料复验项目嘿,伙计们!今天我们来聊聊胶粉eps颗粒保温浆料的复验项目,这可是个大家伙,咱们得认真聊一聊。
啥是保温浆料呢?简单来说,就是用来给房子保温的一种材料。
咱们中国人讲究“家和万事兴”,房子也是家的一部分嘛,所以保温浆料可是很重要的哦!那么,胶粉eps颗粒保温浆料是啥呢?它是由胶粉、聚苯乙烯颗粒、膨胀珍珠岩等多种材料混合而成的一种保温材料。
这种材料不仅环保,而且保温效果还很好。
所以,很多开发商和业主都喜欢用这种材料来做房子的保温。
说到复验项目,那可不是闹着玩儿的。
复验项目就是指在生产过程中,对产品进行抽样检测,确保产品质量合格。
这样一来,我们的房子才能保暖又安全哦!那么,胶粉eps颗粒保温浆料的复验项目有哪些呢?接下来,我给大家一一道来。
咱们得看看胶粉的质量。
胶粉是保温浆料的主要成分之一,所以它的质量直接影响到保温浆料的保温效果。
复验项目中,会对胶粉进行拉伸强度、抗压强度、耐水性等多项测试,确保胶粉质量过关。
接下来,咱们来看看聚苯乙烯颗粒的质量。
聚苯乙烯颗粒是保温浆料的另一个重要成分,它的作用是增加保温浆料的硬度和稳定性。
复验项目中,会对聚苯乙烯颗粒的粒度、含量等进行检测,确保聚苯乙烯颗粒质量合格。
除了胶粉和聚苯乙烯颗粒,膨胀珍珠岩也是保温浆料的重要成分之一。
膨胀珍珠岩的作用是增加保温浆料的轻质化程度,提高保温效果。
复验项目中,会对膨胀珍珠岩的粒度、密度等进行检测,确保膨胀珍珠岩质量过关。
好了,胶粉eps颗粒保温浆料的复验项目就介绍到这里啦!大家是不是觉得这些项目很有技术含量啊?其实,这些项目都是为了确保咱们的房子既温暖又安全。
所以,我们在购买保温浆料的时候,一定要注意查看产品的复验报告,选择质量过关的产品哦!咱们再说说保温浆料的价格问题。
有些朋友可能会觉得,这么好的保温浆料一定很贵吧?其实,现在市场上有很多价格实惠的保温浆料,而且品牌也很多。
所以,大家在购买的时候,可以根据自己的需求和预算来选择合适的产品哦!胶粉eps颗粒保温浆料的复验项目是很重要的,它关系到我们房子的保暖效果和安全。
EPS胶粉聚苯颗粒保温浆料
依据:《胶粉聚苯颗粒外墙保温系统》JG/T158-2013
实验条件:标准试验条件为,空气温度(23±2)℃。
相对湿度(60±15)%。
在非标准试验条件下试验时,应记录温度和湿度。
干表观密度
仪器设备:
1、试模:100mm×100mm×100mm钢制有底三联试模,应具有足够的钢度并拆装方便;试模的内表面平整度为每100不超过0.05,组装后各相邻面的不垂直度小于0.5度。
2、油灰刀,抹子
3、标准捣棒:直径10㎜,长350㎜的钢棒。
2、试件制备应符合下列要求
1、在试模内壁涂刷脱模剂
2、将拌合好的胶粉聚苯浆料一次性注满试模并略高于基上表面,用标准捣棒均匀由外向内按螺旋方向轻轻插捣25次,插捣时用力不应过大,尽量不破坏其轻骨料。
为防止留下孔洞,允许用油灰刀沿试模内壁插数次或用橡皮锤轻轻敲击试模四周。
直至孔洞消失,最后高出部分的浆料用抹子沿试模顶面刮去抹平,应成型4个三联试模,12块试件。
3、试件制作好立即用聚乙烯薄膜封闭试件2天,去处聚乙烯薄膜后,再在标准实验室条。
下养护12天。
4、养护结束后将试件在(65±2)℃度温度下烘至恒重,放入干燥器中备用。
恒重的判据为恒温3小时两次称量试件的质量变化应小于0.2%。
测定:
1、实验仪器:电热鼓风干燥箱、天平、钢直尺(分度值1㎜)、游标卡尺(分度值0.05㎜)
2、试件:随机抽取三块是样品,各加工成一块满足试验设备要求的试件。
试件的长、宽均不得小于100㎜,其厚度为制品的厚度,管壳和弧形板应加工成尽可能后的试样,也可用整块制品作为试件。
步骤:
1、在天平上称量试件自然状态下的质量G2,保留5为有效数字。
2、将试件置于干燥箱内,缓慢升温至(110±5)℃(若粘结材料在该温度下发生变化,则应低于其变化温度10℃),烘干至恒定质量。
然后移至干燥器中冷却至室温,恒定质量的判据为恒温3小时两次称量试件质量的变化率小于0.2%。
3、称量试件自然状态下的质量G,保留5位有效数字。
计算结果与评定
1、试件密度按下式计算,精确至1㎏/m³
2、制品的密度为三个试件密度的算术平均值,精确至1㎏/m³。
抗压强度
试验标准:《无机硬质绝热制品试验方法》GB/T5486—2008
仪器设备:
1、试验机:压力试验机或万能试验机,相对示值误差应小于1%,试验机应具有显示受压变形装置。
2、电热鼓风干燥箱
3、干燥器
4、天平:称量2㎏,分度值0.1g。
5、钢直尺:分度值1㎜。
6、游标卡尺:分度值0.05㎜。
7、固含量50%的乳化沥青(或软化点40℃~75℃的石油沥青)1㎜厚的沥青油纸,小漆刷或油漆刮刀,熔化沥青用的坩埚等辅助器具。
试件:
随机抽取四块样品,每块制取一个受压面尺寸均为100mm×100mm的试件,平板(或块)在任一对角线方向距两对角边缘5㎜处到中心位置切取,试件厚度为制品厚度,但不应大于其宽度;弧形板和管壳如不能制成受压面尺寸为100mm×100mm的试件时,可制成受压面尺寸最小为50mm×50mm的试件,试件厚度应尽可能厚,但不小于25㎜,当无法制成该尺寸的试件时,可用同种材料,同工艺制成同厚度的平板替代,试件表面平整,不应有裂纹。
实验步骤
1、将试件置于干燥箱内,缓慢升温至110±5℃(若粘结材料在该温度下发生变化,则应低于其变化温度10℃),烘干至恒定质量。
然后移至干燥器中冷却至室温,恒定质量的判据为恒温3小时两次称量试件质量的变化率小于0.2%,然后将试件移至干燥器中冷却至室温。
2、在试件上、下两受压面距棱边10㎜处用钢直尺(尺寸小于100㎜时用游标卡尺)测量长度和宽度,在厚度的两个对应的中部用钢直尺测量试件的厚度。
长度和宽度测量结果分别为四个测量值的算术平均值,精确至1㎜(尺寸小于100㎜时精确至0.5㎜)厚度测量结果为两个测量值的算术平均值,精确至1㎜。
3、泡沫玻璃绝热制品在试验前应用漆刷或刮刀把浮化沥青或熔化沥青均匀涂在试件上下两个受压面上,要求泡孔刚好涂平,然后将预先裁好的约100mm×100mm大小的沥青油纸覆盖,在涂层上并放置在干燥器中至少干燥24小时。
4、将试件置于试验机的承压板,使试验机承压板的中心与试件中心重合。
5、开动试验机,当上压板与试件接近时,调整球座使试件受压面与承压板均匀接触。
6、以(10±1)㎜/分速度对试件加荷,直至试件破坏。
同时记录压缩变形值,当试件在压缩变形5%时没有破坏,则试样压缩变形5%时的荷载为破坏荷载;记录破坏荷载P1,精确至10N。
结果计算与评定
1、每个试验的抗压强度,精确至0.01MPa
2、制品的抗压强度为四块试件抗压强度的算术平均值,精确至0.01MPa.。