奥太逆变焊机电路图
- 格式:pdf
- 大小:42.21 KB
- 文档页数:1
逆变电焊机原理图的讲解主电路电气原理图主控制板电器原理图:逆变触发电路图:2脉冲及时序板原理图:本机采用三相交流380V电压经三相桥式整流、滤波后供给以新型IGBT为功率开关器件的逆变器3进行变频(20KC)处理后,由中频变压器降压,再经整流输出可供焊接所需的电源,通过集成电路构成的逻辑控制电路对电压、电流信号的反馈进行处理,实现整机闭环控制,采用脉宽调制PWM为核心的控制技术,从而获得快速脉宽调制的恒流特性和优异的焊接工艺效果。
IGBT逆变电焊机工作原理及输出特性这里介绍的逆变器(见图)主要由MOS 场效应管,普通电源变压器构成。
其输出功率取决于MOS 场效应管和电源变压器的功率,免除了烦琐的变压器绕制,适合电子爱好者业余制作中采用。
下面介绍该逆变器的工作原理及制作过程。
--拓普电子1.电路图42.工作原理这里我们将详细介绍这个逆变器的工作原理。
图3方波信号发生器(见图3)这里采用六反相器CD4069构成方波信号发生器。
电路中R1是补偿电阻,用于改善由于电源电压的变化而引起的振荡频率不稳。
电路的振荡是通过电容C1充放电完成的。
其振荡频率为f=1/2.2RC。
图示电路的最大频率为:fmax=1/2.2×3.3×103×2.2×10-6=62.6Hz;最小56频率fmin=1/2.2×4.3×103×2.2×10-6=48.0Hz 。
由于元件的误差,实际值会略有差异。
其它多余的反相器,输入端接地避免影响其它电路。
场效应管驱动电路。
由于方波信号发生器输出的振荡信号电压最大振幅为0~5V ,为充分驱动电源开关电路,这里用TR1、TR2将振荡信号电压放大至0~12V 。
如图4所示。
MOS 场效应管电源开关电路。
这是该装置的核心,在介绍该部分图4图5工作原理之前,先简单解释一下MOS 场效应管的工作原理。
MOS 场效应管也被称为MOS FET,既Metal Oxide Semiconductor Field Effect Transistor (金属氧化物半导体场效应管)的缩写。
NBC系列逆变式弧焊电源调试检验规则受控状态:文件编号:NBC-TJ拟制: 审核: 批准:分发号:拟制: 审核: 批准:1、主要内容及适用范围本规则规定了NBC系列逆变式弧焊电源主控板的调试检验要求、方法及测量仪器。
2、执行标准Q/UNT004-2004 NBC系列逆变式弧焊机3、测量仪器NBC 系列主控板调试台一台示波器TDS210 一台数字万用表VC9805 —块万用表MF-47 —块稳压直流电源HH1710 —台NBC 送丝机一台4、调试检验项目、要求及方法4.1外观元件插装正确完整,紧固件紧固牢靠,焊点均匀、饱满、无虚焊,工艺美观。
4.2其它调试检验要求主控板调试检验规则——第肓附:NBC系列焊机主控板调试检验纪录表NBC 系列焊机主控板调试台原理图NBC 系列焊机送丝机原理图NBC系列焊机主控板调试检验记录表:注:必须在表格内填写实际测试数据,深色格内可以打““”,无关项划“-:注:必须在表格内填写实际测试数据,深色格内可以打“V”,无关项划“-整机调试检验规则NBC-ZJJ共5页第2页序号项目要求测试条件调试出厂1绝缘电阻a、输入回路对机壳:》 2.5M Q断开IGBT吸收板接地导线,断开机架电容板与输出“ +”、- ” 间连线。
注意:测试后恢复正常接线,测试方法见附录1、2。
V b、输出回路对机壳:》 2.5M Qc、输入回路对输出回路:》5M Q2介电强度a、输入回路对机壳:2500VVb、输出回路对机壳:1500Vc、输入回路对输出回路:4000V泄漏电流w 10mA无闪烁或击穿3预检输入对机壳电阻R(入〜壳)〉10M电缆不接电,合闸,用万用表(X10K挡)测试。
V 输入对输出电阻R(入〜出)〉10M输出对机壳电阻R(出〜壳)〉10M输入整流模块+、-间电阻R in (+ 〜-)=240 戈0K输出+、-间电阻Rout (+ 〜-)=200i20Q4印制板插头电压(均为交流)P1 (1) ( 3) =P1 (2) (3) =19 ±V断开整流模块“ +”、“ - ”输出线,不插印制板插头,合闸通电。
逆变触发电路图:脉冲及时序板原理图:IGBT逆变电焊机工作原理及输出特性本机采用三相交流380V电压经三相桥式整流、滤波后供给以新型IGBT为功率开关器件的逆变器进行变频(20KC)处理后,由中频变压器降压,再经整流输出可供焊接所需的电源,通过集成电路构成的逻辑控制电路对电压、电流信号的反馈进行处理,实现整机闭环控制,采用脉宽调制PWM为核心的控制技术,从而获得快速脉宽调制的恒流特性和优异的焊接工艺效果。
DC/AC逆变器的制作-------------------------------------------------------------------------------- 江苏电子网QQ:99296827这里介绍的逆变器(见图)主要由MOS 场效应管,普通电源变压器构成。
其输出功率取决于MOS 场效应管和电源变压器的功率,免除了烦琐的变压器绕制,适合电子爱好者业余制作中采用。
下面介绍该逆变器的工作原理及制作过程。
--拓普电子1.电路图2.工作原理这里我们将详细介绍这个逆变器的工作原理。
方波信号发生器(见图3)图3这里采用六反相器CD4069构成方波信号发生器。
电路中R1是补偿电阻,用于改善由于电源电压的变化而引起的振荡频率不稳。
电路的振荡是通过电容C1充放电完成的。
其振荡频率为f=1/2.2RC。
图示电路的最大频率为:fmax=1/2.2×3.3×103×2.2×10-6=62.6Hz;最小频率fmin=1/2.2×4.3×103×2.2×10-6=48.0Hz。
由于元件的误差,实际值会略有差异。
其它多余的反相器,输入端接地避免影响其它电路。
场效应管驱动电路。
图4由于方波信号发生器输出的振荡信号电压最大振幅为0~5V,为充分驱动电源开关电路,这里用TR1、TR2将振荡信号电压放大至0~12V。
如图4所示。
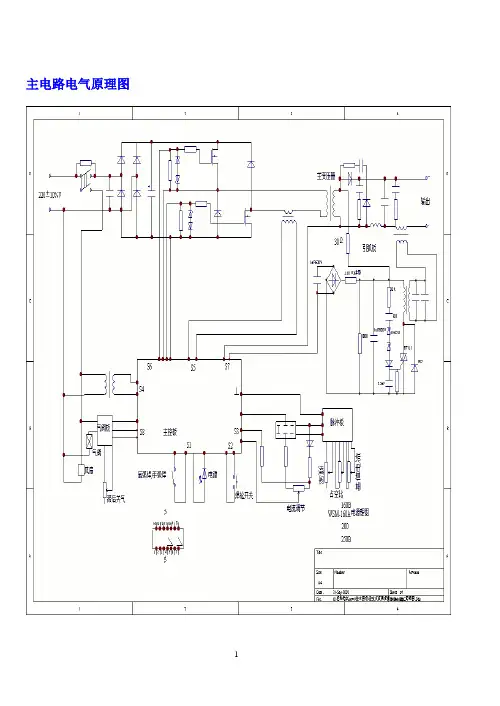
主电路电气原理图主控制板电器原理图:逆变触发电路图:脉冲及时序板原理图:本机采用三相交流380V电压经三相桥式整流、滤波后供给以新型IGBT为功率开关器件的逆变器进行变频(20KC)处理后,由中频变压器降压,再经整流输出可供焊接所需的电源,通过集成电路构成的逻辑控制电路对电压、电流信号的反馈进行处理,实现整机闭环控制,采用脉宽调制PWM为核心的控制技术,从而获得快速脉宽调制的恒流特性和优异的焊接工艺效果。
IGBT逆变电焊机工作原理及输出特性 这里介绍的逆变器(见图)主要由MOS 场效应管,普通电源变压器构成。
其输出功率取决于MOS 场效应管和电源变压器的功率,免除了烦琐的变压器绕制,适合电子爱好者业余制作中采用。
下面介绍该逆变器的工作原理及制作过程。
--拓普电子 1.电路图2.工作原理这里我们将详细介绍这个逆变器的工作原理。
方波信号发生器(见图3) 这里采用六反相器CD4069构成方波信号发生器。
电路中R1是补偿电阻,用于改善图3由于电源电压的变化而引起的振荡频率不稳。
电路的振荡是通过电容C1充放电完成的。
其振荡频率为f=1/2.2RC 。
图示电路的最大频率为:fmax=1/2.2×3.3×103×2.2×10-6=62.6Hz;最小频率fmin=1/2.2×4.3×103×2.2×10-6=48.0Hz 。
由于元件的误差,实际值会略有差异。
其它多余的反相器,输入端接地避免影响其它电路。
场效应管驱动电路。
由于方波信号发生器输出的振荡信号电压最大振幅为0~5V ,为充分驱动电源开关电路,这里用TR1、TR2将振荡信号电压放大至0~12V 。
如图4所示。
MOS 场效应管电源开关电路。
这是该装置的核心,在介绍该部分工作原理之前,先简单解释一下MOS 场效应管的工作原理。
MOS 场效应管也被称为MOS FET , 既Metal OxideSemiconductor Field Effect Transistor (金属氧化物半导体场效应管)的缩写。
逆变焊机主电路原理详细分析首先咱们先从主电路回来学习分析,以后有时间我会继续整理补助电源控制电路驱动电路保护回路等!!分享给大家,希望能帮到大家与大家一起讨论,互相学习。
一、什么叫主回路主回路指焊机中提供功率电源的电路部分。
二、主回路原理图(以ARC160例)三、组成器件说明1、K——电源开关用以接通(或切断)与市电(220V、50赫兹)的联系2、 RT——起动电阻因焊机启动时要给后面的滤波电解电容充电。
为避免过大的开机浪涌电流损坏开关及触发空开跳闸,在开机时接入启动电阻,用以限制浪涌电流。
正常工作后,启动电阻被继电器短路。
实际电路中,为避免因开机浪涌电流冲击造成启动电阻损坏,起动电阻采用了热敏电阻(PTC和NTC),它们具有良好的耐冲击性。
3、 J1——继电器开关接通之后,电流通过启动电阻给滤波电解电容充电,当电容电压达到一定值时,辅助电源开始工作提供24V电,使继电器吸合,将启动电阻短路。
4、 DB——硅桥此硅桥用于一次整流,将市电220V、50赫兹交流电整流后输出308V的直流电。
5、 C1——电解滤波电容整流后输出的308V的直流电为脉动直流,此电容起滤平作用6、 R——放电电阻在关机以后,滤波电容中存有很高电压,为了安全,用此电阻将存电放掉。
7、 C2——高频滤波电容在高频逆变中,需要给开关管提供高频电流,而电解滤波电容因本身电感及引线电感的原因,不能提供高频电流,因此需要高频电容提供。
8、 Q——开关管开关管Q1、Q2、Q3、Q4组成全桥逆变器,在驱动信号作用下,将308V直流转变成100Kz(10万赫兹)交流电的。
9、 C3——隔直电容为避免直流电流流过变压器肇成变压器饱而接入此电容。
10、T1——主变压器变压器的作用是将308V的高压变换成适合电弧焊接所需要的几十伏的低压。
11、D——快速恢复二极管D5、D6的作用是二次整流,即将100KHz的高频交流电流再次转变成直流电流。
12、L1——电抗器电抗器具有平波续流作用,可使输出电流变得连续稳定,保证焊接质量。
主电路电气原理图主控制板电器原理图:逆变触发电路图:脉冲及时序板原理图:本机采用三相交流380V电压经三相桥式整流、滤波后供应以新型IGBT为功率开关器件的逆变器进行变频〔20KC〕处理后,由中频变压器降压,再经整流输出可供焊接所需的电源,通过集成电路构成的逻辑控制电路对电压、电流信号的反馈进行处理,实现整机闭环控制,采用脉宽调制PWM为核心的控制技术,从而获得快速脉宽调制的恒流特性和优异的焊接工艺效果。
IGBT逆变电焊机工作原理及输出特性这里介绍的逆变器〔见图〕主要由MOS 场效应管,普通电源变压器构成。
其输出功率取决于MOS 场效应管和电源变压器的功率,免除了烦琐的变压器绕制,适合电子爱好者业余制作中采用。
下面介绍该逆变器的工作原理及制作过程。
--拓普电子这里我们将详细介绍这个逆变器的工作原理。
方波信号发生器〔见图3〕这里采用六反相器CD4069构成方波信号发生器。
电路中R1是补偿电阻,用于改善图3由于电源电压的变化而引起的振荡频率不稳。
电路的振荡是通过电容C1充放电完成的。
其振荡频率为f=1/2.2RC 。
图示电路的最大频率为:fmax=1/2.2×3.3×103×2.2×10-6=62.6Hz;最小频率fmin=1/2.2×4.3×103×2.2×10-6=48.0Hz 。
由于元件的误差,实际值会略有差异。
其它多余的反相器,输入端接地防止影响其它电路。
场效应管驱动电路。
由于方波信号发生器输出的振荡信号电压最大振幅为0~5V ,为充分驱动电源开关电路,这里用TR1、TR2将振荡信号电压放大至0~12V 。
如图4所示。
MOS 场效应管电源开关电路。
这是该装置的核心,在介绍该部分工作原理之前,先简单解释一下MOS场效应管的工作原理。
MOS 场效应管也被称为MOS FET , 既Metal Oxide Semiconductor FieldEffect Transistor 〔金属氧化物半导体场效应管〕的缩写。
第四章 ZX7系列手工/氩弧焊机§4-1 焊条手工焊对焊机的要求电弧是电弧焊接的热源、力源。
焊机是电弧能量的供应者。
焊机应满足焊接工艺的要求,保证引弧容易,电弧稳定,焊接规范稳定,以及足够宽的焊接规范和稳定调节范围。
主要的要求有:电源外特性、燃烧稳定性、焊接稳定性与焊接质量。
1、焊机的外特性:陡降外特性(1)电源—电弧系统稳定工作条件:tgαa —tgαp >0 电弧静特性的斜率tg αa ,电源静特性的斜率tg αp (2)空载电压:越高越容易引弧,(AC 电弧稳定),但不经济、不安全。
DC 焊机的空载电压<113V 。
(3)稳态短路电流I SS 稍大于焊接电流I (利于引弧,太大后飞溅增大。
1.25<I SS /I <2。
2、焊机的调节特性输出不同工作电压、电流的可调性能。
通过电源外特性的调节实现。
包括回路焊接电缆压降在内的,符合某种约定关系负载电压与负载电流称为约定负载电压与约定负载电流(无感电阻下测定)。
焊条手工焊电源:U=20+0.04I I>600A 时U=44V TIG 焊电源:U=10+0.04I I>600A 时U=34V 3、焊机的动特性合适的短路电流峰值(引弧,加速熔化和过渡)1.5I;合适的短路电流上升速度;恢复电压最低值(30v)的时间适当。
4、焊机的极性根据焊条的性质和焊件所需热量,手弧焊在阳极、阴极材料相同时,阳极区温度高。
酸性焊条(E4013):厚钢板采用直流正接可以获得较大熔深,薄钢板采用直流反接可以防烧穿或者采用交流。
碱性低氢钠焊条:用于重要结构,采用直流反接,可以减少飞溅、气孔,并能使电弧稳定。
(药皮Ca F,分解出电离电位较高的F,使电弧稳定性降低;直流正接熔滴过渡时,受熔池射来的正离子流撞击(质量比电子大,阻碍熔滴过渡的力大造成飞溅,电弧不稳);直流反接,减少飞溅,且熔池处于阴极,焊条射来的氢正离子与熔池表面的电子中和,减少气孔。
5、电弧燃烧的稳定性指电弧保持稳定燃烧(不产生断弧、飘移和磁偏吹等)的程度。
主电路电气原理图主控制板电器原理图:逆变触发电路图:脉冲及时序板原理图:本机采用三相交流380V电压经三相桥式整流、滤波后供给以新型IGBT为功率开关器件的逆变器进行变频(20KC)处理后,由中频变压器降压,再经整流输出可供焊接所需的电源,通过集成电路构成的逻辑控制电路对电压、电流信号的反馈进行处理,实现整机闭环控制,采用脉宽调制PWM为核心的控制技术,从而获得快速脉宽调制的恒流特性和优异的焊接工艺效果。
IGBT逆变电焊机工作原理及输出特性这里介绍的逆变器(见图)主要由MOS 场效应管,普通电源变压器构成。
其输出功率取决于MOS 场效应管和电源变压器的功率,免除了烦琐的变压器绕制,适合电子爱好者业余制作中采用。
下面介绍该逆变器的工作原理及制作过程。
--拓普电子1.电路图2.工作原理这里我们将详细介绍这个逆变器的工作原理。
方波信号发生器(见图3)这里采用六反相器CD4069构成方波信号发生器。
电路中R1是补偿电阻,用于改善图3由于电源电压的变化而引起的振荡频率不稳。
电路的振荡是通过电容C1充放电完成的。
其振荡频率为f=1/2.2RC 。
图示电路的最大频率为:fmax=1/2.2×3.3×103×2.2×10-6=62.6Hz;最小频率fmin=1/2.2×4.3×103×2.2×10-6=48.0Hz 。
由于元件的误差,实际值会略有差异。
其它多余的反相器,输入端接地避免影响其它电路。
场效应管驱动电路。
由于方波信号发生器输出的振荡信号电压最大振幅为0~5V ,为充分驱动电源开关电路,这里用TR1、TR2将振荡信号电压放大至0~12V 。
如图4所示。
MOS 场效应管电源开关电路。
这是该装置的核心,在介绍该部分工作原理之前,先简单解释一下MOS场效应管的工作原理。
MOS 场效应管也被称为MOS FET , 既Metal Oxide Semiconductor FieldEffect Transistor (金属氧化物半导体场效应管)的缩写。
奥太zx7-stg主板
奥太ZX7-STG主电路图
下面将对ZX7-STG主控板各接插件进行逐一说明: 接插件由左到右分别为A1/A2/A3/A4/A5/A6/A7
接插件的引脚排序也由左到右
插头A1:接控制面板
A1(1): GND
A1(2):焊接电压给定
A1(3): 电弧推力调节
A1(4): 接航空插头(7)
A1(5): 板内通过一个电阻接到GND2
A1(6): 面板电位器供电
A1(7): 面板电位器供电
A1(8): GND2
插头A2:接控制变压器
A2(1): GND2
A2(2):
A2(3)/A2(4): 接控制变压器19V
A2(5)/A2(6)/A2(7):接控制变压器19V
带中心抽头--A2(5)
插头A3:
A3(1): -15V
A3(2): +15V
A3(3):
A3(4): 接自锁/非自锁选择开关
A3(5): 接自锁/非自锁选择开关
A3(6): GND
插头A6:
A6(1): 接温度继电器开关
A6(2): 接温度继电器开关,板内接GND
A6(3): 悬空
A6(4): 板内接交流固体继电器
A6(5): 悬空
A6(6): 板内接交流固体继电器
A6(4/6)板外接什么不太清楚,望高手补充,多谢插头A7:
A7(1): 接电流反馈信号 -
A7(2): 接电流反馈信号 +
A7(3): 接电压反馈信号 - GND A7(4): 悬空
A7(5): 接电压反馈信号 +
A7(6): 接控制变压器 38VAC
A7(7): 接控制变压器 38VAC
A7(8):
A7(8)信号不清楚。
逆变触发电路图:脉冲及时序板原理图:本机采用三相交流380V电压经三相桥式整流、滤波后供给以新型IGBT为功率开关器件的逆变器进行变频(20KC)处理后,由中频变压器降压,再经整流输出可供焊接所需的电源,通过集成电路构成的逻辑控制电路对电压、电流信号的反馈进行处理,实现整机闭环控制,采用脉宽调制PWM为核心的控制技术,从而获得快速脉宽调制的恒流特性和优异的焊接工艺效果。
IGBT逆变电焊机工作原理及输出特性 这里介绍的逆变器(见图)主要由MOS 场效应管,普通电源变压器构成。
其输出功率取决于MOS 场效应管和电源变压器的功率,免除了烦琐的变压器绕制,适合电子爱好者业余制作中采用。
下面介绍该逆变器的工作原理及制作过程。
--拓普电子 1.电路图2.工作原理这里我们将详细介绍这个逆变器的工作原理。
方波信号发生器(见图3)图3 这里采用六反相器CD4069构成方波信号发生器。
电路中R1是补偿电阻,用于改善由于电源电压的变化而引起的振荡频率不稳。
电路的振荡是通过电容C1充放电完成的。
其振荡频率为f=1/2.2RC。
图示电路的最大频率为:fmax=1/2.2×3.3×103×2.2×10-6=62.6Hz;最小频率fmin=1/2.2×4.3×103×2.2×10-6=48.0Hz。
由于元件的误差,实际值会略有差异。
其它多余的反相器,输入端接地避免影响其它电路。
场效应管驱动电路。
图4 由于方波信号发生器输出的振荡信号电压最大振幅为0~5V,为充分驱动电源开关电路,这里用TR1、TR2将振荡信号电压放大至0~12V。
如图4所示。
MOS场效应管电源开关电路。
这是该装置的核心,在介绍该部分工作原理之前,先简单解释一下MOS 场效应管的工作原理。
图5 MOS 场效应管也被称为MOS FET,既Metal Oxide Semiconductor Field Effect Transistor(金属氧化物半导体场效应管)的缩写。
用途及特点奥太WSM系列逆变式脉冲氩弧焊机(以下简称WSM 系列焊机)包含有WSM-160、WSM-200、WSM-315、WSM-400等规格。
可用于直流恒流氩弧焊、直流脉冲氩弧焊以及手弧焊,实现碳钢、不锈钢、铜、钛等各种材料的焊接。
由于该系列焊机具有理想的静外特性及良好的动态特性,控制功能比较完备,因此它表现出如下特点:IGBT高频软开关变换,效率高,体积小,重量轻;采用无源功率因数校正,功率因数高;控制调节性能好,一机多用,使用方便;起弧容易、电弧稳定,焊接质量高;脉冲电流、脉冲频率、脉冲宽度在较大范围内可任意调节。
手弧焊飞溅小,电流稳定,可靠性高,焊缝成形好.安全注意事项一般安全注意事项请务必遵守本说明书规定的注意事项,否则可能发生事故。
输入电源的设计施工、安装场地的选择、高压气体的使用等,请按照相关标准和规定进行。
无关人员请勿进入焊接作业场所内。
请有专业资格的人员对焊机进行安装、检修、保养及使用。
不得将本焊机用于焊接以外的用途(如充电、加热、管道解冻等等)。
如果地面不平,要注意防止焊机倾倒。
防止触电造成电击或灼伤请勿接触带电部位。
请专业电气人员用规定截面的铜导线将焊机接地。
请专业电气人员用规定截面的铜导线将焊机接入电源,绝缘护套不得破损。
在潮湿、活动受限处作业时,要确保身体与母材之间的绝缘。
高空作业时,请使用安全网。
不用时,请关闭输入电源。
避免焊接烟尘及气体对人体的危害请使用规定的排风设备,避免发生气体中毒和窒息等事故。
在容器底部作业时,保护气体会沉积在周围,造成窒息。
应特别注意通风。
避免焊接弧光、飞溅及焊渣对人体的危害请佩戴足够遮光度的保护眼镜。
弧光会引起眼部发炎,飞溅及焊渣会烫伤眼睛。
请使用焊接用皮质保护手套、长袖衣服、帽子、护脚、围裙等保护用品,以免弧光、飞溅及焊渣灼伤、烫伤皮肤。
防止发生火灾、爆炸、破裂等事故焊接场所不得放置可燃物,飞溅和烫焊缝会引发火灾。
焊接电缆与母材要连接紧固,否则会发热酿成火灾。
主电路电气原理图主控制板电器原理图:逆变触发电路图:脉冲及时序板原理图:本机采用三相交流380V电压经三相桥式整流、滤波后供给以新型IGBT为功率开关器件的逆变器进行变频(20KC)处理后,由中频变压器降压,再经整流输出可供焊接所需的电源,通过集成电路构成的逻辑控制电路对电压、电流信号的反馈进行处理,实现整机闭环控制,采用脉宽调制PWM为核心的控制技术,从而获得快速脉宽调制的恒流特性和优异的焊接工艺效果。
IGBT逆变电焊机工作原理及输出特性这里介绍的逆变器(见图)主要由MOS 场效应管,普通电源变压器构成。
其输出功率取决于MOS 场效应管和电源变压器的功率,免除了烦琐的变压器绕制,适合电子爱好者业余制作中采用。
下面介绍该逆变器的工作原理及制作过程。
--拓普电子1.电路图2.工作原理这里我们将详细介绍这个逆变器的工作原理。
方波信号发生器(见图3)这里采用六反相器CD4069图3构成方波信号发生器。
电路中R1是补偿电阻,用于改善由于电源电压的变化而引起的振荡频率不稳。
电路的振荡是通过电容C1充放电完成的。
其振荡频率为f=1/2.2RC。
图示电路的最大频率为:fmax=1/2.2×3.3×103×2.2×10-6=62.6Hz;最小频率fmin=1/2.2×4.3×103×2.2×10-6=48.0Hz。
由于元件的误差,实际值会略有差异。
其它多余的反相器,输入端接地避免影响其它电路。
场效应管驱动电路。
由于方波信号发生器输出的振荡信号电压最大振幅为0~5V ,为充分驱动电源开关电路,这里用TR1、TR2将振荡信号电压放大至0~12V 。
如图4所示。
MOS 场效应管电源开关电路。
这是该装置的核心,在介绍该部分工作原理之前,先简单解释一下MOS 场效应管的工作原理。
MOS 场效应管也被称为MOS FET , 既Metal Oxide Semiconductor Field EffectTransistor (金属氧化物半导体场效应管)的缩写。
逆变焊机电路基础.txt52每个人都一条抛物线,天赋决定其开口,而最高点则需后天的努力。
没有秋日落叶的飘零,何来新春绿芽的饿明丽?只有懂得失去,才会重新拥有。
本文由scjd50贡献pdf文档可能在WAP端浏览体验不佳。
建议您优先选择TXT,或下载源文件到本机查看。
第一章逆变焊机的电路设计基础 2.1 逆变焊机的基本电路形式 2.1.1 单端正激2.1.2 半桥式 2.1.3 全桥式 2.1.3 基本电路的变形 2.1.3.1 双单端正激 2.1.3.2 单端正激加推挽式 2.1.3.3 全桥相移谐振式 2.1.3.4 功率单元的并联 2.2 控制方式 2.2.1 控制能量的方式 2.2.1.1 电压型方式 2.2.1.2 电流型方式 2.2.1.3 调频控制方式 2.2.2 集成的控制电路 2.3 驱动电路 2.3.1 驱动电路形式 2.3.2 驱动电路的电平隔离 2.3.3 集成的驱动电路 2.4 功率器件 2.4.1 IGBT MOSFET 的应用原则2.4.2 电压定额,电流定额 2.4.3 IGBT 的平均结温与动态结温 2.4.4 过流保护 2.4.5 过压保护 2.4.6 硬开关和软开关电路中 IGBT MOSFET 应用的区别 2.4.7 逆变焊机中常用的IGBT 2.4.8 快速整流管 2.4.9 快速整流管的开通 2.4.10 快速整流管的通态特性 2.4.11 快速整流管的关断 2.4.12 快速整流管的过压保护 2.4.13 快速整流管的并联 2.4.14 逆变焊机中常用的快速整流管 2.5 功率变压器的计算 2.5.1 铁氧体变压器 2.5.2 微晶铁心变压器 2.6 信号的取样 2.6.1 信号的直接取样 2.6.1.1 电压信号直接取样 2.6.1.2 电流信号分流器的直接取样 2.6.2 信号的间接取样 2.6.2.1 电压信号的霍尔传感取样 12.6.2.2 电流信号的霍尔传感取样第二章逆变焊机电路基础焊机是一种特殊电源,其输出端一般要接触到操作人的本身,故其基本的电路形式除满足焊接的基本功能外,对人身的安全至关重要,逆变焊机基本结构框图如图 2.1 所示。