逆变电焊机原理图纸
- 格式:doc
- 大小:521.50 KB
- 文档页数:13
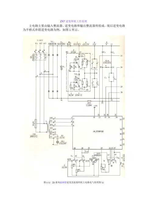
ZX7逆变焊机工作原理主电路主要由输入整流器、逆变电路和输出整流器所组成,现以逆变电路为半桥式串联逆变电路为例,如图1所示。
图1(1) ZX7系列晶闸管逆变直流弧焊机主电路电气原理图(1)图1(2)ZX7系列晶闸管逆变直流弧焊机主电路电气原理图(2) (一)输入整流器输入整流电路由三相整流桥堆VC1、限流电阻R2和滤波电容C1~C4所组成。
此外,还有自动空气开关QF1、电阻R1。
QF1内有热脱扣和电磁脱扣装置,当发生过载、短路等故障时,能自动切断电源以保护焊机。
本开关只作保护用。
启动焊机和停止焊接时,应由用户配电板的空气开关控制。
R1为压敏电阻,作过电压保护。
三相380V的电压经三相桥式整流后以及由于滤波电容的作用,电压高达600V,带电检查焊机的故障时,应特别注意人身安全,做好防护工作。
(二)逆变电路这是主电路的核心部分,它由换向电容C5~C8、开关元件——晶闸管VT7和VT8、主变压器T1、限制冲击电流的电感L1等组成。
现通过其电路简图来说明逆变的原理和过程。
图2 逆变电路简图参看图2,当VT7被触发导通而VT8为关断时,C5、C6经VT7、变压器T1的一次绕组N1放电,电流为I1’,电压U5-6逐渐下降至零,于是C5、C6中电场的能量转变成变压器的磁场能量。
接着,磁场释放能量而向C5、C6反向充电;与此同时,输入整流器经VT7、N1给电容C7、C8充电,充电电流为I1”。
I1’和I1”构成了变压器T1一次侧绕组N1中的正半波电流I1,即I1=I1’+I1”。
当C5、C6被反向充电,U5-6为负值时促使VT7关断。
VT7关断后,VT8被触发导通,逆变工作过程与上述相似,即C7、C8经T1的N 1、VT8放电,电流为I’2。
放电至零时,接着变压器磁场能量向C7、C8反向充电,UC7-8为负值;与此同时,输入整流器向C5、C6充电,电流为I2”。
显然,与电流I1方向相反,因而构成了N1中的负半波电流。
图文解说220V逆变电焊机工作原理流程首先220V电源通过插头电源线进来,经过电源开关,电源开关出来的一根线直接到了电源桥堆的交流输入端,剩下一根线通过电源的控制继电器到了电源桥堆的另一个交流输入端。
220V电源进线经过桥堆整流后出来的310V左右的直流电压送到了电容滤波电路进行滤波处理。
滤波电容电源开关逆变电焊机在开机的时候,其实电源是先经过与电源继电器的两个控制端并联的热敏电阻,给24V辅助开关电源供电的,这样在辅助电源形成24V电压后才能给电源继电器提到工作的电源,电源继电器工作后,把以前给辅助电源线的去向电源提供通道的热敏电阻短接了,改成了通过电源继电器给整个电路提供电源,实现正常供电。
继电器,热敏电阻这样主电源出来的+极直接加到了IGBT的C极,IGBT的E极通过环形高频变压器输出100V左右的大电流直流电,正极输出连接片高频变压器再经过输出整流管全波整流后,+ 极通过连接片连接到电焊机正极焊把的输出接口上,- 极通过分流器接地。
分分流器流器在这里的作用就是采样,采集输出电流主要是送到了电焊机面板的电流表上,方便通过观察来调节电焊机输出电流。
24V辅助电源剩下的IGBT的G极接到了控制板的震荡频率输出端,控制板主要通过其上面安装的集成块(如3525)来产生不同的震荡频率。
通过调节外部面板上的调节电位器,使集成块3525的内部比较器产生不同的电位去控制IGBT的输出电流,集成块3525还有另外一个功能就是对电路进行保护。
3525还有电路中四个体积比较大的无极性电容的作用是在半桥里面参与震荡的电容。
IGBT和输出整流桥大体就是这样的,欢迎喜欢的朋友点赞。
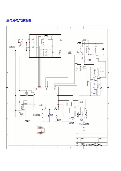
IGBT逆变电焊机工作原理及输出特性本机采用三相交流380V电压经三相桥式整流、滤波后供给以新型IGBT为功率开关器件的逆变器进行变频(20KC)处理后,由中频变压器降压,再经整流输出可供焊接所需的电源,通过集成电路构成的逻辑控制电路对电压、电流信号的反馈进行处理,实现整机闭环控制,采用脉宽调制PWM为核心的控制技术,从而获得快速脉宽调制的恒流特性和优异的焊接工艺效果。
ZX7—200/315/400 电原理图NBC系列CO2气体保护焊机NBC・630逆变式NBC系列C0:气体保护焊机分为普通型和数字化两种类型,包括250A、350A、500A、630A几种,用于焊接低碳钢、合金钢等。
主要特点采用波形控制技术,改善成形,降低飞溅;电流电压连续可调,调节范围宽;负载持续率高,可长时间连续焊接;焊接变形小,焊缝成形好;慢送丝引弧,引弧容易,成功率高;收弧时具有消球功能;焊接熔敷率髙;软开关变换,整机效率高;无源功率因数校正技术,功率因数高;高频逆变,体积小,重量轻;数显表头,焊接参数可精确预置;适用实芯/药芯焊丝;提供常规电流值、电压值匹配方案,方便操作人员调节;X型机具有下降特性,兼具手弧焊、碳弧气刨功能;z型机具有下降特性,兼具手弧焊、碳弧气刨功能,且电弧稳定性强, 特别适用于全位置自动焊接(此焊机需另配全自动焊送丝、行走控制系统)。
慢送丝引弧,引弧容易,成功率高;收弧时具有消球功能;焊接熔敷率髙;软开关变换,整机效率高;无源功率因数校正技术,刀架转盘回转角度- ±90°刀杆截面尺寸(四方刀架刀杆截面)mm 25X25主轴中心线至刀具支承面距离mm 26床尾主轴直径(尾座套筒直径)mm 75床尾主轴孔锥度(尾座套筒锥孔锥度)- 莫氏圆锥5号床尾主轴最大行程mm 150机床丝杠螺距mm 12加】丄公制螺纹范碉及种数mm 44 种:1-192加山英制螺纹范碉及种数牙/寸(tpi)21 种:2-24加工模数螺纹范碉及种数mm 39种:加丄径节螺纹范困及种数DP 37^: 1-96床身导轨宽度(导轨跨度)mm 400床身导轨硕度RC RC52主电机功率kW机床净重kg 2570机床毛重kg 3410机床轮廉尺寸(长X宽X高)mm 3668X1000X1267 机床包装尺寸(长X宽X商)mm 3850X1520X2010 加工精度- IT7表面光洁度u m产品名称普通午床木系列午床适用于牟削内外圆柱面,内锥血及其它旋转面°车削各种公制、英制、模数和 径节螺纹,并能进行钻孔和拉油槽等工作。
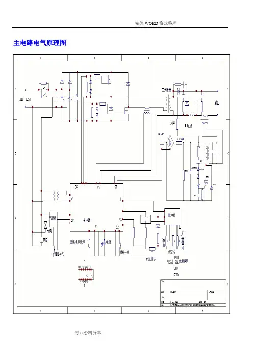
主电路电气原理图主控制板电器原理图:逆变触发电路图:脉冲及时序板原理图:本机采用三相交流380V电压经三相桥式整流、滤波后供给以新型IGBT为功率开关器件的逆变器进行变频(20KC)处理后,由中频变压器降压,再经整流输出可供焊接所需的电源,通过集成电路构成的逻辑控制电路对电压、电流信号的反馈进行处理,实现整机闭环控制,采用脉宽调制PWM为核心的控制技术,从而获得快速脉宽调制的恒流特性和优异的焊接工艺效果。
IGBT逆变电焊机工作原理及输出特性 这里介绍的逆变器(见图)主要由MOS 场效应管,普通电源变压器构成。
其输出功率取决于MOS 场效应管和电源变压器的功率,免除了烦琐的变压器绕制,适合电子爱好者业余制作中采用。
下面介绍该逆变器的工作原理及制作过程。
--拓普电子 1.电路图2.工作原理这里我们将详细介绍这个逆变器的工作原理。
方波信号发生器(见图3) 这里采用六反相器CD4069构成方波信号发生器。
电路中R1是补偿电阻,用于改善图3由于电源电压的变化而引起的振荡频率不稳。
电路的振荡是通过电容C1充放电完成的。
其振荡频率为f=1/2.2RC 。
图示电路的最大频率为:fmax=1/2.2×3.3×103×2.2×10-6=62.6Hz;最小频率fmin=1/2.2×4.3×103×2.2×10-6=48.0Hz 。
由于元件的误差,实际值会略有差异。
其它多余的反相器,输入端接地避免影响其它电路。
场效应管驱动电路。
由于方波信号发生器输出的振荡信号电压最大振幅为0~5V ,为充分驱动电源开关电路,这里用TR1、TR2将振荡信号电压放大至0~12V 。
如图4所示。
MOS 场效应管电源开关电路。
这是该装置的核心,在介绍该部分工作原理之前,先简单解释一下MOS 场效应管的工作原理。
MOS 场效应管也被称为MOS FET , 既Metal OxideSemiconductor Field Effect Transistor (金属氧化物半导体场效应管)的缩写。
主电路电气原理图主控制板电器原理图:逆变触发电路图:脉冲及时序板原理图:本机采用三相交流380V电压经三相桥式整流、滤波后供给以新型IGBT为功率开关器件的逆变器进行变频(20KC)处理后,由中频变压器降压,再经整流输出可供焊接所需的电源,通过集成电路构成的逻辑控制电路对电压、电流信号的反馈进行处理,实现整机闭环控制,采用脉宽调制PWM为核心的控制技术,从而获得快速脉宽调制的恒流特性和优异的焊接工艺效果。
IGBT逆变电焊机工作原理及输出特性这里介绍的逆变器(见图)主要由MOS 场效应管,普通电源变压器构成。
其输出功率取决于MOS 场效应管和电源变压器的功率,免除了烦琐的变压器绕制,适合电子爱好者业余制作中采用。
下面介绍该逆变器的工作原理及制作过程。
--拓普电子1.电路图2.工作原理这里我们将详细介绍这个逆变器的工作原理。
方波信号发生器(见图3)这里采用六反相器CD4069构成方波信号发生器。
电路中R1是补偿电阻,用于改善图3由于电源电压的变化而引起的振荡频率不稳。
电路的振荡是通过电容C1充放电完成的。
其振荡频率为f=1/2.2RC 。
图示电路的最大频率为:fmax=1/2.2×3.3×103×2.2×10-6=62.6Hz;最小频率fmin=1/2.2×4.3×103×2.2×10-6=48.0Hz 。
由于元件的误差,实际值会略有差异。
其它多余的反相器,输入端接地避免影响其它电路。
场效应管驱动电路。
由于方波信号发生器输出的振荡信号电压最大振幅为0~5V ,为充分驱动电源开关电路,这里用TR1、TR2将振荡信号电压放大至0~12V 。
如图4所示。
MOS 场效应管电源开关电路。
这是该装置的核心,在介绍该部分工作原理之前,先简单解释一下MOS场效应管的工作原理。
MOS 场效应管也被称为MOS FET , 既Metal Oxide Semiconductor FieldEffect Transistor (金属氧化物半导体场效应管)的缩写。
主电路电气原理图欧阳引擎(2021.01.01)主控制板电器原理图:逆变触发电路图:脉冲及时序板原理图:本机采用三相交流380V电压经三相桥式整流、滤波后供给以新型IGBT为功率开关器件的逆变器进行变频(20KC)处理后,由中频变压器降压,再经整流输出可供焊接所需的电源,通过集成电路构成的逻辑控制电路对电压、电流信号的反馈进行处理,实现整机闭环控制,采用脉宽调制PWM为核心的控制技术,从而获得快速脉宽调制的恒流特性和优异的焊接工艺效果。
IGBT逆变电焊机工作原理及输出特性这里介绍的逆变器(见图)主要由MOS 场效应管,普通电源变压器构成。
其输出功率取决于MOS 场效应管和电源变压器的功率,免除了烦琐的变压器绕制,适合电子爱好者业余制作中采用。
下面介绍该逆变器的工作原理及制作过程。
--拓普电子1.电路图2.工作原理这里我们将详细介绍这个逆变器的工作原理。
方波信号发生器(见图3)这里采用六反相器CD4069构成方波信号发生器。
电路中R1是补偿电阻,用于改善由于电源电压的变化而引起的振荡频率不稳。
电路的振荡是通过电容C1充放电完成的。
其振荡频率为f=1/2.2RC。
图示电路的最大频率为:fmax=1/2.2×3.3×103×2.2×10-6=62.6Hz;最小频率fmin=1/2.2×4.3×103×2.2×10-6=48.0Hz。
由于元件的误差,实际值会略有差异。
其它多余的反相器,输入端接地避免影响其它电路。
场效应管驱动电路。
由于方波信号发生器输出的振荡信号电压最大振幅为0~5V,为充分驱动电源开关电路,这里用TR1、TR2将振荡信号电压放大至0~12V。
如图4所示。
图4图3MOS 场效应管电源开关电路。
这是该装置的核心,在介绍该部分工作原理之前,先简单解释一下MOS 场效应管的工作原理。
MOS 场效应管也被称为MOS FET , 既Metal OxideSemiconductor Field Effect Transistor (金属氧化物半导体场效应管)的缩写。
逆变电焊机的基本工作原理逆变电焊机主要是逆变器产生的逆变式弧焊电源,又称弧焊逆变器,是一种新型的焊接电源。
是将工频(50Hz)交流电,先经整流器整流和滤波变成直流,再通过大功率开关电子元件(晶闸管SCR、晶体管GTR、场效应管MOSFET或IGBT),逆变成几kHz~几十kHz的中频交流电,同时经变压器降至适合于焊接的21-28V电压,再次整流并经电抗滤波输出相当平稳的直流焊接电流。
其变换顺序可简单地表示为:工频交流(经整流滤波)→直流(经逆变)→中频交流(降压、整流、滤波)→直流。
即为:AC→D C→A C→D C因为逆变降压后的交流电,由于其频率高,则感抗大,在焊接回路中有功功率就会大大降低。
所以需再次进行整流。
这就是目前所常用的逆变电焊机的机制。
逆变电源的特点:弧焊逆变器的基本特点是工作频率高,由此而带来很多优点。
因为变压器无论是原绕组还是副绕组,其电势E与电流的频率f、磁通密度B、铁芯截面积S及绕组的匝数W有如下关系:E=4.44fBSW而绕组的端电压U近似地等于E,即:U≈E=4.44fBSW当U、B确定后,若提高f,则S减小,W减少,因此,变压器的重量和体积就可以大大减小。
就能使整机的重量和体积显著减小。
还有,频率的提高及其他因素而带来了许多优点,与传统弧焊电源比较,其主要特点如下:1.体积小、重量轻,节省材料,携带、移动方便。
2.高效节能,效率可达到80%~90%,比传统焊机节电1/3以上。
3.动特性好,引弧容易,电弧稳定,焊缝成形美观,飞溅小。
4.适合于与机器人结合,组成自动焊接生产系统。
5.可一机多用,完成多种焊接和切割过程。
电焊机之IGBT系列焊机工作原理一、功率开关管的比较常用的功率开关有晶闸管、IGBT、场效应管等。
其中,晶闸管(可控硅)的开关频率最低约1000次/秒左右,一般不适用于高频工作的开关电路。
1、效应管的特点:场效应管的突出优点在于其极高的开关频率,其每秒钟可开关50万次以上,耐压一般在500V以上,耐温150℃(管芯),而且导通电阻,管子损耗低,是理想的开关器件,尤其适合在高频电路中作开关器件使用。
逆变电焊机的基本工作原理:逆变电焊机主要是逆变器产生的逆变式弧焊电源,又称弧焊逆变器,是一种新型的焊接电源。
是将工频(50Hz)交流电,先经整流器整流和滤波变成直流,再通过大功率开关电子元件(晶闸管SCR、晶体管GTR、场效应管MOSFET或IGBT),逆变成几kHz~几十kHz的中频交流电,同时经变压器降至适合于焊接的几十V电压,再次整流并经电抗滤波输出相当平稳的直流焊接电流。
其变换顺序可简单地表示为:工频交流(经整流滤波)→直流(经逆变)→中频交流(降压、整流、滤波)→直流。
即为:AC→DC→AC→DC因为逆变降压后的交流电,由于其频率高,则感抗大,在焊接回路中有功功率就会大大降低。
所以需再次进行整流。
这就是目前所常用的逆变电焊机的机制。
逆变电源的特点:弧焊逆变器的基本特点是工作频率高,由此而带来很多优点。
因为变压器无论是原绕组还是副绕组,其电势E与电流的频率f、磁通密度B、铁芯截面积S及绕组的匝数W有如下关系:E=4.44fBSW而绕组的端电压U近似地等于E,即:U≈E=4.44fBSW当U、B确定后,若提高f,则S减小,W减少,因此,变压器的重量和体积就可以大大减小。
就能使整机的重量和体积显著减小。
还有频率的提高及其他因素而带来了许多优点,与传统弧焊电源比较,其主要特点如下:1.体积小、重量轻,节省材料,携带、移动方便。
2.高效节能,效率可达到80%~90%,比传统焊机节电1/3以上。
3.动特性好,引弧容易,电弧稳定,焊缝成形美观,飞溅小。
4.适合于与机器人结合,组成自动焊接生产系统。
5.可一机多用,完成多种焊接和切割过程。
电焊机之IGBT系列焊机工作原理一、功率开关管的比较常用的功率开关有晶闸管、IGBT、场效应管等。
其中,晶闸管(可控硅)的开关频率最低约1000次/秒左右,一般不适用于高频工作的开关电路。
1、效应管的特点:场效应管的突出优点在于其极高的开关频率,其每秒钟可开关50万次以上,耐压一般在500V以上,耐温150℃(管芯),而且导通电阻,管子损耗低,是理想的开关器件,尤其适合在高频电路中作开关器件使用。
逆变触发电路图:脉冲及时序板原理图:IGBT逆变电焊机工作原理及输出特性本机采用三相交流380V电压经三相桥式整流、滤波后供给以新型IGBT为功率开关器件的逆变器进行变频(20KC)处理后,由中频变压器降压,再经整流输出可供焊接所需的电源,通过集成电路构成的逻辑控制电路对电压、电流信号的反馈进行处理,实现整机闭环控制,采用脉宽调制PWM为核心的控制技术,从而获得快速脉宽调制的恒流特性和优异的焊接工艺效果。
DC/AC逆变器的制作-------------------------------------------------------------------------------- 江苏电子网QQ:99296827这里介绍的逆变器(见图)主要由MOS 场效应管,普通电源变压器构成。
其输出功率取决于MOS 场效应管和电源变压器的功率,免除了烦琐的变压器绕制,适合电子爱好者业余制作中采用。
下面介绍该逆变器的工作原理及制作过程。
--拓普电子1.电路图2.工作原理这里我们将详细介绍这个逆变器的工作原理。
方波信号发生器(见图3)图3这里采用六反相器CD4069构成方波信号发生器。
电路中R1是补偿电阻,用于改善由于电源电压的变化而引起的振荡频率不稳。
电路的振荡是通过电容C1充放电完成的。
其振荡频率为f=1/2.2RC。
图示电路的最大频率为:fmax=1/2.2×3.3×103×2.2×10-6=62.6Hz;最小频率fmin=1/2.2×4.3×103×2.2×10-6=48.0Hz。
由于元件的误差,实际值会略有差异。
其它多余的反相器,输入端接地避免影响其它电路。
场效应管驱动电路。
图4由于方波信号发生器输出的振荡信号电压最大振幅为0~5V,为充分驱动电源开关电路,这里用TR1、TR2将振荡信号电压放大至0~12V。
如图4所示。
逆变触发电路图:脉冲及时序板原理图:IGBT逆变电焊机工作原理及输出特性本机采用三相交流380V电压经三相桥式整流、滤波后供给以新型IGBT为功率开关器件的逆变器进行变频(20KC)处理后,由中频变压器降压,再经整流输出可供焊接所需的电源,通过集成电路构成的逻辑控制电路对电压、电流信号的反馈进行处理,实现整机闭环控制,采用脉宽调制PWM为核心的控制技术,从而获得快速脉宽调制的恒流特性和优异的焊接工艺效果。
DC/AC逆变器的制作这里介绍的逆变器(见图)主要由MOS 场效应管,普通电源变压器构成。
其输出功率取决于MOS 场效应管和电源变压器的功率,免除了烦琐的变压器绕制,适合电子爱好者业余制作中采用。
下面介绍该逆变器的工作原理及制作过程。
--拓普电子1.电路图2.工作原理这里我们将详细介绍这个逆变器的工作原理。
方波信号发生器(见图3)图3这里采用六反相器CD4069构成方波信号发生器。
电路中R1是补偿电阻,用于改善由于电源电压的变化而引起的振荡频率不稳。
电路的振荡是通过电容C1充放电完成的。
其振荡频率为f=1/2.2RC。
图示电路的最大频率为:fmax=1/2.2×3.3×103×2.2×10-6=62.6Hz;最小频率fmin=1/2.2×4.3×103×2.2×10-6=48.0Hz。
由于元件的误差,实际值会略有差异。
其它多余的反相器,输入端接地避免影响其它电路。
场效应管驱动电路。
图4由于方波信号发生器输出的振荡信号电压最大振幅为0~5V,为充分驱动电源开关电路,这里用TR1、TR2将振荡信号电压放大至0~12V。
如图4所示。
MOS场效应管电源开关电路。
这是该装置的核心,在介绍该部分工作原理之前,先简单解释一下MOS 场效应管的工作原理。
图5MOS 场效应管也被称为MOS FET,既Metal Oxide Semiconductor Field Effect Transistor(金属氧化物半导体场效应管)的缩写。
逆变触发电路图:脉冲及时序板原理图:本机采用三相交流380V电压经三相桥式整流、滤波后供给以新型IGBT为功率开关器件的逆变器进行变频(20KC)处理后,由中频变压器降压,再经整流输出可供焊接所需的电源,通过集成电路构成的逻辑控制电路对电压、电流信号的反馈进行处理,实现整机闭环控制,采用脉宽调制PWM为核心的控制技术,从而获得快速脉宽调制的恒流特性和优异的焊接工艺效果。
IGBT逆变电焊机工作原理及输出特性 这里介绍的逆变器(见图)主要由MOS 场效应管,普通电源变压器构成。
其输出功率取决于MOS 场效应管和电源变压器的功率,免除了烦琐的变压器绕制,适合电子爱好者业余制作中采用。
下面介绍该逆变器的工作原理及制作过程。
--拓普电子 1.电路图2.工作原理这里我们将详细介绍这个逆变器的工作原理。
方波信号发生器(见图3)图3 这里采用六反相器CD4069构成方波信号发生器。
电路中R1是补偿电阻,用于改善由于电源电压的变化而引起的振荡频率不稳。
电路的振荡是通过电容C1充放电完成的。
其振荡频率为f=1/2.2RC。
图示电路的最大频率为:fmax=1/2.2×3.3×103×2.2×10-6=62.6Hz;最小频率fmin=1/2.2×4.3×103×2.2×10-6=48.0Hz。
由于元件的误差,实际值会略有差异。
其它多余的反相器,输入端接地避免影响其它电路。
场效应管驱动电路。
图4 由于方波信号发生器输出的振荡信号电压最大振幅为0~5V,为充分驱动电源开关电路,这里用TR1、TR2将振荡信号电压放大至0~12V。
如图4所示。
MOS场效应管电源开关电路。
这是该装置的核心,在介绍该部分工作原理之前,先简单解释一下MOS 场效应管的工作原理。
图5 MOS 场效应管也被称为MOS FET,既Metal Oxide Semiconductor Field Effect Transistor(金属氧化物半导体场效应管)的缩写。
逆变电焊机的基本工作原理:逆变电焊机主要是逆变器产生的逆变式弧焊电源,又称弧焊逆变器,是一种新型的焊接电源。
是将工频(50Hz)交流电,先经整流器整流和滤波变成直流,再通过大功率开关电子元件(晶闸管SCR、晶体管GTR、场效应管MOSFET或IGBT),逆变成几kHz~几十kHz的中频交流电,同时经变压器降至适合于焊接的几十V电压,再次整流并经电抗滤波输出相当平稳的直流焊接电流。
其变换顺序可简单地表示为:工频交流(经整流滤波)→直流(经逆变)→中频交流(降压、整流、滤波)→直流。
即为:AC→DC→AC→DC因为逆变降压后的交流电,由于其频率高,则感抗大,在焊接回路中有功功率就会大大降低。
所以需再次进行整流。
这就是目前所常用的逆变电焊机的机制。
逆变电源的特点:弧焊逆变器的基本特点是工作频率高,由此而带来很多优点。
因为变压器无论是原绕组还是副绕组,其电势E与电流的频率f、磁通密度B、铁芯截面积S及绕组的匝数W有如下关系:E=4.44fBSW而绕组的端电压U近似地等于E,即:U≈E=4.44fBSW当U、B确定后,若提高f,则S减小,W减少,因此,变压器的重量和体积就可以大大减小。
就能使整机的重量和体积显著减小。
还有频率的提高及其他因素而带来了许多优点,与传统弧焊电源比较,其主要特点如下:1.体积小、重量轻,节省材料,携带、移动方便。
2.高效节能,效率可达到80%~90%,比传统焊机节电1/3以上。
3.动特性好,引弧容易,电弧稳定,焊缝成形美观,飞溅小。
4.适合于与机器人结合,组成自动焊接生产系统。
5.可一机多用,完成多种焊接和切割过程。
电焊机之IGBT系列焊机工作原理一、功率开关管的比较常用的功率开关有晶闸管、IGBT、场效应管等。
其中,晶闸管(可控硅)的开关频率最低约1000次/秒左右,一般不适用于高频工作的开关电路。
1、效应管的特点:场效应管的突出优点在于其极高的开关频率,其每秒钟可开关50万次以上,耐压一般在500V以上,耐温150℃(管芯),而且导通电阻,管子损耗低,是理想的开关器件,尤其适合在高频电路中作开关器件使用。
主电路电气原理图主控制板电器原理图:逆变触发电路图:脉冲及时序板原理图:本机采用三相交流380V电压经三相桥式整流、滤波后供给以新型IGBT为功率开关器件的逆变器进行变频(20KC)处理后,由中频变压器降压,再经整流输出可供焊接所需的电源,通过集成电路构成的逻辑控制电路对电压、电流信号的反馈进行处理,实现整机闭环控制,采用脉宽调制PWM为核心的控制技术,从而获得快速脉宽调制的恒流特性和优异的焊接工艺效果。
IGBT逆变电焊机工作原理及输出特性这里介绍的逆变器(见图)主要由MOS 场效应管,普通电源变压器构成。
其输出功率取决于MOS 场效应管和电源变压器的功率,免除了烦琐的变压器绕制,适合电子爱好者业余制作中采用。
下面介绍该逆变器的工作原理及制作过程。
--拓普电子1.电路图2.工作原理这里我们将详细介绍这个逆变器的工作原理。
方波信号发生器(见图3)这里采用六反相器CD4069图3构成方波信号发生器。
电路中R1是补偿电阻,用于改善由于电源电压的变化而引起的振荡频率不稳。
电路的振荡是通过电容C1充放电完成的。
其振荡频率为f=1/2.2RC。
图示电路的最大频率为:fmax=1/2.2×3.3×103×2.2×10-6=62.6Hz;最小频率fmin=1/2.2×4.3×103×2.2×10-6=48.0Hz。
由于元件的误差,实际值会略有差异。
其它多余的反相器,输入端接地避免影响其它电路。
场效应管驱动电路。
由于方波信号发生器输出的振荡信号电压最大振幅为0~5V ,为充分驱动电源开关电路,这里用TR1、TR2将振荡信号电压放大至0~12V 。
如图4所示。
MOS 场效应管电源开关电路。
这是该装置的核心,在介绍该部分工作原理之前,先简单解释一下MOS 场效应管的工作原理。
MOS 场效应管也被称为MOS FET , 既Metal Oxide Semiconductor Field EffectTransistor (金属氧化物半导体场效应管)的缩写。
逆变触发电路图:
脉冲及时序板原理图:
IGBT逆变电焊机工作原理及输出特性
本机采用三相交流380V电压经三相桥式整流、滤波后供给以新型IGBT为功率开关器件的逆变器进行变频(20KC)处理后,由中频变压器降压,再经整流输出可供焊接所需的电源,通过集成电路构成的逻辑控制电路对电压、电流信号的反馈进行处理,实现整机闭环控制,采用脉宽调制PWM为核心的控制技术,从而获得快速脉宽调制的恒流特性和优异的焊接工艺效果。
DC/AC逆变器的制作
--------------------------------------------------------------------------------
江苏电子网QQ:99296827
这里介绍的逆变器(见图)主要由MOS 场效应管,普通电源变压器构成。
其输出功率取决于MOS 场效应管和电源变压器的功率,免除了烦琐的变压器绕制,适合电子爱好者业余制作中采用。
下面介绍该逆变器的工作原理及制作过程。
--拓普电子
1.电路图
2.工作原理
这里我们将详细介绍这个逆变器的工作原理。
方波信号发生器(见图3)
图3
这里采用六反相器CD4069构成方波信号发生器。
电路中R1是补偿电阻,用于改善由于电源电压的变化而引起的振荡频率不稳。
电路的振荡是通过电容C1充放电完成的。
其振荡频率为f=1/2.2RC。
图示电路的最大频率为:fmax=1/2.2×3.3×103×2.2×10-6=62.6Hz;最小频率fmin=1/2.2×4.3×103×2.2×10-6=48.0Hz。
由于元件的误差,实际值会略有差异。
其它多余的反相器,输入端接地避免影响其它电路。
场效应管驱动电路。
图4
由于方波信号发生器输出的振荡信号电压最大振幅为0~5V,为充分驱动电源开关电路,这里用TR1、TR2将振荡信号电压放大至0~12V。
如图4所示。
MOS场效应管电源开关电路。
这是该装置的核心,在介绍该部分工作原理之前,先简单解释一下MOS 场效应管的工作原理。
图5
MOS 场效应管也被称为MOS FET,既Metal Oxide Semiconductor Field Effect Transistor(金属氧化物半导体场效应管)的缩写。
它一般有耗尽型和增强型两种。
本文使用的为增强型MOS 场效应管,其内部结构见图5。
它可分为NPN型PNP型。
NPN型通常称为N沟道型,PNP型也叫P沟道型。
由图可看出,对于N沟道的场效应管其源极和漏极接在N型半导体上,同样对于P沟道的场效应管其源极和漏极则接在P型半导体上。
我们知道一般三极管是由输入的电流控制输出的电流。
但对于场效应管,其输出电流是由输入的电压(或称电场)控制,可以认为输入电流极小或没有输入电流,这使得该器件有很高的输入阻抗,同时这也是我们称之为场效应管的原因。
图6
为解释MOS 场效应管的工作原理,我们先了解一下仅含有一个P—N结的二极管的工作过程。
如图6所示,我们知道在二极管加上正向电压(P端接正极,N端接负极)时,二极管导通,其PN结有电流通过。
这是因为在P型半导体端为正电压时,N型半导体内的负电子被吸引而涌向加有正电压的P型半导体端,而P型半导体端内的正电子则朝N型半导体端运动,从而形成导通电流。
同理,当二极管加上反向电压(P端接负极,N端接正极)时,这时在P型半导体端为负电压,正电子被聚集在P型半导体端,负电子则聚集在N型半导体端,电子不移动,其PN结没有电流通过,二极管截止。
图7a 图7b
对于场效应管(见图7),在栅极没有电压时,由前面分析可知,在源极与漏极之间不会有电流流过,此时场效应管处与截止状态(图7a)。
当有一个正电压加在N沟道的MOS 场效应管栅极上时,由于电场的作用,此时N型半导体的源极和漏极的负电子被吸引出来而涌向栅极,但由于氧化膜的阻挡,使得电子聚集在两个N 沟道之间的P型半导体中(见图7b),从而形成电流,使源极和漏极之间导通。
我们也可以想像为两个N型半导体之间为一条沟,栅极电压的建立相当于为它们之间搭了一座桥梁,该桥的大小由栅压的大小决定。
图8给出了P沟道的MOS 场效应管的工作过程,其工作原理类似这里不再重复。
图8
下面简述一下用C-MOS场效应管(增强型MOS 场效应管)组成的应用电路的工作过程(见图9)。
电路将一个增强型P沟道MOS场效应管和一个增强型N沟道MOS 场效应管组合在一起使用。
当输入端为低电平时,P沟道MOS场效应管导通,输出端与电源正极接通。
当输入端为高电平时,N沟道MOS场效应管导通,输出端与电源地接通。
在该电路中,P沟道MOS场效应管和N沟道MOS场效应管总是在相反的状态下工作,其相位输入端和输出端相反。
通过这种工作方式我们可以获得较大的电流输出。
同时由于漏电流的影响,使得栅压在还没有到0V,通常在栅极电压小于1到2V时,MOS场效应管既被关断。
不同场效应管其关断电压略有不同。
也正因为如此,使得该电路不会因为两管同时导通而造成电源短路。
图9
由以上分析我们可以画出原理图中MOS场效应管电路部分的工作过程(见图10)。
工作原理同前所述。
这种低电压、大电流、频率为50Hz的交变信号通过变压器的低压绕组时,会在变压器的高压侧感应出高压交流电压,完成直流到交流的转换。
这里需要注意的是,在某些情况下,如振荡部分停止工作时,变压器的低压侧有时会有很大的电流通过,所以该电路的保险丝不能省略或短接。
图10
3.制作要点
电路板见图11。
所用元器件可参考图12。
逆变器用的变压器采用次级为12V、电流为10A、初级电压为220V的成品电源变压器。
P沟道MOS场效应管(2SJ471)最大漏极电流为30A,在场效应管导通时,漏-源极间电阻为25毫欧。
此时如果通过10A电流时会有2.5W的功率消耗。
N沟道MOS场效应管(2SK2956)最大漏极电流为50A,场效应管导通时,漏-源极间电阻为7毫欧,此时如果通过10A电流时消耗的功率为0.7W。
由此我们也可知在同样的工作电流情况下,2SJ471的发热量约为2SK2956的4倍。
所以在考虑散热器时应注意这点。
图13展示本文介绍的逆变器场效应管在散热器(100mm×100mm×17mm)上的位置分布和接法。
尽管场效应管工作于开关状态时发热量不会很大,出于安全考虑这里选用的散热器稍偏大。
图11图12
图13
4.逆变器的性能测试
测试电路见图14。
这里测试用的输入电源采用内阻低、放电电流大(一般大于100A)的12V汽车电瓶,可为电路提供充足的输入功率。
测试用负载为普通的电灯泡。
测试的方法是通过改变负载大小,并测量此时的输入电流、电压以及输出电压。
其测试结果见电压、电流曲线关系图(图15a)。
可以看出,输出电压随负荷的增大而下降,灯泡的消耗功率随电压变化而改变。
我们也可以通过计算找出输出电压和功率的关系。
但实际上由于电灯泡的电阻会随受加在两端电压变化而改变,并且输出电压、电流也不是正弦波,所以这种的计算只能看作是估算。
以负载为60W的电灯泡为例:
假设灯泡的电阻不随电压变化而改变。
因为R灯=V2/W=2102/60=735Ω,所以在电压为208V时,W=V2/R=2082/735=58.9W。
由此可折算出电压和功率的关系。
通过测试,我们发现当输出功率约为100W时,输入电流为10A。
此时输出电压为200V。
逆变器电源效率特性见图15b。
图16为逆变器连续100W负载时,场效应管的温升曲线图。
图17为不同负载时输出波形图,
图14
图15a 图15b
图16、17。