ZX7-500A逆变电焊机电路图
- 格式:pdf
- 大小:89.12 KB
- 文档页数:1
ZX7-160/200/250/315/400/500逆变直流弧焊机使用说明书安全须知!重要提示:焊割过程中,不能切换功能转换开关,以免损坏机器。
进行切割前,必须先拔掉与电焊钳连接的快速插头,确保焊钳与主机断开,以防触电。
使用该设备需加装漏电安全保护开关!使用国家安全监察部门认可的焊接劳动保护用品!操作者必须是持有效的《金属焊接(气割)作业》操作证的特种作业人员!触电-会导致严重伤害!按照应用标准,安装好接地装置。
在皮肤裸露、戴有湿手套或穿着湿衣服时,禁止接触带电部件或电焊条。
确保您和地面及工件间是绝缘状态。
确认您的工位是安全状态。
烟气-会有害健康!让头部保持在烟气之外。
在弧焊时,使用通风或抽气装置,避免吸入烟气。
弧光辐射-会损害您的眼睛,灼伤皮肤!使用合适的焊接面罩和滤光镜,穿上防护服,以保护您的眼睛和身体。
用适合的面罩或帘保护旁观者免受伤害。
火灾-焊接火花可能会导致火灾,确认焊接工位附近无易燃物,请注意安全防火。
噪音-过度的噪音对人的听力有害保护您的耳朵,使用耳朵防护罩或戴上其他听力保护物。
警告旁观者,噪音会对其听觉造成潜在伤害。
故障-遇到困难时,寻求专业人士的帮助。
如您在安装和操作时遇到困难,请按本手册的有关内容进行排查。
一、主要技术参数1-1.参数表型号参数ZX7-160ZX7-200ZX7-200B ZX7-250电源电压(V)单相220V±15三相AC380V±1 5额定输入电流(A)243232151-2.负载持续率曲线及外特性曲线二、安装2-1.电源线的连接1)每台机都装有一次电源线,应根据焊机的输入电压将一次线接在相应电压等级上,切勿错接电压等级。
2)一次电源要与对应的电源接线柱或插座接触良好,防止氧化。
3)用万用表测量一下输入电压值是否在波动范围内。
2-2.输出线的连接1)每台焊机配有两个快速插头,将快速插头前面板的快速插座上,要用力加以旋紧,保证接触良好,否则工作时间长工作电流大的时候将会烧毁插头与插座,这要引起足够的重视。
目录一用途及特点------------------------------1 二安全使用规范----------------------------1三电磁兼容注意事项------------------------4 四焊机安装--------------------------------6 五型号编制及说明--------------------------8 六原理简述--------------------------------8 七操作使用说明----------------------------9 八焊机的维修与保养-----------------------14 九主要技术参数---------------------------16 十产品成套及附件清单---------------------18 十一附录A:常见故障、故障原因及排除方法附录B:信息反馈表一、用途及特点ZX7系列逆变手工焊机是一种广泛适用于锅炉等容器制造、电建、冶建、化建、航空/航天工业、车辆制造等工业领域中各种金属(δ≥0.5mm)结构焊接的焊机。
该系列逆变焊机具有合理的静外特性及良好的动态性能,特点如下:焊把及地线电缆采用快速电缆插头,与电源“+、-”输出端相连,插接快速、简单、安全、可靠;采用20kHz逆变技术,除用于冷却的风机旋转声外,电源工作无噪音;优秀的引弧特性和熔滴过渡特性。
由于采用了方便可调,控制适当的引弧电路,显著提高了初次引弧和“灭弧焊”再引弧的可靠性,并改善了断续焊、单面焊双面成形的工艺适应性。
适当地选择焊接电流和推力电流,可以控制调节熔滴过渡方式,改善电弧吹力和挺度;设置了长、短把线选择开关,可以较大范围调节电弧性能(挺度、吹力等);适用于酸性焊条、低氢碱性焊条、管道纤维素焊条、耐热钢焊条等多种焊条的焊接;重量轻,体积小,效率高,空载损耗小。
二安全使用规范1 一般安全注意事项!●输入电源的设计施工、安装场地的选择、高压气体的使用等,请按照相关标准与规定进行。
ZX7系列可控硅逆变焊机的维修及保养一、焊机的故障及排除:在开始检修前,应先做以下检查:A.三相电源的线电压是否在340-420V范围内,有无缺相;B.焊机电源输入电缆连线是否正确可靠。
C.焊机地线连线是否正确可靠;D.焊接电缆连线是否正确,接触是否良好,焊接电缆应为截面积不小于35平方毫米的优质铜电缆。
E.气路连接是否良好,气瓶开关是否已打开,有无漏气现象;1.1故障现象:开机后指示灯不亮,但电压表有70-80V指示,且风机正常运转,焊机能工作。
故障原因:指示灯ZD1接触不良或损坏。
排除方法:更换指示灯ZD1(6.3V,0.15A)。
1.2故障现象:开机后指示灯不亮,风机也不转,前面板上的电压表没有指示,但后面板上的空气开关仍在“ON”位置。
故障原因:A.缺相。
B.空气开关K1损坏。
排除方法:A.检查电路。
B.更换空气开关K1(C45AD40A)。
1.3故障现象:开机后能工作,但焊接电流小,电压表示大于45V故障原因:A.换向电容C8-C11中某些失效。
B.焊把电缆截面太小,长度太长或接头接触不良。
C.三相380V电源缺相。
排除方法:A.更换损坏的换相电容器(C88-500V-8μF)。
B.更换截面积较大、质量较好的焊接电缆,以下是不同使用条件下所用焊接电缆的参考数据:C.检查用户配电板或配电柜。
注:所用电缆应为优质铜焊接电缆。
1.4故障现象:开机后,焊机无空载电压输出(前面板上的电压表没有指示)。
故障原因:A.控制电路板PCB2坏。
B.快速可控硅T3或T4门极开路。
排除方法:A.维修或更换控制电路板PCB2。
B.更换快速可控硅T3,T4(KK200A/1200V)。
1.5故障现象:接通焊机电源,自动空气开关就立即自动断电。
故障原因:A.快速可控硅T3,T4损坏。
B.快恢复整流二极管D3,D4损坏。
C.三相整流桥QL1损坏。
D.压敏电阻R1损坏。
E.控制电路板PCB2故障。
排除方法:A.出现这种情况时应先关掉配电板或配电柜上的电源开关,然后合上焊机上的自动空气开关,再用配电板(柜)上的电源开关开机,若自动空气开关仍立即自动断电,即可按以下几条进行:B.更换快速可控硅T3,T4(型号:KK200A/1200V)。
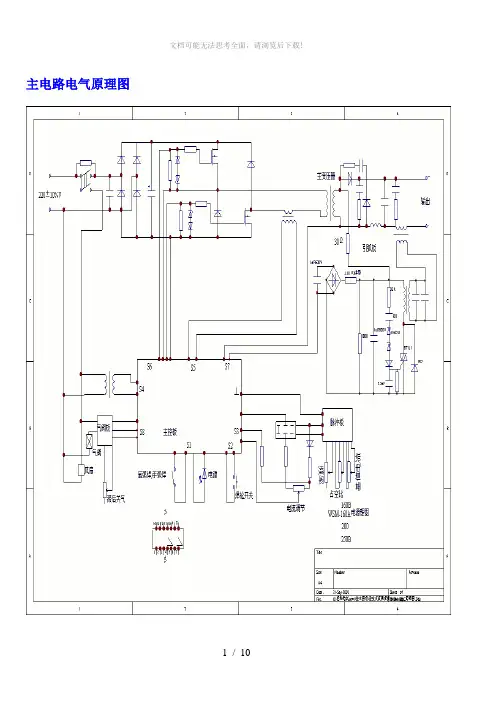
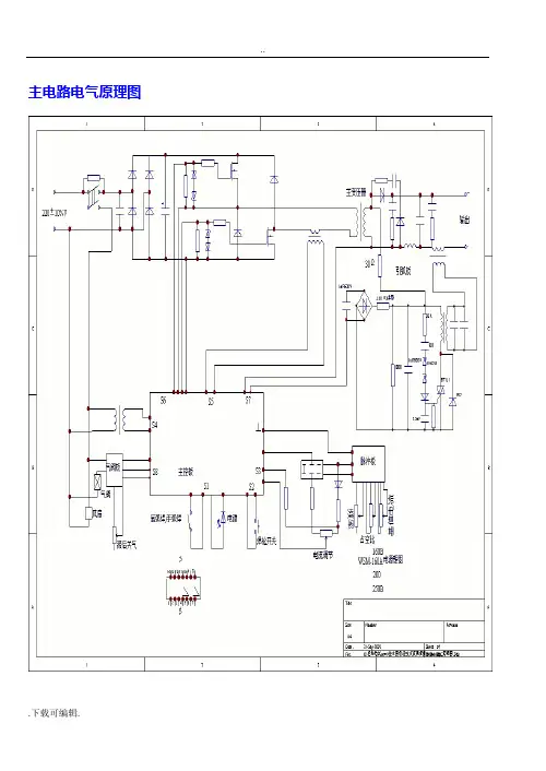
主电路电气原理图主控制板电器原理图:逆变触发电路图:脉冲及时序板原理图:本机采用三相交流380V电压经三相桥式整流、滤波后供给以新型IGBT为功率开关器件的逆变器进行变频(20KC)处理后,由中频变压器降压,再经整流输出可供焊接所需的电源,通过集成电路构成的逻辑控制电路对电压、电流信号的反馈进行处理,实现整机闭环控制,采用脉宽调制PWM为核心的控制技术,从而获得快速脉宽调制的恒流特性和优异的焊接工艺效果。
IGBT逆变电焊机工作原理及输出特性这里介绍的逆变器(见图)主要由MOS 场效应管,普通电源变压器构成。
其输出功率取决于MOS 场效应管和电源变压器的功率,免除了烦琐的变压器绕制,适合电子爱好者业余制作中采用。
下面介绍该逆变器的工作原理及制作过程。
--拓普电子1.电路图2.工作原理这里我们将详细介绍这个逆变器的工作原理。
方波信号发生器(见图3)这里采用六反相器CD4069构成方波信号发生器。
电路中R1是补偿电阻,用于改善图3由于电源电压的变化而引起的振荡频率不稳。
电路的振荡是通过电容C1充放电完成的。
其振荡频率为f=1/2.2RC 。
图示电路的最大频率为:fmax=1/2.2×3.3×103×2.2×10-6=62.6Hz;最小频率fmin=1/2.2×4.3×103×2.2×10-6=48.0Hz 。
由于元件的误差,实际值会略有差异。
其它多余的反相器,输入端接地避免影响其它电路。
场效应管驱动电路。
由于方波信号发生器输出的振荡信号电压最大振幅为0~5V ,为充分驱动电源开关电路,这里用TR1、TR2将振荡信号电压放大至0~12V 。
如图4所示。
MOS 场效应管电源开关电路。
这是该装置的核心,在介绍该部分工作原理之前,先简单解释一下MOS场效应管的工作原理。
MOS 场效应管也被称为MOS FET , 既Metal Oxide Semiconductor FieldEffect Transistor (金属氧化物半导体场效应管)的缩写。
逆变触发电路图:脉冲及时序板原理图:IGBT逆变电焊机工作原理及输出特性本机采用三相交流380V电压经三相桥式整流、滤波后供给以新型IGBT为功率开关器件的逆变器进行变频(20KC)处理后,由中频变压器降压,再经整流输出可供焊接所需的电源,通过集成电路构成的逻辑控制电路对电压、电流信号的反馈进行处理,实现整机闭环控制,采用脉宽调制PWM为核心的控制技术,从而获得快速脉宽调制的恒流特性和优异的焊接工艺效果。
DC/AC逆变器的制作-------------------------------------------------------------------------------- 江苏电子网QQ:99296827这里介绍的逆变器(见图)主要由MOS 场效应管,普通电源变压器构成。
其输出功率取决于MOS 场效应管和电源变压器的功率,免除了烦琐的变压器绕制,适合电子爱好者业余制作中采用。
下面介绍该逆变器的工作原理及制作过程。
--拓普电子1.电路图2.工作原理这里我们将详细介绍这个逆变器的工作原理。
方波信号发生器(见图3)图3这里采用六反相器CD4069构成方波信号发生器。
电路中R1是补偿电阻,用于改善由于电源电压的变化而引起的振荡频率不稳。
电路的振荡是通过电容C1充放电完成的。
其振荡频率为f=1/2.2RC。
图示电路的最大频率为:fmax=1/2.2×3.3×103×2.2×10-6=62.6Hz;最小频率fmin=1/2.2×4.3×103×2.2×10-6=48.0Hz。
由于元件的误差,实际值会略有差异。
其它多余的反相器,输入端接地避免影响其它电路。
场效应管驱动电路。
图4由于方波信号发生器输出的振荡信号电压最大振幅为0~5V,为充分驱动电源开关电路,这里用TR1、TR2将振荡信号电压放大至0~12V。
如图4所示。
ZX7逆变直流手工电焊机一、电焊机的分类电焊机是利用正负两极在瞬间短路时产生的高温电弧来熔化电焊条上的焊料和被焊材料,来达到使它们结合的目的。
结构十分简单,就是一个大功率的变压器,电焊机一般按输出电源种类可分为两种,一种是交流电源的;一种是直流电的。
是利用电感的原理做成的,电感量在接通和断开时会产生巨大的电压变化,利用正负两极在瞬间短路时产生的高压电弧来熔化电焊条上的焊料,来达到使它们达到原子结合的目的。
电焊机的种类有很多(详见附录一),常见的有,手工交流弧焊机,逆变直流手工弧焊机,逆变直流氩弧焊机,逆变气体保护焊机。
二、产品简介逆变式直流弧焊机是以大功率开关电子元件(晶闸管SCR、晶体管GTR、场效应管MOSFET或IGBT)作为开关元件的逆变式焊条电弧焊机。
首先,将50Hz的工频输入电压经整流滤波成为直流电压,然后通过功率电子开关转换成高频的交流电压,再通过变压器将此交流电压变为适合焊接工艺要求的交流电压,最后经整流滤波变为直流焊接电压。
通过脉冲宽度调节控制技术(PWM),对输出电流进行控制并调节。
由于采用了开关电源逆变技术,焊机重量和体积大幅度下降,效率提高,同时节约了电能消耗。
三、产品特点与传统的手工交流弧焊机比较,主要特点如下:1、体积小、重量轻,节省材料,携带、移动方便。
2、高效节能,效率可达到80%~90%,比传统焊机节电1/3以上。
3、动特性好,引弧容易,电弧稳定,溶池容易控制,焊缝成形美观,飞溅小。
4、较高的空载电压和较好的能量推力补偿。
5、适合于与机器人结合,组成自动焊接生产系统。
6、可一机多用,完成多种焊接和切割过程。
四、用途可用于高空作业,野外作业,室内外装修等。
焊接不锈钢、合金钢、碳钢、铜和其他有色金属。
五、工作条件及环境1、环境条件:海拔不超过1000m环境温度范围:工作状态:-10~+40℃运输和贮存状态:-25~+55℃相对湿度:在40℃时≤50% 在20℃时≤90%周围空气中灰尘、酸、腐蚀性气体或物质应不超过正常含量,由于焊接过程而产生的除外应放臵于干燥通风处,并防止阳光直射和雨淋2、供电品质:供电电源:3~380V/50Hz电压波动范围<±15%频率波动范围<±1%三相电压不平衡率<±5%使用引擎发电机时:要求发电机输出功率大于焊接电源额定输入功率两倍以上,并具备补偿线圈六、工作原理逆变电焊机主要是逆变器产生的逆变式弧焊电源,又称弧焊逆变器。
逆变触发电路图:脉冲及时序板原理图:IGBT逆变电焊机工作原理及输出特性本机采用三相交流380V电压经三相桥式整流、滤波后供给以新型IGBT为功率开关器件的逆变器进行变频(20KC)处理后,由中频变压器降压,再经整流输出可供焊接所需的电源,通过集成电路构成的逻辑控制电路对电压、电流信号的反馈进行处理,实现整机闭环控制,采用脉宽调制PWM为核心的控制技术,从而获得快速脉宽调制的恒流特性和优异的焊接工艺效果。
DC/AC逆变器的制作这里介绍的逆变器(见图)主要由MOS 场效应管,普通电源变压器构成。
其输出功率取决于MOS 场效应管和电源变压器的功率,免除了烦琐的变压器绕制,适合电子爱好者业余制作中采用。
下面介绍该逆变器的工作原理及制作过程。
--拓普电子1.电路图2.工作原理这里我们将详细介绍这个逆变器的工作原理。
方波信号发生器(见图3)图3这里采用六反相器CD4069构成方波信号发生器。
电路中R1是补偿电阻,用于改善由于电源电压的变化而引起的振荡频率不稳。
电路的振荡是通过电容C1充放电完成的。
其振荡频率为f=1/2.2RC。
图示电路的最大频率为:fmax=1/2.2×3.3×103×2.2×10-6=62.6Hz;最小频率fmin=1/2.2×4.3×103×2.2×10-6=48.0Hz。
由于元件的误差,实际值会略有差异。
其它多余的反相器,输入端接地避免影响其它电路。
场效应管驱动电路。
图4由于方波信号发生器输出的振荡信号电压最大振幅为0~5V,为充分驱动电源开关电路,这里用TR1、TR2将振荡信号电压放大至0~12V。
如图4所示。
MOS场效应管电源开关电路。
这是该装置的核心,在介绍该部分工作原理之前,先简单解释一下MOS 场效应管的工作原理。
图5MOS 场效应管也被称为MOS FET,既Metal Oxide Semiconductor Field Effect Transistor(金属氧化物半导体场效应管)的缩写。
焊接设备类-I
006逆变式直流电焊机 系列焊机是一种高效、节能直流焊接电源,具有特有的静特性及良好的动特性,具有动态响应
快、性能可靠、焊接电弧稳定、成型美观、飞溅小、噪音低、节能等特性。
该机可广泛适用于油气管道、钻井平台、船坞、铁路、桥梁、矿山、建筑施工及设备维修等需要频繁移动的场合。
手工直流电焊机适应各种焊条,用于不锈钢、低、中碳钢及普通低合金钢结构的焊接。
ZX7
额定输入电源额定输入容量(kVA)电流调节范围(A)额定负载持续率(%)额定空载电压(V)额定焊接电流(A)绝缘等级防护等级冷却方式单相220V±10%, 50Hz 3.6~51606095160F IP21单相220V±10%, 50Hz 4.55~2006095200F IP21三相380V±10%, 50Hz 10.520~2506065~75250F IP2113.520~3156065~75315F IP21三相380V±10%, 50Hz 17.1~204006065~75400F IP21三相380V±10%, 50Hz 21.7~4050060~6575500F IP21三相380V±10%,
50Hz
强迫风冷ZX7系列Z X 7-□
额定焊接电流(A)
变频式
下降特性
弧焊整流器
订货单位须注明的型式特征,电压等级,电流等级,极数,操作方式及数量等,特殊订货请咨询我公司技术部门。
例如:ZX7-500 380V 10台
焊机1 适用范围2 型号及含义
3 主要参数及技术性能
4 订货须知
强迫风冷强迫风冷强迫风冷强迫风冷强迫风冷。
主电路电气原理图主控制板电器原理图:逆变触发电路图:脉冲及时序板原理图:本机采用三相交流380V电压经三相桥式整流、滤波后供给以新型IGBT为功率开关器件的逆变器进行变频(20KC)处理后,由中频变压器降压,再经整流输出可供焊接所需的电源,通过集成电路构成的逻辑控制电路对电压、电流信号的反馈进行处理,实现整机闭环控制,采用脉宽调制PWM为核心的控制技术,从而获得快速脉宽调制的恒流特性和优异的焊接工艺效果。
IGBT逆变电焊机工作原理及输出特性这里介绍的逆变器(见图)主要由MOS 场效应管,普通电源变压器构成。
其输出功率取决于MOS 场效应管和电源变压器的功率,免除了烦琐的变压器绕制,适合电子爱好者业余制作中采用。
下面介绍该逆变器的工作原理及制作过程。
--拓普电子1.电路图2.工作原理这里我们将详细介绍这个逆变器的工作原理。
方波信号发生器(见图3)这里采用六反相器CD4069图3构成方波信号发生器。
电路中R1是补偿电阻,用于改善由于电源电压的变化而引起的振荡频率不稳。
电路的振荡是通过电容C1充放电完成的。
其振荡频率为f=1/2.2RC。
图示电路的最大频率为:fmax=1/2.2×3.3×103×2.2×10-6=62.6Hz;最小频率fmin=1/2.2×4.3×103×2.2×10-6=48.0Hz。
由于元件的误差,实际值会略有差异。
其它多余的反相器,输入端接地避免影响其它电路。
场效应管驱动电路。
由于方波信号发生器输出的振荡信号电压最大振幅为0~5V ,为充分驱动电源开关电路,这里用TR1、TR2将振荡信号电压放大至0~12V 。
如图4所示。
MOS 场效应管电源开关电路。
这是该装置的核心,在介绍该部分工作原理之前,先简单解释一下MOS 场效应管的工作原理。
MOS 场效应管也被称为MOS FET , 既Metal Oxide Semiconductor Field EffectTransistor (金属氧化物半导体场效应管)的缩写。
瑞凌款逆变直流氩弧电焊机两用主控制板线路板长条板ZX7
瑞凌款逆变直流氩弧电焊机两用主控制板线路板长条板ZX7-250-500的详细信息
品牌/型号:力新/zx7-250 315 400 500 绝缘层厚度:常规板阻燃特性:VO板机械刚性:刚性绝缘材料:有机树脂基材:铜通用型:WS系列 ZX7系列控制板营销价格:低价加工定制:否增强材料:合成纤维基产品性质:新品营销方式:现货型号:zx7-250 315 400 500 加工工艺:电解箔层数:双面品牌:力新
瑞凌款逆变直流氩弧电焊机两用主控制板线路板长条板ZX7-250-500'
瑞凌款式长条板主控板控制板
适应瑞凌款WS和ZX7系列 MOS管焊机
规格尺寸180mm*60mm
以下2种板用法完全一样我们随机发货
下边这块全插座板子适合带远近程开关的焊机
如果没有远近程开关把远近程开关插座的红圈的两点连接起来就可以用了
'。