龙门吊轨道检查检测(验收)记录表
- 格式:doc
- 大小:105.00 KB
- 文档页数:2
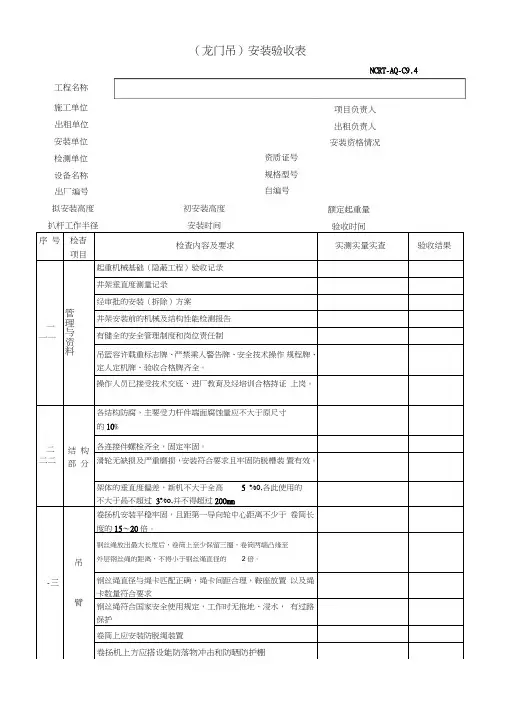
工程名称施工单位出租单位安装单位检测单位设备名称出厂编号拟安装高度扒杆工作半径(龙门吊)安装验收表NCRT-AQ-C9.4项目负责人出租负责人安装资格情况初安装高度安装时间资质证号规格型号自编号额定起重量序号检杳项目检查内容及要求实测实量实查验收结果一一一管理与资料起重机械基础(隐蔽工程)验收记录井架垂直度测量记录经审批的安装(拆除)方案井架安装前的机械及结构性能检测报告有健全的安全管理制度和岗位责任制吊篮容许载重标志牌、严禁乘人警告牌、安全技术操作规程牌、定人定机牌、验收合格牌齐全。
操作人员已接受技术交底、进厂教育及经培训合格持证上岗。
二二二结构部分各结构防腐,主要受力杆件端面腐蚀量应不大于原尺寸的10%各连接件螺栓齐全,固定牢固。
滑轮无缺损及严重磨损,安装符合要求且牢固防脱槽装置有效。
架体的垂直度偏差,新机不大于全高 5 %0,各此使用的不大于咼不超过3%o,并不得超过200mm-三吊臂卷扬机安装平稳牢固,且距第一导向轮中心距离不少于卷筒长度的15〜20倍。
钢丝绳放岀最大长度后,卷筒上至少保留三圈,卷筒两端凸缘至外层钢丝绳的距离,不得小于钢丝绳直径的2倍。
钢丝绳直径与绳卡匹配正确,绳卡间距合理,鞍座放置以及绳卡数量符合要求钢丝绳符合国家安全使用规定,工作时无拖地、浸水,有过路保护卷筒上应安装防脱绳装置卷扬机上方应搭设能防落物冲击和防晒防护棚(龙门吊)安装验收表(续表)检测结论 验收结论(附检测报告)验收人 签名施工单位年 月曰出租单位年 月曰安装单位年 月曰专业监理工程师:。
龙门吊检查验收记录表
施工现场施工机具(龙门吊)检查验收记录表工程名称:重庆轨道交通十号线轨道工程标施工单位:XXX
使用单位
租赁单位
安装单位
验收项目
施工方案
安全管理
安全技术交底
操作人员持证上岗
设备产品生产合格证
路基、固定基础承载能力符合要求,有排水、防雨设施,没有积水。
轨道铺设钢轨接头间隙<2~4mm,两轨定高度差<2mm。
鱼尾板安装符合要求
纵横方向上钢轨顶面倾斜度是否符合要求
起升超高限位器、小车行走限位器、大车行走限位器、操作室门连锁安全限位器、维修平
台门连锁安全限位器
安全装置
警示电铃完好有效
多机在同一轨道作业防碰撞限位器
吊钩保险装配齐全
大车夹轨器,轨道终端必需设置缓冲止挡器
钢丝绳
架体
其中钢丝绳无断丝、断股,无乱绳,润滑良好,符合安全使用要求
架体稳固、焊缝无开裂,符合安装技术要求
设置专用配电箱,符合临电规范要求
用电管理卷线器、滑线器运转正常,电源线无破损,压接、固定牢固
地线设置符合规范要求,地线接地电阻≤4Ω
验收结论:
吊钩滑轮吊钩、卷筒、滑轮无裂纹,吻合安全利用请求
负责人
负责人
负责人
验收内容及请求
验收日期
额定荷载
设备名称型号
年月日
验收结果安装单位:租赁单位:。
施工机械检查验收表龙门吊
一、检查前准备
•确认施工机械的型号、参数是否与产品合格证明一致;
•了解使用和维修保养说明书的内容;
•准备检查、测试工具和仪器。
二、安全检查
•检查机器的外观是否完好,无较大的划伤、裂痕、磨损等;
•检查龙门吊是否有异响、闪烁等异常情况;
•检查吊臂、牵引装置等部件是否完好,有无松动、裂痕、锈蚀等;
•检查吊钩、挂钩、弯钩、钩具、缆索、电缆等部件是否正常;
•检查吊装架、吊装座、固定环等连接件是否完好、稳固,无松动、磨损等;
•检查机器上各种必要的标志、警示、安全装置是否完备,安装位置是否正确、合理。
三、性能检查
•接通电源,检查各电器、电路是否正常;
•检查各液压、气压管道是否有泄露现象;
•进行空载试运行,检查运转是否平稳,加减速是否正常;
•进行带载试运行,检查吊重能力、行车速度是否符合规定。
四、使用和维护考察
•考察使用人员是否已经掌握了机器的操作和维护技能;
•考察维护保养方案的执行情况;
•检查润滑系统、传动系统、电气系统等各部件情况,及时发现并解决出现的问题,确保机器的长期使用。
以上是本次施工机械检查验收表的内容。
在进行检查验收时,需要按照标准流程进行,如发现问题需要及时解决,确保机器的正常使用和安全运行。
龙门吊轨道检查检测记录表格1 / 1龙门吊轨道施工检验〔验收〕记录表轨道 /根底名称:10T 龙门吊检验内容和要求1.直接敷设碎石的轨道根底必须按设计要求压实,碎石根底必须平整捣实,轨枕之间应填满碎石。
2. 轨道实际中心与梁的实际中心偏差不超过 10mm ,且不大于吊车梁腹板厚度的一半。
3. 轨道与轨道之间应可靠连接,轨面无裂纹疤痕等缺陷。
4. 钢轨接头处必须有轨枕支承,不得悬空。
5. 轨距误差不大于△ s =±〔 3+ (S - 10) 〕mm 。
6. 轨道接头间隙不大于 2mm 。
7. 固定轨道的螺栓和压板不应缺少。
压板固定牢固,垫片不得窜动。
8. 挡轨器安装齐全并距轨道头≥ 2m 、符合设计要求。
实测数据标高 α 1α2α3α 4α 5α 6α 7α 8轨 1 1512 1514 1513 1513 1513 1513 1513 1513 轨 2 15131514151315141514151315131514轨距 L1L2L3L4L5L6L7L8测量 18001 18002 18001 18002 1 8 0 0 1 18001 18002 18001接头λ 1λ 2λ 3λ 4λ 5λ 6λ 7λ 8间隙 011错开 μ 1μ 2μ 3μ 4μ 5μ 6μ 7μ 8距离 0接地 Ω 1Ω 2Ω 3Ω 4Ω 5Ω 6Ω 7Ω 8电阻5轨道全长〔 m 〕120M检验结果合格 合格 合格 合格 合格 合格 合格 合格α 9α 10α 11α 12α 131514 1514 1513 1514 1513 15141513151315131513L9L10L11L12L131800218002180011800118001λ 9λ 10λ 11λ 12λ 1311μ 9μ 10μ 11μ 12μ 131Ω 9 Ω 10 Ω 11 Ω 12 Ω 13轨道检验〔验收〕记录工程名称工程部mm安环部机械化分公司mmL mm测量员张林辉mm验收人徐建彬注:接头间隙及错开距离要求全部测 量,可以用多张表完成对一条轨道的测量记录。
起重机械轨道验收表(适用于龙门吊和塔吊等轨道设备)机械编号钢轨型号43kg设备名称门式起重机使用地点加工内场跨距20000mm 轨道长度序号测量项目参考标准实测结果是否合格测量人1 两轨道轨顶高差不大于10mm2 钢轨的纵向坡度倾斜度不大于5/10003 轨距误差6mm4 钢轨接头间隙2-4mm5 两侧接头错开距离不小于1.5m6 接头处两轨顶高度差不大于2mm7 轨道垫块和轨枕,轨距拉杆,止挡和限位撞架轨道应通过垫块和轨枕可靠地接地,每间隔6m设轨距拉杆一个。
钢轨接头必须有轨枕支承,不得悬空,轨道止挡和限位撞架安装位置合理,撞架与止挡距离不小于2m8 碎石碎石基础必须整平捣实,轨枕之间应填满碎石,碎石粒度为20-40mm9 排水基础有排水设施,严禁存水结论及处理措施:测量时间:测量人安装单位意见:负责人:年月日材设科意见:负责人:年月日安全科意见:年月日总工程师意见负责人:年月日管理编号TJBJ(ZE)-151 钢轨型号43kg设备名称门式起重机使用地点钢筋场跨距轨道长度序号测量项目参考标准实测结果是否合格测量人1 两轨道轨顶高差不大于10mm2 钢轨的纵向坡度倾斜度不大于5/10003 轨距误差6mm4 钢轨接头间隙2-4mm5 两侧接头错开距离不小于1.5m6 接头处两轨顶高度差不大于2mm7 轨道垫块和轨枕,轨距拉杆,止挡和限位撞架轨道应通过垫块和轨枕可靠地接地,每间隔6m设轨距拉杆一个。
钢轨接头必须有轨枕支承,不得悬空,轨道止挡和限位撞架安装位置合理,撞架与止挡距离不小于2m8 混凝土基础坚实、平整,混凝土强度符合方案要求9 排水基础有排水设施,严禁存水结论及处理措施:测量时间:测量人安装单位意见:负责人签章:年月日使用单位意见负责人签章:年月日负责人签章:年月日监理单位意见负责人签章:年月日。