龙门吊检查记录表汇总
- 格式:wps
- 大小:304.50 KB
- 文档页数:19
龙门吊专项安全检查记录表年月日工程名称怀来官厅胡水库大桥安装班组北岸钢筋加工作业班组施工地点北岸钢筋加工厂门吊负责人姜小平龙门吊机型号吊装型式额定起重量(t)设备编号最大吊装体积最大起重量(t)项目内容和要求检查结果相关资料是否有合格证及厂家资料是否有龙门吊的相关技术资料是否有龙门吊的安全操作规程是否通过当地检测验收是否有维修保养记录是否有日常安全检查记录操作工人是否持证上岗龙门吊结构件结构件是否有变形、开焊、疲劳裂纹横梁桁架链接高强螺栓是否合格、有无经过检验部件、附件、连接件安装是否齐全、可靠,位置是否正确检查两横梁面是否保持水平检查两横梁支腿在支撑状态下垂直度是否符合设计要求检查横梁各支点是否在同一水平面(小于5mm)螺栓拧紧力矩是否达到技术要求(抽检频度5%)检查横梁在有支撑状态下的直线度(小于10mm)检查两条横梁的中心距是否满足要求(小于10mm)绳轮及吊具系统钢丝绳在卷筒上面缠绕是否整齐、润滑是否良好钢丝绳规格是否正确、如有断丝和磨损是否达到报废标准钢丝绳固定和编插是否符合规范要求滑轮转动是否灵活、可靠,有无卡塞现象滑轮销、吊带、吊绳锁销等磨损量是否超限检查吊具有无损伤传动系统各机构转动是否平静、有无异常响声各润滑点是否润滑良好各制动器是否灵活可靠、制动轮连接销是否完好起升卷扬机固定是否可靠,齿轮箱有无裂纹电气系统检查供电电压是否正常检查各电缆、电线有无老化、破损,绝缘是否良好检查各接触器、开关按钮、断电器触电是否良好是否装有仪表,且系统是否完好、可靠控制、操纵装置动作是否灵活、可靠各种电气安全保护装置是否安全可靠是否接地,接地电阻是否符合技术规范要求安全限位以及保险装置大梁与支腿之间是否相对固定支腿是否有效支撑,垂直受力是否平衡起升机构限位装置是否灵敏可靠天车行走限位装置是否灵敏可靠天车行走导(钢)轨限位挡板是否牢靠底部大车移动限位装置是否灵敏可靠底部大车移动导(钢)轨限位挡板是否牢靠有无警铃,装设是否齐全有效起重吊钩是否装设有防脱钩等安全保险装置其他验算吊具受力是否满足规范要求有无正确设置安全标示牌,有无安全操作规程有无指定操作员及岗位责任有无试运行,有无岗前教育和三级安全技术交底检查人员签名:年月日检查结论:年月日。
(年月)场内龙门吊日检、维保记录表
设备管理号:保管司机:主管部门:物设部
2、状况良好打“√”;发现故障打“×”。
4、若在检查中发现故障,应及时处理或向相关部门进行汇报。
5、牢记“十不吊”原则。
每月末请将该《场内行车日检、维保记录表》递交中心物设部。
附注:1、值班司机请每日在上班前进行例行检查及保养。
2、状况良好打“√”;发现故障打“×”。
4、若在检查中发现故障,应及时处理或向相关部门进行汇报。
5、牢记“十不吊”原则。
每月末请将该《场内行车日检、维保记录表》递交中心物设部。
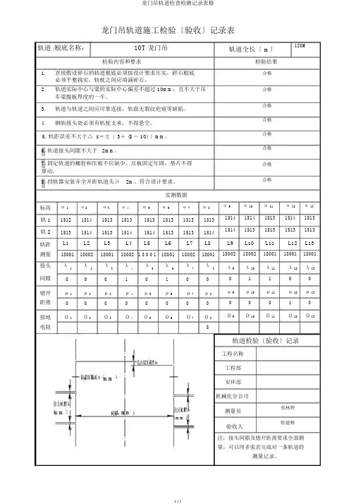
龙门吊轨道检查检测记录表格1 / 1龙门吊轨道施工检验〔验收〕记录表轨道 /根底名称:10T 龙门吊检验内容和要求1.直接敷设碎石的轨道根底必须按设计要求压实,碎石根底必须平整捣实,轨枕之间应填满碎石。
2. 轨道实际中心与梁的实际中心偏差不超过 10mm ,且不大于吊车梁腹板厚度的一半。
3. 轨道与轨道之间应可靠连接,轨面无裂纹疤痕等缺陷。
4. 钢轨接头处必须有轨枕支承,不得悬空。
5. 轨距误差不大于△ s =±〔 3+ (S - 10) 〕mm 。
6. 轨道接头间隙不大于 2mm 。
7. 固定轨道的螺栓和压板不应缺少。
压板固定牢固,垫片不得窜动。
8. 挡轨器安装齐全并距轨道头≥ 2m 、符合设计要求。
实测数据标高 α 1α2α3α 4α 5α 6α 7α 8轨 1 1512 1514 1513 1513 1513 1513 1513 1513 轨 2 15131514151315141514151315131514轨距 L1L2L3L4L5L6L7L8测量 18001 18002 18001 18002 1 8 0 0 1 18001 18002 18001接头λ 1λ 2λ 3λ 4λ 5λ 6λ 7λ 8间隙 011错开 μ 1μ 2μ 3μ 4μ 5μ 6μ 7μ 8距离 0接地 Ω 1Ω 2Ω 3Ω 4Ω 5Ω 6Ω 7Ω 8电阻5轨道全长〔 m 〕120M检验结果合格 合格 合格 合格 合格 合格 合格 合格α 9α 10α 11α 12α 131514 1514 1513 1514 1513 15141513151315131513L9L10L11L12L131800218002180011800118001λ 9λ 10λ 11λ 12λ 1311μ 9μ 10μ 11μ 12μ 131Ω 9 Ω 10 Ω 11 Ω 12 Ω 13轨道检验〔验收〕记录工程名称工程部mm安环部机械化分公司mmL mm测量员张林辉mm验收人徐建彬注:接头间隙及错开距离要求全部测 量,可以用多张表完成对一条轨道的测量记录。
龙门吊专项安全检查记录表
统
年月日检查吊带、吊绳有无损伤、是否有裂纹各机构转动是否平
稳、有无异常响声
传
各润滑点是否润滑良好、润滑油牌号是否正确
动
各制动器是否灵活可靠、制动轮连接销是否完好系
统起升卷扬机固定是否可靠,齿轮箱有无裂纹
它有无指定机长、明确各部位操作人员的岗位责任有无试运行,有无岗前教育和三级安全技术交底
检查人员签名:
年月日
检查结论:
整改意见:
整改期限:年月日整改负责人:
复查意见:
复查人:
审核意见:
审核人签名:。
注:本表由施工单位填写,施工单位存一份
龙门吊运行故障和生产安全事故记录
门(桥)式起重机验收表
此表用于门(桥)式起重机安装验收。
龙门吊大风、雨、雪天气专项检查
注:此表作为特殊天气专项检查,由项目部组织,设备部保存1份。
附表:监控量测数据
中铁隆龙门吊定期自行检查记录表
定期检查:由项目部每月初组织的专项检查。
设备部保存1份。
起重机械基础轨道安装验收表
龙门吊运行时间记录(年月)
监理单位组织施工单位专项检查,每月1次。
门式起重机检查、维保记录
项目名称:北京地铁八号线三期和义站
维保单位:北京天利源
检查维保人员:年月日当班司机:年月日项目设备负责人:年月日
交接班记录(年月)。
注:本表由施工单位填写,施工单位存一份
龙门吊运行故障和生产安全事故记录
门(桥)式起重机验收表
此表用于门(桥)式起重机安装验收。
龙门吊大风、雨、雪天气专项检查
注:此表作为特殊天气专项检查,由项目部组织,设备部保存1份。
附表:监控量测数据
中铁隆龙门吊定期自行检查记录表
定期检查:由项目部每月初组织的专项检查。
设备部保存1份。
起重机械基础轨道安装验收表
龙门吊运行时间记录(年月)
监理单位组织施工单位专项检查,每月1次。
门式起重机检查、维保记录
项目名称:北京地铁八号线三期和义站
维保单位:北京天利源
检查维保人员:年月日当班司机:年月日项目设备负责人:年月日
交接班记录(年月)。