机械基础教案§5-2滑动轴承的教案
- 格式:doc
- 大小:114.00 KB
- 文档页数:4
板书设计或授课提纲
课堂教学安排
一、滑动轴承的类型和结构
根据滑动轴承承受载荷的方向,分为径向滑动轴承(主要承受径向载荷)、止推滑动轴承和径向止推滑动轴承(同时承受径向和轴向载荷)。
1.整体式滑动轴承
整体式滑动轴承结构简单、紧凑,成本低。
但轴瓦磨损后,无法调整轴颈与轴承间的间隙,且安装时只能沿轴向安装,故一般用于低速、轻载及间歇工作的地方。
2.剖分式滑动轴承
剖分式滑动轴承由轴承座、轴承盖、剖分轴瓦和连接螺栓等组成。
3.调心滑动轴承
如果轴颈较长(长径比L/d>1.5),或轴的刚性较小,不能保证两轴承孔轴线重合时,均会造成轴颈倾斜,使轴瓦边缘局部严重磨损。
同学们轴瓦具体长什么样子?大家一定非常好奇,让我们一起来看一则动画,在看的过程中大家仔细观察轴瓦有哪些类型。
二、轴瓦的结构与材料
1.轴瓦的结构
轴瓦是滑动轴承中直接与轴颈接触的部分。
轴瓦有整体式轴瓦和剖分式轴瓦两种。
球轴承滚子轴承
整体式轴瓦
2.轴瓦的材料
常用的轴瓦和轴承衬材料有锡锑轴承合金、铅锑轴承合金、锡青铜和铝青铜。
在特殊情况下轴瓦也可以用塑料、石墨、橡胶等非金属材料制成。
同学们滑动轴承在选用时我们需要考虑哪些因素呢?请大家分组讨论
三、滑动轴承的润滑
1.润滑剂及其选择
滑动轴承常用的润滑剂有润滑油和润滑脂。
润滑油按轴颈圆周速度v和压强p,选择牌号。
润滑脂按轴颈圆周速度v、压强p和工作温度t,选择牌号。
2.润滑方式和润滑装置
(1)油润滑方式和润滑装置
(2)脂润滑方式简介
润滑脂的加脂方式有人工加脂和脂杯加脂。
机械基础电子教案8.1 滑动轴承【课程名称】滑动轴承【教材版本】栾学钢主编。
机械基础(多学时)。
北京:高等教育出版社,2010栾学钢主编。
机械基础(少学时)。
北京:高等教育出版社,2010【教学目标与要求】一.知识目标1.了解轴承的作用、分类及结构特点2.掌握滑动轴承的常用材料,轴瓦的结构。
二.能力目标1.能够掌握滑动轴承和滚动轴承的优点及应用场合。
2.能够正确安装和维护滑动轴承。
三.素质目标1.了解常用零件轴承的分类,滑动轴承和滚动轴承的特性。
2.懂得滑动轴承的作用。
四.教学要求1.了解轴承的功用、分类、特点。
2.熟悉滑动轴承和轴瓦的。
【教学重点】1.滑动轴承与滚动轴承的特点与应用场合。
2.掌握滑动轴承的。
【难点分析】1.滑动轴承与滚动轴承的使用场合。
2.轴瓦的结构。
【教学方法】讲练法,教具演示法,讲课中穿插讨论与提问。
【教学资源】1.机械基础网络课程。
北京:高等教育出版社,2010。
2.吴联兴主编。
机械基础练习册。
北京:高等教育出版社,2010。
【教学安排】2学时(90分钟)【教学过程】一.作业讲评(5分钟)根据轴类零件学生作业完成中存在问题进行讲评,注意强调独立完成,切勿抄袭。
重点表扬独立思考完成作业的少部分同学,即使做得不准确或不对,也应给予提倡。
二.导入新课(5分钟)轴要正常工作,必须将它支承起来,还要保证轴能在支承件上正常转动,这个零件就是轴承。
轴与轴承之间的相对转动,从接触面的摩擦状态来分可以分成滚动摩擦和滑动摩擦,因此把轴承分成了滑动轴承和滚动轴承。
众所周知,滚动摩擦的摩擦系数比滑动摩擦的摩擦系数小,那为什么滑动轴承在工业上还有一定的用途呢?只要能存在的东西,必定有市场,就会有存在的道理。
这也是我们研究学习的地方。
三.新课教学首先用实物让学生认识滚动轴承和滑动轴承,有感性的认识,结合举出实例。
可以从实物结构讲起。
1.滑动轴承在结构上可以看出轴与轴承之间是滑动摩擦,为了减少摩擦,采用了以下三种方法:(1)轴承表面上安装轴瓦以减少摩擦,一般选用青铜。
滑动轴承课程设计一、课程目标知识目标:1. 学生能理解滑动轴承的基本概念、结构组成和工作原理;2. 学生掌握滑动轴承的类型、特点及其在机械设备中的应用;3. 学生了解滑动轴承的设计原则和步骤,能运用相关公式进行简单计算。
技能目标:1. 学生能够运用所学知识分析滑动轴承在实际工程中的应用,具备一定的实际问题解决能力;2. 学生通过课程学习,掌握滑动轴承的安装、使用和维护方法,提高实际操作能力;3. 学生能够运用所学知识,对滑动轴承进行初步的设计和优化,提高创新意识和实践能力。
情感态度价值观目标:1. 学生在学习过程中,培养对机械工程学科的兴趣和热情,增强学习动力;2. 学生通过团队合作完成课程任务,培养团队协作精神和沟通能力;3. 学生了解滑动轴承在国民经济和工程技术领域的重要作用,增强社会责任感和使命感。
课程性质:本课程为机械工程学科的基础课程,旨在让学生掌握滑动轴承的基本知识、设计方法和应用技能。
学生特点:学生为高中二年级学生,已具备一定的物理和数学基础,对机械工程有一定了解,但缺乏实际操作经验。
教学要求:结合学生特点和课程性质,注重理论与实践相结合,提高学生的实际操作能力和问题解决能力,同时关注学生的情感态度和价值观培养。
在教学过程中,将目标分解为具体的学习成果,便于教学设计和评估。
二、教学内容1. 滑动轴承的基本概念与结构- 滑动轴承的定义、作用及分类- 滑动轴承的典型结构及组成部分- 滑动轴承的材料及性能要求2. 滑动轴承的工作原理与性能- 滑动轴承的工作原理- 滑动轴承的性能指标及影响因素- 滑动轴承的摩擦、磨损与润滑3. 滑动轴承的设计原则与方法- 滑动轴承设计的基本原则- 滑动轴承设计的主要步骤- 滑动轴承设计的相关公式及计算方法4. 滑动轴承的应用与维护- 滑动轴承在机械设备中的应用实例- 滑动轴承的安装、使用和维护方法- 滑动轴承故障分析及排除方法5. 滑动轴承的设计实例与优化- 简单滑动轴承设计实例分析- 滑动轴承结构优化方法- 滑动轴承设计中的创新思维与实践教学内容根据课程目标进行选择和组织,确保科学性和系统性。
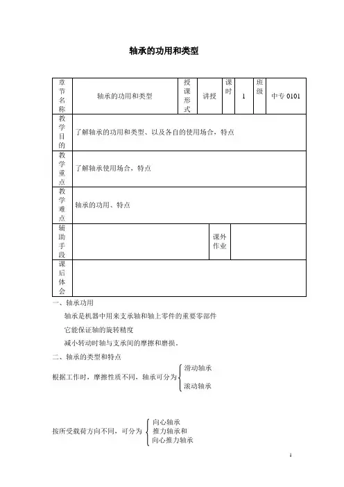
轴承的功用和类型一、轴承功用轴承是机器中用来支承轴和轴上零件的重要零部件它能保证轴的旋转精度减小转动时轴与支承间的摩擦和磨损。
二、轴承的类型和特点滑动轴承根据工作时,摩擦性质不同,轴承可分为滚动轴承向心轴承按所受载荷方向不同,可分为推力轴承和向心推力轴承液体摩擦轴承其中对滑动轴承按润滑状态不同,又可分为非液体摩擦轴承。
滚动轴承具有摩擦力矩小,易起动,载荷,转速及工作温度的适用范围较广,轴向尺寸小,润滑维修方便等优点,滚动轴承已标准化,在机械中应用非常广泛。
滑动轴承结构简单,易于制造,可以剖分,便于安装,对于大直径和很小直径的滑动轴承,价格便宜。
在高速、重载、高精度和结构要求剖分的场合,显示出比滚动轴承更大的优越性。
因而,在汽轮机、离心式压缩机、内燃机、大型电机中多采用滑动轴承。
另外,在低速而带有冲击的机器中,如水泥搅拌机,破碎机等也常采用滑动轴承。
滑动轴承的缺点是:润滑的建立和维护要求较高,润滑不良会使滑动轴承迅速失效,且轴向尺寸较大。
轴瓦结构和轴承材料一、轴瓦的结构:整体式、剖分式和分块式轴瓦三种,整体式轴瓦用于整体式没动轴承,剖分式轴瓦用于剖分式滑动轴承,分块式轴瓦一般用于大型滑动轴承中。
为了改善和提高轴瓦的承载性能,常在轴瓦工作表面浇铸一层减摩材料,这层金属材料称为轴承衬或轴衬,其厚度一般为0.5—6mm。
(a)整体式轴承(b)剖分式轴承(C)分块式轴承二、油孔和油沟为了使润滑油能流到轴承整个工作表面上,轴瓦的内表面需开出油孔和油沟,油孔和油沟不能开在承受载荷的区域内,否则会降低油膜承载能力。
油沟的长度一般取轴瓦宽度的80%。
三、轴瓦与轴衬材料轴瓦与轴戏直接接触并产生相对运动,其主要失效形式是磨损和胶合。
因此要求轴瓦材料应具有下列性能:有一定的强度,较好的塑性、减摩性和耐磨性,良好的跑合性、加工工艺性和散热性等。
常用的轴瓦材料有:锡锑轴承合金、锡青铜、黄铜、铝合金、铸铁。
江苏省XY中等专业学校2022-2023-1教案编号:备课组别机械上课日期主备教师授课教师课题:§12-2 滑动轴承教学目标1.熟悉滑动轴承的组成、结构形式、特点;2. 滑动轴承的润滑;重点熟悉滑动轴承的组成、结构形式、特点;难点熟悉滑动轴承的组成、结构形式、特点;教法讨论、讲授和练习;教学设备多媒体、PPT;教学环节教学活动内容及组织过程个案补充教学内容一、组织教学安定课堂秩序讲评作业、复习上讲内容。
二、讲授新课(一)滑动轴承的结构特点滑动轴承是一种滑动摩擦的轴承。
由轴承座、轴瓦或轴套组成。
装有轴瓦或轴套的壳体称为轴承座。
按承受载荷的方向分为径向滑动轴承、止推滑动轴承和径向止推滑动轴承。
如表所示。
径向滑动轴承教学内容止推滑动轴承(二)轴瓦的结构及材料1)轴瓦的结构a.整体式轴瓦b.对开式轴瓦2)轴瓦的材料常用的轴瓦材料有轴承合金、铜合金、铸铁及非金属材料、粉末冶金材料等。
(三)滑动轴承的润滑1)间歇润滑教学内容a.针阀式油杯用于润滑油润滑。
手柄置于垂直位置,针阀上升,油孔打开供油;手柄置于水平位置,针阀降回原位,停止供油.如下图示:b. 旋套式油杯用于润滑油润滑。
转动旋套,使旋套孔与杯体注油孔对正时可用油壶或油枪注油。
不注油时,旋套壁遮挡杯体注油孔。
c.压配式油杯d.旋盖式油杯教学环节教学活动内容及组织过程个案补充教学内容三、课堂小结四、布置作业习题册72-73板书设计教后札记教研组长签字检查日期。
滑动轴承教案教案标题:探索滑动轴承的原理和应用教学目标:1. 了解滑动轴承的基本原理和工作机制。
2. 掌握滑动轴承的分类和应用领域。
3. 能够识别滑动轴承的主要故障和维护方法。
4. 培养学生发现问题、分析问题和解决问题的能力。
教学内容:1. 滑动轴承的定义和概述。
2. 滑动轴承的基本原理和工作机制。
3. 主要滑动轴承分类及其应用领域。
4. 滑动轴承常见故障和维护方法。
教学过程:一、导入(5分钟)通过展示一些与滑动轴承相关的实物或图片,引起学生的兴趣,并与学生讨论相关的日常应用。
二、知识讲解与探索(20分钟)1. 讲解滑动轴承的定义和概述,引导学生理解滑动轴承的基本概念。
2. 介绍滑动轴承的基本原理和工作机制,引导学生分析滑动轴承的工作过程。
3. 分类讲解主要滑动轴承及其应用领域。
通过实例和案例,让学生对不同类型的滑动轴承有更深入的了解。
三、案例分析与分享(15分钟)1. 提供几个滑动轴承的应用案例,让学生观察并讨论滑动轴承在实际应用中的作用和意义。
2. 引导学生分析案例中可能出现的故障和原因,讨论维护方法和可能的改进方案。
四、小组探究活动(20分钟)1. 将学生分成小组,每个小组选择一个特定的滑动轴承应用领域进行深入研究。
2. 要求学生探究该领域中滑动轴承的具体应用情况,并分析可能遇到的问题和解决方案。
3. 每个小组向全班展示他们的研究成果,并与其他小组进行交流和讨论。
五、总结与评价(10分钟)对滑动轴承的基本原理、分类和应用进行总结,并帮助学生回顾与巩固所学知识。
教师可以提出几个评价问题,让学生回答并进行讨论。
六、作业布置(5分钟)布置相关的练习作业,要求学生总结一个滑动轴承在日常生活中的应用案例,并描述其工作原理和可能的故障及解决方法。
教学资源:1. 滑动轴承的实物或图片。
2. 相关教学PPT或课件。
3. 滑动轴承应用案例及故障分析材料。
评估方式:1. 学生的课堂参与度和表现。
2. 小组探究活动的研究成果展示。
机械基础导学案课题:滑动轴承课型:新授课执笔:朱根东审核:翁志国课时:1课时使用时间: 2013年5月31日【学习目标和重点难点】学习目标:1.了解滑动轴承的类型、结构,熟悉三种向心滑动轴承的工作原理及应用特点;2.了解滑动轴承的润滑及轴瓦材料,熟悉常用的润滑方法和装置;学习重点:掌握滑动轴承的结构和应用特点、轴瓦的用途和材料学习难点:滑动轴承的结构【学具准备和学法指导】多媒体课件、讨论与行动导向【学习内容】一、常见滑动轴承的类型、结构和应用特点1.作用:支承轴或轴上零件,保持轴线的旋转精度,减少轴与支承间的摩擦和磨损。
2.分类:按承载性质分类A.径向滑动轴承:(a)整体式 (b)剖分式 (c)调心式类型结构应用特点应用场合整体式轴承座、整体式轴瓦(轴套)、紧定螺钉结构简单,成本低,磨损后无法调整间隙拆装须轴向移动轴或轴承用于低速,载荷不大及间歇工作的场合剖分式轴承座、轴承盖、剖分式(对开式)轴瓦、联接螺栓①克服了整体式轴承的缺点,装拆方便;②磨损后通过减少凹凸对中面间的调整垫片,易于调整磨损间隙应用较整体式广泛调心式轴承座、球面轴瓦、轴承盖利用轴瓦球面自动调位,消除轴瓦边侧压力用于长径比大或同轴度差,轴挠度大的场合B.止推滑动轴承C.径向止推滑动轴承二、滑动轴承的润滑1.目的:减摩、减磨、冷却、散热、吸振、防锈。
2.常用润滑方法及装置润滑方法装置示意图说明间歇式润滑针阀式油杯用于油润滑。
旋动螺母可调节注油量大小。
旋套式油杯用于油润滑。
不注油时,旋套壁遮挡杯体注油孔,起密封作用。
压配式油杯用于油润滑或脂润滑。
不注油时,钢球在弹簧的作用下,使杯体注油孔封闭。
旋盖式油杯用于脂润滑。
连续式润滑芯捻式油杯用于油润滑。
适用于轻载及轴颈转速不高的场合。
油环润滑用于油润滑。
结构简单,但由于靠摩擦力带动油环甩油,故轴的转速需适当方能充足供油。
压力润滑用于油润滑。
工作可靠,但结构复杂,对轴承的密封要求高,且费用较高。
滑动轴承单元一概述滑动轴承(sliding bearing),在滑动摩擦下工作的轴承。
滑动轴承工作平稳、可靠、无噪声。
在液体润滑条件下,滑动表面被润滑油分开而不发生直接接触,还可以大大减小摩擦损失和表面磨损,油膜还具有一定的吸振能力。
但起动摩擦阻力较大。
轴被轴承支承的部分称为轴颈,与轴颈相配的零件称为轴瓦。
为了改善轴瓦表面的摩擦性质而在其内表面上浇铸的减摩材料层称为轴承衬。
轴瓦和轴承衬的材料统称为滑动轴承材料。
常用的滑动轴承材料有轴承合金(又叫巴氏合金或白合金)、耐磨铸铁、铜基和铝基合金、粉末冶金材料、塑料、橡胶、硬木和碳-石墨,聚四氟乙烯(PTFE)、改性聚甲醛(POM)、等。
滑动轴承应用场合一般在低速重载工况条件下,或者是维护保养及加注润滑油困难的运转部二滑动轴承的分类滑动轴承种类很多。
①按能承受载荷的方向可分为径向(向心)滑动轴承和推力(轴向)滑动轴承两类。
②按润滑剂种类可分为油润滑轴承、脂润滑轴承、水润滑轴承、气体轴承、固体润滑轴承、磁流体轴承和电磁轴承7类。
③按润滑膜厚度可分为薄膜润滑轴承和厚膜润滑轴承两类。
④按轴瓦材料可分为青铜轴承、铸铁轴承、塑料轴承、宝石轴承、粉末冶金轴承、自润滑轴承和含油轴承等。
⑤按轴瓦结构可分为圆轴承、椭圆轴承、三油叶轴承、阶梯面轴承、可倾瓦轴承和箔轴承等。
三滑动轴承的轴瓦结构和轴承材料轴瓦分为剖分式和整体式结构。
为了改善轴瓦表面的摩擦性质,常在其内径面上浇铸一层或两层减摩材料,通常称为轴承衬,所以轴瓦又有双金属轴瓦和三金属轴瓦。
轴承材料轴瓦或轴承是滑动轴承的重要零件,轴瓦和轴承衬的材料统称为轴承材料。
由于轴瓦或轴承衬与轴颈直接接触,一般轴颈部分比较耐磨,因此轴瓦的主要失效形式是磨损。
轴瓦的磨损与轴颈的材料、轴瓦自身材料、润滑剂和润滑状态直接相关,选择轴瓦材料应综合考虑这些因素,以提高滑动轴承的使用寿命和工作性能。
轴承的材料有1)金属材料,如轴承合金、青铜、铝基合金、锌基合金等;2)多孔质金属材料(粉末冶金材料);3)非金属材料。
课题:滑动轴承课型:理论讲授教学目的:使学生会选用滑动轴承的结构和材料教学要求:掌握非液体摩擦滑动轴承的设计。
重点:非液体摩擦滑动轴承难点:形成液体摩擦的条件教具:挂图,多媒体教学方法与手段:图表分析,说明结论,实例讲解实施步骤:引入:同学们,虽然滚动轴承有一系列优点,在一般机械中获得广泛的应用,但是在高速、高精度、重载、结构上要求剖分等场合下,滑动轴承则获得广泛使用。
正题:初步采用的方法:概念的理解,用举例法引入滑动轴承的概念。
板书滑动轴承的特点、类型及应用板书滑动轴承按其摩擦性质可以分为液体滑动摩擦轴承和非液体滑动摩擦轴承两类液体滑动摩擦轴承:由于在液体滑动轴承中,轴颈和轴承的工作表面被一层润滑油膜隔开,两零件之间没有直接接触,轴承的阻力只是润滑油分子之间的摩擦,所以摩擦系数很小,一般仅为0.001~0.008。
这种轴承的寿命长、效率高,但是制造精度要求也高,并需要在一定的条件下才能实现液体摩擦。
非液体滑动摩擦轴承:非液体滑动摩擦轴承的轴颈与轴承工作表面之间虽有润滑油的存在,但板书在表面局部凸起部分仍发生金属的直接接触。
因此摩擦系数较大,一般为 0.1~0.3,容易磨损,但结构简单,对制造精度和工作条件的要求不高,故此在机械中得到广泛使用。
在机械中,虽然广泛采用滚动轴承,但在许多情况下又必须采用滑动轴承。
这是因为滑动轴承有其独特的优点是滚动轴承不能代替的。
滑动轴承的主要优点是:1)结构简单,制造、加工、拆装方便;2)具有良好的耐冲击性和良好的吸振性能,运转平稳,旋转精度高;板书3)寿命长。
但是也有其缺点,主要有:1)维护复杂,对润滑条件较高;板书2)边界润滑轴承,摩擦损耗较大。
因而在大型汽轮机、发电机、压缩机、轧钢机及高速磨床上多采用滑动轴承。
此外,在低速而带有冲击载荷的机器中,如水泥搅拌器、滚筒清砂机、破碎机等板书冲压机械、农业机械中也多采用滑动轴承。
滑动轴承的结构板书1、径向滑动轴承常用的径向滑动轴承,我国已经制定了标准,通常情况下可以根据工作条件进行选用。
教学设计方案零件货产品,请问它们是什么,有何用途?探究新知轴承即支承轴的零件。
根据其工作的摩擦性质,轴承可分为滑动摩擦轴承(简称滑动轴承)和滚动摩擦轴承(简称滚动轴承)两类。
一、滑动轴承的特点1、组成:轴承座、轴瓦或轴套。
2、特点①接触面积大,承受较大的压力和较高的转速。
②配合紧密,易实现液体动力摩擦,转动平稳,无噪声,耐冲击。
③传动精密,径向尺寸小。
④拆装不方便。
⑤启动摩擦阻力较大。
二、滑动轴承类型1、按承受载荷方向不同:径向;止推2、按滑动表面润滑状态不同:液体润滑、不完全液体润滑、无润滑3、按轴系和拆装的需要:整体式、剖分式整体式剖分式三、滑动轴承的材料滑动轴承合金铜合金粉末冶金材料非金属材料二、滑动轴承的润滑、安装与维护1、滑动轴承的安装技术(1)既要使轴颈与滑动轴承均匀细密接触,又要有一定的配合间隙。
(2)轴承的安装必须在干燥、清洁的环境条件下进行。
安装前应仔细检查轴和外壳的配合表面、凸肩的端面、沟槽和连接表面的加工质量。
所有配合连接表面必须仔细清洗并除去毛刺,铸件未加工表面必须除净型砂。
(3)轴承安装前应清洗干净,干燥后使用,并保证良好润滑,轴承一般采用脂润滑,也可采用油润滑。
采用脂润滑时,应选用无杂质、抗氧化、防锈、极压等性能优越的润滑脂。
润滑脂填充量为轴承及轴承箱容积的30%-60%,不宜过多。
带密封结构的双列圆锥滚子轴承和水泵轴连轴承已填充好润滑脂,用户可直接使用,不可再进行清洗。
(4)轴承安装时,必须在套圈端面的圆周上施加均等的压力,将套圈压入,不得用鎯头等工具直接敲击轴承端面,以免损伤轴承。
在过盈量较小的情况下,可在常温下用套筒压住轴承套圈端面,用鎯头敲打套筒,通过套筒将套圈均衡地压入。
如果大批量安装时,可采用液压机。
压入时,应保证外圈端面与外壳台肩端面,内圈端面与轴台肩端面压紧,不允许有间隙。
(5)当过盈量较大时,可采用油浴加热或感应器加热轴承方法来安装,加热温度范围为80℃-100℃,最高不能超过120℃。
教学设计“项目+任务”教学设计课程名称:《机械基础》主讲教师:林小华教学对象:数控技术应用专业日期:2014年10月“项目+任务”教案项目名称机械零件任务内容滑动轴承课时数 2任务要求1、了解轴承的分类和用途;了解滑动轴承的结构种类。
2、了解滑动轴承的失效形;轴瓦的材料和结构;3、熟悉不完全液体润滑滑动轴承(径向滑动轴承;止推滑动轴承)的失效形式具体任务内容1、径向滑动轴承的主要结构形式2、滑动轴承的失效形式及常用材料3、轴瓦结构4、滑动轴承润滑剂的选用教学用具多媒体投影仪常见滑动轴承挂图教学方法项目教学、案例分析教学过程教师“做”学生“做”明确任务任务导入:在日常生活中,大家经常能看到下图所示的滑动轴承零件或产品,请问它们是什么,有何用途?图1同学们通过回忆现实生活中滑动轴承的应用,并积极回答问题。
图2图3图4 2、安全知识讲解。
分析任务提出具体任务:任务1、滑动轴承特点任务2、滑动轴承类型任务3、滑动轴承应用完成学习任务:1、根据学生能力强弱合理地搭配完成分组2、教师对具体任务向大家解释说明。
3、实施过程中对学生学习方法、讨论任务进行指导并加强课堂纪律管理。
1、每组产生一位负责人。
明确本组项目中具体任务。
2、小组成员互相探讨,对任务问题统一思想,做好笔记,完成各自的任务。
解决任务一、滑动轴承特点工作平稳、可靠无噪声;能保证液体润滑,二表面不直接接触,无磨损,油膜有吸振能力;启动摩擦阻力较大。
二、滑动轴承类型按承受载荷方向不同分:径向(滑动)轴承;止推(滑动)轴承按滑动表面润滑状态不同:液体润滑(摩擦)轴承不完全液体润滑(摩擦)轴承无润滑轴承按液体润滑承载机理不同分:液体动力润滑轴承(液体动压轴承);液体静压润滑轴承(液体静压轴承)1、学生对任务可提出问题,并讲述解决问题的方法。
2、学生讲解后对任务1、2、3进行具体操作。
向教师和其他组同学展示操作过程。
三、滑动轴承应用工作转速特高,滚动轴承高速时噪声大,寿命低;重载,滚动轴承单件生产造价高;高精度,旋转精度高,误差环节少;可做成剖分式,便于装拆,调整间隙;径向尺寸小,多根轴排列省空间;特殊工作条件(水、腐蚀性介质)。