空冷器操作法(终)
- 格式:doc
- 大小:347.50 KB
- 文档页数:29
空冷器更换施工方案9.23
在工业和商业领域中,空冷器扮演着重要的角色,它们帮助散热并保持设备正常运行温度。
为了确保设备长时间高效运行,有时必须对空冷器进行更换。
本文将介绍一种在施工方案中使用的有效方法,以确保更换过程顺利进行。
1. 需要准备的材料和工具
在进行空冷器更换之前,需要准备以下材料和工具:
•适当尺寸的新空冷器
•扳手和扳手套件
•螺丝刀
•导热剂
•清洁布
•防护手套和眼镜
2. 施工前准备
在开始更换空冷器之前,务必先断开设备的电源,并确保设备已经冷却。
检查旧空冷器并确定更换的原因。
3. 拆卸旧空冷器
使用相应的工具,拆下固定旧空冷器的螺丝和管道连接。
小心移除旧空冷器,确保不要损坏周围其他设备。
4. 安装新空冷器
在安装新空冷器之前,先清洁设备表面并涂上导热剂以确保良好的传热。
安装新空冷器并连接管道和螺丝,确保一切安装正确牢固。
5. 测试和调整
安装完成后,重新连接设备电源并启动设备。
确保新空冷器正常运行并能有效散热。
根据需要调整设备设置和空冷器位置。
6. 清理和整理
确保工作区域清洁整洁,清理和处理旧空冷器。
检查所有工具和设备,将其整理好存放。
通过以上施工方案,我们可以顺利更换空冷器并确保设备持续高效运行。
在执行过程中,务必保持谨慎小心,遵循安全操作规程,以确保施工顺利完成。
压缩岗位操作法一、岗位任务:Ⅰ、再生系统空气压缩机、再生气循环机:合成油反应器催化剂GSK 一10再生时,空气经过MW—46.7/11型空气压缩机【J40202】三级压缩后,提压至1.2Mpa。
与来自界区压力1.2Mpa的氮气按比例混合温度不高于38℃,进入SV6-M压缩机【J40203】提压至2.0 Mpa,送往合成油反应器内进行循环烧炭反应。
Ⅱ、循环气压缩机:二、职责范围:Ⅰ、管理本压缩机组及其附属设备,阀门,管线与本机组有关的电气,仪表,信号,安全防护联锁装置等。
Ⅱ、负责压缩机的正常操作,开车、停车、事故处理。
Ⅲ、保证压缩机正常运行,将各工艺条件稳定在操作指标内。
Ⅳ、负责设备的维护保养,消除跑、冒、滴、漏,做到岗位清洁,文明生产。
Ⅴ、运行期间每小时排污一次,并注意循环油箱液位。
Ⅵ、按时进行巡回检查,发现隐患或超工艺指标情况及时处理或汇报,确保安全稳定运行。
Ⅶ、经常检查各段进、出口气体压力和温度的变化情况;及压缩机振动、位移的变化;加减负荷时应加强与相关岗位的联系。
Ⅷ、压缩机开车正常运行后,向外工序送气时,必须待出口压力略高于系统压力时,才能开启出口阀门。
巡回检查Ⅰ、根据操作要求,每小时做一次岗位记录,做到认真、准时、无误。
Ⅱ、每十五分钟检查一次系统各点压力、温度和振动、位移。
Ⅲ、每半小时检查一次压缩机的运转情况及活门、气缸、活塞环、填料函,干气密封等有无异常情况;Ⅳ、每小时检查一次系统放空阀,近路阀、各排污阀的关闭情况。
Ⅴ、各段分离器排污,每两小时排放一次。
Ⅵ、每一小时检查一次各冷却器溢流情况、气缸夹套冷却水溢流情况及循环油箱油位。
Ⅶ、每班检查一次系统设备、管道等泄漏和振动情况。
三、生产原理及操作原理:Ⅰ、HM-46.7/11空气压缩机为四列三级对称平衡型往复活塞式压缩机。
由同步电机直接驱动,每分钟吸入46.7m3空气,最终排气压力1.1Mpa。
活塞式压缩机的工作原理:依靠活塞在气缸内的往复运动来压缩气体的。
润滑油加氢处理装置减压岗位操作法一、减压蒸储:在石油加工中,为防止油品高温分解、胶质增加及颜色变深,在较低的操作温度和压力下,蒸出沸点较高的各种石油僧分的分储工艺叫减压蒸储。
减压塔是本装置的关键设备之一,三种原料方案下,气、液相负荷变化相当大,特别是第三种原料(DAO)方案下,减底油储程要求大于560C,且产品分离精度高,储程范围窄,蒸发损失小。
所以在减压塔设计中,采用了高通量、低压降的高效金属于L板波纹填料。
二、减压岗位的任务及要求1、任务根据全装置原料方案、原料性质及产品质量要求,切取合格的侧线产品和减压塔底油。
2、要求:(1)搞好全塔物料平衡和热平衡。
(2)产品分离精度高、编程范围窄,质量合格稳定(3)真空度高,操作平稳。
三、抽真空系统操作(一)、真空泵和水冷却器的操作:1、启用操作:(1)检查真空泵、水冷器设备完好及工艺流程畅通情况。
(2)打开瓦斯分液罐V203顶排空阀UV203o(3)减顶大气腿水封罐V-202和瓦斯分液罐V203加水保持水封。
(4)建立减顶预冷器E205A/B、一级冷却器E207及二级冷却器的循环冷却水的循环。
(5)先第二级蒸汽喷射器J202缓慢给汽,待塔压降到一定程度后,再开一级喷射泵蒸汽阀,使塔汽化段残压逐步降低到78mmHg o2、停用操作:(1)根据循环油温度及塔顶温度,缓慢降低真空度,先停一级喷射器蒸汽,后停二级。
(2)装置冷循环结束后,可以缓慢消除真空度。
(3)关瓦斯分液罐V203顶排气阀UV203,防止空气串入塔内。
3、真空泵正常操作:(1)真空泵在正常操作时,蒸汽喷射器抽力足,响声均匀无噪音。
(2)没有倒抽现象。
(3)减顶水封罐V202及瓦斯分液罐V203界面控制,送油脱水正常。
⑷气密性能好。
(5)真空度高且稳定。
4、减顶水封罐V202和瓦斯分液罐V203的操作。
减顶水封罐的作用是将减顶水冷器冷凝冷却下来的液体和部分不凝气体收集,分离成油和水及不凝气,罐中保持一定高度的水位,对大气腿进行水封,罐中分离出的污油用泵P214抽出打入催料罐,罐顶不凝气进瓦斯分液罐V203。
第1章空冷器的技术规范及使用说明1.1.1排汽系统排汽系统的功能是将汽轮机排汽导入空冷凝汽器.每台机组设1根主排汽管道。
排汽管道上设置防爆膜防止系统超压,不设安全阀。
排汽管道疏水直接引入排汽装置下的热井,管道上不设阀门。
1.1.2ACC系统ACC的功能是通过蒸汽与空气的热交换来冷凝汽轮机排汽,以维持汽轮机的低背压,按换热的介质划分为蒸汽系统和空气系统。
1.1.2.1蒸汽系统整个ACC由2列换热管束组成,在低环境温度且低负荷的情况下,部分管束将被关闭,以减少换热面积。
极端低温为-30℃、负荷60%,在管束的分配管入口上设电动蝶阀。
每列受热面均采用压两级式冷凝布置,即先顺流(蒸汽流向与凝结水流向相同)后逆流(蒸汽流向与凝结水流向相反)。
每列设4个换热单元,其中3个为流换热单元(全部为顺流换热管束),1个逆流换热单元(含有逆流换热管束)。
汽轮机的排汽进入换热管束后将热量传给空气,自身凝结成水,聚集在管束下联箱,在重力作用下通过管道引入汽轮机排汽装置。
然后被凝结水泵抽出送出。
在逆流换热器上部联箱设有抽气口,以便将不凝结气体抽出。
1.1.2.2空气系统空气系统主要指风机组包括轴流风机,变速箱,电动机,振动开关,变频器。
每列设顺流风机3台,逆流风机1台,分别对应于顺流换热单元和逆流换热单元。
风机转速通过变频器在20%~110%范围内调节,在低负荷和/低环境温度时,通过改变风机的转速和/或运转风机台数可以改变空气流量以减少换热量。
风机可以110%超速运行,能够在一定程度上防止大风对ACC运行的影响。
所有风机组的物理配置组成完全相同,以方便安装以及备件管理。
逆流风机通过变频器的设定可以反转运行。
空气系统各设备的主要配置如下:风机:FRP叶片,钢轮毂,刚性联轴器;齿轮箱:加热器,润滑油泵,不设防反转装置。
轴承寿命(DIN ISO281):输入端10000小时;电机:380V效率大于93%,防护等级IP55,温升等级F级,设绕组温度测点,电压380V±100%,整合在变频器柜中。
QB 中国石油哈尔滨石化公司企业标准QJ/SYHL 01 142-2015第二联合车间Ⅱ催化装置冬季岗位操作法( 2015~2016年度)2015年9月20日发布 2015年9月25日实施中国石油哈尔滨石化公司发布会签审批单2015年冬季操作法一、编制目的催化裂化装置是石油加工中重要的重质油轻质化工艺过程之一,作为生产交通运输燃料和提供部分低碳烯烃的主要工艺,具有突出的优点和不可替代的作用。
Ⅱ催化装置为下游装置:气分、加氢提供原料,为储运车间提供成品汽油的调和组分。
哈尔滨石化公司地处我国东北部,其气候特点是冬季严寒漫长。
Ⅱ套催化裂化装置的设备和管线大多露天布置,设备和管线内的存水静止时就会发生冻凝。
轻度冻凝,会使管线不畅通,影响正常生产连续运行。
严重冻凝时,会发生设备和管线阀门法兰垫片等破裂,如发现不及时融化解冻后,会造成严重的泄漏、着火、爆炸等事故。
鉴于上述特点,编制《冬季操作法》,防止冬季管线和设备冻凝,保证装置冬季安全平稳运行,同时也为下游装置提供原料保障是非常重要的。
车间管理人员、专业人员、操作人员讨论,制定Ⅱ催化装置冬季操作法,经科技信息处组织审核,生产运行处组织实施、检查、考核。
二、使用范围及执行时间本《冬季岗位操作法》适用于中国石油哈尔滨石化分公司Ⅱ套催化装置,执行时间是2015年9月25日至2016年4月15日。
三、《冬季操作法》具体内容防冻防凝负责人:周庆祥反应岗负责人:鞠生光分馏岗负责人:周在启稳定岗负责人:周在启三机岗负责人:刘逐1、冬季开停工注意事项(1)Ⅱ催化装置冬季停工要保证原料油事故返回,油浆循环正常,分馏一中采取蒸汽保护,粗汽油、顶循环管线要加强脱水。
V-202、V-302要保证脱水正常。
(2)冲洗油罐V204外引常压-35#柴油,保证足够使用。
(3)蒸汽管线排凝结水,以防冻凝。
保证各松动点蒸汽正常,防止堵塞。
(4)若长时间停工则需将系统物料退净,蒸汽扫净。
(5)冬季停工后开工时要逐个检查工艺管线,塔器升温时要缓慢,避免损坏设备。
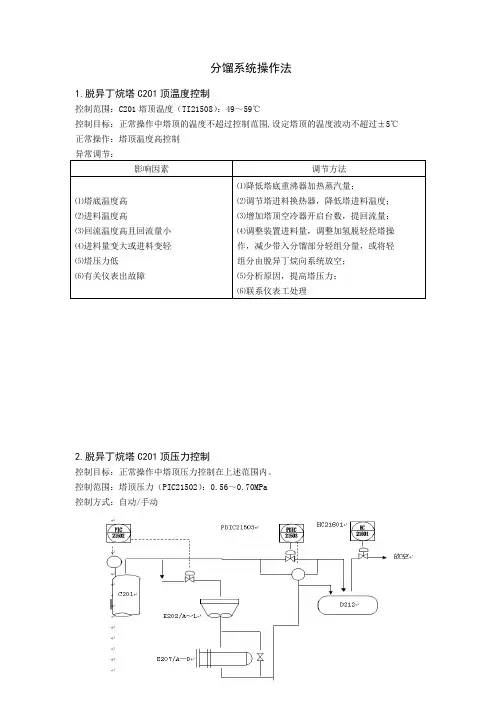
分馏系统操作法1.脱异丁烷塔C201顶温度控制控制范围:C201塔顶温度(TI21508):49~59℃控制目标:正常操作中塔顶的温度不超过控制范围,设定塔顶的温度波动不超过±5℃正常操作:塔顶温度高控制2.脱异丁烷塔C201顶压力控制控制目标:正常操作中塔顶压力控制在上述范围内。
控制范围:塔顶压力(PIC21502):0.56~0.70MPa控制方式:自动/手动影响因素调节方法⑴塔底温度高⑵进料温度高⑶回流温度高且回流量小⑷进料量变大或进料变轻⑸塔压力低⑹有关仪表出故障⑴降低塔底重沸器加热蒸汽量;⑵调节塔进料换热器,降低塔进料温度;⑶增加塔顶空冷器开启台数,提回流量;⑷调整装置进料量,调整加氢脱轻烃塔操作,减少带入分馏部分轻组分量,或将轻组分由脱异丁烷向系统放空;⑸分析原因,提高塔压力;⑹联系仪表工处理图2-20正常操作:脱异丁塔压力正常控制是将PIC21502投自控,通过直接改变流经E202/A ~L 和E207/A ~D 气体的冷凝量来调节塔顶压力。
气体热旁路调节阀PDV21503也投自控,通过此阀开度大小控制脱异丁烷塔顶不超压, 保持脱异丁烷塔顶和回流罐有一定的压力差,保证塔顶气、液体流动有一定的推动力。
3脱异丁烷塔C201底温度控制控制目标:正常操作中塔底温度控制在上述范围内, 设定塔底的温度波动不超过±5℃ 控制范围:塔底温度(TIC21503):120 ~132℃ 控制方式:自动/手动图2-21正常操作:正常操作时,设定塔底温度,通过塔重沸器蒸汽流量调节阀FV21502自动调节正常操作:正常操作时,设定塔底温度,通过塔重沸器蒸汽流量调节阀FV21502自动调节蒸汽流量控制塔底温度。
如果发现仪表出现故障自动控制失灵时,应改为手动调节,并联系仪表处理。
异常调节:脱异丁烷塔底温度过低会使脱异丁烷分离效果不好,导致循环异丁烷浓度和循环量下降,进而使烷基化反应器运行效果恶化 现象原因处理方法蒸汽系统的压力、温度下降 低压蒸气管网压力温度波动相应提蒸汽量,通知调度并联系管网车间查找原因塔底温度的控制原则是:根据塔进料量、塔顶压力、温度和产品控制指标来进行调节。
空分设备就是以空气为原料,通过压缩循环深度冷冻的方法把空气变成液态,再经过精馏而从液态空气中逐步分离生产出氧气、氮气及氩气等惰性气体的设备。
目前我国生产的空分设备的形式、种类繁多。
有生产气态氧、氮的装置,也有生产液态氧、氮的装置。
但就基本流程而言,主要有四种,即高压、中压、高低压和全低压流程。
我国空分设备的生产规模已经从早期只能生产20m3/h(氧)的制氧机,发展到现在具有生产20000 m3/h、30000 m3/h和50000 m3/h(氧)的特大型空分设备的能力.空分设备从工艺流程来说可以分为5个基本系统:1 杂质的净化系统:主要是通过空气过滤器和分子筛吸收器等装置,净化空气中混有的机械杂质、水分、二氧化碳、乙炔等。
2 空气冷却和液化系统:主要由空气压缩机、热交换器、膨胀机和空气节流阀等组成,起到使空气深度冷冻的作用.3空气精馏系统:主要部件为精馏塔(上塔、下塔)、冷凝蒸发器、过冷器、液空和液氮节流阀.起到将空气中各种组分分离的作用4 加温吹除系统:用加温吹除的方法使净化系统再生。
5仪表控制系统:通过各种仪表对整个工艺进行控制。
深冷空分制氮深冷空分制氮以空气为原料,经过压缩、净化、用热交换使空气液化成为液空。
液空主要是液氧和液氮的混合物,利用液氧和液氮的沸点不同,通过精馏,使它们分离来获得氮气。
1。
深冷制氮的典型工艺流程整个流程由空气压缩及净化、空气分离、液氮汽化组成.1。
1 空气压缩及净化空气经空气过滤器清除灰尘和机械杂质后进入空气压缩机,压缩至所需压力,然后送入空气冷却器,降低空气温度。
再进入空气干燥净化器,除去空气中的水份、二氧化碳、乙炔及其它碳氢化合物。
1.2 空气分离净化后的空气进入空分塔中的主换热器,被返流气体(产品氮气、废气)冷却至饱和温度,送入精馏塔底部,在塔顶部得到氮气,液空经节流后送入冷凝蒸发器蒸发,同时冷凝由精馏塔送来的部分氮气,冷凝后的液氮一部分作为精馏塔的回流液,另一部分作为液氮产品出空分塔。
丝堵式空冷器管束查漏方法
丝堵式空冷器管束通常用于高温高压工况下的冷却,但长时间使用后可能会出现泄漏问题。
以下是使用丝堵式空冷器管束查漏的方法:
1. 准备工具:丝堵、扳手、泄漏探测剂。
2. 关闭空冷器入口阀和出口阀,将空冷器内的压力释放。
3. 使用扳手拧下丝堵,检查丝堵和管道口是否存在损坏或腐蚀。
4. 清洗丝堵和管道口,并涂抹少量密封胶。
5. 将丝堵拧回管道口,使用扳手稍微拧紧,不要过紧。
6. 打开入口阀和出口阀,增加空冷器的压力。
7. 使用泄漏探测剂喷在丝堵和周围区域,观察是否有泄漏现象。
8. 如有泄漏现象,关闭入口阀和出口阀,重新拧紧丝堵,并重新增加压力,直到没有泄漏为止。
以上是使用丝堵式空冷器管束查漏的方法,应定期检查和维护,以确保其正常运行。
- 1 -。
空冷器换热面积计算摘要:I.空冷器换热面积计算的背景和意义II.空冷器换热面积计算的方法和公式III.影响空冷器换热面积计算的因素IV.实际应用中空冷器换热面积计算的案例分析V.总结和展望正文:I.空冷器换热面积计算的背景和意义空冷器换热面积计算在工业设计和生产中具有重要意义。
空冷器是一种利用空气对流进行冷却的设备,广泛应用于化工、石油、冶金、电力等领域。
通过计算空冷器的换热面积,可以合理地确定设备的大小、形状和材料,以满足生产工艺的要求。
此外,准确的换热面积计算还可以有效地降低生产成本,提高设备的使用寿命和运行效率。
II.空冷器换热面积计算的方法和公式空冷器换热面积计算通常采用对数平均温差法。
该方法基于对数平均温差和总传热系数的概念,通过以下公式计算换热面积:A = Q / (K * T)其中,A 表示换热面积,Q 表示热负荷,K 表示总传热系数,T 表示对数平均温差。
III.影响空冷器换热面积计算的因素空冷器换热面积计算受到多种因素的影响,主要包括:1.环境因素:如大气压力、温度、湿度等;2.工艺因素:如物料的性质、流量、温度等;3.设备因素:如空冷器的类型、结构、材料等;4.运行因素:如风速、风量、风向等。
这些因素对换热面积计算的准确性具有重要影响,需要在实际应用中综合考虑。
IV.实际应用中空冷器换热面积计算的案例分析以某化工企业为例,该企业需要设计一台处理量为1000 kg/h的甲醇空冷器。
根据工艺要求,确定对数平均温差为10℃,总传热系数为100W/(m·℃)。
代入公式计算换热面积:A = 1000 kg/h * 100 W/(m·℃) / (1000 W/m·℃ * 10) = 10 m因此,该甲醇空冷器换热面积应设计为10 平方米。
V.总结和展望空冷器换热面积计算是工业设计和生产中的关键环节。
通过对影响因素的综合分析,可以采用对数平均温差法等方法准确地计算换热面积,为设备的设计、生产和运行提供科学依据。
加氢精制反应系统操作法4.1.1.反应温度调节反应温度是控制加氢生成油质量的主要手段之一,它一般指反应器入口温度。
只要能达到所要求的加氢深度,反应温度就不要再提高。
随着反应温度的升高,可加快反应速度,生成油的含硫、含氮量降低,但反应温度过高裂解反应加快,溴价反而上升,气体产率增加,而生成油收率下降。
温度过高对催化剂寿命及设备都有不利影响,只有当催化剂活性下降时,才可适当提高反应温度。
随装置运行时间长短、催化剂活性的变化,本装置反应器入口温度在290~330℃范围调整。
反应温度调节主要靠炉F-101出口温度来控制。
影响反应器入口温度波动的原因及处理方法波动原因处理方法瓦斯压力、流量、组成变化或瓦斯带液。
联系调度询问系统瓦斯情况,检查D-113是否带液;检查阻火器是否阻塞,切换另一组阻火器。
原料加热炉F-101燃烧情况不好检查炉F-101火咀燃烧情况,调整风门和烟道挡板,使燃烧达到最佳状态。
进料量变化或带水检查泵P-101出口压力和FC-2102调节阀情况有无变化,若有变化立即进行处理;提降处理量时,要注意加热炉出口温度变化,并适当调整加热炉的出口温度。
在增减油量和气量时,应以先提量后提温、先降温后降量为操作原则。
若发现D-101带水较多,应立即脱水,并通知罐区,加强脱水。
原料组成变化原料组成变化较大时,床层温升随之变化,根据床层温升的大小,及时调节冷氢量,稳定床层温度。
循环氢流量变化新氢进装置量波动较大,通知调度联系制氢装置平稳氢气流量;新氢机、循氢机是否有故障,有则切换备用机。
TC-2201与TC-2208仪表故障改付线控制,维持生产操作,并联系仪表修理原料换热情况注意换热流程中原料换热变化,平稳入炉F-101前温控TC-2209的控制,及时调整操作。
4.1.2. 床层温度调节床层温度是判断反应温度分布是否均匀,反应是否正常及加氢深度变化的标志。
升温过程中,在严格控制加热炉出口温度的同时,要密切注意反应器床层温升,从实践中掌握炉出口温度变化对反应器床层温度变化的影响及床层温度变化对生成油质量的影响。
精心整理第1章空冷器的技术规范及使用说明根主排1个逆/低环境温度时,通过改变风机的转速和/或运转风机台数可以改变空气流量以减少换热量。
风机可以110%超速运行,能够在一定程度上防止大风对ACC运行的影响。
所有风机组的物理配置组成完全相同,以方便安装以及备件管理。
逆流风机通过变频器的设定可以反转运行。
空气系统各设备的主要配置如下:风机:FRP叶片,钢轮毂,刚性联轴器;齿轮箱:加热器,润滑油泵,不设防反转装置。
轴承寿命(DINISO281):输入端10000小时;电机:380V效率大于93%,防护等级IP55,温升等级F级,设绕组温度测点,电压380V±100%,整合在变频器柜中。
系统从逆流换热管束上部联箱中的抽气口中将进入ACC系统的不凝结气体与很少量蒸汽一起抽出,不凝结气体经过分离器排入大气。
正常运行时,凝结水系统连续运行,ACC中凝结下来的凝结水靠重力自流输送到汽轮机的排汽装置。
两列的受热面的凝结水管道分别引至排汽装置液面以下。
清洗系统配置两台空冷器共用1台清洗水泵。
水泵布置在室内。
采用可靠的半自动清洗系统,即水平移动为水动,垂直运动为电动。
清洗系统控制完全独立,由就地开关控制,不进DCS。
1.2空冷器性能、使用说明ACC的控制主要是根据环境温度以及实际背压与设定背压的差值,通过1)控制风机的起停;2)调整风机的转速3)通过蝶阀启闭控制换热面积来实现背压的调控,在设计阶段GEA将提供ACC的控制策略和逻辑。
ACC的控制应单独成组,作为一个模块整合入机组DCS控制系统中实现空冷系统的智能化、自动化控制。
PC,共4具有至少风对ACC的影响往往反映在热风回流上,即由于风和地形影响,使空冷凝汽器出口热风回流到风机入口导致空冷凝汽器的性能下降。
由于夏季环境温度高,凝汽器已经工作在高背压状况,热风回流对机组运行更为不利。
设计上防止热风回流的措施有:1)平台的过道采用花纹钢板不采用格栅版。
2)两台机组平台合并,中间不留缝隙。
3)四周设置风墙。
4)合理选择风机参数和平台高度。
5)风机可以超速运行。
逆流管束比例选取过大会造成空冷系统整体换热效能下降,造成系统出力不足或设备投资浪费;而比例选取过小又会造成系统冬季防冻性能不佳和凝结水溶氧量上升,威胁系统防冻运行安全。
在系统设计中恰当地选取顺流/逆流管束比例,就需要基于不同型号管束的结构特点和性能特点进行准确的计算,并结合以往工程经验和实测值进行修正,一方面保证夏季的换热效率,另一方面要考虑冬季的防冻要求。
清洗系统的运行不会对其他设备造成安全危害。
空冷平台下的各种电气设备要么位于室内(例如,变频器和控制柜),要么是按照室外条件设计的(例如,变压器),完全能够抵挡风雨的威胁。
清洗系统的水,是经过高压雾化的水雾,不会聚集滴落。
即使滴落到平台下面的设备上,其影响也远远小于雨水的影响。
总之,清洗系统的运行是安全可靠的,不会对电厂其他设备造成威胁。
第2章:空冷器的启动、停机及运行中的维护2.1空冷凝汽器的启动2.1.1基本要求将ACC开始建立真空到第一台风机启动的过程称为ACC的启动阶段。
当ACCACC2.1.2abcdefghi温度不小于2C。
所有的列均投运,即开启所有配汽管道上的蝶阀;如果环境温度<+2℃所有可以隔离的列均隔离,即关闭所有配汽管道上的蝶阀。
2.1.3.4缓慢开启汽机旁路,逐渐向ACC进汽。
2.1.3.5ACC开始进汽后背压通常会迅速升高。
这是因为系统中还有很多空气(不凝结气体)造成的。
这时应该启动/保持所有的抽汽器运行,直至系统中的空气被抽出。
2.1.3.6.随着蒸汽的推动和抽真空的进行,空气慢慢被抽出系统。
直到所有初始进汽列的管束下联箱凝结水温度大于35℃且凝结水的平均温度比环境温度大5C时,可以认为ACC内充满了蒸汽,不凝结气体已经排除。
此时可以停备用抽汽器。
2.1.3.7根据负荷情况按GEA要求的步序启动风机,进行正常运行阶段只有在凝结水温度达到要求时,才允许启动风机。
2.1.4启动中的注意事项2.1.4.1ACC的启动过程实际上是一个蒸汽置换空气的过程。
分为两步。
第一步是通过启动抽汽器建立真空,第二步,是在蒸汽驱赶和抽汽器的共同作用下完成蒸汽置换空气的过程。
2.1.4.2充分建立真空非常重要,建议达到12KPa(A)空冷机组比水冷机组的真空容积大很多,如果真空建立不充分将导致ACC进汽后压力迅速升高,如果太高,则可能导致防爆膜破裂。
2.1.4.3ACC初次进汽时汽量应该是逐渐增加而不要突然大量进汽。
即使ACC压力达到12KPa,ACC巨大的真空容积内仍滞留着相当多的空气。
所以最初的进汽量不可太多(可以允许5~10%的蒸汽负荷),以免冲破爆破膜。
时,ACC2.1.5通过机.“自动”“M”被逻辑所改变传动,泵或其它部件的选择如果安装了2台或者更多的设备,运行时必须从中选择1台。
可以在空分装置启动前由操作员手动选择。
否则,ITCC 系统将通常选择第1台设备。
这样做的好处为选择是自动完成的,选中的目标也是确定的。
详述见切换值/输入信号模拟量的切换要有一定的过渡过程。
与切换操作有关的开关量输入信号,要经过去抖处理,上述信号是由空分装置的报警和指示系统来检测和指示的。
无论如何,不稳定的(短暂的)或瞬时信号不能造成设备的跳闸或甚至系统的跳闸。
功能组的顺控步顺控从一步到另一步之间,都有过渡过程,都设用时监测。
如果不特别说明,该时间在调试阶段整定。
步超时将停止功能组的顺控过程。
2.2空冷设备的运行2.2.1抽真空系统(非ITCC控制)抽真空系统由一个启动抽汽器和两个100%运行抽汽器组成。
一台运行,其他为备用,抽汽系统为成套设备。
2.2.2风机组概述风机组的启停是自动完成的.控制信号来自ACC功能组(PLC)。
根据风机转速级配置图,依规定顺序启停风机组.为进行检修,在远方手动控制下,可对单台风机组进行启停操作.每个风机组由风扇、齿轮箱、电机和变频器组成。
风机转速每台风机的电机由各自的变频器控制.最小速度用于运行时保护风机电机。
通过变频器,风机电机可在最小与最大速度之间无级调速.根据风机转速级配置图,当停运风机电机时,也要停运变频器。
风机电机可以大于100%的转速运行,最高至110%。
备注!环境温度<+20℃,风机最高转速限制在100%。
风机组保护通过,如果油4????????控制)。
?自动启动信号来自ACC(PLC)的控制逻辑。
?手动操作员2.3空冷凝汽器(ACC)空分监控系统(机组ITCC)监测ACC系统。
PLC监控ACC。
在PLC和机组ITCC 之间交换ACC与其它系统相关的重要信号(见“ACC控制系统结构”章节)。
与机组控制系统相联,ACC包括:一个功能组.控制启动、停运程序和风机的正常运行。
一个压力控制器.为了维持所要求的排汽压力,根据蒸汽负荷和环境温度的状况,依指定的顺序逐步控制风机电机和蒸汽分配管上的电动隔离阀(参见风机转速级配置图)。
手动阀不反馈位置信号给机组或ACC控制系统。
只有在启动阶段的真空状态完全建立后,功能组才会开始风机的自动运行控制,以保证真空系统中留有尽可能少的残留空气。
只有在排汽管、蒸汽分配管以及热交换器完全充满蒸汽的条件下,才会根据控制矩阵启动风机。
当有信息显示,凝结水收集管(逆流凝汽管束)中的凝结水温度开始升高超过环境温度时,上述条件满足,即温差至少高过5K并且凝结水温度至少达到+35℃。
说明:当蒸汽第一次进入凝汽器时,期间会观测到凝汽器的背压骤然升高。
造成背压的升高是由于系统中留有不可凝气体,并积存于ACC中,且未能尽快排出。
这种排汽压力的峰值只持续很短的时间。
不要因为凝汽器压力的这种暂时峰值,就根据排汽压力控制器,来投运ACC风机控制系统或手动启风机。
根据风机转速级配置图,风机第一次启动的条件,是上述的凝结水温度条件。
情况,2.3.1,关/?ST的设计。
时,2.3.210排蒸汽分配管可以通过关闭安装在其上的蝶阀来切断蒸汽负荷2.3.3ACC的启动――“PLC”ACC的启动与不同的功能组相关,包括主主凝水疏水泵(汽机热井疏水)和抽汽器,通过这些功能组,满足ACC对其它系统的进一步要求,凝汽系统(“PLC”)列出了许多这样的前提条件,而这些条件是凝汽系统启动的必要条件。
提示:启动汽机的规则,必须严格遵循。
象各种系统例如润滑油、密封管轴封蒸汽、注射水、疏水等的组控逻辑必须在自动模式下(见汽机厂提供的说明)。
ACC风机的组控逻辑为“PLC”,它就是依据风机步骤配置图来调节一个风机或一组风机的速度、启动、关闭,及各排上的蝶阀的打开、关闭。
作为冬季的一项防冻措施,当环境温度低于+2℃时,ACC启用较少的热交换面,即凝汽管束排MAG20被封闭而不进汽了,ACC从FANSTEP1开始启动。
在较暖和的清况(环境温度大于+5℃)时,ACC从FANSTEP4开始启动,例如各排蝶阀都打开蒸汽进来。
ACC及其辅助系统的完整启动顺序如下所列:建议始终保持系统的真空状态,在各种情况下都不破坏真空,例如汽机或旁路跳闸后又要重启。
ACC的停运程序应符合机炉停运的规定,机炉停运是空分装置停运过程中的最主要的环节。
风机和蒸汽管线阀门的统一自动控制包含以下任务:根据风机转速级配置图,调整风机转速,对于变化的蒸汽负载和冷却空气温度,保持排汽压力为定压。
万一,由ACC压力控制器和风机切换的额外要求引起蒸汽负荷较高变化时,风机的启停和蒸汽管线阀门的开关,就按照风机转速级配置图。
冬天环境温度低(<+2℃)时的防冻保护。
排汽压力控制-PDA8001按照风机转速级配置图,在一定的限度内变频风机无级调速或者上切或下切风机的转速级,使冷却气流适应运行工况(变化的蒸汽负荷和冷却空气温度),以达到所要求的排气背压(设定值)。
正常运行情况时,所有风机转速的控制是平行的(由标准PID控制模块),在控制范围内以相同速度运行(风机单元/风机速度图),如果负荷低或者环境温度低时,冷空气的流量就必须减少,进而一个风机或者一组风机就要关闭。
若蒸汽负荷或环境温度上升,那么风机就要打开。
进行切换都是依据风机转速级配置图的。
因为惯性,风机速度不可能因大的负载波动而立刻变化,即风机在切换时会不可避免地与控制有短暂偏差。
),而到象局部+2℃(<+2℃)。
每台风机如果从自动切换到手动,都可单独停运。
这就便于当其它风机运行时,对单台风机进行检修.当风机控制在手动模式时,应该不仅能操作单台风机,也能切换风机的转速级。
从ACC控制系统的角度来看,所有风机能同时启动或停运。
如果电气供电系统的负载变化不允许同时启停风机,则在操作各台变频器或变频器组之间要延迟5秒。
取决于调试阶段的。
整定计时为优化的结果。
上切初值大约设为60秒(上切值通常为60to180秒)。