常见焊接缺陷及处理方法
- 格式:doc
- 大小:13.76 MB
- 文档页数:20
常见焊点缺陷及分析1. 引言焊接是一种将金属零件通过熔化并在冷却过程中形成联接的技术。
在焊接过程中,焊点缺陷是不可避免的,它们可能会对焊接连接的强度、可靠性和外观造成负面影响。
理解和分析常见的焊点缺陷对于确保焊接连接的质量至关重要。
本文将介绍几种常见的焊点缺陷,包括松动焊点、气孔、夹杂物和热裂纹,并对其产生的原因和分析方法进行探讨。
2. 常见焊点缺陷及分析2.1 松动焊点松动焊点是指焊接接头中的焊点出现松动或脱落的现象。
这种缺陷可能是由焊接接头的设计不良、焊接过程中温度和压力不足、焊接材料不匹配或焊接后应力集中等因素造成的。
在分析时,可以通过检查焊接接头的外观和使用显微镜观察焊点的表面来确定是否存在松动焊点。
针对松动焊点的修复方法包括重新焊接、补焊或增加焊接材料等。
2.2 气孔气孔是指焊接接头中的小空洞或气泡。
气孔可以分为气孔性缺陷和气孔状缺陷两种类型。
气孔性缺陷是由于焊接过程中金属熔融时溶解的气体无法顺利逸出而形成的。
气孔状缺陷则是由焊接材料中的气孔聚集而成。
气孔的出现可能是由于焊接材料或焊接环境中存在杂质、气体成分不纯或焊接过程中的不良操作造成的。
分析气孔缺陷时,可以通过X射线检测、显微镜观察和金相分析等方法进行定性和定量的评估。
修复气孔缺陷的方法包括重新焊接、吹除气孔、填充焊接材料等。
2.3 夹杂物夹杂物是指焊接接头中的杂质或外来物质。
焊接过程中,杂质和外来物质可能会被夹在焊接材料中,导致焊点出现缺陷。
夹杂物的存在可能会降低焊接接头的强度和可靠性。
夹杂物的形成原因包括焊接材料的纯净度不高、焊接环境的污染、焊接操作的不当等。
分析夹杂物缺陷时,可以通过显微镜观察、化学分析和金相测试等方法进行定性和定量的评估。
修复夹杂物缺陷的方法包括重新焊接、清除夹杂物、更换焊接材料等。
2.4 热裂纹热裂纹是指焊接接头中的裂纹缺陷。
焊接过程中,焊接材料经历了热收缩和冷却的过程,可能会导致焊接接头出现残余应力和裂纹。
常见的焊接缺陷及处理办法一、外部缺陷一)、焊缝成型差1、现象焊缝波纹粗劣,焊缝不均匀、不整齐,焊缝与母材不圆滑过渡,焊接接头差,焊缝高低不平。
2、原因分析焊缝成型差的原因有:焊件坡口角度不当或装配间隙不均匀;焊口清理不干净;焊接电流过大或过小;焊接中运条(枪)速度过快或过慢;焊条(枪)摆动幅度过大或过小;焊条(枪)施焊角度选择不当等。
3、防治措施⑴焊件的坡口角度和装配间隙必须符合图纸设计或所执行标准的要求。
⑵焊件坡口打磨清理干净,无锈、无垢、无脂等污物杂质,露出金属光泽。
⑶加强焊接联系,提高焊接操作水平,熟悉焊接施工环境。
⑷根据不同的焊接位置、焊接方法、不同的对口间隙等,按照焊接工艺卡和操作技能要求,选择合理的焊接电流参数、施焊速度和焊条(枪)的角度。
4、治理措施⑴加强焊后自检和专检,发现问题及时处理;⑵对于焊缝成型差的焊缝,进行打磨、补焊;⑶达不到验收标准要求,成型太差的焊缝实行割口或换件重焊;⑷加强焊接验收标准的学习,严格按照标准施工。
二)、焊缝余高不合格1、现象管道焊口和板对接焊缝余高大于 3 ㎜;局部出现负余高;余高差过大;角焊缝高度不够或焊角尺寸过大,余高差过大。
2、原因分析焊接电流选择不当;运条(枪)速度不均匀,过快或过慢;焊条(枪)摆动幅度不均匀;焊条(枪)施焊角度选择不当等。
3、防治措施⑴根据不同焊接位置、焊接方法,选择合理的焊接电流参数;⑵增强焊工责任心,焊接速度适合所选的焊接电流,运条(枪)速度均匀,避免忽快忽慢;⑶焊条(枪)摆动幅度不一致,摆动速度合理、均匀;⑷注意保持正确的焊条(枪)角度。
4、治理措施⑴加强焊工操作技能培训,提高焊缝盖面水平;⑵对焊缝进行必要的打磨和补焊;⑶加强焊后检查,发现问题及时处理;⑷技术员的交底中,对焊角角度要求做详细说明。
三)、焊缝宽窄差不合格1、现象焊缝边缘不匀直,焊缝宽窄差大于 3 ㎜。
2、原因分析焊条(枪)摆动幅度不一致,部分地方幅度过大,部分地方摆动过小;焊条(枪)角度不合适;焊接位置困难,妨碍焊接人员视线。
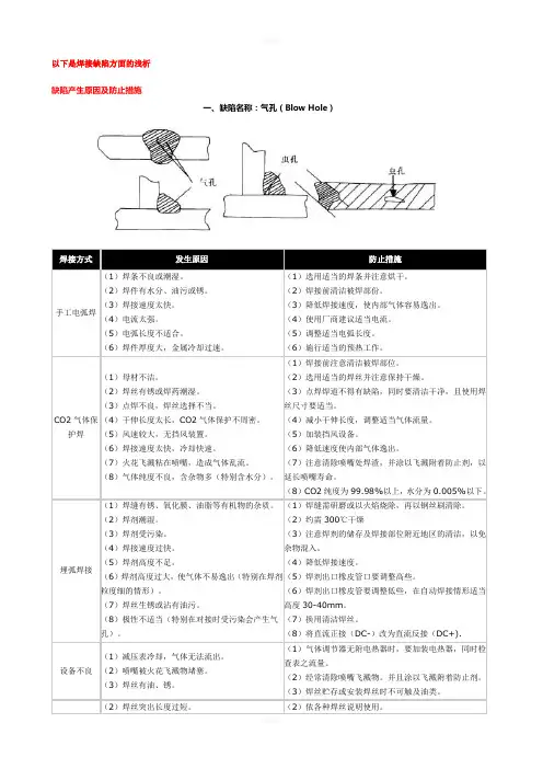
以下是焊接缺陷方面的浅析缺陷产生原因及防止措施一、缺陷名称:气孔(Blow Hole)焊接方式发生原因防止措施手工电弧焊(1)焊条不良或潮湿。
(2)焊件有水分、油污或锈。
(3)焊接速度太快。
(4)电流太强。
(5)电弧长度不适合。
(6)焊件厚度大,金属冷却过速。
(1)选用适当的焊条并注意烘干。
(2)焊接前清洁被焊部份。
(3)降低焊接速度,使内部气体容易逸出。
(4)使用厂商建议适当电流。
(5)调整适当电弧长度。
(6)施行适当的预热工作。
CO2气体保护焊(1)母材不洁。
(2)焊丝有锈或焊药潮湿。
(3)点焊不良,焊丝选择不当。
(4)干伸长度太长,CO2气体保护不周密。
(5)风速较大,无挡风装置。
(6)焊接速度太快,冷却快速。
(7)火花飞溅粘在喷嘴,造成气体乱流。
(8)气体纯度不良,含杂物多(特别含水分)。
(1)焊接前注意清洁被焊部位。
(2)选用适当的焊丝并注意保持干燥。
(3)点焊焊道不得有缺陷,同时要清洁干净,且使用焊丝尺寸要适当。
(4)减小干伸长度,调整适当气体流量。
(5)加装挡风设备。
(6)降低速度使内部气体逸出。
(7)注意清除喷嘴处焊渣,并涂以飞溅附着防止剂,以延长喷嘴寿命。
(8)CO2纯度为99.98%以上,水分为0.005%以下。
埋弧焊接(1)焊缝有锈、氧化膜、油脂等有机物的杂质。
(2)焊剂潮湿。
(3)焊剂受污染。
(4)焊接速度过快。
(5)焊剂高度不足。
(6)焊剂高度过大,使气体不易逸出(特别在焊剂粒度细的情形)。
(7)焊丝生锈或沾有油污。
(8)极性不适当(特别在对接时受污染会产生气孔)。
(1)焊缝需研磨或以火焰烧除,再以钢丝刷清除。
(2)约需300℃干燥(3)注意焊剂的储存及焊接部位附近地区的清洁,以免杂物混入。
(4)降低焊接速度。
(5)焊剂出口橡皮管口要调整高些。
(6)焊剂出口橡皮管要调整低些,在自动焊接情形适当高度30-40mm。
(7)换用清洁焊丝。
(8)将直流正接(DC-)改为直流反接(DC+).设备不良(1)减压表冷却,气体无法流出。
焊接常见缺陷产生的原因及其预防措施1 2 3 45 6 7 8 焊接缺陷咬边火渣、火鸨气孔或者群孔裂纹未焊透未融合根部氧化i焊瘤、内凹产生因素1、焊接电流大;2、焊接过程中,在母材位置停留时间短,铁水不足。
预防措施1、在电流范围内适当减小焊接电流;2、调整焊接手法,给足铁水。
1、正确选用焊接材料;2、减少单层焊道熔1、层问活理』、干净;2、焊接敷厚度,使熔渣充分浮到熔池外表;3、增时焊条不摆动或者摆动幅度小;3、焊接材料选用不当;4、焊件太大;5、电弧电压太局。
1、母材坡口有铁锈、水、油污;2、焊条受潮;3、焊丝有锈蚀;4、焊接电流过大或者过小;5、电弧电压太高;6、焊接速度过快;7、焊件太大;8、焊接环境风大。
1、焊接材料选用不当;2、焊件太大,冷却速度快;3、焊接热输入量过大;4、拘束应力过大。
1、对口间隙小;2、焊接电流小;3、焊件大,冷却速度快。
1、焊接电流小;2、焊件大,冷却速度快。
、焊件根部保护效果不好。
1、对口间隙过大;2、焊接电流大;3、焊接速度慢,焊件温度过高。
大焊接电流,有规律性的运条、搅拌熔池、使熔渣与熔池金届充分别离;4、子细活理层间焊渣;5、降低电弧电压;6、氧弧焊时焊工手法要稳,防止鸨极短路。
1、焊接前活除焊件、焊丝上的污锈或者油质;2、焊条按规定烘烤,烘烤后放包温箱内备用,焊工使用时采用保温筒;3、正确选用焊接材料;4、控制焊接工艺条件,适当预热,采用短弧焊接;5、采用防风雨棚。
1、合理选择焊材、改善焊缝组织、提高焊缝金届的塑性;2、适当焊前预热,降低焊件的冷却速度;3、改善工艺因素,采用小的焊接标准,降低组织过热产生的晶粒粗大;4、调整焊接顺序,降低焊接应力。
1、对口间隙调整到规定的尺寸;2、在电流范围内选择较大的焊接电流;3、适当预热,调整焊条、焊炬的角度。
1、在电而围内选择较大的焊接电流;2、适当预热,降低焊件的冷却速度。
1、米取根部氧气保护措施,到达保护效果。
四、常见焊接缺陷及排除影响焊接质量的因素是很多的,下表列出的是一些常见缺陷及排除方法,以供参考. 缺陷产生原因焊点不全1、助焊剂喷涂量不足2、预热不好3、传送速度过快4、波峰不平5、元件氧化6、焊盘氧化7、焊锡有较多浮渣解决方法1、加大助焊剂喷涂量2、提高预热温度、延长预热时间3、降低传送速度4、稳定波峰5、除去元件氧化层或更换元件6、更换PCB7、除去浮渣桥接1、焊接温度过高2、焊接时间过长3、轨道倾角太小解决方法1、降低焊接温度2、减少焊接时间3、提高轨道倾角焊锡冲上印制板1、印制板压锡深度太深2、波峰高度太高3、印制板葬翘曲解决方法1、降低压锡深度2、降低波峰高度3、整平或采用框架固波峰焊锡作业中问题点与改善方法1.沾锡不良POOR WETTING:这种情况是不可接受的缺点,在焊点上只有部分沾锡.分析其原因及改善方式如下:1-1.外界的污染物如油,脂,腊等,此类污染物通常可用溶剂清洗,此类油污有时是在印刷防焊剂时沾上的.1-2.SILICON OIL 通常用于脱模及润滑之用,通常会在基板及零件脚上发现,而SILICON OIL 不易清理,因之使用它要非常小心尤其是当它做抗氧化油常会发生问题,因它会蒸发沾在基板上而造成沾锡不良.1-3.常因贮存状况不良或基板制程上的问题发生氧化,而助焊剂无法去除时会造成沾锡不良,过二次锡或可解决此问题.1-4.沾助焊剂方式不正确,造成原因为发泡气压不稳定或不足,致使泡沫高度不稳或不均匀而使基板部分没有沾到助焊剂.1-5.吃锡时间不足或锡温不足会造成沾锡不良,因为熔锡需要足够的温度及时间WETTING,通常焊锡温度应高于熔点温度50℃至80℃之间,沾锡总时间约3秒.2.局部沾锡不良DE WETTING:此一情形与沾锡不良相似,不同的是局部沾锡不良不会露出铜箔面,只有薄薄的一层锡无法形成饱满的焊点.3.冷焊或焊点不亮COLD SOLDER OR DISTURRED SOLDER JOINTS:焊点看似碎裂,不平,大部分原因是零件在焊锡正要冷却形成焊点时振动而造成,注意锡炉输送是否有异常振动.4.焊点破裂CRACKS IN SOLDER FILLET:此一情形通常是焊锡,基板,导通孔,及零件脚之间膨胀系数,未配合而造成,应在基板材质,零件材料及设计上去改善.5.焊点锡量太大EXCES SOLDER:通常在评定一个焊点,希望能又大又圆又胖的焊点,但事实上过大的焊点对导电性及抗拉强度未必有所帮助.5-1.锡炉输送角度不正确会造成焊点过大,倾斜角度由1到7度依基板设计方式?#123;整,一般角度约3.5度角,角度越大沾锡越薄角度越小沾锡越厚.5-2.提高锡槽温度,加长焊锡时间,使多余的锡再回流到锡槽.5-3.提高预热温度,可减少基板沾锡所需热量,曾加助焊效果.5-4.改变助焊剂比重,略为降低助焊剂比重,通常比重越高吃锡越厚也越易短路,比重越低吃锡越薄但越易造成锡桥,锡尖.6.锡尖(冰柱) ICICLING:此一问题通常发生在DIP或WIVE的焊接制程上,在零件脚顶端或焊点上发现有冰尖般的锡. 6-1.基板的可焊性差,此一问题通常伴随着沾锡不良,此问题应由基板可焊性去探讨,可试由提升助焊剂比重来改善.6-2.基板上金道(PAD)面积过大,可用绿(防焊)漆线将金道分隔来改善,原则上用绿(防焊)漆线在大金道面分隔成5mm乘10mm区块.6-3.锡槽温度不足沾锡时间太短,可用提高锡槽温度加长焊锡时间,使多余的锡再回流到锡槽来改善.6-4.出波峰后之冷却风流角度不对,不可朝锡槽方向吹,会造成锡点急速,多余焊锡无法受重力与内聚力拉回锡槽.6-5.手焊时产生锡尖,通常为烙铁温度太低,致焊锡温度不足无法立即因内聚力回缩形成焊点,改用较大瓦特数烙铁,加长烙铁在被焊对象的预热时间.7.防焊绿漆上留有残锡SOLDER WEBBING:7-1.基板制作时残留有某些与助焊剂不能兼容的物质,在过热之,后餪化产生黏性黏着焊锡形成锡丝,可用丙酮(*已被蒙特娄公约禁用之化学溶剂),,氯化烯类等溶剂来清洗,若清洗后还是无法改善,则有基板层材CURING不正确的可能,本项事故应及时回馈基板供货商.7-2.不正确的基板CURING会造成此一现象,可在插件前先行烘烤120℃二小时,本项事故应及时回馈基板供货商.7-3.锡渣被PUMP打入锡槽内再喷流出来而造成基板面沾上锡渣,此一问题较为单纯良好的锡炉维护,锡槽正确的锡面高度(一般正常状况当锡槽不喷流静止时锡面离锡槽边缘10mm高度)8.白色残留物WHITE RESIDUE:在焊接或溶剂清洗过后发现有白色残留物在基板上,通常是松香的残留物,这类物质不会影响表面电阻质,但客户不接受.8-1.助焊剂通常是此问题主要原因,有时改用另一种助焊剂即可改善,松香类助焊剂常在清洗时产生白班,此时最好的方式是寻求助焊剂供货商的协助,产品是他们供应他们较专业.8-2.基板制作过程中残留杂质,在长期储存下亦会产生白斑,可用助焊剂或溶剂清洗即可.8-3.不正确的CURING亦会造成白班,通常是某一批量单独产生,应及时回馈基板供货商并使用助焊剂或溶剂清洗即可.8-4.厂内使用之助焊剂与基板氧化保护层不兼容,均发生在新的基板供货商,或更改助焊剂厂牌时发生,应请供货商协助.8-5.因基板制程中所使用之溶剂使基板材质变化,尤其是在镀镍过程中的溶液常会造成此问题,建议储存时间越短越好.8-6.助焊剂使用过久老化,暴露在空气中吸收水气劣化,建议更新助焊剂(通常发泡式助焊剂应每周更新,浸泡式助焊剂每两周更新,喷雾式每月更新即可).8-7.使用松香型助焊剂,过完焊锡炉候停放时间太九才清洗,导致引起白班,尽量缩短焊锡与清洗的时间即可改善.8-8.清洗基板的溶剂水分含量过高,降低清洗能力并产生白班.应更新溶剂.9.深色残余物及浸蚀痕迹DARK RESIDUES AND ETCH MARKS:通常黑色残余物均发生在焊点的底部或顶端,此问题通常是不正确的使用助焊剂或清洗造成. 9-1.松香型助焊剂焊接后未立即清洗,留下黑褐色残留物,尽量提前清洗即可.9-2.酸性助焊剂留在焊点上造成黑色腐蚀颜色,且无法清洗,此现象在手焊中常发现,改用较弱之助焊剂并尽快清洗.9-3.有机类助焊剂在较高温度下烧焦而产生黑班,确认锡槽温度,改用较可耐高温的助焊剂即可.10.绿色残留物GREEN RESIDUE:绿色通常是腐蚀造成,特别是电子产品但是并非完全如此,因为很难分辨到底是绿锈或是其它化学产品,但通常来说发现绿色物质应为警讯,必须立刻查明原因,尤其是此种绿色物质会越来越大,应非常注意,通常可用清洗来改善.10-1.腐蚀的问题通常发生在裸铜面或含铜合金上,使用非松香性助焊剂,这种腐蚀物质内含铜离子因此呈绿色,当发现此绿色腐蚀物,即可证明是在使用非松香助焊剂后未正确清洗.10-2.COPPER ABIETATES 是氧化铜与ABIETIC ACID (松香主要成分)的化合物,此一物质是绿色但绝不是腐蚀物且具有高绝缘性,不影影响品质但客户不会同意应清洗.10-3.PRESULFATE 的残余物或基板制作上类似残余物,在焊锡后会产生绿色残余物,应要求基板制作厂在基板制作清洗后再做清洁度测试,以确保基板清洁度的品质.11.白色腐蚀物第八项谈的是白色残留物是指基板上白色残留物,而本项目谈的是零件脚及金属上的白色腐蚀物,尤其是含铅成分较多的金属上较易生成此类残余物,主要是因为氯离子易与铅形成氯化铅,再与二氧化碳形成碳酸铅(白色腐蚀物).在使用松香类助焊剂时,因松香不溶于水会将含氯活性剂包着不致腐蚀,但如使用不当溶剂,只能清洗松香无法去除含氯离子,如此一来反而加速腐蚀.12.针孔及气孔PINHOLDS AND BLOWHOLES:针孔与气孔之区别,针孔是在焊点上发现一小孔,气孔则是焊点上较大孔可看到内部,针孔内部通常是空的,气孔则是内部空气完全喷出而造成之大孔,其形成原因是焊锡在气体尚未完全排除即已凝固,而形成此问题.12-1.有机污染物:基板与零件脚都可能产生气体而造成针孔或气孔,其污染源可能来自自动植件机或储存状况不佳造成,此问题较为简单只要用溶剂清洗即可,但如发现污染物为SILICONOIL 因其不容易被溶剂清洗,故在制程中应考虑其它代用品.12-2.基板有湿气:如使用较便宜的基板材质,或使用较粗糙的钻孔方式,在贯孔处容易吸收湿气,焊锡过程中受到高热蒸发出来而造成,解决方法是放在烤箱中120℃烤二小时.12-3.电镀溶液中的光亮剂:使用大量光亮剂电镀时,光亮剂常与金同时沉积,遇到高温则挥发而造成,特别是镀金时,改用含光亮剂较少的电镀液,当然这要回馈到供货商.13.TRAPPED OIL:氧化防止油被打入锡槽内经喷流涌出而机污染基板,此问题应为锡槽焊锡液面过低,锡槽内追加焊锡即可改善.14.焊点灰暗:此现象分为二种(1)焊锡过后一段时间,(约半载至一年)焊点颜色转暗.(2)经制造出来的成品焊点即是灰暗的.14-1.焊锡内杂质:必须每三个月定期检验焊锡内的金属成分.14-2.助焊剂在热的表面上亦会产生某种程度的灰暗色,如RA及有机酸类助焊剂留在焊点上过久也会造成轻微的腐蚀而呈灰暗色,在焊接后立刻清洗应可改善.某些无机酸类的助焊剂会造成ZINC OXYCHLORIDE 可用1% 的盐酸清洗再水洗.14-3.在焊锡合金中,锡含量低者(如40/60焊锡)焊点亦较灰暗.15.焊点表面粗糙:焊点表面呈砂状突出表面,而焊点整体形状不改变.15-1.金属杂质的结晶:必须每三个月定期检验焊锡内的金属成分.15-2.锡渣:锡渣被PUMP打入锡槽内经喷流涌出因锡内含有锡渣而使焊点表面有砂状突出,应为锡槽焊锡液面过低,锡槽内追加焊锡并应清理锡槽及PUMP即可改善.15-3.外来物质:如毛边,绝缘材等藏在零件脚,亦会产生粗糙表面.16.黄色焊点:系因焊锡温度过高造成,立即查看锡温及温控器是否故障.17.短路BRIDGING:过大的焊点造成两焊点相接.17-1.基板吃锡时间不够,预热不足,?#123;整锡炉即可.17-2.助焊剂不良:助焊剂比重不当,劣化等.17-3.基板进行方向与锡波配合不良,更改吃锡方向.17-4.线路设计不良:线路或接点间太过接近(应有0.6mm以上间距);如为排列式焊点或IC,则应考虑盗锡焊垫,或使用文字白漆予以区隔,此时之白漆厚度需为2倍焊垫(金道)厚度以上. 17-5.被污染的锡或积聚过多的氧化物被PUMP带上造成短路应清理锡炉或更进一步全部更新锡槽内的焊锡.。
焊接缺陷原因分析及防止措施在现场焊接过程中一般都存在缺陷,缺陷的存在必将会影响焊缝的质量,而焊缝质量又会直接影响现场管道的安全使用。
对焊接缺陷进行分析,一方面是为了找出缺陷产生的原因,以防止缺陷的产生。
一、未焊透焊接时,母材金属之间应该熔合而未焊上的部分称为未焊透。
出现在单面焊的坡口根部(见下图),未焊透会造成较大的应力集中,往往从其末端产生裂纹。
单面未焊透角焊缝未焊透产生原因:(1)由于坡口角度小,组对间隙小或错边超标,使熔敷金属送不到坡口根部。
(2)焊接电流小、送丝角度不当或焊接电弧偏向坡口一侧,焊接速度过快。
(3)由于操作不当,使熔敷金属未能送到预定位置,或者未能击穿坡口形成尺寸一定的熔孔。
防止措施:(1)打磨合适的坡口角度(37°±2.5°),组对间隙尺寸(4mm左右)合适并防止错边超标(≤e/20+1mm,最大为1.5mm,e为管子壁厚)。
(2)选择合适的焊接电源,焊丝及氩弧焊把角度应适当。
(3)掌握正确的焊接操作方法,氩弧焊丝的送进应稳、准确、熟练地击穿尺寸适宜的熔孔,应把熔敷金属送至坡口根部。
二、未熔合这种缺陷常出现在坡口的侧壁、多层焊的层间及焊缝的根部(见下图)。
产生原因:(1)由于焊丝和氩弧焊把角度不当,电弧不能良好地加热坡口两侧母材金属,致坡口面母材母材金属未能充分熔化。
(2)在焊接时由于上侧坡口金属熔化后产生下坠,影响下侧坡口面金属的加热熔化,造成“冷接"。
(3)2GT位置操作时,在上、下坡口面击穿顺序不对,未能先击穿下坡口后击穿上坡口,或者在上、下坡口面上击穿熔孔位置未能错开一定的距离,使上坡口熔化金属下坠产生粘接,造成未熔合。
(4)氩弧焊时电弧两侧坡口的加热不均(线能量不同),或者坡口面存在污物等.防止措施:(1)选择适宜的焊丝和氩弧把角度。
(2)操作时注意观察坡口两侧金属熔化情况,使之熔合良好。
(3)2GT位置操作时,掌握好上、下坡口面的击穿顺序和保持适宜的熔孔位置和尺寸大小,焊丝的送进应熟练地从熔孔上坡口拉到下坡口。
焊接技术中常见问题与解决方法详解在焊接过程中,常常会遇到一些技术问题,这些问题如果不得到及时解决,将会对焊接工艺和焊接质量产生严重影响。
本文将详细介绍焊接技术中常见问题及其解决方法,帮助读者更好地理解和应对这些问题。
一、焊接材料选择不当焊接材料的选择对焊接质量具有重要影响。
如果选择不当,可能会导致焊接接头强度不够、焊缝裂纹等问题。
解决这个问题的关键是合理选择焊接材料。
首先,要根据焊接材料的化学成分和力学性能来选择适合的焊接材料。
其次,还要考虑焊接材料的可焊性和热膨胀系数是否与基材相匹配。
二、焊接电流不稳定焊接电流的不稳定会导致焊接接头质量不稳定,甚至出现焊接不良的情况。
解决这个问题的方法是使用稳定的电源设备,并进行电流稳定控制。
在选择焊接电源设备时,应选择质量可靠、电流稳定性好的设备。
此外,还可以通过增加电流稳定控制装置来提高焊接电流的稳定性。
三、焊接接头强度不够焊接接头强度不够是焊接过程中常见的问题。
造成这个问题的原因有很多,例如焊接材料选择不当、焊接工艺参数设置不合理等。
解决这个问题的方法是优化焊接工艺参数,例如调整焊接电流、焊接速度和焊接时间等。
此外,还可以采用预热和后热处理等方法来提高焊接接头的强度。
四、焊接缺陷焊接缺陷是指在焊接过程中产生的缺陷,例如焊缝裂纹、气孔、夹渣等。
这些缺陷会严重影响焊接接头的质量和性能。
解决这个问题的方法是加强焊接过程中的质量控制,例如严格控制焊接工艺参数、提高焊接操作技能等。
此外,还可以采用非破坏性检测方法来及时发现和修复焊接缺陷。
五、焊接变形焊接变形是指焊接过程中由于热应力引起的工件形状变化。
焊接变形会导致焊接接头尺寸偏差、变形过大等问题。
解决这个问题的方法是采用合理的焊接顺序和焊接工艺参数,例如分段焊接、交替焊接等。
此外,还可以采用焊接变形控制技术,例如预应力焊接和冷却控制等方法来减少焊接变形。
六、焊接环境恶劣焊接环境的恶劣会对焊接质量产生不利影响。
例如,空气中的氧气会使焊接接头氧化,从而降低焊接质量。
焊接中常见的缺点及解决方式在焊接过程中,常见的缺点包括焊接缺陷、焊接变形、焊接应力等,下面将对这些缺点进行详细阐述,并提供相应的解决方式。
一、焊接缺陷:1.气孔:气孔是焊接过程中最常见的缺陷,主要由于焊接材料中含有的气体未能完全排除或者焊接过程中引入了大量气体所致。
解决气孔问题的方法包括:-提高焊接设备的气体保护性能,确保焊接区域的环境干燥。
-使用质量好的焊接材料,确保焊接材料的纯净度。
-控制焊接参数,如电流、电压、焊接速度等,以确保焊接过程中可以形成稳定的焊接池。
2.缺口:焊接缺口是指焊缝中断裂的现象,通常由于焊接过程中的拉伸或剪切力过大所致。
解决缺口问题的方法包括:-优化焊接顺序,避免对焊缝施加过大的力。
-选用合适的焊接材料,具有良好的韧性和抗断裂性能。
-控制焊接过程中的热输入,避免产生过大的热应力。
3.结构性缺陷:结构性缺陷是焊缝内部存在的结构性问题,如未融合、不均匀融合、夹渣等。
解决结构性缺陷的方法包括:-严格按照焊接工艺要求进行焊接,确保焊接过程中的热量均匀分布。
-控制焊接速度,避免焊接过程中出现局部过热或不足的情况。
-使用合适的电极或焊丝,能够提高焊接池的稳定性,减少结构性缺陷的发生。
二、焊接变形:焊接变形是指焊接过程中由于热膨胀和冷却引起的构件形状的变化。
焊接变形常见的解决方式包括:1.控制焊接过程中的热输入,避免产生过大的热应力。
2.采用适当的焊接顺序,避免不同区域的温度差异过大。
3.使用焊接变形补偿技术,如预应力焊接、补偿焊接等。
三、焊接应力:焊接应力是指由于焊接过程中产生的热应力所引起的构件内部应力。
焊接应力常见的解决方式包括:1.适当控制焊接参数,避免产生过大的焊接热。
这样可以减小构件的焊接应力。
2.选用合适的焊接方法和焊接顺序,尽量减小焊接区域的变形,从而减小应力集中。
3.对于大型和重要的焊接构件,可以采用热处理等后续加工工艺,以减小焊接应力。
综上所述,焊接中常见的缺点包括焊接缺陷、焊接变形和焊接应力,针对这些缺点,可以通过优化焊接工艺参数、选用合适的焊接材料、控制焊接顺序和使用后续加工工艺等方法来解决。
常见焊接缺陷以及解决方法分析,太实用了,必须转2016-07-09焊接切割联盟焊接接头的不完整性称为焊接缺陷,主要有:焊接裂纹、未焊透、夹渣、气孔和焊缝外观缺陷等。
焊前准备构件边缘必须按规定进行准备,干净,无毛刺,无气割熔渣,无油脂或油漆,除了车间保护底漆。
接头必须干燥。
几种常见焊接缺憾点焊不应该太深,点焊位置应使其在施焊时能够重新溶合。
焊前,检验员必须确保所有焊点处于良好状态,焊前必须清除坏点焊和炸裂的点焊。
低温焊接无论使用哪种焊接方式,在低温气候下焊接(低于+5℃),必须采取如下的防护措施,以避免低温焊接接头造成的不良效果(易脆、变硬而易裂,容易在焊接接头上产生诸如由于快速冷却和焊缝凝固造成的小眼和熔渣等缺欠)。
1) 在不受坏天气(如风、潮湿和气流等)干扰的区域施焊2) 干燥焊接接头以避免潮湿引起材料收缩3) 焊接接头预热,以减缓焊后焊缝的冷却速度4) 焊后对焊缝加盖防止焊缝的骤冷5) 焊接的最低温度为-10℃,采取所指的防护措施6) 需要时预热温度至少为50℃火焰进行缓慢、均匀的预热缺陷分类1、外观缺陷外观缺陷(表面缺陷)是指不用借助于仪器,从工件表面可以发现的缺陷。
常见的外观缺陷有咬边、焊瘤、凹陷及焊接变形等,有时还有表面气孔和表面裂纹。
单面焊的根部未焊透等。
A、咬边是指沿着焊趾,在母材部分形成的凹陷或沟槽, 它是由于电弧将焊缝边缘的母材熔化后没有得到熔敷金属的充分补充所留下的缺口。
产生咬边的主要原因是电弧热量太高,即电流太大,运条速度太小所造成的。
焊条与工件间角度不正确,摆动不合理,电弧过长,焊接次序不合理等都会造成咬边。
直流焊时电弧的磁偏吹也是产生咬边的一个原因。
某些焊接位置(立、横、仰)会加剧咬边。
咬边减小了母材的有效截面积,降低结构的承载能力,同时还会造成应力集中,发展为裂纹源。
矫正操作姿势,选用合理的规范,采用良好的运条方式都会有利于消除咬边。
焊角焊缝时,用交流焊代替直流焊也能有效地防止咬边。
常见焊接缺陷及处理方法编辑整理:尊敬的读者朋友们:这里是精品文档编辑中心,本文档内容是由我和我的同事精心编辑整理后发布的,发布之前我们对文中内容进行仔细校对,但是难免会有疏漏的地方,但是任然希望(常见焊接缺陷及处理方法)的内容能够给您的工作和学习带来便利。
同时也真诚的希望收到您的建议和反馈,这将是我们进步的源泉,前进的动力。
本文可编辑可修改,如果觉得对您有帮助请收藏以便随时查阅,最后祝您生活愉快业绩进步,以下为常见焊接缺陷及处理方法的全部内容。
剖切面要求。
质量要求:不能存在焊接缺陷。
操作参考:焊枪一般呈45°指向微微偏向较厚的基材,焊枪移动动作为“推”.常见的环焊缝焊缝要求:焊缝要求饱满,熔深和尺寸按图示或者其他已明确的要求。
质量要求:不能存在焊接缺陷。
操作参考:焊枪指向焊缝正中。
当熔深有偏差,可稍微调整指向,焊枪移动动作常用的多道焊叠加方式二氧化碳气保焊常用焊接参考参数以及相应的影响•电流及焊丝直径,在输出功率相同时,电流相对增加焊丝融化速度.•材料厚度〈5mm时,焊接电流小于200A,焊丝Φ1。
0,•5mm<材料厚度〈10mm时,焊接电流小于250A,焊丝Φ1.0、Φ1.2•10mm<材料厚度〈16mm时,焊接电流小于300A,焊丝Φ1.0、Φ1.2•16mm〈材料厚度〈30mm时,焊接电流小于360A,焊丝Φ1。
2•电压:在输出功率相同时,电压相对增加焊缝熔深,并使得焊缝趋向不稳定。
•〈300A时,焊接电压=(0.05X焊接电流+14±2)伏,•>300A时,焊接电压=(0。
05X焊接电流+14±2)伏,•保护气体的影响:•CO2影响焊接时焊丝的融化速度和冷却速度,相对提高焊接效率,焊接薄板时增加含量会引起焊接不稳定.•Ar降低焊接时焊缝的冷却速度,增强焊接的稳定性。
•气压和流速过低或者过高容易引起焊接的气孔等缺陷。
焊工必看常见焊接缺陷大全目录一、外部缺陷 (2)(二)、焊缝余高不合格 (2)(三)、焊缝宽窄差不合格 (3)(四)、咬边 (3)(五)、错口 (4)(六)、弯折 (4)(七)、弧坑 (5)(十)、表面裂纹 (6)(十二)、支吊架等T型焊接接头焊缝不包角 (7)(十三)、焊接变形 (7)二、内部缺陷 (8)(二)、夹渣 (8)(三)、未熔合 (9)(四)、管道焊口未焊透 (9)(五)、管道焊口根部焊瘤、凸出、凹陷 (10)(六)、内部裂纹 (10)一、外部缺陷(一)、焊缝成型差1、现象焊缝波纹粗劣,焊缝不均匀、不整齐,焊缝与母材不圆滑过渡,焊接接头差,焊缝高低不平。
2、原因分析焊缝成型差的原因有:焊件坡口角度不当或装配间隙不均匀;焊口清理不干净;焊接电流过大或过小;焊接中运条(枪)速度过快或过慢;焊条(枪)摆动幅度过大或过小;焊条(枪)施焊角度选择不当等。
3、防治措施⑴焊件的坡口角度和装配间隙必须符合图纸设计或所执行标准的要求。
⑴焊件坡口打磨清理干净,无锈、无垢、无脂等污物杂质,露出金属光泽。
⑴加强焊接联系,提高焊接操作水平,熟悉焊接施工环境。
⑴根据不同的焊接位置、焊接方法、不同的对口间隙等,按照焊接工艺卡和操作技能要求,选择合理的焊接电流参数、施焊速度和焊条(枪)的角度。
4、治理措施⑴加强焊后自检和专检,发现问题及时处理;⑴对于焊缝成型差的焊缝,进行打磨、补焊;⑴达不到验收标准要求,成型太差的焊缝实行割口或换件重焊;⑴加强焊接验收标准的学习,严格按照标准施工。
(二)、焊缝余高不合格1、现象管道焊口和板对接焊缝余高大于3㎜;局部出现负余高;余高差过大;角焊缝高度不够或焊角尺寸过大,余高差过大。
2、原因分析焊接电流选择不当;运条(枪)速度不均匀,过快或过慢;焊条(枪)摆动幅度不均匀;焊条(枪)施焊角度选择不当等。
3、防治措施⑴根据不同焊接位置、焊接方法,选择合理的焊接电流参数;⑴增强焊工责任心,焊接速度适合所选的焊接电流,运条(枪)速度均匀,避免忽快忽慢;⑴焊条(枪)摆动幅度不一致,摆动速度合理、均匀;⑴注意保持正确的焊条(枪)角度。
常见焊接缺陷以及解决方法分析,太实用了,必须转2016-07-09焊接切割联盟焊接接头的不完整性称为焊接缺陷,主要有:焊接裂纹、未焊透、夹渣、气孔和焊缝外观缺陷等。
焊前准备构件边缘必须按规定进行准备,干净,无毛刺,无气割熔渣,无油脂或油漆,除了车间保护底漆。
接头必须干燥。
几种常见焊接缺憾点焊不应该太深,点焊位置应使其在施焊时能够重新溶合。
焊前,检验员必须确保所有焊点处于良好状态,焊前必须清除坏点焊和炸裂的点焊。
低温焊接无论使用哪种焊接方式,在低温气候下焊接(低于+5℃),必须采取如下的防护措施,以避免低温焊接接头造成的不良效果(易脆、变硬而易裂,容易在焊接接头上产生诸如由于快速冷却和焊缝凝固造成的小眼和熔渣等缺欠)。
1) 在不受坏天气(如风、潮湿和气流等)干扰的区域施焊2) 干燥焊接接头以避免潮湿引起材料收缩3) 焊接接头预热,以减缓焊后焊缝的冷却速度4) 焊后对焊缝加盖防止焊缝的骤冷5) 焊接的最低温度为-10℃,采取所指的防护措施6) 需要时预热温度至少为50℃火焰进行缓慢、均匀的预热缺陷分类1、外观缺陷外观缺陷(表面缺陷)是指不用借助于仪器,从工件表面可以发现的缺陷。
常见的外观缺陷有咬边、焊瘤、凹陷及焊接变形等,有时还有表面气孔和表面裂纹。
单面焊的根部未焊透等。
A、咬边是指沿着焊趾,在母材部分形成的凹陷或沟槽, 它是由于电弧将焊缝边缘的母材熔化后没有得到熔敷金属的充分补充所留下的缺口。
产生咬边的主要原因是电弧热量太高,即电流太大,运条速度太小所造成的。
焊条与工件间角度不正确,摆动不合理,电弧过长,焊接次序不合理等都会造成咬边。
直流焊时电弧的磁偏吹也是产生咬边的一个原因。
某些焊接位置(立、横、仰)会加剧咬边。
咬边减小了母材的有效截面积,降低结构的承载能力,同时还会造成应力集中,发展为裂纹源。
矫正操作姿势,选用合理的规范,采用良好的运条方式都会有利于消除咬边。
焊角焊缝时,用交流焊代替直流焊也能有效地防止咬边。
焊接的缺陷及解决办法1:裂纹焊丝与焊件均有油·锈及水分,熔深过大,多层焊时第一层焊缝小,焊后焊件内有很大的内应力,保护气体含水量过大。
解决办法:焊前仔细清除焊丝及焊件表面的油,锈及水分,合理选择焊接电流与电弧电压,加强打底层焊缝质量,合理选择焊接顺序及消除内应热处理,焊前对储气钢瓶进行除水,焊接过程中对保护气体应进行干燥。
坡口角度小,电流大,电压低而形成的梨形纹2:焊瘤焊缝中的液态金属流到加热不足未熔化的母材上或从焊缝根部溢出,冷却后形成的未与母材熔合的金属瘤即为焊瘤。
焊接规范过强、焊条熔化过快、焊条质量欠佳(如偏芯),焊接电源特性不稳定及操作姿势不当等都容易带来焊瘤。
在横、立、仰位置更易形成焊瘤。
焊瘤常伴有未熔合、夹渣缺陷,易导致裂纹。
同时,焊瘤改变了焊缝的实际尺寸,会带来应力集中。
管子内部的焊瘤减小了它的内径,可能造成流动物堵塞。
防止焊瘤的措施:使焊缝处于平焊位置,正确选用规范,选用无偏芯焊条,合理操作。
3:烧穿烧穿是指焊接过程中,熔深超过工件厚度,熔化金属自焊缝背面流出,形成穿孔性缺。
焊接电流过大,速度太慢,电弧在焊缝处停留过久,都会产生烧穿缺陷。
工件间隙太大,钝边太小也容易出现烧穿现象。
烧穿是锅炉压力容器产品上不允许存在的缺陷,它完全破坏了焊缝,使接头丧失其联接飞及承载能力。
防治措施:选用较小电流并配合合适的焊接速度,减小装配间隙,在焊缝背面加设垫板或药垫,使用脉冲焊,能有效地防止烧穿。
4:弧坑焊后在焊缝表面或焊缝背面形成的低于母材表面的局部低洼部分。
5:气孔焊接时熔池中的气泡在凝固时未能逸出而残留下来形成的空穴。
产生原因:母材污染;焊丝生锈、受潮、有油污;定位焊接不良,焊丝选用、保管不良;电弧过长,焊速过快;冷速过大,风速大于2m/s;喷嘴过细;保护气中水分多,气体纯度不高;喷嘴堵,保护气紊乱,焊丝内硅锰含量不足。
解决办法:焊前认真进行焊件和焊丝的清理;加大气体流量,清理喷嘴堵塞物,焊接处注意挡风;选用合格焊丝焊接;焊接用保护气体纯度应大于99.5%。
焊接时常发生的缺陷及防止方法一、气孔焊缝金属产生的气孔可分为:内部气孔,表面气孔,接头气孔。
1.内部气孔:有两种形状。
一种是球状气孔多半是产生在焊缝的中部。
产生的原因:(1)焊接电流过大;(2)电弧过长;(3)运棒速度太快;(4)熔接部位不洁净;(5)焊条受潮等。
上述造成气孔原因如进行适当调整和注意焊接工艺及操作方法,就可以得到解决。
2.面气孔:产生表面气孔的原因和解决方法:(1)母材含C、S、Si量高容易出现气孔。
其解决办法或是更换母材,或是采用低氢渣系的焊条。
(2)焊接部位不洁净也容易产生气孔。
因此焊接部位要求在焊接前清除油污,铁锈等脏物。
使用低氢焊条焊接时要求更为严格。
(3)焊接电流过大。
使焊条后半部药皮变红,也容易产生气孔。
因此要求采取适宜的焊接规范。
焊接电流最大限度以焊条尾部不红为宜。
(4)低氢焊条容易吸潮,因此在使用前均需在350℃的温度下烘烤1小时左右。
否则也容易出现气孔。
3.波接头气孔:使用低氢焊条往往容易在焊缝接头处出现表面和内部气孔,其解决办法:焊波接头时,应在焊缝的前进方向距弧坑9~10mm处开始引弧,电弧燃烧后,先作反向运棒返向弧坑位置,作充分熔化再前进,或是在焊缝处引弧就可以避免这种类型的气孔产生。
二、裂缝1.刚性裂缝:往往在焊接当中发现焊缝通身的纵裂缝,主要是在焊接时产生的应力造成的。
在下列情况下焊接应力很大:(1)被焊结构刚性大;(2)焊接电流大,焊接速度快;(3)焊缝金属的冷却速度太快。
因而在上述的情况下很容易产生纵向的长裂缝。
解决办法:采用合理的焊接次序或者在可能的情况下工件预热,减低结构的刚性。
特厚板和刚性很大的结构应采用低氢焊条使用合适的电流和焊速。
2.硫元素造成的裂缝:被焊母材的碳和硫高或偏析大时容易产生裂缝。
解决办法:将焊件预热,或用低氢焊条。
3.隙裂缝:毛隙裂缝是在焊敷金属内部发生,不发展到外部的毛状微细裂缝。
考虑是焊敷金属受急速冷却而脆化,局部发生应力及氢气的影响。
精品
焊缝冷叠加
外观
剖切面 冷叠加
缺陷判断:观察焊道之间以及焊缝和基材之间是否存在尖锐的缝隙,一般发生在多道焊的角焊缝上。
缺陷成因:焊缝一层层冷堆在一起,焊缝之间未融合,主要原因为电压偏低、焊速过慢以及摆幅过大。
处理办法:打磨或者其他方式去除不良的焊缝段,重新焊接。
精品
焊缝单侧焊透
外观
剖切面 单侧焊透
缺陷判断:从外观上不能做出有效判断 ,在观察剖切面时发现零件一侧有融透一侧未融合(即保持焊前零件外形)。
精品
焊缝未焊透
外观 剖切面 未焊透
缺陷判断:从外观上不能做出有效判断 ,在观察剖切面时发现零件未融合(即基本保持焊前零件边界线)。
缺陷成因:焊接电流、电压选择不合理、焊接速度使用不合理。
处理办法:打磨或者其他方式去除不良的焊缝段,增加焊接电流电压、降低焊接速度焊接。
精品
焊道间未融合
外观
剖切面
焊道间未融合
缺陷判断:从外观上不能做出有效判断 ,在观察剖切面时发现焊道之间未融合。
缺陷成因:焊接电流、电压选择不合理、焊接速度使用不合理、焊道间焊接停留,焊道的结构不合理。
处理办法:打磨或者其他方式去除不良的焊缝段,增加焊接电流电压、降低焊接速度焊接,焊道间保持持续焊接。
焊瘤以及烧穿
外观烧穿焊瘤以及烧穿
精品
精品
缺陷判断:目测可见小孔出现在焊缝表面,打磨表面后可见蜂窝状(氢气孔)、针点状、线形(混合型)等气孔。
缺陷成因:保护气体流速和气压不足,焊接环境不理想、焊接基材清理不干净,焊丝干伸长过大。
处理办法:打磨或者其他方式去除不良的焊缝段,加大保护气体的气压流速或者更换新的气瓶,清理干净基材,防止环境中的风速过大影响焊接,减小焊丝干伸长。
精品 单个气孔
外观
外观
单个气孔
缺陷判断:目测可见一个较大的气孔形成于焊接区域。
缺陷成因:焊丝干伸长过长 ,基材清理不干净等。
处理办法:打磨或者其他方式去除不良的焊缝段,加大保护气体的气压流速,清理干净基材,减小焊丝干伸长。
精品
夹渣
外观
剖切面
焊缝夹渣
缺陷判断:焊缝周围存在大量尘土等非融化性杂物时,应注意夹渣现象,存在夹渣时,剖切时可以发现大量非正常性材料间隔在焊缝和基材之间或者焊道和焊道之间。
精品
缺陷成因:基材清理不干净等。
处理办法:打磨或者其他方式去除不良的焊缝段,清理干净基材,重新焊接。
弧坑
外观
弧坑产生裂纹
弧坑
缺陷判断:在焊缝的收尾处形成的低于焊缝高度的凹陷坑。
缺陷成因:焊缝未做收弧动作处理。
处理办法:打磨去除缺陷处,重新焊接,焊条电弧焊收弧时焊丝应在熔池处稍作停留(停留电流应不小于焊接电流60%)或环形运条,待熔池金属填满后再引向一侧熄弧。
咬边
外观剖切咬边
精品
精品
缺陷判断:目测可见焊缝中间线性、间断性裂开
缺陷成因:焊缝较窄时,焊接电流电压较大或者较小并且焊接速度过快,造成焊接冷却过快应力集中产生裂缝。
处理办法:打磨或者其他方式去除缺陷段焊缝,重新焊接,调整焊接电流电压、增加焊缝预热、降低焊接速度。
精品
焊道内裂纹
剖切面
剖切面
焊道内裂缝
缺陷判断:目测可见焊缝中间线性、间断性裂开
缺陷成因:焊缝较深较窄时,焊接电流电压较大或者较小且焊接速度过快,造成焊接冷却过快应力集中产生裂缝。
处理办法:打磨或者其他方式去除缺陷段焊缝,重新焊接,调整焊接电流电压、降低焊接速度。
常见的角焊缝
精品
精品
焊缝要求:焊缝要求饱满,熔深和尺寸按图示或者其他已明确的要求。
质量要求:不能存在焊接缺陷。
操作参考:焊枪指向焊缝正中。
当熔深有偏差,可稍微调整指向,焊枪移动动作为“推”。
常用的多道焊叠加方式
焊道分布
如有侵权请联系告知删除,感谢你们的配合!
精品。